Вал тихоходный
Министерство
образования и науки РФ
ФГБОУ ВО
Кемеровский технологический институт
пищевой
промышленности ( университет )
Кафедра
«Прикладная механика»
ВАЛ
ТИХОХОДНЫЙ
Пояснительная
записка к курсовому проекту по курсу “Детали машин и основы конструирования”
КС.01.00.00.ПЗ
Студент
гр РС-032 Ахметшин В.Л
Руководитель
Гоголина И.В
Кемерово
2015
Содержание
Техническое
задание
Введение
. Кинематический
и силовой расчеты привода
.1. Выбор
электродвигателя
.1.1. Определение
общего КПД привода
.1.2. Определение
требуемой мощности двигателя
.1.3. Определение
максимальной и минимальной частоты вращения
.1.4. Выбор
электродвигатель
.2. Кинематический
и силовой расчеты привода
.2.1. Определение
общего передаточного числа и разбивка его по передачам
.2.2. Определение
частот вращения на каждом валу привода
.2.3. Определение
угловых скоростей на каждом валу привода
.2.4. Определение
мощностей на каждом валу привода
.2.5. Определение
крутящих моментов на каждом валу привода
.
Расчёт передачи
.1.1
Расчёт передачи зацеплением на ЭВМ (приложение 1 )
.2.1
Анализ результатов и выбор оптимального решения
.
Проектировочный расчёт валов
.1.1
Проектировочный расчёт тихоходного вала
.1.2
Проектировочный расчёт быстроходного вала
.
Выбор муфты
.Выбор
шпонки
.
Выбор типа подшипников качения: обоснование, тип, серия
.
Уточненный расчёт тихоходного вала.
.1.1
Определение опорных реакций. Построение эпюр изгибающих и крутящих моментов.
.2
Выявление опасных сечений
.2.1
Проверочный расчёт вала на выносливость
.
Проверка долговечности подшипников
.
Смазка зацепления подшипников
Заключение
Список
литературы
Техническое задание
привод частота вращение подшипник
по прикладной механике студенту Ахметшину В.Л
гр. РС-032. Вариант 1
Выполнить кинематический и силовой расчеты привода
по схеме, приведенной на рисунке 1. Выполнить расчет червячной передачи и
спроектировать червячное колесо.
Мощность на приводном валу рабочей машины Pр.м.
= 1,7 кВт.
Частота вращения этого вала ωр.м.
= 3,3 с-1.
Рисунок 1-Кинематическая схема
электромеханического привода
Также представить пояснительную записку и
рабочий чертеж тихоходного вала формата А3.
Введение
В данной работе требуется произвести
кинематический и силовой расчеты привода, состоящий из электродвигателя, муфты,
червячного редуктора, клиноременной передачи и вала рабочей машины.
Достоинства червячной передачи: большое число
передач, передаточное число постоянно, плавность, бесшумность.
Недостатки червячной передачи: большая сила
трения, низкий КПД, особые требования к смазке.
Редуктор - это механическая передача,
находящаяся в отдельной закрытой коробке (называемой корпусом), служащая для
уменьшения угловой скорости и повышения крутящего момента на ведомом
(тихоходном) валу.
Достоинства клиноременной передачи: передача
крутящего момента на расстоянии, простота изготовления, бесшумность.
Недостатки клиноременной передачи: непостоянное
передаточное число, ремень должен быть постоянно натянут ( нагрузка на валы )
Муфта состоит из двух полумуфт и соединительных
элементов. Служит для соединения двух валов и передачи крутящего момента без
изменения его значения и направления.
Цель работы: приобретение навыков работы с
учебной, справочной литературой, государственными и отраслевыми стандартами. А
также научиться анализировать назначение и условия работы деталей и принимать
обоснованные, конструктивные и технологические решения.
1.
Кинематический и силовой расчеты привода
.1 Выбор электродвигателя.
.1.1 Определение общего КПД привода
ηобщ
= ηч· ηр·
ηм· ηп3;
где ηч
- КПД закрытой червячной передачи;
ηр
- КПД клиноременной передачи;
ηм
- КПД муфты;
ηп
- КПД пары подшипников.
Примем [2, с.7 таблица 1.1 ]
ηч=0,8;
ηр=0,94;
ηм=0,98;
ηп=0,99;
.1.2 Определение требуемой мощности
электродвигателя
1.1.3 Определение максимальной и минимальной
частоты вращения
n`min = nр.м
· umin ; n`max=nр.м·umax;min
= umin ч
· umin рм;
umax = umax ч
· umax рм;
nр.м.
=
где,
-
частота вращения вала рабочей машины;
-
частота вращения вала рабочей машины, об/мин;
-
передаточное отношение редуктора;
n`min =15,76 · 32=504,32
; n`max=15,76·150=2364
umin =16·2=32; umax
= 50·3=150
nр.м.
=
1.1.4 Выбираем электродвигатель [ 2, с. 456]
АИР 90L4
ТУ 16-525.564 - 84 с характеристикой:
Рэд = 2,2 кВт;
nс
= 1500об/мин;
nас
= 1395 об/мин.
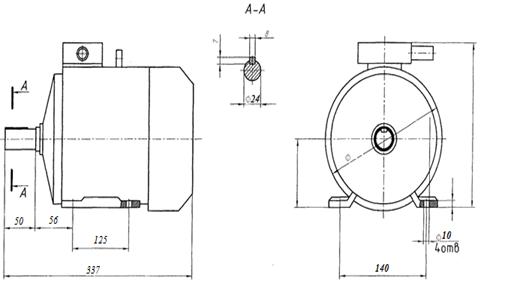
Выбранный электродвигатель представлен на
рисунке 2.
Рисунок 2-Электродвигатель АИP90L4
с установочными и габаритными размерами
.2 Кинематический и силовой расчеты привода
.2.1 Определение общего передаточного числа и
разбивка его по передачам
uобщ
=
Примем u2
= 40 , тогда u1
=
.
1.2.2 Определение частот вращения на каждом валу
привода
Вал двигателя n
= nac = 1395
об/мин;
Вал I
n1
= n/ u1
= 631,22 об/мин;
Вал II
n2
= n1
/ u2
= 15,78 об/мин;
Вал III
n3
= n2 =
15,78 об/мин.
.2.3 Определение угловых скоростей на каждом
валу привода
Вал двигателя ω =
Вал I
ω1=π*n1/30
= 66.06 с-1;
Вал II
ω2=π*n2/30=
1,65 с-1;
Вал III
ω3=ω2
= 1,65 с-1.
.2.4 Определение мощностей на каждом валу
привода
Вал двигателя Р = Рэд = 2,36 кВт;
Вал I
Р1 = Р · ηр
· ηп =2,19 кВт;
Вал II
Р2 = Р1 · ηч
· ηп = 1,73 кВт;
Вал III
Р3 = Р2 · ηм
· ηп = 1,67 кВт
.2.5 Определение крутящих моментов на каждом
валу привода
Вал двигателя
Н· м;
Вал I
Н· м ;
Вал II
Н· м ;
Вал III
Н · м .
Результаты расчетов введены в
таблицу 1.
Таблица 1 - Результаты расчетов
|
Номер
вала
|
n, (об/мин)
|
ω,
(с-1)
|
Р,
(кВт)
|
Т,
(Н·м)
|
|
Вал
привода
|
1395
|
146,01
|
2,36
|
16,16
|
|
Вал
I
|
631,22
|
66,06
|
2,19
|
33,15
|
|
Вал
II
|
15,78
|
1,65
|
1,73
|
1048,48
|
|
Вал
III
|
15,78
|
1,65
|
1,67
|
1012,12
|
. Расчёт передачи
.1 Расчёт передачи зацеплением на ЭВМ (
приложение А )
Выбираем второй вариант с материалом венца
колеса БрОЗЦ7С5Н1 , так как он является наиболее оптимальным. В нем выполняются
условия: σн
≤ [σн]
и σf
≤
[σf]
и в этом варианте средние силы и габариты.
) а = 450 мм, БрС30
df =
216 мм;
df ≥ 1,35
d = 1,35
26 = 35,1;
≥ 35,1 - условие выполняется.
) а = 200 мм, БрО3Ц7С5Н1
df ≥ 1,25
d = 1,35
26 = 35,1;
60≥ 35,1 - условие
выполняется.
2) а = 110 мм, БрА10ЖЗМц2
df =
54 мм;
df ≥ 1,25
d = 1,35
26 = 35,1;
54≥ 35,1 условие выполняется
. Проектировочный расчет валов
.1 Проектировочный расчет
тихоходного вала
d=(7...8)
Ттв
d=7
=71,05.
Уточняем диаметр: d=70 [4,с.452]
Диаметр под подшипником
dn=d+2tцил
dn=72+2
5,1=82,2мм.
Примем стандартное значение dn=85мм.
Диаметр буртика подшипника
dбn=dn+3r
dбn2
=85+3
3,5=95,5мм.
Уточняем диаметр буртика подшипника=100[4,с. 452]
3.2 Проектировочный расчёт быстроходного вала
d=(7...8)
Тбв
d=7
=25,68.
Уточняем диаметр: d=26[4, с.
452]
Диаметр под подшипником
dn=d+2tцил
dn=26+2
3,5=33.
Примем стандартное значение dn=35мм.
Диаметр буртика подшипника
dбn=dn+3r
dбn2
=35+3
2=41мм.
Уточняем диаметр буртика подшипника=42 [4,с.452]
Формулы и значения tцил,
r берем из таблицы
[2,с. 46]
4. Выбор муфты
Выбираем муфту компенсирующую жёсткую цепную
ГОСТ-20742-81.
Достоинство муфты-при монтаже и демонтаже не
требуется осевого смещения узлов. Для удержания смазочного материала муфту
закрывают кожухом. Чтобы предотвратить утечку масла, в кожух встраивают
уплотнения. Кожух выполняют литым из лёгких сплавов.
Тр=К
Ткон
Тном=1048,48 К=(1,1...1,4)
Тр=1,4
1048,48=1467,87
где,
-
номинальный длительно действующий момент;
Ткон- динамическая составляющая момента
К- коэффициент режима работы. При спокойной
работе и небольших
разгоняемых при пуске массах к - 1,1….1,4
Принимаем по расчетам Муфта цепная 2000-63-1.1
ГОСТ 20742-81
5. Выбор шпонки
1)Диаметр выходного конца тихоходного вала d=70мм
lст=105
Длину ступицы назначают на 8...10 мм больше
длины шпонки
Учитывая длину ступицы определяем длину шпонки
l = lст
- 10мм=105-10=95мм. Из стандартного ряда выбираем длину шпонки l
= 90 мм [1, c.476 ]
Определяем длину шпонки
l = lр
+ b=27+20=47мм
Принимаем «Шпонка 20×12×90
ГОСТ 23360 - 78».
) Диаметр буртика подшипника тихоходного вала dбп=100
мм lст=80
Определяем длину шпонки
l = lст
- 10мм=80-10=70мм из стандартного ряда выбираем длину шпонки l
= 70 мм [1, c.476 ]
Принимаем «Шпонка 28×16×70
ГОСТ 23360 - 78».
)Диаметр выходного конца быстроходного вала d=26
мм lст=39
Определяем длину шпонки
l = lст
- 10мм=39-10=29мм из стандартного ряда выбираем длину шпонки l
= 28 мм [1, c.476 ]
Принимаем «Шпонка 8×7×28
ГОСТ 23360 - 78».
Проверка прочности шпоночных соединений (
Приложение Б )
6. Выбор типа подшипников качения
Конические и червячные колёса должны быть точно
и жестко зафиксированы в осевом направлении. Шариковые радиальные подшипники
характеризует малая осевая жесткость. Поэтому в силовых передачах для опор
валов конических и червячных колес применяют конические роликовые подшипники.
Опоры червяка в силовых червячных передачах
нагружены значительными осевыми силами. Поэтому в качестве опор вала червяка
выбираем конические роликовые подшипники серии 7517А ГОСТ 333-79
7. Уточнённый расчёт тихоходного вала
7.1 Определение опорных реакций. Построение эпюр
изгибающих и крутящих моментов. Выявление опасных сечений
A B C D
На тихоходном валу определим самое опасное
сечение, построив эпюры крутящих и изгибающих моментов в горизонтальной и
вертикальных плоскостях, а также суммарную эпюру.
Для построения эпюр воспользовались
количественной мерой сил, которые взяли из выбранного нами варианта с
материалом венца БрОЗЦ7С5Н1
Fa=
H=2400.856 H=6553 H
d=320mm
Mиз=
=
=136.72 Н
м
1) Строим эпюру Мг
∑Ма=-Ft
a+Rb(a-b)-Fm(a+b+c)=6553
0.0064+Rb
(0.064+0.064)-4047.53
(0.064+0.064+0.136)=419.392+Rb
0.128-1068.54792
0.128Rb=419.392+1068.54792+1487.93992=11624.531
Rb
∑Mb=Ft
b-Ra(a+b)-Fm
c=6553
0.064-Ra
0.128-4047.53
0.136
Ra
0.128=419.392-550.46408=-1024.0006
∑F=Ra+Rb-Fm-Ft=0
Участок AB=Ra
a=-1024.0006
0.064=-65.53
Участок BC=Ra
(a+b)-Ft
b=-1024.0006
0.128-6553
0.136=-550.46
Участок CD=Fm
c=-550.46
2) Строим эпюру Мв
∑Ma=-Fr
a-M+Rb(a+b)=-2400.856
0.064-M+Rb
0.128
Rb=2268.553
∑Mb=Fr
a-M-Ra(a+b)=2400.856
0.064-136.72-Ra
0.128
Ra=132.303
∑F=Ra+Rb-Fr=0
Участок ABверх=Ra
a=132.303
0.064=8.46
Участок ABнижн=Ra
a-M=132.303
0.064-136.72=-128.25
3) Строим суммарную эпюру
A=
B верхняя=
B нижняя=
C=
D=0
Опасным сечением будет место под
подшипник, так как в этой точке суммарная эпюра достигает наибольшего значения.
.2 Проверочный расчёт вала на
выносливость
Расчет на статическую прочность,
заключается в определении d вала в опасном сечении и
рассчитываем по формуле:
=
=55.30мм
Т.к. диаметр опасного сечения=55.30мм( что
меньше допускаемого 80мм.),то прочность вала обеспечивается
Определим эквивалентный изгибающий момент
Мэкв=
=
=1184.19446
Нм
Определим эквивалентное напряжение
экв =
=
=19.28МПа
Определим осевой момент
сопротивления сечения
=
=60261.0156
Определим напряжение в опасных
сечениях
=
=9.13 МПа
к=
=
=8.54 МПа
а=0,5
а=4,27 МПа
Определим пределы выносливости вала
в рассматриваемом сечении:
=
=99.15 Н/мм2
=
=85.36 Н/мм2
Определим КσD и КτD -
коэффициенты снижения предела выносливости, вычисляемые по формулам
Примем
[4,с.214 таблица 12.18]
=4.6 ;
=3.2
=(4.6+1-1)
=3.53
=(3.2+1-1)
=2.46
где Кσ и Кτ - эффективные
коэффициенты концентрации напряжений,
Кdσ и Кdτ -
коэффициенты влияния размеров поперечного сечения,
Определим коэффициент запаса
прочности [4,с. 227]
=
=9.53
где Sσ и Sτ -
коэффициенты запаса по нормальным и касательным напряжениям, определяемые по
зависимостям
=
=10.85
=
8. Проверка
долговечности подшипников
Определим суммарные реакции опор для
расчета подшипников [4, с. 243]
Fr1.2=
Fr1=
=11625.2839Н
Fr2=
=2488.9576Н
Значения взяли из
пункта-"уточненный расчет тихоходного вала"
Определим осевые составляющие [4,с.
244]
Famin1.2=0.83
e
Fr1.2,
где " е"-коэффициент
осевого нагружения
Famin1=0.83
0.39
11625.2839=3763.1044Н
Famin2=0.83
0.39
2488.9376=805.6755Н
В соответствии с получившимися
значениями находим значения X и Y для опор.
Находим эквивалентные нагрузки при
Кб=1 и Кт=1
Pr1.2=(V
X
Fr1.2+YFa1.2)
Кб
Кт
Pr1=(1
1
11625.2839+0
3763.1044)
1
1=11625.2839
Pr2=2488.9576
Определим расчетную долговечность
подшипников при a23=0.6 [4, с.105]
L10ah1.2=a1
a23
L10ah1= 1
0.6
=4090572.73ч
L10ah2=693169954.647ч
Вывод: L10ah
=693169954.647ч. Это больше требуемой долговечности L10ah=20000ч,
поэтому подшипник 7517А пригоден.
. Смазка зацепления подшипников
Для червячных редукторов используют
смазывание жидким маслом картерным способом (окунанием) , при котором масло в
корпус заливается так, чтобы венец зубчатого колеса был в него погружен. При
вращении колеса масло захватывается зубьями, разбрызгивается, попадает на
внутренние стенки корпуса редуктора, оттуда стекает в нижнюю его часть
(масляную ванну). Внутри корпуса образуется взвесь частиц масла в воздухе
(масляный туман), которая оседает на все детали редуктора.
Окружная скорость не должна
превышать 12,5м/с
Определим окружную скорость червяка
согласно [1, с. 40]
где d1 -
делительный диаметр червяка, мм;
n1 - частота
оборотов червяка, об/мин
Определим окружную скорость колеса
где d2 -
делительный диаметр колеса, мм;
n2 - частота
оборотов колеса, об/мин
По рекомендации [1, с. 172] выберем
масло Литол-24.
Определим глубину погружения червяка
согласно [1, c. 174].
hм=2m...0.25d2 =2
8...0.25
320=16...80мм.
При картерном смазывании передач
подшипники смазываются брызгами масла.
Заключение
В данной работе был выполнен
кинематический и силовой расчет привода. выполнен проектировочный расчет валов,
выбран тип подшипников качения, определен тип смазывания подшипников и
зацепления, выполнен уточненный расчет валов, проверены подшипники качения на
долговечность, подобран тип муфты. В графической части проекта был выполнен
сборочный чертеж тихоходного вала на формате А3 со спецификацией.
Выполнив проверочный расчет валов, и
проанализировав полученные данные, мы можем с уверенностью сказать, что данные
изделия удовлетворяют необходимым условиям прочности, т.к. коэффициент запаса
прочности в несколько раз больше допускаемого S=9.5>[S]=2. Исходя
из этого, полученные ранее расчеты принимаем как основные.
Произведя проверку прочности
шпоночных соединений (раздел 5), мы определили минимальную рабочую длину
шпонок, их ширину, высоту, действующие и допускаемые напряжения.
В разделе 6 мы проверили выбранные
подшипники на долговечность. Из результатов видно, что средняя долговечность
подшипников полностью удовлетворяет заданному ресурсу редуктора.
Погрешность расчетов составляет
∆P=(P1-P2/P2)⦁100%=(2.36-2.19/2.19)⦁100%=7%
Результаты расчета показали, что погрешность
передаточного числа составляет 0,01% ,а погрешность мощности 7%. Таким образом,
принимаем произведенные ранее расчеты как основные.
Список литературы
1
Дунаев, П.Ф. Конструирование узлов и деталей машин: Учеб. пособие для техн.
спец. вузов/П.Ф.Дунаев, О.П.Леликов,-М.:Издательский центр
"Академия", 2001.-447с.
Детали
машин: Учебное пособие по выполнению курсового проекта для студентов
механических и технологических специальностей заочной формы обучения/ Л.В
Грачёва[и др.],-К.: Кемеровский технологический институт пищевой
промышленности, 2003.-180с.
Дунаев,
П.Ф Курсовое проектирование " Детали машин " учебное пособие для
учащихся машиностроительных специальностей техникумов /П.Ф.Дунаев, О.П.Леликов
1990.-399с.