Технология изготовления детали 'Крышка' на автоматизированном оборудовании с ПУ
Технология изготовления детали
«Крышка» на автоматизированном оборудовании с ПУ
ВВЕДЕНИЕ
На протяжении нескольких десятилетий индустриальное
развитие не стоит на месте и в связи с этим прогрессирует и активно развивается
широкое и масштабное производство различных изделий и деталей. Практически во
всех отраслях тяжелой и крупносерийной промышленности возрастает спрос на
высококачественные продукты производства.
Одной из главных задач машиностроения является
опережающий рост таких отраслей, как станкостроение, приборостроение,
электротехническая и электронная промышленность, производство вычислительной
техники, что позволит России набрать темпы для приближения к мировому уровню
экономики. Отечественному машиностроению присущ целый ряд проблем, которые
можно сгруппировать в зависимости от их характера:
) Проблемы, связанные с развитием машиностроительного
комплекса:
.1 низкие темпы роста ведущих отраслей, а в
некоторых случаях и спад производства;
.2 нарушение технологических связей;
.3 простои многих предприятий;
.4 низкие темпы обновления оборудования и
выпускаемой продукции (например, 60% металлообрабатывающих станков имеет
возраст более 10 лет).
) Необходимость структурной перестройки:
.1 основная часть продукции российского
машиностроения имела оборонное значение в течение длительного времени, в связи
с чем возникла необходимость обоснованного перепрофилирования отраслей;
.2 необходимость сокращения диспропорций в темпах
роста отдельных отраслей;
.3 необходимость опережающего роста таких отраслей,
как станкостроение, приборостроение, электротехническая и электронная
промышленность.
) Проблемы повышения качества производимых машин:
3.1 несоответствие подавляющей части отечественного оборудования и машин
мировым стандартам;
.2 низкая надежность производимых машин (из-за плохого качества
комплектующих деталей в первый же год эксплуатации из строя выходит от 20 до
30% изделий машиностроения).
Для обеспечения своего лидерства машиностроению
необходимы определенные условия. В России машиностроение принадлежит к числу
наиболее распространенных в территориальном отношении отраслей промышленности.
Специализация дает большие возможности для использования высокоэффективного
производственного оборудования, а также средств автоматизации производственных
процессов. Специализация может быть следующих типов:
детальная, которая подразумевает выпуск
отдельных частей или деталей готового продукта;
предметная, т.е. отвечающая за выпуск
определенных конечных видов продукции;
технологическая - производство полуфабрикатов
(литье, различные виды заготовок) или осуществление отдельной операции и
технологического процесса.
Выбирая станок ЧПУ, необходимо знать следующие
достоинства станка:
· Производительность;
· Точность;
· Функциональность;
· Простота эксплуатации и обслуживания;
· Удобство управления;
· Надёжность;
· Сервис
Станки с ЧПУ используются для обработки плоских и пространственных
поверхностей при производстве изделий любой сложности, позволяя выполнять
множество технологических операций (например: фрезерование, фасонное
фрезерование, контурная резьба, нанесение узоров, гравирование и пр.). Все,
выше перечисленные операции, можно выполнить на одном станке. Токарный станок
ЧПУ используется в различных условиях производства, как единично, так и
массово.
В настоящее время компания GE Fanuc Intelligent
Platforms является научно - производственным предприятием, одним из мировых
лидеров в сфере производства программно - аппаратных средств, для отраслей
автопрома, медицины, ВПК, авиации и космоса современными системами промышленной
автоматизации, начиная от систем защиты, обработки данных и систем управления
технологическими процессами.
Продукция компании GE Fanuc включает в себя
промышленные и персональные компьютеры, промышленные контроллеры, операторские
пульты и панели, системы распределенного ввода и вывода, приводную технику,
роботов и ЧПУ оборудование, а также программное обеспечение для систем
автоматизации предприятия. Продукция компании отличается высоким качеством,
простой в установке и обслуживании. Широкий функциональный диапазон и гибкость
позволяют заказчикам удобно адаптировать системы практически в любую научно
производственную отрасль.
Был выбран токарный станок стойки FANUC, так как он является простым в
обслуживании, создании программ, а также наладки станка к работе. Даная стойка
отвечает всем требованиям современной технологии, которые необходимы для
удовлетворения требований заказчика.
1. ТЕХНОЛОГИЧЕСКАЯ ЧАСТЬ
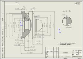
Чертёж детали
Чертёж, детали построенный в компасе представлен на рисунке 1.
Рисунок
1
Модель
3D детали построенная в компасе представлена на рисунках
2 и 3.
Рисунок
2
Рисунок
3
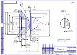
Чертёж,
детали построенный в SOLIDWORKS представлен на рисунке 4.
Рисунок
4
Модель
3D детали построенная в SOLIDWORKS
представлена на рисунках 5 и 6
Рисунок
5
Рисунок
6
1.1
Требования к детали
1. Название детали: Крышка
. Деталь типа: внутренней резьбы М45х1,5 и наружного радиуса R30
3. Требования
к параметру шероховатости 
3,2
. Масштаб:
1:1
. Материал:
Пруток ГКРН 145х115Л90 ГОСТ2060-90
. Масса:
600 г.
. Технические
требования:
1) Размер для справок *
) Острые кромки притупить
Характеристика точностных поверхностей детали представлена в таблице 1.
Таблица 1
|
Размер детали
|
Система
|
Верхнее отклонение размера
|
Нижнее отклонение размера
|
Номинальный размер
|
Наибольший размер
|
Наименьший размер
|
Допуск на размер
|
Квалитет
|
|
Ø64h12
|
Вал
|
0
|
-0,3
|
64
|
64
|
63,7
|
0,3
|
12
|
|
Ø80h12
|
Вал
|
0
|
-0,3
|
80
|
80
|
79,7
|
0,3
|
12
|
|
Ø104h12
|
Вал
|
0
|
-0,358
|
104
|
104
|
103,642
|
0,358
|
12
|
|
Ø140h12
|
Вал
|
0
|
-0,4
|
140
|
140
|
139,6
|
0,4
|
12
|
|
Ø50H12
|
Отверстие
|
+0,25
|
0
|
50
|
50,25
|
50
|
0,25
|
12
|
|
Ø70H12
|
Отверстие
|
+0,3
|
-0,005
|
70
|
70,3
|
69,995
|
0,305
|
12
|
|
Ø91H12
|
Отверстие
|
+0,35
|
0
|
91
|
91,35
|
91
|
0,35
|
12
|
|
Ø120,8H12
|
Отверстие
|
+0,4
|
0
|
120,8
|
121,2
|
120,8
|
0,4
|
12
|
Характеристика материала Л90 представлена в таблице 2.
Таблица 2
|
Марка:
|
Л90
|
|
Классификация:
|
Латунь, обрабатываемая давлением
|
|
Дополнение:
|
Латунь простая (двойная). Очень хорошо деформируется в
холодном состоянии, особенно волочением; не склонна к коррозионному
растрескиванию; пригодна для ковки, чеканки, эмалирования
|
|
Применение
|
Полуфабрикаты (прутки, ленты, листы, полосы, трубы);
проволока для деталей электротехники; медали и значки.
|
Химический состав материала Л90 представлен в таблице 3.
Таблица 3
|
Fe
|
P
|
Cu
|
Pb
|
Zn
|
Sb
|
Bi
|
Примесей
|
|
|
|
|
|
|
|
|
|
до 0.1
|
до 0.01
|
88 - 91
|
до 0.03
|
8.8 - 12
|
до 0.005
|
до 0.002
|
всего 0.2
|
Литейно-технологические свойства материала Л90 представлены в таблице 4
Таблица 4
|
Температура плавления:
|
1045 °C
|
|
Температура горячей обработки:
|
700 - 850 °C
|
|
Температура отжига:
|
450 - 600 °C
|
Механические свойства при Т=20°C материала Л90 . представлены в таблице 5
и 6.
Таблица 5
|
Сортамент
|
Размер
|
Напряжение
|
|
|
|
ψ
|
KCU
|
Термообраб.
|
|
-
|
мм
|
-
|
МПа
|
МПа
|
%
|
%
|
кДж/ -
|
|
|
Лента, ГОСТ 8036-79
|
|
|
250
|
|
38
|
|
|
|
|
Полоса холоднокатан. мягк., ГОСТ 931-90
|
|
|
230-340
|
|
36
|
|
|
|
|
Полоса холоднокатан. тверд., ГОСТ 931-90
|
|
|
350
|
|
3
|
|
|
|
Таблица 6
|
Твердость Л90, Лист мягк. ГОСТ 2208-2007
|
HB 10- 1= 60 МПа
|
|
Твердость Л90, Лист тверд. ГОСТ 2208-2007
|
HB 10- 1= 110 МПа
|
Физические свойства материала Л90 представлены в таблице 7.
Таблица 7
|
T
|
E 10- 5
|
a 10 6
|
l
|
r
|
C
|
R 10 9
|
|
Град
|
МПа
|
1/Град
|
Вт/(м·град)
|
кг/м3
|
Дж/(кг·град)
|
Ом·м
|
|
20
|
1,05
|
|
180
|
8780
|
|
45
|
|
100
|
|
17,1
|
|
|
398
|
|
Коэффициент трения материала Л90 представлен в таблице 8
Таблица 8
|
Коэффициент трения со смазкой:
|
0.074
|
|
Коэффициент трения без смазки:
|
0.44
|
Обозначения:
Механические свойства:

- Предел
кратковременной прочности, [МПа];

- Предел
пропорциональности (предел текучести для остаточной деформации), [МПа];

-
Относительное удлинение при разрыве, [ % ];
Ψ - Относительное сужение, [ % ];
KCU - Ударная
вязкость, [ кДж / м2];
HB- Твердость по
Бринеллю, [МПа]
Физические
свойства:
Т - Температура, при которой получены данные свойства,
[Град];
Е - Модуль упругости первого рода, [МПа];
a - Коэффициент температурного (линейного) расширения (диапазон
20 0-Т), [1/Град];
l - Коэффициент теплопроводности (теплоемкость материала),
[Вт/(м·град)];
r -Плотность материала, [кг/м3];
С - Удельная теплоемкость материала (диапазон 20 0-Т),
[Дж/(кг-град)];
R -
Удельное электросопротивление, [Ом м]
.2 Выбор оборудования
Для обработки данной детали, был выбран токарный станок ЧПУ CKE6150Z,
который характеризуется высокой степенью точности и большой эффективностью.
Обработку можно производить в один или несколько проходов в замкнутом
полуавтоматическом цикле одновременно по двум координатам. Станок оснащен
системой ЧПУ FANUC (типа CNC). Возможна установка револьверной головки с
сервоприводом. Рабочее пространство закрывается защитными кожухами. Станок
имеет удобный доступ к пульту ЧПУ, пульт можно передвигать. Станки
изготавливаются с длиной обработки 750, 1000, 1500 и 2000 мм. В базовой
комплектации станок оснащен автоматической системой смазки направляющих,
местным освещением, электромагнитным тормозом, 6-позиционной револьверной
головкой (возможна поставка 8-позиционной), 3-кулачковым патроном, набором
ключей и инструмента. Техническая характеристика станка представлена в таблице
9.
Таблица 9
|
Наименование характеристики
|
Значение характеристики
|
|
Диаметр обработки над станиной, мм
|
500
|
|
Ширина станины, мм
|
400
|
|
Расстояние между центрами, мм
|
750, 1000, 1500, 2000
|
|
Диаметр обработки над суппортом, мм
|
280
|
|
Перемещение по X, мм
|
280
|
|
Перемещение по Z, мм
|
680, 930, 1430, 1930
|
|
Размер патрона, мм
|
250
|
|
Конус шпинделя
|
1:20
|
|
Диаметр отверстия в шпинделе, мм
|
82
|
|
Диапазон скоростей шпинделя (частотник), об/мин
|
82
|
|
Диапазон скоростей шпинделя Частотно-регулируемый привод
об/мин
|
7 - 135, 30 - 550, 110 - 2200
|
|
Ступени скорости шпинделя
|
3
|
|
Коробка переключения передач вращения шпинделя
|
3-ступенчатая
|
|
Общая мощность двигателя, кВт
|
7,5
|
|
Быстрые перемещения по осям x/z, мм
|
6/10
|
|
Точность установки инструмента, мм
|
0,008
|
|
Точность позиционирования по x/z, мм
|
0,02
|
|
Время смены инструмента, с
|
2
|
|
Диаметр пиноли задней бабки, мм
|
75
|
|
Ход пиноли, мм
|
150
|
|
Конус задней бабки
|
M5
|
|
Габариты станка, мм
|
2580x1750x1620
|
2830x1750x1620
|
3330x1750x1620
|
3830x1750x1620
|
|
Масса станка, кг
|
2550
|
2600
|
2700
|
2800
|
|
|
|
|
|
|
1.3 Построение технологического процесса
Технологический процесс обработки детали представлен в таблице 10.
Таблица 10
|
Номер операции
|
Содержание операции
|
Параметры режимов резания
|
|
|
ар (мм)
|
fn (мм/об)
|
Vc
(м/мин)
|
n
(об/мин)
|
i
|
СОЖ
|
|
1
|
Подрезать торец начерно
|
1
|
0,12
|
500
|
1100
|
1
|
да
|
|
2
|
Подрезать торец начисто
|
1
|
0,15
|
523
|
1150
|
1
|
да
|
|
3
|
1,5
|
0,12
|
487
|
1100
|
2
|
да
|
|
4
|
Обточить Ø на длину 55 начисто10,1550511501да
|
|
|
|
|
|
|
|
5
|
Обточить фаску 2х на Ø начисто20,1550511501да
|
|
|
|
|
|
|
|
6
|
Проточить канавку шириной 21,5мм до Ø 21,50,81313501да
|
|
|
|
|
|
|
|
7
|
Проточить радиус 2 на Ø начисто20,51313502да
|
|
|
|
|
|
|
|
8
|
Сверлить отверстие Ø19 на длину 47
|
47
|
0,5
|
17
|
300
|
3
|
да
|
|
9
|
Расточить отверстие Ø42 на длину 47
|
11,5
|
0,10
|
118
|
900
|
6
|
да
|
|
10
|
Расточить фаску 1,5х на Ø 45 начисто1,50,051279001да
|
|
|
|
|
|
|
|
11
|
Расточить отверстие Ø69 на длину 18,5 начерно
|
13,5
|
0,10
|
194
|
900
|
7
|
да
|
|
12
|
Расточить отверстие Ø на длину 17 начисто10,101979001да
|
|
|
|
|
|
|
|
13
|
Расточить фаску 1,5х на Ø начисто1,50,051979001да
|
|
|
|
|
|
|
|
14
|
Расточить отверстие Ø на длину 9 начисто10,50,102579005да
|
|
|
|
|
|
|
|
15
|
Расточить отверстие Ø под углом  начисто90,083419005да
|
|
|
|
|
|
|
|
16
|
Проточить канавку шириной 7мм. до Ø 70,8473002да
|
|
|
|
|
|
|
|
17
|
Нарезать резьбу М45х1,5 (при черновой обработки)
|
0,2
|
1
|
113
|
800
|
7
|
да
|
|
18
|
Нарезать резьбу М45х1,5 (при чистовой обработки)
|
0,1
|
1
|
113
|
800
|
1
|
да
|
|
19
|
Перезакрепить заготовку в трёх кулачковый патрон и
подрезать торец
|
2
|
0,12
|
500
|
1100
|
1
|
да
|
|
20
|
Подрезать торец в размер 110
|
1
|
0,15
|
523
|
1150
|
1
|
да
|
|
21
|
Обточить Ø141 на длину 56 начерно
|
1,5
|
0,12
|
487
|
1100
|
2
|
да
|
|
22
|
Обточить Ø на длину 56 начисто10,1550511501да
|
|
|
|
|
|
|
|
23
|
Обточить Ø81 на длину 41 начерно
|
1,96
|
0,12
|
279
|
1100
|
30
|
да
|
|
24
|
Обточить Ø на длину 42 начисто10,1528811501да
|
|
|
|
|
|
|
|
25
|
Обточить Ø105 под углом  начерно80,1236211004да
|
|
|
|
|
|
|
|
26
|
Обточить Ø под углом  начисто10,1537511501да
|
|
|
|
|
|
|
|
27
|
Обточить Ø на длину 34 начерно2,140,1222411007да
|
|
|
|
|
|
|
|
28
|
Обточить Ø на длину 35 начисто10,1523111501да
|
|
|
|
|
|
|
|
29
|
Обточить радиус 30 начерно
|
32
|
0,12
|
103
|
1100
|
16
|
да
|
|
30
|
Обточить радиус 30 начисто
|
33
|
0,15
|
108
|
1150
|
1
|
да
|
|
31
|
Расточить фаску 2х на Ø начисто20,1523111501да
|
|
|
|
|
|
|
|
|
|
|
|
|
|
|
|
|
|
|
.4 Содержание технологического процесса операций и расчёт режимов резания
Расчёт режимов резания представлен в таблице 11.
Таблица 11
|
Номер операции
|
Содержание операции
|
Сведения о режущем инструменте
|
|
|
Державка
|
Пластина Геометрия
|
Марка сплава
|
1
3 19 21 T101 Подрезать торец начерно Обточить Ø141 на длину 55 начерно Перезакрепить заготовку в трёх
кулачковый патрон и подрезать торец Обточить Ø141 на длину 56 начерно
PCLNR/L2525M12
23
25 27 29 Обточить Ø81 на
длину 41 начерно Обточить Ø105 под
углом 
начерно
Обточить
Ø
на длину
34 начерно
|
Обточить радиус 30 на длину 32 начерно
|
|
|
|
2
4 5 20 22 24 26 28 30 31 T202
Подрезать торец начисто Обточить Ø
на длину
55 начисто
Обточить
фаску 2х
на Ø
начисто
Подрезать
торец в размер 110
Обточить
Ø
на длину
56 начисто
Обточить
Ø
на длину
42 начисто
Обточить
Ø
под
углом 
начисто
Обточить
Ø
на длину
35 начисто
Обточить
радиус 30 на длину 33 начисто
Расточить
фаску 2х
на Ø
начисто
SDJCR/L 2525M 11
9
10 11 12 13 14 15 T505 Расточить отверстие Ø42 на длину 47 Расточить фаску 1,5х
на Ø 45 начисто
Расточить
отверстие Ø69
на длину 18,5 начерно
Расточить
отверстие Ø
на длину
17 начисто
Расточить
фаску 1,5х
на Ø
начисто
Расточить
отверстие Ø
на длину
9 начисто
Расточить
отверстие Ø
под
углом 
начисто
A20S-PCLCR12
16 T606
Проточить канавку шириной 7мм. до Ø

NCAI 25-2515 R/L-GX 09-2
17
18 T707 Нарезать резьбу М45х1,5 (при черновой обработки)
Нарезать резьбу М45х1,5 (при чистовой обработки)
266R/LKF-32-22
|
R166.0L-11MM01-150GC1020
|
|
|
|
|
8
|
Т404 Сверлить отверстие Ø19 на длину 47
|
R840-1900-30-A0A GC1220
|
|
|
6
7 Т303 Проточить канавку шириной 21,5мм до Ø
Проточить
радиус 2 на Ø
начисто
RF123L25-2525BM
.5 Контроль качества
Контроль качества представлен в таблице 12.
Таблица 12
|
Сведения об измерительном инструменте
|
|
Наименование
|
Техническая характеристика измерительного инструмента
|
Штангенциркуль
электронный
Штангенциркуль - измерительный инструмент,
предназначенный для высокоточных измерений наружных и внутренних размеров и
глубин отверстий. Точность 0,001мм.
Диапазон
измерений 0-200мм.
Калибр-пробка
М 45 х1,5 6Н ПР-НЕ
Калибр-пробка для контроля метрической резьбы
диаметром 43 с шагом резьбы 1,5 6Н проходная - непроходная.
|
Проверить внутреннею резьбу М45х1,5
|
|
Калибр
пробка гладкая 70 ПР или НЕ 12Н
Гладкие
проходные калибры - пробки предназначены для контроля отверстий с полями
допусков.
|
Проверить размер: 
|
|
.6 Карта кодирования информации
|
Электромашиностроительный колледж
|
Форма 1
|
Лист 29
|
Листов 9
|
|
Наименование детали
|
Обозначение детали
|
Дата
|
Примечание
|
|
Крышка
|
|
|
|
|
Устройство ЧПУ
|
Оборудование
|
|
CNC LATHE CKE6150Z
|
FANUC SERIES OI MATE-MODEL C
|
|
Кодирование информации
|
Содержание переходов
|
|
O2542
|
Название программы
|
|
N010G55
|
G55 - Система координат
|
|
N020M3 M8
|
М3 - включение шпинделя, M8 - включение эмульсии
|
|
N030S1100F0.15
|
S1100 - количество оборотов шпинделя, F0.15 - подача, N - номер кадра
|
|
N040T101
|
T1 - номер инструмента, 01 - номер коррекции
инструмента
|
|
N050G0X146
|
G0 - быстрая подача
|
|
N060G0Z1
|
|
|
N070G1X-0.10
|
G1 - рабочая подача
|
|
N080G1Z2
|
|
|
N090G01X145
|
|
|
N100G71U2R0
|
G71 - съём припуска при точение, U2 - глубина реза, R0 - величина схода
|
|
N110G71P120Q150U0.5W0.5
|
P120 - порядковый номер первого блока программы, Q150 - порядковый номер последнего
блока программы, U0.5 -
расстояние допуска на черновую обработку (ось Х), W0.5 - расстояние допуска на черновую обработку (ось Z)
|
|
N120G1X140.5
|
|
|
N130G1Z-55
|
|
|
N140G1X145
|
|
|
N150G1Z2
|
|
|
N160G0Z300
|
|
|
N170T303S400M3F0.06
|
Канавочный резец
|
|
N180G0X146
|
|
|
N181G0Z2
|
|
|
N182G1Z-33
|
|
|
N185G1X120.2
|
|
|
N188G1X147
|
|
|
N190G1Z-17.5
|
|
|
N210G72W4R0
|
|
|
N220G72P230Q246U0.2W0
|
|
|
N230G1X146
|
|
|
N231G1X139.8
|
|
|
N232G1X138.8Z-18.5
|
|
|
N233G1X124
|
|
|
N234G2X120W-2R2
|
G2 - круговая интерполяция по часовой стрелке, R2 - радиус
2
|
|
N235G1Z-33
|
|
|
N236G1X147
|
|
|
N237G1Z-36
|
|
|
N240G1X139.8
|
|
|
N241G1X138.8Z-35
|
|
|
N243G1X124
|
|
|
N244G3X120Z-33R2
|
G3 - круговая интерполяция против часовой стрелке, R2 -
радиус 2
|
|
N245G1X147
|
|
|
N246G1Z-18.5
|
|
|
N250G70P230Q246
|
|
|
N290G0Z300
|
|
|
N470T404M3S350F0.10
|
Сверло
|
|
N480G0Z100
|
|
|
N490G0X0
|
|
|
N495G0Z4
|
|
|
N500G1Z-10
|
|
|
N510G1Z3
|
|
|
N520G1Z-20
|
|
|
N530G1Z3
|
|
|
N540G1Z-30
|
|
|
N550G1Z-40
|
|
|
N560G1Z3
|
|
|
N570G1Z-46.9
|
|
|
N580G1Z3
|
|
|
N590G0Z270
|
|
|
N600T606M3S1500F0.10
|
Расточной резец
|
|
N610G0X17
|
|
|
N615G0Z2
|
|
|
N620G1Z-46.9
|
|
|
N623G1Z2
|
|
|
N625G1X21
|
|
|
N626G1Z-46.9
|
|
|
N627G1Z2
|
|
|
N628G1X25
|
|
|
N630G1Z-46.9
|
|
|
N633G1X21
|
|
|
N634G1Z2
|
|
|
N635G1X29
|
|
|
N636G1Z-46.9
|
|
|
N637G1X27
|
|
|
N638G1Z2
|
|
|
N640G71U2R0
|
|
|
N650G71P660Q760U-0.1W0
|
|
|
N660G1X120.60
|
|
|
N670G1X90Z-8.9
|
|
|
N680G1X69
|
|
|
N690Z-17.9
|
|
|
N695F0.05
|
|
|
N710G1X66Z-19.4
|
|
|
N715F0.10
|
|
|
N720G1X44
|
|
|
N725F0.05
|
|
|
N730G1X41Z-20.9
|
|
|
N740F0.10
|
|
|
N740G1Z-46.90
|
|
|
N750G1X29
|
|
|
N760G1Z2
|
|
|
N761G0X120.82
|
|
|
N762G1Z0
|
|
|
N763F0.05
|
|
|
N764G1X91.1Z-9
|
|
|
N765F0.10
|
|
|
N766G1X72.15
|
|
|
N770F0.05
|
|
|
N780G1X70.15Z-10
|
|
|
N790F0.10
|
|
|
N800G1Z-18.5
|
|
|
N810F0.05
|
|
|
N820G1X67.15Z-20
|
|
|
N830F0.10
|
|
|
N840G1X45
|
|
|
N850F0.05
|
|
|
N860G1X42Z-21.5
|
|
|
N870F0.10
|
|
|
N880G1Z-47
|
|
|
N890G1X-0.10
|
|
|
N900G0Z260
|
|
|
N1550T808M3S700F0.10
|
Расточной канавочный резец
|
|
N1555G0X41
|
|
|
N1570G0Z0
|
|
|
N1580G1Z-44
|
|
|
N1590G1X50
|
|
|
N1600G1X41
|
|
|
N1610G1Z-46.5
|
|
|
N1620G1X50
|
|
|
N1630G1X41
|
|
|
N1640G1Z-43.5
|
|
|
N1650G1X50.125
|
|
|
N1660G1Z-44
|
|
|
N1670G1X41
|
|
|
N1680G1Z-47
|
|
|
N1690G1X50.125
|
|
|
N1700G1Z-45
|
|
|
N1710G1X41
|
|
|
N1720G0Z270
|
|
|
N1730T707M3S1000
|
Внутренний резьбовой резец
|
|
N1740G0X41
|
|
|
N1750G0Z0
|
|
|
N1770G76P010060Q100R100
|
|
|
N1780G76X45Z-41P1500Q200F1.5
|
|
|
N1790G0Z280
|
|
|
N1810T202M3S1300F0.10
|
Чистовой проходной резец
|
|
N1811G0X142
|
|
|
N1812G0Z0.10
|
|
|
N1813G1X119
|
|
|
N1814G1Z0
|
|
|
N1820G1X135.8
|
|
|
N1850F0.07
|
|
|
N1860G1X139.8Z-2
|
|
|
N1870F0.10
|
|
|
N1880G1Z-55
|
|
|
N1890G1X145
|
|
|
N1900G1Z3
|
|
|
N1910G0Z270
|
|
|
N1840M5
|
Выключение шпинделя
|
|
N1850M0
|
Технологическая остановка программы
|
|
N1870T114M3S1100M8F0.15
|
Черновая обработка
|
|
N1871G0Z0
|
|
|
N1880G0X146
|
|
|
N1890G0Z1
|
|
|
N1900G1X-0.10
|
|
|
N1910G1Z2
|
|
|
N1920G0X145
|
|
|
N1930G71U2R0
|
|
|
N1940G71P1950Q1980U0.5W0.5
|
|
|
N1950G1X140.5
|
|
|
N1960G1Z-57
|
|
|
N1970G1X145
|
|
|
N1980G1Z2
|
|
|
N1990G0X141
|
|
|
N2000G0Z3
|
|
|
N2010G71U2R0
|
|
|
N2020G71P2030Q2130U0.5W0.5
|
|
|
N2030G0X0
|
|
|
N2040G1Z1
|
|
|
N2050G03X61Z-32.69R30
|
|
|
N2055G1Z-32.69
|
|
|
N2060G1X65Z-34.69
|
|
|
N2070G1X79
|
|
|
N2080G1X80Z-35.09
|
|
|
N2090G1Z-41.69
|
|
|
N2100G1X103.642
|
|
|
N2110G1X139.6Z-49.69
|
|
|
N2120G1X142
|
|
|
N2130G1Z2
|
|
|
N2135G70P2030Q2130
|
|
|
N2150T215M3S1300M8F0.08
|
Чистовая обработка
|
|
N2160G0X142
|
|
|
N2170G0Z0.10
|
|
|
N2180G1X-0.10
|
|
|
N2190G1Z1
|
|
|
N2200G0X143
|
|
|
N2210G0Z-65
|
|
|
N2220G1X139.80
|
|
|
N2230G1Z-50
|
|
|
N2240G1X103.821Z-42
|
|
|
N2250G1X79.85
|
|
|
N2260G1Z-35.5
|
|
|
N2270G1X78.85Z-35
|
|
|
N2280G1X63.85
|
|
|
N2290G1X59.85Z-33
|
|
|
N2295G1Z-30
|
|
|
N2300G2X0Z0R30
|
|
|
N2310G1X-0.10
|
|
|
N2320G1Z1
|
|
|
N2330G0Z270
|
|
|
N2360M30
|
Конец программы
|
|
|
|
|
|
|
|
2. НОРМЫ СНАБЖЕНИЯ СПЕЦОДЕЖДЫ И СРЕДСТВАМИ
ИНДИВИДУАЛЬНОЙ ЗАЩИТЫ
2.1 Нормы снабжения спецодежды
Нормы снабжения спецодежды предусмотрены в статье 221
Трудового Кодекса РФ, работники, занятые на вредных производствах или
производствах связанных с загрязнением, или связанных с особыми температурными
условиями должны бесплатно обеспечиваться сертифицированной спецодеждой, спецобувью
и прочим средствами индивидуальной защиты.
Работодатели, за свой счет обязаны приобретать,
бесплатно и своевременно выдавать работникам спецодежду, в соответствии с
типовыми нормами выдачи спецодежды.
Работодатель вправе установить свои нормы обеспечения
спецодеждой, отступив от типовых норм выдачи спецодежды и спецобуви, улучшающие
защиту работников.
В типовых нормах бесплатной выдачи спецодежды
приведены минимальные требования к составу средств индивидуальной защиты, чтобы
обеспечить работникам надежную защиту от воздействия различных неблагоприятных
факторов, загрязнений и пониженных температур окружающей среды. По мимо типовых
норм, в каждой отрасли народного хозяйства существуют отраслевые нормы
обеспечения спецодеждой, уточняющие состав защитных комплектов для той или иной
отрасли. Состав комплекта защитной одежды, согласно нормам выдачи, зависит от
условий труда, т.е. от специальности работника.
В типовых нормах выдачи спецодежды, кроме состава защитных комплектов для
тех или иных профессий, указаны сроки использования или сроки носки изделий.
Своевременная замена спецодежды и спецобуви или других средств индивидуальной
защиты является обязанностью работодателя, а также в обязанности работодателя
входит организация ухода за спецодеждой, стирки и чистки спецодежды, а где
необходимо, организовывать сушилки для средств индивидуальной защиты.
.2 Нормы бесплатной выдачи специальной одежды для наладчиков и операторов
ЧПУ
В соответствии с ГОСТом бесплатная выдача одежды для наладчиков и
операторов ЧПУ приведена в таблице 13 и утверждена в приказе Министерства
здравоохранения и социального развития РФ от 14 декабря 2010 г. N 1104н. В
приказе указаны нормы бесплатной выдачи специальной одежды, специальной обуви и
других средств индивидуальной защиты работникам с ЧПУ машиностроительных и
металлообрабатывающих производств, занятых на работах с вредными и (или)
опасными условиями труда, а также на работах, выполняемых в особых
температурных условиях или связанных с загрязнением.
Таблица 13
|
Номер
|
Наименование профессии
|
Наименование специальной одежды, специальной обуви и других
средств индивидуальной защиты
|
Норма выдачи на год (штуки, пары, комплекты)
|
|
1
|
Наладчик станков и манипуляторов с программным управлением
|
Костюм для защиты от общих производственных загрязнений и
механических воздействий
|
1
|
|
|
Ботинки кожаные с защитным подноском
|
1 пара
|
|
|
Рукавицы комбинированные или перчатки трикотажные с
точечным полимерным покрытием
|
до износа
|
|
|
Очки защитные
|
до износа
|
|
|
Каска защитная
|
до износа
|
|
|
Подшлемник под каску
|
до износа
|
|
2
|
Оператор станков с программным управлением
|
Костюм для защиты от общих производственных загрязнений и
механических воздействий или халат для защиты от общих производственных
загрязнений и механических воздействий
|
1
|
|
|
Фартук для защиты от общих производственных загрязнений и
механических воздействий с нагрудником
|
2
|
|
|
Ботинки кожаные с защитным подноском
|
1 пара
|
|
|
Нарукавники
|
до износа
|
|
|
Перчатки с полимерным покрытием
|
до износа
|
|
|
Перчатки трикотажные с точечным полимерным покрытием
|
до износа
|
|
|
Очки защитные
|
до износа
|
|
|
Каска защитная
|
до износа
|
|
|
Подшлемник под каску
|
до износа
|
.3 Средства индивидуальной защиты
Средства
индивидуальной защиты (СИЗ) - специально разработанные приспособления, которые
предназначенные для защиты кожных покровов тела человека и органов дыхания от
воздействия отравляющих веществ и других вредных примесей в воздухе, а такие
средства индивидуальной защиты делятся на средства индивидуальной защиты
органов дыхания (СИЗОД) и средства защиты кожи. К СИЗОД относятся противогазы,
респираторы, ватно-марлевые повязки, к средствам защиты кожи - защитные
костюмы. Выбор средств защиты производится с учётом их назначения и защитных
свойств, конкретных условий обстановки и характера заражения. К примеру:
гражданский противогаз не поможет в задымленном помещении, т.к. уровень
кислорода в помещение будем мал и нужны другие источники кислорода.
.4 Классификация СИЗ
.1. Средства защиты работающих в зависимости от характера их применения
подразделяют на две категории:
) средства коллективной защиты;
) средства индивидуальной защиты.
Средства коллективной защиты в зависимости от назначения подразделяют на
классы:
) средства нормализации воздушной среды производственных помещений
и рабочих мест;
) средства защиты от повышенного уровня инфракрасных излучений;
) средства защиты от повышенного уровня электромагнитных
излучений;
) средства защиты от повышенной напряженности магнитных и
электрических полей;
) средства защиты от повышенного уровня лазерного излучения;
) средства защиты от повышенного уровня шума;
) средства защиты от повышенного уровня вибрации (общей и
локальной);
) средства защиты от поражения электрическим током;
) средства защиты от повышенных или пониженных температур
поверхностей оборудования, материалов, заготовок;
) средства защиты от воздействия механических факторов;
) средства защиты от воздействия химических факторов;
) средства защиты от воздействия биологических факторов;
.1.2 Средства индивидуальной защиты в зависимости от назначения
подразделяют на классы:
) костюмы изолирующие;
) средства защиты органов дыхания;
) одежда специальная защитная;
) средства защиты ног;
) средства защиты рук;
) средства защиты головы;
) средства защиты лица;
) средства защиты глаз;
) средства защиты органа слуха;
) средства защиты от падения с высоты и другие предохранительные
средства;
) средства дерматологические защитные;
) средства защиты комплексные.
Общие требования СИЗ
1. Средства защиты работающих должны обеспечивать предотвращение или
уменьшение действия опасных и вредных производственных факторов.
. Средства защиты не должны быть источником опасных и вредных
производственных факторов.
. Средства защиты должны отвечать требованиям технической эстетики
и эргономики.
. Выбор конкретного типа средства защиты работающих должен
осуществляться с учетом требований безопасности для данного процесса или вида
работ;
. Средства индивидуальной защиты не должны изменять своих свойств
при их стирке, химчистке и обеззараживании.
. Средства индивидуальной защиты должны подвергаться оценке по
защитным, физиолого-гигиеническим и эксплуатационным показателям.
Контроль качества СИЗ
Все СИЗ поступающие на предприятия, выдаются
работникам после проверки комиссией(состав утверждается работодателем).
Основной задачей комиссии является предупреждение использования на предприятии
СИЗ:
) не соответствующих заявке;
) не имеющих сертификата соответствия;
) не соответствующих условиям труда;
) не соответствующих маркировке по защитным
свойствам;
) не соответствующих требованиям
нормативно-технической документации(ГОСТ, ТУ, ТО).
Проверка СИЗ проводится по мере поступления на склад, но не позднее чем
через 10 дней со дня поступления. Для проверки на предприятии должно выделяться
помещение с рабочим столом и измерительные приборы, нормативно-технической документацией,
каталогами, справочниками и др. Каждая партия вновь поступивших на предприятие
СИЗ должна быть подвергнута внешнему осмотру и проверке на соответствие
заявленному ассортименту по моделям, размерам, ростам, расцветке, родовому
признаку, назначению. Большие партии подвергаются выборочному контролю, но не
менее 10 % от всего объема. Основным признаком, подтверждающим соответствие СИЗ
нормам, является сертификат соответствия и соответствующий знак, маркируемый по
ГОСТ 50460-92. По результатам проверки СИЗ составляется акт установленной
формы. В случаях несоответствия ИСЗ подлежат возврату поставщику.
3. ПОДБОР МАРКИ И РАСЧЁТА СЕЧЕНИЯ КАБЕЛЕЙ
.1 Подбор марки и расчета сечения кабелей оператора ЧПУ
Первое, на что надо ориентироваться при выборе провода - это металл из
которого изготовлены его жилы - медь или алюминий. Несмотря на недорогую
стоимость алюминиевые провода проигрывают медным по многим важным показателям:
гораздо меньшая электропроводность относительно медных проводов, быстрое их
окисление, ломкость на перегибах, что очень усложняет монтаж. Поэтому все-таки
лучше выбрать именно медь. Итак, будем считать, что с материалом провода вы
определились, остановив свой выбор на медном проводе. Это оптимальное решение
для монтажа электропроводки. Следующий момент - это правильный выбор сечения
проводов.
.2 Основные марки кабеля
(НУМ) - состоит из медных, одно проволочных жил с ПВХ - изоляцией и двух
оболочек - экструдированноймелорезины, обеспечивающей повышенную
пожаробезопасность ПВХ-оболочкой. Имеет круглую форму. Кабель относительно
мягкий, хорошо разделывается и удобен в монтаже. Лучшие производители NYM -
Севкабель или Конкорд.
ПВС - гибкий кабель круглой формы, состоящий из скрученных
многопроволочных отожжённых медных жил с ПВХ-изоляцией и внешней оболочкой из
того-же материала. Благодаря своей хорошей гибкости подходит больше как сетевой
провод для подключения бытовых приборов, чем провод для монтажа
электропроводки. Монтаж ПВС производится при температуре окружающей среды от
-15°С до + 40°С.
ВВГ - силовой кабель, состоящий из медных, одно проволочных жил, покрытых
ПВХ-изоляцией с внешней оболочкой так-же ПВХ. Имеет круглую или плоскую форму,
более компактен, чем NYM, хорошо укладывается в штробы, кабельные каналы. Может
иметь маркировку "нг" - негорючий. Кабель ВВГнг содержит в оболочке и
изоляции противопожарные добавки, поэтому является пожаробезопасным,
использование которого значительно повышает уровень электробезопасности
объекта. Кабель ВВГ с успехом применяется при монтаже электропроводки как в
сухих, так и во влажных помещениях. Оптимальное соотношение цены и качества.
Кабель ВВГ идеально подходит для монтажа электропроводки квартир и жилых
помещений.
Провод ПУНП очень часто используется в электромонтаже жилых помещений.
Это аналог ВВГ с однопроволочными жилами из меди, имеющий также двойную
изоляцию из ПВХ, которая, хотя и качественная, но все же тоньше, чем у ВВГ. Это
компенсируется его более низкой ценой. Цвет изоляции может быть разным. Лучше
всего покупать ПУНП московского производства - его изоляция немного толще, чем
изоляция ПУНП других производителей.
Расчёт сечения провода, кабеля
Материал изготовления и сечение проводов(правильнее будет площади сечения
проводов) является, пожалуй, главными критериями, которыми следует
руководствоваться при выборе проводов и кабелей.
Главным нормативным документом, регламентирующим площадь сечения проводов
и кабелей являются Правила Устройства Электроустановок (ПУЭ).
Расчет площади сечения алюминиевых жил проводов и кабелей. При
использовании алюминиевых проводов следует иметь в виду, что значения длительно
допустимых токовых нагрузок на них гораздо меньше, чем при использовании медных
проводов и кабелей аналогичного сечения. Так, для жил алюминиевых проводов
сечением 2, мм2 максимальная нагрузка составляет чуть больше 4 кВт (по току это
- 22 А), для жил сечением 4 мм2 - не более 6 кВт.
Не последний фактор в расчете сечения жил проводов и кабелей - рабочее
напряжение. Так, при одинаковой мощности потребления электроприборов, токовая
нагрузка на жилы питающих кабелей или проводов электроприборов, рассчитанных на
однофазное напряжение 220 В будет выше, чем для приборов, работающих от
напряжения 380 В. Вообще, для более точного расчета нужных сечений жил кабелей
и проводов необходимо руководствоваться не только мощностью нагрузки и
материалом изготовления жил; следует учитывать также способ их прокладки,
длину, вид изоляции, количество жил в кабеле и т. д. Все эти факторы в полной
мере определены основным регламентирующим документом(ПУЭ).
Правила Устройства Электроустановок
Таблица выбора сечения кабеля и провода
|
Сечение токопроводящей жилы, мм
|
Напряжение, 220 В
|
Напряжение 380 В
|
|
ток, А
|
мощность, кВт
|
ток, А
|
мощность кВт
|
|
1,5
|
19
|
4,1
|
16
|
10,5
|
|
2,5
|
27
|
5,9
|
25
|
16,5
|
|
4
|
38
|
8,3
|
30
|
19,8
|
|
6
|
46
|
10,1
|
40
|
26,4
|
|
10
|
70
|
15,4
|
50
|
33,0
|
|
16
|
85
|
18,7
|
75
|
49,5
|
Для
расчета сечения провода по допустимой длительной токовой нагрузке необходимо
знать номинальный ток, который должен проходить по электрической проводке. Для
расчета номинального тока необходимо знать суммарную мощность электрических
приборов на соответствующем участке сети, например, в групповой осветительной
сети, состоящей из ламп накаливания, общая мощность равна сумме мощностей всех
ламп на участке сети. Пример расчета сечения провода. Для расчёта сечения
провода, нам нужно знать все характеристики станка. Для примера возьмём станок FANUC DMTG CKE6150Z. Его
характеристики таковы: мощность 7,5кВт, напряжение 380В, число фаз 3, длина
кабельной линии 5 метров, тип жилы Медь. Далее мы воспользуемся расчётным
калькулятором расчёта сечения по напряжению. В результате рекомендуемое сечение
нашего кабеля будет равно 10
.
4. ОСВЕЩЁННОСТЬ РАБОЧЕГО МЕСТА
Задачей расчета является определение потребной
мощности электрической осветительной установки для создания в производственном
помещении заданной освещенности. При проектировании различных систем
искусственного освещения применяются различные методы. Для расчета общего
равномерного освещения наиболее часто применяется метод светового потока
(коэффициента использования).
В основу метода светового потока положена формула:
где - световой поток одной лампы, лм;
нормируемая минимальная освещенность, лк;
площадь освещаемого помещения,м2;
коэффициент минимальной освещенности, значения
которого для дуговых ртутных ламп - 1,15, для люминесцентных ламп - 1,1;
коэффициент запаса ( в задании равен 1,5);
число светильников в помещении;
число ламп в светильнике (для дуговых ртутных ламп =1,
для люминесцентных ламп = 2).
коэффициент использования светового потока лампы, %,
зависящий от типа лампы, типа светильника, коэффициента отражения потолка и
стен, высоты подвеса светильника и индекса помещения
Исходные данные:
Тип Светильника - ЛСП01
Размеры помещения-24х12х6 м
Разряд Зрительных работ- IV
Подразряд Зрительных работ- В
-Коэффициенты Отражения:
Стен-50%
Потолка-70%
Н1=0.8 м.
Расчет общего равномерного освещения:
Определяем площадь, подлежащая освещению.
=АхВ=24х12=288 м;
Устанавливается норма освещенности на рабочих поверхностях в зависимости
от разряда зрительных работ по СНиП 23-05-95
Норма освещенности для заданного варианта равна 300 лк;
Исходя из длины помещения, определяется количество светильников в одном
ряду (для люминесцентных ламп длина одного светильника - 1,5 м + зазор между
светильниками 0,5 м, для дуговых ртутных длина светильника - 40 см) и общее
количество светильников в помещении. Количество светильников в одном ряду М=12.
Общее количество светильников в помещении N=36. В соответствии с типом
светильника определяется тип лампы и устанавливается количество ламп. Для
заданного варианта выбирается ЛСП01 - светильник с люминесцентными лампами и
устанавливается 72 лампы. Определяется индекс помещения i=1,53. Выбирается
коэффициент использования светового потока. (=50%). Рассчитывается величина
светового потока для одной лампы. (=3960 лм).
Выполним эскиз системы общего равномерного освещения.
,5 м +0,5 м
,5м. 4,5м. 4,5м. 1,5м.
В заключение сделаем вывод: 72 лампы типа ЛДЦ80 требуется для создания в
данном помещении с габаритами 24х12х6 м нормированной освещенности для
выполнения зрительных работ разряда IV.
5. ИНСТРУКЦИЯ ПО ТЕХНИКЕ БЕЗОПАСНОСТИ ДЛЯ ОПЕРАТОРА И
НАЛАДЧИКА ЧПУ
5.1 Разработка инструкции по техники безопасности для
наладчиков и операторов ЧПУ
.1.1 Общие требования безопасности
1. На операторов станков с числовым программным управлением (ЧПУ)
распространяются общие правила безопасности при работе на металлорежущих
станках.
. Каждый вновь принятый работник должен пройти вводный инструктаж
и индивидуальный инструктаж на рабочем месте.
. При индивидуальном инструктаже инструктор знакомит работника с
правилами обращения с оборудованием и транспортными средствами, с правилами
содержания рабочего места и ношения специальной и рабочей одежды, обуви, со
средствами индивидуальной защиты на данном рабочем месте и других рабочих
местах, входящих в технологию механообработки и подготовки производства.
.1.2 Требования безопасности до начала работы на
станке с ЧПУ
1. Приведи в порядок рабочую одежду и обувь:- застегни или перетяни
резинкой обшлага рукавов, заправь одежду так, чтобы не было развевающихся
концов;- работай в головном уборе, плотно облегающем голову, волосы должны быть
надежно укрыты;- обувь должна надежно защищать ноги от попадания на них
стружки, грязи и пыли.
. Убедись в хорошем состоянии станка и рабочего места, убери с
пути всё, что может вызвать падение.
. Обеспечь достаточную смазку станка, проверь уровень масла в
предназначенных для него резервуарах.
Проверь наличие, исправность и прочность крепления:- ограждений зубчатых
колес, приводных ремней, валиков, приводов, шпинделя и т.д., а также
токоведущих частей электроаппаратуры (пускателей, рубильников,
трансформаторов);
предохранительных устройств защиты от стружки и устройств подачи
охлаждающих масел и смазочно-охлаждающих жидкостей (СОЖ).
. При необходимости отрегулируй местное освещение станка так,
чтобы рабочая зона была достаточно освещена и свет не попадал прямо в глаза.
(Пользоваться местным освещением с напряжением более 36 вольт запрещается.)
. Проверь исправность станка на холостом ходу, в ручном и
автоматическом режимах, при этом убедись в исправном действии:- органов
управления - электрических кнопочных устройств тормозов, подъемных и подающих
устройств;- систем смазки и охлаждения, обеспечивающих нормальную и бесперебойную
смазку и подачу СОЖ;- фиксации рычагов включения и переключения, обеспечивающих
невозможность самопроизвольного переключения с холостого хода на рабочий;-
зажимных пневмопатронов, механизированных зажимных приспособлений.
. Убедись в отсутствии заеданий или излишней слабины в движущихся
частях станка (в особенности в шпинделе, в передней бабке, при продольных,
поперечных или вертикальных ходах суппорта или стола).
. В случае неисправности станка и оборудования немедленно сообщи
об этом ответственному лицу и, до устранения неисправности, к работе не
приступай. (Работать на неисправных и на не имеющих необходимых защитных
ограждений станках запрещается.)
. Приготовь крючок для удаления стружки, щетку-сметку, ключи и
другой необходимый инструмент.
. Перед обработкой металлов с отлетающей стружкой, при отсутствии
специальных защитных устройств надень очки или предохранительный щиток из
прозрачного материала.
5.1.3 Требования безопасности во время работы на
станке с ЧПУ
1. Не допускай работу на станке с ЧПУ по изношенным или
деформированным программным носителям (перфолента, магнитная лента, ППЗУ и
др.).
. Обо всех замеченных недостатках в программах обработки
немедленно сообщи начальнику участка.
. В случае возникновения каких-либо неисправностей в процессе
работы, или отклонений от нормальной работы, немедленно заяви начальнику
участка и в соответствующую службу обслуживания по характеру предполагаемой
причины неисправности.
. Требуй от обслуживающего персонала своевременного и
качественного проведения планово-предупредительного (ППР), профилактического
(ПР) или текущего (ТР) ремонта.
. Периодически проверяй самостоятельно состояние узлов станков с
ЧПУ с целью выявления отклонений от нормальной работы на более ранней стадии.
. Не работай без ограждения вращающихся частей в рабочей зоне
станка.
.1.4 Требования безопасности в аварийных ситуациях при работе на станке с
ЧПУ
. Прими меры по вызову к месту аварии начальника участка и служб
по принадлежности (пожарной, скорой, газовой, технической, и т.д.).
. В случае урагана, землетрясения и других стихийных бедствий
прекрати все работы, выключи оборудование, покинь рабочее место и прими меры по
собственному спасению.
. При получении травмы во время аварии обратись к врачу или
попроси вызвать скорую помощь по телефону «03».
6.1.5 Требования безопасности по окончании работы на
станке с ЧПУ
1. Полностью выключи станки и оборудование.
2. Приведи
в порядок рабочее место:- убери станок с ЧПУ
<http://ostankah.ru/dokumentaciya-na-stanki/51-dokumentaciya-chpu.html>
от стружки, окалины и грязи;- вытри станок и другое оборудование.
. Смажь
все движущиеся части и механические узлы станка маслом. Обрати особое внимание
на состояние направляющих, ходовых винтов, узлов смены инструмента, постоянно
поддерживай их в чистоте.
6. ИНСТРУКЦИЯ ПО МЕРАМ ПОЖАРНОЙ БЕЗОПАСНОСТИ
.1 Порядок содержания территории, зданий и
мероприятий, в том числе эвакуационных путей
Содержание территории:
.1 Территория объектов должна своевременно очищаться от горючих
отходов, мусора, тары, опавших листьев, сухой травы и т. п.
.1 Сжигание отходов и тары производить в специально отведенных для
этих целей местах под контролем обслуживающего персонала.
. Содержание административных зданий и помещений:
.1 Не разрешается проводить работы на оборудовании, установках и
станках с неисправностями, могущими привести к пожару, а также при отключенных
контрольно-измерительных приборах и технологической автоматике.
.2 Нарушения огнезащитных покрытий строительных конструкций, горючих
отделочных и теплоизоляционных материалов, металлических опор оборудования
должны немедленно устраняться.
.3 В помещениях зданий и сооружений запрещается:
хранение и применение в подвалах и цокольных этажах ЛВЖ и ГЖ, взрывчатых
веществ, баллонов с газами, товаров в аэрозольной упаковке и других
взрывопожароопасных веществ и материалов;
загромождать мебелью, оборудованием и другими предметами двери, люки на
балконах и лоджиях, переходы в смежные секции и выходы на наружные
эвакуационные лестницы;
устраивать в лестничных клетках и поэтажных коридорах кладовые (чуланы),
а также хранить под лестничными маршами и на лестничных площадках вещи, мебель
и другие горючие материалы.
. Пути эвакуации:
.1 Двери на путях эвакуации должны открываться свободно и по
направлению выхода из здания.
.2 При эвакуации запрещается:
устраивать в тамбурах выходов сушилки и вешалки для одежды, гардеробы, а
также хранить (в том числе временно) инвентарь и материалы;
остеклять или закрывать жалюзи воздушных зон в незадымляемых лестничных
клетках;
заменять армированное стекло обычным в остеклениях дверей.
.2 Порядок и нормы хранения и транспортировки
взрывопожароопасных веществ и пожароопасных веществ и материалов
1. Тара и упаковка должны быть прочными, исправными, полностью
предотвращать утечку и рассыпание груза, обеспечивать сохранность груза и
безопасность перевозки. Материалы, из которых изготовлены тара и упаковка,
должны быть инертными по отношению к содержимому.
. Взрывопожароопасные грузы, которые выделяют
легковоспламеняющиеся, ядовитые, едкие, коррозионные пары или газы, становятся
взрывчатыми при высыхании, могут опасно взаимодействовать с воздухом и влагой,
а также грузы, обладающие окисляющими свойствами, должны быть упакованы
герметично.
. Опасные грузы в стеклянной таре должны быть упакованы в прочные
ящики или обрешетки (деревянные, пластмассовые, металлические) с заполнением
свободного пространства соответствующими негорючими прокладочными и
впитывающими материалами.
. При предъявлении к перевозке жидких опасных грузов тара должна
наполняться до нормы, установленной стандартами или техническими условиями на
данную продукцию.
. Не разрешается погрузка в один вагон или контейнер опасных
грузов разных групп, а также некоторых опасных грузов, входящих в одну группу,
не разрешенных к совместной перевозке.
. При перевозке взрывопожароопасных веществ на транспортном
средстве, а также на каждом грузовом месте, содержащем эти вещества, должны
быть знаки безопасности.
. По окончании разгрузки взрывопожароопасных или пожароопасных
грузов необходимо осмотреть вагон, контейнер или кузов автомобиля, тщательно
собрать и удалить остатки веществ и мусор.
.3 Места курения, применения открытого огня и
проведения огневых работ
1) Установленное место для курения должно быть оборудовано в
соответствии с требованиями правил пожарной безопасности, в том числе:
устанавливается металлическая урна;
должно быть обеспечено постоянное наличие воды в урне в количестве не
менее трети от объема урны;
рядом с местом для курения должно быть обеспечено наличие огнетушителя.
) Места проведения огневых работ следует обеспечивать первичными
средствами пожаротушения.
) При проведении огневых работ запрещается:
приступать к работе, если аппаратура неисправна;
допускать соприкосновение электрических проводов с баллонами со сжатыми,
сжиженными и растворенными газами;
6.4 Порядок сбора, хранения и удаления горючих веществ и материалов,
содержания и хранения спецодежды
1) Рабочие места, помещения и расположенное в них оборудование
должны ежедневно убираться от мусора и пыли.
) Уборку следует производить методами, исключающими взвихрение
пыли и образования взрывоопасных пылевоздушных смесей.
.5 Обязанности и действия работников при пожаре, в том
числе
Лица, уполномоченные владеть, пользоваться или распоряжаться имуществом,
руководители и должностные лица организаций, лица, в установленном порядке
назначенные ответственными за обеспечение пожарной безопасности, по прибытии к
месту пожара должны:
) сообщить о возникновении пожара в пожарную охрану, поставить в
известность руководство и дежурные службы объекта;
) обеспечить соблюдение требований безопасности работниками,
принимающими участие в тушении пожара;
) Каждый сотрудник обнаруживший пожар или признак горения обязан:) немедленно
сообщить об этом по телефону 01 в пожарную охрану и назвать адрес объекта,
место возникновения пожара, свою фамилию;) принять меры по эвакуации людей,
тушению пожара и сохранности материальных ценностей.
) Руководитель предприятия или лицо, исполняющее его обязанности
должен:) в случае угрозы жизни людей организовать их спасение;
при необходимости отключить электроэнергию;
6.6 Правило вызова пожарной охраны
Каждый работник при обнаружении пожара или признаков горения (задымление,
запах гари, повышение температуры и т.п.) должен:
) незамедлительно сообщить об этом по телефону в пожарную часть;
) принять по возможности меры по эвакуации людей, тушению пожара и
сохранности материальных ценностей.
6.7 Порядок аварийной остановки технологического
оборудования
1) при необходимости отключить электроэнергию (за исключением систем
противопожарной защиты);
) остановить работу транспортирующих устройств, агрегатов,
аппаратов;
) перекрыть сырьевые, газовые, топливные, паровые и водяные
коммуникации;
) остановить работу систем вентиляции в аварийном и смежном с ним
помещениях;
выполнить другие мероприятия, способствующие предотвращению развития
пожара и задымления помещений здания.
.8 Порядок эвакуации горючих веществ и материальных
ценностей
1) При появлении очага возгорании приступают к немедленной эвакуации
в первую очередь людей, а потом материальных ценностей.
) В первую очередь тушат пути эвакуации.
) После эвакуации людей приступают к эвакуации других материальных
ценностей.
) Эвакуацией руководит руководитель организации, а при его
отсутствии руководитель производственного подразделения или другое лицо.
ВЫВОД
Для того чтобы получить необходимую деталь был выбран токарный станок с
ЧПУ стойки FANUC. При программировании контура детали
использовались циклы, которые сократили время написание самой программы. В
результате была получена обрабатываемая деталь, которая удовлетворяла всем
требованиям чертежа.
СПИСОК ЛИТЕРАТУРЫ
1 Каталог инструмента. SANDVIK
COROMANT.
Каталог инструмента. WALTER.
ЕСКД ГОСТ 2.311-68
Изображение резьбы.
ЕСКД ГОСТ 2.307-68 Нанесение
размеров и предельных отклонений
Руководство по
программированию и эксплуатации станка FANUC SERIES OI MATE-MC.
ГОСТ 14812-69 Калибры-пробки
гладкие проходные со вставками диаметром свыше 50 до 75 мм. Конструкция и
размеры.