Разработка технологии и оснастки для изготовления детали "Планка"
МИНИСТЕРСТВО
ОБРАЗОВАНИЯ РОССИЙСКОЙ ФЕДЕРАЦИИ
ОРЛОВСКИЙ
ГОСУДАРСТВЕННЫЙ ТЕХНИЧЕСКИЙ УНИВЕРСИТЕТ
Кафедра:
«Автоматизированные процессы и машины пластической обработки материалов»
Расчетно-пояснительная
записка
к курсовому
проекту
по курсу:
Технология листовой штамповки
на тему: Разработка
технологии и оснастки для изготовления детали «Планка»
Проектант студент гр. 41-Д
Руководитель к.т.н, доцент
Орел 2008
Содержание
Задание
на курсовой проект...................................................................................3
Аннотация................................................................................................................4
Введение…………………………………………………………………….…..…5
1.
Анализ конструктивности формы и технологичности изготовления элементов детали
операциями листовой штамповки………...……….…...……7
2. Составление
технологической схемы штамповки…………………….…..…8
3. Разработка
схемы раскроя материала………………………………….……...9
4. Определение
величины потребного усилия штамповки по операциям и полного технологического
усилия………………………………………..….....10
5. Выбор
оборудования………………………………………………….……....12
6. Определение
центра давления штампа……………………………………...13
7. Расчет
исполнительных размеров пуансонов и матриц…………………....15
8. Проектирование
технологических и вспомогательных деталей штампов..16
9. Расчет
пуансона на прочность……………………………..………………...17
Заключение……………………………………………………………………….21
Список
использованных источников…………………………………………...22
Задание на курсовой проект
Студенту группы 41-Д Жаркову С.В.
Специальность 150201, факультета новых технологий и
автоматизации производства
Тема проекта Разработка технологии и оснастки для
изготовления детали “Планка”
Исходные данные для проектирования Чертеж детали “Планка”
Содержание основных разделов пояснительной записки в
соответствии с методическими указаниями
Перечень графических работ Штамп для вырубки-пробивки
-1л. Деталировочные чертежи -2л.
Примечание_____________________________________________________________________________________________________________________________________________________________________________________________________________________________________________________
Дата выдачи
Срок сдачи проекта
Руководитель проекта И.И.Бурнашев__________________
Аннотация
Курсовой проект выполнен на тему: «Разработка технологии и
оснастки для изготовления детали «Планка». В ходе выполнения курсового проекта
разработаны:
Оптимальная технология изготовления заданной детали;
Комплект штампов для ее изготовления.
Кроме этого дан анализ технологичности конструкции
детали, разработаны технологическая схема штамповки и схема раскроя материала,
определена величина потребного усилия по операциям, проведен расчет
исполнительных размеров пуансонов и матриц, и расчет пуансона на прочность.
Введение
В общем комплексе технологии Машиностроения все
возрастающее значение приобретает обработка металлов давлением, в том числе
листовая штамповка. Это один из способов обработки, при котором металл
пластически деформируется в холодном состоянии при помощи штампов. Листовая
штамповка применяется для изготовления самых разнообразных деталей практически
во всех отраслях промышленности связанных с металлообработкой.
Листовая штамповка представляет собой самостоятельный вид
технологии, обладающей рядом особенностей:
высокой производительностью;
возможностью получения самых разнообразных по форме и
размерам полуфабрикатов и готовых деталей;
возможностью автоматизации и механизации штамповки путем
создания комплексов оборудования, обеспечивающих выполнение всех операций
производственного процесса в автоматическом режиме (в том числе роторных и
роторно-конвейерных линий);
возможностью получения взаимозаменяемых деталей с высокой
точностью размеров, без дальнейшей обработки резанием.
Современное холодноштамповочное производство развивается
по пути совершенствования традиционных и создания новых технологий и
оборудования. При этом наметились тенденции создания холодноштамповочного
оборудования для крупносерийного и массового производства автоматических линий
и холодноштамповочных пресс-автоматов и оборудования для мелкосерийного,
серийного и единичного часто переналаживаемого производства
холодноштамповочного оборудования с числовым программным управлением,
универсальных прессов, гибких производственных модулей с ЧПУ.
Целью данного курсового проекта является разработка
технологического процесса для изготовления детали, заданной руководителем.
Выполнение курсового проекта позволяет систематизировать, закрепить и расширить
теоретические знания, а также приобрести опыт самостоятельного решения
вопросов, связанных с проектированием рабочего инструмента для холодной
листовой штамповки.
Основной задачей данного проектирования является
разработка оптимальной технологии изготовления заданной детали.
Этапы реализации этой задачи:
анализ технологичности конструкции детали;
разработка технологической схемы штамповки;
разработка схемы раскроя материала;
определение величины потребного усилия по операциям;
выбор оборудования;
расчет исполнительных размеров пуансонов и матриц;
расчет пуансона на прочность
1. Анализ конструктивности формы и технологичности
изготовления элементов детали операциями листовой штамповки
Под технологичностью следует понимать такое сочетание
конструктивных элементов, которое обеспечивает наиболее простое и экономичное
изготовление деталей при соблюдении техники и эксплуатационных требований к
ним.
Основными показателями технологичности листовых
холодноштамповочных деталей являются:
наименьший расход материала;
наименьшее количество и низкая трудоемкость операции;
отсутствие последующей механической обработки;
наименьшее количество требуемого оборудования и
производственных площадей;
применение прогрессивных материалов;
наименьшее количество оснастки при сокращении затрат и
сроков подготовки производства.
Общим результативным показателем технологичности является
наименьшая стоимость штампуемых деталей.
Возможность формообразования при разделительных операциях
определяется способностями материала заготовки изменять форму под действием
деформирующего усилия и возможностью изготовления рабочих частей штампа способных
осуществить заданное формоизменение. Деталь получаем за две операции: вырубка
контура, пробивка отверстий. Конфигурация детали простая.
Расстояние между пробиваемыми отверстиями, а также между
краем детали и отверстием больше минимальных значений перемычек, при которых
можно использовать пробивку, т.е. больше чем
таблица 1 /2/.
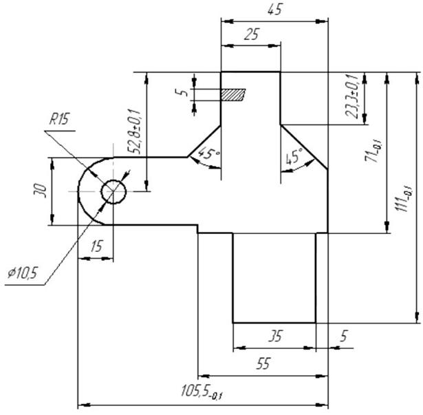
Масштаб 5:1
Рис.1 Эскиз для анализа технологичности формы детали
2. Составление технологической схемы штамповки
Технологическая схема штамповки включает в себя
определение размеров плоской заготовки, необходимой для изготовления заданной
детали, определения операций для изготовления детали, их качество и
последовательность. Также оценивается возможность совмещения операций.
Определение типа штампа с учетом серийности производства.
В рассматриваемом случае деталь гибке не подлежит,
поэтому все размеры оставляем без изменений.
3. Разработка схемы раскроя материала
Понятие раскрой включает в себя такие составные элементы,
как раскрой листа и раскрой полосы. Мерой эффективности раскроя служит
коэффициент использования металла.
Раскрой полосы должен обеспечить: наилучшее качество
детали, наилучшее использование материала, простоту конструкции штампа и
наивысшую стойкость его рабочих частей, а также удобство и безопасность работы
на штампе. Экономичность раскроя зависит от правильно выбранной величины
перемычек. Ширина перемычек при вырубке (между деталями и по краям полосы)
зависит от ряда факторов: толщины листа, свойств материала. типа штампа.
Размеров и формы вырубаемого контура.
Рассчитаем ширину полосы
/2/
где
-
допуск на ширину ленты (таблица 1/2/), мм;
-
ширина перемычки, мм;
-
ширина полосы, мм;
-
размер вырубаемой детали, мм;
По ГОСТ 4986-70 выбираем ленту 12Х18Н9(М)
Находим коэффициент использования металла:
где
-
коэффициент использования металла;
-
площадь штампуемой детали,
; Площадь 
ширина
ленты,
;
-
шаг подачи.
Рис.2 Эскиз схемы раскроя
4. Определение величины потребного усилия штамповки по
операциям и полного технологического усилия
При вырубке и пробивке, потребное для этих операций
усилие зависит от габаритных размеров вырубаемой детали и пробиваемых
отверстий, толщины и механических свойств штампуемого материала, зазора между
пуансоном и матрицей формы и состояния режущих кромок пуансона и матрицы,
способа удаления деталей и отхода применяемой смазки.
Для операции «вырубка детали по контуру с пробивкой
отверстий применяем инструмент с плоскими кромками.
Усилие вырубки и пробивки определяем по формуле
/1/
где
- усилие вырубки, кН;
-
периметр вырубаемого контура, включая отверстие, мм;
-
толщина материала, мм;
-
сопротивление срезу, МПа.

.

(Приложение 1 /2/)

При вырубке деталь остается в матрице, а отход плотно
охватывает пуансон. В связи с этим при рабочем ходе пуансона необходимо
преодолеть не только сопротивление выруке-пробивки, но и сопротивление сил
трения, возникающих при перемещении детали относительно матриц, а также
сопротивление сил трения на контактной поверхности пуансону и отхода металла. В
этом случае усилие пресса
/1/
Усилие для снятия с пуансона полосы
и проталкивания детали через матрицу
принимаются в
процентах от усилия вырубки
где
=0,03
(по таблице 11 /2/)- коэффициент усилия снятия.

где
=0,02 (по таблице 11/2/)- коэффициент
проталкивания детали (отхода) после штамповки.


Фактическое усилие берется больше расчетного усилия и
принимается с поправочным коэффициентом 1,3 /1/, учитывающим наличие побочных
явлений - неравномерность толщины материала, затупления режущих кромок и т.д.
Следовательно:

5. Выбор оборудования
Пресс для осуществления заданного технологического
процесса листовой штамповки должен отвечать следующим требованиям:
иметь в своей структуре столько исполнительных
механизмов, сколько требуется для обеспечения необходимых манипуляций над
заготовкой;
развивать усилие, необходимое для деформирования
заготовки;
иметь соответствующие скоростные параметры;
иметь необходимые размеры штампового пространства;
величина хода рабочих органов должна быть достаточной;
обеспечивать требуемую точность штамповки;
иметь необходимые размеры элементов крепления;
отвечать серийности производства.
При выборе типа процесса решающими обстоятельствами
является характер операции и производства. Наиболее универсальными являются
кривошипные прессы, на которых можно производить практически любые операции
холодной штамповки - вырубку, пробивку, гибку, необходимую вытяжку, надсечку. Для
операции «Вырубка детали по контуру с пробивкой отверстий» выбираем пресс
однокривошипный простого действия открытый КИ2128
Таблица 1. Характеристики пресса
|
масса
|
4400
|
|
размер
|
1009-1990-2535
|
|
мощность
|
6,3
|
600
|
|
мин. скорость шпинделя
|
350
|
|
Частота ходов ползуна непрерывных, 1/мин
|
72
|
|
Расстояние между столом и ползуном, мм
|
320
|
|
Ход ползуна, мм
|
130
|
|
Номинальное усилие, кН
|
63
|
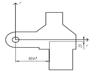
6 Определение центра давления
штампа
Для правильной уравновешенной работы штампа необходимо
вырезаемый контур расположить на матрице таким образом, чтобы центр давления
совпадал с осью хвостовика (рис.3). В противном случае в штампе возникают
перекосы, несимметричность зазора, износ направляющих, быстрое притупление
режущих кромок, а затем и к поломке штампа. Нахождение центра давления штампа
имеет смысл главным образом для сложных вырубных, многопуансонных пробивных и
последовательных комбинированных штампов. Существует два способа нахождения
центра давления штампа: 1) графический; 2) аналитический.
Аналитический способ нахождения центра давления штампа
основан на равенстве момента равнодействующей нескольких сил сумме моментов этих
сил относительно одной и той же точки. Составляем уравнения равенства моментов
относительно обеих осей.
Уравнение моментов относительно оси Х:
;
(6.1)
Уравнение моментов относительно оси Y:
,
(6.2)
где Х – искомое расстояние от оси 0Y до центра давления;
Y - искомое расстояние от оси 0Х до центра давления;
х1, х2 - расстояния от оси 0Y до центра тяжести фигуры;
у1, у2 - расстояния от оси 0Х до центра тяжести фигуры;
Р1, Р2 – усилия вырубки каждой фигуры. При расчете вместо
усилий вырубки следует подставлять длину соответствующего контура.
мм,
мм.
Рис.4 – Эскиз центра давления штампа
7 Расчет исполнительных размеров
пуансонов и матриц
При определении исполнительных размеров пуансонов и
матриц для разделительных операций следует исходить из размеров штампуемой
детали, ее точность и характера износа штампа.
Размеры контура штампуемой детали и отверстий в ней
определяется размерами оформляющей части штампа, т. е. матрицей при вырубке и
пуансона при пробивке. Для получения штампуемого изделия с заданной степенью
точности необходимо предусмотреть правильный выбор зазоров и допусков на
рабочие размеры инструмента.
Исполнительные размеры пуансонов и матриц вырубного
штампа определяем исходя из расположения поля допуска относительно номинального
размера детали и совместного их изготовления.
Вырубка:
;
(7.1)
где
- исполнительные размеры матрицы и пуансона;
-
припуск на износ пуансона (таблица 13 /2/);
,
- предельное отклонение
исполнительного размера матрицы и пуансона ( таблица 13 /2/);
z – нормальный зазор между матрицей и пуансоном.
По таблице 13/2/ для 14 квалитета находим значения Пи. По
таблице 14/2/ при уср=290 МПа, s=0,6 находим значения зазоров z. По таблице
15/2/ находим поля допусков для матрицы и пуансонов
,
рисунок 5,6.



Пробивка:
;
(7.2)
Отверстие
Æ3 мм 
R0.6 мм 
Длина паза: 
Ширина паза: 
8. Проектирование технологических и вспомогательных
деталей штампов
Проектирование матриц
Форма матрицы определяется формой и размерами штампуемой
детали. Размеры круглой матрицы ориентировочно определяют исходя из размеров ее
рабочей зоны. Размеры рабочей зоны:
aр х bр = 24 х 30
Размеры матрицы принимаем диаметр матрицы D=64мм.
Высоту штампа Нм находим по формуле:
где Рф – фактическая сила вырубки, кН
мм,
округляем значение до ближайшего из стандартного ряда Нм
= 10мм.
Форму рабочих и провальных отверстий в матрице для
пробивки и вырубке принимаем по табл.22/3/
Конструирование съемника
Неподвижный съемник предназначен для съема отхода и ленты
с пуансона, выполняется с отверстиями, повторяющими контур соответствующего
пуансона с зазором, определяемым по табл.28/3/. Наибольший двухсторонний зазор
zc между съемником и пуансоном zc =0,9мм. Если зазор будет больше, лента будет
застревать в зазоре. Толщина съемника составляет 10мм, зазор между съемником и
матрицей 2мм – соответствует высоте направляющих планок.
9. Расчет пуансона на прочность
Проверочному расчету на прочность подлежат в основном
наиболее нагруженные пробивные пуансоны небольших размеров.
Рассчитываем на прочность пуансон для пробивки отверстия Æ3 мм .
Материал пуансона – Сталь У8А Твёрдость 58…61HRC
Наименьшее сечение пуансона- Æ3 мм.
Расчет пуансона на сжатие в наименьшем сечении
/3/
где
-
усилие пробивки, Н;
-
площадь наименьшего поперечного сечения пуансона,
;
-
допускаемое напряжение на сжатие, МПа, для стали - 2500МПа.
где
-
толщина материала, мм;
-
длина контура пробиваемого отверстия, мм;
-
сопротивление срезу
=290МПа
Н

Т. к. на практике может иметь место неточность
изготовления штампа и некоторое смещение оси пуансона штампа относительно оси
матрицы, в результате чего появится изгибающий момент, то следует дополнительно
проверить пуансон на напряжение от изгиба
в близи посадочной его части.
Приняв величину смещения пуансона
равной половине зазора между
матрицей и пуансоном штампа
, напряжение изгиба определяем по формуле
/3/
где

;
-
момент сопротивления пуансона,
.

Тогда суммарные напряжения

Сравнивая полученное действительное напряжение
, возникающее в пуансоне с
допустимым
, можно
сделать вывод, что при
,
данный пуансон отвечает условию прочности на сжатие.
Определим какую наибольшую длину пуансона можно принять
при конструировании штампа. Для штампа с направляющей плитой свободная длина
пуансона определяется исходя из третьей расчетной формулы по Эйлеру
где Е- модуль упругости, 
;
эквивалентный момент инерции,
, определяемый поперечным сечением пуансона;
n- коэффициент запаса. n=3.

.
Свободная длина пуансона должна быть меньше критической,
т. е. 
.
Заключение
В данном курсовом проекте рассматриваются особенности
холодной листовой штамповки, ее преимущества и недостатки, разработан
технологический процесс изготовления детали - скоба, спроектирован штамп в
котором совмещены все операции по изготовлению заданной детали. Особенность
данного курсового проекта в том, что был изготовлен малоотходный раскрой
материала, который позволяет наиболее эффективно использовать материал.
Выполнение курсового проекта позволило систематизировать,
закрепить и расширить теоретические знания, а также приобрести опыт
самостоятельного решения вопросов, связанных с проектированием технологического
процесса и конструированием рабочего инструмента для холодной листовой
штамповки.
Список использованных источников
1.
Справочник конструктора штампов, Под редакцией Л.И. Рудмана. – М.:
Машиностроение, 1988 г.
2.
В.П. Романовский, Справочник по холодной листовой штамповки, - Л.:
Машиностроение, 1979 г.
3.
Зубцов М.Е., Листовая штамповка: Учебник для студентов вузов,
обучающихся по специальности “Машины и технологии обработки материалов
давлением”, 3-е изд., перераб. и доп. – Л.: Машиностроение, 1980 г. – 432 с.
4.
Основные требования к текстовым документам ГОСТ 2.105.95 – М.:
Издательство стандартов 1996 г.
5.
Отчет о научно-исследовательской работе. Структура и правила оформления
ГОСТ 7.32.-91-М.: Издательство стандартов 1996 г.
6.
Анурьев В.И. Справочник конструктора-машиностроителя: В 3-х т. Т. 1. –
5-е изд., перераб. и доп. – М.: Машиностроение, 1980. -728с.
7.
Кузнечно-прессовое оборудование, выпускаемое в 1992-1993гг. Номенклат.
кат. / НПО “ЭНИКмаш” – М.