Технологическое оборудование газонефтепроводов и газонефтехранилищ
Содержание
Введение
1. Назначение компрессорных станций
(КС) магистральных газопроводов
.1 Основное технологическое
оборудование КС и его размещение
.2 Комплекс средств контроля и
автоматики
. Технологический расчет
магистрального газопровода
. Система централизованного контроля
и управления
.1 Описание основных систем защиты
.2 Порядок эксплуатации средств
контроля и автоматики
3.3 Характерные неисправности и
способы их устранения
4. Техника безопасности при
обслуживании технологического оборудования компрессорной станции
Заключение
Список использованных источников
Введение
Целью курсового проекта по МДК.01.01
«Технологическое оборудование газонефтепроводов и газонефтехранилищ» является:
- систематизация и закрепление
полученных знаний по дисциплине;
- углубление теоретических знаний;
- формирование умений использования
справочной и нормативной литературы;
- формирование умений применения
теоретических знаний при решении практических задач;
- выполнение чертежа на формате А1.
Так же целью курсового проекта является изучение
таких вопросов, как:
- назначение компрессорных станций
(КС) магистральных газопроводов;
- основное технологическое
оборудование КС и его размещение;
- комплекс средств контроля и
автоматики;
- технологический расчет
магистрального газопровода;
- система централизованного контроля и
управления, описание основных систем защиты;
- порядок эксплуатации средств
контроля и автоматики;
- характерные неисправности и способы
их устранения;
- техника безопасности при
эксплуатации технологического оборудования компрессорных станций.
Большое значение в народном хозяйстве страны
имеет нефть и газ, которые являются источниками энергетики. После переработки
нефти получают топливо: бензин, керосин, дизельное топливо, масла для
автомобильного и железнодорожного транспорта, самолетов, судов, передвижных
электростанций. Газ как топливо широко применяется в металлургической и
цементодобывающей промышленности, для выработки электроэнергии в быту.
1. Назначение компрессорных станций (КС)
магистральных газопроводов
Компрессор - это машина, предназначенная для
сжатия и перемещения газов и являющаяся частью более общего комплекса машин для
подачи жидкостей и газов.
Компрессорная станция - представляет собой
компрессорную установку или установки, расположенные в отдельном здании или
отдельном помещении общего производственного комплекса.
Основные месторождения газа в России расположены
на значительном расстоянии от крупных потребителей. Подача газа к ним
осуществляется по газопроводам различного диаметра. При прохождении газа
возникает трение потока о стенку трубы, что вызывает потерю давления. Например,
при расходе газа 90 млн. м
/сут. по трубе
диаметром 1400 мм давление убывает с 7,6 до 5,3 МПа на участке длиной 110 км.
При движении газа по трубопроводу происходит потеря давления из-за разного
гидравлического сопротивления по длине газопровода. Падение давления вызывает
снижение пропускной способности газопровода. Одновременно понижается
температура транспортируемого газа, главным образом, из-за передачи теплоты от
газа через стенку трубопровода в почву и атмосферу. Поэтому транспортировать
природный газ в достаточном количестве и на большие расстояния только за счет
естественного пластового давления нельзя. Для этой цели необходимо строить
компрессорные станции (KС), которые устанавливаются на трассе газопровода через
каждые 100 или 150 км. Компрессорная станция - неотъемлемая и составная часть
магистрального газопровода, обеспечивающая транспорт газа с помощью
энергетического оборудования, установленного на КС. Она служит управляющим
элементом в комплексе сооружений, входящих в магистральный газопровод. Именно
параметрами работы КС определяется режим работы газопровода. Наличие КС
позволяет регулировать режим работы газопровода при колебаниях потребления
газа, максимально используя при этом аккумулирующую способность газопровода.
Перед подачей газа в магистральные газопроводы
его необходимо подготовить к транспорту на головных сооружениях, которые
располагаются около газовых месторождений. Подготовка газа заключается в
очистке его от механических примесей, осушки от газового конденсата и влаги, а
также удаления при их наличии, побочных продуктов: сероводорода, углекислоты и
т.д.
При падении пластового давления около газовых
месторождений строят так называемые дожимные компрессорные станции, где
давление газа перед подачей его на КС магистрального газопровода поднимают до
уровня от 5,5 до 7,5 МПа. На магистральном газопроводе около крупных
потребителей газа сооружаются газораспределительные станции для газоснабжения
потребителей.
Все это свидетельствует о том, что транспорт
газа на большие расстояния представляет собой весьма сложную техническую
задачу, от решения которой во многом зависит развитие газовой промышленности и
экономики страны в целом.
На газопроводах в качестве энергопривода КС
используются газотурбинные установки, электродвигатели и газомотокомпрессоры -
комбинированный агрегат, в котором привод поршневого компрессора осуществляется
от коленчатого вала двигателя внутреннего сгорания.
На магистральных газопроводах различают три
основных типа КС: головные компрессорные станции, линейные компрессорные
станции и дожимные компрессорные станции.
Головные компрессорные станции (ГКС)
устанавливаются непосредственно по ходу газа после газового месторождения. По
мере добычи газа происходит падение давления в месторождении до уровня, когда
транспортировать его в необходимом количестве без компримирование уже нельзя.
Поэтому для поддержания необходимого давления и расхода строятся головные
компрессорные станции. Назначением ГКС является создание необходимого давления
технологического газа для его дальнейшего транспорта по магистральным
газопроводам. Принципиальным отличием ГКС от линейных станций является высокая
степень сжатия на станции, обеспечиваемая последовательной работой нескольких
ГПА с центробежными нагнетателями или поршневыми газомото-компрессорами. На ГКС
предъявляются повышенные требования к качеству подготовки технологического
газа.
Линейные компрессорные станции устанавливаются
на магистральных газопроводах, как правило, с интервалом 100 или 150 км.
Назначением КС является компримирование поступающего на станцию природного
газа, с давления входа до давления выхода, обусловленных проектными данными.
Тем самым обеспечивается постоянный заданный расход газа по магистральному
газопроводу. В России строятся линейные газопроводы в основном на давление
5,5МПа и 7,5МПа.
.1 Основное технологическое оборудование КС и
его размещение
Современная компрессорная станция (КС) - это сложное
инженерное сооружение, обеспечивающее основные технологические процессы по
подготовке и транспорту природного газа. В состав основного оборудования входит
узел подключения КС к магистральному газопроводу, камеры запуска и приема
очистного устройства магистрального газопровода, установка очистки
технологического газа, состоящая из пылеуловителей и фильтр-сепараторов,
установка охлаждения технологического газа, газоперекачивающие агрегаты,
технологические трубопроводы обвязки компрессорной станции, запорная арматура
технологических трубопроводов обвязки агрегатов, установка подготовки пускового
и топливного газа, установка подготовки импульсного газа, различное
вспомогательное оборудование, энергетическое оборудование, главный щит
управления и система телемеханики, оборудование электрохимической защиты
трубопроводов обвязки КС.
Технологическая обвязка компрессорного цеха
предназначена для приема на КС технологического газа из магистрального
газопровода, очистки технологического газа от мех. примесей и капельной влаги в
пылеуловителях и фильтр-сепараторах, распределения потоков для последующего
сжатия и регулирования схемы загрузки ГПА, охлаждения газа после
компремирования в АВО газа, вывода КЦ на станционное "кольцо" при
пуске и остановке, подачи газа в магистральный газопровод, транзитного прохода
газа по магистральному газопроводу, минуя КС, при необходимости сброса газа в
атмосферу из всех технологических газопроводов компрессорного цеха через
свечные краны.
В зависимости от типа центробежных нагнетателей,
используемых на КС, различают две принципиальные схемы обвязок ГПА: схема с
последовательной обвязкой, характерная для неполно напорных нагнетателей, схема
с параллельной коллекторной обвязкой, характерная для полно напорных
нагнетателей.
Проточная часть неполно напорных нагнетателей
рассчитана на степень сжатия от 1,23 до 1,25. В эксплуатации бывает
необходимость в двух- или трехступенчатом сжатии, т.е. в обеспечении степени
сжатия 1,45 и более.
Проточная часть полно напорных нагнетателей
сконструирована таким образом, что позволяет при номинальной частоте вращения
ротора создать степень сжатия до 1,45, определяемую расчетными проектными
давлениями газа на входе и выходе компрессорной станции.
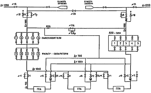
На рисунке 1 представлена принципиальная схема
КС с параллельной обвязкой ГПА для применения полно напорных нагнетателей.
Рисунок 1- Компрессорная станция с параллельной
обвязкой
По схеме, указанной на рисунке 1, газ из
магистрального газопровода с условным диаметром 1220мм (Ду 1200) через охранный
кран 19 поступает на узел подключения КС к магистральному газопроводу. Кран 19
предназначен для автоматического отключения магистрального газопровода от КС в
случае возникновения каких-либо аварийных ситуаций на узле подключения, в технологической
обвязке компрессорной станции или обвязке ГПА.
После крана 19 газ поступает к входному крану 7,
также расположенному на узле подключения. Кран 7 предназначен для
автоматического отключения компрессорной станции от магистрального газопровода.
Входной кран 7 имеет обводной кран 7р, который предназначен для заполнения
газом всей системы технологической обвязки компрессорной станции. Только после
выравнивания давления в магистральном газопроводе и технологических
коммуникациях станции с помощью крана 7р производится открытие крана 7. Это
делается во избежание газодинамического удара, который может возникнуть при
открытии крана 7, без предварительного заполнения газом технологических
коммуникаций компрессорной станции.
Сразу за краном 7 по ходу газа установлен
свечной кран 17. Он служит для стравливания газа в атмосферу из технологических
коммуникаций станции при производстве на них профилактических работ.
Аналогичную роль он выполняет и при возникновении аварийных ситуаций на КС.
После крана 7 газ поступает к установке очистки,
где размещены пылеуловители и фильтр-сепараторы. В них он очищается от
механических примесей и влаги.
После очистки газ по трубопроводу Ду 1000
поступает во входной коллектор компрессорного цеха и распределяется по входным
трубопроводам ГПА Ду 700 через кран 1 на вход центробежных нагнетателей.
После сжатия в центробежных нагнетателях газ
проходит обратный клапан, выходной кран 2 и по трубопроводу Ду 1000 поступает
на установку охлаждения газа (АВО газа). После установки охлаждения, газ через
выкидной шлейф по трубопроводу Ду 1200, через выходной кран 8, поступает в
магистральный газопровод.
Перед краном 8 устанавливается обратный клапан,
предназначенный для предотвращения обратного потока газа из газопровода. Этот
поток газа, если он возникнет при открытии крана 8, может привести к обратной
раскрутке центробежного нагнетателя и ротора силовой турбины, что в конечном
итоге приведет к серьезной аварии на КС.
Назначение крана 8, который находится на узле
подключения КС, аналогично крану 7. При этом стравливание газа в атмосферу
происходит через свечной кран 18, который установлен по ходу газа перед краном
8.
На узле подключения КС между входным и выходным
трубопроводом имеется перемычка Ду 1200 с установленным на ней краном 20. Назначение
этой перемычки - производить транзитную подачу газа, минуя КС в период ее
отключения (закрыты краны 7 и 8, открыты свечи 17 и 18).
На узле подключения КС установлены камеры приема
и запуска очистного устройства магистрального газопровода. Эти камеры
необходимы для запуска и приема очистного устройства, которое проходит по
газопроводу и очищает его от механических примесей, влаги, конденсата. Очистное
устройство представляет собой поршень со щетками или скребками, который
движется до следующей КС в потоке газа, за счет разности давлений - до и после
поршня.
На магистральном газопроводе, после КС,
установлен и охранный кран 21, назначение которого такое же, как и охранного
крана 19.
.2 Комплекс средств контроля и автоматики
Комплекс средств контроля и
диагностики (КСКД) включает в себя пульт управления и различные тесты:
программные загрузчика, профилактические процессора и внешних устройств,
диагностирования агрегатных модулей ВК. Пульт подключается непосредственно к
процессору и имеет аппаратные средства зацикливания микропрограмм. КСКД
предусматривает контроль, хранение информации в оперативной памяти и
возможность обнаружения одиночной и двойной ошибок, исправления; диагностику
логических узлов процесса, используя диагностический модуль; проверку функционирования
процессора в режиме автотестирования и внешних устройств с помощью тестовых
программ.
Комплекс средств контроля и
автоматики компрессорного цеха основная часть общестанционной автоматики,
предназначенная для оперативного управления, защиты и контроля за работой
оборудования компрессорного цеха и его объектов. В составе комплекса средств
контроля и автоматики компрессорного цеха предусматривают щит централизованного
контроля и управления технологическим оборудованием цеха.
В общем случае комплекс средств
контроля и регулирования процесса очистки решает следующие задачи: контроль
качества поступающей в аппарат воды (после реагентной обработки или без нее),
контроль качества очищенной воды, управление подачей газовой фазы во флотатор,
управление подачей реагентов, стабилизация заданного качества очищенной воды.
Контуры автоматического регулирования, составляющие САР флотатора,
взаимосвязаны как по регулируемому процессу, так и посредством цепей
управления.
2. Технологический расчет магистрального
газопровода
Исходные данные для расчета: материал труб -
сталь Ст.2; коэффициент сжимаемости - 0,93; температура грунта на глубине
укладки - (-1) оС; производительность газопровода Q=0,91
млрд. м3/год; давление газа Р=5,6 МПа; длина газопровода - 600 км;
состав газа: СН4 - 91,2%, С2Н6 - 2,8%, С3Н8
- 0,9%, С4Н10 - 0,6%, С6Н12 - 0,7%,
СО2 - 0,5%, N2
- 3.3%; коэффициент индексации на 2012 год - 11,5.
Определяем суточную пропускную способность, Q,
м3/сут. по формуле
Q = Qгод/365kr,
(1)
где Qгод
-
годовая плановая пропускная способность газопровода, млн.м3/сут.;
kr - коэффициент годовой неравномерности транспорта газа, kr = 0,85.
Q=(0,91·104)/(365·0,85)=(0,91·104)/310,25=0,293·104=29,3
млн. м3/сут.
Определяем ориентировочные значения сжатия ε=1,27
(рисунок 1 методического указания)
Выбираем варианты типов машин, их число и схему
работы в соответствии с данными таблицы 1 приложения А
ГТК-10-2 с нагнетателем 520-12-1 в количестве
двух штук (один резервный)
Определяем минимальное значение комплекса Ск,
млн.руб./год, по формуле

(2)
где Е - нормативный коэффициент
эффективности капиталовложений (для объектoв транспорта
и хранения нефти и газа Е = 0,2/год);
К - капитальные затраты, млн.
руб./год;
Э - эксплуатационные расходы, млн.
руб./год;
- степень сжатия газа.

млн. руб./год.
К дальнейшему расчету принимаем
следующий вариант диаметра 530 мм.
Расчет толщины стенки газопровода,
, мм
выполняем по формуле
(3)
где n -
коэффициент перегрузки рабочего давления в трубопроводе (для газопроводов n= 1,15)
D - наружный
диаметр;
р - рабочее (нормативное) давление в
трубопроводе;
R1- расчетное
сопротивление металла труб, Н/м2;
R2H -
нормативное сопротивление, равное номинальному значению предела текучести
металла труб, Н/м2.
мм
Гидравлический расчет газопровода. Определяем
режим течения газа по газопроводу (рисунок 2 методического указания). При
диаметре 530 мм - действует квадратичный закон сопротивлении.
Определяем коэффициент гидравлического
сопротивления в зоне квадратичного закона сопротивления для новых труб
диаметром 530 мм,
530, мм, по
формуле
(4)
где d- внутренний
диаметр трубопровода, мм

Определяем коэффициент
гидравлического сопротивления для зоны смешанного трения для новых труб
диаметром 530 мм,
530, по
формуле
(5)
где k-
эквивалентная шероховатость; для новых труб, k= 0,03 мм
Re - число
Рейнольдса, Re;
d -
внутренний диаметр трубопровода, мм.
Определяем число Рейнольдса, Re, по формуле
(6)
где Q - производительность, м3/с;
ρв
- плотность воздуха при стандартных условиях рв = 1,206 кг/м3;
μ - коэффициент
динамической вязкости газа μ = 12,3·10-6Пас;
Δ - относительная
плотность газа;
Относительную плотность газа,
, кг/см3
определяем по формуле
(7)
где рсм - плотность газовой смеси,
0,757 кг/м3.
Δ=
Re=
0,15
=0,004
С учетом местных сопротивлений расчетные
значения коэффициентов гидравлических сопротивлений будут от 2 до 5%, выше.
Определяем расстояние между КС,
км, по
формуле
(9)
где Pн и Pк - давление в начале и в конце
трубопровода, MПа;
d - внутренний
диаметр, мм;
К = 3,32·10-6;
λ - коэффициент
гидравлического трения;
Δ - относительная
плотность газа;- коэффициент сжимаемости газа;
Т0 - температура грунта на глубине
укладки, °К;
Q - производительность трубопровода, млн. м3/сут.
км;
Определяем длину последнего перегона
l, км, по
формуле
(10)
где
Рн и Рк - давление в начале и в конце трубопровода, МПа;
- внутренний диаметр, мм;
К
- расходная характеристика, К = 3,32-10-6;
- коэффициент гидравлического
трения;
Δ - относительная плотность
газа;- коэффициент сжимаемости газа;
Т0 - температура грунта
на глубине укладки, °К;
Q - производительность трубопровода, млн. м3/сут.
км;
Определяем необходимое число КС, n
шт, по формуле:
(11)
где L - длина газопровода, км;
n - длина
последнего перегона, км;
l -
расстояние между КС, км.
штю;
Определяем конечное давление, Рк,
МПа, по формуле
где
Рн - давление в начале и в конце трубопровода, Мпа;-
производительность трубопровода, млн. м3/сут;- внутренний диаметр,
мм;
Δ -
относительная плотность газа;- коэффициент сжимаемости газа;
То
- температура грунта на глубине укладки, °К;
l - расстояния между
КС, км.
=6,6 Мпа
Определяем капитальные затраты в
линейную часть (таблица 3 методического указания), Эл, млн.руб./год,
по формуле
Эл = Эл
L(13)
где Эл - капитальные
затраты в линейную часть, млн. руб./год;
L - длина
газопровода, км.
Эл=
=438
млн.руб./год
Определяем годовые эксплуатационные расходы по
линейной части (таблица 3 методического указания), Кл, млн. руб. год
по формуле
Кл=Кл·L(14)
где Кл - капитальные затраты на
линейную часть, млн. руб./ год;
L- длина
газопровода, км.
Кл=1,97·600=111,8 млн.руб./год
Определяем капитальные затраты на сооружение КС
(таблица 2 методического указания) Ккс, млн. руб. / год. по формуле
Ккс = Ккс·n(15)
где Ккс- капитальные затраты на
сооружение КС, млн.руб./год;
n - необходимое
число КС, шт.
Ккс=3,13·58=181,54 млн.руб./год
Определяем годовые эксплуатационные расходы по
КС (таблица 2 методического указания), Экс,
млн.руб./год, по формуле
Экс=Экс·n(16)
где Экс- эксплуатационные затраты на
одну КС;
n-необходимое число
КС.
Экс=0,45·58=26,1 млн.руб./год
Определяем полные капитальные затраты и
эксплуатационные расходы, К, млн.руб./год, по формуле
К= Кл+Ккс(17)
где Кл- годовые эксплуатационные
расходы по линейной части;
Ккс- капитальные затраты на
сооружение КС.
К=111,8+181,54=293,34 млн.руб./год
Определяем полные эксплуатационные расходы, Э,
млн. руб./год, по формуле
Э= Эл+Экс(18)
где Эл - капитальные затраты в
линейную часть;
Экс - годовые эксплуатационные
расходы по КС.
Э=438+26,1=464,1 млн. руб./год
Вычисляем приведенные годовые затраты, Спр,
млн. руб. /год, по формуле
Спр=Е·К+Э(19)
где К - капитальные затраты, млн. руб./год;
Э - эксплуатационные расходы, млн. руб. /год;
Е - нормативный коэффициент эффективности капиталовложений
( для объектов транспорта и хранения нефти и газа Е = 0,2 /год).
Спр=0,2·293,34+464,1=522,77 млн. руб.
/год
Определяем себестоимость перекачки газа, С,
коп/м3, по формуле
(20)
где kг
- для однониточных газопроводов, kг
= 0,85;
Q - суточная
пропускная способность газопровода, млн. м3/сут.
коп/м3
Таблица 1
|
Наименование
|
D1
|
|
Капитальные
затраты в лч, млн.руб.
|
438
|
|
Эксплуатационные
расходы по линейной части, млн.руб./год
|
111,8
|
|
Капитальные
затраты на сооружение КС, млн.руб.
|
181,54
|
|
Эксплуатационные
расходы по КС млн.руб./год
|
26,1
|
|
Полные
капитальные затраты млн.руб.
|
293,34
|
|
Полные
эксплуатационные расходы, млн.руб./год
|
464,1
|
|
Приведенные
годовые затраты, млн.руб./год
|
522,77
|
3. Системы централизованного контроля и
управления
Комплекс средств контроля и автоматики
компрессорного цеха - основная часть обще стационарной автоматики,
предназначенная для оперативного управления, защиты и контроля за работой
оборудования компрессорного цеха, его объектов. Состав комплекса средств
контроля и автоматики компрессорного цеха предусматривает щит централизованного
контроля и управления оборудованием цеха.
Комплекс средств контроля и автоматики КЦ
содержит следующие основные системы: централизованного контроля и управления
ГПА (СЦКУ); управления цеховыми кранами; управления цеховыми объектами и
вспомогательным оборудованием цеха; защиты цеха от загазованности; защиты цеха
от пожара.
Система централизованного контроля и управления
предназначена для управления, предупредительной сигнализации и защиты ГПА, а
также для измерения параметров работы ГПА. Она должна осуществлять следующие
функции: автоматического пуска, а также дистанционного управления режимом
работы агрегата; нормальную и аварийную остановки ГПА по команде оператора и
при срабатывании защит; световую и звуковую сигнализацию отклонения параметров
от нормы (предупредительная сигнализация); сигнализацию срабатывания защит
(технологическая сигнализация); непрерывные измерения давления газа на входе и
выходе нагнетателя, температуры продуктов сгорания перед ТВД или в тракте (ГТУ
в зависимости от типа агрегата), частоту вращения валов ГТУ, перепада давления
«масло-газ»; измерительный контроль по вызову и периодическую цифровую
регистрацию технологических параметров - температуры масла до и после
маслоохладителей, температуры подшипников, вибрации подшипников, перепада
давления «масло-газ», давления масла смазки, температуры продуктов сгорания в
тракте ГТУ, температуры воздуха перед осевым компрессором, давление масла в
системе регулирования давления топливного и пускового газа.
Температура продуктов сгорания в тракте ГТУ и
перепад давления «масло-газ» в системе уплотнения нагнетателя должны иметь
непрерывную регистрацию.
Автоматика градильни и циркуляционной насосной
должна обеспечивать постоянство уровня воды в бассейне градильни путем
автоматической его подпитки; автоматическое включение установки для обработки
воды (подкисли-тельной, магнитной и др.); автоматическое включение резервного
насоса при аварийном отключении работающего; автоматический пуск работающих
насосов и вентиляторов после кратковременного перерыва в электроснабжении.
В компрессорных цехах, не оснащенных СЦКУ, в
помещении цеховых щитов управления должны быть установлены агрегатные панели:
управления цеховыми кранами; управления цеховыми объектами и вспомогательным
оборудованием цеха; защиты цеха от загазованности; защиты цеха от пожара.
.1 Описание основных систем защиты
Защита по давлению масла смазки срабатывает при
падении давления масла смазки турбины и нагнетателя (менее 0,2 кг/см2).
Низкое давление разрушает подшипники ГПА. Стрелка электроконтактного манометра
ЭКМ замыкает контакты, загорается сигнал «Аварийное давление масла». Включается
резервный масляный насос (РМН), обеспечивая давление в смазочной системе не
менее 0,4 кг/см2.
Защита по погасанию факела (система обнаружения
пламени) выполняет две функции. Во время нормального запуска агрегата
светочувствительные элементы фотореле обнаруживают установление пламени в КС и
разрешают продолжать последовательность запуска агрегата. В противном случае
прекращается подача топливного газа. В случае срыва пламени во время работы
немедленно прекращается подача газа в КС, в результате чего исключается
возможность поступления несгоревшего топлива в патрубок турбины, где могло бы
произойти вторичное зажигание и произойти взрыв. Эта цепь включается после
открытия стопорного и регулирующих клапанов. При проверке защиты после
включения электропитания фотореле должна сработать аварийная защита по импульсу
от фотореле. При этом срабатывают электромагнитные клапаны в линии предельной
защиты, закрывается стопорный и регулирующий клапаны (СК и РК), включается
аварийный сигнал «Факел погас».
Защита по осевому сдвигу роторов срабатывает,
останавливая агрегат, при увеличении давления масла от 3 до 3,5 кг/см2
между соплами реле и упорными дисками на валах агрегата (или превышении
давления по воздуху свыше 1 кг/см2), при этом на ГГЦУ подается
аварийный сигнал «Авария по осевому сдвигу». При осевом сдвиге возможно
задевание вращающихся деталей агрегата о неподвижные и разрушение отдельных
узлов агрегата.
Защита по перепаду давления между маслом
уплотнения и газом в полости нагнетателя (защита «масло-газ») служит для
предотвращения протечек газа по валу из нагнетателя в машинный зал, применяется
система уплотнения нагнетателя. Для этого к торцевому уплотнению подается масло
с давлением от 1,0 до 1,5 кг/см2 больше давления газа. Защита по
перепаду давления осуществляется с помощью дифференциального реле давления типа
РДД-1М, осуществляющего электрическую блокировку и автоматическое переключение
с рабочего винтового масляного насоса уплотнения на резервный при снижении
перепада давления, а также полном исчезновении перепада. При этом включается на
ГГЦУ аварийный перепад «масло-газ».
При проверке защиты по перепаду «масло-газ»
проверяют: резервирование насосов; отключение обоих ВМНУ. После установленной
выдержки времени срабатывает защита по уменьшению перепада давления в
уплотнении.
Защита от превышения температуры газа - одна из
основных газовой турбины. При нормальной эксплуатации температура газа
регулируется расходом топлива. Однако при неисправности САР, помпажах осевого
компрессора или нагнетателя количество подаваемого топлива, а значит и
температура газа, могут превысить установленные нормы. Это приведет к выгоранию
лопаток проточной части, разрушению элементов двигателя. В начале система
защиты от превышения температуры газа включает предупредительный звуковой и
световой сигналы, что указывает на необходимость разгрузки турбины,
предотвращая тем самым ее отключение. Если температура газа будет продолжать
повышаться, система отключит агрегат. Система защиты является независимой от
системы САР. Температуру газа измеряют термометрами, установленными за ТНД или
перед ТВД.
Защита по превышению частоты вращения роторов
ТВД, ТНД и турбодетандера. При повышении частоты вращения роторов ТВД, ТНД,
турбодетандера может произойти обрыв лопаток, разрушение валиков и дисков и
т.п. Для предотвращения частоты применяют разного рода автоматы безопасности.
Ротор ТНД имеет два автомата безопасности: центробежный (механический,
бойкового типа) и гидродинамический.
Система защиты по температуре подшипников выдает
предупредительный и аварийный сигнал при возрастании температуры выше
допустимой, что может привести к разрушению подшипников, выплавлению баббита
вкладышей, осевым сдвигам, повышению вибрации.
Температура измеряется малогабаритными
платиновыми термометрами сопротивления (ТСП), установленными во вкладышах
опорных подшипников и колодках упорных подшипников. Термометры подключаются к
электронному мосту, который осуществляет измерение и регистрацию температуры
подшипников, а также выдает предупреждающий (при 75 °С) и аварийный (при 80 °С)
сигналы на ГЩУ.
Система защиты от вибрации осуществляется при
помощи датчиков, размещенных на корпусах подшипников ГПА. При этом вибрация
измеряется в трех направлениях: вертикальном, поперечном, осевом. Сигнал
поступает от пьезодатчика. Повышенная вибрация может привести к нарушению
условий смазки и разрушению подшипников, задеванию вращающимися деталями в
проточной части.
Имеется два уровня вибрации. При достижении
первого уровня включается предупредительная сигнализация. При достижении
второго уровня, когда вибрация становится более 11,2 мм/с, срабатывает
аварийная сигнализация и происходит остановка агрегата.
Кроме перечисленных выше основных систем защиты
применяются и другие по минимальному и максимальному уровню масла в маслобаке
агрегата; по аварийной остановке от кнопки АО, по давлению топливного газа; по
превышению частоты работы вала турбокомпрессора в диапазоне резонансных частот
вращения от 2500 до 4300 об/мин; защиты по разряжению на всасе осевого
компрессора.
Проверку защиты в обязательном порядке в
соответствии с правилами технической эксплуатации проводят при подготовке ГПА к
пуску. Проверку проводит комиссия в составе: сменного инженера, инженера службы
КИПиА, машинистов ТКЦ (технологического компрессорного цеха), работников КИПиА
с оформлением специального протокола приема-сдачи защиты.
3.2 Порядок эксплуатации средств контроля и
автоматики
Организационная структура и основные задачи
службы автоматики, телемеханики и КИП.
Эксплуатация систем автоматики, телемеханика и
КИП объектов МГНПП осуществляется службой автоматики, телемеханики и КИП, в
структуру которой должны входить: отдел автоматизированного управления
производственными процессами на магистральных газо-нефтепродуктопроводах, отдел
автоматизированного управления производственными процессами при
производственном отделении, производственный персонал линейно-производственной
диспетчерской станции, перекачивающая станция по обслуживанию
технических средств автоматизированного управления МГНПП (инженеры и слесари
КИП и автоматики); специализированный участок по ремонту и наладке СА, ТМ и КИП
базы производственного обслуживания.
В своей деятельности работники службы
автоматики, телемеханики и КИП руководствуются действующим законодательством,
СНиП 3.01.04-87, СНиП 3.05.06-85, СНиП 3.05.07-85 ПУЭ, Правилами техники
безопасности при эксплуатации электроустановок потребителей, настоящими
Правилами, заводскими инструкциями по эксплуатации систем автоматики,
телемеханики и КИП, инструкциями по эксплуатации на рабочем месте.
Служба автоматики, телемеханики и КИП обязана
обеспечить: на уровне АО: контроль за монтажом и пуско-наладкой, проводимыми
сторонними организациями; организацию работ по монтажу, наладке, испытаниям и
по приемке в эксплуатацию объектов автоматизации и телемеханизации;
осуществление контроля за их правильным ведением, осуществление надзора за
соблюдением настоящих правил и инструкций по техническому обслуживанию и
ремонту систем автоматики, телемеханики и КИП, организацию работ по внедрению
новых и реконструкции находящихся в эксплуатации систем автоматики и
телемеханики, рассмотрение технической документации по проектированию объектов
автоматизации и телемеханизации и выдачу по ней заключения, правильный подбор и
расстановку кадров в подразделениях службы автоматики, телемеханики и КИП,
организационно-техническое руководство деятельностью службы автоматики,
телемеханики и КИП, разработку инструкций по эксплуатации оборудования и
безопасному ведению работ при обслуживании систем автоматики, телемеханики и
КИП, организацию ремонта: хозяйственным способом, подрядным способом - силами
специализированных организаций, участие в составлении планов по техническому
перевооружению объектов управления.
На уровне производственного отделения: надзор за
монтажом систем автоматики, телемеханики и КИП, организацию и приведение
пусконаладочных работ или участие в них, участие в испытаниях и приемке в
эксплуатацию новых систем автоматики, телемеханики и КИП, надежную работу
систем автоматики, телемеханики и КИП, составление и выполнение графиков
планово-предупредительных ремонтов, контроль за деятельностью подрядных
организаций, выполняющих ремонт и техническое обслуживание систем автоматики,
телемеханики и КИП, учет отказов систем автоматики, телемеханики и КИП по
установленной форме, анализ причин отказов и разработку мероприятий по их
предупреждению, участие в проведении ведомственных метрологических поверок
средств измерений на объектах МНПП; участие в составлении и предъявлении
рекламации на низкое качество изготовления и монтажа; обучение персонала,
обслуживающего технологическую часть объекта МГНПП, методам эксплуатации
средств автоматики, телемеханики и КИП.
Численный состав и квалификация персонала службы
автоматики, телемеханики и КИП определяются проектом.
Участки по ремонту и наладке систем автоматики,
телемеханики и КИП создаются для обеспечения работоспособности закрепленных за
производственных отделений средств автоматики, телемеханики и КИП путем
организации и проведения ремонтного обслуживания технических устройств и систем
высококвалифицированными специалистами участка, группируемыми по видам работ:
теплотехнические средства измерений; средства релейной автоматики и
электротехнических измерений; физико-химические измерения; электроника;
средства ТМ; изготовление нестандартного оборудования; внедрение новой техники
и др.
Для выполнения монтажа, демонтажа технических
средств автоматизированного управления МНПП, а также для их доставки на объект,
в составе участка по ремонту и наладке систем автоматики, телемеханики и КИП
создаются выездные ремонтные бригады.
Выездные ремонтные бригады комплектуются
высококвалифицированными работниками участка по ремонту и наладке систем
автоматики, телемеханики и КИП.
Численный и квалификационный состав выездной
ремонтной бригады устанавливается исходя из трудоемкости планируемых работ по
техническому обслуживанию и ремонту оборудования, предусмотренных годовым
графиком ППР.
Численный и квалификационный состав выездной
ремонтной бригады формируется под непосредственным руководством зам. начальника
ремонтного подразделения - центральных ремонтных мастерских или базы
производственного обслуживания МГНПП - и утверждается главным инженером
производственного отделения МГНПП.
За каждой выездной ремонтной бригадой, с учетом
ее состава, оснащенности и технического состояния обслуживаемого оборудования,
закрепляется постоянный перечень перекачивающих и наливных станций.
Эксплуатация включает в себя две основные
разновидности работ: оперативное обслуживание, периодическое техническое
обслуживание и ремонт.
Оперативное обслуживание систем автоматики,
телемеханики и КИП заключается в следующем: постоянном наблюдении за состоянием
и режимом работы оборудования, проведении не предусмотренных планом-графиком
небольших по объему работ (согласно перечню работ, выполняемых в порядке
текущей эксплуатации), производстве оперативных переключений, подготовке схемы
и рабочего места для ремонтных бригад, допуске их к работе, надзоре за ними во
время работы и восстановлении схемы после окончания всех работ.
Периодическое техническое обслуживание и ремонт
систем автоматики, телемеханики и КИП включает комплекс работ,
предусматриваемых действующей Системой планово-предупредительных ремонтов
оборудования объектов МГНПП: техническое обслуживание, текущий ремонт,
капитальный ремонт, поверки средств измерений.
Техническое обслуживание подразделяется на:
ежесменное техническое обслуживание, периодическое техническое обслуживание,
выполняемое после отработки оборудованием определенного времени.
Оперативное и ежесменное техническое
обслуживание выполняется оперативным персоналом линейно-производственной
диспетчерской станции, перекачивающей. В перечень этих работ входят:
проверка состояния и контроль (по показаниям приборов) за температурным режимом
работы магистральных и подпорных насосных агрегатов, загазованностью в
насосных, за вибрацией агрегатов, давлением и температурой масла на входе и
выходе из подшипников агрегатов, давлением и температурой охлаждающей жидкости,
температурой обмоток статора работающих электродвигателей. Все эти показания
вносятся в журнал оператора через каждые два часа; проверка и контроль за
параметрами режима работы пожарных насосных (давлением и уровнем раствора
пенообразователя в баках, наличием основного и резервного электроснабжения
систем пожаротушения и сигнализации и т.п.), оперативные переключения
технологического оборудования при отклонениях режимов работы от заданных или по
команде диспетчера с соответствующей записью в журнале, контроль выполнения
программы включения автоматических переключающих устройств, регистрация в
журналах по формам, рекомендованным Системой ППР оборудования объектов МГНПП,
Инструкциями заводов-изготовителей по эксплуатации систем автоматики,
телемеханики и КИП
При нарушениях в работе оперативный персонал
должен действовать в соответствии с Инструкцией по эксплуатации на рабочем
месте и, если возможно, устранить или правильно оценить повреждение, при
необходимости перейти на местное, ручное управление и произвести запись в
оперативном журнале.
Периодическое техническое обслуживание систем
автоматики, телемеханики и КИП выполняется производственным персоналом в
плановом порядке при отключенном оборудовании или временном отключении защит
только по письменному разрешению ответственных за техническую эксплуатацию
объекта.
Кабельные и воздушные линии, общие для связи и
телемеханики, обслуживаются службами связи; при отклонении параметров канала
автоматики и телемеханики от нормальных значений по заявке службы автоматики,
телемеханики и КИП служба связи проверяет и при необходимости ремонтирует
канал.
Кабельные и воздушные линии телемеханики, имеющие
самостоятельные трассы, обслуживаются персоналом службы автоматики,
телемеханики и КИП.
Перед началом смены обслуживающий персонал
обязан проверить состояние работающих систем автоматики, телемеханики и КИП,
проверить наличие и осмотреть первичные средства пожаротушения, инструменты,
мелкие запасные части и вспомогательные материалы, ознакомиться с изменениями в
схемах, записями и распоряжениями с момента последнего дежурства.
Основным документом, регламентирующим сроки и
объемы работ по техническому обслуживанию и ремонту средств автоматики,
телемеханики и КИП является годовой график ППР.
Форма, сроки, порядок составления и согласования
графиков ППР систем автоматики, телемеханики и КИП определяются действующей
Системой планово-предупредительных ремонтов оборудования объектов МГНПП.
Контроль за выполнением графика ППР возлагается
на начальника отдела автоматизированного управления производственными
процессами производственного отдела.
Ответственность за организацию, своевременное
выполнение и качество работ по техническому обслуживанию и ремонту несут
мастера соответствующей службы линейно-производственная
диспетчерская станци, перекачивающей станции и специалисты отдела
автоматизированного управления производственными процессами производственного
отделения.
Ответственность за общую постановку работ
системы технического обслуживания и ремонта
систем автоматики, телемеханики и КИП возлагается на главного инженера ПО.
.3 Характерные неисправности и способы их
устранения
Внешними признаками неисправности электропроводки
является перегорание предохранителей или автоматических защитных устройств и
появление специфичного запаха горелой изоляции, иногда искрение или перегрев
электропроводки. Повреждения электропроводки и ее элементов могут происходить
из-за небрежного или неосторожного с ней обращения, в результате
некачественного выполнения монтажных работ, при физическом износе проводов и
кабелей. При техническом обслуживании внутренних электропроводок проверяют
состояние проводов и кабелей и их изоляции, натяжение и закрепление проводов на
роликах и изоляторах. Обвисшие и незакрепленные провода и кабели подтягивают и
надежно закрепляют. При обнаружении поврежденных роликов, изоляторов,
изоляционных трубок, фарфоровых воронок и втулок их немедленно заменяют другими.
Поврежденные участки проводки заменяют новыми. Если повреждена изоляция
проводов, допускается поврежденный участок проводки изолировать липкой
изоляционной лентой или трубкой из изолирующего материала.
Внешними признаками неисправности
электропроводки является перегорание предохранителей или автоматических
защитных устройств и появление специфичного запаха горелой изоляции, иногда
искрение или перегрев электропроводки.
Повреждения электропроводки и ее
элементов могут происходить из-за небрежного или неосторожного с ней обращения,
в результате некачественного выполнения монтажных работ, при физическом износе
проводов и кабелей. При техническом обслуживании внутренних электропроводок
проверяют состояние проводов и кабелей и их изоляции, натяжение и закрепление
проводов на роликах и изоляторах. Обвисшие и незакрепленные провода и кабели
подтягивают и надежно закрепляют. При обнаружении поврежденных роликов,
изоляторов, изоляционных трубок, фарфоровых воронок и втулок их немедленно
заменяют другими. Поврежденные участки проводки заменяют новыми. Если
повреждена изоляция проводов, допускается поврежденный участок проводки
изолировать липкой изоляционной лентой или трубкой из изолирующего материала.
Профилактические испытания
электропроводок. При испытаниях проверяют целостность жил и правильность
фазировки - подключение фазы на выключатель и на центральный контакт патрона.Не
реже одного раза в три года проверяют изоляцию электропроводки мегомметром
напряжением 500 или 1000 В. Сопротивление изоляции измеряют между каждым
проводом и землей. Наименьшее сопротивление изоляции -0,5 МОм.
4. Техника безопасности при
обслуживании технологического оборудования компрессорной станции
компрессорный станция газопровод
автоматика
Обслуживание оборудования компрессорного цеха
производится на объектах действующих магистральных газопроводов высокого
давления, во взрывоопасных помещениях и связано с эксплуатацией тяжело
нагруженных быстроходных агрегатов с высокой температурой продуктов сгорания.
Поэтому обслуживающий персонал должен твердо знать правила обращения с
природным газом и его основные свойства: неодорированный природный газ
бесцветен, не имеет запаха, легче воздуха, при содержании метана в воздухе в
пределах от пяти до 15% образуется взрывоопасная концентрация, природный газ,
скопляющийся в закрытом помещении, вытесняет воздух и удушающе действует на
человека; предельно допустимое содержание газа в помещениях не должно превышать
одного процента. Курение на компрессорной станции, в машинном зале и других
производственных помещениях категорически запрещается. Должны быть выделены
специальные помещения и отведены места для курения.
Полы помещений должны быть сухими и чистыми.
Пролитое масло нужно немедленно и насухо вытереть. Полы, ограждения и
перекрытия должны содержаться в полной исправности.
Все помещения цеха, включая проходы и площадки,
должны иметь освещенность, обеспечивающую возможность правильного и безопасного
обслуживания агрегатов дежурным персоналом. Должно быть обеспечено хорошее
освещение всех приборов, а также проходов, лестниц и всех тесных мест вблизи
горячих поверхностей.
Промасленные обтирочные материалы необходимо
складывать в секционный металлический ящик и убирать из цеха в конце каждой
смены.
При подготовке агрегата к пуску необходимо:
произвести наружный осмотр агрегата, убрать с оборудования, площадок
обслуживания и переходов инструменты, ветошь и прочие предметы, произвести все
операции по подготовке ГПА к пуску в соответствии с технической инструкцией
завода-изготовителя; проверить наличие и исправность всех ограждений и
предохранительных устройств, все вращающиеся механизмы должны быть закрыт
предохранительными кожухами, проверить исправность покрытий горячих частей
агрегата, проверить наличие и исправность противопожарного оборудования,
При пуске агрегата должны соблюдаться следующие
требования техники безопасности: запрещается присутствие посторонних лиц в
машинном зале и галерее нагнетателей (аналогично в помещениях цехов
контейнерного типа), пуск ГПА разрешается только по распоряжению старшего
сменного инженера-диспетчера, вход людей в камеры воздушных фильтров при пуске
и во время работы агрегата категорически запрещается.
Заключение
В процессе разработки курсового проекта были
освещены следующие вопросы:
назначение компрессорных станций магистральных
газопроводов;
основное технологическое оборудование КС и его
размещение;
комплекс средств контроля и автоматики, система
централизованного контроля и управления;
описание основных систем защиты, порядок
эксплуатации средств контроля и автоматики;
характерные неисправности и способы их
устранения;
техника безопасности при обслуживании
технологического оборудования компрессорной станции.
Так же в процессе написания курсового проекта
был выполнен расчет магистрального газопровода и выполнен чертеж
«Технологическая схема компрессорной станции. Принципиальная схема
технологического оборудования» на листе формата А1. В процессе разработки
курсового проекта были использованы учебные пособия, техническая литература,
нормативные документы.
Список использованных источников
1 Беляева В.Я. Нефтегазовое
строительство: учебное пособие для студентов вузов / В.Я. Беляева, И.И. Мазура,
В.Д. Шапиро. - М.: Издательство ОМЕГА-Л, 2005. - 774 с.
2 Веригин И.С. Компрессорные и
насосные установки: учебник / И.С.Веригин. - М.: Издательский центр «Академия»,
2007. - 288 с.
Гумеров А.Г. Реконструкция
линейной части магистральных нефтепроводов / А.Г. Гумерова, Х.А. Азметов, Р.С.
Гумеров. - М.: ООО «Недра-Бизнесцентр», 2003. - 308с.
Крылов Г.В., Степанов О.А.
Эксплуатация и ремонт газопроводов и газохранилищ. - М.: Академия, 2000.
Поршаков Б.П. Газотурбинные
установки. - М.: Недра, 2002. -263 с.
Энергетика трубопроводного
транспорта газа / под редакцией Козаченко А.Н.; Никишин В.Н., Коршаков Б.П. -
М.: изд. РГУ Нефти и газа им. Е.М. Губкина, 2001. - 400 с.