Технологические основы процесса объемной штамповки
Министерство образования и науки
Российской Федерации
Федеральное государственное бюджетное
учреждение
высшего профессионального образования
"Саратовский государственный
технический университет имени Гагарина Ю.А. "
Кафедра "Сварка и металлургия"
Курсовая работа
по дисциплине "Теория обработки
металлов давлением"
на тему
"Технологические основы процесса
объемной штамповки"
Направление 150400.62 - Металлургия
(МЕТЛ)
Выполнил:
студ. гр. б2МЕТЛ-31
Щуркин Д.О.
Проверил:
к. т. н., доц. Фомин А.А.
Саратов 2015
Содержание
Введение
1. Физические основы объемной штамповки
2. Оборудование
2.1 Высокоскоростные молоты
2.2 Горизонтально-ковочные машины
2.2.1 Пресс однокривошипный горячештамповочный КБ8042
2.3 Ротационные способы изготовления поковок
2.4 Штамповка жидкого металла
3. Оснастка и инструменты
3.1 Матрицы для горячей объемной штамповки
3.2 Матрицы для горячей объемной штамповки на прессах
3.3 Марки штамповых сталей
4. Режимы работы
4.1 Отделочные операции после объемной горячей штамповки
4.2 Смазочные материалы для штампов
4.3 Схема процесса штамповки на горизонтальноковочной машине
5. Материалы и изделия
5.1 Конструкции поковок
5.2 Геометрическая точность поковок
6. Патентное исследование
7. Расчет усилия штамповки
7.1 Определение усилия штамповки
7.2 Построение графика зависимости усилия штамповки от площади
проекции разъема штампа
Вывод
Заключение
Список литературы
Приложение
Введение
Штамповка является одним из
наиболее прогрессивных видов обработки металла давлением, при котором
течение металла принудительно ограничивается поверхностями ручьев и выступов
штампов.
Объемная штамповка делится на открытую, при
которой по периметру поковки образуется заусенец, или облой, и закрытую,
когда заусенца, или облоя, не образуется. В конечный момент открытой штамповки
ручьи образуют единую замкнутую форму, соответствующую конфигурации поковки с
заусенцем (заусенец занимает от 50 до 80% объема заусеночной канавки). При
закрытой штамповке в конечный момент образовавшаяся форма соответствует
конфигурации поковки без облоя или заусенца.
Штамповка по сравнению со
свободной ковкой имеет ряд достоинств: высокая производительность; однородность
и точность получаемых поковок; высокое качество поверхностей штампуемых
поковок, в связи, с чем они обрабатываются только в местах сопряжений с другими
деталями; возможность получения поковок сложной конфигурации.
Закрытая штамповка обеспечивает получение
поковок без заусенца, благодаря чему заготовка может быть уменьшена на объем
этого заусенца, а отсутствие заусенца по периметру поковки ведет к сокращению
цикла технологического процесса и экономии электроэнергии и штамповой стали.
Объемная штамповка имеет и недостатки:
ограниченность штампованных поковок по весу (200 кг); высокая стоимость штампа;
заусенец, вес которого составляет значительную долю от веса поковки у открытой
штамповки; утяжеление поковок, полученных закрытой штамповкой, за счет
увеличения напусков, образуемых односторонними штамповочными уклонами по высоте
поковки.
В целях получения поковок большого веса
применяют комбинированные методы ковки и штамповки. Из-за высокой стоимости
штампа штамповку наиболее выгодно применять в массовом и крупносерийном
производстве.
В производстве крупных поковок типа
коленчатых валов применяется секционная штамповка.
Объемная штамповка осуществляется на
штамповочных молотах, кривошипных ковочно-штамповочных прессах,
горизонтально-ковочных машинах, гидравлических и фрикционных прессах,
горизонтально-гибочных машинах, ротационных машинах, ковочных вальцах и др.
Основная задача горячей штамповки, как и других видов
обработки, формоизменение заготовки с максимальным приближением ее формы к
форме готовой детали. Это формоизменение обусловлено пластичностью металлов, то
есть их способностью формоизменяться без разрушения.
1. Физические
основы объемной штамповки
Горячая объёмная штамповка (ГОШ) - это вид
обработки металлов давлением, при которой формообразование поковки из нагретой
до ковочной температуры заготовки осуществляют с помощью специального
инструмента - штампа. Течение металла ограничивается поверхностями полостей (а
также выступов), изготовленных в отдельных частях штампа, так что в конечный
момент штамповки они образуют единую замкнутую полость (ручей) по конфигурации
поковки. В качестве заготовок для горячей штамповки применяют прокат круглого,
квадратного, прямоугольного профилей, а также периодический. При этом прутки
разрезают на отдельные (мерные) заготовки, хотя иногда штампуют из прутка с
последующим отделением поковки непосредственно на штамповочной машине.
Применение объемной штамповки оправдано
при серийном и массовом производстве. При использовании этого способа
значительно повышается производительность труда, снижаются отходы металла,
обеспечиваются высокие точность формы изделия и качество поверхности.
Штамповкой можно получать очень сложные по форме изделия, которые невозможно
получить приемами свободной ковки [1].
Холодная объёмная штамповка (ХОШ) металла
- разновидность обработки металлов давлением. Отличие её от обработки горячей
штамповкой в том, что её выполняют при температуре сплава ниже точки
рекристаллизации. Различают несколько видов холодной штамповки: холодная
высадка, холодное выдавливание и штамповка в открытых штампах.
Такая обработка осуществляется в несколько
операций, что обеспечивает постепенное и последовательное изменение формы: от
изначальной формы заготовки до требуемой формы изделия. В процессе
металлообработки происходит упрочнение материала и снижение его пластичности.
Для увеличения пластичности и уменьшения сопротивления последующим деформациям
применяют межоперационные отжиги, особенно в случаях, когда осуществляется
большое число переходов.
Детали, изготовленные способом объёмной
холодной штамповки, характеризуются высокой точностью: полые изделия,
изготовленные этим способом, могут иметь толщину стенки, измеряемую в десятых и
сотых долях мм. Технически, применение этой технологии позволяет изготавливать
детали особо сложных форм, которые невозможно получить, используя другие методы
обработки. Формовка металла без разрушения его целостности позволяет увеличить
коэффициент использования материала до 95 % даже для деталей сложной
конфигурации. Холодное выдавливание осуществляется методом давления, по своей
сути схожим с прессованием металла. Отличие заключается в образовании
трёхосного неравномерного сжатия в области деформации, что приводит к повышению
пластичности обрабатываемого материала и позволяет получать большое
формоизменение заготовки. Процесс формования детали заключается в следующем:
под влиянием давления, создающегося при обжимании заготовки до состояния
текучести, металл вытекает через отверстия матрицы соответствующей формы.
Течения металла относительно к движению пуансона может иметь разную
направленность и в зависимости от этого направления различают типы
выдавливания.
1. Прямое выдавливание характеризуется совпадением движения
пуансона и направления течения металла. Он применяется для получения сплошных
удлинённых поковок: деталей значительной длины.
. Боковое выдавливание характеризуется вытеканием металла
через боковые отверстия, под углом к движению пуансона. Применяется для
получения поковок с отростками: деталей сложной формы.
. Обратное выдавливание характеризуется направлением
вытекания, противоположным движению пуансона. Применяется для пустотелых
поковок: деталей полых внутри.
объемная штамповка материал оснастка
4. Комбинированное выдавливание характеризуется одновременным
течением в нескольких направлениях и применяется для производства деталей
сложной формы.
Процесс штамповки заключается в принудительном перемещении металла
заготовки в полости специализированного инструмента - штампа. Две полости
штампа (ручьи) при совмещении образуют форму штампуемой поковки. Заготовку
приближают к форме поковки в предварительных (подготовительных) ручьях и
оформляют затем в окончательных (черновых) ручьях.
Так как силы трения препятствуют заполнению угловых элементов
штампа и приводят к значительному увеличению усилия деформации, то при
штамповке, как правило, применяют смазку. В соответствии с используемым для
деформации оборудованием выделяют три основных разновидности штамповки:
штамповку на молотах; штамповку на прессах (кривошипных горячештамповочных,
гидравлических, винтовых); штамповку на горизонтально-ковочных машинах [2].
Формоизменение характеризуют с помощью трех основных видов
штамповки: штамповки в открытых штампах; штамповки в закрытых штампах и
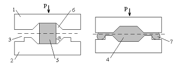
штамповки выдавливанием. На рис.1 представлена схемы штамповки в открытых
штампах.
Верхняя половина штампа 1 перемещается под действием усилия Р
и давит на торцевые поверхности заготовки 5. Металл при этом деформируется в
ручьях 6-го штампа, образованного верхней 1 и нижней 2 половинами, и, заполняя
его, вытекает в заусенечную канавку 3. Сформированная таким образом поковка 4
имеет по периметру заусенец (облой) 7. Для извлечения поковки из штампа служат
штамповочные уклоны α, величина которых
составляет 5-10°.
Рис. 1 схема штамповки в открытых штампах: 1 - верхняя половина
штампа, 2 - нижняя половина штампа, 3 - заусенечная канавка, 4 - поковка, 5 -
заготовка, 6 - деформирующий ручей штампа, 7 - заусенечный облой.
а б в г
Рис. 2. Три основные стадии течения металла: а - свободная
осадка, б - заполнение рабочего пространства штампа, в - выдавливание заусенца
в облойную канавку, г - зависимость усилия штамповки от перемещения молота
штампа.
Схема штамповки в открытых штампах осесимметричной, поковки,
имеющей плоскость симметрии (рис. 3). Обычно процесс штамповки состоит из двух
этапов: одновременного деформирования ступицы и дисковой части поковки и
выдавливания заусенца. Рассмотрим формоизменение металла на первом этапе.
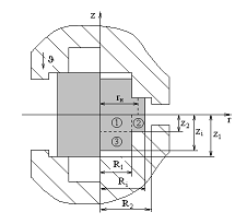
Рис. 3 Схема штамповки в открытых штампах осесимметричной
поковки.
Положение свободных поверхностей будем определять по среднему
внешнему диаметру 2Ri и средней высоте ступицы 2zi. Штамповку
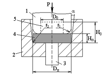
в закрытых штампах (безоблойную штамповку) применяют для получения поковок
несложной формы с небольшой разницей в размерах сечений. Заготовка 5 диаметром
D0 и высотой H0 помещается в штамп, основными частями
которого являются пуансон 1, матрица 2 и выталкиватель 3 (рис.4). При
перемещении пуансона происходит последовательное осаживание заготовки и
заполнение полости штампа с образованием поковки заданных размеров и формы. При
этом инструмент не обеспечивает свободного удаления цилиндрической поковки 4 из
ручья штампа. Для удаления поковки из полости штампа применяют штамповочные
уклоны α и выталкиватель 3. Для горизонтально-ковочных машин штамп может
быть выполнен разъемным и состоять из трех частей (пуансон и разъемная
матрица). Практически некоторая часть металла затекает в зазоры между
разъемными частями закрытого штампа, образуя незначительный заусенец. Объем
последнего зависит от колебаний объема заготовки и износа штампа.
Большой объем заготовки из-за отсутствия возможности
фиксировать момент заполнения ручьев (окончание процесса штамповки) приводит к
распору штампа, что отрицательно сказывается на его долговечности. Поэтому
основным соотношением, принятым для технологических расчетов при штамповке в
закрытых штампах.
Рис. 4. Штамповка в закрытых штампах: 1 - пуансон, 2 -
матрица, 3 - выталкиватель, 4 - цилиндрическая поковка, 5 - заготовка.
Штамповка в закрытых штампах характеризуется значительной
экономией металла, отсутствием дополнительной операции обрезки облоя,
благоприятной схемой всестороннего сжатия, меньшей величиной уклонов (α =1-3°), чем при открытой штамповке. Особенно эффективна схема
штамповки в закрытых штампах для малопластичных сплавов, так как боковой подпор
стенок полости штампа значительно повышает гидростатическое давление, в
результате чего пластичность металла возрастает. Кроме того, макроструктура
поковок характеризуется тем, что волокна металла получают очертания контура
поковки и не перерезаны.
Основным недостатком способа штамповки в закрытых штампах
являются его неуниверсальность. Например, круглый контур поковки при штамповке
в закрытых ручьях неприемлем из-за нетехнологичности конструкции инструмента,
что характеризуется низкой стойкостью кромок штампа. Существенно снижают область
применения закрытых штампов ограниченность рациональных форм штампуемых поковок
и необходимость точной дозировки металла, кроме того, точность поковки по
высоте ниже, чем при штамповке в открытом штампе. Во избежание перегрузки
штампов и оборудования при нарушении условия равенства объемов заготовки и
поковки применяют компенсаторы. Это специальный приемник излишков металла,
расположенный в месте наиболее трудного заполнения металлом штампа, в который
выдавливается лишний металл после оформления поковки. В отдельных случаях
компенсатор выполняет те же функции, что и заусенечная канавка, при этом металл
тормозится при выходе из полости штампа, обеспечивая заполнение всех его углов,
и в то же время излишки металла поступают в компенсатор, не создавая перегрузки
инструмента и оборудования. Так как при закрытой штамповке не предусматривается
заусенец и реализуются только 2 стадии формоизменения (осадка и заполнение
штампа), то усилие при всех других одинаковых параметрах всегда меньше усилия
штамповки в открытых штампах. Штамповка выдавливанием устраняет один из
недостатков закрытой штамповки - необходимость точной дозировки металла за счет
конструктивно нового решения формы штампа (рис. 5). Поковка в таком штампе
состоит из двух основных частей: корпуса и стержневой части, а штамп выполнен
закрытым с двумя плоскостями разъема, причем имеется основная полость штампа,
характеризующаяся диаметром D (рис. 5, а), и полость выдавливания диаметром d.
В качестве разновидностей данного процесса выделяют прямое, обратное, комбинированное
и боковое выдавливание, отличающиеся направлением перемещения металла
относительно направления перемещения инструмента.
При штамповке выдавливанием можно выделить несколько
преимуществ. Одно из них - это возможность получения поковок из малопластичных
сплавов с точными размерами и качественной поверхностью, пластическая
деформация которых облегчается в условиях всестороннего неравномерного сжатия.
Вторым достоинством является возможность выдавливания в стержневую часть
поковки излишка металла и его последующее удаление. Таким образом, при
штамповке выдавливанием по сравнению с закрытой штамповкой нет необходимости в
точной дозировке объема металла. Процесс штамповки характеризуется уменьшением
металла в основной полости инструмента, высоким качеством поковок, а также
отсутствием отхода металла в заусенец.
а б
Рис.5. Штамповка в закрытых штампах выдавливанием
Наиболее важными недостатками процесса являются высокие
удельные усилия деформации и как следствие относительно низкая стойкость
инструмента, ограниченность форм поковок, сложная конструкция рабочего
инструмента. Течение металла при штамповке выдавливанием
осуществляется в три стадии: осадка до момента соприкосновения с боковыми
стенками оси полости штампа; заполнение основной полости штампа; формирование
поковки в полости выдавливания. Особенностью диаграммы усилия (рис. 5, б)
является некоторое снижение усилия выдавливания к концу второй стадии течения
металла из-за уменьшения сил трения по контакту в основной полости штампа [1].
2.
Оборудование
Оборудование для горячей объемной штамповки молоты
штамповочные, горячештамповочные кривошипные прессы, горизонтально-ковочные
машины. Процессы штамповки на этих машинах имеют свои особенности, обусловленные
устройством и принципом их действия.
2.1
Высокоскоростные молоты
Штамповкой на высокоскоростных молотах (ВСМ) получают поковки
различных конфигураций с тонкими ребрами, стенками, полотнами, чётким
оформлением торцевого рельефа, в ряде случаев без обработки части поверхностей
на металлорежущих станках.
Шероховатость поверхностей поковок из алюминиевых сплавов до
Ra 0,8, из титановых сплавов и сталей Rz 20. Классификация штамповочных поковок
ВСМ включает следующие типы: стержни с утолщением (лопатки, клапаны); стержни с
глухой полостью (стаканы, полусферы, крышки); диски (гладкие, со ступицей, с
валом); детали с продольным и торцовым оребрением (стержни, стаканы,
крыльчатки, шестерни с оформлением зубчатого контура); рычаги, кронштейны,
фитинги, корпуса, угольники и др.
На рис.6 показан общий вид высокоскоростного штамповочного
молота модель М7348 с энергией удара 63 кДж (6300 кгс∙м).
Технологические особенности серийно выпускаемых ВСМ: наличие
нижнего выталкивателя; минимальная скорость удара 6 м/с; минимальный рабочий
ход при наибольшей энергии удара 160 кДж в пределах 3-5 мм; отклонение величины
энергии последовательных ударов составляет не более 2-5 % от номинального
значения; рабочие циклы составляют 5-15с.
Высокоскоростная штамповка, как правило, одноударная, но при
обработке заготовок большой массы возможна штамповка и за два - три удара.
Целесообразность получения поковки штамповкой на ВСМ решают исходя из анализа
конфигурации и размеров изготовляемой детали.
Рис. 6. Штамповый молот (мод. М7348): 1 - амортизаторы, 2 -
сварная станина, 3 - баба, 4 - пульт управления
2.2
Горизонтально-ковочные машины
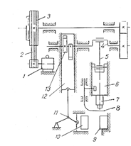
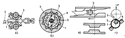
Горизонтально ковочные машины (ГКМ)
изготовляют с усилием по ползуну до 3150 тс. Кинематическая схема этой машины
изображена на (рис. 7).
Рис. 7. Кинематическая схема
горизонтальноковочной машины: 1 - мотор, 2 - клиноремённая передача, 3 -
маховик, 4 - кривошипный вал, 5 - шатун, 6 - главный ползун, 7 - несущий
пуансон, 9 - неподвижная матрица, 10 - подвижная матрица, 11 - системные
рычаги, 12 - боковой ползун, 13 - кулачки.
Горизонтально ковочная машина представляет
собой горизонтальный кривошипный пресс, который дополняется боковым механизмом,
получающим движение от кулачков 13. Главный ползун 6 машины, несущий пуансон 7,
приводится движение от кривошипного вала 4 через шатун 5. Движение подвижной
щеки вместе с подвижной матрицей 10 осуществляется от бокового ползуна 12
системой рычагов 11. Сам боковой ползун приводится в движение с помощью
кулачков 13, сидящих на кривошипном валу 4. Движение на привод передает мотор 1
через клиноременную передачу 2 и маховик 3.
Штампы горизонтально-ковочных машин
состоят не из двух частей, а из трех: неподвижной матрицы 9, подвижной 10 и
пуансона 7, раскрывающихся в двух взаимно перпендикулярных плоскостях, что
позволяет штамповать сложные поковки. Матрицы 9 и 10 имеют вертикальную
плоскость разъема. Главный ползун 6 и боковой 12 горизонтально-ковочной машины
в отличие от кривошипных пресс осуществляют движение в горизонтальном
направлении.
В настоящее время применяются
горизонтально-ковочные машины (небольших размеров) с горизонтальной плоскостью
разъема (подвижная матрица вверху), этим облегчается возможность автоматизации
технологического процесса.
Штамповка на горизонтальноковочных машинах
характеризуется высокой производительностью, возможностью изготовлять поковки
сложной конфигурации без напусков; малыми отходами металла точностью размеров и
чистотой поверхности и удобством работы.
Вне зависимости от формы полости
инструмента высадить на любой диаметр за один переход, выступающий из зажимной
части матрицы конец прутка можно лишь в том случае, когда длина этого конца не
превышает трех диаметров его. При большей длине возможен изгиб заготовки, а поэтому
деформирование в этих случаях осуществляется в специальных наборных ручьях. При
наборе материала в матрицах диаметр полости не должен превышать 1,5 диаметра
высаживаемого прутка.
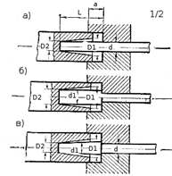
Набор материала в пуансоне (рис. 8, а)
осуществляется чаще в конических полостях. Максимальный диаметр конуса D1 не
должен превышать 1,5 диаметров исходного прутка d, если D1 = l,5d,
то размер, а не должен превышать 2d, если D1<l,25d, то размер, а
может быть увеличен до 3 d. При последующих высадках под диаметром d следует
подразумевать средний диаметр конуса d1, полученного в предыдущем ручье (рис.
8, в), или диаметр прутка d1 (рис. 8, б), высаженного на предыдущем переходе.
Рис. 8. Ручьи штампа ГКМ с набором металла
в пуансоне.
Максимальная длина выживаемой части прутка
не должна превышать 12 ее диаметров. Необходимое усилие Р, для штамповки на ГКМ
определяют по формуле:
= cFσпч
где F - площадь проекции поковки на
плоскость, перпендикулярную к направлению движения ползуна; σпч - предел прочности металла при температуре штамповки; с -
коэффициент, зависящий от конфигурации поковки; для грубых расчетов его можно
принять равным 4.
При работе одновременно во всех ручьях
штампа значение F - площадь проекции переходов поковки в формуле Р = cFσпч следует заменять на плоскость, перпендикулярную направлению
движения ползуна.
Понятие о конструкции штампов для этих
машин и о ходе работы штампа дает (рис. 9).
Заготовкой является цилиндрический пруток,
который после нагрева закладывается в ручей 1 штампа и, будучи зажатым
матрицами, деформируется верхним пуансоном. Деформированию подвержена часть
заготовки, которая выступает из зажимной части ручья. В первом ручье производят
набор материала вследствие того, что длина высаживаемой части более трех ее
диаметров, и получают усеченный конус А. Полученный в ручье 1 полуфабрикат
переносится в ручей 2, после деформирования, в котором поковка получает вид В;
в этом ручье, в отличие от ручья 1, где набор металла происходит в полости
матрицы, формующая полость находится и в матрице, и в пуансоне. В ручье 2
поковки оформлена по наружному контуру с наметкой отверстия. В ручье 3
происходит прошивка отверстия, диаметром пуансона равным диаметру прутка, после
чего получается готовая деталь С. Прошивка осуществляется нижним пуансоном с
помощью прошивной вставки 4, закрепленной в матрице. Благодаря, прошивки деталь
отделяется от прутка.
Рис. 9. Штамп ГКМ для получения поковки с
отверстием: 1 - ручей для получения полуфабриката, 2 - ручей для оформления
наружного контура, 3 - ручей для прошивки отверстия, 4 - прошивная вставка.
Правая матрица штампа крепится к станине
машины, а левая матрица к подвижной щеке машины при помощи накладок. Пуансоны
прикрепляют к ползуну с помощью пуансонодержателей или переходных державок.
Если техническими условиями на изготовление поковки не
допускается смещение половин утолщения и овальности наружного диаметра поковки,
то штамповку нужно производить в пуансоне. В этом случае наружная поверхность
утолщения поковки оформляется боковыми стенками пуансона и не имеет дефектов.
Поковка, отштампованная в пуансоне, может иметь меньшие припуски и допуски,
следовательно, является более точной. Для такой штамповки проще наладить
штампы. Там, где возможно, этому способу штамповки следует отдать предпочтение.
2.2.1 Пресс
однокривошипный горячештамповочный КБ8042
Станина пресса КБ8042 - сборносварная, разъемная, состоит из
стоек, верхней траверсы и стола, соединенных между собой стяжными шпильками и
гидрогайками. Привод регулировки положения стола - механический, от
электродвигателя. Для удаления поковок из нижней половины штампа стол оснащен
гидропневматическим выталкивателем. Привод прессов - одноступенчатый. Движение
передается от электродвигателя через клиноременную передачу на эксцентриковый
вал и далее через кривошипно-шатунный механизм на ползун. Муфта включения и
тормоз - фрикционные, дисковые, с электропневматическим управлением и воздушным
охлаждением, смонтированы на ступице станины. Для наладки прессов предусмотрен
микропривод. Ползун - литой, стальной, совершает возвратно-поступательное
движение в регулируемых направляющих станины (нижних и верхних). Ползун уравновешен
пневматическими цилиндрами. Для удаления поковок из верхней половины штампа
ползун оснащен жестким механическим выталкивателем. Управление прессами -
кнопочное. Электросхема предусматривает работу прессов в автоматическом и
наладочном режимах, а также в режиме одиночных ходов. Система смазки -
автоматическая, централизованная, густая [20].
2.3
Ротационные способы изготовления поковок
В основе этих способов лежит процесс ротационного обжатия при
вращении инструмента или заготовки. При обкатывании инструментом заготовки очаг
деформации имеет локальный характер и постоянно перемещается по заготовке,
вследствие чего усилие, действующее на инструмент, меньше чем при штамповке.
Это позволяет изготовлять поковки большой массы (заготовка вагонных осей) с
большой точностью, так как упругие деформации при меньших усилиях меньше.
Штамповка на ковочных вальцах напоминает продольную прокатку,
на двух валках закрепляют секторные штампы, имеющие соответствующие ручьи (рис.
10, а).
Рис. 10. Схемы действия ковочных вальцов (а),
ротационно-ковочной машины (б), станов поперечно-клиновой прокатки (в);
раскатки (г)
Нагретую заготовку 1 подают до упора 2, когда секторные
штампы 3 расходятся. При повороте валков происходит захват заготовки и обжатие
ее по форме полости; одновременно с обжатием заготовка выталкивается в сторону
подачи. На вальцах изготовляют поковки типа звеньев цепей, рычагов, гаечных
ключей и т.п., а также осуществляют фасонирование заготовок. Исходное сечение
заготовки принимают равным максимальному сечению поковки, так как при вальцовке
происходит главным образом протяжка. Штамповка на ротационно-ковочных машинах
подобна операции протяжки и заключается в местном обжатии заготовки по
периметру (рис.10, б). Заготовку 1 в виде прутка или трубы помещают в отверстие
между бойками 5 машины, находящимися в шпинделе 4. Бойки могут свободно
скользить в радиально расположенных пазах шпинделя. При вращении шпинделя
ролики 3, помещенные в обойме 2, толкают бойки 5, которые наносят удары по
заготовке. В исходное положение бойки возвращаются под действием центробежных
сил. В машинах этого типа получают поковки, имеющие форму тел вращения.
Существуют машины, у которых вместо шпинделя с бойками вращается обойма с
роликами; в этом случае для возвратного движения ползунов служат пружины. В
таких машинах получают поковки квадратного, прямоугольного и других сечений.
Поперечно - клиновой прокаткой (рис.10, в) получают заготовки
валов и осей с резкими ступенчатыми переходами диаметром от 12 до 120 мм.
Деформирование может осуществляться инструментом в виде двух валков, валка и
сегмента или двух плоских плит. Плоско-клиновой инструмент наиболее прост и
обеспечивает получение валов сложной конфигурации с высокой точностью.
Заготовка 2 из круглого прокатанного прутка после нагрева автоматически
перемещается в рабочую зону клиньев 1 в их исходном положении. Клиновой
инструмент, закрепленный в подвижной салазке станка, совершает прямолинейное
движение. Заготовка прокатывается между двумя клиновыми плитами.
Раскатка кольцевых заготовок на раскатных станах получила
особенно большое распространение при производстве колец подшипников. Схема
процесса показана на (рис. 10, г). Заготовка 1 представляет собой кольцо с
меньшим диаметром и большей толщиной стенки, чем у поковки. Заготовки получают
штамповкой на молотах или горизонтально-ковочных машинах. При подведении к
заготовке 1, надетой на валок 2, быстро вращающегося валка 3 заготовка и валок
2 начинают вращаться. При дальнейшем сближении валков 2 и 3 увеличивается
наружный диаметр заготовки за счет уменьшения толщины и происходит ее контакт с
направляющим роликом 4, обеспечивающим получение правильной кольцевой формы
поковки. После касания поковкой контрольного ролика 5 раскатка прекращается.
Раскаткой получают поковки колец с поперечными сечениями различной формы
наружным диаметром 70 - 700 мм и шириной 20 - 180 мм.
2.4 Штамповка
жидкого металла
Штамповка жидкого металла является одним из прогрессивных
технологических процессов, позволяющих получать плотные заготовки с
уменьшенными пропусками на механическую обработку, с высокими
физико-механическими и эксплуатационными свойствами.
Технологический процесс штамповки жидкого металла объединяет
в себе процессы литья и горячей объемной штамповки. Процесс заключается в том,
что расплав, залитый в матрицу пресс - формы, уплотняют пуансоном, закрепленным
на ползуне гидравлического пресса, до окончания затвердевания. Сопряжение
пуансона и матрицы образует закрытую фасонную полость. Наружные контуры
заготовки получают разъемной формой, если деталь имеет наружные выступы, или
неразъемной формой - при отсутствии выступов. Внутренние полости образуются
внедрением пуансона в жидкий металл.
После извлечения из пресс-формы заготовку подвергают
различным видам обработки или используют без последующей обработки. Под
действием высокого давления и быстрого охлаждения газы, растворенные в
расплаве, остаются в твердом растворе. Все усадочные пустоты заполняются
незатвердевшим расплавом, в результате чего заготовки получаются плотными, с
мелкокристаллическим строением, что позволяет изготавливать детали, работающие
под гидравлическим давлением.
Этим способом можно получить сложные заготовки с различными
фасонными приливами на наружной поверхности, значительно выходящими за пределы
основных габаритных размеров детали. В заготовках могут быть получены
отверстия, расположенные не только вдоль движения пуансона, но и в
перпендикулярном направлении.
Возможно, запрессовывать в заготовки металлическую и
неметаллическую арматуру. Процесс используется для получения фасонных заготовок
из чистых металлов и сплавов на основе магния, алюминия, меди, цинка, а также
из черных металлов.
На сегодняшний день довольно широко распространены
прессовальные машины литья под воздействием давления. Такие аппараты
преимуществено используются для отливки штамповок на основе жидкого металла.
Устройства для штамповки жидкого металла обладают ступенчатую поверхность,
которая протягивается по всей внутренней поверхности, а так же заливочное окно
в стенке ступени меньшего диаметра. Стоит отметить, что в стенке ступени,
обладающей несколько большим диаметром, обычно изготавливают дополнительное
заливочное окно. Одним из самых крупных недостатков этого устройства является
невозможность следить и управлять процессом отливки. Из-за этого, конечно,
очень трудно предугадать качество конечной детали. Так же эта особенно часто
приводит к тому, что пресс-формы после первой отливки приходится уничтожать
из-за несоответствия чертежам и требованиям. Наиболее качественные изделия,
максимально отвечающие требованиям и исходным чертежам, можно получить на
устройствах, предназначенных для прессования металла под давлением. Такого рода
машины так же обладают ступенчатой поверхностью, покрывающей всю длину формы
внутренней стороны пресс-формы.
Основным недостатком прототипа такого рода является весьма
низкий коэффициент использования дорогостоящей стали (а именно инструментов,
изготовленных из неё). В частности эта проблема довольно сильно касается
процесса изготовления концевого (или хвостового) режущего инструмента. Это
объясняется тем, что хвостовую часть всегда нужно изготавливать только из
пресс-остатка. А он, в свою очередь, практически полностью уходит в стружку,
вместо того, чтобы уйти на переплав. У такого рода машин для штамповки жидкого
металла не предусмотрено наличие вертикального разъёма, что приводит к
образованию рельефной полости, объясняющееся так же неполноценной вентиляцией.
Другим недостатком таких аппаратов является довольно сильная ограниченность
выбора вариантов выполнения формообразующей полости.
Основной целью, преследуемой этим современным изобретением,
является стремление повысить коэффициент полезного действия использования
инструментов, изготовленных из весьма дорогостоящей стали (при изготовлении
хвостового режущего инструмента). Так же новые дополнения предназначены для
того, чтобы устройство для штамповки из жидкого металла получало достаточное
количество кислорода и полноценно вентилировалось [3].
3. Оснастка и
инструменты
Основным типом молотов являются паровоздушные штамповочные
молоты. Их конструкция несколько отличается от ковочных молотов. Стойка станины
устанавливается непосредственно на шаботе. Молоты имеют усиленные регулируемые
направляющие для движения бабы. Масса шабота превышает массу падающих частей в
3 - 30 раз. Все это обеспечивает необходимую точность соударения штампов.
Масса падающих частей составляет 630 - 25000 кг. Используются
молоты бесшаботной конструкции. Шабот заменен подвижной нижней бабой, связанной
с верхней бабой механической или гидравлической связью. Энергия удара
поглощается механизмами молота. При соударении верхней и нижней баб развивается
значительная энергия, что позволяет штамповать поковки в одноручьевых штампах.
Особенностями ГОШ на молотах являются ударный характер деформирующего
воздействия и возможность регулирования хода подвижных частей и величины удара
при одновременном кантовании заготовки, что позволяет более эффективно
производить перераспределение металла. На молотах возможно выполнение всех
заготовительных переходов, в том числе протяжки и подката. Одним из важнейших
видов оборудования, применяемого в металлообработке, является штамповая
оснастка. Штамповка - это сложный процесс пластической деформации металла,
применяемый для придания металлу другой формы и размеров. Штамповка широко
применяется при массовом производстве деталей и осуществляется на специальном
металлообрабатывающем оборудовании (прессах).
Штамповая оснастка - это разнообразные детали и
приспособления, с помощью которых заготовкам придаёт новая форма и размеры. От
качества штамповой оснастки во многом зависит качество выпускаемого товара и
себестоимость металлопродукции.
С помощью разных видов штамповой оснастки можно осуществлять
деформацию металлических, пластмассовых, бумажных заготовок. В промышленности
используются два вида штамповки - листовая и объёмная. Листовая штамповка
применяется при обработке заготовок, у которых одно из измерений очень мало по
сравнению с двумя другими (лист, лента, полоса). Если все измерения заготовки
не имеют существенных отличий друг от друга, то штамповка получается объемной.
В процессе объёмной штамповки на заготовку из сортового металла воздействуют
специальным инструментом - пуансоном. Металл заполняет полость матрицы и
приобретает её размеры и форму. Для операций холодной штамповки традиционно
используют недорогие металлы и сплавы, обладающие гибкостью и пластичностью,
что позволяет значительно уменьшить количество отходов, образующихся при
штамповке.
Оснастка штамповая классифицируется по следующим признакам:
по способу обработки (штампы вырубные, формовочные, чеканочные, гибочные,
вытяжные и прочие); по температурному режиму (штампы для горячей и холодной
штамповки); по размерам; по количеству выполненных операций (штампы
последовательного или комбинированного действия); по функциональности (для
изготовления одного изделия или со сменными частями - для нескольких изделий).
Штамповая оснастка в процессе эксплуатации находится под
действием значительных нагрузок. Эти нагрузки различны по величине и направлению
и зависят от характера работ, для которых предназначен штамп. Так, например,
матрицы вырубных штампов при работе испытывают напряжение на изгиб, на разрыв и
на срез; матрицы штампов ударного выдавливания испытывают напряжения на изгиб и
разрыв, а пуансоны к этим штампам - напряжения на изгиб и сжатие. Выдержать все
эти нагрузки сможет лишь такая деталь штампа, для изготовления которой
правильно выбран материал. Применяется штамповая оснастка разъемной
конструкции, что позволяет обеспечить высокую точность днищ и возможность съема
отштампованного охлажденного днища с формообразующей поверхности пуансона.
Применение штамповой оснастки стало зависимым главным образом от стоимости
сменной вставки, необходимой для изготовления той или иной мелкой серии заготовок,
что же касается стоимости универсального блока, то она должна быть отнесена к
сумме всех деталей одного и того же технологического ряда. Достоинством данной
штамповой оснастки также является его штампосварное исполнение, что позволяет
увеличить ресурс работы и ремонтопригодность оснастки по сравнению с литой
конструкцией.
Стоимость обычной штамповой оснастки для горячей штамповки
составляет 15-30 % себестоимости штамповок, изготовленных в условиях
крупносерийного производства. Парк штамповой оснастки современных штамповочных
цехов оптико-механической промышленности достигает 7 - 10 тыс. единиц, а
стоимость такого количества штампов составляет несколько миллионов рублей,
иногда превышая стоимость основного оборудования штамповочного цеха. Поэтому
необходимо так организовать систему штампового хозяйства, чтобы можно было в
надлежащем порядке и работоспособном состоянии хранить огромное количество
штампов, вести их учет и расчет оборотного фонда, правильную эксплуатацию,
ремонт и технический надзор.
3.1 Матрицы
для горячей объемной штамповки
В горячей объёмной штамповке используются молоты бесшаботной
конструкции. Шабот заменен подвижной нижней бабой, связанной с верхней бабой
механической или гидравлической связью. Энергия удара поглощается механизмами
молота. При соударении верхней и нижней баб развивается значительная энергия,
что позволяет штамповать поковки в одноручьевых штампах. Особенностями ГОШ на
молотах являются ударный характер деформирующего воздействия и возможность
регулирования хода подвижных частей и величины удара при одновременном
кантовании заготовки, что позволяет более эффективно производить
перераспределение металла. На молотах возможно выполнение всех заготовительных
переходов, в том числе протяжки и подката. Верхняя часть штампа заполняется
лучше. Части штампа при штамповке на молоте должны смыкаться. При штамповке в
открытых штампах облойная канавка имеет вид, представленный на (рис. 11).
Рис. 11. Виды облойной канавки при штамповке на молотах: а -
облойная канавка, б - клиновая облойная канавка.
Размеры облойной канавки (рис.11, а) назначаются в зависимости от
сложности поковки и ее размеров в плане. Клиновая облойная канавка (рис. 11, б)
позволяет снизить потери на облой в результате повышения сопротивления течению
металла.
При закрытой штамповке на молотах применяются штампы с одним и
двумя замками. Конструкции штампов представлены на (рис.12).
Штампы с одним замком используются чаще, так как они проще в
изготовлении. Но они требуют точной наладки и хорошего состояния оборудования.
Второй замок (больший конус) предохраняет первый замок и упрощает наладку
штампа, но при этом увеличиваются его размеры и масса [4].
Рис. 12. Конструкции закрытых молотовых штампов: а - с одним
замком; б - с двумя замками
Припуски на обработку поковок резанием
назначают по ГОСТ 7505-89 "Поковки стальные штампованные". Допуски на
размеры между обрабатываемыми поверхностями назначают по первому классу
точности. В отдельных случаях допуски могут быть расширены.
Допуски на размеры между поверхностями, выполняемыми без
последующей обработки резанием, назначают 0,2-0,3 мм. Напуски уменьшают за счет
уменьшения штамповочных уклонов, а также более детального оформления торцового
рельефа.
Для высоких, формуемых выдавливанием поковок желательно на
части высоты поковки назначить уклон 0,5°. Для отштампованной поковки в нижнем
штампе выполняют поднутрение в виде кольцевой выточки глубиной 0,3 - 0,5 мм и
высотой 2 - 3 мм или обратный уклон 0,5 - 1°. Глубину полости в верхнем штампе
делают на 20 - 30 % меньше, чем в нижнем, а штамповочные уклоны поковки для ее
верхней половины назначают: наружные 1,5 - 3°, внутренние 5 - 7°; для нижней -
наружные 0 - 1°, внутренние 3 - 5°.
3.2 Матрицы
для горячей объемной штамповки на прессах
Наиболее часто используются кривошипные горячештамповочные
прессы. Выбор пресса осуществляется по номинальному усилию, которое составляет
6,7 - 100 МН.
К особенностям конструкции пресса следует отнести жесткий
привод, не позволяющий изменять ход ползуна, отсутствие ударных нагрузок.
Жесткий привод не позволяет производить переходы, требующие
постепенно возрастающего обжатия с кантованием, (протяжка, подкат). Для
фасонирования заготовки могут быть использованы заготовительные ручьи:
пережимной, гибочный. Поэтому при штамповке на прессах сложных заготовок,
имеющих удлиненную форму в плане (шатуны, турбинные лопатки), фасонирование
осуществляется ковочными вальцами, свободной ковкой, высадкой на
горизонтально-ковочных машинах.
Отсутствие ударных нагрузок позволяет не применять массивные
шаботы, использовать сборную конструкцию штампов (блок-штампы).
При открытой штамповке на прессах части штампа не должны
смыкаться на величину, равную толщине облоя. Полость штампа выполняется
открытой и облойная канавка имеет вид, показанный на (рис.13).
Рис. 13. Вид облойной канавки при штамповке на прессах
Для закрытой штамповки используются штампы двух видов: с
цельной матрицей, для изготовления поковок типа тел вращения, усилие распора в
них воспринимается матрицей и не передается ползуну пресса; с разъемной
матрицей, для легкого извлечения из полости штампа поковок, что позволяет
значительно уменьшить штамповочные уклоны.
Поковки, полученные на прессах, характеризуются высокой
точностью, которая достигается за счет снижения припусков на механическую
обработку (в среднем на 20 - 30 % по сравнению с поковками, полученными на
молотах) и допускаемых отклонений на номинальные размеры, снижения штамповочных
уклонов в два - три раза. Наличие постоянного хода приводит к большей точности
поковок по высоте, а жесткость конструкции пресса делает возможным применение
направляющих колонок в штампах, что исключает сдвиг.
Производительность труда повышается в среднем в 1,4 раза за
счет однократности и повышения мощности деформирующих воздействий. В результате
себестоимость поковок снижается на 10 - 30%. Как показывают исследования, штамповка
на прессах может быть экономически выгодной даже при загрузке оборудования на
35 - 45%. При штамповке на прессах деформация глубже проникает в заготовку, что
позволяет штамповать малопластичные материалы, применять штампы с разъемной
матрицей с боковым течением металла.
Процессу штамповки на прессах присущи недостатки: окалина
вдавливается в тело поковки, для предотвращения этого необходимо проводить
малоокислительный или безокислительный нагрев или полную очистку заготовки от
окалины; из-за невысокой скорости деформирования время контакта металла с
инструментом больше, чем на молотах, поэтому имеет место переохлаждение
поверхности заготовки, что приводит к худшему заполнению полости штампа.
Условия эксплуатации штампов для объемной
штамповки, в особенности для горячего деформирования, очень тяжелые. Штампы
подвергаются многократному воздействию высоких температур и значительных
нагрузок. Интенсивное течение металла в процессе формообразования поковки
вызывает истирание (абразивный износ) поверхности ручья. Штампы для горячего
деформирования в течение каждого цикла штамповки испытывают резкие колебания
температуры, особенно при использовании смазочно-охлаждающих жидкостей, что
приводит к образованию на поверхности ручья разгарных трещин,
Штамповые стали должны обладать высокими
механическими свойствами, сочетая прочность с ударной вязкостью,
износостойкостью, разгаростойкостью, и сохранять эти свойства при повышенных
температурах. Материалы штампов должны хорошо прокаливаться (при термической
обработке), обрабатываться резанием и быть сравнительно дешевыми.
Выбор стали для штампа определяется
условиями его эксплуатации (горячая или холодная штамповка, динамический или
статический характер нагружения, способ смазки и охлаждения, величина удельных
усилий штамповки, зависящая от сложности поковки и ее материала, схемы
напряженного состояния в очаге деформации), габаритами штампа или вставки,
серийностью производства и др. Поэтому для изготовления штампов применяют
разнообразные по химическому составу и свойствам марки сталей. Однако их число
стремятся свести на заводах к целесообразному минимуму, что облегчает заказ и
получение штамповых материалов, изготовление штампов и их эксплуатацию [4].
3.3 Марки
штамповых сталей
Марки штамповых сталей и химический состав
регламентируются ГОСТ 5950-73 "Прутки и полосы из инструментальной
легированной стали. Технические условия".
Для изготовления молотовых и прессовых
штампов получили распространение стали 5ХНМ, 5ХНВ, 5ХНВС.5XНГМ. Полноценным
заменителем дефицитных хромоникелевых сталей 5ХНВ и 5ХНМ является безникелевая
сталь 4ХСМФ. Дешевыми сталями для высадочных штампов являются марки 4ХВ2С,
5ХВ2С, 7X3, 8X3.
При штамповке труднодеформируемых сплавов
применяют высоколегированные стали 4ХЗВМФ, 4Х5В2ФС, 4Х5МФС, 4Х4ВМФС, 6ХЗВЗМФС,
5Х2ВМНФ и др. Эти же стали целесообразно применять для изготовления
высоконагруженных детали штампов при выездке и выдавливании на ГКМ, ГШКП,
горячевысадочных автоматах, высокоскоростных машинах.
Для повышения износостойкости и
теплостойкости штамповых вставок, пуансонов и матриц широко применяют
химико-термическую обработку поверхности ручья. Например, очень эффективно
азотирование сравнительно небольших по габаритам вставок штампов ГШКП. Рабочие
элементы обрезных штампов изготовляют из хромистых сталей типа 7X3, 6X3. Реже
применяют стали 5ХНВ, 5ХГМ1, 4ХВ2С. Часто режущие кромки деталей штампа,
выполненных из стали 45, наплавляют твердым сплавом.
Блоки для молотовых вставок, матриц для
высадки изготовляю из сталей 40ХЛ, 40Л. При жидкой штамповке для инструмента
используют стали 4Х5В2ФС, 4Х5ЭДФС, ЗХ2В8Ф; для изотермической штамповки
титановых сплавов и сталей применяют жаропрочные сплавы на никелевой основе
типа ЖС6К, ЖС6У, керамические и металлокерамические сплавы, сплавы на основе
молибдена.
Весьма перспективно при горячей объемной
штамповке применение литых штампов, изготовляемых вместе с ручьями. Для литых
штампов используют стали, в основном, подобные по составу сталям для ковочных
штампов. Применение литых штампов повышает стойкость инструмента, снижает
трудоемкость изготовления штамповой оснастки, позволяет более экономно
расходовать стали за счет многократного переплава изношенного штампа и др.
Детали штампов для холодного объемного деформирования
изготовляют из высокоуглеродистых (У10А), среднелегированных (9ХС, ХВГ) и
высоколегированных (Х12М, Х12Ф1, Х6ВФ, Р18 и др.) сталей. Стали У10А, 9ХС, ХВГ
обладают сравнительно невысокой прочностью, поэтому их используют в основном
для малонагруженных элементов штампа (выталкивателей, опорных прокладок и
т.п.). Высоколегированные стали после термической обработки приобретают высокие
показатели твердости, прочности и вязкости [5].
4. Режимы
работы
Технологический процесс изготовления штампованной поковки
состоит в общем случае из следующих основных операций: разделки проката на
мерные заготовки, нагрева, штамповки, обрезки заусенца, термической обработки,
чистки от окалины, правки, калибровки. Проектирование технологического процесса
штамповки включает выбор способа штамповки, составление чертежа поковки, выбор
перехода штамповки, определение мощности штамповочного оборудования (массу
подающих частей молота или усилий пресса), конструирование штампов, выбор
способа и разработку режимов нагрева, определение видов отделочных операций и
техника - экономического процесса.
Чертеж поковки составляют по чертежу детали в
последовательности: выбирают поверхность разъема штампов, то есть решают вопрос
о том, какая часть поковки будет находиться в верхней или нижней части штампа
по ГОСТ 7505-89 "Допуски, припуски и кузнечные напуски" назначают
припуски, штамповочные уклоны, допуски, напуски, радиусы закруглений; указывают
основные технические условия на поковку.
Нагрев при штамповке. Температурный интервал и типы
нагревательных устройств. Способность металлов и сплавов подвергаться различным
видам обработки давлением характеризуется пластичностью и сопротивлением
деформации. Для увеличения ковкости, то есть повышения пластичности и снижения
сопротивления деформирования, обычно повышают температуру металла.
Температура нагрева для разных металлов различна. Эта
температура имеет нижний и верхний пределы, между которыми находится
температурный интервал штамповки, то есть область температур, при которых
целесообразно проводить горячую штамповку.
Металл поковок хорошего качества получают при определенных
температурах. При этом нижний предел определяется температурой фазовых
превращений.
Температурный интервал объемной горячей штамповки зависит в
основном от химического состава металла и от других свойств, определяемых этим
составом. Температурный интервал обусловливается комплексом испытаний.
Для определения оптимального температурного интервала
рассматривают изменение механических характеристик в зависимости от
температуры. Реальный металл представляет собой скопление зерен - кристаллов
разнообразных размеров, форм и направлений кристаллографических осей. Подобное
строение называется поликристаллическим. Металлы и сплавы в нормальных условиях
имеют кристаллическое строение. Горячая деформация поликристалла происходит в
том случае, когда металл получает полностью или частично рекристаллизованную
структуру. Рекристаллизация снимает упрочнение и исключает искажение форм зерен
Однако при температурах, близких к пережогу, наблюдается
большой рост зерна и образование крупнозернистого строения металла - перегрев
металла. Из крупнозернистого строения всегда можно получить мелкозернистое. Это
приводит к крупнозернистому менее качественному строению металла поковки.
Поэтому необходимо устанавливать верхнюю границу температурного интервала
штамповки ниже температуры, при которой интенсивно растет зерно.
При температурах выше 1470°С и вблизи температуры плавления
находится зона хрупкости металла - зона пережога. При пережоге кислород
диффундирует внутрь металла, и окисляет границы зерен, которые при этом
оплавляются, так как окислы железа имеют меньшую температуру плавления, чем сам
металл. Штамповка при пережоге не возможна. Таким образом, верхняя граница
температурного интервала не должна находиться ниже зоны пережога.
При температурах 750-800°C сопротивление деформированию
остаётся относительно постоянным, а пластичность уменьшается. Это объясняется
фазовыми превращениями, происходящими в металле. Наиболее пластичной структурой
является структура аустенита. При наличии двухфазной структуры пластичность
снижается. Низкоуглеродистые и углеродистые стали при температурах 1100-1200°С
имеют чисто аустенитную структуру. Исходя из однофазности структуры и
повышенной пластичности, температуру 1200°С можно принять за верхний предел
температурного интервала деформации для углеродистых сталей. У
высокоуглеродистой стали при 1100°С структура двухфазная: аустенит и цементит,
последний образует хрупкую сетку по границам зерен. Для пластичности стали
цементитную сетку надо раздробить с тем, чтобы цементит образовал отдельные
зёрна в металле поковки. При этом твёрдость и прочность металлов останутся
высокими.
Верхний предел температур деформации, для высокоуглеродистой
стали, целесообразно принять за 1100°С, а давление должно производится
осторожно с учетом того, что пластичность снижена из-за наличия двухфазной
структуры.
Нижний предел температур деформации должен находиться выше
температур фазовых превращений. При установлении нижнего предела температур
штамповки необходимо учитывать массу поковки, наличие или отсутствие
последующей термообработки, способ охлаждения и т.д. Так при большой массе
поковки и высокой температуре окончания процесса штамповки, поковка остывает
медленно, и размельченное деформацией может вновь, вырасти. При малой массе
поковки, до 100 кг, температура конца штамповки может быть более высокой, но
из-за быстрого охлаждения, зерно не успевает вырасти и остается измельченным.
Штамповка сталей при температурах ниже 723°С приводит к
упрочнению. У некоторых металлов и сплавов нет фазовых превращений. В этом
случае нижний предел температур определяется именно упрочнением.
Данные о температурном интервале штамповки можно найти в
соответствующих справочниках. В цехах горячей объёмной штамповки применяют
полуметодические печи и печи с вращающимся подом, представляющие собой
разновидность полуметодических печей. Кроме пламенных печей, для нагрева
небольших заготовок из черных и цветных металлов и сплавов применяют
электропечи сопротивления. При нагреве в этих печах угар значительно меньше, чем
в пламенных. Температура в электропечах поддерживается автоматически в
соответствии с заданным режимом.
В электронагревательных устройствах теплота выделяется
непосредственно в заготовке. Широкое распространение в промышленности нашли
установки для индукционного нагрева и контактного нагрева сопротивлением. В
электронагревательных устройствах скорость нагрева заготовок в 8-10 раз больше,
а угар металла в 4-5 раз меньше, чем при печном нагреве. Практическое
отсутствие окалины на заготовке уменьшает износ штампов и позволяет штамповать
точные поковки. Эти установки в ряде случаев наиболее выгодно применять для
нагрева заготовок под горячую объемную штамповку. Электронагрев улучшает
санитарно - гигиенические условия труда благодаря отсутствию излучения и газообразования.
Установка для индукционного нагрева имеет индуктор в виде
витков медной трубки, по которой циркулирует вода для охлаждения и генератор
для получения токов высокой или промышленной частоты. При пропускании
переменного тока через индуктор вокруг его витков возникает переменное поле
индукции. При установке в индуктор заготовки, в последней, возбуждаются
вихревые токи разогревающие ее.
Форма и размеры заготовок влияют на нагрев: чем меньше длина,
тем быстрее нагрев. При длине заготовки большей трем диаметрам заготовки на
скорость нагрева дальнейшее изменение длины не влияет.
Чем больше нагреваемая поверхность заготовки, тем больше
теплоты перейдет в заготовку и тем быстрее протекает нагрев. Чем больше размеры
заготовки, тем больше время нагрева вследствие того, что площадь поверхности,
приходящаяся на единицу объёма нагреваемой заготовки, будет меньше.
Теплопроводность, теплоемкость и плотность заготовки влияют на нагрев. Чем
больше теплопроводность, тем быстрее отводится теплота с поверхности и передается
внутрь заготовки. Чем меньше теплопроводность, тем больше температурный
градиент в различных сечениях заготовки. Чем больше теплоемкость, тем больше
времени нагрева. Теплоемкость в зависимости от температуры изменяется
незначительно.
Чем больше плотность заготовки, тем больше требуется теплоты
для нагрева единицы объема. При нагреве возникают термические структуры
напряжения, которые могут разрушить металл. Если металл достаточно пластичен,
то в местах наибольших термических напряжений происходит пластическая
деформация без его разрушения.
Чем выше пластичность металла, тем больше скорость нагрева.
Пластичные металлы и сплавы можно нагревать быстро даже при низкой
теплопроводности и большого температурного градиента. Пластичность стали
увеличивается по мере нагрева при температурах свыше 600 - 700°С ее можно
нагревать с большой скоростью.
После нагрева следуют процессы объемной горячей
штамповки (штамповка на горизонтально-ковочных машинах, ротационные способы
изготовления поковок, штамповка жидкого металла).
4.1
Отделочные операции после объемной горячей штамповки
При горячей штамповке в отработанных штампах образуется
радиальный заусенец, который обрезают на специальных обрезных прессах. Обрезной
штамп состоит из трех основных частей: обрезной матрицы, обрезного пуансона и
нижней плиты. Кроме того, штамп может быть снабжен съемником,
пуансонодержателем в матрицу и движением пуансона проталкивают через нее. При
этом срезают заусенец, здесь режущим элементом является матрица, а падающим -
пуансон. Заусенец обрезают в горячую и в холодную. Поковки большой и средней
масс, штампуют на молотах с массой падающих частей больше одной тонны, имеют
относительно толстый заусенец, который целесообразно обрезать в горячем
состоянии, непосредственно после штамповки. Тонкие заусенцы мелких поковок
легко обрезать в холодном состоянии.
Если в поковках есть сквозные отверстия, то при штамповке
выполняют наметки и оставляют пленку. Эту пленку прошивают после штамповки
аналогично тому, как обрезают заусенец (на тех же обрезных прессах). Толщина
пленки значительно больше толщены заусенца, поэтому прошивают обычно в горячем
состоянии.
Для обрезания заусенец и прошивки отверстий в поковках,
применяют кривошипные обрезные прессы для особо крупных поковок -
гидравлические прессы усилием более 1600 тс. Они представляют представляют
собой вертикальные однокривошипные двухстоечные прессы.
Производительность на обрезном прессе должна соответствовать
производительности штамповки на основной штамповочной машине.
Калибровка поковок, есть разновидность обработки давлением,
при которой за счет небольшого обжатия отдельных участков или всей поковки
повышают точность ее размеров. При калибровке улучшаются качество поковки и
точность поковок по массе. Калибровка в отдельных случаях может заменить
обработку резаньем.
Правкой поковок называют разновидность обработки металлов
давлением, с помощью которой исправляют искривления поковок. Правят в горячем и
холодном состояниях. Чаще используют холодную правку.
Горячую правку сложных поковок или поковок, имеющих
отверстие, выполняют на специальных правочных штампах. Правочный штамп
одноручьевой.
Холодная правка - производительный и экономичный процесс,
поэтому, где возможна холодная правка, надо избегать горячей. Холодную правку
проводят после термообработки и очистки поковок от окалины. В холодную правят в
основном сложные поковки небольших и средних масс.
Крупногабаритные удлиненные поковки правят гибкой на
подкладках обычно на гидравлических, одностоичных прессах. Конструкции
правочных штампов различны. Фрикционные молоты с доской являются основным
оборудованием для холодной правки. После штамповки на поверхностях стальных
поковок остается окалина, которая затрудняет последующую обработку резанием и
ухудшает их качество. Поковки очищают от окалины после обрезки заусенца,
прошивки отверстий и термообработки. Существует несколько способов очистки:
травлением, галтовка и дробометная очистка. Травление состоит в окунании
поковок в раствор определенного состава на 15 минут. Таким способом очищают от
окалины крупногабаритные поковки сложных форм.
Галтовкой очищают от окалины поковки небольших и средних масс
простых форм типа валиков или шестерен без отверстий. В барабан, вращающийся
вокруг своей горизонтальной оси, загружают поковки одновременно с шарами и чугунными
звездочками. При вращении поковки, шары и звездочки ударяются друг о друга и
окалина отскакивает.
Дробометной очисткой очищают окалины мелко - и
среднегабаритные поковки сложных форм. Очистка состоит в нагнетании с большой
скоростью из сопла чугунной дроби на очищаемые поверхности поковок. При ударе
дроби о поверхность поковки окалина сбивается [2].
4.2 Смазочные
материалы для штампов
Для холодной объемной штамповки и высадки стальных деталей на
автоматах наиболее эффективно и часто применяют фосфатирование с последующим
омыливанием. Однако фосфатирование имеет ряд недостатков (сложность и
токсичность процессов, загрязнение полостей штампа, невозможность
фосфатирования заготовок из лигированных сталей и сплавов и т.д.),
следовательно, следует использовать жидкие технологические смазки.
При горячей штамповке смазка штампов
должна снижать трение и, кроме того, быть бездымной, не терять смазочных
свойств при разогреве штампа, гарантировать высокую чистоту поверхности
поковок, предотвращать налипание металла на инструмент и обеспечивать его
высокую стойкость. Качество смазки оценивается с учетом "кроющей"
способности, негорючести, недефицитности, невысокой стоимости, простоты
нанесения и т.п.
Под эффективностью смазки обычно
подразумевается уменьшение работы деформации при изготовлении поковок, а также
возможность применения меньших штамповочных уклонов и уменьшение износа
штампов. Однако применение смазки может обеспечить также уменьшение угара
металла, в частности, если смазку наносят непосредственно на заготовку. Смазку
можно использовать и как теплоизолятор, предотвращающий вредный чрезмерный
разогрев штампов. При пульверизационной подаче смазки одновременно возможно
удаление из ручья окалины (вместо обдувки штампа).
В табл.1 приведены составы смазок, применяемые
в кузнечно-штамповочных цехах. Мазут и древесные опилки не рекомендуются
вследствие выделения ими при сгорании большого количества дыма, в этом
отношении хорошо себя зарекомендовали солевые смазки.
Водную суспензию графита применяют для
покрытия обезжиренных поверхностей штампов, нагретых до 100-150°С. Вода быстро
испаряется и на поверхности штампа остается плотный и равномерный слой
мелкодисперсного графита, который после полирования надолго остается в ручье.
Через 1-2 ч работы его возобновляют. В ряде случаев стойкость штампов при этой
смазке удваивается. Получила распространение также суспензия (или коллоид)
графита на масляной основе. Графит применяется и в смазках на основе
эмульсолов. Чистота графита должна быть высокой - 99,9%; размер его частиц - не
более нескольких микронов, но лучше, если они составляют доли микрона. От
измельчения графита зависят его адсорбционные свойства, что определяет кроющую
способность и прочность графитового слоя на поверхности штампа. Чем слой
тоньше, тем эффективнее используется смазка. Рекомендуется наносить смазки
малыми дозами и регулярно; обильная единовременная смазка штампов
нецелесообразна.
К мероприятиям по уходу за штампами
относится также своевременное (лучше непрерывное) удаление окалины из полостей
штампа. Зачистка и другие виды текущего ремонта необходимы и способствуют
увеличению работоспособности штампа. Оплывание (деформация) знаков, ребер,
кромок, кроме зачистки, устраняют пластической деформацией ударами
пневматическим и обычным молотком. Стойкость элементов штампа, восстановленных
таким образом, иногда даже возрастает.
|
Смазка
|
Состав смазки
|
Способ нанесения
|
Примечание
|
|
1
|
2
|
3
|
4
|
|
Мазутная
|
Мазут малосернистый марок 20, 40, 60, 80, 100;
высокосернистый марок 20, 40-100%
|
Вручную помазком
|
Для сложных и ребристых поковок. Не
рекомендуется по гигиеническим условиям
|
|
Мазут 97% -4-графит 3%
|
|
Для очень сложных поковок. Не рекомендуется по
гигиеническим условиям
|
|
Древесная
|
Древесные опилки
|
Вручную
|
Для крупных поковок. Не рекомендуется по
гигиеническим условиям
|
|
Коллоидальный раствор графита в воде (аквадаг)
|
Коллоидальный графит 1 ч. +вода (15-30) ч.
|
Механическим распылением
|
Гигиенична. Хорошо охлаждает фигуру штампа.
Сокращает появление разгарных трещин
|
|
Коллоидальный графит 10% + жидкое стекло
(15-20) %+вода (или эмульсия 3-5%) остальное
|
|
|
|
Коллоидальный раствор графита в минеральных
маслах
|
Масло (15-30) ч. + коллоидальный графит 1 ч.
|
|
Выделяет большое количество газов. Хорошо
охлаждает фигуру штампа. Уменьшает склонность к разгарным трещинам
|
|
Масло "Вапор-Т" (ГОСТ 6411-52) 5
0-55% + графит 50-45%
|
Помазком вручную или специальным
приспособлением
|
Выделяет большое количество газон. Уменьшает
истираемость полости штампа
|
|
Эмульсионные
|
25% -ный эмульсол (88-85% трансформаторного
масла + 9,5ч10,5% олеиновой кислоты 3,6ч6,5% трианоламина)
|
Механическим распылением
|
Для поковок средней сложности. Большое
газообразование. Повышенные стоимость и расход
|
|
25% -ный эмульсол - 97% + графит (серебристый)
3%
|
|
Требует непрерывного перемешивания (быстро
оседает графит)
|
|
5% -ная эмульсия - 98% + 2% графита
(серебристый)
|
|
Для поковок средней сложности. Проста в
приготовлении, отличается низкой стоимостью
|
|
Солевые (расположены в порядке повышения
смазывающего воздействия на штамп)
|
15% NaCl-+85% воды 15% NaCl+5% NaNО3+-80%воды
70% CaCl+30% NaCl насыщенный раствор 75% CaCl+25% KCl насыщенный раствор 70%
NaCl+30% BCl насыщенный раствор
|
Механическим распылением
|
Хорошо охлаждает фигуру штампа, гигиенична
|
|
Литиевая
|
60% LiCO3+40% LiCI при t=1100+ 1150°
С
|
Механическим распылением в печи при α =0.9
|
Наносится на заготовку при температуре
штамповки до 1000°С, при 1000°С покрытие испаряется
|
|
На основе стекла
|
1 ч. горячей воды + 1 ч. сульфитноцеллюлозный
щелок+1.5 ч. стеклопорошка (10С или 31С)
|
Обмазка холодной заготовки
|
На бойки не налипает, обеспечивает
безокислительный нагрев
|
Разделительный материал для объемной
штамповки (Berulit 740/88)
Продукт представляет собой дисперсию графитовых частиц на
базе минерального масла. Обладает отличными разделяющими и смазывающими
свойствами. Широко используется для процессов выдавливания и горячей формовки,
полугорячей ковке стали, цветных металлов и их сплавов. Можно разбавлять
минеральным маслом до получения необходимой вязкости.
Свойства:
Высокий разделительный эффект - Отисная стабильность - Не
содержит вредных веществ
Смазочный материал для объемной штамповки (Berulit 906)
Используется для обработки нелистового материала давлением.
Способствует хорошим разделительному и смазывающему эффекту.
Очень хорошо подходит для обработки давлением цветных
металлов. Широко применяется при изготовлении электроконтактных систем.
Свойства:
Пригоден для температуры инструмента от +120°C до +350°C.
Высокая защита инструмента от износа - Хороший разделительный
эффект
Также существую смазочные материалы для полугорячей формовки
(Berulit 935), для операций холодной штамповки (Beruforge 100), синтетический
смазочный материал для объемной штамповки (Beruforge 393 C). Они отличаются
температурным диапазоном применения смазочного средства, наличие или отсутствие
графитовых включений, надёжностью, стойкостью в различных условиях применения.
4.3 Схема
процесса штамповки на горизонтальноковочной машине
Схема представлена на (рис. 14). Нагретый
до температуры горячей деформирования пруток 4 закладывают в неподвижную
матрицу 3 (рис. 6, а и 6, б). Положение конца нагретого прутка определяется
упором 2.
После включения машины на рабочий ход
ползуны машины начинают движение. Подвижная щека вместе с подвижной матрицей 5
подходит к неподвижной матрице 3 до соприкосновения пуансона 1 с выступающим
торцом прутка и зажимает пруток. На пути движения пуансона 1 находится упор 2,
сблокированный с главным ползуном, к которому прикреплен пуансон 1. При подходе
пуансона 1 упор 2 автоматически отходит.
При дальнейшем движении ползуна пуансоном
1 происходит высадка прутка, выступающего за пределы зажимной части матрицы,
при этом металл заполнит полость матрицы (рис. 6, в).
Достигнув крайнего переднего сложения,
ползун двигается в обратном направлении, а пуансон из полости матриц выходит на
некоторое расстояние, после чего матрицы раскрываются, а высаженную поковку
вынимают или она выпадает из матрицы, после чего пуансон и матрица принимают
исходное положение (рис. 6, г). В дальнейшем, смотря по технологическому
процессу, можно использовать другую заготовку, повторить на ней ту же операцию
или же произвести следующий переход в другом ручье. Каждый переход
осуществляется за один рабочий ход. Формующая полость может быть одновременно в
матрице и в пуансоне (рис. 6, в) [6].
Рис. 14. Схема высадки на
горизонтальноковочной машине: 1 - пуансон, 2-упор, 3 - неподвижная матрица, 4 -
пруток, 5 - подвижная матрица. А - закладывание прутка в неподвижную матрицу. Б
- подвижная матрица зажимает пруток. В - заполнение металлом всей полости
матрицы. Г - раскрывание матрицы.
5. Материалы
и изделия
Материал выбирается конструктором с учетом будущего
использования поковки. В частности, необходимо знать условия эксплуатации.
Например, на деталь может оказывать воздействие агрессивная среда, возможны
статические и динамические нагрузки, деталь может подвергаться постоянному
трению и т.д. Обязательно нужно учитывать стоимость материала и его тип,
например, для стали лучше выбирать марки с пониженным содержанием углерода,
поскольку она стоит гораздо меньше, и вдобавок будет обладать прекрасными
ковкими качествами. Разумеется, материал выбирается, прежде всего, по
назначению будущей детали. Поковки могут производиться из конструкционных
углеродистых сталей (ГОСТ 380-94 "Сталь углеродистая обыкновенного
качества", ГОСТ 1050-88 "Прокат сортовой, калиброванный, со
специальной отделкой поверхности из углеродистой качественной конструкционной
стал", легированных конструкционных сталей (ГОСТ 4543-71 "Прокат из
легированной конструкционной стали"), высоколегированных, жаростойких и
коррозионно-стойких сплавов (ГОСТ 5632-72 "Стали высоколегированные и
сплавы коррозионностойкие, жаростойкие и жаропрочные"), а также
деформируемых цветных сплавов (медные, алюминиевые и титановые). Если же для
улучшения физических свойств деталь будет подвергаться термической обработке,
то в металле изначально должно содержаться большее количество легирующих
элементов.
Чем ниже пластичность материала, тем
сложнее получить качественную поковку и тем сложнее технологический процесс.
Так, при изготовлении поковок из труднодеформируемых сплавов с пониженной
пластичностью предпочтение следует отдавать способам, обеспечивающим схему
нагружения, близкую к трехосному неравномерному сжатию (штамповку в закрытых
штампах, выдавливанием и т.п.). Сопротивление металла деформированию также
является важным фактором, который обусловливает нагрузки, возникающие на
инструменте. Поэтому при деформировании прочных материалов следует выбирать
схемы штамповки с меньшими силами деформирования.
Сказанное выше следует учитывать при
выборе того или иного способа холодной объемной штамповки, при которой особенно
жесткие требования предъявляют к технологической пластичности и сопротивлению
деформированию штампуемых материалов. Особенностью этих процессов являются
очень высокие давления пластического течения металла, достигающие пяти-шести
пределов текучести (для алюминиевых сплавов - до 1200 МПа и до 3000 МПа - для
сталей) и низкая пластичность в холодном состоянии. Поэтому для ХОШ применяют
материалы, имеющие показатель пластичности не менее 20 - 30 % и напряжение
текучести στ < 600 МПа, при этом
следует также учитывать масштабный фактор (массу поковки) и схему
деформирования.
При объемной штамповке чаще всего
используют заготовки из низко - и среднеуглеродистых сталей, некоторых
низколегированных сталей, пластичных (предназначенных для обработки давлением)
алюминиевых и медных сплавов.
Стали конструкционные низколегированные и легированные (ГОСТ
19281-89, ГОСТ 4543-71): 09Г2С, 16ГС, 15ХМ, 50Г, 35ХМ, 40Х, 40ХН, 40ХН2МА,
38ХН3МА, 38ХН3МФА, 38Х2Н2МА и др.
Стали конструкционные теплоустойчивые (ГОСТ 20072-74):
12Х1МФ, 25Х1МФ
Стали конструкционные рессорно-пружинные (ГОСТ 14959-79):
65Г, 60С2А
Стали инструментальные (ГОСТ 1435-74, ГОСТ 5950-2000): У7,
У8А, ХВГ, 5ХНМ, 4Х5МФС, 6ХВ2С, 5ХНВС и др.
Стали и сплавы коррозионностойкие, жаростойкие, жаропрочные
(ГОСТ 5632-72): 08Х18Н10Т, 12Х18Н10Т, 10Х17Н13М2Т, 07Х16Н4Б, 03Х17Н14М3, 20Х13,
30Х13, 40Х13, 14Х17Н2, и др.
Цветные сплавы на основе меди, алюминия или титана: М1, М2,
М3, БрАЖ9-4, БрАЖМц10-3-1,5, БрАЖН10-4-4, ЛС59-1, Л63, АВ, АК4, Амг6, Д16,
ПТ-3В, ВТ и др.
5.1
Конструкции поковок
Конструкции поковок, штампуемых на
горизонтальноковочных машинах, весьма разнообразны, однако наиболее удобными
для штамповки являются поковки, имеющие форму простых или усложненных выступами
или впадинами тел вращения (рис.15). Изготовление таких деталей на ГКМ
рентабельнее, чем на молоте.
Рис. 15. Типовые поковки для штамповки на ГКМ.
Рис. 16. Поковки: а - штампуемые в открытых штампах; б - в
закрытых штампах.
Основной операцией при изготовлении
поковок на этой машине является высадка, часто сопровождающаяся прошивкой, но
возможны и др.
При конструировании поковок, изготовляемых
на ГКМ, необходимо соблюдать следующие правила:
Предусматривать штамповочные уклоны: а -
на цилиндрических участках поковки (рис. 17, а), высаживаемых в полости, длиной
более половины диаметра не менее 0,5° на сторону; б - на буртиках (рис. 17, б),
формуемых в глубоких круговых впадинах матриц - 0,5-1,5° на сторону; в - глубокие
несквозные полости, прошиваемые пуансоном, когда металл необходимо направить на
образование буртика, стенки должны иметь уклон 0,5-3°, (рис. 17, в). Переходы с
одной поверхности на другую выполняются по радиусам величиной не менее 1,5-2
мм. Толщина стенок деталей со сквозными отверстиями или глубокими полостями
принимается не меньше 0,15 наружного-диаметра (рис. 17, г). При получении
полостей в поковках необходимо избегать сужения их в продольном направлении для
обеспечения свободного течения металла навстречу пуансону (рис. 17, д).
Избегать конической формы выемок (рис. 17,
е) и хвостовиков.
Рис. 17. Конфигурации поковок, которые
должны быть учтены при их изготовлении на горизонтально-ковочных машинах.
Диаметр исходного прутка зависит от
конфигурации поковки. Учитывая, что операция вытяжки на ГКМ не производится,
следует площадь поперечного сечения прутка брать не более минимальной площади
поперечного сечения поковки.
5.2
Геометрическая точность поковок
Допускаемые отклонения от номинальных размеров поковки
соответствуют припускам, поэтому также являются увеличенными.
Кузнечные напуски имеют максимальные значения. Ввиду ударного
характера работы молота в конструкции штампа нельзя использовать выталкиватели,
поэтому для извлечения поковки из ручья штампа на вертикальных поверхностях
поковок оформляются значительные штамповочные уклоны: наружные до 7°,
внутренние до 10°. Радиусы закругления назначаются для облегчения течения
металла, повышения стойкости штампа, обеспечения расположения волокон [8].
. Патентное
исследование
|
Номер, страна
|
Название
|
Авторы, дата публикации
|
Реферат
|
|
1
|
2
|
3
|
4
|
|
2000162 (RU)
|
Штамп для выдавливания изделий с полостью
|
Весницкий А. В.07.09.1993
|
Сущность изобретения: в штампе для выдавливания
изделий с полостью, содержащем рабочий пуансон, матрицу, сменные толкатели,
выталкиватель, элементы обжатия заготовки выполнены в виде полого пуансона с
заостренным рабочим торцом и установленного концентрично рабочему пуансону, а
также размещенный на донной части матрицы вставки с осевым отверстием.
Сменные толкатели установлены на пуансонах с возможностью воздействия на них
в заданной последовательности. Штамп снабжен дополнительными толкателями,
рабочий пуансон выполнен с калибрующими поясками, вставка с осевым отверстием
установлены с возможностью осевого перемещения относительно матрицы, при этом
последняя снабжена подпружиненными упорами, размещенными в плоскости,
перпендикулярной вертикальной оси симметрии штампа. В полом пуансоне
выполнены радиально расположенные пазы под указанные упоры и сквозные
отверстия под дополнительные толкатели, причем один из них установлен на
выталкивателе.
|
|
2184635 (RU)
|
Штамп для объемной штамповки
|
Декун И. И.10.07.2002
|
1. Штамп для объемной штамповки, содержащий
пуансон, силовую обойму, в которой размещена секционная матрица,
выталкиватель с плитой, отличающийся тем, что на внутренней поверхности
силовой обоймы выполнены Т-образные направляющие, а на каждой секции матрицы
выполнен паз для возвратно-поступательного перемещения секций по направляющим
обоймы, кроме того, штамп снабжен вертикальными прижимными штангами,
закрепленными в верхней половине штампа, для удержания секций матрицы в
сомкнутом положении при деформировании заготовки. 2. Штамп по п.1,
отличающийся тем, что матрица состоит из четырех секций.
|
|
1831405 (RU)
|
Способ горячей совмещенной штамповки круглых в
плане поковок с отверстиями
|
Ярцев А.Г., Барков Л.А., Щербаков А. Г.
30.07.1993
|
Сущность изобретения: способ включает нагрев
исходной заготовки, осадку, формовку сдвоенных, помещенных одна внутри другой
поковок, обрезку облоя у внешней поковки и вырубку внутренней поковки,
пробивку отверстия у внутренней поковки. После осадки ведут предварительную
формовку сдвоенных поковок, окончательно формируя внешнюю поковку и получая
цилиндрической формы полуфабрикат внутренней поковки заданного объема с Н
0,1-2,5, где соотношением размеров Н - размер полуфабриката по высоте; d -
внутренний диаметр внешней поковки. При этом окончательную формовку
внутренней поковки осуществляют в дополнительном ручье штампа одновременно с
предварительной осадкой последующей исходной заготовки.
|
|
1820880 (RU)
|
Штамп для закрытой объемной штамповки деталей
|
В.И. Матяж А.В. Матяж 07.06.1993
|
Сущность изобретения: штамп состоит из
подвижной плиты с колонками и пуансоном, закреплённым гайкой и опорой.
Колонки перемещаются по втулкам, установленным в нижней плите. В нижней плите
закреплена матрица с помощью болтов. Матрицу горизонтальной плоскости можно
перемещать с помощью винтов и стоек. Штамп снабжён выталкивателем. Съемник
закреплен на нижней плите с помощью стоек, пружины; втулки, гайки. На
съемнике закреплен формующий пуансон, установлен домкрат.
|
|
1801052 (RU)
|
Штамп для закрытой штамповки
|
Н.И. Осипов. 07.03.1993
|
Сущность изобретения: устройство содержит
пуансон и матрицу. Прилегающая к рабочему торцу боковая поверхность пуансона
выполнена конической. Матрица состоит из корпуса и формообразующей вставки из
износостойкого материала. На конической поверхности пуансона установлено с
помощью пружинного фиксатора запорное кольцо. Твердость материала запорного
кольца не менее твердости материала формообразующей вставки, но превышает
твердость материала корпуса матрицы.
|
|
1814584 (RU) 1
|
Способ поспелова штамповки изделий 2
|
Поспелов А. Л. 07.05.1993 3
|
Сущность изобретения: осуществляют совмещенную
штамповку двух изделий путем высадки заготовок стержневого и полого изделий
на противоположных 4
|
|
|
|
концах отрезанной заготовки. Усилия высадки
прикладывают в противоположных направлениях. При этом на торце заготовки
полого изделия формируют углубление под отверстие. Затем производят отделение
заготовки стержневого изделия от заготовки полого изделия в месте их
сопряжения. Усилие отделения прикладывают к донной. поверхности углубления.
Доя улучшения качества изготавливаемых изделий перед отделением заготовки
стержневого изделия от заготовки полого изделия образуют в месте их
сопряжения кольцевое углубление. Внутренний диаметр углубления равен диаметру
стержня заготовки стержневого изделия.
|
|
1817731 (RU)
|
Средство для удаления изделий при горячей
штамповке
|
Горячев А.П., Никонов Е.В., Куликов А.Ф.,
Кононов С. А.23.05.1993
|
Сущность изобретения: перед началам штамповки
на углубление или центральную часть подогретого нижнего штампа укладывают
волокнистый полипропилен в виде жгута или прокладки, массу и объем которых
подбирается опытным путем и зависит от массы и конфигурации детали. В
процессе деформирования происходит термодеструкция полипропилена с переходом
в газообразное состояние. После снятия усилия штамповка выталкивается из
ручья штампа давлением газа так, что извлечь ее из штампа можно любым
известным способом.
|
|
1817730 (RU)
|
Способ штамповки панелей с односторонними
продольными ребрами
|
А.Н. Строшков, Е.Е. Кавтаев, А.М. Штерензон,
С.И. Куклин, И.В. Костарев и А.О. Харитонов 23.05.1993
|
Сущность изобретения: способ штамповки панелей
заключается в формовке полотна заготовки и выдавливании ребер путем
последовательного приложения рабочего усилия под углом к полотну исходной
заготовки. Величину угла приложения рабочего усилия изменяют, увеличивая угол
от острого до прямого при формовке полотна, одновременно величину этого угла
при выдавливании рёбер также увеличивают в пределах острого угла на величину,
равную изменению угла приложения рабочего усилия при формовке полотна. Перед
выдавливанием осуществляют предварительную формовку, при которой угол
приложения рабочего усилия изменяют аналогично изменению угла при формовке.
|
|
2465977 (FR)
|
Оборудование для штамповки молотом
|
Марьяни Джорджио, Перре Кристоф 27.12.2009
|
Изобретение относится к области обработки
металлов давлением, в частности к оборудованию для штамповки кольцевой детали
на молоте. Оборудование содержит нижний держатель вкладыша с нижней матрицей
и верхний держатель вкладыша с верхней матрицей. Матрицы образуют кольцевую
полость штамповки. Для ограничения боковых перемещений детали при ее подскоке
с нижней матрицы предусмотрено направляющее средство. Направляющее средство
может быть выполнено в виде колонны, размещенной внутри кольца, образованного
кольцевой полостью штамповки. Высота колонны по меньшей мере равна высоте
подскока кольцевой детали. В результате обеспечивается защита персонала,
уменьшается риск повреждения деталей при их подскоке и появляется возможность
использования молота повышенной мощности.
|
|
2457069 (RU)
|
Способ штамповки осесимметричных тонкостенных
деталей из порошковых материалов
|
Демин В.А., Субич В.Н., Шестаков Н.А.,
Степанов Б.А., Тимофеев В.Н., Куминова Н. И. 27.07.2012
|
Изобретение относится к обработке металлов
давлением и предназначено для получения круглых в плане изделий с
мелкозернистой структурой. Штамповку осуществляют в нагретом до температуры
начала рекристаллизации материала заготовки штампе за один ход ползуна
пресса, включающий в себя два этапа. На первом этапе штамповка осуществляется
технологической силой, равной 0,35-0,4 от силы, требуемой для штамповки без
кручения, создаваемой пуансоном, совершающим только поступательное движение в
течение времени, необходимого для достижения заготовкой температуры штампа.
На втором этапе пуансон совершает одновременно поступательное и вращательное
движение с отношением линейной и угловой скорости, пропорциональным длине
образующей  =kLi, где k - коэффициент
пропорциональности, находящийся в зависимости от конечной длины образующей
детали Li и ее толщины Si. Способ обеспечивает снижение
технологической силы деформации, повышение качества деталей, уменьшение
величины зерна заготовки.
|
7. Расчет
усилия штамповки

Температура заготовки в этот момент t = 1000°С. Материал детали -
качественная конструкционная углеродистая сталь 45 ГОСТ 1050-89.
Таблица 2. - Механические свойства стали при ковочных температурах
|
Материал
|
t,°С
|
σ0,2,МПа
|
σв, МПа
|
δ,%
|
Ψ, %
|
Кψ, %/МПа
|
|
Сталь 45
|
700
|
140
|
171
|
43
|
96
|
0,56
|
|
800
|
65
|
115
|
58
|
98
|
0,85
|
|
900
|
55
|
77
|
62
|
100
|
1,3
|
|
1000
|
35
|
51
|
72
|
100
|
1,96
|
|
1100
|
22
|
35
|
81
|
100
|
2,86
|
|
1200
|
15
|
27
|
90
|
100
|
3,7
|
7.1
Определение усилия штамповки
Окончательную штамповку проводят в открытом ручье.
Температура заготовки перед штамповкой t = 1000°С. Расчет усилий штамповки на
КГШП (кривошипный горячештамповочный пресс) необходимо выполнять с максимально
возможной точностью, так как при использовании пресса с недостаточным усилием
может произойти авария, а при использовании пресса по завышенному усилию пресс
будет использоваться нерационально.
Усилие при штамповке осаживанием в открытых штампах
определяют по формуле [19]:

(1)
где σт - предел текучести
металла при температуре штамповки, МПа; μо = 0,5 - коэффициент
внешнего трения (на мостике облоя); в расчете принимается его максимальное
значение, равное 0,5; b = 6, hо = 3 - ширина и толщина мостика
облоя, мм; Fо - площадь проекции мостика облоя, мм2; dв
- диаметр поковки, мм; Fп - площадь проекции поковки на плоскость
разъема, мм2; dн - наружный диаметр мостика
облоя, мм. Предел текучести металла принимают приблизительно равным временному
сопротивлению растяжению при соответствующих температуре и скорости деформации.
В нашем случае:

(2)
где 
- скоростной коэффициент, 
= 1,7; 
- значение предела прочности при t = 1000°С (см. табл. 2).
Площадь проекции мостика облоя находится по формуле:

(3)
где dв = 145 мм - внутренний диаметр мостика
облоя;
Рассчитаем площадь проекции:

(4)
По формуле (1) определим усилие штамповки:
По полученному значению усилия штамповки выбирается пресс
горячештамповочный усилием 16 МН, так как технологическое усилие штамповки должно
быть меньше 85% от номинального усилия пресса [19].
Р < 85% Рн
Так как Р < 0,85Ч16 [МН], то выбранный пресс модели КБ8042
отвечает данному условию [20]. Пресс предназначен для производства поковок из
черных и цветных металлов. Технические характеристики пресса приведены в табл.
2.
Табл. 3 - Техническая характеристика пресса КБ8042
|
Характеристика
|
Значение
|
16
|
|
Ход ползуна, мм
|
300
|
|
Частота непрерывных ходов ползуна, мин-1,
не менее
|
85
|
|
Частота одиночных ходов ползуна, мин-1,
не более
|
16
|
|
Наименьшее расстояние между столом пресса и
надштамповой плитой ползуна в его нижнем положении, мм
|
660
|
|
Величина регулировки расстояния между столом и
ползуном, мм
|
10
|
|
Верхний выталкиватель:
|
|
|
Величина хода, мм
|
40
|
|
Усилие, МН, не менее
|
63
|
|
Нижний выталкиватель:
|
|
|
Величина хода, мм
|
32
|
|
Усилие, МН, не менее
|
100
|
|
Размеры стола, мм
|
|
|
Слева направо
|
1080
|
|
Спереди назад
|
1020
|
|
Размеры ползуна:
|
|
|
Слева направо, мм
|
824
|
|
Спереди назад, мм
|
944
|
|
Размеры окон в стойках пресса:
|
|
|
Ширина, мм
|
630
|
|
Высота, мм
|
710
|
|
Расстояние между стойками в свету, мм
|
1050
|
|
Мощность электродвигателя главного привода, кВт
|
90
|
|
Расход сжатого воздуха за цикл, м3
|
0,42
|
|
Давление воздуха в пневматической системе:
|
|
|
Наименьшее, МПа (кгс / см2)
|
0,5
|
|
Наибольшее, МПа (кгс / см2)
|
0,7
|
|
Габариты пресса, мм
|
|
|
Слева направо
|
4850
|
|
Спереди назад
|
3600
|
|
Высота пресса от уровня пола, мм
|
5570
|
7.2
Построение графика зависимости усилия штамповки от площади проекции разъема
штампа
По заданным значениям получаем график зависимости усилия
штамповки от площади проекции. Нахождение усилий штамповки для построения
графика зависимости приведены в приложении.
Рис. 19. График зависимости усилия штамповки Р [МН] от
площади проекции и площади мостика облоя при Fп1=16504 мм2;
Fп2=33008 мм2; Fо1=1157 мм2; Fо2=5000
мм2.
Вывод
По данному графику видна зависимость усилия штамповки от
площади проекции разъема штампа. При увеличении первоначальных значений площади
мостика облоя и площади проекции разъема штампа линейно увеличивается усилие
штамповки. При площади проекции Fп1=16504 мм2 усилие
примерно увеличивается на 1 МН, а при Fп2=33008 мм2
усилие увеличивается примерно на 2 МН. Это говорит о том, что выбранный КГШП
КБ8042 отвечает условиям штамповки только при Fп1=16504 мм2.
Заключение
Перспективы дальнейшего развития объемной
штамповки определяются расширением применения штампов для горячей малоотходной
штамповки и конструированием мощного оборудования для холодной штамповки, а
также внедрением новых процессов деформации металлов с использованием явлений
сверхпластичности, применением гидростатических методов и т.д. Используя такие
методы, можно создавать детали в строгом соответствии с требованиями. Например,
детали, которые применяются в:
· самолётостроении,
· автомобилестроении,
Поэтому они должны быть достаточно
прочными и не обладать большим весом.
При обработке методом давления остается
меньше отходов. Современные технологии позволяют создавать станки для обработки
металла давлением, которые могут работать вообще без потерь. Любой профессионал
может подтвердить тот факт, что обработка давлением вообще экономичнее, чем
обработка резанием. При давлении детали придается необходимая форма, размер и
улучшается качество поверхности.
Существует мнение, что метод обработки металла
давлением постепенно вытесняет метод обработки резанием. Но на сегодня
существую такие методы, как калибровка или метод холодной штамповки, которые
позволяют получать уже готовые детали. Это всевозможные крепёжные элементы,
турбинные лопатки и так далее. Ну а применение новых технологий вообще
автоматизировало процесс получения таких точных деталей, как зубчатые шестерни
с готовыми штампованными зубьями. При этом, эти точные детали имеют ещё и
дополнительные показатели прочности, повышенную износостойкость. Этого нельзя
было добиться раньше, используя метод резания. Придание металлу необходимой
формы при помощи штамповки иногда может даже соперничать с методом литья
металлических изделий. Производительность здесь зависит от совершенства самого
метода. Детали, полученные при помощи давления, совершенны только лишь по
размерам. Но более точные размеры и формы могут быть получены только лишь при
помощи объемной штамповки. Современные предприятия активно внедряют на
производствах все больше новых технологий. Это позволяет достигать
необыкновенной точности и дополнительной прочности готовых изделий из металла.
Список
литературы
1.
Горячая объемная штамповка #"866729.files/image033.gif">
Расчет нахождения усилия штамповки для построения графика
зависимости усилия штамповки от площади проекции разъема штампа и площади
мостика облоя была использована математическая программа Mathcad 14.