Обработка металла давлением
Введение
Обработка металла
давлением (ОМД) является основой многих прогрессивных ресурсосберегающих технологий.
Для реализации большинства технологических процессов ОМД необходимо реализовать
давление инструмента или какой-либо среды на часть заготовки или нескольких
определенным образом расположенных заготовок.
Холодная объемная
штамповка (ХОШ) широко используется в штамповочном производстве. Применение ХОШ
совместно с другими штамповочными операциями позволяет получить законченные
детали, не требующие или почти не требующие дальнейшей механической обработки.
Штампованные детали отличаются повышенной точностью и чистотой поверхности,
четким контуром, а также повышенной прочностью и жесткостью в результате
упрочнения при холодной деформации. Осадка является одной из наиболее часто
используемых операций свободной ковки.
Актуальность работы. Анализ процесса кольцевых образцов плоско-параллельными
плитами представляет большой теоретический и практический интерес. Этот процесс
относится к числу недостаточно изученных. Недостаток фундаментального знания о
процессе может стать причиной длительной разработки процесса, и будет
затруднять нововведение операции. Предсказание свойств изделий полученных
осадкой, а также проект и реализация процесса производится в большинстве
случаях эмпирическим способом. Аналитические модели доступны, но не способны
полностью охватить все явления. Численное моделирование – возможный ключ, чтобы
получить большее количество знаний о процессе. Устойчивость кольцевых заготовок
не может быть точно предсказана эмпирическими моделями, потому что этот фактор,
главным образом, определен пластическим разрушением. С производственной точки
зрения – это наиболее важный параметр.
В данной работе рассматривается реальная
картина течения материала, с использованием метода конечных элементов. Также
наибольшее внимание уделяется напряженно-деформированному состояния заготовки.
Целью работы является создание математической конечно-элементной модели
осадки кольцевой заготовки, описывающей механизм осаживания заготовки между
плоскими шероховатыми плитами, позволяющей прогнозировать устойчивость
заготовки.
Научная новизна состоит в разработке математической модели осадки
кольцевой заготовки и в изучении особенностей пластического формоизменения в
процессе осадки кольца.
Методы исследования. Поведение материала при деформировании описывалось при
помощи метода конечных элементов, аппарата математической статистики и метода
планирования многофакторного эксперимента.
Автор защищает:
1.
Математическую конечно-элементную модель осадки
кольцевых заготовок.
2.
Результаты теоретических исследований
напряженного и деформационного состояния заготовки при осадки.
Содержание работы.
Первая часть работы посвящена обзору осадки кольцевых заготовок. Также в
первом разделе уделяется внимание рассмотрению одной из наиболее универсальных
методик решения задач ОМД – метода конечных элементов.
Во второй части
магистерской диссертации представлены основные соотношения и уравнения
конечно-элементной модели, которые послужили базой для создания программного
пакета.
Третья часть содержит методику математического моделирования осадки
кольцевых заготовок и результаты исследований данного процесса.
1
Обзор осадки кольцевых заготовок
1.1 Основные способы осадки
Осадкой называется основная кузнечная операция, при которой
увеличиваются размеры поперечного сечения заготовки за счет уменьшения ее
высоты (рисунок 1.1). При осадке заготовку устанавливают вертикально, и
деформирование происходит вдоль оси заготовки.
Рисунок 1.1. Схема осадки
Осадку применяют в следующих случаях:
-
для получения поковок с большими
поперечными размерами из заготовок меньшего поперечного сечения (поковки
фланцев, шестерен, дисков);
-
как предварительную операцию перед
прошивкой для выравнивания торцов и увеличения диаметра при изготовления полых
поковок, например, поковок типа колец, барабанов, муфт;
-
как предварительную операция перед
протяжкой для наибольшего разрушения литой дендритной структуры и уменьшения
неравномерности свойств в поперечном и продольном направлениях;
-
для повышения укова, если площадь
наибольшего поперечного сечения выбранного слитка не обеспечивает требуемого
укова;
-
вместе с протяжкой для деталей типа
шестерен, дисков, и др.;
-
для повышения механических
характеристик в тангенсальном и радиальном направлениях в поковках типа
шестерен и др.;
-
вместе с протяжкой для равномерного
распределения и измельчания карбидов в сталях карбидного класса (быстрорежущие,
высокохромистые), что повышает износостойкость [44].
Осадка является наиболее простой и весьма распространенной
операцией объемной штамповки. В сочетании с последующими операциями обрезки и
зачистки осадка применяется для изготовления различных деталей с односторонними
и двусторонними выступами (рисунок 1.2) [1,5,29,39,44].
Рисунок 1.2. Детали с односторонними и двусторонними
выступами, изготовляемые холодной объемной штамповкой
Операция осадки может быть выполнена одним из
следующим способом [5]:
1)
между плоскими плитами (рисунок 1.3а);
2)
между плоской и кольцевой плитами
(рисунок 1.3б);
3)
между двумя кольцевыми плитами (рисунок
1.3в).
Каждый из этих способов имеет различный характер распределения
нормальных напряжений, различную степень неравномерности напряженного и
деформированного состояния, предельную степень деформации и величину
сопротивления деформации.
Различный характер деформации этих трех схем
осадки может быть охарактеризован различным коэффициентом торможения,
представляющим собой отношение поверхности трения (контакта с инструментом) к
поверхности свободного истечения [39]
Чем больше поверхность трения, тем выше коэффициент
торможения, а следовательно, тем затруднено течение металла и тем больше
требуемое усилие.
Коэффициент торможения больше для первой схемы осадки и
меньше для третьей. Осадка между плоскими плитами допускает меньшую степень
деформации, чем осадка кольцевыми плитами.
Рисунок 1.3. Основные схемы осадки
Степень деформации при осадке определяется
отношением [39]

где Н0 и Нк
– начальная и конечная высота заготовки в
.
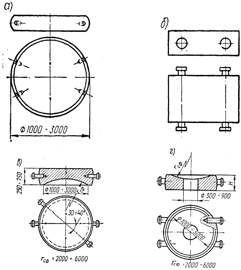
Основным инструментом для осадки являются
осадочные плиты. Осадочные плиты применяются только на прессах (рисунок 1.4).
Верхняя плоская осадочная плита показана на рисунке 1.4а, а нижняя на рисунке
1.4б. Верхняя и нижняя сферические плиты для осадки с хвостовиком крупных
слитков показана на рисунке 1.4в, г. На рисунке 1.4д представлена нижняя
осадочная плита для мелких слитков. Плита снабжена рычагами для кантовки на 900
[44].
Рисунок 1.4. Осадочные плиты
1.2 Осадка цилиндрических заготовок
Экспериментально-теоретические решения задачи
по определению приближенного соотношения между удлинением и уширением при
осадке даны И.Я. Тарновским [52,53].
Напряженное состояние металла при осадке
цилиндрических заготовок на плоских плитах определяется, прежде всего,
условиями внешнего трения и фактором формы заготовки
или
(отношение высоты к диаметру) и фактором
тонкостенности заготовки S/H (отношение толщины к высоте), которые в
совокупности определяют граничные условия.
При отсутствии сил внешнего трения или при
очень малой или величине напряженное состояние металла при осадке
характеризуется схемой линейного сжатия (рисунок 1.5а) или близкой к нему и не
зависит от фактора формы заготовки.
При наличии внешнего трения схема напряжений в
различных участках объема поковки неодинакова. При этом она сильно изменяется
от формы заготовки (рисунок 1.5б, в).
Рисунок 1.5. Схемы напряжений при осадке цилиндрических
заготовок:
а – равномерная осадка; б – неравномерная
осадка при
; в – то же
при
Схема объемного сжатия появляется в результате
действия сил внешнего трения. Однако при осадке высоких заготовок действие сил
внешнего трения в соответствии с принципом Сен-Венана затухает по мере удаления
от контактных поверхностей. Эти объясняется тот факт, что при осадке высоких
заготовок в середине высоты заготовки имеется схема линейного напряженного
состояния. При осадке низких заготовок почти весь объем поковки находится под
действием всестороннего неравномерного сжатия. При этом, чем меньше высота
заготовки по отношению к диаметру, тем более резко выражена схема объемного
сжатия и тем больше абсолютная величина среднего гидростатического давления.
Изменение граничных условий, сопровождаемое
изменением напряженного и деформированного состояния, подтверждает
целесообразность разделительного анализа деформации цилиндрических заготовок с
различным соотношением
,
а именно:
1.Высокие
заготовки при
>
1,5-2. Отличительной особенностью процесса осадки таких цилиндров является
двойное бочкообразование при отсутствии смазки.
2.Заготовки
умеренной высоты при 0,3-0,4 <
< 1,5-2. Для этих заготовок характерно
одинарное бочкообразование. При осадке на сухих шероховатых плитах почти вся
контактная поверхность представляет собой зону прилипания.
3.Низкие
заготовки при
<
0,3-0,4. При осадке на сухих шероховатых плитах в этом случае также имеет одинарное
бочкообразование. Однако на значительной части контактной поверхности
развивается скольжение, а у очень тонких цилиндров скольжение практически
охватывает всю контактную поверхность.
Из работы Л.А. Шофмана [67,68] следует, что
траектория перемещение любой точки при однородном сжатии представляет собой
ветвь кубической гиперболы, уравнение которой
Известно, что при пластическом сжатии в реальных условиях
деформация неоднородна. Поэтому гипотеза плоских сечений, принимаемая при
теоретическом анализе неправомерна, а следовательно, неправомерно условие
.
Рисунок 1.6. Напряжения на боковой поверхности
цилиндрического образца при осадке плоскими плитами.
Результаты экспериментов, приведенные на рисунке 1.6,
показали, что неоднородность деформации при пластическом сжатии цилиндрического
тела приводит к тому, что на свободной бочкообразной поверхности тела возникают
окружные (тангенсальные) растягивающие напряжения
, которые имеют наибольшую величину посередине
высоты деформированного тела. Осевые напряжения
на этом участке имеют наименьшее значение.
Чем больше неоднородность деформации, тем при прочих равных
условиях больше бочкообразность осаженной заготовки, а следовательно, больше и
величина тангенсальных растягивающих напряжений, которые возникают на свободных
поверхностях тела, и тем вероятнее нарушение сплошности металла.
Средние удельные давления при осадке цилиндрических
заготовок представлены в виде диаграммы на рисунке 1.7 по Е.П. Унксову [61].
Рисунок 1.7. Удельные давления при осадке цилиндрических
заготовок.
Л.А. Шофман в работе [67], отмечает, что если перед осадкой
на торцы заготовки наложить тонкие прокладки из пластического металла, то
усилие существенно снижается. При больших удельных давлениях применение тонких
прокладок оказывается более эффективным, чем нанесение обычно применяемых
смазок.
Так, например, опыты, проведенные автором, показали
(рисунок 1.8), что применение алюминиевых прокладок толщиной 0,5 мм при осадке
образцов из стали 45 (
),
снизило удельные давления примерно в два с половиной раза по сравнению с
осадкой такого же образца без смазки.
Рисунок 1.8. Удельные давления
и сопротивление деформированию S при
холодной осадке цилиндрических заготовок из стали 45:
1-
без прокладок и без смазки;
2-
без прокладок, смазка машинным маслом;
3-
с алюминиевыми прокладками;
4-
сопротивление металла деформированию.
1.3 Технологические особенности осадки кольцевых заготовок
плоскими плитами
При пластическом сжатии заготовок
плоскопараллельными плитами условная поверхность раздела течения в силу
круговой симметрии имеет форму цилиндра радиуса
(рисунок 1.9)[68].
Рисунок 1.9. Схема осадки кольцевой
заготовки, где х0 и х - начальный и конечный радиусы
произвольно выбранной поверхности.
Из экспериментально-теоритических
исследований проведенных И.Я. Тарновским [53] следует, что при эффективной смазке
контактных поверхностей форма заготовки не влияет на формоизменение. После
обжатия форма заготовки геометрически подобна первоначальной форме. По мере
обжатия внешний и внутренний диаметры заготовки увеличиваются независимо от
отношения
и толщины
стенки S (рисунок 1.10а). Следовательно, при равномерной деформации полость
раскрывается.
При осадке без смазки формоизменение металла
становится более сложным (рисунок 1.10б), оно изменяется в зависимости от формы
заготовки и, прежде всего в зависимости от отношений
и
.
Осадка тонкостенных заготовок (
< 0,5) сопровождается
образованием двойной бочки. При очень тонкой стенки (
< 0,3) появляется продольный изгиб стенки в
сторону наружной поверхности (рисунок 1.11а).
При осадке заготовок с толстой стенкой (
> 0,5) происходит
образование одинарной бочки как на наружной, так и на внутренней поверхностях
заготовки (рисунок 1.11б). При этом по мере обжатия заготовки наружный диаметр
ее увеличивается, внутренний диаметр уменьшается и отверстие закрывается.
Рисунок 1.10. Фотографии кольцевых заготовок после осадки:
а – со смазкой; б – в условиях сухого трения
Рисунок 1.11а. Формоизменение кольцевой
заготовки при
= 0,3
Рисунок 1.11б.
Формоизменение кольцевой заготовки при
= 0,5
Течение
металла в двух взаимно противоположных направлениях свидетельствуют о том, что
деформированное состояние металла на различных участках образца различно [67].
На участке, ограниченном диаметрами R и
(
– нейтральный диаметр), где течение металла направлено
от центра к периферии, оно качественно соответствует деформированному состоянию
при осадке сплошного образца (рисунок 1.12), а на участке, ограниченном
диаметрами
и
r, где течение металла направлено к центру образца, деформированное состояние
сходно с деформированным состоянием при растяжении. На поверхности раздела
течения должно соблюдаться граничное условие
[68].
Рисунок 1.12. Схема напряженно-деформированного состояния при осадке
кольцевых образцов.
Величина радиуса раздела течения в процессе осадки непрерывно изменяется.
При этом изменяется соотношение объемов двух участков, на которые поверхность
раздела течения разделяет все тело. Это свидетельствует о демонотонности
процесса осадки.
Указанное обстоятельство приводит к тому, что при заданных начальных
размерах деформируемого тела не представляется возможным определить его
конечные размеры, минуя рассмотрение промежуточных стадий формоизменения.
Авторы работ [68,53] отмечают, что для решения рассматриваемой задачи
приходится прибегать к разделению процесса на ряд этапов, принимаю, что на
каждом достаточно малом этапе поверхность раздела течения сохраняет неизменный
радиус. Тогда, определив размера тела в конце предшествующего этапа, можно с помощью
формулы (1.1) определить радиус поверхности раздела на последующем этапе
формоизменения.
, 1.1
где
- относительный радиус поверхности раздела
течения;
-
относительный радиус внутренней контурной поверхности;
-
относительный радиус внешней контурной поверхности.
Отсюда следует, что радиус критической поверхности зависит от условий
внешнего трения, относительных размеров заготовки и относительной толщины ее
стенки.
Переходя, таким образом, последовательно от одного этапа к другому, можно
определить конечные размеры деформированного тела. Чем больше дробность
заданной суммарной деформации, тем точнее конечные результаты расчета.
В тех случаях, когда
<
1, может иметь место потеря устойчивости заготовки, как схематично показано на
рисунке 1.13а. Если
> 1, то потери устойчивости не наблюдается рисунок 1.13б [68].
Рисунок 1.13.
Схема потери устойчивости кольцевого образца при осадке.
И.Я. Тарновский в работе [53], исследует усилия
необходимые для осадки кольцевых заготовок. Это условие автор находит из полной
работы деформации заготовок при наличии контактного скольжения.
В результате теоретических исследований
Тарновский определил формулу (1.2) для практических расчетов удельного давления
, 1.2
где Rп – радиус внутренней боковой
поверхности заготовки;
R – радиус наружной боковой поверхности
заготовки;
- внешнее трение,
;
- предел прочности.
По данным формулы (1.2) построена диаграмма
рисунок 1.14.
Рисунок 1.14. График для определения удельного давления при осадке
пустотелых заготовок.
При заданных R, h и
наибольшее удельное давление потребуется при
осадке сплошной цилиндрической заготовки. Это объясняется тем, что при осадке
пустотелой заготовки создаются условия для двустороннего радиального течения
металла. В результате уменьшаются контактные касательные напряжения и
соответственно уменьшается усилие осадки.
Экспериментальная проверка теоретической формулы
(1.2) представлена на рисунке 1.15. Были проведены опыты по осадке свинцовых
цилиндрических заготовок. Заготовки имели приблизительно одинаковый начальный
наружный диаметр около 70 и высоту около 6 мм. Диаметр полости изменялся
от 50 мм и 0. Осадку заготовок производили на гидравлическом прессе
между сухими шероховатыми плитами. При этом можно принять
.
Рисунок 1.15. Удельное давление при осадке
полых заготовок: х – опытные данные; ● - расчетные данные.
На диаграмме (рисунок 1.15) видно, что
расчетная кривая очень близка к опытной. Использование в расчете других величин
предела текучести свинца приведет к тому, что расчетная кривая будет
расположена выше или ниже, но характер зависимости удельного давления от
отношения
остается
неизменным.
1.4 Метод конечного элемента
Большое распространение при анализе технологических задач обработке
давлением находит метод конечных элементов (МКЭ)
[6,15,16,41,42], который относится к современным методам
численного анализа. Первое его применение связано с расчетом инженерных
конструкций. Начиная с этого первого применения, МКЭ в течение короткого
времени развился в самостоятельную область науки, получившую широкое
распространение в решение граничных задач математики, физики и особенно механики
сплошной среды. Быстрое развитие МКЭ шло наряду с прогрессом компьютерной
техники и ее применением в различных областях науки и инженерной практики.
Метод
конечных элементов включает различные подходы, в которых для определения
напряжения, деформации и перемещения материал условно разбивают на отдельные
элементы, соединенные в узловых точках. Применение этого метода может успешно
проводиться как для жесткопластического материала, так и для
упругопластического. Этот выбор, также как и выбор конечного элемента,
осуществляется, исходя из постановки задачи и рациональности использования того
или иного подхода, описанного в МКЭ. Задание граничных условий и введение
некоторых гипотез позволяет в значительной степени упростить поиск решения,
хотя и в некоторой степени усредняет результат. Однако следует заметить, что
для части процессов МКЭ может являться единственным методом, позволяющим
достигать необходимого результата с достаточной степенью точности.
В качестве
наиболее весомых преимуществ МКЭ можно привести следующие:
·
Свойства материалов смежных элементов
не должны быть обязательно одинаковыми. Это позволяет применять метод к телам,
состоящим из нескольких материалов.
·
Криволинейная область может быть
аппроксимирована с помощью прямолинейных элементов, или описана точно с помощью
криволинейных элементов.
·
Размеры элементов могут быть
переменными. Это позволяет укрупнить или измельчить сеть разбивки области на
элементы, если в этом есть необходимость.
·
С помощью МКЭ не представляет труда
рассмотреть граничные условия с разрывной поверхностной нагрузкой, а также
смешанных граничных условий.
Указанные
выше преимущества МКЭ могут быть использованы при составлении достаточно общей
программы для решения частных задач определенного класса.
Одной из
основных задач при использовании конечно-элементного анализа является
построение сетки конечного элемента. С целью упрощения подготовки и проверки
входных данных применяется автоматическое построение сетки, что стало возможным
благодаря достаточно высокой степени развития компьютерной техники и
прикладного программного обеспечения [18]. Кроме того, автоматизация позволяет
уменьшить ошибки операторов, обеспечить регулярность сетки, облегчить
использование других типов элементов, упростить параметрические исследования.
1.5 Выводы
Обзор работ,
посвященных осадке кольцевых заготовок показал:
1.
Осадка является эффективным методом
обработки металлов давлением, позволяющим значительно экономить материал.
2.
Основным дефектом осадки кольцевых
заготовок является потеря устойчивости, вследствие тонкостенности заготовки.
3.
Теоретические исследования процесса в
основном посвящены оценке силовых режимов и не отражают реальную картину
течения материала.
4.
Недостаточно уделено внимание
напряженно-деформированному состоянию осаженной заготовки.
5.
Метод конечных элементов является
наиболее универсальным и приемлемым методом решения технологических задач.
1.6 Цель работы и задачи исследования
Целью работы является создание математической конечно-элементной модели
осадки кольцевой заготовки, описывающей механизм осаживания заготовки между
плоскими шероховатыми плитами, позволяющей прогнозировать устойчивость
заготовки.
Задачи исследования:
-
создать математическую модель процесса
осадки кольцевых заготовок с учетом реальных свойств материала;
-
провести исследования
напряженно-деформированного состояний заготовки, кинематики течения материала
при различном состояние заготовки;
-
создание программного обеспечения
математического моделирования процесса осадки кольцевых заготовок.
2.
Основные соотношения конечно-элементного анализа процессов упруго-пластического
деформирования
Основная идея МКЭ основывается на замене некоторой непрерывной величины в
пределах рассматриваемой области дискретной моделью, которая строится на
множестве кусочно-непрерывных функций, определенных на конечном числе
подобластей, называемых конечными элементами (КЭ). Неизвестная искомая величина
в пределах каждого КЭ аппроксимируется, как правило, полиномиальной функцией
заданного вида с учетом требования непрерывности на границах смежных КЭ. При
этом выбор формы конечного элемента и вида выражения, аппроксимирующего
действительный закон изменения исследуемой величины в пределах КЭ, является
одним из наиболее ответственных моментов в общей процедуре МКЭ, от которого
существенно зависит точность приближенного решения. Таким образом, непрерывная
в пределах исследуемой области неизвестная величина (например, перемещение,
скорость перемещения, напряжение, температура и т. д.) представляется через
конечное число ее дискретных значений в узлах элементов[15,41,42].
Построение разрешающих уравнений МКЭ для решения задач механики
деформируемых сред базируется на соответствующих вариационных принципах и
вытекает из оптимизации некоторой интегральной величины (функционала),
связанной с работой или мощностью напряжений и внешней приложенной нагрузки при
соблюдении заданных граничных условий. В общем виде такой функционал с учетом
действия массовых и поверхностных сил можно представить выражением:
(2.1)
где NД - работа или мощность внутренних сил;
NМ
- работа или мощность, развиваемая массовыми силами,
NВ - работа
или мощность внешних сил.
Дальнейшая процедура МКЭ предусматривает представление выражения (2.1) в виде функционала значений неизвестных только в
узлах КЭ и построение разрешающей системы уравнений путем минимизации J по
всем узловым переменным:
(2.2)
Однако, указанный способ получения разрешающих уравнений для КЭ с помощью
функционала (2.1) не является единственно возможным. В настоящее время
уравнения для элементов получают путем минимизации функционала, связанного с
рассматриваемым дифференциальным уравнением соответствующей задачи
математической физики. Известны также конечно-элементные решения, основанные на
методе Галеркина. В последнем случае отпадает необходимость в вариационной формулировке
задачи.
Способ получения разрешающих уравнений для КЭ, основанный на оптимизации
функционала (2.1), является общепризнанным при теоретическом решении задач ОМД,
поскольку вариационные принципы имеют наглядный физический смысл и достаточно
строгое математическое обоснование.
По отношению к функционалу (2.1) известны три вида вариационных принципа
теории пластичности в зависимости от того, через какие переменные величины
выражена мощность (потенциальная энергия) деформации [8].
Принцип минимума полной мощности (полной энергии) или принцип возможных
изменений деформированного состояния рассматривает мощность (потенциальную
энергию) деформируемого тела как функционал произвольной системы скоростей
(перемещений), удовлетворяющей кинематическим граничным условиям, и который
принимает минимальное значение для системы скоростей (перемещений) фактически
реализуемой в деформируемом теле.
Принцип минимума дополнительной работы Кастильяно или принцип возможных
изменений напряженного состояния рассматривает дополнительную работу как
функционал произвольной системы напряжении, удовлетворяющей уравнениям
равновесия внутри тела и на его поверхности, и, который принимает минимальное
значение для системы напряжений, фактически реализуемой в деформируемом теле.
В вариационном принципе Рейсснера или принципе возможных изменений
напряженного и деформированного состояний мощность (энергия) рассматривается
как функционал скоростей и напряжении, и переменные той и другой группы
варьируются независимо друг от друга.
Каждому из перечисленных вариационных принципов соответствует
определенная форма МКЭ. Принципу минимума полной мощности (полной энергии)
соответствует кинематический метод, принципу минимума дополнительной работы -
метод напряжении, а вариационному принципу Рейсснера -
смешанный метод.
При
нагружении тела потенциальная энергия внешних сил изменяется. При этом внешние
силы совершают работу. Потенциал внешних сил W численно равен работе
этих сил:
(2.3)
где P
– поверхностные силы,
u – перемещения,
S – площадь поверхности тела.
В результате
изменения потенциальной энергии внешних сил тело деформируется и накапливает
потенциальную энергию деформации Q.
(2.4)
где s -
напряжения,
е - деформации,
V – объем тела.
Сумма энергии
деформации и потенциала внешних сил равна полной потенциальной энергии:
(2.5)
В
соответствии с принципом возможных перемещений Лагранжа изменение полной
потенциальной энергии на возможных перемещениях равняется нулю:
(2.6)
При этом под
возможными перемещениями du понимаются сколь
угодно малые отклонения системы от положения равновесия, допускаемые наложенными
на систему связями. Из уравнения (2.6)следует, что в состоянии равновесия
энергия П имеет стационарное значение. Можно показать, что в положении
устойчивого равновесия этот экстремум соответствует минимуму.
С учетом
изложенного вариационный принцип Лагранжа для статической задачи имеет вид:
(2.7)
Минимизируя
потенциальную энергию по возможным перемещениям, получаем систему линейных
уравнений, решая которую определяем значения внешних сил.
2.2 Основные соотношения метода конечных элементов
Простейшим
элементом, применяемым для решения осесимметричной задачи механики
деформируемого твердого тела, является тороидальный элемент с тремя узлами,
расположенными в вершинах треугольного сечения.
Рисунок 2.1 Конечный элемент в задаче осесимметричной деформации.
Вектор
перемещений узловых точек конечного элемента имеет вид в случае осесимметричной
деформации соответственно:
.
Произвольная
точка элемента получает перемещения ur и uz
в направлении осей r и z. Поэтому матрица u имеет вид:
Узловые
перемещения
и u
связаны между собой матрицей аппроксимирующих функций N:
Наиболее
распространенный способ получения приближенных решений на основе использования
вариационного уравнения по методу Релея - Ритца. Он заключается в том, что
функции перемещений задаются в виде интерполяционного полинома. Если
ограничиться полиномом первой степени, то эти функции будут иметь вид:
(2.8)
Здесь ai - произвольные постоянные. При линейной аппроксимации
стороны треугольника после деформирования элемента остаются прямыми.
Выразим ai через перемещения узлов элемента. В результате матрица N
примет вид:
S - площадь сечения элемента:
где ri,
zi - координаты i-го узла в соответствующих осях.
Деформированное
состояние в любой точке тела описывается тензором малых деформаций Коши:
В условиях
осесимметричной задачи тензор деформаций второго ранга сводится к вектору:
компоненты
которого выражаются через производные перемещений по соответствующим
координатам:
Связь между
составляющими векторов деформаций и перемещений можно представить одним
матричным равенством:
(2.9)
где B
– матричный дифференциальный оператор:
(2.10)
Используя
(2.9) и (2.10), можно выразить деформации через узловые перемещения
(2.11)
Матрица
функций формы C для осесимметричной деформации:
Заметим, что
коэффициенты матрицы C зависят от координат r и z точки
внутри элемента. Для треугольника с узлами в вершинах координаты r и z
можно заменить средними по элементу значениями:
Вектор
напряжений s имеет вид:
Выразим с
помощью линейного закона, выражаемого матрицей жесткости, напряжения через
узловые перемещения
, (2.12)
где D –
матрица материальных констант.
Потенциальная
энергия деформации элемента с учетом (2.11) и (2.12)
. (2.13)
Интеграл в
выражении (2.13) есть матрица жесткости выбранного элемента
. (2.14)
Элементарный
объем
.
Поэтому
матрица жесткости элемента записывается следующим образом:
, (2.15)
где S –
площадь элемента.
С учетом
проделанных преобразований уравнение равновесия элемента через узловые
перемещения выражается в форме:
(2.16)
где K
- матрица жесткости; P,
- векторы внешних сил и узловых перемещений,
соответственно.
При наличии
упругих и пластических деформаций связь между напряжениями и деформациями
нелинейна. Решение нелинейной системы уравнений весьма трудоемко. Поэтому при
использовании деформационной теории часто используют кусочно-линейный закон
связи напряжений и деформаций. Тогда при решении задачи в приращениях
напряжений Ds и
деформаций Dе, связь между
которыми можно считать линейной, получаем систему линейных уравнений:
(2.17)
Одним из
способов решения задачи в приращениях является метод последовательных
нагружений. Для квазистатической задачи приращения внешних сил DP вычисляются на шаге по времени Dt. При этом вектор внешних сил P в момент времени t
равен:
где n – шаг
нагружения.
Таким
образом, с учетом вышеизложенного, вариационное уравнение равновесия в
матричной записи принимает вид:
(2.18)
где
- вектор приращений
перемещений.
2.3 Представление матрицы жесткости
В пределах
упругости связь между приращениями напряжений и деформаций выражается законом
Гука. Согласно ему компоненты приращений деформаций являются линейными
функциями приращений напряжений. Пластическое состояние материала описывается
теорией малых упругопластических деформаций Ильюшина. Принимается теория
изотропного упрочнения. Объемная деформация в пластической зоне остается
упругой и для нее выполняется объемный закон Гука:
,
- относительное изменение
объема.
Модуль
объемного сжатия k для изотропного тела в случае осесимметричной
деформации имеет вид:
Модуль сдвига
G связан с модулем Юнга E и коэффициентом Пуассона n формулой:
в упругой
области и
в
пластической.
Здесь H
– касательный модуль упрочнения. Коэффициент Ляме l
определяется формулой:
Таким
образом, матрица материальных констант D имеет вид:
(2.19)
Следует особо
отметить, что использовать матрицу жесткости в таком виде для пластического
состояния можно, только связывая приращения деформаций и напряжений, о чем было
сказано ранее при выводе уравнения равновесия.
Зная текущее
состояние элемента, предел текучести, накопленную деформацию и приращения
внешних сил, можно определить изменение напряженно-деформированного состояния
на шаге приращения перемещений Du и сил DР, используя для вычисления K по формуле () упругое
или пластическое представление матрицы жесткости.
Пластическая
деформация твердого тела рассматривается в рамках деформационной теории
пластичности. Приняты следующие исходные положения:
·
тело изотропно;
·
относительное изменение объема мало и
является упругой деформацией, пропорциональной среднему давлению:
или
;
·
полные приращения составляющих
деформации Dеij
складываются из приращений составляющих упругой деформации Dеeij и пластической деформации
Dеpij:
;
·
девиаторы приращений напряжения и
деформации пропорциональны:
.
Напряженно-деформированное
состояние элемента на i+1 шаге характеризуется интенсивностью деформаций ei:
er,
ez, grz - компоненты
тензора деформаций.
Далее в
разделе будут упоминаться только интенсивности деформаций и напряжений.
Если
интенсивность деформаций (далее - полная деформация) какого - либо конечного
элемента превысила текущий предел упругости по деформациям ee,
то элемент переходит из упругого в пластическое состояние. Если материал
упрочняется при пластическом деформировании, то и предел упругости по
деформациям ee увеличивается на величину Dee (рисунок 2.2):
Изменение
предела упругости по деформациям на шаге i определяется формулой:
Пластическая
деформация определяется разностью интенсивностей полной деформации e и
пределом упругости по деформациям ee:
Интенсивность
напряжений на шаге i в пластическом состоянии определяется текущим
деформационным пределом упругости и модулем Юнга (рисунок 2.3):
Рисунок 2.2 Изменение предела
упругости по деформациям при упрочнении.
Рисунок 2.3 Напряжения при упрочнении.
Разгрузка
материала характеризуется переходом его в упругое состояние. В этом случае
предел упругости не меняется, а интенсивность напряжений определяется формулой
(рисунок 2.4):
Рисунок 2.4 Напряжения при разгрузке.
Для оценки
деформируемости и прогнозирования разрушения заготовок в процессах обработки
давлением получила развитие феноменологическая теория разрушения, использование
которой основано на полученных опытным путем диаграммах пластичности и
информации о напряженно-деформированном состоянии в процессах обработки
металлов давлением.
Оценку
деформируемости заготовок, а также расчет предельных технологических параметров
проводят с помощью деформационных критериев, в основу которых положены
ограничения, накладываемые на деформации. При этом для процессов,
сопровождающихся монотонным, но сложным деформированием, в качестве меры
повреждений принимают обычно некоторую скалярную характеристику.
Если влиянием
истории деформирования пренебречь, то можно использовать критерий
Смирнова-Аляева:
Либо,
нормируя на единицу, получим меру повреждений y:
(2.20)
где
- предельная деформация в
момент появления первых трещин, обнаруживаемых визуально;
h -
показатель напряженного состояния:
s - среднее нормальное
напряжение;
si – интенсивность напряжений.
y - использованный ресурс
пластичности, который при деформировании без разрушения меньше единицы.
Для учета
влияния истории деформирования и использования соотношения (2.20) для простого нагружения,
примем за меру повреждений y выражение:
,
где
- степень деформации к
рассматриваемому моменту;
- предельная деформация,
определяемая по диаграмме пластичности.
Предельная
деформация
по
диаграммам пластичности соответствующих материалов[4,22,23].
Добавление в
конечно-элементную модель критерия деформируемости позволило проводить контроль
на разрушение заготовки во время моделирования технологической операции
радиального обжатия, а также прогнозировать состояние готового изделия.
2.6 Взаимодействие заготовки с инструментом
Основным
предположением, определяющим понятие границы инструмента, является то, что
материал заготовки не может проникать сквозь нее. Возможны два варианта
контакта заготовки и инструмента: 1) инструмент неподвижен относительно
заготовки, 2) инструмент перемещается относительно заготовки. В связи с этим
рассматривается и два варианта формулировки граничных условий, которые будут
определять ход решения задачи.
Для
определения находится ли заготовка в контакте с инструментом, проводится
проверка положения всех узлов относительно границы. Если узел не достигает
границы, он считается свободным. Если узел оказался точно на границе контакта,
то ему запрещено дальнейшее перемещение перпендикулярно этой границе. В том
случае, если узловая сила давления заготовки на инструмент становится
отрицательной, то узел считается свободным, и с него снимаются все ограничения.
Если узел оказался за границей (в теле) инструмента, то он перемещается на неё
в направлении движения инструмента. Затем на этот узел накладываются
ограничения, аналогичные предыдущему. Узлы, которые в процессе деформации
покидают поверхность инструмента, переходят в разряд свободных, то есть с них
снимаются все ограничения на перемещения.
В случае
подвижной границы фиксирование и освобождение узлов происходит, аналогично
варианту с неподвижной границей. Для подвижной границы выполняется цикл,
определяющий на каждом шаге ее положение. При этом узлы, находящиеся на границе
на предыдущем шаге, получают перемещение по одной координате, соответствующее
перемещению границы. Вторая координата узла определяется путем решения линейной
системы уравнений. При этом если в результате вычисления узел оказался вне
границы, итерационную процедуру повторяют до тех пор, пока предыдущее и
последующее положение узла не совпадут с заданной степенью точности. Это
положение будет соответствовать положению узлов на границе (рисунок 2.5).
Рисунок 2.5 Процедура уточнения положения узла при смещении его
инструментом.
2.7 Трение
Сила трения в
узле определяется силой нормального давления инструмента на заготовку в
соответствии с законом Кулона (рисунок 2.6.):
где PN
– проекция узловой силы на нормаль к границе инструмента,
fTP – коэффициент трения скольжения.
Рисунок 2.3 Контакт конечного элемента заготовки с инструментом.
Действует
ограничение на сдвиг узла в обратном направлении под действием завышенной силы
трения FTP:
где Pt – сила скольжения узла заготовки по инструменту.
При
пластическом течении напряжение на элементах, контактирующих с внешними телами
(матрица или пуансон), не должно превышать предел текучести при сдвиге. Это
условие реализуется при решении системы линейных уравнений. Причем учитывается
текущий предел текучести на шаге.
2.8 Определение силовых режимов процесса
Для
определения силовых режимов процесса вычисляются компоненты напряжений во всех
элементах конечно-элементной сетки. Для двух узлов конечно-элементной сетки,
находящихся на границе, определяются значения составляющих усилия в радиальном
и осевом направлении. Для этого требуется рассмотреть равновесие кольцевого
конечного элемента с треугольным поперечным сечением.
Рисунок 2.4 Силы, действующие на элемент.
Равновесие конечного
элемента, находящегося под воздействием сил, рассматривается следующим образом:
где Pz
и Pr –силы, действующие соответственно по оси z и оси r.
где r1
z1, r2 z2 – координаты 1 и 2 узлов
конечного элемента (рисунок 2.7).
Усилие
процесса представляет собой сумму усилий, возникающих в конечных элементах,
находящихся в контакте с инструментом.
3
Осадка кольцевых заготовок
Напряжённое состояние металла при осадке
цилиндрических заготовок на плоских плитах определяется, прежде всего,
условиями внешнего трения, фактором формы заготовки H/D (отношение высоты к
диаметру) и фактором тонкостенности заготовки S/H (отношение толщины к высоте).
При отсутствии сил внешнего трения или их очень малой величине напряжённое
состояние металла однородно и после обжатия форма заготовки геометрически
подобна первоначальной форме. При наличии трения напряжения в различных частях
заготовки неодинаковы и сильно зависят от формы заготовки.
При осадке без смазки формоизменение металла становится
боле сложным. Оно изменяется в зависимости от формы заготовки и, прежде всего в
зависимости от отношений S/H и H/D.
Осадка тонкостенных заготовок (S/H<0.5) сопровождается
образованием двойной бочки, а при очень тонкой стенке (S/H<0.3) появляется
продольный изгиб стенки в сторону наружной поверхности (рисунок 3.1 а).
Рисунок 3.1а. Формоизменение тонкостенной кольцевой
заготовки.
При осадке заготовок с толстой стенкой (S/H>0.5)
происходит образование одинарной бочки, как на наружной, так и на внутренней
поверхностях заготовки (рисунок 3.1б).
Рисунок 3.1б. Формоизменение толстостенной кольцевой
заготовки.
Для моделирования поведения кольцевых заготовок была
разработана конечно-элементная математическая модель.
3.1 Расчетная схема процесса
Для исследования процесса осадки используется
модель, представляющая собой 1 четверть сечения осесимметричной заготовки. При
использовании МКЭ данная модель разбивается на ряд связанных между собой
структурных элементов, представляющих, в целом, конечно элементную сетку.
При решение задачи на систему требовалось
наложить ряд ограничений (граничных условий), адекватно отражающих картину
течения материала в процессе деформирования (рисунок 3.2).
Рисунок 3.2. Расчетная схема процесса осадки
осесимметричной заготовки: 1 - плита, 2 - заготовка, u – направление
перемещения, R – радиус заготовки.
При расчете были сформированы и приняты
следующие граничные условия:
1.
Отрезок АВ относится как к инструменту,
так и к заготовке, пересечение границы инструмента запрещено в силу его
непроницаемости.
2.
Узлы расположенные на оси CD могут
перемещаться лишь вдоль неё.
3.
Узлы на отрезках АС и BD могут
перемещаться, как в вдоль оси z, так и вдоль оси r.
Материал упругопластический, подчиняющийся обобщенному
закону Гука. Нагружение задаётся перемещением рабочей поверхности пуансона.
Задача решается в приращениях сил, перемещений, напряжений и деформаций, что
позволяет рассматривать значительные деформации посредством упругопластической
теории.
3.2 Анализ результатов расчетов
Использовался процесс осадки заготовок из стали
У10А. Механические свойства материала: модуль Юнга – Е = 200 ГПа, касательный
модуль – Н = 800 Мпа, предел упругости
= 300 Мпа, коэффициент Пуансона
= 0,3. Осадка производилась сухими
шероховатыми плитами при одинаковом относительном обжатии (Е=30%). Исходными
данными для расчета послужили следующие геометрические параметры: диаметр
заготовки D = 50, 100, 200 мм, отношение толщины к высоте 0,5 > S/H >0,5,
толщина заготовки S = 20 мм, коэффициент трения
Рассмотрим основные параметры процесса осадки
кольцевых заготовок при S/H<0.5, т.е. происходит потеря устойчивости.
Развитие пластической области в процессе
нагружения показано на рисунке 3.2а,б,в,г. Анализ их показывает, что развитие
пластической области начинается с внешней стороны и затем распространяется на
внутреннюю сторону, и уже к шагу № 75 (рисунок 3.3в) охватывает всю заготовку.
Рисунок 3.4а. Распределение интенсивности напряжений на
последнем шаге.
Рисунок 3.4б. Распределение интенсивности деформации на
последнем шаге.
Как следует из рисунка 3.4б, деформации на верхней границе
заготовки весьма малы. Анализ рисунка 3.4б показывает, что деформации по
сечению заготовки весьма неоднородны. Наибольшее их значение находится
непосредственно в зоне оси симметрии заготовки, в связи, с чем заготовка теряет
устойчивость и появляется продольный изгиб.
Картина течения материала на заключительной стадии процесса
показана на рисунке 3.5.
Рисунок 3.5. Картина течения материала на последнем шаге.
Для оценки напряженно-деформированного состояния были
рассмотрены области заготовки, выделенные элементами 1,2,3,4 (рисунок 3.6).
Распределение напряжения в течении процесса деформирования показаны на рисунке
3.7а,б,в,г.
Рисунок
3.6. Положение элементов в конечно-элементной сетке.
Рисунок 3.7а. Компоненты напряжений в элементе № 1-
-
окружное, радиальное, осевое напряжения.
Рисунок 3.7б. Компоненты напряжений в элементе № 2,
- окружное, радиальное,
осевое напряжения.
Рисунок 3.7в. Компоненты напряжений в элементе
№ 3,
- окружное,
радиальное, осевое напряжения.
Рисунок 3.7г. Компоненты напряжений в элементе
№ 4,
- окружное,
радиальное, осевое напряжения.
Анализ графиков показывает, что окружные и осевые напряжения в течение
процесса могут быть как растягивающими, так и сжимающими. Радиальные и осевые
напряжения только сжимающие. Причем как видно из рисунка 3.7а, окружные и
радиальные напряжения – растягивающие в элементе № 1. Распределение деформаций
в этих элементах показано на рисунках 3.8 а,б,в,г.
На рисунках 3.9 а,б,в,г показаны диаграммы
пластичности стали У10А и траектория деформирования
li) материала в элементах 1,2,3 и 4
в процессе нагружения.
Рисунок 3.8а. Компоненты деформаций в элементе № 1,
- окружная, радиальная,
осевая деформации.
Рисунок 3.8б. Компоненты деформаций в элементе№
2,
- окружная,
радиальная, осевая деформации
Рисунок 3.8в. Компоненты деформаций в элементе № 3,
- окружная, радиальная,
осевая деформации.
Рисунок 3.8г. Компоненты деформаций в элементе № 4,
- окружная, радиальная,
осевая деформации.
Рисунок 3.9а. 1- Диаграмма предельной пластичности; 2 –
траектория деформирования металла заготовки в элементе № 1.
Рисунок 3.9б. 1- Диаграмма предельной пластичности; 2 –
траектория деформирования металла заготовки в элементе № 2.
Рисунок 3.9г. 1- Диаграмма предельной пластичности; 2 –
траектория деформирования металла заготовки в элементе № 4.
Анализ графиков (рисунок 3.9) показал, что
разрушение происходит в элементе № 1.
Аналогичные исследования для осадки кольцевой
при S/H>0,5, приведены на рисунках 3.10а,б,в,г. Анализ их показывает, что
пластическая область развивается уже на первых шагах осадки, а к шагу № 30 весь
материал заготовки перешел в пластическую область и далее образуется одинарная
бочка. На рисунке 3.11б показана интенсивность деформации в конце процесса. Как
видно из рисунка 3.11б деформации весьма не однородны, наименьшая величина
находится на верхней границы заготовки.
Картина течения материала заготовки представлена на рисунке
3.12.
D=200 мм, S/H=0,65,
Шаг № 5
Шаг № 30
Шаг № 75
Шаг № 100
Рисунок 3.10а,б,в,г. Развитие пластической
области.

Рисунок 3.11а. Интенсивность напряжения в конце
процесса.
Рисунок 3.11б. Интенсивность деформации в конце
процесса.
Рисунок 3.12. Картина течения материала на последнем шаге.
Для оценки напряженно-деформированного
состояния были рассмотрены области заготовки, выделенные элементами 1,2,3,4
(рисунок 3.13). Распределение напряжения в течение процесса деформирования
показано на рисунке 3.13.
Рисунок3.13. Положение элементов в конечно-элементной
сетке.
Рисунок 3.14 а. Компоненты напряжений в элементе № 1,
- окружная, радиальная,
осевая деформации.
Рисунок 3.14б. Компоненты напряжений в элементе № 2,
- окружное, радиальное,
осевое напряжения.
Рисунок 3.14в. Компоненты напряжений в элементе
№ 3,
- окружное,
радиальное, осевое напряжения.
Рисунок 3.14г. Компоненты напряжений в элементе № 4,
- окружное, радиальное,
осевое напряжения.
Анализ графиков показывает, что окружные, радиальные и осевые
напряжения в течении процесса являются сжимающими, в элементе № 1 радиальные
напряжения растягивающие. Распределение деформаций в этих элементах показана на
рисунках 3.15 а,б,в,г.

Рисунок 3.15а. Компоненты деформаций в элементе № 1,
- окружная, радиальная,
осевая деформации.
Рисунок 3.15б. Компоненты деформаций в элементе
№ 2,
- окружная,
радиальная, осевая деформации.

Рисунок 3.15в. Компоненты деформаций в элементе № 3,
- окружная, радиальная,
осевая деформации.

Рисунок 3.15в. Компоненты деформаций в элементе № 4,
- окружная, радиальная,
осевая деформации.
На
рисунках 3.16 а,б,в,г. Показана диаграмма пластичности стали У10А и траектория
деформирования
i)
материала в элементах 1,2,3,4 в процессе нагружения.
Рисунок 3.16а. 1- Диаграмма предельной пластичности; 2 –
траектория деформирования металла заготовки в элементе № 1.
Рисунок 3.16б. 1- Диаграмма предельной
пластичности; 2 – траектория деформирования металла заготовки в элементе № 2.

Рисунок 3.16в. 1- Диаграмма предельной пластичности; 2 –
траектория деформирования металла заготовки в элементе № 3.
Рисунок 3.16в. 1- Диаграмма предельной пластичности; 2 –
траектория деформирования металла заготовки в элементе № 4.
С целью комплексной оценки влияния диаметра
заготовки на устойчивость были проведены исследования перемещение координат Х1,
Х2, Х3 и Х4 узлов, показанных на рисунке 3.17, и усилие пресса, со следующими
исходными данными: коэффициент трения
0,1;0,3;0,5; диаметр заготовки D = 50 мм, 100
мм, 200 мм; отношение толщины к высоте S/H=0,2;0,25;0,3;0,35;…;0,8;0,85;0,9.
Результаты расчетов в виде графических зависимостей приведены на рисунке 3.18
а,б,в и рисунке 3.19а,б,в.
Рисунок 3.17.
Рисунок 3.18а. Перемещение координат х1 и х2, при m=0,1; 1-
диаметр D=50 мм, 2- диаметр D=100 мм, 3- диаметр D=200 мм.
Рисунок 3.18б. Перемещение координат х1 и х2, при m=0,3; 1-
диаметр D=50 мм, 2- диаметр D=100 мм, 3- диаметр D=200 мм.
Рисунок 3.18в. Перемещение координат х1 и х2, при m=0,5; 1-
диаметр D=50 мм, 2- диаметр D=100 мм, 3- диаметр D=200 мм.
Рисунок 3.19а. Усилие, приложенное к заготовке диаметром
D=50мм на шаге №100, 1-
;2-
;3-
.
Рисунок 3.19б. Усилие, приложенное к заготовке диаметром D=
100мм на шаге №100, 1-
;2-
;3-
.
Рисунок 3.19в. Усилие, приложенное к заготовке диаметром
D=200мм на шаге №100, 1-
;2-
;3-
.
Анализ графиков (рисунок 3.18 а,б,в) показал, в
положительной зоне, заготовка теряет устойчивость, а – в отрицательной зоне
заготовка устойчивая, сопровождается образованием одинарной бочки как на
наружной поверхности, так и на внутренней поверхностях.
Анализируя графики (рисунок 3.19 а,б,в) можно сделать
вывод, что усилие пресса растет независимо от коэффициента трения между
плитами.
3.3 Планирование эксперимента
Для проектирования технологического процесса осадки
кольцевых заготовок представляет интерес получения регрессионных зависимостей,
приближенно описывающих зависимость поведения осадки кольца (усилие процесса и
радиальное перемещение внутренних узлов) от геометрических размеров заготовки.
С этой целью рационально использовать аппарат математической статистики и
теории планирования многофакторного эксперимента на основе результатов
машинного эксперимента. Используя результаты предварительных экспериментов в
реальном диапазоне изменения геометрических размеров заготовки, в качестве
варьируемых входных факторов, были выбраны:
·
диаметр заготовки – D;
·
отношение толщины к высоте – S/H;
·
трение -
.
В качестве выходных параметров (функции отклика),
характеризующих процесс осадки зоготовок, приняты усилие процесса и перемещение
узлов.
Задача сводится к построению вторичной математической
модели зависимости усилий от факторов, характеризующих геометрию заготовки.
Предварительный анализ показал, что эти зависимости имеют
не линейный характер, поэтому для их описания использовали полиномиальную
модель второго порядка:
y = b0 + b1x1 + b2x2 + b3x3 + b11x12 + b22x22 + b33x32 + b12x1x2 + b23x2x3 + b13x1x3,
где y – значение выходного параметра (функции
отклика);
b0, bi, bii, bij
– коэффициенты регрессии;
xi, xj – кодированные значения входных
параметров.
Xi = (Xi – Xi0)/
Xi,
где Xi – натуральное значение фактора;
Xi0 – натуральное
значение основного уровня:
Xi0 = (Ximax
+ Ximin)/2;
Xi
– интервал варьирования:
Xi
= (Ximax - Ximin)/2,
i – номер фактора,
k – количество
факторов.
Оценить математическую модель изучаемого
явления можно по статистическим критериям оптимальности планов [31]. Структура
построения
-
оптимальных планов на кубе была предложена Боксом и Дрейпером [34]. Эти планы
выбирают из множеств точек, указанных в таблице 3.1.
Таблица 3.1.
Способ построения насыщенных
- оптимальных планов Бокса и Дрейпера
|
Номер
множества
|
Точки
множества
|
Число опытов
множества
|
|
1
|
(-1,..., -1)
|
1
|
|
2
|
(+1, -1,..., -1)
|
|
|
3
|
( , , -1,..., -1)
|
( -1) · /2
|
|
4
|
( , +1,..., +1)
|
|
Значения
и
, которые приведены в таблице 3.1, для планов
разных размерностей Бокс и Дрейпер получили из критерия
- оптимальности, максимизируя определитель
информационной матриц [34].
- оптимальным планом называют такие планы,
которым соответствуют минимальный определитель матрицы
или, что тоже самое, максимальный определитель
информационной матрицы
.
Определитель ковариационной матрицы пропорционален объему эллипсоида рассеяния
[51]. Следовательно,
-
оптимальность приводит к получению эллипсоида рассеяния оценок коэффициентов
минимального объема. В статистическом смысле
- оптимальность обеспечивает минимум обобщенной
дисперсии всех оценок коэффициентов.
В качестве плана эксперимента был выбран насыщенный
D-оптимальный план Бокса и Дрейпера на кубе для k=3 со следующими
приведенными параметрами [31]:
=
1,45 - определитель нормированной ковариационной матрицы М,
=
1,59 - средняя по области планирования дисперсия оценки модели,
tr = 1,93 - след
нормированной ковариационной матрицы М,
= 3,80
- максимальное собственное значение нормированной ковариационной матрицы М,
eD = 1,00 - близость плана к D-оптимальному:
,
где
-
характеристика D-оптимального плана.
В таблице 3.2 представлена матрица планирования
эксперимента, где через –1,0,+1 обозначены соответственно нижний, основной и
верхний уровни рассматриваемых факторов.
Таблица 3.2
Матрица планирования эксперимента
|
№ п/п
|
x1
|
x2
|
x3
|
|
1
2
3
4
5
6
7
8
9
10
11
|
-1
+1
-1
-1
0.1925
0.1925
-1
-0.2912
+1
+1
0
|
-1
-1
+1
-1
0.1925
-1
0.1925
+1
-0.2912
+1
0
|
-1
-1
-1
+1
-1
0.1925
0.1925
+1
+1
-0.22912
0
|
В таблице 3.3 приведены уровни факторов, соответствующие
реальным условиям процесса осадки кольцевых заготовок.
Таблица 3.3
Уровни факторов и интервалы варьирования
|
Обозначение фактора
|
x1
|
x2
|
x3
|
|
Наименование фактора
|
D
|
S/H
|
|
|
Область эксперимента
|
|
Основной
Уровень
|
125
|
0,6
|
0,3
|
|
Интервал
Варьирования
|
75
|
0,3
|
0,2
|
|
Нижний
уровень
|
50
|
0,3
|
0,1
|
|
Верхний
уровень
|
200
|
0,9
|
0,5
|
Через х1,х2,х3 обозначим
кодовое значение факторов, которые связаны с действительными значениями
следующими соотношениями:
,
,
.
Необходимые расчеты по определению коэффициентов регрессии
были выполнены по программе Ram3_10.exe, разработанной на кафедре
МПФ ТулГУ. Опыты в плане эксперимента не дублировались. Дисперсия
воспроизводимости (опыта) определялась при проведении трех дополнительных
опытов на нулевом уровне с 5%-ным отклонением по взятым наугад строчкам плана.
После обработки результатов были получены уравнения регрессии.
С учетом рассчитанных коэффициентов уравнения регрессии для
выходных параметров, характеризующих усилие процесса и перемещение внутренней
поверхности кольца, примут вид:
у1= 4,2506 + 4,1975x1 + 0,95372x2
+ 0,38085x3 +0,44997x1x2 +
0,46786x2x3 + 1,7021x12;
y2= – 0,6 – 0,834x1 – 6x2
– 2,36x3 – 2,39x1x2 –
1,59x1x3 – 2,18x2x3
+ 5,6x22 – 1,98x32;
где у1 и у2- усилие и перемещение
соответственно.
Полученная математическая модель проверялась на
адекватность с помощью F-критерия (критерия Фишера), значимость коэффициентов
модели - по t-критерию Стьюдента при уровне значимости 5% [30,51].
Полученные уравнения регрессии дают возможность определить
усилие осадки и перемещение узлов кольца при любом сочетании указанных факторов
из их области определения.
На рисунках 3.20 а,б,в – 3.21 а,б,в, показаны поверхности,
определяющие усилие пресса и перемещение узлов внутренней поверхности кольца, в
зависимости от диаметра кольца D и от отношения высоты к ширине кольца
при различных коэффициентах
трения
.
Рисунок 3.20 а.
Зависимость усилия пресса от диаметра D заготовки и от отношения толщины к
высоте S/H при
.
Рисунок 3.20 б. Зависимость усилия пресса от
диаметра D заготовки и от отношения толщины к высоте S/H при
.
Рисунок 3.20 в. Зависимость усилия пресса от
диаметра D заготовки и от отношения толщины к высоте S/H при
.
Анализ полученных результатов
показал, что усилие растет с увеличением коэффициента трения
и диаметра заготовки D. Также усилие
растет при D = 50 мм с уменьшением коэффициента трения
и увеличением отношения толщины к
высоте S/H.
Рисунок 3.21 а.
Зависимость перемещения узлов Х1и Х2 от диаметра D заготовки и от отношения
толщины к высоте S/H при
.
Рисунок 3.21б. Зависимость перемещения узлов
Х1и Х2 от диаметра D заготовки и от отношения толщины к высоте S/H при
.
Рисунок 3.21в.
Зависимость перемещения узлов Х1и Х2 от диаметра D заготовки и от отношения
толщины к высоте S/H при
.
Анализ полученных результатов показал, что в
области больше нуля заготовка теряет устойчивость. А также замечено, что, чем
больше коэффициент трения
, тем заготовки устойчивее.