Дослідження трансформатора у режимі холостого ходу

  • Вид работы:
    Практическое задание
  • Предмет:
    Физика
  • Язык:
    Украинский
    ,
    Формат файла:
    MS Word
    58,89 Кб
  • Опубликовано:
    2015-08-28
Вы можете узнать стоимость помощи в написании студенческой работы.
Помощь в написании работы, которую точно примут!

Дослідження трансформатора у режимі холостого ходу















Звіт про лабораторну роботу №4

Дослідження трансформатора у режимі холостого ходу

Розробила Хмара А.О.

Перевірив Апухтін О.С

Вступ

Мета роботи

Вивчити конструкцію трансформатора, його паспорт, вивчити методику виконання маркування обмоток та визначення числа витків обмоток, визначити індукцію у стрижні трансформатора.

Обладнання та прилади.

Макети, плакати і діючі трансформатори, джерело змінної напруги, джерело постійної напруги, вольтметр (U=250 В) електромагнітної системи, амперметр (5-10 А) і вольтметр (250 В) магнітоелектричної системи, реостат на (5-10 А), вольтметр електромагнітної системи (0..30 В).

Паспорт лабораторного трансформатора:

o   номінальна потужність SH=2,5 кВА;

o   напруга первинної обмотки (ВН) 380/220 В, Y/Δ

o   напруга вторинної обмотки (НН) 133 В, Δ

o   струми обмотки ВН - 3,8/6,65 А,

o   струм обмотки НН - 10,5 А.

o   Пст=20*10-4 м2

Завдання:

.        Вивчити конструкцію і паспорт трансформатора.

.        Виконати розрахунки по паспортним даним.

.        Виміряти активний опір фазних обмоток, визначити обмотки вищої напруги (ВН) і нижчої напруги (НН).

.        Здійснити розмітку виводів фазних обмоток: а) ВН б) НН.

.        Визначити числа витків фазних обмоток ВН і НН, коефіцієнт трансформації, індукцію у стрижні трансформатора.

.        Знаючи напругу мережі і коефіцієнт трансформації, розрахувати фазні і лінійні напруги при з’єднанні фазних обмоток за схемами Y/Y,Y/Δ, Δ/Δ і Δ/Y.

1. Опис будови трансформатора

Трансформатором називається статичний індуктивний перетворювач, який має дві або більше індуктивно не зв’язаних обмоток та необхідний для перетворювання завдяки електромагнітній індукції параметрів електричної енергії змінного струму (напруги, струму, частоти, кількості фаз).

В більшості випадків за допомогою трансформаторів перетворюються тільки напруги U1, U2 та струми I1, I2 без змінення частоти та кількості фаз.

Трансформатор, який має дві однофазні чи многофазні електрично не зв’язані між собою обмотки називається двообмотковий; трансформатор, який має три чи більше - триобмотковий чи багатообмотковий.

Однофазна чи багатофазна обмотка, яка споживає енергію з мережі, називається первинною. Обмотка, яка віддає енергію до споживача, називається вторинною. Традиційно трансформатор складається з 3 основних частин:

ü  Сталевого замкненого осердя

ü  Первинної обмотки

ü  Вторинної обмотки

Рис.1 Електромагнітна система однофазного трансформатора: 1,2 - первинна та вторинна обмотки, 3-магнітопровід

2. Розрахунки за паспортними даними

Розраховуємо коефіцієнт трансформації за виразом:


Номінальний фазний струм обмоток ВН і НН:


Коефіцієнт трансформації:


3. Визначення парності виводів обмоток трансформатора

Парність виводів фазних обмоток трансформатора визначаємо за допомогою вольтметра електромагнітної системи, що вмикається за схемою (рис. 2).

Рис. 2 - Схема для визначення парності виводів фазних обмоток

4. Маркування виводів обмоток

Для розмітки (маркування) виводів фазних обмоток ВН застосовуються два методи: метод пробної зірки (метод фазних напруг) і індукційний метод.

У першому випадку (рис.3, а) три виводи різних фазних обмоток, які належать ВН, з’єднуємо у зірку. До виводів 1, 2 і 3 підводимо напругу мережі.

Вимірюються фазні напруги і якщо вони рівні між собою, то робимо висновок, що разом з’єднані однойменні виводи (наприклад - X, Y, Z), тоді виводи 1, 2 і 3 можна промаркувати як A, B і C.

Якщо одна із фазних обмоток увімкнена відносно двох інших не вірно, то напруга на ній буде приблизно в два рази більшою двох інших. Необхідно переключити “вивернену” фазу і знову зробити виміри.

При індукційному методі (рис.3, б) виводи обмоток ВН (1 ́ і 2 ́) з’єднуємо разом, виводи 1 і 2 включаємо у мережу. До третьої фазної обмотки (3 - 3 ́) підключаємо вольтметр. Якщо показання вольтметра дорівнює нулю - виводи 1 ́ і 2 ́ однойменні, то їх можна промаркувати як X і Y, тоді 1 буде А, а вивід 2 - В.

а)                                                       б)

Рис. 3 - Маркування фазних обмоток: а) метод пробної зірки; б) індукційний метод.

Якщо U¹0, то одну з фазних обмоток слід перемаркувати.

Для розмітки третьої фазної обмотки одну, уже розмічену обмотку, включаємо послідовно із шуканою (вивід Y з’єднують з 3 ́). До виводів В і 3 підводимо напругу мережі і на обмотці А - X вимірюємо напругу. Якщо UAX дорівнює нулю, робимо висновок про те, що Y і 3 ́ - однойменні виводи. Можна маркувати 3 ́ на Z, а вивід 3 промаркувати як С. У протилежному випадку слід третю обмотку перемаркувати.

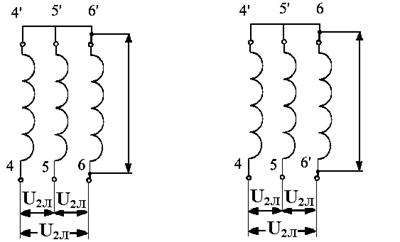
Після маркування фазних обмоток ВН їх з’єднують у зірку. З’єднують разом виводи 4 ́,5 ́ і 6  ́ фазних обмоток НН (рис. 4). Після включення в мережу первинної обмотки трансформатора на вторинній обмотці вимірюють лінійні напруги. Якщо лінійні напруги рівні (U4-5=U5-6=U4-6) і у √3 більше фазних напруг (U4-4 ́=U5-5 ́ =U6-6 ́), то робиться висновок про те, що 4, 5 і 6 - однойменні виводи фазних обмоток (a, в, с).

Рис. 4 - Маркування фазних обмоток нижчої напруги

5. Визначення числа витків додаткової обмотки

Для визначення числа витків на стрижні крім основних фазних обмоток розташовується 20-30 витків додаткової обмотки Wд (рис.5).

Зібравши фазні обмотки трансформатора за схемою Δ/ Δ первинну обмотку трансформатора (ВН) підключаємо до мережі. Виміряємо U1ф = 235В, U2ф = 145В і вольтметром на 30 В - на додаткових витках (Uд= 13,5В).

Рис.5 - До визначення числа витків

Проводимо розрахунки числа витків, коефіцієнта трансформації та індукції:


Індукцію визначаємо при номінальній фазній напрузі по паспорту за виразом:


6. Розрахунок напруг

напруга трансформатор фазний обмотка

Порівняти розрахунки з виміряними за схемами рис.6 величинами.

Розрахунки і виміри заносимо в табл.1.

Рис.6 - З’єднання обмоток у зірку (а) та трикутник (б)


Таблиця 1 - Результати розрахунків і вимірювань напруг

Схема

Розраховано

Виміряно


ВН

НН

ВН

НН


U1л

U1ф

U2л

U2ф

U1л

U1ф

U2л

U2ф

Y/Y

220

127

133

76,8

235

135

145

80

Y/Δ

220

127

76,8

76,8

235

135

85

85

Δ/Δ

220

220

133

133

235

235

145

145

Δ/Y

220

220

230

133

235

235

235

145


Приклад розрахунку для випадку Y/Y


Висновки

При виконанні роботи було ознайомлено з конструкцією трансформатора, методикою маркування обмоток та розрахунками за паспортом трансформатора. Отримані у досліді співвідношення відповідають теоретичним даним.

Похожие работы на - Дослідження трансформатора у режимі холостого ходу

 

Не нашли материал для своей работы?
Поможем написать уникальную работу
Без плагиата!
Без нейросетей!