Возобновляемые источники энергии. Расчет, виды и задачи геотермальной электростанции
Возобновляемые
источники энергии. Расчет, виды и задачи геотермальной электростанции
СОДЕРЖАНИЕ
ВВЕДЕНИЕ
.
СУЩЕСТВУЮЩИЕ ИСТОЧНИКИ ЭНЕРГИИ
.1
ТИПЫ ТОПЛИВА
.2
ПРОБЛЕМЫ РАЗВИТИЯ И СУЩЕСТВОВАНИЯ ЭНЕРГЕТИКИ
.
АЛЬТЕРНАТИВНЫЕ ИСТОЧНИКИ ЭНЕРГИИ
.1
ТИПЫ АЛЬТЕРНАТИВНЫХ ИСТОЧНИКОВ ЭНЕРГИИ И ИХ РАЗВИТИЕ
.
ГЕОТЕРМАЛЬНАЯ ЭЛЕКТРОСТАНЦИЯ
.1
ЧТО ТАКОЕ ГЕОТЕРМАЛЬНАЯ ЭНЕРГИЯ
.2
ИСТОЧНИКИ И СПОСОБЫ ИСПОЛЬЗОВАНИЯ ГЕОТЕРМАЛЬНОЙ ЭНЕРГИИ
.3
ПРИНЦИП РАБОТЫ ГЕОТЕРМАЛЬНОЙ ЭЛЕКТРОСТАНЦИИ
.4
РАСЧЕТ ГЕОТЕРМАЛЬНОЙ ЭЛЕКТРОСТАНЦИИ
ВЫВОДЫ
ЛИТЕРАТУРА
ВВЕДЕНИЕ
В настоящее время известно, что запасы многих
органических источников энергии истощаются в огромных объемах на протяжении
многих столетий. Это первостепенная роль в обеспечении электроэнергией весь
мир. В связи с этим ведется поиск новых месторождений и видов топлива. Огромной
проблемой становятся исследования в области влияния выбросов продуктов сгорания
и переработки в атмосферу и другая деятельность человечества в пользу
удовлетворения потребностей в энергии планеты.
Непрерывное увеличение энергопотребления
усиливает загрязнение окружающей среды. Помимо загрязнения резкое сокращение
органического топлива становится угрозой для жителей Земли. Уже через несколько
десятилетий данный факт может привести к локальным войнам за ресурсы планеты.
Несмотря на неутешительные последствия поиски решений увеличиваются
пропорционально истощению ресурсов планеты.
Подходящим подходом к решению энергетического
вопроса является поиск новых источников энергии. Такими примерами являются: энергия
Солнца; волн; ветра и др.
По-другому они называются альтернативными
источниками энергии (АИЭ). АИЭ эксплуатация не приводит к загрязнению
окружающей среды по сравнению с классическими источниками энергии. Кроме того,
энергия ветра, Солнца, приливов является чистой и бесконечной в рамках нынешних
исследований. Использование “чистой” энергии может вывести человечество на
более высокую ступень развития и понимания процессов окружающего мира. В наш
мир могут вернуться очищенные от смрада человеческой деятельности и культуры
природные ландшафты. Сократится количество вырубленных лесов, вырытых
котлованов. Снизится количество смога, тяжелых металлов, кислот и щелочей в
атмосфере. Затянутся озоновые дыры. Вернется климат в адекватное состояние.
К сожалению, такие положения весьма сомнительны,
так как капиталистический уклад, отсутствие заботы об окружающем мире и будущем
планеты растут в огромных масштабах, и те, кто своими небольшими действиями
пытается спасти этот мир или отсрочить его разрушение будет поглощен
конкурентами и глупцами.
В курсовой работе приведены исследования и
расчеты геотермальных электростанций (ГеоЭС). Рассматриваются виды источников
геотермальной энергии, принципы работы ГеоЭС.
. СУЩЕСТВУЮЩИЕ ИСТОЧНИКИ ЭНЕРГИИ
Большая часть ресурсов Земли значительно
истощена. Новые разрабатываемые месторождения в целом не изменяют ситуацию в
природе, а лишь оттягивают неминуемый исход. Энергетика находится на первом
месте в употреблении и преобразовании. От нее в решающей мере зависит
экономический потенциал государств и благосостояние людей. Она же оказывает
наиболее сильное воздействие на окружающую среду, благополучие государств. При
этом совершается пагубное влияние в состояние нашей планеты в целом.
Классическое топливо изменяет природные
ландшафты при переработке и добыче практически до неузнаваемости. Примером
могут служить карьеры и гектары вырубленных лесов под добычу полезных
ископаемых или постройку очередной электростанции на угле или газе.
Воспроизводство полезных ископаемых и
органического газа растет медленными темпами по сравнению с их добычей. Таким
образом, данная проблема уже не новость и с каждым десятилетием она лишь будет
острее возникать в жизни людей.
1.1 ТИПЫ ТОПЛИВА
Все существующие виды топливной энергии в
природе подразделяются на твердые, жидкие и газообразные. Все виды
органического природного топлива состоят из одних и тех же химических
элементов. Разница между видами топлива состоит в том, что эти химические
элементы содержатся в топливе в разном объеме.
Элементы, из которых состоит топливо, делятся на
две группы.
элементы, которые горят сами или поддерживают
горение (углерод, водород и кислород);
элементы, которые сами не горят и не
способствуют горению (азот, вода).
Особое место от названных элементов занимает
сера. Сера является горючим веществом и при горении выделяет определённое
количества тепла, но ее присутствие в топливе нежелательно, так как при горении
серы выделяется сернистый газ, который переходит в нагреваемый металл и
ухудшает его механические свойства. Количество тепловой энергии, которое
выделяет топливо при горении, измеряется калориями. Каждое топливо при горении
выделяет неодинаковое количество тепла. Количество тепла (калорий), которое
выделяется при полном сгорании 1 кг твердого или жидкого топлива или при
сгорании 1 м3 газообразного топлива, называется теплотворной способностью
топлива или теплотой сгорания топлива. Теплота сгорания различных видов топлива
имеет широкие пределы. Например, для мазута теплота сгорания составляет около
10000 ккал/кг, для угля 3000 - 7000 ккал/кг. Чем выше теплота сгорания топлива,
тем топливо ценнее, так как для получения одного и того же количества тепла
потребуется меньше. К примеру, при проектировании, когда необходимо сравнить
расход угля с расходом мазута и целесообразность строительства угольной или
мазутной котельной необходимо учесть поправочный коэффициент на калорийность
топлива.
Стоит отметить, что, несмотря на огромное
разнообразие органических ресурсов, их объемы никак не смогут удовлетворить
человечество в больших пределах.
.2 ПРОБЛЕМЫ РАЗВИТИЯ И СУЩЕСТВОВАНИЯ ЭНЕРГЕТИКИ
Развитие индустриального общества
пропорционально росту энергопотребления. Большая часть разрабатываемой техники
и различных устройств питаются электроэнергией, которую, в свою очередь, необходимо
добывать. Как известно, в основе производства тепловой и электрической энергии
лежит процесс сжигания ископаемых энергоресурсов - угля, нефти или газа, а в
атомной энергетике - деление ядер атомов урана и плутония при поглощении
нейтронов.
Органические ископаемые ресурсы, даже при
вероятном замедлении темпов роста энергопотребления, будут в значительной мере
израсходованы в самом ближайшем будущем. Отметим также, что при сжигании
ископаемых углей и нефти, обладающих сернистостью около 2,5%, ежегодно образуется
до 400 млн. тонн сернистого газа и окислов азота, что составляет 70 кг вредных
веществ на каждого жителя Земли в год.
Таким образом, сокращение потребления и
экономичность полезных ископаемых не сможет помочь избежать энергетической и
экологической катастрофы. Если в ближайшем будущем планета не станет непригодна
для жизни, то критическая нужда в энергоресурсах обеспечена. Выход остается в
поиске и внедрении возобновляемых источников энергии. Огромную важность играет
борьба с отходами и выбросами в атмосферу тонн вредных и смертельно опасных
продуктов сгорания.
Как уже известно, сгорание органического топлива
вредно для окружающей среды. В настоящее время разрабатываются системы и
устройства очистки выбросов в атмосферу продуктов сгорания. Среди устройств
можно выделить следующие: фильтры на соплах Вентури; металлические лабиринтные
фильтры. Из существующих методов очистки существуют следующие: адсорбционный
метод, метод термического дожигания.
Данные процессы могут привести к глобальным
необратимым последствиям, которые повлияют на все слои общества. Поэтому
человечество ищет выход из этой печальной ситуации, который описан ниже.
2. АЛЬТЕРНАТИВНЫЕ ИСТОЧНИКИ ЭНЕРГИИ
Альтернативные источники энергии являются
наиболее существенным решением энергетической и экологической проблем.
Альтернативная энергетика основана на использовании возобновляемых источников
энергии. Основная идея поиска альтернативных источников энергии заключается в
использовании тех ресурсов планеты, которые дает природа. Их эксплуатация, в
свою очередь, не оказывает негативного влияния на окружающую среду. Поэтому на
данный момент уже существуют волновые электростанции, солнечные, ветряные,
геотермальные и многие другие.
.1 ТИПЫ АЛЬТЕРНАТИВНЫХ ИСТОЧНИКОВ ЭНЕРГИИ И ИХ
РАЗВИТИЕ
Как было сказано, АИЭ имеют различные типы и
характеристики добычи и преобразования энергии. Их принцип действия аналогичен
классическим источникам энергии: преобразование механической энергии в
электрическую. В качестве механической энергии выступает энергия Солнца, ветра,
приливов и других естественных природных источников энергии. Современные
технологии и исследования позволяют получать электрическую энергию без вреда
для природы, что является главным преимуществом АИЭ.
Если говорить о развитии АИЭ, то здесь можно
выделить улучшение производительной способности последних, рост безопасности за
счет систем автоматизации, сигнализации и различного рода автоматических и
автоматизированных устройств.
Последние десятилетия перспективы приобретает
геотермальная энергия земной коры. Термальные регионы находятся во многих
частях планеты.
3. ГЕОТЕРМАЛЬНАЯ ЭЛЕКТРОСТАНЦИЯ
Геотермальная электростанция является такой
электростанцией, которая вырабатывает электрическую энергию из тепловой энергии
подземных источников. Количество CO2, выделяемого при производстве 1 кВт
электроэнергии из высокотемпературных геотермальных источников, составляет от
13 до 380 г (например, для угля он равен 1042 г на 1 кВт/ч).
Стоит иметь в виду, что тепло Земли непостоянно,
и в большинстве районов мира человеком может использоваться с выгодой только
очень небольшая часть энергии. Из них пригодные для использования геотермальные
ресурсы составляют лишь 1% от общей теплоемкости верхней 10-километровой толщи
земной коры, или 137 трлн. т.у.т.
.1 ЧТО ТАКОЕ ГЕОТЕРМАЛЬНАЯ ЭНЕРГИЯ
К настоящему времени уже не новость, что наша
планета содержит в себе запасы тепла во внутренних толщах коры. Как и многие
другие источники энергии геотермальная энергия является “чистой” энергией, то
есть не приносит столь существенный вред при добыче и переработке по отношению
к классическим “загрязнителям” планеты. В России первая Гео ТЭС построена в
1996 г. на юге Камчатки. Ее мощность составляла 5МВт.
В 1980 г. ее мощность составляла уже 11 МВт. В
Италии, в районах Ландерелло, Монте-Амиата и Травеле, работают 11 таких станций
общей мощностью 384 МВт. Гео ТЭС действуют также в США (Калифорния, Долина
Больших Гейзеров), Исландии (у озера Миватн), Новой Зеландии, Мексики и Японии.
Столица Исландии Рейкьявик получает тепло исключительно от горячих подземных
источников. Но потенциальная мощность геотермальной энергетики намного выше.
Геологи открыли, что раскаленные до 180-200°С
массивы на глубине 4-6 км занимают большую часть территории нашей страны, а с
температурой до 100-150°С встречаются почти повсеместно. Кроме того, на
нескольких миллионах квадратных километров располагаются горячие подземные реки
и моря с глубиной залегания до 3,5 км и с температурой воды до 200°С -
естественно, под давлением, - так что, пробурив ствол, можно получить фонтан
пара и горячей воды без всякой электротеплоцентрали.
Среди перспективных источников энергии можно
выделить следующие районы перегретых вод или наиболее вулканические зоны земной
поверхности: Камчатка, Курильские, Японские и Филлипинские острова, обширные
территории Кордильер и Анд.
.2 ИСТОЧНИКИ И СПОСОБЫ ИСПОЛЬЗОВАНИЯ
ГЕОТЕРМАЛЬНОЙ ЭНЕРГИИ
Среди источников геотермальной энергии можно
выделить сухую нагретую породу, магму и горячие подземные воды.
Сухая нагретая порода - Для того, чтобы
использовать энергию в геотермальных электростанциях, содержащуюся в сухой
скальной породе, воду при высоком давлении закачивают в породу. Таким образом,
расширяются существующие в породе изломы, и создается подземный резервуар пара
или горячей воды.
Магма - расплавленная масса, образующаяся под
корой Земли. Температура магмы достигает 1200°С. Несмотря на то, что небольшие
объемы магмы находятся на доступных глубинах, практические методы получения
энергии из магмы находятся на стадии разработки.
Горячие, находящиеся под давлением, подземные
воды, содержащие растворенный метан. В производстве электроэнергии используются
и тепло, и газ.
Известно, что, чем глубже скважина, тем выше
температура. В некоторых местах геотермальная температура поднимается быстрее. Обычно
такие места находятся в зоне повышенной сейсмической активности, где
сталкиваются или разрываются тектонические плиты. Значит, наиболее
перспективные геотермальные ресурсы находятся в зонах вулканической активности.
Чем выше геотермический градиент, тем дешевле
обходится добыча тепла, за счет уменьшения расходов на бурение и качание. В
наиболее благоприятных случаях, градиент может быть настолько высок, что
поверхностные воды нагреваются до нужной температуры. Примером таких случаев
служат гейзеры и горячие источники.
Ниже земной коры находится слой магмы. Тепло в
ней возникает из-за распада радиоактивных элементов таких, как уран и калий.
Энергетический потенциал тепла на глубине 10000 метров в 50000 раз больше, чем
все мировые запасы нефти и газа.
.3 ПРИНЦИП РАБОТЫ ГЕОТЕРМАЛЬНОЙ ЭЛЕКТРОСТАНЦИИ
Существует несколько способов получения энергии
на ГеоЭС:
прямая схема: пар направляется по трубам в
турбины, соединённые с электрогенераторами;
непрямая схема: аналогична прямой схеме, но
перед попаданием в трубы пар очищают от газов, вызывающих разрушение труб;
смешанная схема: аналогична прямой схеме, но
после конденсации из воды удаляют не растворившиеся в ней газы.
бинарная схема: в качестве рабочего тела
используется не термальная вода или пар, а другая жидкость, имеющая низкую
температуру кипения. Термальная вода пропускается через теплообменник, где
образуется пар другой жидкости, используемый для вращения турбины.
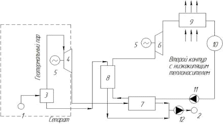
На рис. 3.1 приведена общая схема ГеоЭС и ее
компоненты.
Рис. 3.1. Принципиальная схема ГеоЭС.
- добычная скважина;
- нагнетательная скважина;
- сепаратор; 4 - паровая турбина;
- генератор;
- турбина на низкокипящем рабочем агенте;
- конденсатор-испаритель;
- пароперегреватель;
- воздушный конденсатор;
- ресивер;
- циркуляционный насос;
- нагнетательный насос.
Данная схема предложена для комбинированной
ГеоЭС бинарного цикла. Она включает в себя два энергетических узла.
геотермальный электростанция
альтернативный энергия
3.4 РАСЧЕТ ГЕОТЕРМАЛЬНОЙ ЭЛЕКТРОСТАНЦИИ
Произведем расчет тепловой схемы геотермальной
электростанции бинарного типа, согласно [8].
Наша геотермальная электростанция состоит из
двух турбин:
- первая работает на насыщенном
водяном паре, полученном в расширителе. Электрическая мощность -
;
вторая работает на насыщенном паре
хладона R11, который испаряется за счет тепла воды, отводимый из расширителя.
Вода из геотермальных скважин с
давлением pгв температурой tгв поступает в расширитель. В расширителе
образуется сухой насыщенный пар с давлением pp. Этот пар направляется в паровую
турбину. Оставшаяся вода из расширителя идет в испаритель, где охлаждается на
и
заканчивается обратно в скважину. Температурный напор в испарительной установке
= 20°С.
Рабочие тела расширяются в турбинах и поступают в конденсаторы, где охлаждаются
водой из реки с температурой tхв. Нагрев воды в конденсаторе
= 10°С, а
недогрев до температуры насыщения
= 5°С.
Относительные внутренние КПД турбин
.
Электромеханический КПД турбогенераторов
= 0,95.
Исходные данные приведены в таблице
3.1.
Табл. 3.1. Исходные данные для
расчета ГеоЭС
|
, МВтpгв,
МПаtгв, °Сpp, МПа , °Сtхв,
°С
|
|
|
|
|
|
|
1
|
15
|
160
|
0,25
|
40
|
5
|
Принципиальная схема ГеоЭС бинарного типа (рис.
3.2).
Рис. 3.2. Принципиальная схема ГеоЭС.
Согласно схеме на рис. 3.2 и исходным данным
проводим расчеты.
Расчет схемы паровой турбины, работающей на
сухом насыщенном водяном паре
Температура пара при входе в конденсатор турбины:
где
- температура охлаждающей воды на
входе в конденсатор;
- нагрев
воды в конденсаторе;
-
температурный напор в конденсаторе.
°С.
Давление пара в конденсаторе турбины
определяется по таблицам свойств воды и водяного пара [9]:
бар
Располагаемый теплоперепад на
турбину [9]:
где
- энтальпия сухого насыщенного пара
на входе в турбину;
- энтальпия
в конце теоретического процесса расширения пара в турбине.
кДж/кг.
Расход пара из расширителя на
паровую турбину:
,
где
- относительный внутренний КПД
паровой турбины;
-
электромеханический КПД турбогенераторов.
кг/с
Расчет расширителя геотермальной
воды
Уравнение теплового баланса
расширителя
,
где
- расход геотермальной воды из
скважины;
- энтальпия
геотермальной воды из скважины;
- расход воды из расширителя в
испаритель;
- энтальпия
геотермальной воды на выходе из расширителя. Определяется по таблицам свойств
воды и водяного пара как энтальпия кипящей воды.
Уравнение материального баланса
расширителя
.
Решая совместно эти два уравнения
необходимо определить
и
.

;
.
Температура геотермальной воды на
выходе из расширителя определяется по таблицам свойств воды и водяного пара как
температура насыщения при давлении в расширителе:
°С.
Определение параметров в характерных
точках тепловой схемы турбины, работающей в хладоне
Температура паров хладона на входе в
турбину:
°С.
Температура паров хладона на выходе
из турбины:
°С.
Энтальпия паров хладона на входе в
турбину определяется по p-h диаграмме для хладона на линии насыщения при
:
240 кДж/кг.
220 кДж/кг.
Энтальпия кипящего хладона на выходе
из конденсатора определяется по p-h диаграмме для хладона на кривой для кипящей
жидкости по температуре
:
215 кДж/кг.
Расчет испарителя
Температура геотермальной воды на
выходе из испарителя:
°С.
Уравнение теплового баланса
испарителя:
где
- теплоемкость воды. Принять
=4,2 кДж/кг.
Из этого уравнения необходимо
определить
.
Расчет мощности турбины, работающей
на хладоне
МВт,
где
- относительный внутренний КПД
хладоновой турбины;
-
электромеханический КПД турбогенераторов.
МВт.
Определение мощности насоса для
закачки геотермальной воды в скважину
МВт,
где
- КПД насоса, принимается 0,8;
- средний
удельный объем геотермальной воды [9].
МВт
Электрическая мощность ГеоЭС
ВЫВОДЫ
В процессе работы рассмотрены
основные типы классических источников энергии. Установлено, что сгорание
органического топлива оказывает вредное воздействие на окружающую среду. Помимо
этого строительство и эксплуатация классических электростанций непосредственно
связана с вырубкой лесов, загрязнением водоемов, сокращением кислорода в атмосфере
и другими последствиями.
Наиболее существенной причиной
диссонанса в мире играет факт истощения ресурсов планеты. Если потребление
энергоресурсов планеты будет идти прежними темпами, в ближайшем будущем
источники энергии не смогут поставлять необходимое количество электроэнергии
всем потребителям.
Приведены виды и развитие
альтернативных источников энергии, как принципа получения чистой энергии без
существенного вреда окружающей среды. Рассмотрены виды и преимущества
геотермальной энергии.
В курсовом проекте приведена схема
работы ГеоЭС. Выполнены расчеты мощности ГеоЭС, ее насосов и турбогенераторов и
другие параметры.
ЛИТЕРАТУРА
1.
http://www.himikatus.ru/art/ch-act/0257.php.
.
Реферат “Альтернативные источники энергии”.
.
https://alternativenergy.ru/energiya/553-prilivnaya-elektrostanciya-princip-foto.html.
.
http://www.manbw.ru/analitycs/geothermal_power_stations_plant.html.
.
Научный журнал “Обзор инноваций и научно-технических разработок”, Всероссийский
теплотехнический научно-исследовательский институт. - июнь 2009. - № 6. - 32 с.