Проект электроснабжения цеха приготовления щепы и опилок
СОДЕРЖАНИЕ
ИСХОДНЫЕ
ДАННЫЕ
ВВЕДЕНИЕ
.
ОБЩАЯ ЧАСТЬ
.1
Характеристика цеха и потребителей электроэнергии
.
РАСЧЁТНАЯ ЧАСТЬ
.1
Расчёт нагрузок цеха. Разработка графиков
.2
Выбор числа и мощности трансформаторов на подстанции
.3
Выбор схемы подстанции и её описание
.4
Расчёт питающих сетей цеха
.5
Расчёт токов короткого замыкания
.6
Выбор оборудования подстанции по режиму короткого замыкания
.7
Выбор схемы электроснабжения цеха
.8
Расчёт сетей цеха
.9
Выбор коммутационной аппаратуры
.10
Мероприятия по повышению коэффициента мощности
.11
Расчёт заземляющего устройства
ЗАКЛЮЧЕНИЕ
ЛИТЕРАТУРА
ИСХОДНЫЕ ДАННЫЕ
Разработать проект электроснабжения цеха
приготовления щепы и опилок.
1. Спроектировать
трансформаторную подстанцию
Принять номинальную мощность питающей системы
равную Sн.с=40мВА; Хн.с=0,126
. К трансформаторной подстанции подходит
питающая линия длиной 6 м, выполненная кабелем с медными жилами.
. Средне взвешенный коэффициент мощности
cosφср.вз.
=0,64
. Предприятие работает в две смены
. По степени надёжности электроснабжения
предприятие относится к потребителям III категории.
Потребители, установленные на предприятии, имеют
следующие технические характеристики:
Таблица 1. Исходные данные и расчетные величины.
|
Наименование
потребителей эл/эн
|
Рн
кВт
|
Пв
%
|
cosβ
|
Rc
|
кол-во
и мощ-ть потребителей
|
|
1.
Рубительные машины
|
134
|
100
|
0,85
|
0,60
|
1*100+1*13+1*11
|
|
2.
Поперечные конвейеры опилок
|
27,0
|
100
|
0,45
|
0,45
|
1*10+1*10+1*7
|
|
3.Продольные
конвейеры опилок
|
22,5
|
100
|
0,50
|
0,45
|
1*11+1*7+1*4,5
|
|
4.Конвейеры
щепы
|
34,0
|
100
|
0,60
|
0,50
|
1*22+1*12
|
|
5.Конвейеры
щепы бункера
|
60,0
|
100
|
0,60
|
0,50
|
2*30
|
|
6.Сортировочные
решета
|
9,0
|
100
|
0,56
|
0,30
|
2*45
|
|
7.Погрузочные
транспортёры
|
34,0
|
40
|
0,70
|
0,40
|
2*17
|
|
8.Тельферы,
краны
|
32,0
|
100
|
0,80
|
0,35
|
1*20+2*6
|
|
9.Освещение
|
20,0
|
100
|
1,00
|
0,95
|
20
|
Для номинальной работы потребителей
спроектировать заземляющий контур по следующему техническому заданию:
подстанция установлена в IV климатической зоне, грунт в месте установки
подстанции - глина. Заземление выполнить стальным уголком 60*60*6. принять
глубину заложения электродов от поверхности земли h=0,5м, длину электрода
принять равной l=3м, за горизонтальный заземлитель принять полосу 40*4мм. в
качестве естественных заземлителей принять металлические конструкции зданий с
сопротивлением с сопротивлением интенсивного заземлителя Re=6.0Ом
ВВЕДЕНИЕ
Основные этапы развития энергетики
Несмотря на большое количество различных видов
энергии в системах энергоснабжения наибольшее распространение получила
электрическая энергия, так как она легко получается из других видов энергии,
передаётся быстро и на большие расстояния с малыми потерями (КПД 95%), а в
местах потребления легко преобразуется в другие виды энергии.
Ниже приведённые этапы развития, показывают ярко
выраженную тенденцию увеличения потребления электроэнергии:
г. - Выработка электроэнергии составляет 2 млрд
кВт/ч
г. - Выработка электроэнергии составляет 0,5
млрд кВт/ч, 8-й Всероссийский съезд советов принимает решение о развитии
электрификации России.
г. - Строительство Днепрогэса и линии
электропередач (154 кВ) Днепрогэс-Москва
г. - Строительство Свирской ГЭС и ЛЭП длиной 240
км до Ленинграда.
г. - Подведение итогов планов ГОЛРО, выработка
электроэнергии превышена в 13 раз
г. - Суммарная установленная мощность
электростанций 11 млрд кВт/ч.
- 1945 гг. - Разрушено частично или полностью
85% электростанций.
г. - Бурное развитие энергетики, выработка
электроэнергии составляет 92 млрд кВт/ч.
г. - Выработка электроэнергии составляет 292
млрд кВт/ч.
г. - Выработка электроэнергии составляет 507
млрд кВт/ч.
г. - Выработка электроэнергии составляет 740
млрд кВт/ч.
г. - Выработка электроэнергии составляет 1130
млрд кВт/ч.
г. - Выработка электроэнергии составляет 1550
млрд кВт/ч.
г. - Выработка электроэнергии составляет 1840
млрд кВт/ч.
Стремительно растущие объёмы потребляемой
электроэнергии заставляют энергетическую программу России ориентироваться на
дальнейшее развитие энергосберегающей политики. Экономия энергетических
ресурсов должна осуществляться путём перехода на энергосберегающие технологии
производства: совершенствование энергетического оборудования сокращение всех
видов энергетических потерь и повышение уровня использование вторичны ресурсов,
улучшение структуры производства, преобразование и использование энергетических
ресурсов.
Перед энергетикой в ближайшем будущем стоит
задача всемирного развития и использования возобновлённых источников энергии:
солнца, геотермальной, ветровой, приливной и других. Развитие комбинированного
теплоснабжения промышленных городов, строительство мощных ГРЭС Экибастуза и
Тюмени с использованием угля, нефти и газа; строительство мощных ГЭС на реках
Ангара и Енисей, увеличение мощности электростанций и мощности генераторов на
станциях; дальнейшее развитие атомной энергетики с устройством абсолютной
надёжности; продолжение работ по исследованию и использованию термоядерных
реакций.
1. ОБЩАЯ ЧАСТЬ
.1 Характеристика цеха и
потребителей электроэнергии
Цех щепы и опилок является вспомогательным цехом
лесопильного производства и находится на первом этаже лесопильного цеха. Опилки
от рам первого и второго ряда собирают поперечными транспортерами P=27 кВт, и
подаются продольным транспортерам P=22,5 кВт, которые перемещают опилки за цех.
Отходы производства попадают в рубительные машины P=134 кВт, где
перерабатываются в щепу, а конвейеры щепы P=34 кВт, перемещают к бункеру щепы,
конвейер бункера щепы P=60 кВт поднимает в верхнюю часть бункера на
сортировочные решета P=9 кВт, после чего отсортированная щепа по погрузочному
транспортеру P= 34 кВт, поступает в бункер щепы, а затем грузиться в машины.
Для ремонта оборудования в цехе предусмотрены тельферы и краны P= 32 кВт. Для
нормальной работы освещение P=20 кВт.
2. РАСЧЁТНАЯ ЧАСТЬ
.1 Расчёт нагрузок цеха. Разработка
графиков
Расчет электрических нагрузок промышленных
предприятий можно проводить четырьмя методами:
) Метод удельной плотности электрической энергии
на единицу продукции.
) Метод удельной плотности электрических
нагрузок на квадратный метр площади.
) Метод коэффициента спроса.
) Метод упорядоченных диаграмм (метод
коэффициента максимума).
В нашем курсовом проекте расчет нагрузок цеха
производим методом коэффициента спроса, ведётся по формуле:
(1)
где
- максимальная мощность, кВт.
- номинальная мощность, кВт.
- коэффициент спроса.
У двигателей работающих в длительном
режиме работы номинальная мощность определяется по формуле
(2)
где
- паспортная мощность, кВт
Для двигателей работающих в повторно
кратковременном режиме работы мощности пересчитываются на длительный режим по
формуле:
(3)
где ПВ - продолжительность включения.
Максимальную мощность для всех
потребителей рассчитываем по формуле (1)
Для удобства расчетов все исходные
данные и расчетные величины внесём в таблицу.
Таблица 1. Исходные данные и
расчетные величины.
|
Наименование
потребителей
|
кВтПВ % кВтcos φ кВт
|
|
|
|
|
|
|
1.
Рубильные машины.
|
134
|
100
|
134
|
0,85
|
0,6
|
80,4
|
|
2.Поперечные
конвейеры.
|
27
|
100
|
27
|
0,45
|
0,45
|
12,15
|
|
3.Продольные
конвейеры опилок.
|
22,5
|
100
|
22,5
|
0,5
|
0,45
|
10,13
|
|
4.
Конвейеры щепы.
|
34
|
100
|
34
|
0,6
|
0,5
|
17
|
|
5.
Конвейеры щепы бункера.
|
60
|
100
|
60
|
0,6
|
0,5
|
30
|
|
6.
Сортировочные транспортеры
|
9
|
100
|
9
|
0,56
|
0,3
|
2,7
|
|
7.
Погрузочные транспортеры
|
34
|
100
|
34
|
0,7
|
0,4
|
13,6
|
|
8.
Тельферы, краны
|
50
|
40
|
32
|
0,8
|
0,35
|
11,2
|
|
9.
Освещение
|
20
|
100
|
20
|
1
|
0,95
|
19
|
С учётом сменности цеха определяем график
нагрузки предприятия. Начало работы предприятия в 8 часов, перерыв на обед с 12
до 14 и с 20 до 22 часов. Предприятие работает в 2 смены, в течении года - 265
дней. для построения графиков электрических нагрузок, разобьём нагрузки по
часам и внесём в таблицу.
Таблица 2. Распределение нагрузок по часам.
|
Наименование потребителей
|
0-2
|
2-4
|
4-6
|
6-8
|
8-10
|
10-12
|
12-14
|
14-16
|
16-18
|
18-20
|
20-22
|
22-24
|
|
Рубильные машины.
|
|
|
|
|
28,1
|
80,4
|
40,2
|
64,3
|
32,2
|
80,4
|
40,2
|
80,4
|
|
Поперечные конвейеры.
|
|
|
|
|
4,3
|
12,2
|
6,1
|
9,8
|
4,9
|
12,2
|
6,1
|
12,2
|
|
Продольные конвейеры опилок.
|
|
|
|
|
9,5
|
10,1
|
5,1
|
8,1
|
4
|
10,1
|
5,1
|
10,1
|
|
Конвейеры щепы.
|
|
|
|
|
6
|
17
|
8,5
|
13,6
|
6,8
|
17
|
8,5
|
17
|
|
Конвейеры щепы бункера.
|
|
|
|
|
10,5
|
30
|
15
|
24
|
12
|
30
|
15
|
30
|
|
Сортировочные транспортеры
|
|
|
|
|
0,9
|
2,7
|
1,4
|
2,16
|
1,1
|
2,7
|
1,4
|
2,7
|
|
Погрузочные транспортеры
|
|
|
|
|
4,8
|
13,6
|
6,8
|
10,9
|
5,4
|
13,6
|
6,8
|
13,6
|
|
Тельферы, краны
|
|
|
|
|
3,9
|
11,2
|
5,6
|
8,9
|
4,5
|
11,2
|
5,6
|
11,2
|
|
Освещение
|
2
|
2
|
2
|
2
|
6,6
|
8
|
8
|
10
|
19
|
19
|
19
|
19
|
|
Потребители
|
2
|
2
|
2
|
2
|
68,6
|
185,2
|
97
|
151,8
|
89,9
|
196,2
|
108
|
196,2
|
|
Постоянные потери
|
1,9
|
1,9
|
1,9
|
1,9
|
1,9
|
1,9
|
1,9
|
1,9
|
1,9
|
1,9
|
1,9
|
1,9
|
|
Переменные потери
|
0,1
|
0,1
|
0,1
|
0,1
|
3,43
|
9,3
|
4,9
|
7,6
|
4,5
|
9,8
|
5,4
|
9,8
|
|
Нагрузка ТП
|
4
|
4
|
4
|
4
|
73,9
|
196,4
|
103,4
|
161,3
|
96,3
|
207,3
|
115,3
|
Кроме нагрузки потребителя на трансформаторной
подстанции необходимо учесть все виды потерь:
- Переменные потери, зависящие от
нагрузки и идущие на нагрев проводов, обмоток электрических машин и
трансформаторов. Данный вид потерь составляет 5% от мощности каждого
потребителя.
кВт 5% = 0,1 кВт
,6 кВт 5% = 3,43 кВт
,2 кВт 5% = 9,3 кВт
кВт 5% = 4,9 кВт
,8 кВт 5% = 7,6 кВт
,9 кВт 5% = 4,5 кВт
,2 кВт 5% = 9,8 кВт
кВт 5% = 5,4 кВт
,2 кВт 5% = 9,8 кВт
- Постоянные потери, не зависящие
от нагрузки, идущие на нагрев сердечников электрических машин и трансформаторов
за счёт перемагничивания и вихревых токов, в промышленных сетях принимаются
равными 1% от максимальной мощности
По данным, приведённым в таблице 2,
строим график электрических нагрузок (Рисунок 1) включая нагрузку потребителя и
все потери, т.е нагрузки трансформаторной подстанции.
Рисунок 1 Суточный график
электрических нагрузок.
По суточному графику нагрузки
определяем среднесуточную мощность по формуле

(4)
где
- Средняя мощность, кВт
- Площадь суточного графика, кВт·ч
- Время работы (
)
Определим плотность суточного
графика (
)
= 4*8 = 32 кВт·ч
= 73,9*2 = 147,8 кВт·ч
= 196,4*2 = 392,8 кВт·ч
= 103,8*2 = 207,6 кВт·ч
= 161,3*2 = 322,6 кВт·ч
= 96,3*2 = 192,6 кВт·ч
= 207,9*4 = 831,6 кВт·ч
= 115,3*2 = 230,6 кВт·ч
,6 кВт·ч
По формуле (4) определяем
среднесменную мощность:
кВт
По суточному графику определяем
коэффициент загрузки графика по формуле:
(5)
где
- Коэффициент загрузки графика
По суточному графику определяем,
строем годовой график по продолжительности 265 дней в год.
кВт - 8·265 = 2120ч
,9 кВт - 2·265 = 530ч
,4 кВт - 2·265 = 530ч
,8 кВт - 2·265 = 530ч
,3 кВт - 2·265 = 530ч
,3 кВт - 2·265 = 530ч
,9 кВт - 4·265 = 1060ч
,3 кВт - 2·265 = 530ч
По этим данным строим график годовой
по продолжительности (рис. 2)
Рисунок 2. Годовой график по
продолжительности.
По годовому графику
продолжительности определим время использования максимума нагрузки (Тнб)
Время использования максимума
нагрузки (Тнб) определяется по формуле:
(6)
где Тнб - Время
использования максимума нагрузки, ч.
·530 = 8480 ч
,9·530 = 39167 ч
,4·530 =104092 ч
,8·530 =55014 ч
,3·530 =85489 ч
,3·530 =51039 ч
,9·530 =110187 ч
,3·530 =61109 ч
ч
По формуле (6) определяем время
использования максимума нагрузки, (Тнб)
2.2 Выбор числа и мощности
трансформаторов на подстанции
трансформатор мощность ток
электроэнергия
Выбор числа трансформаторов на подстанции.
Число трансформаторов на подстанции
определяется:
. От категории надёжности
электроснабжения.
. От удельной плотности нагрузок.
. От числа рабочих смен.
. От размеров цеха.
Выбор мощности трансформатора.
Из суточного графика электрических нагрузок
выписываем Рmaxmax=207,9кВт
По максимальной мощности и заданному
средневзвешенному cosφ=0.64 определяем
максимальную реактивную мощность по формуле
max=Pmax·tqφ
(7)
где Qmax - максимальная реактивная
мощность
tqφ - коэффициент
реактивной мощности определяется по cosφ
Qmax=207,9 ·1.2=249,48 (кВт·А)
Определяем полную максимальную мощность по
формуле
(8)
где Smax - полная максимальная
мощность
Из суточного графика определяем коэффициент
загрузки трансформатора
Кзг =0,63 и время прохождения
максимума нагрузки, по ним определяем Кн - коэффициент перегрузки
трансформатора.
Кн=1,2
Расчетная номинальная величина мощности
трансформатора Сн:
По расчётной номинальной мощности и справочников
выбираем трансформатор марки ТМ-400/10 по следующим техническим
характеристикам:
Таблица 3. Технические характеристики
трансформатора
|
тип
транс-ра
|
Сн,
кВ·А
|
Uвн,
кВ
|
Uнн,
кВ
|
∆Рхх,
кВт
|
∆Ркз,
кВт
|
Uкз,
%
|
Iхх,
%
|
|
ТМ-400/10
|
400
|
10
|
0,4
|
0,95
|
5,5
|
4,5
|
2,1
|
Так как на предприятии потребители III
категории, на подстанции устанавливаем один трансформатор со складным резервом.
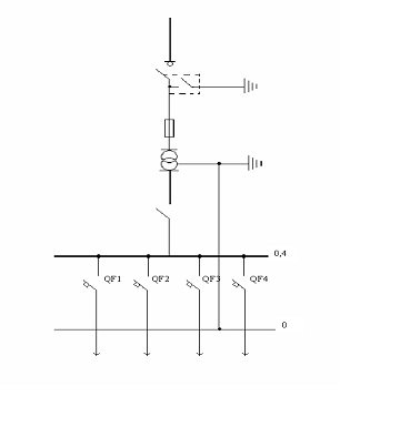
2.3 Выбор схемы подстанции и её
описание
Рисунок 3. Схема подстанции
К трансформаторной подстанции подходит питающая
линия длиной 6 км, выполненная кабелем с медными жилами, проложенным в земле.
На распределительном устройстве высокого
напряжения установлен выключатель нагрузки с заземлёнными ножами и
предохранителем. Выключатель нагрузки предназначен для выключения и включения
рабочих токов под нагрузкой. Предохранитель предназначен для защиты от
короткого замыкания.
На подстанции установлен силовой трансформатор
типа ТМ-400/10 -трёхфазный, двухобмоточный масляный. Трансформатор с
номинальной мощностью 400 кВ·А преобразует высокое напряжение, равное 10 кВ, в
низкое напряжение, равное 0,4 кВ.
Распределительное устройство низкого напряжения
состоит из автоматического выключателя. Автоматический выключатель предназначен
для автоматического размыкания электрической сети при перегрузках, коротких
замыканиях, снижения напряжениях, а также при резких включениях и отключениях.
Внутренние сети выполнены алюминиевыми кабелями,
проложенными открыто по стенам цеха, сети защищены автоматическими
выключателями.
2.4 Расчёт питающих сетей цеха
Выбор сечения проводов и кабелей по
экономической плотности тока с последующей проверкой по потерям напряжения.
Просчитать по экономической плотности тока и
проверить потери напряжения в кабельной линии электропередач с Uн=10кВ,
длиной 6 км, имеющую одну нагрузку 400 кВ·А в конце ЛЭП. Нагрузка работает с
коэффициентом мощности cosφ=0,64,
время использования максимума нагрузки 2204 выполнена кабелем с медными жилами.
Рисунок 4. Истинная схема линии.
Рассчитываем номинальный ток линии I по формуле
(10)
где I- номинальный ток линии, А- номинальное
напряжение, кВ
По времени использования max нагрузки и
материалу кабеля находим по справочнику экономическую плотность тока
По формуле [ ] рассчитываем экономическое
сечение кабеля, мм2
(11)
где Fэк - экономическое сечение провода, мм2.
Выбираем стандартное сечение провода по
справочнику и определяем его марку. Так как Fэк=7,7мм2, то согласно ПУЭ для
механической прочности кабеля Fст=10мм2, выбираем кабель марки СБ-3х16.
Рисуем схему замещения.
Рисунок 5. Схема замещения
Для удобства расчётов исходные расчётные
величины сводим в таблицу.
Таблица 4. Активное и индуктивное сопротивление
ЛЭП
|
Марка
кабеля
|
r0,
Ом/км
|
х0,
Ом/км
|
L,
км
|
r,
Ом
|
х,
Ом
|
|
СБ-3х16
|
1,15
|
0,113
|
6
|
6,9
|
0,67
|
Рассчитываем активное и индуктивное
сопротивление линии по формулам
=r0·L(12)
х=х0·L(13)
где r - активное сопротивление линии, Ом
х - индуктивное сопротивление линии, Ом;- длина
линии, км;0 - активное сопротивление на одном километре длины линии,
Ом/км;
х0 - индуктивное сопротивление на
одном километре длины линии, Ом/км;= 1,15·6 = 6,9 (Ом)
х = 0,113·6 = 0,67 (Ом)
Определяем потери напряжения в линии потоком
линии по формуле
(14)
где ∆U - потеря напряжения, В- ток
нагрузки, А;- активное сопротивление, Ом;
х - индуктивное сопротивление, Ом.
∆U=1,73·(23,1·6,9·0,64+23,1·0,67·0,77)=1,73·(102+11,9)=176,5+20,6=197,1(В)
Выражаем потерю напряжения в процентном
соотношении по формуле
(15)
где Uн - номинальное напряжение, В;
∆U% - потеря напряжения, %.
Согласно ПУЭ предельно допустимая величина ∆U%
= 5-10%, а по расчётам получилось 2%, значит, линия работает в холостую.
2.5 Расчёт токов короткого замыкания
Рассчитать токи короткого замыкания, ударный
ток, мощность короткого замыкания для сети.
Расчёты выполняются в относительных единицах.
. Рисуем схему, проставив в неё все параметры,
проименовывая элементы.
. Рисуем схему замещения, нарисуем в ней все
элементы схемы.
. Определяем индуктивное относительное базисное
сопротивление генератора по формуле
(16)
где х *бг- индуктивное относительное
базисное сопротивление генератора;
х *н- индуктивное относительное
базисное сопротивление;б - базисная мощность системы;
Sн - номинальная мощность;
. Определяем активное и индуктивное
относительное базисное сопротивление КЛ по формуле
(17)
где х*бкл - индуктивное относительное
базисное сопротивление КЛ;
х0 - индуктивное сопротивление,
Ом/км;- длина линии;б - базисное напряжение
. Активное относительное базисное сопротивление
КЛ рассчитывается по формуле
(18)
где r*бкл - активное относительное
базисное сопротивление КЛ;0 - активное сопротивление, Ом/км;
. Определяем индуктивное относительное базисное
сопротивление трансформатора по формуле
(19)
где х*бтр - индуктивное относительное
базисное сопротивление трансформатора;кз% - напряжение КЗ
Пометить в схеме замещения токи КЗ. Определяем
токи КЗ.
Определяем ток КЗ для точки К1.
Определяем базисный ток по формуле
(20)
Определяем индуктивное относительное базисное
сопротивление для точки К2.
Т. к. в точке К1 КЗ появилось активное
сопротивление, то необходимо проверить величину этого сопротивления. Эта
величина допускается при условии:
Т. к. условие соблюдается, активное
сопротивление необходимо учитывать, но т. к. в схеме появилось активное и
индуктивное сопротивление, в расчёты токов КЗ и полной мощности КЗ необходимо
представить полное относительное базисное сопротивление.
Определяем токи КЗ по формуле:
Т. к. в схеме замещения появилось активное
сопротивление, величину ударного коэффициента можно рассчитать по графику,
просчитав для этого величину времени затухания переходного процесса по формуле:
где Tа - постоянная времени затухания
переходного процесса*б рез - активное относительное базисное
сопротивление
Из графика зависимости Куд=f ( Tа
) видим, что ударный коэффициент равен 1,1.
Определяем ударный ток по формуле
где iуд - ударный ток, кА
Определяем мощность КЗ по формуле
где Srp1 - мощность КЗ
Определяем базисный ток по формуле
Определяем ток КЗ по формуле
В цепи, когда не учитывается активное
сопротивление, величина ударного коэффициента равна Ку=1,8
Определяем величину ударного тока по формуле
Определяем мощность КЗ по формуле
2.6 Выбор оборудования подстанции по
режиму КЗ
При аварийных КЗ по конструкции
распределительных устройств протекают токи КЗ за счёт которых в конструкциях
возникают электродинамические усилия и механические напряжения, которые могут
разрушить электроаппаратуру. Динамические усилия воздействуют на опорные
изоляторы, которые могут разрушить электроаппаратуру, выйти из строя, поэтому
практически всю аппаратуру проверяем на динамическую устойчивость токов КЗ.
Выбираем и проверяем по токам КЗ изоляторы по
данным:
н=10(кВ)
Iн=23,1(А) iуд=1,27(кА) a=350(мм) l=1500(мм)
ИП-10/630 - 750
Таблица 5. технические данные изоляторов.
|
Тип
изолятора
|
Uн,
кВ
|
Iн,
А
|
Fразр,
(кг·с)
|
|
ИП-10/630
- 750
|
10
|
630
|
750
|
Изолятор определяем на динамическую устойчивость
по условию:
расч ≤
0,6 Fразр(25)
где, Fразр - разрушающее усилиерасч
- расчётное усилие
Расчетное усилие рассчитываем по формуле
где l - расстояние между опорными изоляторами по
длине шин
а - расстояние между фазами.
,12 ≤ 0,6·750
,12 ≤ 450
Изолятор динамически устойчив.
Выбираем по номинальному току алюминиевую шину
сечением 15*3 c Iдоп=165 А, установив её плашмя.
Таблица 6. Технические характеристики шины.
|
Сечение
шины
|
Материал
|
Iдоп
(А)
|
σдоп
|
|
15х3
|
алюминий
|
165
|
650
|
Определяем допустимое расчётное разрушающее
действие на шину по формуле
где W - момент сопротивления
σ - наибольше расчётное
напряжение на изгиб.
Момент сопротивления определяем по формуле
где, b - толщина шины (см)- ширина шины (см)
Проверяем ширину на динамическую устойчивость по
условию
σрасч
≤
σдоп(29)
где σдоп
- допустимое результирующее усилие, принятое для алюминия.
,2 ≤ 650
Шина динамически устойчива.
Проверяем шину на термическую устойчивость Iкз,,
для этого рассчитываем минимальное сечение шины по формуле
где С - термический коэффициент, принимаемый для
алюминия. С=95пр - приведенное время, зависит от времени
срабатывания выключателей. tпр= 0,6
Расчёты показали, что выбранное сечение шин
удовлетворяет условию на термическую устойчивость.
Выбираем и проверяем на Iкз
выключатель нагрузки с заземляющими ножами по следующим данным:уд =
1,27 (кА)Iкз = 0,82 (кА)
Рисунок 8. Схема расположения шин.
Выбираем выключатель нагрузки типа
Таблица 7. Технические данные
выключателя.
|
Марка
выключателя
|
Uн,
кВ
|
Iн,
А
|
Iомпл,
кА
|
Iтерм.ст
/t
|
|
ВНР-10/400-103УЗ
|
10
|
400
|
0,4
|
10/1
|
Проверяем выключатель нагрузки на термическую
устойчивость по условию:
t2·t
≥ I2·tпр(31)
где It - ток термической
устойчивости, А- время прохождения
2·4
≥1,272·2,2
≥
3,548
Выключатель термически устойчив.
Проверяем выключатель на динамическую
устойчивость по условию:
max ≥
iуд(32)
где Imax - предельный сквозной ток
главных ножей.
≥
1,27
Выключатель динамически устойчив.
Выбираем по Uн = 10кВ, Iн = 23,1
А по роду установки предохранитель типа ПКТ-101-10-12, 5У1.
Таблица 8. Технические данные предохранителя.
|
Марка
предохранителя
|
Iн
, (А)
|
Iпр.откл
, (кА)
|
|
ПКТ-101-10-12,
5У1
|
31,5
|
12,5
|
Проверяем предохранитель по предельно
отключаемому I.
пр.откл ≥
Iкз(33)
где Iпр.откл - предельно отключаемый
ток.
,5≥ 0,82
Условие соблюдается, значит, предохранитель
подходит.
Силовые кабели применяются на подстанциях и
распредустройствах для соединения между собой основных элементов, и для
подключения аппаратов.
Кабели выбирают
. По номинальному току
. По номинальному напряжению
. По экономической плотности тока.
Кабель с медными жилами СБ 3х16
Кабель проверяем на термическую устойчивость
Смеди = 165
Расчёты показали, что выбранное сечение кабеля
удовлетворяет условию, кабель термически устойчив.
2.7 Выбор схемы электроснабжения
цеха
Распределение электроэнергии от трансформаторной
подстанции до потребителя осуществляется по сетям, имеющим самые разные схемы.
Форма схемы зависит от территориального расположения потребителей относительно
подстанции, от величины установленной мощности отдельных потребителей, от
относительного расположения потребителей друг к другу.
Питающие сети, проложенные от подстанции до
распределительных пунктов, могут иметь следующие схемы построения:
. Радиальная
. Магистральная
. Смешанная
Составим проект электроснабжения цеха
приготовления щепы и опилок. Для питания электрооборудования питающие сети
выполняем
.8 Расчёт сетей цеха
Технические данные двигателей, присоединенных к
силовым щитам, относим в таблицу и находим расчётный ток каждого силового щита
по формуле
Расчётный ток освещения находим по формуле
Марку и сечение провода выбираем по условию
доп
≥ Iрасч(36)
Для удобства все расчёты будем производить в
табличной форме.
Таблица 9. Характеристики силовых щитов.
|
№
силового щита
|
Наименование
потребителя
|
Мощность
потребителя, кВт
|
cosφ
|
Расчётный
ток Iрасч
|
Допустимый
ток Iдоп
|
Марка
кабеля
|
|
СЩ1
|
Рубительные
машины
|
80,4
|
0,85
|
136,9
|
140
|
ААВГ3х70
|
|
СЩ2
|
Поперечные
конвейеры опилок
|
12,15
|
0,45
|
39
|
42
|
ААВГ3х10
|
|
СЩ3
|
Конвейеры
щепы опилок
|
10,13
|
0,50
|
29,3
|
32
|
ААВГ3х6
|
|
СЩ4
|
Конвейеры
щепы бункера
|
30
|
0,60
|
72,3
|
75
|
ААВГ3х25
|
|
СЩ5
|
Конвейеры
Щепы тельфер
|
17
11,2
|
0,60
0,80
|
40,9
20,2
|
0,70
|
58,2
|
60
|
ААВГ3х16
|
|
СЩ6
|
Сортировочное
решето тельфер
|
2,7
11,2
|
0,56
0,80
|
6,9
20,2
|
|
|
|
|
13,9
|
0,65
|
30,9
|
32
|
ААВГ3х6
|
|
СЩ7
|
Сортировочное
решето тельфер
|
2,7
11,2
|
0,56
0,80
|
6,9
20,2
|
|
|
|
|
13,9
|
0,65
|
30,9
|
32
|
ААВГ3х6
|
|
СЩ8
|
Погрузочные
транспортёры
|
13,6
|
0,70
|
28
|
32
|
ААВГ3х6
|
|
СЩ9
|
Освещение
|
19
|
1
|
27,5
|
32
|
ААВГ3х6
|
2.9 Выбор коммутационной аппаратуры
В качестве коммутационной аппаратуры в
низковольтовых сетях могут быть рубильники с предохранителями или
автоматическими выключателями.
Предохранители имеют ряд недостатков: не
защищают от перегрузок, несоблюдение селективности, появление несимметрии по
фазам пир сгорании одного.
В курсовом проекте в качестве коммутационных
аппаратов применяем автоматические выключатели. Они имеют ряд преимуществ и
защищают от перегрузок, повышений напряжения и короткого замыкания. Исключают
случаи нарушения симметрии фаз, не требуют замены при отключении токов КЗ.
Обеспечивает безопасность работы остального оборудования.
Выбор автоматических выключателей ведётся
номинальному току, тепловому расщеплению по условию
расц ≥
Iрасч (37)
Для удобства расчёты и выбор автоматических
выключателей, исходные данные и характеристики сводим в таблицу.
Таблица 10. Характеристики автоматических
выключателей
|
№
силового щита
|
Расчётный
ток А
|
Марка
автоматического выключателя
|
Номинальный
ток теплового расцепителя
|
|
СЩ1
|
136,9
|
А3130
|
150
|
|
СЩ2
|
39
|
А3120
|
40
|
|
СЩ3
|
29,3
|
А3120
|
30
|
|
СЩ4
|
72,3
|
А3120
|
80
|
|
СЩ5
|
58,2
|
А3120
|
60
|
|
СЩ6
|
30,9
|
А3710
|
32
|
|
СЩ7
|
30,9
|
А3710
|
32
|
|
СЩ8
|
28
|
А3120
|
30
|
|
СЩ9
|
27,5
|
А3120
|
30
|
Выбираем автоматический выключатель и рубильник
на головном участке.
2.10 Мероприятия по повышению
коэффициента мощности
Электрические аппараты, кроме активной,
потребляют реактивную мощность.
Электроснабжающая организация задача предприятию
директивный
cosφ = 0,97.
Средневзвешенный коэффициент мощности cosφср.вз
= 0,64.
Необходимо повысить средневзвешенный коэффициент
до значения директивного коэффициента мощности.
Коэффициент мощности определяется по формуле
Мероприятия по повышению cosφ:
1. Естественный метод.
. Искусственный метод.
В курсовом проекте принимаем искусственный
способ повышения cosφ, т.е.
установку батарей статических конденсаторов.
Для компенсации cosφ до
нужных пределов необходимо найти мощность батарей статических конденсаторов по
формуле
где Q - реактивная мощность, кВАР- активная
мощность, кВт
tgφ находится по
средневзвешенному cosφср.вз
= 0,64
tgφ = 1,2
tgφ1
находится по директивному cosφ = 0,97φ1
= 0,25=207,9·(1,2 - 0,25)=249,5-51,98=198 кВАР
Выбираем батарею статических конденсаторов и
записываем её технические характеристики.
Таблица Технические характеристики батарей
статических конденсаторов.
|
Тип
установки
|
Номинальная
мощность, кВт
|
Число
и мощность регулированных ступеней ист., кВар
|
|
УКН-300
|
300
|
2х150
|
Так как расчётная мощность статических
конденсаторов равна 198 кВар, то мы берём одну батарею мощностью 150 кВар
2.11 Расчёт заземляющего устройства
Для номинальной работы потребителей
спроектировать заземляющий контур по следующему техническому заданию:
Подстанция установлена в IV климатической зоне,
грунт в месте установки подстанции глина. Заземление выполнить стальным уголком
60*60*6. принять глубину заложения электродов от поверхности земли h =0,5м,
длину электрода принять равной l=3м, за горизонтальный заземлитель принять
полосу 40х4 мм. в качестве естественных заземлителей принять металлические
конструкции зданий с сопротивлением естественного заземлителя Rl=6
Ом.
Рисунок 8
Рассчитываем ток замыкания на землю по формуле
где Iз - ток замыкания на землю, А;к
- длина КЛ, км.
Рассчитываем необходимое доступное сопротивление
заземлительного устройства. Из двух значений в расчёты в качестве сопротивления
заземлителя принимается наименьшее значение.
В электроустановках напряжением до 1 кВ с
изолированной глухозаземлённой нейтралью сопротивление растекания должно быть
не более 4 Ом.
В электроустановках напряжением свыше 1 кВ сопротивление
заземления определяется по формуле
где Rз - сопротивление заземляющего
устройства, Ом
Из двух полученных значений выбираем Rз
= 4 Ом
Определяем необходимое сопротивление
искусственного заземлителя с учётом естественных заземлителей, включенных
параллельно по формуле [ ]
где Rн - сопротивление искусственного
заземлител;е - сопротивление естественного заземлителя.
По исходным данным грунта (глина) определяем его
удельное сопротивление ρ = 70 (Ом
·м).
Т. к. подстанция установлена в IV климатической
зоне, то вводится поправочный коэффициент на климатическую зону для
вертикальных и горизонтальных электродов по формуле
ρ рас.г=
ρрас·k1 (43)
ρ рас.в=
ρрас·k2 (44)
где k1, k2 - величины
поправочных коэффициентов на климатические зоны (принимается из специальных
таблиц)
ρ рас.г=
70 ·1,8 = 126 (Ом·м)
ρ рас.в=
70 ·1,3 = 91 (Ом·м)
Определяем сопротивление растекания одного
вертикального электрода Rов по формуле
т. к. в качестве заземлителей применяется
уголковая сталь. Находим эквивалентный диаметр по формуле
экв = 0,95 в (46)
где
dэкв - эквивалентный диаметр, м;
в
- ширина уголка, мм.экв = 0,95 · 0,06 = 0,057 (м)
=5+0,5 = 2 м
Определяем примерное приблизительное число
вертикальных заземлений с учётом их коэффициента исполнения по формуле
где n - приблизительное число вертикальных
заземлителей;н.в.з. - коэффициент использования, зависит от числа
и отношения a/l=6/3=2, kн.в.з =0,76
Определяем сопротивление растекания
горизонтальных электродов по формуле в качестве которых взята полосовая сталь,
приваренная к верхним частям уголков.
где l - длина горизонтального электрода,
определяется (n - a)·a = (3 - 1)·6 = 18 - 6 = 12
м
Вводим коэффициент использования горизонтального
заземлителя.
и.г.з=0,55,
n =2,02, a/l = 2
Уточняем сопротивление горизонтальных электродов
с учётом горизонтальных заземлителей
Уточняем число горизонтальных электродов с
учётом их kи
и.в.з=0,76,
n =1,14, a/l = 2
Вывод: окончательно к установке принимаем 3
электрода, забиваем их на глубину 0,5м, расстояние между электродами 6м,
электродом является уголковая сталь 60х60х6, в качестве горизоетельного
заземлителя пирнимаем полосу 40х4
ЗАКЛЮЧЕНИЕ
В курсовом проекте было написано введение, где
раскрыты этапы развития энергетики. В общей части дана характеристика цеха, с
установленной мощностью P= кВт.
Произведен расчет эл. нагрузок предприятия,
построены графики. Расчеты показали, что максимальная мощность предприятия
составляет P= кВт. После расчета полной максимальной мощности, которая
составляет Smax= кВА. Был выбран трансформатор на подстанции ТМ-250/10..
Выбрана схема подстанции, дано ее описание,
произведен расчет питающих линий цеха. Расчеты показали, что потеря напряжения
составляет %. Произведен расчет токов к.з., по которому выбрано высоковольтное
оборудование. Все аппараты проверены на термическую и динамическую
устойчивость, соответствуют нормам.
В задании был задан cos
φср.вз.= 0,65, т.к.
энергоснабжающая организация требует cos φ= 0,97. Были
произведены расчеты батарей статических конденсаторов. Для компенсации cos φ
выбрана
батарея марки УКН-0,38-300. Произведен расчет заземляющих устройств, при грунте
- глина. К установке запланировано 2 электрода.
ЛИТЕРАТУРА
1. Князевский
Б.А., Липкин Б.Ю. электроснабжение промышленных предприятий. - М.: Высш. шк.,
1986. - 286 с.
. Липкин
Б.Ю. Электроснабжение промышленных предприятий. - М.: Высш. шк., 1990. - 336 с.
. Липкин
Б.Ю. Электроснабжение промышленных предприятий и установок. - М.: Высш. Шк.,
1990. - 366 с.
. Правила
устройства электроустановок. - М.: Энергоатомиздат, 1986. - 648 с.
. Справочник
по электроснабжению линий электропередач и сетей. Под ред. Большама Я.М.,
Круповича Б.Н. и др. - М.: Энергия, 1974. - 625 с.
. Справочник
по электроснабжению и электрооборудованию: 1 т. Под общ. ред. Федорова А.А. -
М.: Энергоатомиздат, 1986. - 586 с.
. Справочник
по электроснабжению и электрооборудованию: 2 т. Под общ. ред. Федорова А.А. -
М.: Энергоатомиздат, 1987. - 592 с.