Электронные цепи и микросхемотехника

  • Вид работы:
    Курсовая работа (т)
  • Предмет:
    Информатика, ВТ, телекоммуникации
  • Язык:
    Русский
    ,
    Формат файла:
    MS Word
    1,51 Мб
  • Опубликовано:
    2015-10-07
Вы можете узнать стоимость помощи в написании студенческой работы.
Помощь в написании работы, которую точно примут!

Электронные цепи и микросхемотехника

ВВЕДЕНИЕ

Курсовая работа является одним из этапов изучения дисциплины «Электронные цепи и микросхемотехника» и имеет своей целью приобретение навыков расчета параметров элементов электрических схем.

Данная работа предусматривает возможность практического применения знаний, полученных на лекциях и в результате самостоятельной подготовки. При выполнении курсовой работы необходимо решить ряд задач, тематика которых отражает основные разделы изучаемой дисциплины.

В первой части необходимо разработать усилитель низкочастотного сигнала с заданным коэффициентом усиления. Во второй части произвести синтез ФВЧ на базе операционных усилителе. В третьей части курсовой работы разработать логическое устройство, предварительно составив таблицу истинности и карту Карно. В последней четвертой части требуется разработать блок питания под усилительный каскад.

1. РАЗРАБОТКА МАЛОСИГНАЛЬНОГО УНЧ

Исходные данные:

Uвх, мВ

Ri, Ом

f, Гц

Rн, Ом

Uвых, В

200

1

400

500

40


где Uвх- входное напряжение, f-частота сигнала входного источника , Ri - сопротивление источника, Rн - сопротивление нагрузки, Uп - напряжение источника питания.

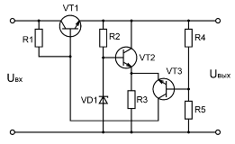
Анализируя требования данного задания можно прийти к выводу, что задание может быть выполнено с помощью широкого разнообразия схемотехнических решений. Одним из наилучших решений является использование двух каскадов с общим эмиттером (рис.1) и двухтактного каскада с общим коллектором на выходе (рис. 2) для согласования с малой нагрузкой Rн = 500 Ом. Для согласования нагрузки с последним каскадом необходимо применить согласующее устройство, имеющее малое выходное сопротивление и большое входное. Таким качеством обладает двухтактный бестрансформаторный усилитель мощности, который так же позволяет максимально полно использовать напряжение и ток источника питания с целью обеспечения более высокого коэффициента полезного действия.

Рис. 1. Принципиальная схема каскада с общим эмиттером.

Рис. 2. Принципиальная схема двухтактного каскада.


1.1 Расчет выходного каскада

Рассчитаем максимальный ток нагрузки:

 

Iн=  =  = 0,08 А

Определим мощность, рассеиваемую на нагрузке:

 

Рн=  = = 1,6 Вт

Расчёт ведём с мощностью P:

 

P≥1,1*Pн = 1,1×1,6 = 1,76 Вт

Определим максимальный ток коллектора:

 

I к макс=  = ≈ 0,08 А

Минимальное напряжение в цепи коллектор - эмиттер определим по выходным характеристикам транзисторов. Остаточное напряжение ∆Uкэ должно отсекать нелинейную часть характеристик. Принимаем ∆Uкэ= 1В.

Рассчитаем напряжение питания:

 

Eп2×() =2×() =82 В

Выбираем источник питания Uп=82 В

Для симметрии плеч транзисторы должны полностью совпадать по своим параметрам.

Выбираем транзисторы 2SC2383 и 2SA1013.

Рис. 3. Выходная вольт- амперная характеристика.

Определим по выходной ВАХ ток эмиттера и напряжение коллектор-эмиттер в рабочей точке.

Iэ0 = 5мА

Uкэ0 = 80В

Определим сопротивление коллектор-эмиттер.

 


Ток базы в рабочей точке Iб0 = 20 мкА

Коэффициент усиления по току

h21 = = 250

Рис. 4. Входная вольт- амперная характеристика.

По входной ВАХ определим напряжение база-эмиттер в рабочей точке, при Iб0 = 20 мкА.

Uбэ0 = 580 мВ

Определим сопротивление база-эмиттер.


Рассчитаем цепь базового делителя R1 - R4.

Примем ток делителя Iдел =5 Iб0 = 5⋅ 20мкА= 100мкА

Сопротивление R2- R3 формирует смещение Uбэ0 = 580мВ

=  =  = 5800 Ом

Падение напряжение на сопротивление R1 и R4:

 -  =  - 580 ×  = 40.42 В

Ток в цепи делителя:

 +  = 100× + 20 ×  = 120 мкА

Рассчитаем сопротивление R1 и R4:

 = =  ≈ 336833 Ом

Из ряда Е24 выбираем номинал R3=R2 =5600 Ом, R1=R4=330 кОм.

Рассчитаем входное сопротивление каскада усилителя мощности.

 =  +  =  +  =

= 1.331

 =  ≈ 75 кОм

Рассчитаем разделительный конденсатор на входе каскада.

 =  =  = 265 нФ

Из ряда Е24 выбираем номинал 270 нФ.

 =  =  = 7.96 мкФ

Из ряда Е24 выбираем номинал 8.2 мкФ.

Собираем схему в среде OrCad.

Рис. 5. Схема выходного двухтактного каскада.

Рис. 6. Результат моделирования выходного двухтактного каскада в среде OrCad.

Рассчитываем коэффициент усиления по напряжению

Ku =  =  = 0.935

Расчёт результирующего коэффициента усиления

K=  =  = 214

Коэффициент усиления для одного каскада

K1=K2=  = 15

Проверка входного сопротивления.

Рис. 6. Размах по току  = 17 мкА

Рис. 7. Размах по напряжению  = 0.9975В

Входное сопротивление

 =   = 58.5 кОм

Заново выберем конденсатор на входе каскада.

 =  =  = 340 нФ

Из ряда Е24 выбираем номинал 360нФ.

1.2 Расчет каскада предварительного усиления

Пересчитаем напряжение источника питания.

Рассчитаем сигнал, который нужно подать на вход каскада предварительного усиления, чтобы получить нужное выходное напряжение с учётом ослабления на стыке двух последних каскадов и ослабления на выходном каскаде.

 =   = 51.34 В ≈ 52В ,

где 0.8333 - коэффициент ослабления сигнала в выходной цепи.

Рассчитаем напряжение источника питания.

=  ×2 +2 = 52×2 +2 =106 В

Найдём сопротивление на коллекторе.

 = =  = 11.7kОм

Из ряда Е24 берём номинал 11.6 кОм

Рассчитаем сопротивление эмиттера.

Rэ = Rк*0.8333/Ku = 11.6к*0.8333/ 15 = 644Ом

Из ряда Е24 берём номинал 620 Ом

Рассчитаем напряжение коллектор-эмиттер.

 =  = = 53В

Вычислим ток коллектора.

Iк =  =  = 4.3 мА

Рассчитаем ток базы.

 =  =  = 17.2 мкА

Коэффициент усиления зависит от положения рабочей точки. Рабочая точка по отношению к рассмотренному ранее каскаду смещена несущественно (вместо 5 мА - 4,3 мА).

 = 5× =5×17.2 мк = 86 мкА

Рассчитаем цепь базового делителя R1-R2.

=  =  = 37.744к Ом

Из ряда Е24 берём номинал 39 кОм

 = =  = 993 798 Ом

Из ряда Е24 берём номинал 1 МОм

Расчёт входного сопротивления.

Для начала рассчитаем сопротивление между базой и общим проводом (землёй).

 ≈  + × = 1000+250×620 = 156 кОм

 = || = 41.227 кОм

 = |||| = 32.6 кОм

Расчёт выходного сопротивления.

 ≈  = 11.6 кОм

Расчёт конденсаторов.

 =  = = 122 нФ

Из ряда Е24 берём номинал 130нФ

Собираем схему в среде OrCad.

Рис. 8. Схема каскада предварительного усиления.

Рис. 9. Результат моделирования каскада предварительного усиления в среде OrCad.

Проверим входное сопротивление.

Рис. 10. Размах по напряжения  2.979 В

Рис. 11. Размах по току  100 мкА

 = =   = 29.79 кОм

Проверим коэффициент усиления.

Рис. 12. Выходная вольт- амперная характеристика.

Ku =   = 15.6

.3 Расчет входного каскада

Рассчитаем сопротивление на коллекторе.

 =  =  = 5.96 кОм

Из ряда таблицы E24 берём номинал 5.6 кОм.

Вычислим сопротивление на эмиттере.

 =  =  = 311 Ом

Так как коэффициент усиления тот же, то напряжение на эмиттере будет тоже самое, а напряжение на базе определяется в основном величиной этого напряжения (в каскаде выше 4,3*620 против 580 мВ на переходе).

Из ряда таблицы E24 берём номинал 300 Ом.

Собираем схему в среде OrCad.

Рис. 13. Схема входного каскада.

Рис. 14. Результат моделирования входного каскада в среде OrCad.

Рис. 15. Размах по напряжению  = 6.1175 В.

Рис. 16. Размах по току  205.138 мкА

 = =   = 29.82 кОм

1.4 Моделирование УНЧ

Построив и рассчитав три усилительных каскада, строим общую схему усиления и находим коэффициент усиления.

Рис. 17. Модель усилителя в среде OrCad.

Рис. 18. Результат моделирования.

Рассчитаем коэффициент усиления.

Рис. 19. Выходная характеристика усилителя.

 = 41.447 В

Рис. 20. Входная характеристика усилителя.

 = 199.998 мВ

 =  =  ≈ 202

Проведём частотный анализ.

Рис. 21. ЛАХЧ усилителя.

Как видим заданная частота работы усилителя (400 Гц) находится в полосе пропускания.

На данной частоте коэффициент усиления соответствует 46 дБ. Рассчитаем его в относительных величинах, чтобы убедиться в правильности моделирования:

  ;  =  = 200

Следовательно, расчет выполнен верно.

Рис. 22. Выходной сигнал, разложенный в ряд Фурье (спектр).

Определим мощности, рассеиваемые на резисторах.

Рис. 23. Мощность на участках цепи.

PR2 = 10.61 мВт PR8 = 13.39 мВт

PR3 = 206.8 мВт PR9 = 248.2 мкВт

PR4 = 18.97 мВт PR10 = 62.64 мкВт

PR5 = 351 мВт PR11 = 9.842 мВт

PR6 = 10.51 мВт PR12 = 62.64 мкВт

PR7 = 279.3 мкВт PR13 = 6.93 мВт

Рис. 24. Выходной сигнал при температурах 0 ͦ ; 27 ͦ ; 100 ͦ .

График свидетельствует о неплохой температурной стабильности.

2.СИНТЕЗ ПРЕОБРАЗОВАТЕЛЯ АНАЛОГОВЫХ СИГНАЛОВ НА БАЗЕ ОПЕРАЦИОННОГО УСИЛИТЕЛЯ

Исходные данные:

Тип преобразователя:

W(p) =

Параметры преобразователя:

входное сопротивление, не менее: 1 МОм

Сопротивление нагрузки, не более:  100 Ом

Параметры входного сигнала

амплитуда:  = 10 мВ

частота:  = 0 ...1кГц

По условию необходимо реализовать фильтр нижних частот (Рис 2.2), причем максимальная частота, проходящего сигнала  = 1кГц, следовательно на выходе также потребуется фильтр верхних частот (Рис.2.3). К тому на входе будет использован неинвертирующий повторитель (Рис. 2.1.). Заданные параметры не накладывают строгих требований к операционному усилителю, поэтому выберем усилитель LМ358.

                      

Рис. 2.1. Неинвертирующий повторитель

Рис. 2. 2. Фильтр нижних частот первого порядка.


Рис. 2.3. Фильтр верхних частот первого порядка.

2.1 Расчёт ФНЧ

Фильтр нижних частот, представленный на Рис.2.2 имеет передаточную функцию следующего вида:

K(jw) =

Анализируя значения входного сопротивления и сопротивления нагрузки, примем  = 10 кОм.

Так как K = - = 1000, получим

 = K ×  = 1000 × 10к = 10 MОм

МОм недопустимое значение  для операционного усилителя (токи в таких сопротивлениях будут сравнимы с входными токами), поэтому разбиваем систему решений на два каскада с коэффициентом усиления K =  ≈ 32.3. И продолжим расчёт значений для каскадов согласно новому значению усиления.

 = K ×  = 32.3 ×10k = 323 кОм.

Используя соотношение 0.01 = × С, вычислим С.

С =  =  = 30 нФ.

Рис. 2.4. Результат моделирования ФНЧ в среде OrCad.

Рис. 2. 5. ЛАЧХ ФНЧ.

 

Рис. 2.6. Моделирование ФНЧ и результат в среде MatLab.

2.2 Расчёт ФВЧ

Фильтр верхних частот, представленный на Рис.2.3 имеет передаточную функцию следующего вида:

K(jw) =

Из расчётов в пункте 2.1 было выяснено, что значение сопротивление будет вычислено, исходя из нового значения коэффициента усиления K=32.3.

 = K ×  = 32.3 ×10k = 323 кОм

Рис. 2.7. Результат моделирования ФВЧ в среде OrCad.

Рис. 2.8. ЛАЧХ ФВЧ.

 

Рис. 2.9. Моделирование ФВЧ и результат в среде MatLab.

.2 Неинвертирующий повторитель

Рис. 2.10. Результат моделирования неинвертирующего повторителя в среде OrCad.

 

Рис. 2.11. Моделирование неинвертирующего повторителя и результат в среде MatLab.

Также между фильтром низкой и верхней частоты необходимо поместить конденсатор для того, чтобы избавиться от постоянной составляющей. Примем его значение С = 1 мФ.

2.3 Моделирование преобразователя в среде OrCad

Рис. 2. 12. Модель преобразователя в среде OrCad.

Рис. 2. 13. Входные и выходные характеристики преобразователя в среде OrCad.

Получим ЛАЧХ нашего преобразователя.

Рис. 2.13. ЛАХЧ преобразователя в OrCad.

 

Рис. 2.14. Моделирование преобразователя и результат в среде MatLab.

3. РАЗРАБОТКА КОМБИНАЦИОННО-ЛОГИЧЕСКОГО УСТРОЙСТВА (КЛУ)

КЛУ реализует управление объектом с помощью логического сигнала Y. Состоянию объекта соответствуют входные комбинации, заданные в шестнадцатеричном коде:

- включено при 3,6,8,B,C,

выключено при 4,5,7,F

Порядок выполнения расчета

Составляем таблицу истинности для заданной функции (таблица 1)

Таблица 1.

HEX

x4

x3

x2

x1

Y


23

22

21

20


3

0

0

1

1

1

6

0

1

1

0


8

1

0

0

0


B

1

0

1

1


C

1

1

0

0


4

0

1

0

0

0

5

0

1

0

1


7

0

1

1

1


F

1

1

1

1


0

0

0

0

0

X

1

0

0

0

1


2

0

0

1

0


9

1

0

1


A

1

0

1

0


D

1

1

0

1


E

1

1

1

0



x - функция может принимать любое знание

Составляем карту Карно (таблица 2).

Таблица 2.


* и 1* - добавленные произвольным образом значения функции.

Для полученной карты Карно составляем логическую функцию и осуществляем ее минимизацию:

 

Y =  + x  + x  =  =  

Полученная функция реализуется на 5 элементах: 4 элементах 2И-НЕ, 1 элементе 3И-НЕ т.е. реализовать КЛУ на одной ИС серии 561 невозможно. Выбираем ИС К561ЛА7 4(2И-НЕ) и ИС К561ЛА9 3(3И-НЕ).

Параметры серии К561

Таблица 3.

1

Напряжение питания

3...15 В

2

Входное напряжение низкого уровня

0,6 В

3

Входное напряжение высокого уровня

8,4 В

4

Входной ток низкого уровня

≥2 мА

5

Выходной ток высокого уровня

≥0,6мА

6

Ток нагрузки

20 мА

7

Емкость нагрузки

20 пФ

8

Длительность фронта и среза входного импульса

50 нс

9

Температура окружающей среды

-45...+85 ° C


Рис. 3.1. Принципиальная схема КЛУ

Составляем по минимизированной логической функции принципиальную электрическую схему.

Результаты моделирования в среде OrCad:

Рис. 3.2. Модель КЛУ

0000 0001 0010 0011 0100 0101 0110 0111 1000 1001 1010 1011 1100 1101 1110 1111

Рис.3.3.Входные и выходной сигналы КЛУ

Мы видим, что выходная функция Y модели КЛУ соответствует заданной.

4. РАЗРАБОТКА ИСТОЧНИКА ПИТАНИЯ ДЛЯ УНЧ

Техническое задание: рассчитать транзисторный стабилизатор постоянного напряжения. Выходное напряжение 106В1%В. Ток нагрузки 78.14 мА. Входное переменное напряжение 220 10%В. Допустимый уровень пульсаций выходного напряжения 70 мВ, Коэффициент температуры по напряжению 0.5mВ/К.

.1 Выбор принципиальной схемы стабилизатора

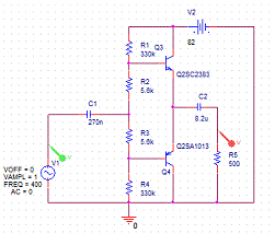
Для получения высокой температурной стабильности в схеме стабилизатора должен присутствовать высококачественный стабилитрон (например 1N5225). Схема рассчитываемого стабилизатора приведена на рисунке 4.1.

Рис. 4.1. Компенсационный стабилизатор напряжения.

Определение исходных данных для расчёта

Коэффициент стабилизации


Выходное сопротивление

 =  =  = 271.31

Минимальное значение входного напряжения принявВ

 =  +  + = 106+3+0.07⋅10 = 109.7 В

Номинальное значение входного напряжения

 =    = 121.89 В

Мощность, потребляемая стабилизатором

 ≈    = 121.89 0. 078 = 9.51 Вт

Полезная мощность в нагрузке

 =   = 106 0.078 = 8.268 Вт

Коэффициент полезного действия

ɳ =  =  = 0.87 или ɳ = 87 %

Выбор регулирующего элемента

А

> 1.1  -  = 1.1  121.89 - 106 = 28.079 В

Вт

Выбираем транзисторBC847A (Uкэ=45 В, =0.1 А, b=250)

Ток базы транзистора VT1

мА

Сопротивление резистора R1

R1 = =  = 566 Ом

Из стандартного ряда сопротивлений E24 выбираем 600Ом

 =  =  =26.45 мА

 =  =  =25.32 мА

Выбор источника опорного напряжения

В качестве источника опорного напряжения выбираем стабилитрон типа 1N5225 (Uсm=3 В, Icm=20 мА). Тогда

R2 =  =  = 5150 Ом

Выберем из ряда Е24 R2=5.1 кОм

Примем ток делителя равным току стабилизации Iст = 20 мА, а так же сопротивлениеR2= R4

 = 26.45 мА

 =  = 106-3=103 В

 = 116.6   =816.2 мВт

Выбираем транзистор VT3 аналогичный VT1 и VT2

R3 =  =  = 45.42 Ом

Из стандартного ряда сопротивлений выбираем 45 Ом.

Рассчитаем мощность резисторов:

 =  =  = 0.42 Вт

 ==  =  = 2.05 Вт

=  =  = 0.12 Вт

 =  =  = 0.06 Вт

РезисторыR1-R5 возьмём мощностью 0.125 Вт.

Расчет выпрямителя и фильтра.

Коэффициент пульсаций


 =  = 0.2

Пренебрегая активным сопротивлением обмоток трансформатора получаем:

Переменное напряжение на вторичной обмотке трансформатора


 =  + 2 0.7 = 151.94 В

Коэффициент трансформации


 =  = 1.45

Выбор конденсатора фильтра


 =  = 195 мкФ

Согласно ряду E24 = 195 мкФ

Выбор диодов выпрямителя. Средний ток через диод


А

Максимальное обратное напряжение на диоде равно входному напряжению стабилизатора 16.75 В. Выбираем диоды 1N4148cо следующими параметрами: Iмакс=0.1А, Uобр=50В.

Рис.4.2. Модель стабилизатора напряжения в программном комплексе Orcad.

Рис.4.3. Выходное напряжение стабилизатора при сетевом напряжении 220В.

Рис.4.4. Входное напряжение стабилизатора при сетевом напряжении 220В.

Рис.4.5. Выходное напряжение стабилизатора при сетевом напряжении 222В.

Рис.4.6.Входное напряжение стабилизатора при сетевом напряжении 222В.

Рис.4.7. Выходное напряжение стабилизатора при сетевом напряжении 198В.

Рис.4.8. Выходное напряжение стабилизатора при сетевом напряжении 198В.

Рис.4.9. Выходное напряжение стабилизатора при температурах 0, 27, 100 оС

Судя по полученному графику схема обладает температурной стабильностью 0.42мВ/К

Видим, что стабилизатор обеспечивает заданный коэффициент пульсаций на выходе:

ΔUп = 106.067 - 106.023 ≈ 44мВ

Так как для питания УНЧ нужны два сигнала по 106В, противоположные по знаку, то для питания УНЧ будет использоваться 2 источника питания. Второй будет аналогичен по схеме за исключением того, что транзисторы VT1 и VT3 будут заменены на аналогичные с PNP-структурой.

ЗАКЛЮЧЕНИЕ

В курсовом проекте спроектировано четыре устройства электронной техники: транзисторный каскад усилителя низкой частоты, преобразователь аналоговых сигналов на базе операционного усилителя, комбинационно-логическое устройство и стабилизированный источник питания для каскада УНЧ. Данный проект позволил получить навыки использования пакетов прикладных программ и расчета простейших устройств электронной техники.

Транзисторный УНЧ представлен двумя каскадами с ОЭ и одним двухтактного каскада с ОК на выходе, которые выдают нам на выходе напряжение с нужным нам коэффициентом усиления.

Преобразователь аналоговых сигналов на базе операционного усилителя построен на неинвертирующем повторителе, дифференциаторе и интеграторе и адекватно преобразует сигнал в соответствии с заданием.

Количество корпусов спроектированного КЛУ минимизировано до пяти.

В СН получена температурная стабильность 0.42мВ/К и коэффициент пульсаций выходного напряжения не превышает заданных 70мВ.

СПИСОК ЛИТЕРАТУРЫ

усилитель частота сигнал

1. Электронные цепи и микросхемотехника: Учебник/ Ю.А. Быстров, И.Г. Мироненко.- М.: Высш.шк., 2002г.

.П. Хоровиц, У.Хилл Искусство схемотехники: Перевод с английского под ред. д.т.н М.В.Гальперина- М.; Мир, 1986

.Интегральная электроника в измерительных устройствах/ Гутников В.С.. - Л.: Энергоатомиздат, 1988. - 304 с.

.В.Г.Гусев, Ю.М.Гусев Электроника - М.: Высшая школа, 1991.

. Титце У., Шенк К. Полупроводниковая схемотехника. 12_е изд.- М.: ДМК Пресс, 2008. - 832 с.

.Р. Корис, Х. Шмидт-Вальтер. Справочник Инженера-схемотехника -М.:Техносфера, 2008

Похожие работы на - Электронные цепи и микросхемотехника

 

Не нашли материал для своей работы?
Поможем написать уникальную работу
Без плагиата!
Без нейросетей!