Стробируемый двухпороговый компаратор c третьим состоянием

  • Вид работы:
    Курсовая работа (т)
  • Предмет:
    Информатика, ВТ, телекоммуникации
  • Язык:
    Русский
    ,
    Формат файла:
    MS Word
    603,48 Кб
  • Опубликовано:
    2012-07-12
Вы можете узнать стоимость помощи в написании студенческой работы.
Помощь в написании работы, которую точно примут!

Стробируемый двухпороговый компаратор c третьим состоянием

Введение

Целью данного курсового проекта является проектирование стробируемогодвухпорогового компаратора, удовлетворяющего заданным параметрам: тип логики, тактовая частота логических элементов, коэффициент усиления, частота сопряжения. А так же применение знаний и навыков, полученных из курса «Электронные цепи и микросхемотехника».

Данный проект включает в себя две основные части: специальную часть, а также графическую. Специальная часть содержит обоснование выбора и описание структуры устройства, описание принципа действия составных узлов, расчет параметров компаратора (ОУ).

Графическая часть содержит структуру устройства и перечень элементов, принципиальные схемы узлов, структурную схему логического элемента, диаграммы входных и выходных сигналов, ЛАЧХ и ЛФЧХ каскадов компаратора (ОУ).

Задачами же данной курсовой работы, решение которых ведет к поставленной цели, являются:

Литературный обзор способов проектируемого устройства.

Описание принципа действия.

Расчет параметров компаратора (ОУ).

Построение диаграмм входных и выходных сигналов.

Построение ЛАЧХ и ЛФЧХ каскадов компаратора (ОУ).

стробируемый двухпороговый компаратор

Справочные данные на популярные компараторы

Эксплуатационные параметры компараторов определяют допустимые режимы работы их входных и выходных цепей, требования к источникам питания и температурный диапазон работы. Важными эксплуатационными параметрами являются уровни выходных сигналов, а также способы подключения нагрузки к выходу компаратора. Ограничения эксплуатационных параметров обусловлены конечными значениями пробивных напряжений и допустимыми токами через транзисторы компаратора. Поскольку компараторы, в отличие от ОУ, должны работать со значительными дифференциальными входными напряжениями, важными характеристиками компаратора являются максимально-допустимые величины дифференциального и синфазного входных напряжений.

В настоящее время в мире изготавливаются сотни наименований интегральных компараторов. Эти ИМС можно условно разделить на следующие группы: универсальные (или общего применения), быстродействующие, прецизионные, микромощные.


В табл. 1 приведены основные параметры некоторых моделей компараторов различных типов.

Наименование компаратора

Напряж. питания, В

Коэфф. усиления, В/мВ

Напр. смещения, мВ

Входн. ток, нА

Выходные уровни

Диапазон допуст. диффер. напр-й, В

Ток потр., мА

Макс. вых. ток, мА

Время переключения, нс

Примечание

Универсальные компараторы

521СА2

+12;-6

1,5

3

25000

ТТЛ

5

8

2,5

90

Аналог mА710

SE521

+5; +/-15

5

5

20000

ТТЛ

5

5

-

12

Откр. коллектор

Прецизионные компараторы

521СА3

+3; +/-15

200

3

100

ТТЛ, КМОП

30

6

50

200

Откр. коллектор и эмиттер

597СА3

+12; +/-18

70

3

350

То же

-

2

10

Сдвоенный

Быстродействующие компараторы

597СА1

+5;-5,2

1

2

10000

ЭСЛ, ТТЛ

3

35

10

6,5

Триггер-защелка

AD8561

+5; +/-5

3

3

4000

ТТЛ, КМОП

8

4

3,2

5

Есть счетверенный вариант AD8564

МАХ910

+/-5

-

1

3000

ТТЛ

-

22

-

8

Встроенный 8-разрядный ЦАП для установки порога переключения

Микромощные компараторы

МАХ922

+1,25... +5,5

10

10

5

ТТЛ, КМОП

Uпит+0,3 В

3,2 мкА

4

12000

Сдвоенный

TLC339

+1,5; +8

-

5

0,005

ТТЛ, КМОП

-

10 мкА

10

2500

Счетверенный.Откр. сток

МАХ918

1,8...5,5

-

-

-

-

Uпит+0,2 В

0,75 мкА

6

-

Открытый сток. Встроенный источник опорного напряжения


Компаратор

Компаратор представляет собой операционный усилитель (далее ОУ) специального назначения, предназначенный для сравнения по уровню двух входных напряжений и скачкообразного изменения выходного напряжения в случае, когда одно из сравниваемых напряжений больше другого. Любой ОУ может быть использован в качестве компаратора, однако специально спроектированные компараторы удобнее для применения.

Компараторы являются составной частью устройств автоматического контроля, АЦ-преобразования, стабилизации источников питания (в качестве усилителей ошибки), сдвига уровня логических сигналов. Перечень применений компараторов на этом не исчерпывается.

Аналоговые компараторы

Компаратор - это сравнивающее устройство. Аналоговый компаратор предназначен для сравнения непрерывно изменяющихся сигналов. Входные аналоговые сигналы компаратора суть Uвх - анализируемый сигнал и Uоп - опорный сигнал сравнения, а выходной Uвых - дискретный или логический сигнал, содержащий 1 бит информации.

Переключательная характеристика:




Выходной сигнал компаратора почти всегда действует на входы логических цепей и потому согласуется по уровню и мощности с их входами. Таким образом, компаратор - это элемент перехода от аналоговых к цифровым сигналам, поэтому его иногда называют однобитным аналого-цифровым преобразователем.

Неопределенность состояния выхода компаратора при нулевой разности входных сигналов нет необходимости уточнять, так как реальный компаратор всегда имеет либо конечный коэффициент усиления, либо петлю гистерезиса (Рисунок 1).

Рисунок 1- Характеристики компараторов

Рисунок 2 - Процессы переключения компараторов

Чтобы выходной сигнал компаратора изменился на конечную величину |U1вых - U0вых| при бесконечно малом изменении входного сигнала, компаратор должен иметь бесконечно большой коэффициент усиления (эпюра 1 на Рисунок 2) при полном отсутствии шумов во входном сигнале. Такую характеристику можно имитировать двумя способами - или просто использовать усилитель с очень большим коэффициентом усиления, или ввести положительную обратную связь.

Рассмотрим первый путь. Как бы велико усиление не было, при Uвхблизком к нулю характеристика будет иметь вид Рисунок 1а. Это приведет к двум неприятным последствиям. Прежде всего, при очень медленном изменении Uвх выходной сигнал также будет изменяться замедленно, что плохо отразится на работе последующих логических схем (эпюра 2 на Рисунок 2). Еще хуже то, что при таком медленном изменении Uвх около нуля выход компаратора может многократно с большой частотой менять свое состояние под действием помех (так называемый "дребезг", эпюра 3 на Рисунок2). Это приведет к ложным срабатываниям в логических элементах и к огромным динамическим потерям в силовых ключах. Для устранения этого явления обычно вводят положительную обратную связь, которая обеспечивает переходной характеристике компаратора гистерезис (Рисунок1б). Наличие гистерезиса хотя и вызывает некоторую задержку в переключении компаратора (эпюра 4 на Рисунок 2), но существенно уменьшает или даже устраняет дребезг Uвых.

В качестве компаратора может быть использован операционный усилитель (ОУ) так, как это показано на Рисунок 3. Усилитель включен по схеме инвертирующего сумматора, однако, вместо резистора в цепи обратной связи включены параллельно стабилитрон VD1 и диод VD2.

Рисунок 3 - Схема компаратора на ОУ

Пусть R1 = R2. Если Uвх - Uоп> 0, то диод VD2 открыт и выходное напряжение схемы небольшое отрицательное, равное падению напряжения на открытом диоде. При Uвх - Uоп< 0 на стабилитроне установится напряжение, равное его напряжению стабилизации Uст. Это напряжение должно соответствовать единичному логическому уровню цифровых интегральных микросхем (ИМС), входы которых подключены к выходу компаратора. Таким образом, выход ОУ принимает два состояния, причем в обоих усилитель работает в линейном режиме. Многие типы ОУ не допускают сколько-нибудь существенное входное дифференциальное напряжение. Включение по схеме на Рисунок 3 обеспечивает работу ОУ в режиме компаратора практически с нулевыми дифференциальными и синфазными входными напряжениями. Недостатком данной схемы является относительно низкое быстродействие, обусловленное необходимостью частотной коррекции, так как ОУ работает в линейном режиме со 100%-ной обратной связью. Используя для построения компаратора обычные ОУ, трудно получить время переключения менее 1 мкс.

Аналоговый интегральный компаратор


Итак, компаратор - это быстродействующий дифференциальный усилитель постоянного тока с большим усилением, малым дрейфом и смещением нуля и логическим выходом. Его входной каскад должен обладать большим коэффициентом ослабления синфазной составляющей (КОСС) и способностью выдерживать большие синфазные и дифференциальные сигналы на входах, не насыщаясь, т.е. не попадая в режимы, из которых компаратор будет долго выходить. Для повышения помехозащищенности желательно снабдить компаратор стробирующим логическим входом, разрешающим переключение компаратора только в тактовые моменты. Схема первого промышленного интегрального компаратора А710 (отечественный аналог - 521СА2), разработанного Р. Видларом (R.J.Widlar) в США в 1965 г., приведена на Рисунок 4.

Рисунок 4-Схема компаратора μА710

Она представляет собой дифференциальный усилитель на транзисторах VT1, VT2, нагруженный на каскады ОЭ на VT5 и VT6. Каскад на VT5 через транзистор VТ4 управляет коллекторным режимом входного каскада и через транзистор в диодном включении VТ7 фиксирует потенциал базы транзистора VT8, делая его независимым от изменений положительного напряжения питания. Каскад на VT6 представляет собой второй каскад усиления напряжения.

Эмиттерные выводы транзисторов VT5 и VT6 присоединены к стабилитрону VD1 с напряжением стабилизации 6,2 В, поэтому потенциалы баз указанных транзисторов соответствуют приблизительно 6,9 В. Следовательно, допустимое напряжение на входах компаратора относительно общей точки может достигать 7 В. На транзисторе VT8 выполнен эмиттерный повторитель, передающий сигнал с коллектора VT6 на выход. Постоянная составляющая сигнала уменьшается до нулевого уровня стабилитроном VD2.

Если дифференциальное входное напряжение превышает +5...+10 мВ, то транзистор VT6 закрыт, а VT5 близок к насыщению. Выходной сигнал компаратора при этом не может превысить +4 В, так как для более положительных сигналов открывается диод на VT7, не допуская излишнего роста выходного напряжения и насыщения VТ5. При обратном знаке входного напряжения VT6 насыщается, потенциал его коллектора оказывается близок к напряжению стабилизации стабилитронов VD1 и VD2, а поэтому потенциал выхода близок к нулю. Транзистор VT9 - источник тока 3мА для смещения VT8 и VD2. Часть этого тока (до 1,6 мА) может отдаваться в нагрузку, требующую вытекающий ток на входе (один вход логики ТТЛ серии 155 или 133). В дальнейшем эта схема развивалась и совершенствовалась. Схемы многих компараторов имеют стробирующий вход для синхронизации, а некоторые модификации снабжены на выходе триггерами-защелками, т.е. схемами, фиксирующими состояние выхода компаратора по приходу синхроимпульса. Кроме того, для повышения функциональной гибкости часть ИМС компараторов (например, МАХ917-920) содержит источник опорного напряжения, а у некоторых (например, МАХ910) порог срабатывания устанавливается цифровым кодом от 0 до 2,56В с дискретностью 10 мВ, для чего на кристалле микросхемы имеются источник опорного напряжения и 8-разрядный цифро-аналоговый преобразователь.

Выходные каскады компараторов обычно обладают большей гибкостью, чем выходные каскады операционных усилителей. В обычном ОУ используют двухтактный выходной каскад, который обеспечивает размах напряжения в пределах между значениями напряжения питания (например, +/-13 В для ОУ типа 140УД7, работающего от источников +/-15 В). В выходном каскаде компаратора эмиттер, как правило, заземлен, и выходной сигнал снимается с "открытого коллектора". Выходные транзисторы некоторых типов компараторов, например, 521СА3 или LM311 имеют открытые, т.е. неподключенные, и коллектор и эмиттер. Две основные схемы включения компараторов такого типа приведены на Рисунок 5.

Рисунок 5 - Схемы включения выходного каскада компаратора 521СА3

На Рисунок5а выходной транзистор компаратора включен по схеме с общим эмиттером. При потенциале на верхнем выводе резистора равном +5 В к выходу можно подключать входы ТТL, nМОП- и КМОП-логику с питанием от источника 5 В. Для управления КМОП-логикой с более высоким напряжением питания следует верхний вывод резистора подключить к источнику питания данной цифровой микросхемы.

Если требуется изменение выходного напряжения компаратора в пределах от U+пит до U-пит, выходной каскад включается по схеме эмиттерного повторителя (Рисунок5б). При этом заметно снижается быстродействие компаратора и происходит инверсия его входов. Некоторые модели интегральных компараторов (например, AD790, МАХ907) имеют внутреннюю неглубокую положительную обратную связь, обеспечивающую их переходной характеристике гистерезис с шириной петли, соизмеримой с напряжением смещения нуля. На Рисунок6а приведена схема включения компаратора с открытым коллектором на выходе, переходная характеристика которой имеет гистерезис (Рисунок 1б). Пороговые напряжения этой схемы определяются по формулам

,


Из-за несимметрии выхода компаратора петля гистерезиса оказывается несимметричной относительно опорного напряжения.

Рисунок 6 - Компаратор с положительной обратной связьюи диаграмма его работы

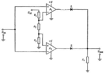
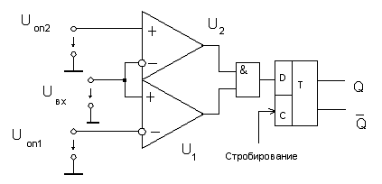
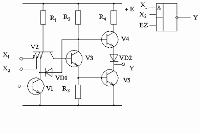
Стробируемый двухпороговый компаратор

Компаратор называется стробируемым, если выходной сигнал при отсутствии стробирующего импульса сохраняет значение, которое было при наличии стробирующегоимпульса.

Выполняется на основе двухпорогового компаратора (состояшего из двух компараторов с индивидуальным порогом срабатывания и схемы логисеского умножения) и D-триггера (Приложение Б), устанавливающего новое состояние по фронту или срезу синхроимпульса.

Данный компаратор фиксирует, находится ли входное напряжение между двумя заданными пороговыми напряжениями или вне этого диапазона. Для реализации такой функции выходные сигналы двух компараторов необходимо подвергнуть операции логического умножения.Из-за инвертирования сигнала на выходе логического элемента единичный уровень сигнала будет иметь место тогда, когда выполняется условие UBX>UВТО , UBX<UНТО. UВТО верхний порог срабатывания, UНТО- нижний порог срабатывания.

Вход стробирования может использоваться для сохранения данных на выходах компаратора. При появлении в момент времени t0 напряжения высокого уровня на входе стробирования компаратор перестает реагировать на изменения сигналов на аналоговых входах и сохраняет выходные уровни , действовавшие на момент t0. Для уверенного запоминания и сохранения данных на выходе входной разностный сигнал должен находиться в определенном (ненулевом) состоянии, по крайней мере, в течении времени tС до момента t0 и должен оставаться таковым в течении времени tН после указанного момента. После подачи на вход стробирования низкого уровня новые выходные данные появляются примерно через 5-8 нс.

Рисунок 10 - Схема стробируемого двухпорогового компаратора

Двухпороговый компаратор на одном операционном усилителе


Наиболее часто двухпороговый компаратор строят на двух ОУ и логического элемента «И». На Рисунок 9 приведена схема, позволяющая обойтись всего одним ОУ.

Рисунок 9 - Двухпороговый компаратор на одном ОУ

Необходимые уровни срабатывания компаратора устанавливают резистором R2. При этомдиод VD2 открыт, а VD1 остается закрытым до тех пор, пока входное напряжение меньше напряжения на движке резистора R2. Так как напряжение на инвертирующем входе ОУ в этом случае выше, чем на неинвертирующем, на выходе ОУ устанавливается уровень логического 0. При приближении входного напряжения к уровню, заданному резистором R2, диод VD2 закрывается, полярность напряжения между входами ОУ становится противоположной и на выходе ОУ появляется напряжение логической 1, близкое к напряжению питания.

Диод VD1 открывается в тот момент, когда входное напряжение превысит заданное примерно на 0,7 В. Поскольку напряжение на неинвертирующем входе после этого увеличиваться не может, а на инвертирующем продолжает расти, полярность напряжения между входами ОУ изменяется снова и на его выходе вновь возникает сигнал логического 0.

При указанных на схеме номиналах элементов и напряжении питания +9 В интервал входных напряжений, соответствующих логической 1 на выходе - примерно 2..2,5 В, нижний порог срабатывания можно установить в пределах 1,5..5 В, верхний - в пределах 4..7,5 В. Уровни логического 0 и 1равны соответственно 1,9 и 8,5 В, что позволяет использовать компаратор для управления КМОП-микросхемами.

Триггер

Триггер (триггерная система) - класс электронных устройств, обладающих способностью длительно находиться в одном из двух устойчивых состояний и чередовать их под воздействием внешних сигналов. Каждое состояние триггера легко распознаётся по значению выходного напряжения. По характеру действия триггеры относятся к импульсным устройствам - их активные элементы (транзисторы, лампы) работают в ключевом режиме, а смена состояний длится очень короткое время.

Отличительной особенностью триггера как функционального устройства является свойство запоминания двоичной информации. Под памятью триггера подразумевают способность оставаться в одном из двух состояний и после прекращения действия переключающего сигнала. Приняв одно из состояний за «1», а другое за «0», можно считать, что триггер хранит (помнит) один разряд числа, записанного в двоичном коде.

При изготовлении триггеров применяются преимущественно полупроводниковые приборы (обычно биполярные и полевые транзисторы), в прошлом - электромагнитные реле, электронные лампы. В настоящее время логические схемы, в том числе с использованием триггеров, создают в интегрированных средах разработки под различные программируемые логические интегральные схемы (ПЛИС). Используются, в основном, в вычислительной технике для организации компонентов вычислительных систем: регистров, счётчиков, процессоров, ОЗУ.

Классификация триггеров

Рис. 6. Временная диаграмма работы динамического триггера

Рис. 7. Симметричные триггеры: а - с непосредственной связью между каскадами; б - с резистивной связью

Рис. 8. Функциональная классификация триггеров

Рис. 9. Классификация триггеров по способу ввода информации

Триггеры подразделяются на две большие группы - динамические и статические. Названы они так по способу представления выходной информации.

Динамический триггер представляет собой управляемый генератор, одно из состояний которого (единичное) характеризуется наличием на выходе непрерывной последовательности импульсов определённой частоты, а другое (нулевое) - отсутствием выходных импульсов. Смена состояний производится внешними импульсами (рис. 6). Динамические триггеры в настоящее время используются редко.

К статическим триггерам относят устройства, каждое состояние которых характеризуется неизменными уровнями выходного напряжения (выходными потенциалами): высоким - близким к напряжению питания и низким - около нуля. Статические триггеры по способу представления выходной информации часто называют потенциальными.

Статические (потенциальные) триггеры, в свою очередь, подразделяются на две неравные по практическому значению группы - симметричные и несимметричные триггеры. Оба класса реализуются на двухкаскадном двухинверторном усилителе с положительной обратной связью, а названием своим они обязаны способам организации внутренних электрических связей между элементами схемы.

Симметричные триггеры отличает симметрия схемы и по структуре, и по параметрам элементов обоих плеч. Для несимметричных триггеров характерна неидентичность параметров элементов отдельных каскадов, а также и связей между ними.

Симметричные статические триггеры составляют основную массу триггеров, используемых в современной радиоэлектронной аппаратуре. Схемы симметричных триггеров в простейшей реализации (2х2ИЛИНЕ) показаны на рис. 7.

Основной и наиболее общий классификационный признак - функциональный - позволяет систематизировать статические симметричные триггеры по способу организации логических связей между входами и выходами триггера в определённые дискретные моменты времени до и после появления входных сигналов. По этой классификации триггеры характеризуются числом логических входов и их функциональным назначением (рис. 8).

Вторая классификационная схема, независимая от функциональной, характеризует триггеры по способу ввода информации и оценивает их по времени обновления выходной информации относительно момента смены информации на входах (рис. 9).

Каждая из систем классификации характеризует триггеры по разным показателям и поэтому дополняет одна другую. К примеру, триггеры RS-типа могут быть в синхронном и асинхронном исполнении.

Асинхронный триггер изменяет своё состояние непосредственно в момент появления соответствующего информационного сигнала(ов), с некоторой задержкой равной сумме задержек на элементах, составляющих данный триггер.

Синхронные триггеры реагируют на информационные сигналы только при наличии соответствующего сигнала на так называемом входе синхронизации С (от англ. clock). Этот вход также обозначают термином «такт». Такие информационные сигналы называют синхронными. Синхронные триггеры в свою очередь подразделяют на триггеры со статическим и с динамическим управлением по входу синхронизации С.

Триггеры с динамическим управлением воспринимают информационные сигналы при изменении (перепаде) сигнала на входе С от 0 к 1 (прямой динамический С-вход) или от 1 к 0 (инверсный динамический С-вход). Также встречается название «триггер управляемый фронтом».

Одноступенчатые триггеры (latch, защёлки) состоят из одной ступени представляющей собой элемент памяти и схему управления, бывают, как правило, со статическим управлением. Одноступенчатые триггеры с динамическим управлением применяются в первой ступени двухступенчатых триггеров с динамическим управлением. Одноступенчатый триггер на УГО обозначают одной буквой - Т.

Двухступенчатые триггеры (flip-flop, шлёпающие) делятся на триггеры со статическим управлением и триггеры с динамическим управлением. При одном уровне сигнала на входе С информация, в соответствии с логикой работы триггера, записывается в первую ступень (вторая ступень заблокирована для записи). При другом уровне этого сигнала происходит копирование состояния первой ступени во вторую (первая ступень заблокирована для записи), выходной сигнал появляется в этот момент времени с задержкой равной задержке срабатывания ступени. Обычно двухступенчатые триггеры применяются в схемах, где логические функции входов триггера зависят от его выходов, во избежание временны́х гонок. Двухступенчатый триггер на УГО обозначают двумя буквами - ТТ.

Триггеры со сложной логикой бывают также одно- и двухступенчатые. В этих триггерах наряду с синхронными сигналами присутствуют и асинхронные. Такой триггер изображён на рис. 1, верхний (S) и нижний (R) входные сигналы являются асинхронными.

Триггерные схемы классифицируют также по следующим признакам: числу целочисленных устойчивых состояний (основанию системы счисления) (обычно устойчивых состояний два, реже - больше, см. двоичный триггер, троичный триггер, четверичный триггер[8], …, десятичный триггер, …, n-ичный триггер, …);

числу уровней - два уровня (высокий, низкий) в двухуровневых элементах, три уровня (положительный, ноль, отрицательный) в трёхуровневых элементах[9], …, N-уровней в N-уровневых элементах, … ;

по способу реакции на помехи - прозрачные и непрозрачные. Непрозрачные, в свою очередь, делятся на проницаемые и непроницаемые.

по составу логических элементов (триггеры на элементах И-НЕ, ИЛИ-НЕ и др.).

D-триггеры

триггеры также называют триггерами задержки(от англ. Delay).


Пример условного графического обозначения (УГО) D-триггера с динамическим синхронным входом С и с дополнительными асинхронными инверсными входами S и RD         Q(t)   Q(t+1)триггер (D от англ. delay - задержка либо от data - данные) - запоминает состояние входа и выдаёт его на выход. D-триггеры имеют, как минимум, два входа: информационный D и синхронизации С. После прихода активного фронта импульса синхронизации на вход С D-триггер открывается. Сохранение информации в D-триггерах происходит после спада импульса синхронизации С. Так как информация на выходе остаётся неизменной до прихода очередного импульса синхронизации, D-триггер называют также триггером с запоминанием информации или триггером-защёлкой. Рассуждая чисто теоретически, парафазный (двухфазный) D-триггер можно образовать из любых RS- или JK-триггеров, если на их входы одновременно подавать взаимно инверсные сигналы.триггер в основном используется для реализации защёлки. Так, например, для снятия 32 бит информации с параллельной шины, берут 32 D-триггера и объединяют их входы синхронизации для управления записью информации в защёлку, а 32 D входа подсоединяют к шине.

В одноступенчатых D-триггерах во время прозрачности все изменения информации на входе D передаются на выход Q. Там, где это нежелательно, нужно применять двухступенчатые (двухтактные, Master-Slave, MS) D-триггеры.


Условное графическое обозначение D-триггера со статическим входом синхронизации С

Выводы по литературному обзору.

В литературном обзоре были рассмотрены основные способы и схемотехнические решения компаратора. Были рассмотрены схемы аналоговых, аналоговых интегральных компараторов, схемы реализации двухпорогового компаратора на одном ОУ и на двух ОУ.

Компараторы находят широкое применение: являются составной частью устройств автоматического контроля, АЦ-преобразования, стабилизации источников питания (в качестве усилителей ошибки), сдвига уровня логических сигналов. Перечень применений компараторов на этом не исчерпывается.

В заключение, перечислим некоторые особенности компараторов по сравнению с ОУ.

1.       Несмотря на то, что компараторы очень похожи на операционные усилители, в них почти никогда не используют отрицательную обратную связь, так как в этом случае весьма вероятно (а при наличии внутреннего гистерезиса - гарантировано) самовозбуждение компараторов.

2.       В связи с тем, что в схеме нет отрицательной обратной связи, напряжения на входах компаратора неодинаковы.

.        Из-за отсутствия отрицательной обратной связи входное сопротивление компаратора относительно низко и может меняться при изменении входных сигналов.

.        Выходное сопротивление компараторов значительно и различно для разной полярности выходного напряжения.

Двухпороговый компаратор

Двухпороговый компаратор (или компаратор "с окном") фиксирует, находится ли входное напряжение между двумя заданными пороговыми напряжениями или вне этого диапазона. Для реализации такой функции выходные сигналы двух компараторов необходимо подвергнуть операции логического умножения (Рисунок7а). Как показано на Рисунок7б, на выходе логического элемента единичный уровень сигнала будет иметь место тогда, когда выполняется условие U1<Uвх< U2, так как в этом случае на выходах обоих компараторов будут единичные логические уровни. Такой компаратор выпускается в виде ИМС А711 (отечественный аналог - 521СА1).

Рисунок 7-Схема двухпорогового компаратора (а) и диаграмма его работы (б)

Компаратор с окном может быть построен по схеме, показанной на Рисунок8.

Рисунок 8 - Компаратор с окном

Примечание. Для компаратора с двумя источниками питания в случае, когда UВТОиUНТО отрицательны, землей может служить источник-U.

UBX>UВТО ,UBX<UНТО - высокое выходное напряжение;

UВТО>UBX>UНТО- низкое выходное напряжение;

UВТО=UОП [( R2+ R3)/(R1 + R2 + R3)],

UНТО = UОП[R3/(R1 +R2+R3)].

Высокое значение опорного напряжения называется напряжением верхней точки опрокидывания (верхний порог срабатывания) UВТО, а низкое - напряжением нижней точки опрокидывания UНТО(нижний порог срабатывания).

Данный компаратор выдает выходной сигнал, лишь, если входной сигнал имеет значение в промежутке между напряжениями верхней и нижней точек опрокидывания или, иначе, если входной сигнал превышает напряжение нижней точки опрокидывания и не достигает напряжения верхней точки опрокидывания. Компаратор с окном может быть использован для проверки верхней и нижней границ изменения напряжения электронных приборов.

Например, если предполагается, что значение выходного сигнала прибора, подлежащего испытанию, находится в пределах между 4,8 и 5,2 В, то у компаратора устанавливается UВТО = 5,2 В, а UНТО = 4,8 В.

Если выходной сигнал превышает 5,2 В, то выходное напряжение ОУ-У1будет иметь высокий уровень; если выходной, сигнал имеет значение, меньшее 4,8 В, то выходное напряжение OУ - У2 становится высоким. Если выходной сигнал испытуемого прибора находится в пределах 4,8 и 5,8 В, то выходной сигнал обоих ОУ (У1 и У2) будет иметь низкий уровень. ДиодыДобразуют вентиль ИЛИ по отношению к выходам У1 и У2. Таким образом, если у одного из двух усилителей выходное напряжение имеет высокое значение, то и выходной сигнал схемы также высок.[2]

Пример 1. Построить компаратор с окном по схеме Рисунок8, используя компаратор типа LM3I1. Напряжение UВТО= 6 В, UНТО= 5 В, UОП = + U =12В;нет необходимости в стробированнн; RН= 2 кОм.

Условия работы компаратора:

UBX>UВТО ,UBX<UНТО - высокий уровень выходного сигнала,

UВТО>UBX>UНТО- низкий уровень выходного сигнала.

UВТО=UОП [( R2+ R3)/(R1 + R2 + R3)],

UНТО = UОП[R3/(R1 +R2+R3)].

Замечание: Вместо потенциала земли на схему подается -- U (компараторы с двумя источниками питания), если UВТО или UНТОне положительно. Решение: Так как стробирование не требуется, то вход стробирующего сигнала у LM311 присоединяется к выводу 5. При RН = 2 кОм схема LM31I может обеспечить требуемый выходной ток с запасом. Поэтому остается только вычислить значения R1,R2 иR3и выполнить соответствующие соединения.

Пусть ток делителя IДЕЛ = 0,5 мА. Тогда

R1 = (UОП - UВТО)/ IДЕЛ=(12 В-6 В)/0,5 мА=12 кОм,

R2 = (UВТО- UНТО)/ IДЕЛ=(6 В-5В)/0,5 мА=2 кОм,

R3 =UНТО/ IДЕЛ5В/0,5 мА=10 кОм.

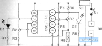
Двухпороговый компаратор-индикатор температуры

Описание работы схемы. Данное устройство (рис. 8.11) может найти применение в фотолабораториях при работе с химикатами, температура которых должна находиться в заданных пределах.

Микросхема IC1 представляет собой сдвоенный операционный усилитель, используемый в качестве компараторов А и В для сравнения двух опорных напряжений с напряжением на общем для них тер.мисторе R9. Опорное напряжение компаратора формируется делителем на резисторах R2 и R3 и поступает на вход (вывод 5) IC1. Управляющее напряжение формируется делителем R6, R7 и R9 и поступает на вход (вывод 6) ICl. В исходном состоянии напряжение на выводе 5 установлено ниже, чем на выводе 6. С повышением температуры сопротивление термистора R9 падает и соответственно падает управляющее напряжение на выводе 6. Когда оно становится ниже, чем опорное на выводе 5, включается светодиод D1 (желтого цвета). В исходном состоянии напряжение на управляющем выводе 6 компаратора А устанавливается равным 2,0 В, опорное напряжение на выводе 5 равно 1,6 В.

Для компаратора В в исходном состоянии опорное напряжение на выводе 3 составляет 3,8 В, а на управляющем выводе 2 оно равно 4,2 В. При дальнейшем повышении температуры сопротивление термистора R9 продолжает падать и соответственно уменьшается управляющее напряжение на выводе 2 микросхемы IC1. Когда оно становится ниже опорного напряжения на выводе 3, загорается красный светодиод (желтый светодиод при этом продолжает светиться).

Различие моментов включения светодиодов D1 и D2 определяется настройкой резисторов R2 и R7. Из схемы рис. 8.11 видно, что опорное напряжение на выводе 5 настраивается переменным резистором R2, в то время как на выводе 3 (часть В) оно фиксировано делителем напряжения на резисторах R5 и R4. По управляющим входам-наоборот: для компаратора А порог срабатывания по выводу 6 фиксирован, а для В настраивается по

Рис. 8.11. Двухпороговый компаратор-индикатор температуры:

IC1-сдвоенный операционный усилитель тенциометры; R3-1 кОм; R4, R5-10 кОм; LF353; D1 -светодиод с высокой интенсивностью- R6-2.2 кОм; Р9-термистор 10 кОм (с точностью свечения, желтый; □2-светодиод с рицательным ТК); S1-однополюсный высокой интенсивностью свечения, крас- лючатель; VR-регулируемый стабилизаторный; R1, R8-390OM; R2, R7-25кOм, по- 7808.

I выводу 2 потенциометром R7. Настраивая R2 и R7, можно регулировать [зону срабатывания компараторов.

При наладке схемы целесообразно вначале измерить напряжение на выводе 6, затем при помощи резистора R2 установить требуемое напряжение на выводе 5. То же самое следует проделать по входам (выводы 2 и 3) компаратора В, производя необходимую настройку резистором R7. Проверку работоспособности схемы можно осуществить, например, приблизив нагретую на батарее бумажную салфетку к термистору.

Стробируемый компаратор (индикатор температуры)

Описание работы схемы. Компараторы со стробируемым выходом ценны тем, что позволяют следить за выполнением определенных условий, например за достижением некоторого температурного предела. При достижении этого предела прекращается действие стробируемого выхода. К такому типу компараторов, обеспечивающих помимо функций сравнения стробирование выхода, относится микросхема LM311 (рис. 8.13).

На вывод 3 IC1 типа LM311 подано опорное напряжение с делителя на резисторах R1 и R2, равных по номиналу. Таким образом, при напряжении питания 8 В опорное напряжение на выводе 3 равно 4 В. Изменяющееся напряжение на выводе 2 IC1 формируется делителем напряжения, состоящим из термистора ТН и потенциометра R3. Когда это напряжение выше опорного, на выходе (вывод 7) IC1 устанавливается низкий уровень напряжения, и светодиод D1 горит. При нагреве термистора его сопротивление падает, напряжение на выводе 2 становится ниже опорного, на выходе (вывод 7) IC1 устанавливается высокий уровень напряжения и светодиод D1 гаснет. Используемый в схеме светодиод зеленого цвета при заданных номиналах элементов включается при температуре 64°F (18°С) и выключается при 75 ? (24С), индицируя нижний и верхний пределы рабочего диапазона температур.

Рис. 8.13. Стробируемый компаратор (индикатор температуры):

-компаратор с высокой разрешающей способностью LM311; IC2-таймер LM555; 01-прп-транзистор TIS92, SK3854, GE 20; D1 -светодиод с высокой интенсивностью свечения; VR-регулируемый стабилизатор7808; ТН-термистор 10 кОм (с отрицательным ТК); R1, R2- 10кОм; R3 -потенциометр 25 кОм; R4-390 Ом; R5 -1 кОм; R6- 4,7 кОм; R7-68 кОм; R8- 47 кОм; С1 -10 мкФ, 12 В.-низкочастотный мультивибратор, вырабатывающий импульсы частотой 1 Гц. Выход (вывод 3) IC2 соединен с базой рп-транзистора Q1, формирующего стробирующие импульсы, подаваемые на вывод 6 IC1. Таким образом, при температурах ниже порогового значения зеленый светодиод D1 мигает с частотой 1 Гц. Если температура превышает пороговое значение, как было сказано выше, светодиод выключается. Зона срабатывания устройства регулируется резистором R3.

Новый двухпороговый компаратор Texas Instruments для контроля напряжения питания

Компания Texas Instruments представила свою новую разработку - двухпороговый компаратор TPS3700, предназначенный для контроля значения напряжения питания.

Микросхема TPS3700 представляет собой сдвоенный компаратор с напряжением питания от 1.8 до 18 В, имеющий раздельные входы для установки порогов срабатывания при превышении и при падении напряжения входного сигнала ниже установленного порога. Пороги срабатывания компараторов устанавливаются с помощью цепочки внешних постоянных резисторов.

Микросхема TPS3700 имеет два выхода с открытым коллектором (активный низкий уровень), адаптированных для использования напряжения подтяжки вплоть до +18 В. Также встроенные компараторы имеют гистерезис порядка 400 мВ для защиты от ложных срабатываний вследствие помех и коротких всплесков входного сигнала.

Микросхема TPS3700 идеальна для использования в качестве системы контроля величины напряжения питания, но также может быть использована и как обычный сдвоенный компаратор.

Основные параметры:

Регулируемый "зазор" между порогами срабатывания: до 400мВ

Потребляемый ток: 5.5 мкА (тип)

Точность измерения: 0.25%, 1.0% (во всем температурном диапазоне)

Собственный гистерезис: 5.5 мВ

Рабочий температурный диапазон: -40..+125°С

Корпусное исполнение: SOT-23-6

Рис. Типовая схема включения

Расчет широкополосного дифференциального усилителя (компаратор на ОУ)

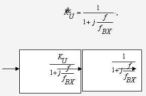
Рассмотрим дифференциальный широкополосный усилитель с каскодной схемой, который в отличие от основной схемы дифференциального усилителя имеет высокую частоту сопряжения ЛАЧХ (приложение Б).

Каскодная схема (приложение Б), состоит из двух каскадов: входной каскад - схема с общим эмиттером (на транзисторе VT2), нагрузкой которого является каскад схемы с общей базой (на транзисторе VT1). При этом коэффициент усиления по напряжению схемы с общим эмиттером равен единице - что устраняет эффект Миллера. Усиленный в ß раз входной ток протекает через эмиттер схемы с общей базой и через сопротивление коллектора, обеспечивает усиление по напряжению.

Таким образом, каскодный усилитель обладает свойствами схемы с общим эмиттером, но является широкополосным из-за отсутствия эффекта Миллера и выходное сопротивление может быть большим, если велико Rк.

С точки зрения частотных свойств (приложение Б) каскодную схему можно рассматривать как два инерционных звена, соединенных последовательно: первое звено соответствует входной цепи, второе звено - выходной цепи.

Рассчитаем основные параметры данного широкополосного усилителя.

Ширина полосы частот (соответствует частоте сопряжения ЛАЧХ) равна:

,

где ,

-предельная частота одного фильтра.

Тогда принимаем входные и выходные цепи предельной частоты (предельную частоту усиления) одинаковыми:

,

То есть, если заданна результирующая частота усилителя, то предельная частота входной и выходной схем должна быть  раз больше.

Величина коллекторного сопротивления вычислится по формуле

,

Барьерную емкость выбираем в промежутке .

Пусть , тогда :


Пусть статическая крутизна транзистора равна:

, ,


Для получения существенной обратной связи выбираем сопротивление эмиттера:

,

Статическая крутизна входного каскада равна:


В результате коэффициент усиления по напряжению равен:


Предельная частота входных транзисторов рассчитывается через предельную частоту усиления, по соотношению:


Для дальнейшего расширения частотного диапазона можно подсоединить конденсатор между эмиттерными выводами, или индуктивность последовательно с RК. Рассчитаем точку покоя (Рисунок 11) - ток и напряжение входной и выходной цепи при напряжении на входе равном нулю:

Рисунок 11 - Расчет точки покоя усилителя

Пусть выходное напряжение (рисунок 14) равно:


Тогда ток источника тока (ИТ - предназначен для задания тока покоя (точки покоя) транзисторов - он определяет точку покоя выходной цепи) равен:


Кроме того, с помощью источника тока появляются свойства деления входного напряжения пополам и отсутствует реакция на синфазный (сигнал наводок) входной сигнал.

Тогда, в соответствии с рисунком 13 и 14, напряжение на базе второго каскада равно:


Уравнение баланса напряжение (II Закон Кирхгофа) запишем в следующем виде (рисунок 13):

Тогда для делителя напряжение на сопротивлениях R4 иR5получим:


Найдем значения данных сопротивлений: предварительно зададимся одним из сопротивлений. Пусть R2=100(Ом), тогда в соответствии с формулой получим:


В результате расчетов - все полученные значения удовлетворяют требуемым значениям параметров: частота сопряжения, коэффициент усиления, напряжение питания и др.

Построение ЛАЧХ и ЛФЧХ

Входной каскад каскодной схемы может быть представлен линейным звеном первого порядка с частотой сопряжения . При этом коэффициент усиления в статическом режиме условно относят ко входной цепи. Следовательно:


Выходной каскад:

Рисунок 11-Представленные в качестве звеньев Iпорядка входной и выходной каскады

Порядок построения ЛАЧХ:

.        Рассчитаем величину .

.

.        Рассчитаем  и отмечаем на логарифмической оси частот. Проводим штриховую вертикальную линию до пересечении с .


.        Проводится прямая линия по двум точкам, являющаяся ЛАЧХ входного сигнала, до частоты .

.        Влево и вправо от частоты  по оси абсцисс откладывается декада и проводится вертикальная штриховая линия.

.        Откладываем 20 дБот точки А вниз, ставим точку и по двум точкам проводим прямую линию. Она является лианеризованной ЛАЧХ входного каскада для частоты больше .

Построение ЛАЧХ выходного каскада осуществляется аналогично.

Так как , то


То есть ЛАЧХ выходного звена совпадает с осью абсцисс до частоты .

Суммируя алгебраически обе ЛАЧХ получаем суммарную ЛАЧХ с наклоном -40 дБ/дек. (Приложение Б)

 


Заключение

Подведем итог выполненной работы, в процессе которой был спроектирован стробируемыйдвухпороговый компаратор, удовлетворяющим заданным параметрам:тип логики, тактовая частота логических элементов, коэффициент усиления, частота сопряжения.

Для этого был произведен литературный обзор существующих компараторов, способов реализации компараторов на ОУ. Были подробно описаны принципы действияпервого промышленного интегральногокомпаратора А710 и двухпорогового компаратора, реализованном на одном ОУ, а так же спроектированного компаратора.

Был проведен расчет параметров компаратора, спроектированного на широкополосном ОУ.

В графической частиприведены диаграмма входных и выходных сигналов, ЛАЧХ и ЛФЧХ каскадов компаратора (ОУ). Последовательность построения ЛАЧХ и ЛФЧХ приведена в пункте 2.2 данного курсового проекта.

В ходе литературного обзора были сделаны следующие выводы.

Компараторы находят широкое применение: являются составной частью устройств автоматического контроля, АЦ-преобразования, стабилизации источников питания (в качестве усилителей ошибки), сдвига уровня логических сигналов. Перечень применений компараторов на этом не исчерпывается.

Любой ОУ может быть использован в качестве компаратора, однако специально спроектированные компараторы удобнее для применения, в силу некоторых особенностей компараторов по сравнению с ОУ.

.        Несмотря на то, что компараторы очень похожи на операционные усилители, в них почти никогда не используют отрицательную обратную связь, так как в этом случае весьма вероятно (а при наличии внутреннего гистерезиса - гарантировано) самовозбуждение компараторов.

.        В связи с тем, что в схеме нет отрицательной обратной связи, напряжения на входах компаратора неодинаковы.

.        Из-за отсутствия отрицательной обратной связи входное сопротивление компаратора относительно низко и может меняться при изменении входных сигналов.

.        Выходное сопротивление компараторов значительно и различно для разной полярности выходного напряжения.

Список использованной литературы

.Титце У., Шенк К. Полупроводниковая схемотехника: справочное руководство. -М.1 Мир, 1982-512с., ил.

.Алексеенко А.Г., Шагурин И.И. Микросхемотехника.-М.:Радио и связь, 1990-469с.

.Павлов В.Н., Ногин В.Н. Схемотехника аналоговых электронных устройств.-М.:Горячая линия - Телеком, 2001-320с.

.Стексов А. М. Конспект лекций по дисциплине «Электронные цепи и микросхемотехника».

.Новый двухпороговый компаратор Texas Instruments для контроля напряжения питания - #"564257.files/image064.gif">

Рис. 1. Стробируемый двухпороговый компаратор с третьим состоянием.

Рис. 2. Стробируемый двухпороговый компаратор.

Рис. 3. ТТЛ - типа с третьим состоянием.

Рис. 4. Принципиальная схема элемента И-НЕ с 3-им состояниям.

Рис. 5. Схема компаратора на ОУ.

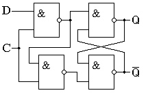
Рис. 6. Схема D-триггера, реализованная на ТТЛ элементах

Похожие работы на - Стробируемый двухпороговый компаратор c третьим состоянием

 

Не нашли материал для своей работы?
Поможем написать уникальную работу
Без плагиата!
Без нейросетей!