Схемы генераторов автоматики, телемеханики и связи
Министерство
транспорта Российской Федерации
Федеральное
агентство железнодорожного транспорта
Государственное
образовательное учреждение высшего профессионального образования
Омский
государственный университет путей сообщения (ОмГУПС)
Кафедра:
«Автоматика и Телемеханика»
Отчет по
лабораторной работе №4 по дисциплине: «ТОАТ»
СХЕМЫ
ГЕНЕРАТОРОВ АВТОМАТИКИ, ТЕЛЕМЕХАНИКИ И СВЯЗИ
Студент гр. 24Б Храмов С.И.
Руководитель Г.В. Ларионов
Омск 2016
Цель работы:
изучение принципов построения и работы схем генераторов на реле и бесконтактных
элементах.
Краткие теоретические сведения
Генераторы предназначены для формирования
импульсных последовательностей сигналов прямоугольной формы, используемых в
системах автоматики, телемеханики и связи. Основными характеристиками
генераторов являются частота и скважность вырабатываемых ими импульсов. Частота
генератора определяется количеством импульсов, вырабатываемых им за 1 с, а
скважность q - отношением длительности периода Т импульсной последовательности
к длительности импульса τ:
Необходимые значения параметров
задаются путем подбора характеристик компонентов, включаемых в схемы
генераторов.
Рис. 1 - схема однорелейного
генератора
Принцип действия однорелейного
генератора основан на размыкании цепи питания обмотки реле Р1 тыловым
контактом p1 этого же реле. Частота генерации зависит от временных параметров
самого реле и от компонентов схемы, которые влияют на эти параметры. Для увеличения
длительности периода Т параллельно обмотке реле подключают электролитический
конденсатор большой емкости.
Нормальная работа генератора
возможна только при полном подъеме якоря реле, при этом замыкаются контакты 11,
12 и подаются импульсы напряжения на контролирующий светодиод VD1. Длительность
и частота импульсов определяются значениями компонентов схемы и параметрами
реле.
Рис.2 - схема генератора
на двух реле
При замыкании контактов
П2 на обмотку реле Р2 подается напряжение и реле Р2 срабатывает. Контактами 11,
12 реле Р2 включает реле Р3, которое, размыкая контакты 21, 23, выключает реле
Р2. Размыкая контакты 11, 12, реле Р2 выключает питание реле Р3, которое,
обесточившись, снова включает реле Р2 и т. д.
Изменение напряжения при
коммутации емкости описывается при помощи динамических уравнений для простых
цепей, для рассматриваемого случая решением этих уравнений будет напряжение:
(2)
(3)
где
- изменение
напряжения на обмотке реле при включении питания (рис. 2);
- изменение напряжения на обмотке
реле при выключении питания (рис. 3);
Е - напряжение источника электропитания
обмотки реле;
С - емкость электролитического
конденсатора;з, Rр - заряжающее, разряжающее сопротивление.
Временная диаграмма работы двухрелейного
генератора
Рис.3 - Зависимость напряжения
на обмотке реле от времени:
при включении (а) и выключении
(б) питания
Рис.4 - временная диаграмма работы
двухрелейного генератора
Генератор на интегральной микросеме
Рис.5 - схема генератора на интегральной
микросхеме
Эта схема является простейшей и применяется в
тех случаях, когда не требуется высокой стабильности частоты вырабатываемых
импульсов. Частота регулируется с помощью изменения значений емкости С1 и
сопротивления R2.
Для получения высокостабильной
частоты применяют генераторы с кварцевыми резонаторами.
Рис.6 -
схема генератора с кварцевой стабилизацией частоты
Экспериментальная
часть
генератор кварцевый
частота импульс
Однорелейный
генератор
Рис.7 - временная
диаграмма работы генератора при минимальном значении R1
Рис.8 - временная диаграмма работы генератора
при среднем значении R1
Рис.9 - временная диаграмма работы генератора
при максимальном значении R1
Таблица 1 - Параметры однорелейного генератора
|
Сопротивление R1
|
Параметры импульсной
последовательности
|
|
частота, Гц
|
фронт, мс
|
спад, мс
|
|
минимальное
|
1,35
|
60
|
680
|
|
среднее
|
1,67
|
280
|
320
|
|
максимальное
|
2,78
|
280
|
Двухрелейный генератор
Рис.10 - временная диаграмма работы для схемы
включения VD2 = р2
Рис.11 - временная диаграмма работы
для схемы включения VD2 = р2
р3
Рис.12 - временная диаграмма работы
для схемы включения
Рис.13 - временная диаграмма работы
для схемы включения
VD2 =
Рис.14 - временная диаграмма работы
для схемы включения VD2 =
Таблица 2 - Параметры двухрелейного
генератора
|
Схема
|
Параметр импульсной
последовательности VD2
|
|
частота, Гц
|
импульс, мс
|
интервал, мс
|
скважность
|
|
а
|
1,67
|
280
|
320
|
2,14
|
|
б
|
1,67
|
70
|
530
|
8,57
|
|
в
|
1,67
|
80
|
520
|
7,5
|
|
г
|
1,67
|
180
|
420
|
3,33
|
|
д
|
1,67
|
120
|
480
|
5
|
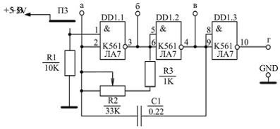
Изучение бесконтактного генератора
на элементах И-НЕ
Точки а
Точки б
Точки в
Рис.15 - диаграмма напряжения на генераторе
относительно точки г (R5
минимальное)
Точки а
Точки б
Точки в
Рис.16 - диаграмма напряжения на генераторе
относительно точки г (R5
среднее)
Точки а Точки б
Точки в


Рис.17 - Диаграмма напряжения на генераторе
относительно точки г
(R5
максимальное)
Таблица 3 - Результаты исследования RC-генератора
|
Сопротивление переменного
резистора
|
Параметр импульсной
последовательности
|
|
|
Частота, Гц
|
Комментарии по результатам
исследования
|
|
|
минимальное
|
200
|
От сопротивления зависит только
частота сигнала. Чем выше сопротивление, тем ниже частота.
|
|
среднее
|
95,24
|
|
|
максимальное
|
|
|
|
|
|
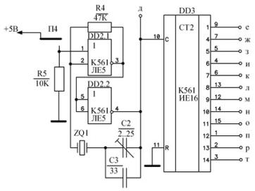
Изучение генератора с кварцевой
стабилизацией частоты
Точка е
Точка ж
Точка з
Точка к
Точка м
Точка о
Точка и
Точка л
Точка н
Точка п
Точка р
Таблица 4 - измерения делителя частоты с
кварцевой стабилизацией
|
Контрольные точки счетного
триггера
|
Частота, кГц
|
Коэффициент деления
|
|
|
По осциллографу
|
Расчетный
|
|
д
|
166,67
|
|
|
|
е
|
80,65
|
2,07
|
2
|
|
ж
|
10
|
16,67
|
16
|
|
3
|
5
|
33,33
|
32
|
|
и
|
2,5
|
66,67
|
64
|
|
к
|
1,25
|
133,33
|
124
|
|
л
|
0,625
|
266,67
|
256
|
|
м
|
0,3215
|
533,34
|
512
|
|
н
|
0,15625
|
1066,69
|
1024
|
|
о
|
0,078125
|
2133,38
|
2048
|
|
п
|
0,038462
|
4333,37
|
4096
|
|
р
|
0,01923
|
8667,19
|
8192
|
|
т
|
0,009615
|
17334,37
|
16384
|
Вывод: В
ходе лабораторной работы были изучены некоторые схемы генераторов
железнодорожной автоматики и телемеханики, их принципы работы и некоторые
характеристики, а также зависимость характеристик между собой.
1. На чем основан принцип
действия однорелейного генератора?
Принцип действия однорелейного генератора (рис.
1) основан на размыкании цепи питания обмотки реле Р1 тыловым контактом p1
этого же реле. Частота генерации зависит от временных параметров самого реле и
от компонентов схемы, которые влияют на эти параметры.
2. Как увеличить период
генерации релейных генераторов без использования конденсаторов?
Для увеличения периода работы релейного
генератора в его схему может включаться дополнительно одно или несколько реле.
При этом схема генератора строится так, что контакты предыдущего включают
питание последующему реле. Реле, срабатывающее последними своими контактами,
должно разрывать цепи питания первого реле.
Период работы многорелейного генератора равен
сумме времен срабатывания и отпускания всех реле, входящих в схему генератора.
3. В чем заключается принцип
кварцевой стабилизации частоты?
Внешнее напряжение на кварцевой пластинке
вызывает её деформацию. А она, в свою очередь, приводит к появлению
электрического заряда на поверхности кварца (пьезоэлектрический эффект). В
результате этого механические колебания кварцевой пластины сопровождаются
синхронными с ними колебаниями заряда на её поверхности, и наоборот.
4. По какой формуле рассчитывается
коэффициент деления счетного триггера без предварительной установки?
Коэффициент деления
без принудительной установки равен числу два в степени номера счетного
триггера: Кд = 2n.