Проектирование электропитания устройств связи и автоматики
Кафедра «Системы передачи информации»
Расчетно-пояснительная записка к
курсовому проекту
по дисциплине: Электропитание
устройств автоматики телемеханики и связи
Тема:
Проектирование электропитания
устройств связи и автоматики
Реферат
Курсовой проект содержит 27 страницы печатного текста, 2 таблицы, 2
рисунка, использовано 5 источников.
Проект электропитания, выпрямитель, аккумуляторная батарея, аварийное
освещение, стабильность напряжения, токораспределительная сеть.
В настоящей курсовой работе рассчитано электропитание для аппаратуры
связи, обеспечивающая электроснабжение I категории надежности, бесперебойное питание потребителей: 48
В, 60 В (35 А, 150 А соответственно) постоянное напряжение и 220 В (12 А, 50
Гц) переменное напряжение, а так же аварийное освещение 60 В (12 А) мощностью
0,72 кВт.
Цель работы - спроектировать электропитание при заданных нагрузках и
заданной категории электроснабжения.
Содержание
Введение
. Выбор
системы электропитания и составление предварительной структурной схемы
2. Выбор
преобразователей для бесперебойного питания нагрузок в аварийном режиме
. Расчет
емкости и числа элементов аккумуляторной батареи
. Расчет
и выбор типа выпрямителей
. Расчет
параметров вводной сети переменного тока и дизель-генератора
. Выбор
вводных устройств переменного тока
. Расчет
и выбор предохранителей, автоматических выключателей, выбор ограничителей
перенапряжений
. Расчет
токораспределительной сети
. Расчет
сопротивления защитного контура заземления и измерительных электродов токам
растекания. Паспорта на заземлители
. Расчет
надежности электропитающей установки
Заключение
Список
использованной литературы
Введение
Электропитание любой системы связи является важной составляющей
качественной работы систем передачи информации, поскольку качественное
функционирование связевых пунктов во многом зависит от бесперебойности
электроснабжения. К тому же вся аппаратура потребляет различные токи и
напряжения, которые имеют допустимые значения колебаний, которые строго
регламентированы государственными стандартами.
Электропитающая установка на предприятиях связи призвана обеспечивать
получение тока, распределение, регулирование и резервирование электропитания.
От электропитающих установок требуется обеспечение высокой надежности,
бесперебойности и беспрерывности снабжения аппаратуры связи электрическим
током.
Стоимость современных электроустановок на предприятиях связи достигает
40% стоимости всего оборудования.
Основным источником электрической энергии для устройств связи и
автоматики являются энергосистемы или местные электростанции (ДГА),
вырабатывающие переменный ток частотой 50 Гц. Однако для питания большинства
аппаратуры связи требуется постоянный ток. По этим причинам, в состав ЭПУ
должны входить следующие основные элементы:
Инверторы
Вольтодобавочные устройства
Выпрямители
Преобразователи напряжения
В данной курсовой работе предлагается в соответствии с заданными
параметрами нагрузок, категорией надежности электроснабжения и требованиями
аппаратуры к источникам питания рассчитать и подобрать элементы и, на основании
расчетов и оптимизации, построить структурную и функциональную схемы ЭПУ для
узла (дома) связи.
1. Выбор системы электропитания и составление предварительной
структурной схемы
Систему электроснабжения переменным током выбираем по системе ТN-S, когда с питающей подстанции напряжение подается по
пятипроводной линии (Т − три фазы, N - нейтральный провод, S − защитный провод, обозначаемый в схемах ЭПУ как РЕ).
По фидерам внешнего электроснабжения 380/220 В 50 Гц напряжение подается
к вводным устройствам электропитания.
Вводные устройства ЭПУ совместно с АВР должны обеспечивать:
защиту оборудования от внешних перенапряжений и от токов короткого
замыкания;
постоянный контроль наличия напряжения в каждой фазе цепей основного и
резервного внешних источников питания;
контроль чередования фаз этих источников;
непрерывное сравнение текущих значений напряжений основного и резервного
вводов с заранее заданными допустимыми отклонениями от номинального напряжения
и переход на резерв при выходе напряжения за пределы отклонения;
контроль параметров ДГУ в дежурном и аварийном режимах ЭПУ;
совместно с АБ и ДГУ включение аварийного освещения АО;
восстановление доаварийного состояния;
по команде дежурного оператора системы связи и автоматики отключение
основного или резервного вводов при ремонте;
визуальный контроль наличия фазного напряжения основного и резервного
вводов и индикация ввода, подключенного к нагрузке.
В задании курсового проекта дана I группа надежности электроснабжения, поэтому в соответствии
заданием выбираем вводное устройство ШВРАУ 380/Iн 21 П К, где
«ШВР» - аббревиатура «шкаф вводно-распределительный»;
«А» - автоматическое управление;
«У» - наличие счетчиков учета электроэнергии;
«380» - номинальное напряжение, В;
«Iн» - номинальный ток общего потребления;
«2» - количество вводов сети внешнего электроснабжения (фидеры);
«1» - количество вводов от ДГУ;
«П» - напольное исполнение по месту установки;
«К» - наличие панели коммутации аварийного освещения;
Предельные габариты шкафов напольного типа в мм - 2250´800´600
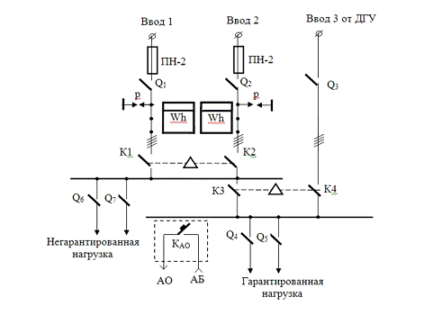
Функциональная схема шкафа ШВРАУ 380/Iн 21 П приведена на рисунке 1.
Рисунок 1 - Функциональная схема шкафа ШВРА для ЭПУ группы I категории надежности
На рисунке 1 показаны контакторы К1, К2, К3, К4 с блокировкой,
исключающей их одновременное включение, показаны защиты по току (предохранители
ПН-2, автоматические выключатели Q),
защита по напряжению (разрядники Р или варисторы на каждой фазе, а также между
проводами N и РЕ при 5-и проводной схеме TN-S).
Предохранители ПН-2 выбирают на ток, равный 3Iн, со временем отключения нагрузки до 5 с, где Iн - номинальный ток нагрузки.
Автоматические выключатели выбирают с учетом того, что тепловой ток
биметаллических или триметаллических расцепителей Iт=(1,05-1,25) Iн. Поэтому выбирают Iва =(1,3-2,5) Iн .
Предварительная структурная схема разрабатываемой ЭПУ I категории надежности
электроснабжения приведена на рисунке 2.
Рисунок 2 - Предварительная структурная схема разрабатываемой ЭПУ I категории надежности
электроснабжения
2. Выбор преобразователей для бесперебойного питания нагрузок
в аварийном режиме
В задании курсового проекта дано три нагрузки, две из них постоянного
тока, и одна переменного тока:
1. U1=48, I1=35
2. U2=60, I2=150
3. U3=220, I3=12, 50Гц
Исходя из этих данных, подбираем типы стоек ССПН, вольтодобавочные
преобразователи типа КУВ, а также инвертор для преобразования постоянного
напряжения аккумуляторной батареи в переменное для подачи его в нагрузку с
переменным напряжением 220 В.
Преобразователь ССПН в данном курсовом проекте будет запитываться с
аккумуляторной батареи напряжением U2=60 и током
I2=150. Таким образом, выбирается стойка стабилизаторов
ССПН-3 60-60/240 из Таблицы П.1 в методических указаниях к курсовому проекту
(см. Таблицу П.1 методического пособия «Курсовая работа по дисциплине
электропитание устройств ЖАТС»)
Расшифровка аббревиатуры ССПН-3 60-60/240:
«3» - тип стойки ССПН;
«60-60» - входное и выходное постоянные напряжения соответственно;
«240» - максимальный выходной ток нагрузки, данное значение взято с
условием максимум 75% загрузки ССПН.
Инвертор для нагрузки, требующей переменного напряжения запитываем от
аккумуляторной батареи с постоянным напряжением 60 В. Для выбора инвертора по
мощности производим простой расчет мощности потребляемой нагрузкой, а именно:
Таким
образом, подбираем инвертор типа ИС-4500, именно такой инвертор подходит для
данной мощности, потребляемой нагрузкой. Габариты для данного шкафа равны 962´600´600. А также выбор данного
инвертора определился тем, что это единственный из инверторов, предложенных в
методическом пособии к курсовому проекту подходит к данной мощности (см. стр.
16 методического пособия «Курсовая работа по дисциплине электропитание
устройств ЖАТС»). Напряжение на входе инвертора равно 60 В, выходное напряжение
220 В 50 Гц.
Таким
образом, мы подошли к расчету необходимой аккумуляторной батареи. Из выше
перечисленного определяем, что нам необходимо две группы батарей, одна будет
выдавать постоянное напряжение 60 В, от которого будут запитываться аварийное
освещение, инвертор ИС-4500 и преобразователь ССПН-3 60-60/240, а вторая
батарея будет питать КУВ-2 напряжением 48 В.
3. Расчет емкости и числа элементов аккумуляторной батареи
Расчет ведется при аварийном режиме ЭПУ, когда основная нагрузка, ее
преобразователи получают электроэнергию только от АБ.
Прежде всего найдем суммарный ток, потребляемый от батареи в аварийном
режиме преобразователями ССПН, КУВ, ИС, аварийным освещением и другими
нагрузками при минимальном напряжении батареи в конце разряда с учетом
коэффициента полезного действия (КПД) каждого преобразователя.
Производим расчет токов, с учетом КПД преобразователей, взятых из
методического пособия «Курсовая работа по дисциплине электропитание устройств
ЖАТС»
Например, КПД стойки ССПН ηспн = 0,92; для КУВ, работающего
совместно с АБ, принимаем ηкув = 0,85; КПД инвертора ИС примем ηис = 0,8.
Тогда:
(1)
где
DUтрс
− допустимое падение
напряжения в токораспределительной сети, определяемое по Таблице 2;
берется
из расчета количества банок в аккумуляторной батарее на напряжение одной банки,
при этом напряжение, выдаваемое одной банкой для I категории
электроснабжения, берется равным 1,8 В. Данное напряжение
берется из Таблицы 1.
Таблица 1
и
количество банок
|
Количество банокНапряжение на банку
|
|
|
|
|
24
|
12
|
1,8
|
21,6
|
|
48
|
24
|
1,8
|
43,6
|
|
60
|
30
|
1,8
|
54
|
Таблица 2
Допустимое падение напряжения в токораспределительной сети
|
Uном, В
|
12
|
24
|
48
|
60
|
120
|
220
|
|
DUтрс, В
|
0,4
|
0,8
|
1,4
|
1,6
|
3,0
|
5,0
|
Расчет токораспределительной сети будет проводиться далее по ходу
курсового проекта, поэтому в данный момент берутся примерные табличные данные.
Производим расчет токов:
А
А
А
Ток
аварийного освещения дан по заданию Iао=12 А при напряжении Uао=60 В.
Учитывая,
что преобразователи запитываются от двух батарей, напряжение, одной из которых
равно 48 В, а другой 60 В, подсчитываем Общий ток разряда АБ в течение десяти
часов аварийного режима:
Для
АБ напряжением 60 В:
Iр10 = Iвх сспн + Iвх
ис + I АО=185,99+17,111+12=215,101
А
Для
АБ напряжением 48 В: Iр10 =Iвх
кув=46,654 А
Далее
рассчитываем фактическую емкость батареи:
Сф
= Iptp, (2)
где
Ip = Ip10ηi (ηi -
коффициент кратности, определяемый для гелевых АБ по таблице 3 в зависимости от
заданного tр, в
данном курсовом проекте мы имеем дело с I категорией
надежности электроснабжения, поэтому tр=8 часов).
С
учетом падения емкости АБ в конце срока эксплуатации на 20%:
, Ач, (3)
где α = 0,0008 - температурный коэффициент изменения емкости
аккумулятора.
Значения ηG в зависимости от выбранного tр приведены в таблице 3.
Таблица 3
Зависимость ηG и ηi от выбранного tр
|
t,ч
|
>10
|
9
|
8
|
7
|
6
|
5
|
4
|
3
|
2
|
1
|
|
η G
|
1
|
0.97
|
0.94
|
0.91
|
0.89
|
0.83
|
0.8
|
0.75
|
0.61
|
0.51
|
|
η i
|
1
|
1.1
|
1.15
|
1.3
|
1.48
|
1.66
|
2.0
|
2.5
|
3.05
|
5.1
|
Производим расчет емкости АБ:
Для АБ напряжением 60 В:
Сф
= Iptp= Ip10ηitp=
Ач
Для
АБ напряжением 48 В:
Сф
= Iptp= Ip10ηitp=
Ач
С
учетом падения емкости АБ в конце срока эксплуатации на 20% (
=20):
Для
АБ напряжением 60 В:
Для
АБ напряжением 48 В:
После
расчета мы имеем одну АБ с одной группой элементов емкостью 2527 Ач и вторую АБ
с одной группой элементов 549 Ач.
Далее
по полученным данным выбираем тип используемых аккумуляторов (тип аккумуляторов
выбирался из Таблицы П.4 методического пособия «Курсовая работа по дисциплине
электропитание устройств ЖАТС»):
Для первой аккумуляторной батареи напряжением 60 В был выбран аккумулятор
типа А602/2500 20 OPzV 2500, который
дает номинальное напряжение 2В и имеет емкость 2580 Ач (Необходимая емкость
батареи 2527 Ач).
Находим число последовательно соединенных элементов данной АБ:
. - число
элементов первой АБ
Напряжение всей батареи будет меняться в пределах:
UАБmax = NUэл max=
В;
UАБmin = NUэл.min=
В.
Буферное напряжение батареи находим при Uэл буф = 2,25 В:
UАБ буф = NUэл.буф=
В;
Для
второй аккумуляторной батареи напряжением 48 В был выбран аккумулятор типа Marathon L2V575, который дает номинальное напряжение 2В и имеет
емкость 575 Ач (Необходимая емкость батареи 549 Ач).
Находим
число последовательно соединенных элементов данной АБ:
- число
элементов второй АБ
Напряжение всей батареи будет меняться в пределах:
UАБmax = NUэл max=
В;
UАБmin = NUэл.min=
В.
Буферное напряжение батареи находим при Uэл буф = 2,25 В:
UАБ буф = NUэл.буф=
В;
Выбираем
тип шкафов для размещения АБ. Для этого приведем габариты, выбранных
аккумуляторов в таблице 4.
Таблица 4
Габариты выбранных аккумуляторов
|
Тип обозначения
|
Высота, мм
|
Длина, мм
|
Ширина, мм
|
|
Marathon L2V575
|
282
|
208
|
270
|
|
А602/2500 20 OPzV 2500
|
775
|
215
|
400
|
Исходя из данных, выбрали:
Для АБ напряжением 60 В: шкаф типа УЭПС-А1 60/100-4Х, где
«2» - обозначает тип шкафа
«60» - выходное напряжение
«100» - максимальный выходной ток (рассчитанный ток равен 215,101 А)
«4» - количество выпрямителей при полной комплектации
«Х» - количество выпрямителей при неполной комплектации
В данном шкафе необходимо разместить 30 аккумуляторов типа А602/2500 20 OPzV 2500. Известно, что его полезная
площадь полки 545´589 мм2, а наружные габариты шкафов по ширине и глубине 600´600 мм2 . Высота шкафов
может быть - 1050, 1650, 1950 или 2250 мм.
Высоту стойки выбираем 2250 мм, тогда можно будет разместить аккумуляторы
на 2 полки. Учитывая полезную площадь полок, получаем, что на одной полке может
разместиться всего 2 аккумулятора. Таким образом, в одном шкафе УЭПС-А1
60/100-4Х можно разместить всего четыре выбранных аккумулятора, а
следовательно, для размещения всех аккумуляторов потребуется 8 шкафов, один из
которых будет заполнен на половину.
Для АБ напряжением 48 В: стойка типа УЭПС-А1 48/240-4Х, где
«2» - обозначает тип шкафа
«48» - выходное напряжение
«240» - максимальный выходной ток (рассчитанный ток равен 46,654 А)
«4» - количество выпрямителей при полной комплектации
«Х» - количество выпрямителей при неполной комплектации
В данной стойке необходимо разместить 24 аккумулятора типа Marathon L2V575. Известно,
что ее полезная площадь полки 545´589 мм2, а наружные габариты стойки по ширине и
глубине 600´600 мм2
. Высота стойки может быть - 1050, 1650, 1950 или 2250 мм.
Высоту стойки выбираем 2250 мм, тогда можно будет разместить аккумуляторы
на 6 полок. Учитывая полезную площадь полок, получаем, что на одной полке может
разместиться всего 4 аккумулятора. Таким образом, в одном шкафе УЭПС-А1
48/240-4Х можно разместить всего 24 выбранных аккумулятора, а следовательно для
размещения всех аккумуляторов потребуется 1 стойка, которая будет заполнена
полностью.
4. Расчет и выбор типа выпрямителей
Выбор выпрямителей производится по номинальному напряжению и
максимальному току, который они могут выдавать по выходу.
Ток выпрямителей слагается из тока нагрузки и 10-ти часового тока заряда
выбранной АБ
I
вб = Iр10 + Iзар АБ , (4)
Где
Iзар.АБ
= САБ /tзар; tзар = 10 ч.
Рассчитываем I вб:
Для АБ напряжением 60 В:
I
вб = Iр10 + Iзар АБ=215,101+2580/10=473,101 А
Для АБ напряжением 48 В:
I
вб = Iр10 + Iзар АБ=46,654+575/10=104,154 А
При этом выпрямители должны иметь режим ограничения выходного тока (не
более I вб ) при глубоком разряде АБ, чтобы не
вывести батарею из строя избыточным током заряда.
С учетом 75 % загрузки выпрямителей их максимальный ток на выходе
Imax вб = (Iр + Iзар АБ) /0,75 (5)
Для АБ напряжением 60 В:
Imax вб = (Iр
+ Iзар АБ) /0,75=
А
Для
АБ напряжением 48 В:
Imax вб = (Iр
+ Iзар АБ) /0,75=
А
Imax вб=673,83 А для первой АБ
превышает значение номинального тока шкафа УЭПС, то число таких параллельно
включенных шкафов определяем:
N УЭПС = Imax вб /IУЭПСном=673,83/100=6,73
Следовательно,
7 стоек УЭПС необходимо подключить параллельно.
Стойку
УЭПС выбрали номиналом максимального выходного тока на 240 А для второй АБ с
напряжением 48 В.
Так
как УЭПС обычно укомплектовываются однофазными выпрямителями, то для получения
необходимого выходного тока, который больше I вб, но меньше Imax вб, необходимо взять 3 выпрямителей типа ВБВ 48/60-2,
которые дают выходное напряжение в диапазоне 43 - 54,5 В, выходной ток от 0 до
60 А, максимальную выходную мощность 3000 Вт, имеют кпд=0,85, а масса
выпрямителей 40 кг каждый. Таким образом для АБ с напряжением 48 В
определилось, что используется УЭПС-А1 48/240-43, то есть с неполной
комплектацией выпрямителей. При этом необходимо оставить несколько выпрямителей
в резерве, таким образом, необходимо чтобы в резерве находилась еще одна такая
же стойка УЭПС.
А
для АБ напряжением 60В необходима полная комплектация стоек выпрямителями типа
ВБВ 60/25-2К, которые дают выходное напряжение в диапазоне 48-72В, а выходной
ток от 1,25 до 25 А, максимальную выходную мощность 1800 Вт, имеют кпд=0,9,
масса выпрямителей 12 кг каждый (тип стойки УЭПС-А1 60/100-44). Получается, что
общее число выпрямителей равно 32, необходимо, чтобы в резерве находилось еще
четыре такие стойки УЭПС.
5. Расчет параметров вводной сети переменного тока и
дизель-генератора
Резервная электростанция вводится в состав ЭПУ для повышения надежности
электроснабжения, для электроснабжения гарантированных нагрузок, особенно при
длительных аварийных перерывах. Мощность ДГУ должна быть достаточна для питания
стоек УЭПС мощностью РУЭПС с выпрямителями, работающими на
преобразователи с нагрузкой, на зарядку АБ, на аварийное освещение мощностью РАО,
для работы кондиционера автозала РК, для собственных нужд ДГУ
мощностью РСН.
Максимальная нагрузка ДГУ при аварийном отключении питающих фидеров
переменного тока:
РДГУ = РУЭПС + PССПН + РАО + РК + РСН. (6)
Мощность, потребляемая выпрямителями ВБВ УЭПСа и ССПН:
РУЭПС = UАБ
maxImax ВБ / ηУЭПС, (7)
РССПН = UАБ
maxImax ВБ / ηССПН, (8)
где ηУЭПС= ηССПН = 0,9 - КПД выпрямителей;
РК и РСН выбирается по таблице 5 из методического
пособия «Курсовая работа по дисциплине электропитание устройств ЖАТС».
Расчет мощности ДГУ:
РДГУ
=
Активная
составляющая длительной нагрузки ДГУ РУЭПС должна составлять 50-75%
номинальной мощности агрегата, по значению последней и выбираем тип ДГУ.
Следовательно, логичным выбором является ДЭС-100, выбранный из Таблицы 4
методического пособия «Курсовая работа по дисциплине электропитание устройств
ЖАТС». Данный генератор выдает мощность 100 кВт, имеет габариты по длине - 5000
мм, по ширине - 2340 мм, по высоте - 2400 мм, а расход топлива 22,6 литра в час.
Максимальное время работы дизель-генератора составляет 12 часов, следовательно
необходимо, чтобы в топливной было минимум 271,2 литра топлива для работы
дизель-генератора. Берем для расчета объема топливного бака 500 литров,
следовательно габариты бака равны: длина - 1000 мм, ширина - 500 мм, высота -
1000 мм.
Максимальная
активная мощность Рmax. ,
потребляемая от сети, больше мощности РДГУ на величину
дополнительных негарантированных нагрузок: мастерских РМ,
нормального общего освещения РОСВ, общей вентиляции помещений узла
связи и автоматики РВЕНТ, а также прочая негарантированная нагрузка
данная в задании (Uнг=380, Iнг=12, Pнг=4560 Вт):
Рmax = РДГУ
+ РМ + РОСВ + РВЕНТ + Pнг =
Годовая
стоимость электроэнергии без учета реактивной составляющей мощности Qmax при
стоимости одного кВт-часа
Z руб. составляет:
Ппотр. = Рmax·365·24·Z· 2/3= 83,857·365·24·Z· 2/3=489 724, 88·Z, руб
Реактивная мощность, потребляемая от сети, может быть вычислена через
активную для отдельных групп нагрузок, имеющих одинаковый коэффициент мощности
соsφ
(для освещения соsφ
= 1, для моторной
нагрузки соsφ
= 0,7):
, Вар (9)
Производим
расчет:
Для
освещения (соsφ =1):
Для
моторной нагрузки (соsφ =0,7):
Для выпрямителей (соsφ = 0,7):
Для вентиляционной нагрузки (соsφ =0,8):
Полная мощность рассчитывается по формуле:
(10)
Где
- сумма всех активных мощностей;
- сумма
реактивных мощностей отдельных групп нагрузок.
Общая
активная мощность рассчитывается равна
=83857 Вт
Общая
реактивная мощность рассчитывается по формуле:
вар.
Полная мощность по формуле (10):
, ВА
Максимальный ток фазы, потребляемый из трехфазной сети переменного тока,
вычисляется по формуле:
, (11)
Где
- напряжение фазы, равное 220 В.
.А
6. Выбор вводных устройств переменного тока
ДГУ (в нашем случае ДЭС-100) укомплектовывается помимо дизель-генератора
ДГА щитом управления основными операциями ЩДГА, щитом вспомогательных операций
ЩДГВ, щитом заряда и разряда стартерных батарей 24 В и питания автоматики ЩЗРБ
24-М, баками для воды, масла и топлива. электропитание связь
токораспределительный сеть
В щите ЩЗРБ 24-М установлены три выпрямителя ВБВ 24/20-2М - один для
питания щита автоматики в буфере с АБ автоматики и два для заряда стартерной
батареи. Щит имеет дистанционную сигнализацию о состоянии выпрямителей и АБ.
Габариты ЩДГА и ЩДГВ - глубина 500 мм, ширина 650 мм, высота 2200 мм.
Габариты ЩЗРБ - глубина 450мм, ширина 250мм, высота 1800мм.
. Расчет и выбор предохранителей, автоматических
выключателей, выбор ограничителей перенапряжений
Автоматические выключатели (ВА) должны рассчитываться с учетом аварийного
разрядного тока, определяемого по выбранному ранее значению Сприв:
IН
ГР = СГР /tр IВА ГР = (1,5-2,5) IН ГР. (12)
Для АБ напряжением 60 В:
IВА ГР=
А
Для
АБ напряжением 48 В:
IВА ГР=
А
С
учетом рассчитанных номинальных токов были выбраны ВА:
Для
АБ напряжением 60 В: автоматические выключатели ВА 51-39 с номинальным током
630 А.
Для
АБ напряжением 48 В: автоматические выключатели ВА 69-33 с номинальным током
160 А.
Автоматический
выключатель вводных фидеров Ф1 и Ф2 выбираем по IФ (171 А) типа ВА 06-36 с номинальным током до 250 А.
Данный выключатель имеет дистанционное управление.
В
качестве предохранителей от перенапряжения выбираются на входе от внешних
источников энергии, а также ДГА контакторы КТ-6063.
Предохранители
берутся типа ПН-2, способные выдержать ток до 200 Ампер.
8. Расчет токораспределительной сети
Токораспределительная сеть (ТРС) рассчитывается по заданию для одной из
нагрузок U1 или U2 при аварийном режиме питания от АБ или от стоек
стабилизаторов напряжения до распределительных щитов или пунктов ПР и от последних
до определенного числа нагрузок, указанного в задании.
ТРС должна:
быть безопасной для здоровья обслуживающего персонала;
иметь хорошую изоляцию и надежные контакты мест присоединений;
обеспечивать наименьшие эксплуатационные затраты;
потери не должны превышать допустимых уровней.
Расчет производим по схеме ТРС для каждого участка длиной li c током Ii.
На всех участках используем 2-х проводную медную линию.
Для первого общего магистрального участка (от АБ, ИС, КУВ, ССПН до
распределительного шкафа ПР) сечение проводника находим:
, мм2
(13)
где
M1= Ii· li
n = 2 - число
проводов каждого участка;
Ii , li -
соответственно ток и длина каждого участка, включая и первый;
sм =57 См/м - удельная проводимость меди;
DUтрс - допустимое падение напряжения на участке (табл. 2) .
Для
расчета берем нагрузку U1=48 В (35 А).
Производим
расчет сечения на первом участке:
Действительную
потерю напряжения на 1-м участке определяем после округления расчетного
значения g1 до
ближайшего стандартного g1¢ из ряда в мм2: 1,5; 2,5; 4; 6; 10; 16; 25;
35; 50; 70; 95; 120; 150; 185; 240; 300; 400; 500; 625; 800; 1000; 1200.
g1¢ =70 мм2
Тогда
. (14)
Производим
расчет действительной потери напряжения на первом участке:
Потеря
напряжения на втором участке составит:
DUтрс2 = DUтрс −
DUтрс1
, (15)
DUтрс2 = 1,4 − 0,386=1,014 В
Расчетное
сечение второго участка составит:
Следовательно
g2¢ =10 мм2
Производим
расчет действительной потери напряжения на втором участке:

DUтрс3 = DUтрс − DUтрс1 - DUтрс2 ,
DUтрс3 = 1,4
− 0,386 - 0,386=0,628 В
И далее рассчитываем по аналогичному алгоритму.
Результаты расчетов ТРС сводим в таблицу для заказа необходимого провода,
или кабеля.
Рисунок 3 - Эскиз токораспределительной сети
Остальные результаты расчетов сведены в таблице 5.
Таблица 5
Результаты расчета остальных участков токораспределительной сети
|
Номер участка
|
, А , м , В , мм2Марка и размер
провода , В
|
|
|
|
|
|
|
|
|
|
|
Марка
|
Сечение, мм2
|
|
|
1
|
35
|
22
|
0,386
|
67.8
|
ВВГнг
|
70 (2х35)
|
1,014
|
|
2
|
5
|
22
|
0,386
|
7,7
|
ВВГнг
|
10 (2х5)
|
0,628
|
|
3
|
3
|
22
|
0,579
|
3,69
|
ВВГнг
|
4 (2х2)
|
0,049
|
|
4
|
2
|
22
|
0,617
|
2,46
|
ВВГнг
|
2,5 (2х1,25)
|
0,011
|
|
5
|
30
|
22
|
0,330
|
59,4
|
ВВГнг
|
70 (2х35)
|
0,684
|
|
6
|
6
|
22
|
0,463
|
6,77
|
ВВГнг
|
10 (2х5)
|
0,221
|
|
7
|
6
|
22
|
0,463
|
6,77
|
ВВГнг
|
10 (2х5)
|
0,221
|
|
8
|
18
|
22
|
0,278
|
40,6
|
ВВГнг
|
50 (2х25)
|
0,406
|
|
9
|
9
|
22
|
0,278
|
17,12
|
ВВГнг
|
25 (2х12,5)
|
0,128
|
|
10
|
9
|
22
|
0,278
|
17,12
|
ВВГнг
|
25 (2х12,5)
|
0,128
|
9. Расчет сопротивления защитного контура заземления и
измерительных электродов токам растекания. Паспорта на заземлители
Для защиты обслуживающего персонала проведем расчет защитного контура
заземления (ЗК) и двух измерительных электродов (токового И1 и потенциального
И2).
Сопротивление токам растекания ЗК нормируется (ГОСТ 464-79, п.2.4.5)
величиной не более 4 Ом.
Контур должен состоять из уложенной в грунт на глубину h = 0,7м горизонтально в виде
замкнутого прямоугольника или квадрата стальной шины длиной lгор, cечением 40´4 мм2 и вертикальных электродов в виде стальных
труб диаметром dв = 20 мм и длиной lв = 2,5м, углубленных в землю с
расстоянием 3 м между ними и приваренных верхними концами к горизонтальной
шине.
Сопротивление одного вертикального электрода рассчитаем по формуле:
, (16)
где
rз дано по
заданию и равняется 70 Ом·м.
Принимаем
первоначально контур в горизонтальном плане в виде квадрата со стороной 3 м, с
четырьмя вертикальными электродами (n = 4). Тогда сопротивление токам
растекания такого горизонтально расположенного контура из стальной шины шириной
b = 0,04 м и длиной lгор=12м без вертикальных электродов:
. (17)
Общее
сопротивление такого контура:
(18)
где
Ксез = 1,4 - сезонный коэффициент;
n - число
вертикальных электродов в контуре;
ηив, ηиг -
коэффициенты использования (экранирования) соответственно вертикальных
электродов и горизонтальной полосы квадрата, определяемые по таблице 6.
Таблица 6
Коэффициенты использования (экранирования) заземлителей
|
n
|
4
|
6
|
10
|
20
|
40
|
|
η ив
|
0, 65
|
0,6
|
0,53
|
0,5
|
0,4
|
|
η иг
|
0,45
|
0,4
|
0,25
|
0,25
|
0,2
|
Производим расчет по выше приведенным формулам:
Полученное
сопротивление более, чем в 3 раза больше нормы, указанной в ГОСТе 464-79,
п.2.4.5. Следовательно добавляем к нему еще 2 вертикальных электрода и при n =
6, lгор = 21 м
(12 м + 9 м) по формулам 17, 18 и по данным таблицы 6 пересчитываем
сопротивление контура.
После
еще одного проведенного перерасчета получили сопротивление более чем в 2 раза
больше нормы по ГОСТу, поэтому продолжаем перерасчет до тех пор, пока
сопротивление не будет соответствовать нормам. Добавляем еще 4 вертикальных
электрода, и соответственно длина контура увеличивается на 18 метров.
Расчет
не удовлетворяет ГОСТу, поэтому пересчитываем с увеличением контура до 93
метров и увеличением числа электродов до 20.
После
проведенного расчета, получаем необходимое сопротивление, которое не превышает
4 Ом, которые указаны в ГОСТ 464-79, п.2.4.5.
Таким
образом, при высоком удельном сопротивлении земли защитный контур в
горизонтальном плане примет вид сетки с ячейками 3´3 м. Сама сетка при этом будет состоять из 12 ячеек в
виде 3х4 ячейки.
В
качестве измерительных используем одиночные вертикальные заземлители, если их
сопротивление токам растекания не превышает 100 Ом.
Подсоединение
защитного контура к главной заземляющей шине (ГЗШ) осуществляется кабелем или
стальной шиной сечением 25´4 мм2 или
оцинкованным проводом диаметром более 6 мм. Подключение к ГЗШ измерительных
электродов И1 и И2, удаленных от защитного контура и друг от друга на
расстояние трех-пяти диагоналей контура производится кабелем или проводом с
хорошей (чаще двойной) изоляцией. Корпуса оборудования ЭПУ, кросса, автозала,
арматура кабельной шахты абонентских и соединительных линий подключаются к ГЗШ
напрямую.
Ввод
кабелей питания, автоматики и связи желательно предусматривать с одной стороны
здания, с расстоянием между ними 3-5 м, вблизи места ввода контура заземления.
Подключение
одного из полюсов постоянного тока (чаще положительного) к шине ГЗШ
производится только в одном месте. Соединение этого полюса далее с корпусами оборудования
автозала запрещается.
Шина
ГЗШ должна располагаться в непосредственной близости от места ввода защитного и
измерительных контуров, вблизи от ввода фидеров переменного тока, ввода кабелей
связи, автоматики и места расположения кросса.
Основная
система уравнивания потенциалов ЭПУ и автозала выполняется медным проводом
сечением не менее 6 мм2 или алюминиевым − 16 мм2,
или стальным − 50 мм2.
10. Расчет надежности электропитающей установки
Под надежностью ЭПУ понимают его способность обеспечить электропитание
потребителей в определенных условиях эксплуатации в течение заданного времени.
Для определения надежности электроснабжения на основании функциональной
схемы ЭПУ составляем расчетную схему надежности. В этой схеме все блоки, при
повреждении которых нарушается заданный режим работы потребителей (UН, DUН, IН) включаются последовательно, а блоки, резервирующие друг
друга, - параллельно.
В качестве примера на рисунке 4 дана упрощенная расчетная схема
надежности ЭПУ, структурная схема которой изображена на рисунке 2. На схеме
индексы блоков О , Р означают принадлежность их к
основным или резервным.
Рисунок 4 - Расчетная схема надежности ЭПУ
В схеме рассмотрены четыре режима работы ЭПУ:
нормальный режим эксплуатации;
питание от ДГУ при отсутствии внешнего электроснабжения;
питание от АБ от момента исчезновения внешнего электроснабжения до
запуска и введения в стабильный режим работы ДГУ;
послеаварийный режим восстановления работоспособности ЭПУ.
Основными показателями надежности являются вероятность безотказной работы
(надежность) за определенное время Р(t), среднее время безотказной работы (Т), коэффициент готовности (Кг).
В свою очередь, эти показатели зависят от вероятностных характеристик элементов
системы. При экспоненциальном законе распределения и взаимной независимости
отказов:
Р(t) = е
-λ t
≈ 1− λt, (19)
где λ - суммарная интенсивность отказа элемента, блока системы;
t -
интервал времени, за которое определяется вероятность отказов. При упрощении
расчетов для первого, второго и третьего режимов это время - в соответствии с
категорией надежности равно 8 часам. Для четвертого режима - 1 ч.
Примерные значения λ даны в таблице 7. Они в значительной степени будут
зависеть от частоты и длительности отключений внешней сети, от температуры
помещений, от грамотной эксплуатации оборудования ЭПУ, автозала и т.д.
Таблица 7
Условная интенсивность отказов отдельных блоков, узлов ЭПУ
|
Наименование блока, узла
|
λ×10-6, 1/ч
|
|
Сеть
|
3,0
|
|
Вводный щит ВЩ
|
1,6
|
|
Щиты переменного тока ЩПТА, ЩДГА
|
8,0
|
|
Шкаф ШВРА
|
9,0
|
|
ДГУ
|
530
|
|
УЭПС мощностью до 10 кВт
|
1,7
|
|
УЭПС мощностью выше 10 кВт
|
2,1
|
|
АБ
|
0,4
|
|
Автоматический выключатель ВА для АБ
|
0,2
|
|
Преобразователь ССПН
|
1,7
|
|
Преобразователь СУЭП
|
2,8
|
|
Конвертор КВ или КУВ
|
2,0
|
|
Инвертор ИТ (ИС)
|
3,0
|
|
ЩРЗ или ПР
|
1,0
|
Надежность последовательно включенных блоков
, (20)
где
n - число блоков, включенных последовательно.
Надежность
параллельно включенных блоков
, (21)
где
m - число блоков, включенных параллельно.
Надежность
всего тракта
Ртр
(t) = Рпосл (t)*Pпарал
(t). (22)
Интенсивность
отказа тракта
åλтр1 = λ1 + λ2 + λ3 + ... +λn
, 1/ч. (23)
Время
наработки на отказ
, ч. (24)
Коэффициент
готовности тракта:
, (25)
где
tв1 - время
восстановления. Например, для первого тракта tв1 = 1,2 ч.
Аналогично
по формулам (23), (24), (25) найдем Ктр для остальных трех трактов.
Тогда
коэффициент готовности всей ЭПУ c учетом четырех параллельных трактов:
(26)
Наработка
на отказ всей системы из четырех (k = 4) параллельных трактов:
, ч. (27)
Пользуясь
выше приведенными формулами, производим расчет надежности системы.
Получаем
для первого тракта:
Вероятность
безотказной работы -
Интенсивность
отказа тракта - åλтр1=
Время
наработки на отказ -
, ч.
Коэффициент
готовности тракта -
Получаем
для второго тракта:
Вероятность
безотказной работы -
Интенсивность
отказа тракта - åλтр2=
Время
наработки на отказ -
, ч.
Коэффициент
готовности тракта -
Получаем
для третьего тракта:
Вероятность
безотказной работы -
Интенсивность
отказа тракта - åλтр3=
Время
наработки на отказ -
, ч.
Коэффициент
готовности тракта -
Получаем
для четвертого тракта:
Вероятность
безотказной работы -
Интенсивность
отказа тракта - åλтр4=
Время
наработки на отказ -
, ч.
Коэффициент
готовности тракта -
Таким
образом, коэффициент готовности всей ЭПУ c учетом четырех
параллельных трактов Кэпу =0,999998657, а наработка на отказ всей
системы из четырех (k = 4) параллельных трактов при нем равна Тэпу
= 186150.2 ч.= 21.25 года.
Заключение
В данной курсовой работе произведён расчёт электропитающей установки для
аппаратуры автоматики. Рассчитан вариант ЭПУ с использованием в качестве
источников питания аккумуляторные батареи, а также установка ДГУ, как резервный
вариант электропитания, а основное питание осуществляется с помощью внешнего
источника питания через фидеры. Произведено размещение оборудования в масштабе
1/50.
Питание оборудования осуществляется через инвертор, ССПН и КУВ. В случае
отключения питания от внешней сети, данное оборудование переподключается к
аккумуляторным батареям либо к ДГУ (ДЭС-100), мощностью 100 кВт.
Список использованной литературы
1.
Доросинский Л.Р. Методическое пособие «Курсовая работа по дисциплине
«Электропитание устройств ЖАТС»», Омск 2010.
. Казаринов
И.А. Проектирование электропитающих установок предприятий проводной связи.
М.:Связь, 1974.