Расчет привода механизма передвижения мостового крана
Оглавление
Введение
Расчёт зубчатых колес редуктора
Выбор подшипников.
Конструктивные размеры шестерни и колеса.
Конструктивные размеры корпуса редуктора
Выбор муфты.
Первый этап компоновки редуктора
Построение эпюр изгибающих и крутящих моментов
Проверка долговечности подшипников.
Уточненный расчёт валов
Расчет ведомого вала.
Проверка прочности шпоночных соединений.
Смазывание. Выбор сорта масла.
Сборка редуктора.
Список использованной литературы
Техническое задание 3
Вариант 1
ПРИВОД МЕХАНИЗМА ПЕРЕДВИЖЕНИЯ МОСТОВОГО КРАНА
Исходные данные
Сопротивление движения моста F = 1,5 кН
Скорость моста v = 1,0 м/с
Диаметр колеса D = 200мм
Допускаемое отклонение скорости моста δ = 3 %
Срок службы привода Lr = 5 лет
Введение
Курсовая работа по деталям машин является первой конструкторской работой
студента, выполненной на основе знаний общеобразовательных дисциплин. Здесь
есть все: и анализ назначения и условия работы проектируемых деталей; и
наиболее рациональные конструктивные знания с условием технологических,
монтажных, эксплуатационных и экономических требованиях; и кинематические
расчеты и определение сил, действующих на детали и узлы, и расчеты конструкций
на прочность, и выбор материалов, и процесс сборки и разборки конструкции и
многое другое.
Таким образом, достигаются основные цели этого проекта:
Овладеть техникой разработки конструкторских документов на стадиях
проектирования;
Приобрести навыки самостоятельного решения инженерно-технических задач и
умения анализировать получение результаты;
Научиться работать со стандартами, различной инженерной, учебной и
справочной литературой;
Уметь обоснованно защищать курсовую работу.
В результате приобретенных навыков и опыта проектирования машин и
механизмов общего назначения станут базой для выполнения курсовых работ по
специальным дисциплинам.
Поэтому необходимо применять материалы наиболее подходящие с учетом их
стоимости и дефицитности, а также рассчитывать детали без лишних запасов.
Работоспособность и надежность деталей машин характеризуется определенными
критериями. Важнейшие критерии: прочность, жесткость, износостойкость,
теплостойкость, виброустойчивость.
Выбор электродвигателя и кинематический расчет
привода
КПД закрытой передачи - ηзп = 0,98;
КПД открытой передачи - ηоп = 0,96;
КПД подшипников качения - ηпк = 0,98;
КПД подшипников скольжения - ηск = 0,99.
Определяем общий КПД привода
η=ηзп*ηоп*ηпк2*ηск
η=0,98*0,96*0,992*0,98=0,9
Определяем требуемую мощность для работы конвейера
где F - тяговая сила цепи;
υ - скорость тяговой цепи.
Находим требуемую мощность электродвигателя
Определяем угловую скорость барабана
Определяем частоту вращения вала барабана
По требуемой мощности Ртр=2,0 кВт выбираем двигатель с
номинальной мощностью Рном=2.2 кВт, трехфазный, закрытый,
обдуваемый, с синхронной
частотой вращения nc=1000 об/мин 4А100L6 УЗ и скольжением
S=5,1%.
Определяем номинальную частоту вращения
Находим угловую скорость двигателя
Проверим общее передаточное отношение
Делаем разбивку его для цилиндрической и клиноременной передачи. Для
редуктора по ГОСТ 2185 - 66 Uред=4, тогда для клиноременной передачи
Частоты вращения и угловые скорости валов редуктора и приводного
барабана:
|
Вал В
|
nдв=949 об/мин
|
ωдв=99,3рад/с
|
|
Вал С
|
|
|
|
Вал А
|
nк=95,5 об/мин
|
ωк=10 рад/с
|
Вращающие моменты:
электродвигатель
на валу шестерни
на валу колеса
Вращающие моменты:
=
=32,27·4,95·0,96·0,99= 152 Н·м
Расчёт зубчатых колес редуктора
редуктор колесо шестерня шпоночный
Так как в задании нет особых требований в отношении габаритов передачи,
выбираем материалы со средними механическими характеристиками (табл. 3.3): для
шестерни сталь 45, термическая обработка - улучшение, твердость HB 230;
дляколеса - сталь 45, термическая обработка - улучшение, но твердость на 30
единиц ниже - HB 200.
Допускаемые контактные напряжения:

Предел
контактной выносливости при базовом числе циклов (табл. 3.2):
2HB+70
Коэффициент
долговечности:
Коэффициент
безопасности:
Для
прямозубых колес расчетное допускаемое контактное напряжение находим:
0,45


МПа


МПа


МПа


МПа
Тогда
расчетное допускаемое контактное напряңение:
0,45
МПа
Требуемое
условие
≤ 1,23
выполнено.
≤
681
Принимаем
коэффициент (табл. 3.1)
Принимаем
для прямозубых колес коэффициент ширины венөа по меңосевому
расстоянию 
Межосевое
расстояние из условия контактной выносливости активных поверхностей зубьев:
Для
прямозубых колес
, а передаточное число редуктора U= 5
мм
Ближайшее
значение межосевого расстояния по ГОСТ 2185-66
мм
Нормальный
модуль зацепления:
мм
Принимаем
по ГОСТ 9563-
мм
Определим
число зубьев шестерни и колеса:
Принимаем
; тогда
Уточненное
значение угла наклона зубьев:

Основные
размеры шестерни и колеса:
Диаметры
делительные


мм


мм
Проверка:


мм
Диаметры
вершин зубьев:
мм
мм
Ширина
колеса:
мм
Ширина
шестерни:
мм
Определяем
коэффициент ширины шестерни по диаметру:

Окружная
скорость колес и степень точности передачи:

м/с
При
такой скорости для прямозубых колес следует принять 8-ю степень точности.
Коэффициент
нагрузки:
Из
табл. 3.5 при
твердости НВ
350 и
консольным расположении зубчатых колес относительно опор
По
табл. 3.4 при
м/с и 8-й степени точности
По
табл. 3.6 для прямозубых колес при
м/с
имеем
. Таким образом
Проверка
контактных напряжений:



МПа
Силы,
действующие в зацеплении
окружная

радиальная
Проверяем
зубья на выносливость по напряжениям изгиба:
Здесь
коэффициент нагрузки
По табл. 3.7 при
твердости
НВ
и консольном расположении зубчатых колес относительно
опор
По табл. 3.8
Таким
образом, коэффициент
- коэффициент, учитывающий форму зуба и зависящий от
эквивалентного числа зубьев
у
шестерни 
у
колеса 
=3,84 и
3,60
Допускаемое
напряжение:
По
табл. 3.9 для стали 45 улучшенной при твердости НВ
350
Для
шестерни
МПа; для колеса
МПа
-
коэффициент безопасности, где
(табл.
3.9),
(для поковок и штамповок). Следовательно,
.
Допускаемые
напряжения:
для
шестерни
МПа
для
колеса
МПа
Находим
отношения
:
для
шестерни
МПа
для
колеса
МПа
Дальнейший
расчет следует вести для зубьев колеса, для которого найденное отношение
меньше. Определяем коэффициенты
и
:
=1

для
средних значений коэффициента торцового перекрытия
и 8-й степени точности
=
.
Проверяем
прочность зуба колеса:
МПа
МПа.
Условие
прочности выполнено.
Расчёт открытой цилиндрической зубчатой передачи
Принимаем
для шестерни сталь 45, термообработка - улучшение, твердость НВ 230; для колеса
сталь 45, термообработка -улучшение, твердость НВ 200.
Допускаемые
контактные напряжения
Предел
контактной выносливости при базовом числе циклов для выбранного материала
= 2HB +
70.
Коэффициент
долговечности при длительной эксплуатации редуктора, когда число циклов
нагружения больше базового, KKL= 1; коэффициент безопасности при
объемной закалке [SH] = 1,1
Допускаемое
контактное напряжение для шестерни
МПа ;
допускаемое
контактное напряжение для колеса
МПа.
Для
косозубых колес расчетное допускаемое контактное напряжение
.
Коэффициент
ширины венца по межосевому расстоянию принимаем
Межосевое
расстояние из условия контактной выносливости
активных
поверхностей зубьев
м.
Примем
по ГОСТ 2185-66
=140 мм.
Нормальный
модуль зацепления
мм.
По
ГОСТ 9563-60 принимаем тп= 2,5мм.пределим числа зубьев шестерни и
колеса:
принимаем
z1 = 37,3; тогда z2 = zu =
.
Основные
размеры шестерни и колеса.
Делительные
диаметры
м;
мм.
Проверка
мм.
Диаметры
вершин зубьев
мм;
мм.
Ширина
колеса b2 =
= 0,25 • 140 = 35 мм.
Ширина
шестерни b1 = b2 + 5 мм = 40 мм.
Коэффициент
ширины шестерни по диаметру
Окружная
скорость колес
м/с,где
= 99,3 рад/с.
При
данной скорости и повышенной твердости принимаем 8-ю степень точности.
Определяем
коэффициент нагрузки для проверки контактных напряжений
= 0,42;
= 1,02;
=1,06;
=1,05.
Таким
образом,
Проверка
контактных напряжений
Силы,
действующие в зацеплении:
окружная
радиальная
=
Проверяем
зубья на выносливость по напряжениям изгиба по формуле.:
σF=FtKFYFYβKFα
/ bmn≤[σF]
Здесь
коэффициент нагрузки KF=KFβ*KFv=1,05*1,25=1,31
Эквивалентное
число зубьев: у шестерни zv1=z1=37,3
у
колеса zv2=z2=74,6F1=3,75 и YF2=3,61.
Допускаемое
напряжение по формуле σ°Flimb / [SF].
Для
шестерни σ°Flimb=1,8*200=360
МПа; для колеса σ°Flimb=1,8*270=486МПа.
Допускаемые
напряжения:
для
шестерни [σF1]=360/1,75=205
МПа
для
колеса [σF2]=486/1,75=278
МПа
Находим
отношения [σF]/YF:
для
шестерни 205/3,84=53,5 МПа
для
колеса 278/3,6=77,1 МПа
Определяем
коэффициенты Yβ и KFα: Yβ=1; KFα=(4+(εα-1)(n-5))/4
εα,для средних
значений коэффициента торцового перекрытия εα=1,5; KFα=0,92
Проверяем
прочность зуба колеса по формуле σF2=FtKFYFYβKFα
/ b2mn≤[σF]
σF2=3254*1,31*3,61*0,91
/ 35*2,5=160,04 Мпа <[σF2]
Условие
прочности выполнено.
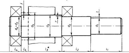
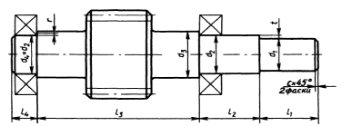
Предварительный
расчет валов редуктора и выбор подшипников.
Расчет
выполняем на кручение по пониженным допускаемым напряжениям.
Крутящие
моменты в поперечных сечениях валов:
ведущего
Tк1 = Т1 = 16,8·10 3 Н·мм.
ведомого
Нмм
Ведущий вал
Диаметр
выходного конца определяем при допускаемом напряжении
= 25 МПа, чем учитываем влияние натяжения от ременной
передачи.
принимаем
dB1 = 22 мм.
Диаметр
под подшипниками примем dп1 = 30 мм;
Ведомый вал
Диаметр
выходного конца вала dB2 определяем при меньшем
= 20 МПа,
принимаем
dB2 = 32 мм.
Диаметр
под подшипниками dn2 = 30 мм, под зубчатым колесом dK2 =
35 мм.
Выбор подшипников
Выбор типа подшипника для данных условий работы редуктора зависит от
передаваемой мощности редуктора, типа передачи, соотношения сил в зацеплении,
частоты вращения внутреннего кольца подшипника, требуемого срока службы, схемы
установки.
Предварительно намечаем подшипники роликовые конические однорядные легкой
серии; габариты подшипников выбираем по диаметру вала в месте посадки
подшипников. Подшипники установлены враспор, обе опоры фиксирующие.
|
Вал.
|
dп ,мм
|
№
|
D,мм.
|
Т ,мм.
|
с, мм
|
С,кН
|
С0 кН
|
е
|
У
|
|
Быстроходный
|
30
|
36106
|
55
|
21
|
12
|
15,3
|
8,570
|
0,36
|
1,65
|
|
Тихоходный
|
30
|
36106
|
55
|
21
|
12
|
15,3
|
8,570
|
0,41
|
1,45
|
Конструктивные размеры шестерни и колеса
Шестерню выполняем за одно целое с валом, ее размеры определены выше:
Колесо кованое:
Диаметр ступицы:
Длина ступицы:
Принимаем
Толщина обода:
Принимаем
Толщина диска:
Принимаем С=10мм
Конструктивные размеры корпуса редуктора
Толщина стенок корпуса и крышки:
δ = 0,025a+ 1 = 0,025· 80 +1 = 30 мм;
принимаем δ=8
δ1 = 0,02a + 1 = 0,02· 80 + 1 = 2,6 мм;
принимаем δ=8
Толщина фланцев (поясов) корпуса и крышки: верхнего пояса корпуса и пояса
крышки:
b = 1,5δ = 1,5·8= 12 мм; b1 =
1,5δ1 = 1,5·8 = 12 мм;
нижнего пояса корпуса:
ρ = 2,35δ = 2,35·8 = 19мм;
принимаем ρ = 20
Диаметры болтов:
фундаментных d1 = (0,03
0,036)a+12= (0,03
0,036)80+12=14,4
14,88 мм; принимаем фундаментные
болты с резьбой М14;
Болтов, крепящих крышку к корпусу у подшипника:
2 = (0,7~0,75)d1 = (0,7~ 0,75)14 = 9,8 ~108,5
мм;
принимаем болты с резьбой
M10;
Болтов, соединяющих крышку с
корпусом,
3 = (0,5 ~ 0.6)d1= (0,5~0,6)14 = 7~8,4 мм;
принимаем болты с резьбой M8.
Выбор муфты
Ведущая
и ведомая полумуфты в виде круглых дисков (1), которые своими ступицами (2) установлены
на концах валов с использованием шпоночного соединения
<https://ru.wikipedia.org/wiki/%D0%A8%D0%BF%D0%BE%D0%BD%D0%BE%D1%87%D0%BD%D0%BE%D0%B5_%D1%81%D0%BE%D0%B5%D0%B4%D0%B8%D0%BD%D0%B5%D0%BD%D0%B8%D0%B5>
(3). Оба диска соединены болтами <https://ru.wikipedia.org/wiki/%D0%91%D0%BE%D0%BB%D1%82>
(4). В одном из дисков между болтом и отверстием вложены резиновые втулки (5).
Резиновые втулки могут сглаживать вибрации и колебания, которые возникают на
приводном валу и в некоторой степени компенсировать динамические нагрузки во
время запуска и торможения.
Для
соединения выходных концов вала редуктора и вала электродвигателя применяют
устройства , называемые муфтой.
Согласно
заданию для этой цели применено муфта упругая втулочно-пальцевая.
Муфты
получили широкое распространение благодаря простоте конструкции и удобству
замены упругих элементов. Однако они умеют небольшую компенсирующую способность
и при соединении несоосных валов оказывают большое силовое воздействие на валы
и опоры, при этом резиновые втулки быстро выходят из строя.
Полумуфта
изготовлена 315-1-40-1-У2 (ГОСТ 20884-93);
=3920*0,3=1176
Первый этап компоновки редуктора
Компоновочный чертеж выполняем в двух проекциях -разрез по оси колеса и
разрез по оси чертежа; желательный масштаб 1:1, чертить тонкими линиями!
Примерно посередине листа параллельно его длинной стороне проводим осевую
линию; вторую осевую, параллельную первой, проводим на расстоянии aw = 189 мм.
Затем проводим две вертикальные осевые линии, одну для главного вида, вторую
для вида сбоку.
Вычерчиваем на двух проекция* червяк и червячное колесо.
Очерчиваем внутреннюю стенку корпуса, принимая зазор между стенкой и
червячным колесом и между стенкой и ступицей червячного колеса ~15 мм.
Вычерчиваем подшипники червяка на расстоянии l1
daM2 = 228 мм один от
другого, располагая их симметрично относительно среднего сечения червяка.
Так же симметрично располагаем подшипники вала червячного колеса.
В связи с тем, что в червячном зацеплении возникают значительные осевые
усилия, примем радиально-упорные подшипники: шариковые легкой серии для червяка
и для вала червячного колеса.
Построение эпюр изгибающих и крутящих моментов
Быстроходный вал
Определяем реакции в подшипниках:
Дано:
Горизонтальная плоскость
а) Определяем опорные реакции, Н:
б) строим эпюру изгибающих моментов относительно оси X
Вертикальная плоскость
а) Определяем опорные реакции, Н:
Проверка:
б) строим эпюру изгибающих моментов относительно оси X
) Строим эпюру крутящих моментов, Нм:
) Определяем суммарные радиальные реакции, Н:
Тихоходный вал
Дано:
Определяем реакции в подшипниках:
Горизонтальная плоскость
а) Определяем опорные реакции, Н:
Проверка:
б) строим эпюру изгибающих моментов относительно оси У
Вертикальная плоскость
а) Определяем опорные реакции, Н:
а)
Проверка:
б) строим эпюру изгибающих моментов относительно оси X
) Строим эпюру крутящих моментов, Нм:
) Определяем суммарные радиальные реакции, Н:
Проверка
долговечности подшипников.
Проверить пригодность подшипника №36106. Частота вращения кольца
подшипника n=340 об/мин.
Суммарные радиальные реакции, Н:
В радиально-упорных подшипниках при действии на них радиальной нагрузки
возникает осевая составляющая S определяемая по формуле:
1
= 0.83 x e x Рr1 = 0.83 x 0,36
x
= 280 H;2 = 0.83 x e x Рr2 =
0.83 x 0,36 x
= 286,8 H;
Тогда осевая сила действующая на подшипник, установленный враспор, будет
равна:
2
> S1; Fа>0; Рa1 = S1 =280Н. Рa2= S2
+Fа=286,8+270=556,8 Н
Рассмотрим «левый» подшипник.
Отношение
=0,29< e; Осевую нагрузку не учитываем.
е=0,36
- коэффициент влияния осевого нагружения
Эквивалентная
нагрузка по формуле:
э1=Pr1KбKt=940*1·1,3=1222H.
где
- Рr1 = 940 H -
радиальная нагрузка; V = 1 (вращается внутреннее кольцо подшипника);
коэффициент безопасности Кб =
1,3; температурный коэффициент Кt = 1.
Рассмотрим
«правый» подшипник.
Отношение
= 0,58> e; Осевую нагрузку учитываем.
е=0,41
- коэффициент влияния осевого нагружения
Эквивалентная
нагрузка по формуле:
э4=(XVPr2+YPa4)KбKt=(0,3·960+0,6·270)1·1,3=585
H.
где
- Рr2 = 960 H - радиальная
нагрузка; V = 1 (вращается внутреннее
кольцо
подшипника); коэффициент безопасности Кб = 1,3; температурный коэффициент Кт = 1.
Расчетная
долговечность млн.об:
Расчетная
долговечность, ч:
Проверить
пригодность подшипника №36106. Частота вращения кольца подшипника n=33,6
об/мин.
В
радиально-упорных подшипниках при действии на них радиальной нагрузки возникает
осевая составляющая S определяемая по формуле:
3 = 0.83 x e x Рr3 =
0.83 x 0,41 x 2397 = 815,7 H;4 =
0.83 x e x Рr4 = 0.83 x 0,41
x 2966 = 1009 H;
Тогда
осевая сила действующая на подшипник, установленный враспор, будет равна:
3 < S4;
Fа>0; Рa3 = S3
=815,7Н. Рa4= S3 +Fа=815,7+270=1085,7
Н
Рассмотрим
«левый» подшипник.
Отношение
=0,34< e; Осевую нагрузку не учитываем.
е=0,41
- коэффициент влияния осевого нагружения
Эквивалентная
нагрузка по формуле:
э3=Pr3KбKt=2397*1·1,3=3116H.
где
- Рr3 = 2397 H - радиальная
нагрузка; V = 1 (вращается внутреннее кольцо подшипника); коэффициент
безопасности Кб = 1,3;
температурный коэффициент Кt = 1.
Рассмотрим
«правый» подшипник
Отношение
= 0,46> e; Осевую нагрузку учитываем.
е=0,41
- коэффициент влияния осевого нагружения
Эквивалентная
нагрузка по формуле:
э4=(XVPr4+YPa4)KбKt=(0,4·2460+1,459·1100)1·1,3=3517H.
где
- Рr4 = 2966 H - радиальная
нагрузка; V = 1 (вращается внутреннее кольцо подшипника); коэффициент
безопасности Кб = 1,3;
температурный коэффициент Кт =
1.
Расчетная
долговечность млн.об:
Расчетная
долговечность, ч:
Уточненный расчёт валов
Расчёт ведущего вала
Крутящий момент на валу Tкр. =
16,8*103 H·мм.
Для данного вала выбран материал: сталь 45. Для этого материала:
предел прочности σb = 780 МПа;
предел выносливости стали при симметричном цикле изгиба
σ-1=
0,43 · σb = 0,43 · 780 = 335 МПа;
предел выносливости стали при симметричном цикле кручения
=0,58 ·
= 0,58 · 335 = 198 МПа.
Рассмотрим
два сечения:
)
Диаметр вала в данном сечении D = 28 мм. Это сечение при передаче вращающего
момента через муфту рассчитываем на кручение. Концентрацию напряжений вызывает
наличие шпоночной канавки.
Коэффициент
запаса прочности по касательным напряжениям
Амплитуда
и среднее напряжение цикла касательных напряжжений
При
d=28; b=8 мм; t1=4 мм.
к нетто=
= 
=1,98*103
мм3
Сечение
проходит по прочности.
Изгибающий
момент
М=60*
=60*1184=71 Н мм
Осевой
момент сопротивления
нетто = πd3/32 =
3,14*223/32=0,8 мм3
Амплитуда
нормальных напряжений
σv= М/W =
71 / 0,8 =88 МПак нетто=
= 
=1,92*103
мм3
Коэффициент
запаса прочности по касательным напряжениям
Коэффициент
запаса, прочности по нормальным напряжжениям
Результирующий
коэффициент
Сечение
проходит по прочности.
Расчет ведомого вала
Материал вала - сталь 45 нормализованная, σΒ = 570 МПа.
Пределы
выносливости
= 0,43·570 = 246 МПа
Предел
выносливости при симметричном цикле касательных напряжений
=
0,58·246 = 142 МПа.
)
Диаметр вала в данном сечении D = 35 мм. Это сечение при передаче вращающего
момента через муфту рассчитываем на кручение. Концентрацию напряжений вызывает
наличие шпоночной канавки.
Коэффициент
запаса прочности по касательным напряжениям:
Коэффициент
запаса прочности по касательным напряжениям
Амплитуда
и среднее напряжение цикла касательных напряжжений
При
d=35; b=10 мм; t1=5 мм.
к нетто=
=7,78*103 мм3
Принимаем
kτ=1,68, ετ=0,8 и ψτ = 0,1; kα=1,6; εα=0,9;
Результирующий
коэффициент
Сечение
проходит по прочности.
)
Рассмотрим сечение в месте посадки колеса и рассчитываем его на кручение.
Концентрацию напряжений вызывает наличие шпоночной канавки.
Коэффициент
запаса прочности по касательным напряжениям
Амплитуда
и среднее напряжение цикла касательных напряжжений
При
d=22; b=8 мм; t1=4 мм.
к нетто=π*
d3/16 - b t1(d - t1)2/2d=66/16
=1,92*103
мм3
Принимаем
kτ=1,68, ετ=0,715 и ψτ = 0,1; kα=1,6; εα=0,835;
Результирующий
коэффициент
Сечение
проходит по прочности.
Проверка прочности шпоночных соединений
Детали, насаживаемые на вал - зубчатые колеса, шкивы, полумуфты
соединяются с валом через призматические шпонки.
Размер шпонок и допуски на них выбираются по ГОСТ 23360 - 78 в
зависимости от диаметра вала.
Вращающийся момент с вала на детали передаются боковыми поверхностями
шпонок. Шпонки проверяют на смятие.
где
Т - вращающий момент на валу;- высота шпонки;1 - глубина паза;-
общая длина шпонки;- ширина шпонки;
-
допускаемое напряжение на смятие H/мм2;
Быстроходный
вал
Шпонка
установлена на первой ступени под шкивом dв1 = 28 мм.
Размеры
шпонки: b х h х l = 8 х 7 х 32, глубина паза t1 =4 мм,
Т1
= 16,8 Нм.
Напряжение
смятие:
Тихоходный
вал:
Шпонки
установлены на первой ступени dв2 = 35 мм под муфту. Размеры шпонки:
b х h х l = 10 х 8 х 40, глубина паза t1 =5 мм, Т2 = 33,6
Нм.
Напряжение
смятие:
На
третьей ступени dк2 = 28 мм под зубчатым колесом. Размеры шпонки: b
х h х l = 8 х 7 х 32, глубина паза t1 =4 мм, Т2 = 151,8
Нм.
Смазывание. Выбор сорта масла
Смазывание зубчатых зацепление и подшипников применяют в целях защиты от
коррозий, снижения коэффициента трения, уменьшения износа, отвода тепла и
продуктов износа от трущихся поверхностей, снижение шума вибраций.
Способ смазывания. Для редукторов общего назначения применяют непрерывное
смазывание жидким маслом картерным непроточным способом (окунанием). Этот
способ применяют для зубчатых передач при окружных скоростях от 0,3 до 12,5
м/с. Подшипник на быстроходном валу смазывается масленым туманном ,а на
тихоходном - пластичной смазкой.
Выбор
сорта масла. Зависит от назначения расчетного контактного напряжения в зубьях и
фактической окружной скорости колес. При
МПа и
скорости от 2 до 5 м/с рекомендуется И-Г-А-68 ГОСТ 17479.4-87, кинематическая
вязкость
= 68*10-6м2/с при температуре 50
0С.
Определение
количества масла. Для одноступенчатых редукторов при смазывании окунанием объем
масляной ванны определяют из расчета 0,4…0,8 л. Масла на 1 кВт передаваемой мощности.
Меньшее значение принимают для крупных редукторов.
Определение
уровня масла. В цилиндрических редукторах: при окунании в масляную ванну колеса
m≤ hm ≤0,25*d2; hm=0,1*d1=5,5
Контроль
уровня масла. Уровень масла, находящегося в корпусе редуктора, контролируют
жезловым маслоуказателем.
.)
Подшипники смазываем пластичной смазкой - солидол жировой ГОСТ 1033-79.
Сборка редуктора
Перед сборкой внутреннюю полость редуктора тщательно очищают и покрывают
маслостойкой краской. Сборку производят в соответствии с чертежом общего вида
редуктора, начиная с узлов валов:
на ведущий вал насаживаем подшипники, предварительные нагретые в масле до
80 - 100˚С,
на ведомый вал закладываем шпонку и напрессовываем колесо до упора в
следующую ступень вала, затем надеваем распорные кольца и подшипники, нагретые
в масле.
Устанавливаем крышки подшипников. В крышки ведомого и ведущего валов
вкладываем уплотнительные манжеты и одеваем их на валы.
Соединяем разъемы корпуса, надеваем крышку корпуса, покрывая
предварительно поверхность стыка крышки и корпуса спиртовым лаком. Затягиваем
винты, крепящие корпус и крышку.
Проверяем проворачиваемость валов, отсутствие заклинивания подшипников.
Затем ввертываем пробку маслопускного отверстия и маслоуказатели.
Заливаем масло в корпус и закрываем смотровой люк с помощью винтов.
Собранный редуктор обхватываем и подвергаем испытанию на стенде.
Список использованной литературы
1. Чернавский
С.А., Боков К.Н., Чернин И.М., Ицкевич Г.М., Козинцов В.П. 'Курсовое
проектирование деталей машин': Учебное пособие для учащихся. М.:Машиностроение,
1988 г., 416с.
. Дунаев
П.Ф., Леликов О.П. 'Конструирование узлов и деталей машин', М.: Издательский
центр 'Академия', 2003 г., 496 c.
. Шейнблит
А.Е. 'Курсовое проектирование деталей машин': Учебное пособие, изд. 2-е
перераб. и доп. - Калининград: 'Янтарный сказ', 2004 г., 454 c.: ил., черт. -
Б.ц.
. Березовский
Ю.Н., Чернилевский Д.В., Петров М.С. 'Детали машин', М.: Машиностроение,
1983г., 384 c.
. Боков В.Н.,
Чернилевский Д.В., Будько П.П. 'Детали машин: Атлас конструкций.' М.:
Машиностроение, 1983 г., 575 c.
. Гузенков
П.Г., 'Детали машин'. 4-е изд. М.: Высшая школа, 1986 г., 360 с.
. Детали
машин: Атлас конструкций / Под ред. Д.Р.Решетова. М.: Машиностроение, 1979 г.,
367 с.
. Дружинин
Н.С., Цылбов П.П. Выполнение чертежей по ЕСКД. М.: Изд-во стандартов, 1975 г.,
542 с.
. Кузьмин
А.В., Чернин И.М., Козинцов Б.П. 'Расчеты деталей машин', 3-е изд. - Минск:
Вышейшая школа, 1986 г., 402 c.
. Куклин
Н.Г., Куклина Г.С., 'Детали машин' 3-е изд. М.: Высшая школа, 1984 г., 310 c.
.
'Мотор-редукторы и редукторы': Каталог. М.: Изд-во стандартов, 1978 г.,
. Перель Л.Я.
'Подшипники качения'. M.: Машиностроение, 1983 г., 588 c.
. 'Подшипники
качения': Справочник-каталог / Под ред. Р.В. Коросташевского и В.Н. Нарышкина.
М.: Машиностроение, 1984 г., 280 с.
.
'Проектирование механических передач' / Под ред. С.А. Чернавского, 5-е изд. М.:
Машиностроение, 1984 г., 558 c.