Расчет ленточного конвейера с резинотканевым тяговым органом
Расчет ленточного конвейера с резинотканевым тяговым органом
Введение
ленточный конвейер передача
Ленточный
конвейер - транспортирующее устройство непрерывного действия с рабочим органом
в виде ленты
<#"864954.files/image001.gif">
Рисунок
1. Схема ленточного конвейера
Длина
конвейера
L= 750 м
Высота
подъема груза Н=47 м
.
Заданная
производительность Q= 450 м3/ч =697 т/ч.
Тип
насыпного груза: Песок.
Насыпная
плотность антрацита ρ=1,55 т/м3.
Угол
подъема наклонного участка конвейера составляет 3,580 [1, табл. 8].
1. Основные параметры рабочего органа
Принимаем
скорость движения ленты
V =1.6м/с.
Размер
типичного куска транспортируемого песка рядового из карьера составляет около 60
мм. Минимальная ширина ленты для рядового груза считается по формуле:
B = 2а'
+ 200,
где
а' - размер типичного куска, мм.
Следовательно
минимальная ширина ленты нашего конвейера составляет:
В=2*60+200=320 мм.
Исходя
из рекомендации [1, табл. 20] выбираем минимальную ширину ленты 400 мм. Выберем
для рабочей ветви ленты желобчатую трехроликовую опору с углом наклона боковых
роликов 20°.
Рассчитаем
ширину ленты по формуле:
,
где Q - производительность конвейера, т/ч;
υ - скорость ленты, м/с;
k -
коэффициент,
зависящий от угла естественного откоса груза;
kβ - коэффициент, зависящий от угла
наклона конвейера.
Значения коэффициентов к и kβ возьмем из:[1, табл. 24, табл. 25].
Они соответственно равны 550 и 1.
Получаем:
По нормальному ряду выбираем ближайшую большую ширину ленты В=1000мм.
Полученная ширина ленты больше минимально допустимой ширины, следовательно,
лента подобрана верно. (850 мм > 600мм)
Исходя из данных: [1, табл. 1], выбираем конвейерную ленту общего
назначения типа 2 шириной B=1000мм
с пятью тяговыми прокладками прочностью 400 Н/мм из ткани ТК-200.
Принимаем
максимальную допустимую рабочую нагрузку kp=20 Н/мм [1, табл. 6].
Принимаем толщину тканевых прокладок из синтетических нитей δПТ=2 [1,
табл. 3]. Принимаем толщину рабочей поверхности резиновой обкладки
δр=4,5 мм и
толщину нерабочей поверхности
δн=1,5 мм [
1, табл. 5]. Обозначение выбранной ленты: Лента 2Р-1000-ТК-400-6-2-Б ГОСТ 20-76 Исходя из:
[1, табл. 18] выберем диаметр ролика D = 194 мм.
Принимаем
количество роликов в рабочей ветви равное 3 шт., а в холостой ветви равное 2шт[
1, табл. 20].
Принимаем
расстояние между роликоопорами рабочей ветви резинотканевой ленты ленточного
конвейера равным 1200 мм, а расстояние между роликоопорами холостой ветви
3000мм[
1, табл. 21] .
Обозначение
выбранной роликоопоры для рабочей ветви:
Роликоопора
Ж 100- 194-20 ГОСТ 22645- 77.
Обозначение
выбранной роликоопоры для холостой ветви:
Роликоопора НЛ 100-
194-20 ГОСТ 22645- 77.
. Расчет тягового усилия
Рассчитаем погонную массу груза по формуле:
q = Aρ = 0,0781 • 1550= 121кг/м,
гдеА - площадь поперечного сечения потока груза на конвейере, м2;
ρ - насыпная плотность груза, кг/м3.
гдеQ
- производительность конвейера, м3/ч;
υ - скорость ленты, м/с;
-
кол-во секунд в одном часе.
Рассчитаем
погонную массу тягового органа по формуле:
qт = qЛ = ρBδ= 1100• 1 • 0,016= 17,6 кг/м,
где ρ - плотность ленты, кг/м3;
B,δ - соответственно ширина и толщина ленты, м.
δ = z δПТ + δПЗ + δР + δН=5•2 + 0 + 4,5 + 1,5 = 16 мм,
гдеz - количество тяговых тканевых прокладок;
δПТ - толщина тяговой тканевой прокладки;
δПЗ - толщина защитной тканевой прокладки;
δР - толщина резиновой обкладки рабочей поверхности
конвейерной ленты;
δН - толщина резиновой обкладки нерабочей поверхности
конвейерной ленты.
Погонная
масса движущихся частей конвейера для рабочей и холостой ветви (qрр и qрх) принимаем исходя из: [
1, табл.
26].
Определим
тяговое усилие конвейера методом обхода по его контуру.
Разобьем
трассу конвейера на отдельные участки, пронумеровав их границы согласно рис. 2.
Определим натяжение ленты в отдельных точках трассы конвейера. Обход начинаем с
точки 1, натяжение ленты в которой обозначим F1. Значение коэффициента сопротивления w принимаем
равным 0,06 исходя из: [
1, табл. 27].
Рисунок
2. Контур конвейера с нумерацией точек сопряжений прямолинейных и криволинейных
участков
Сопротивление на прямолинейном участке рабочей ветви определяется по
формуле:
FГ = wg[(q + qТ) LГГ + qРРLГ] ±(q + qT)gH,
где g - ускорение свободного падения, м/с2;
LГГ -
длина горизонтальной проекции загруженного участка , м;.
LГ-
длина загруженного участка конвейера, м;
H -высота
подъема груза, м.
Сопротивление на прямолинейном участке холостой ветви определяется по
формуле:
FХ = wg(qРХLХ + qTLГХ) ± qТgHХ,
гдеLХ -длина холостого участка, м;
HХ
-длина вертикальной проекции холостого участка, м.
Сопротивление на погрузочном пункте при сообщении грузу скорости тягового
органа:
FПОГР=Qg
υ /36=303,582,
гдеQ - производительность конвейера, т/ч;
υ - скорость перемещения груза, м/с;
Сопротивление
от направляющих бортов загрузочного лотка. (Длину бортов загрузочного лотка
принимаем из: [
1, табл. 22]).
FЛ ≈50l=100, Fл=50*2=100
где l - длина лотка, м.
Сопротивление (H)
очистительных устройств конвейера
FОЧ = wОЧ*B=200*1=200
где wОЧ - коэффициент сопротивления очистительного устройства,
Н/м: для скребков и плужков wОЧ=300...500
Н/м, для вращающихся щеток wОЧ - 150...25O Н/м; В - ширина рабочего органа (ленты, настила и
др.), м.
Считаем сопротивления:
F1-2=0,04*9,8*(9,2*751,47+750*17,6)-17,6*9,8*47=
-222,06 H.
F2-3=303,582 H
F3-4=0,04*9,8[(121+17,6)
•750+21*751,47]+(17,6+12) *9,8 *47= 120367,17 H.
F4-1=F3-4 
(k-1)=120367.1
0.04=4814,7
Н
Найдём F1 используя условие отсутствия проскальзывания (по
Эйлеру):
Fнаб≤ Fсбег•efα,
|
где
|
Fнаб
|
- натяжение в набегающей на
приводной элемент ветви тягового органа;
|
|
Fсбег
|
- натяжение в сбегающей
ветви тягового органа.
|
|
f
|
- коэффициент трения между
лентой и поверхностью приводного барабана
|
4814,7
F1=1925,8 H
Принимаем
коэффициент сцепления между резинотканевой лентой и стальным барабаном (для
сухого окружающего воздуха) ƒ=0,3 исходя
из: [
1, табл. 24]. Принимаем угол обхвата лентой приводного
барабана α=1800.
Определяем
натяжение (Н) конвейерной ленты в остальных точках трассы:
F2=F1+(-222,06)=1925.88-222,06=1703,82 Н
F3=F2+303,582=1734,4 Н.
F4=F1+120367.17 H=122293,05 Н
Определим тяговую силу по формуле F0=Fнаб-Fсбег=120367,14-(-222,06)=120589,23 Н
3.Расчет тягового органа
По уточненному значению 120589.23Н проверяем прочность ленты.
Необходимое минимальное число прокладок рассчитываем по формуле:
,
гдеz - принятое число тяговых прокладок;
zmin - необходимое минимальное число тяговых прокладок;
Fmax - определяется из тягового расчета;
kp - максимальная допустимая рабочая нагрузка прокладок, H/мм;
В
- ширина ленты, мм.
Определяем минимальное число прокладок:


Определяем размер приводного барабана:
DПБmin=k*z=160•5=800 мм,
где
коэффициент k принимаем исходя из: [
1, табл.
13].
Проверим
размер приводного барабана:
Принимаем диаметр приводного барабана DПБ. = 2330 мм
Определяем
длину барабана, она равна 1150 мм исходя из: [
1, табл.
15].
4.Необходимая мощность привода конвейера. Выбор двигателя
Мощность на приводном валу конвейера составляет:
Выбираем
редуктор цилиндрический горизонтальный двухступенчатый, η=0,96 [
1, табл. 7].
Необходимая
мощность двигателя конвейера:
гдеР0 - расчетная мощность на приводном валу конвейера;
η - КПД передач от двигателя к приводному валу.
Определим частоту вращения вала приводного барабана:
Выбираем
двигатель [
2, табл. III.3.1].Для
нашего случая выбираем два двигателя, потому что для одного двигателя
необходимая мощность будет велика. Выберем два электродвигателя закрытых
обдуваемых 4АН355М12У3, мощностью 110 кВт каждый с частотой вращения n=490об/мин.
5. Кинематический расчет. Выбор элемента передач
Найдём передаточное отношение по формуле:
гдеn - частота вращения вала двигателя,
мин-1.
Подберем необходимые редукторы (цилиндрический горизонтальный
двухступенчатый). Типоразмер редуктора Ц2-500. Передаточное отношение u=41,34.Мощность на быстроходном (входном) валу
составляет P=70,2 кВт.
В связи с тем, что передаточное отношение выбранного редуктора больше
необходимого нам, уточним размеры барабана для того, чтобы скорость ленты
составляла 1.6 м/c:
Подберем
необходимые муфты:
Муфта
зубчатая М36-Т40 ГОСТ 20761-80 (СТ СЭВ 1914-79);Стальная М=11800Hм.
Муфта
зубчатая М36-Т40 ГОСТ 20761-80 (СТ СЭВ 1914-79);Стальная М=11800Hм.
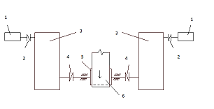
Рисунок
3 Кинематическая схема ленточного конвейера 1 -электродвигатель; 2,4 - муфта; 3
- редуктор; 5 - приводной барабан; 6 - лента конвейера
Рисунок
4 График натяжений тягового органа
Библиографический список
1. Жегульский В.П. Рекомендации к проведению практических
занятий по расчету ленточного конвейера с резинотканевым тяговым органом
[Электронный ресурс]. - Екатеринбург. УрФУ, 2015-21стр.
2. Кузьмин А.В., Марон Ф.Л. Справочник по расчетам
механизмов подъемно-транспортных машин. - Минск. «Вышейшая школа», 1983-360стр.