Преобразователь скорости движения ленты конвейера из прорезиненной ткани

  • Вид работы:
    Курсовая работа (т)
  • Предмет:
    Информатика, ВТ, телекоммуникации
  • Язык:
    Русский
    ,
    Формат файла:
    MS Word
    627,65 Кб
  • Опубликовано:
    2013-07-29
Вы можете узнать стоимость помощи в написании студенческой работы.
Помощь в написании работы, которую точно примут!

Преобразователь скорости движения ленты конвейера из прорезиненной ткани













ПОЯСНИТЕЛЬНАЯ ЗАПИСКА

к курсовому проекту по дисциплине:

«Физические основы получения информации»

Тема курсовой работы: Преобразователь скорости движения ленты конвейера из прорезиненной ткани.

Аннотация

Цель курсового проекта заключалась в проектировании преобразователя скорости движения ленты конвейера из прорезиненной ткани. В качестве преобразователя скорости мною был выбран индуктивный преобразователь.

Решение данной задачи производилось по следующей схеме:

·        Обзор различных преобразователей скорости

·        Выбор конкретного преобразователя для проектирования

·        Расчет параметров преобразователя

Выбор преобразователей выполнялся на основе рассмотрения литературы, связанной с темой курсового проекта. Я использовал патенты, книжные и журнальные источники. Было рассмотрено не менее пяти принципов действия преобразователей, решающих поставленную задачу. В качестве источников информации использовались учебники, научные издания, статьи из научных журналов, а также патентно-технические источники. Из обзора был выбран преобразователь более подходящий, по моему мнению, для проектирования. Было составлено техническое задание. Производился расчет преобразователя для выявления его параметров. По результатам проектирования были сделаны выводы, занесенные в заключение.

Цель курсового проекта была достигнута. Был разработан индуктивный преобразователь скорости движения ленточного конвейера удовлетворяющий заданным условиям.

СОДЕРЖАНИЕ

1. К ВОПРОСУ О ПОНЯТИИ ИЗМЕРЯЕМОГО ОБЪЕКТА

. ОБЗОР АНАЛОГОВ И ПРОТОТИПОВ

.1 Индуктивные преобразователи

.2 Емкостные преобразователи

.3 Преобразователи Холла

.4 Магнитострикционные преобразователи

.5 Реостатные преобразователи

. ВЫБОР ПРЕОБРАЗОВАТЕЛЯ

. ТЕХНИЧЕСКОЕ ЗАДАНИЕ

.1 Назначение и область применения

.2 Основные требования к преобразователю

. КОНСТРУКТОРСКИЙ РАЗДЕЛ

.1 Введение

.2 Принцип действия преобразователя

.3 Расчет функции преобразования

.4 Расчет чувствительности

.5 Расчет основных параметров преобразователя

.6 Расчет погрешностей преобразователя

ЗАКЛЮЧЕНИЕ

СПИСОК ИСПОЛЬЗОВАННЫХ ИСТОЧНИКОВ

. К ВОПРОСУ О ПОНЯТИИ ИЗМЕРЯЕМОГО ОБЪЕКТА

В настоящее время очень широкое распространение получили измерительные преобразователи. Измерительный преобразователь- устройство предназначенное для преобразования входного измерительного сигнала в выходной сигнал, более удобный для дальнейшего преобразования, передачи, обработки вычислительными устройствами или хранения, но не пригодным для непосредственного восприятия наблюдателем. Измерительные преобразователи применяются во многих отраслях промышленности.

В данном курсовом проекте будет рассматриваться преобразователь скорости движения ленты конвейера из прорезиненной ткани. Ленточные конвейеры - наиболее производительный вид непрерывного транспорта, используемый для транспортирования сыпучих и штучных грузов с различной производительностью и скоростью движения конвейерной ленты. Расстояние транспортирования ленточными конвейерами достигает нескольких километров, а их трасса может иметь различную схему, что позволяет приспосабливать конвейеры к условиям производства и местности. Ленточные конвейеры используются на многих промышленных производствах.

Ленточный конвейер условно можно разбить на три основные части: головную, среднюю и хвостовую. В качестве несущего (транспортирующего) и тягового органа применяются резинотканевые ленты с гладкой поверхностью. Верхняя ветвь ленты конвейера, в большинстве случаев, имеет желобчатость за счёт применения желобчатых роликоопор. Загрузка верхней ветви ленты производится загрузочным устройством (или несколькими устройствами), расположенным в хвостовой части конвейера. Разгрузка конвейера чаще всего производится через приводной (головной) барабан. В ряде случаев необходима промежуточная разгрузка конвейера в средней его части, тогда применяется барабанная разгрузочная тележка или плужковый сбрасыватель.

Рисунок 1 - Схема ленточного конвейера

В движение конвейерная лента приводится фрикционным приводом. Привод конвейера состоит из приводного барабана и приводного механизма, соединённых между собой тихоходной муфтой. Приводной механизм состоит чаще всего из мотор-редуктора или из электродвигателя, редуктора и соединяющей из муфты, которые устанавливаются на отдельной раме. Конвейерная лента располагается на роликоопорах: верхняя ветвь ленты на верхних желобчатых или прямых, нижняя ветвь на нижних прямых.

Одним из наиболее важных частей конвейера является приводной барабан. Он предназначен для передачи тягового усилия, необходимого для приведения в движение ленты. Приводные барабаны поставляются с одной консолью вала для соединения с приводным механизмом или двумя консольными для соединения с двумя приводными механизмами, расположенными симметрично относительно оси конвейера.

Рисунок 2 - Приводной барабан

Для увеличения окружного тягового усилия на приводном барабане необходимо увеличить коэффициент трения между лентой и барабаном (обод барабана выполняется с футеровкой) или угол обхвата барабана лентой.

Номинальный диаметр D (мм) приводных нефутерованных барабанов ленточных конвейеров по ГОСТ22644-77 составляет: 250; 315; 400; 500; 630; 800; 1000; 1250; 1400; 1600; 2000; 2500.

Все вышеперечисленные факты говорят о том что необходимо контролировать и нормировать скорость вращения приводного барабана а следовательно и скорость вращения ленты конвейера. Данное регулирование используется во многих технологических процессах на промышленных предприятиях, чтобы увеличить производительность труда персонала работающего с этой лентой. Поэтому перейдем к характеристике контролируемой физической величины.

Измеряемая физическая величина в данном курсовом проекте - скорость. Скорость - это векторная физическая величина, которая характеризует изменение перемещения и направления движения материальной точки в пространстве относительно выбранной системы отсчёта. Скорость - характеристика движения точки, при равномерном движении численно равная отношению пройденного пути s к промежутку времени t, за который этот путь пройден. Скорость направлена вдоль касательной к траектории и равна по модулю производной дуговой координаты по времени. Единица измерения скорости в системе СИ - м/с. В СГС системе - см/c. Измерение скорости на практике довольно непростая задача. Для решения этой задачи используют различные датчики. В связи с бурным развитием техники появилось большое количество датчиков и преобразователей скорости. Я проведу обзор преобразователей и выберу наиболее подходящий для преобразования скорости.

. ОБЗОР АНАЛОГОВ И ПРОТОТИПОВ

Развитие управляющих систем неразрывно связано с измерением разнообразных физических величин: механических, тепловых, химических, оптических, акустических и других. Практика показала, что наиболее удобным является преобразование физических величин в электрические величины, так как при этом для последующих операций может быть использована стандартная электрическая аппаратура, обладающая целым рядом существенных преимуществ:

. Высокая точность;

. Простота изменения чувствительности приборов;

. Широкий диапазон измеряемых величин;

. Высокое быстродействие;

. Возможность дистанционного измерения;

. Возможность выполнения математических операций;

. Удобство регистрации.

Все открытия в области ядерных явлений, изучение космоса и недр нашей планеты оказались возможными благодаря бурному развитию преобразователей физических величин, важное место среди которых занимают преобразователи неэлектрических величин.

2.1 Индуктивные преобразователи

Для измерения скорости, в частности применяются индуктивные преобразователи. Принцип работы индукционного преобразователя основан на изменении самоиндукции катушки (L) при изменении магнитного сопротивления его магнитной цепи. Изменение магнитного сопротивления происходит в результате изменения параметров воздушного зазора под действием входного сигнала.

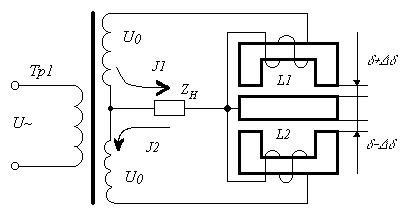
Схема простейшего индукционного преобразователя приведена на рисунке 3, и представляет собой катушку самоиндукции W с ферромагнитным сердечником 1 и якорем 2, отделенным от сердечника воздушным зазором δ. Магнитное сопротивление зазора Rδ изменяется в результате изменения величины воздушного зазора или его площади поперечного сечения Sδ. Катушка соединена с нагрузкой Zн и источником переменного напряжения U~.

Рисунок 3- Схема простейшего индуктивного преобразователя.

Сердечник и якорь изготавливают из магнитомягких материалов с малыми потерями на гистерезис. Для уменьшения потерь на вихревые токи сердечник и якорь набирают из отдельных изолированных друг от друга пластин .

Также представляется возможным использование других видов измерительных преобразователей.

Существенно уменьшить погрешности и увеличить линейный участок характеристики позволяет применение дифференциальных преобразователей. Поэтому в практике индуктивные преобразователи всегда выполняются дифференциальными. На рисунке 4 показана схематическая конструкция преобразователя для измерения больших перемещений.

Рисунок 4 - Схематическая конструкция преобразователя

преобразователь емкостный реостатный индуктивный

В преобразователе происходит перемещение сердечника 1 и при перемещении в направлении стрелки - увеличение сопротивления .

Наиболее распространённой измерительной цепью индуктивных преобразователей является неравновесный измерительный мост, в два плеча которого включены две половины дифференциального преобразователя. Оптимальным является включение преобразователей параллельно источнику и питание моста от источника напряжения. Уравновешивание моста в начальном положении (при отсутствии входной величины), производится по двум составляющим - изменением сопротивления нерабочего плеча  и изменением сопротивления  включаемого в плечо, имеющее меньшее активное сопротивление. Если при  цепь была уравновешена, то при  через указатель потечёт ток, равный , где -приращение электрической проводимости преобразователя.

Недостатком их является наличие обратного воздействия преобразователя на измеряемый объект (воздействие электромагнита на якорь) и влияние инерции якоря на частотную характеристику прибора.

2.2 Емкостные преобразователи

Емкостные измерительные преобразователи относятся к группе электростатических преобразователей, у которых входная измеряемая величина связана с изменением емкости системы или с величиной электрического заряда.

Действие емкостных преобразователей основано на преобразовании входной величины в изменение емкости конденсатора. Информативными выходными параметрами емкостных измерительных преобразователей могут быть электрическая емкость С и тангенс угла диэлектрических потерь tgδ, которые связаны с различными физико-механическими свойствами объекта измерения (контроля): относительной диэлектрической проницаемостью εr, размерами и формой, плотностью, наличием и размерами нарушений сплошности (пустот, включений) и другими свойствами.

Емкость С между двумя параллельными проводящими плоскостями площадью S, разделёнными малым зазором без учёта краевого эффекта определяется выражением:

 

где: ;

Изменение емкости посредством механических воздействий можно производить путём изменения: зазора , площади S, материала диэлектрика , а так же изменением  за счёт механических деформаций диэлектрика.

Для получения большей точности используют дифференциальные датчики. Емкостные дифференциальные датчики с переменным зазором между двумя параллельными пластинами, расположенными одна против другой, на которые подаётся ЭДС, помещается третья подвижная пластина - ротор, которая под действием внешней силы (перемещения) перемещается поступательно. С этой пластины и осуществляется съём сигнала на усилитель.

Рисунок 5 - Емкостной дифференциальный преобразователь с переменным зазором

При проектировании емкостных преобразователей следует учитывать паразитные емкости , создаваемые как конструктивными элементами, так и соединительными проводами, которые шунтируют емкость  преобразователя и могут вызывать значительное уменьшение его чувствительности.

2.3 Преобразователи Холла

Преобразователь Холла представляет собой магнитоэлектрический полупроводниковый прибор, основанный на использовании эффекта Холла.

Рисунок 6 - Схема включения преобразователя Холла.

Представляет собой топкую прямоугольную пластину (площадью несколько мм2) или плёнку, изготовленную из полупроводника (Si, Ge, InSb, InAs), имеет 4 электрода для подвода тока и съёма ЭДС Холла. Чтобы избежать механических повреждений, пластинки датчика холла монтируют (а плёнку напыляют в вакууме) на прочной подложке из диэлектрика (слюды, керамики). Для получения наибольшего эффекта толщина пластины (плёнки) делается возможно меньшей. Контакты пленочных датчиков наносят испарением в вакууме.

Для защиты от механических и климатических воздействий изготовленный датчик покрывают синтетической смолой и приклеивают к изоляционной подложке или помещают в бронзовый корпус. Последний способствует отводу от датчика тепла.

Рисунок 7- Конструктивное исполнение преобразователей Холла

На рисунке 7 приведено несколько конструктивных исполнений датчика Холла. На рисунке 7, а показан датчик, выпускаемый без корпуса и подлежащий заливке компаундом после установки в воздушный зазор магнитопровода. На рис. 5, в приведен датчик с оболочкой из эпоксидной смолы. На рис. 7, б показан датчик, заключенный в ферритовую оболочку с симметричной магнитной системой. Ферритовое основание 1 и крышка 4 имеют одинаковые размеры. Полупроводниковая пластина 6 наклеена прямо на ферритовое основание. Ферритовый стержень 3 концентрирует магнитный поток на поверхность датчика. Стенки 5 и 2 выполнены из немагнитного материала и обеспечивают необходимый зазор между ферритовым стержнем и полупроводниковой пластиной (обычно 2-3 мкм).

При помощи преобразователей Холла можно измерять любую физическую величину, которая однозначно связана с магнитным полем, а также применяют в измерителях и преобразователях линейных и угловых перемещении, скорости, а также в измерителях градиента магнитного поля, магнитного потока и мощности электрических машин, в бесконтактных преобразователях постоянного тока в переменный и в воспроизводящих головках систем звукозаписи.

2.4 Магнитострикционные преобразователи

Магнитострикция (от лат., натяжение, сжатие) - изменение формы и размеров тела при его намагничивании. Магнитострикция была обнаружена только в ферромагнитных материалах, таких как: железо, никель, кобальт и их сплавах. Основой принципа магнитострикции являются магнитомеханические свойства этих материалов. Если ферромагнетик находится в области магнитного поля, то оно вызывает микроскопическую деформацию его структуры, что приводит к изменению физических размеров ферромагнетика. На этом действии основан магнитострикционный преобразователь.

Рисунок 8 - Схема магнитострикционного преобразователя.

Магнитострикционный измерительный преобразователь содержит протяжённый стержень 1 из магнитострикционного материала, например, положительной магнитострикции, закреплённый за свою середину в жёстком неэлектропроводном корпусе 2. Торцы 3, 4 стержня 1 пришлифованы и образуют собой первые обкладки пластинчатых конденсаторов, вторые обкладки которых 5, 6 прикреплены к электропроводным винтам 7, 8 для установки щелей между пластинами 3, 5 и 4, 6 и тем самым задания исходной ёмкости каждого из конденсаторов.

Ферромагнитный материал чувствительного элемента - стержня 1 близок по своим свойствам к керамике, обладает высокой магнитострикцией и вместе с тем высоким удельным сопротивлением, из-за чего возникают очень малые потери энергии, и в то же время этот ферромагнитный материал сильно намагничивается под действием даже очень слабого магнитного поля.

Первые обкладки 3, 4 конденсаторов на торцах неэлектропроводного стержня 1 возможно создать путём электрохимического покрытия (вспомним, например, школьные уроки по гальванотехнике - гальваностегии) или же с применением более высоких промышленных технологий - весьма тонкие покрытия электропроводным резистивным материалом, в том числе, и для образования электропроводной полоски на теле стержня 1 для электрической связи с обкладками 3, 4 конденсаторов.

Стержень 1 слабо подмагничен (поляризован) керамическими магнитными шайбами 9 таким образом, чтобы напряжённость магнитного поля в нём соответствовала рабочей точке на наиболее крутом участке зависимости линейной деформации стержня 1 от относительно малой напряжённости внешнего (измеряемого) магнитного поля. Из-за подмагничивания стержень 1 положительной магнитострикции всё время длиннее, чем был бы в своём естественном состоянии.

При наложении на стержень 1 измеряемого переменного магнитного поля он станет изменять свои размеры по длине синфазно с изменением напряжённости измеряемого магнитного поля. Т. е., если напряжённость принимаемого магнитного поля по мгновенному значению направлена против постоянного поля исходной поляризации стержня 1, то он станет укорачиваться, вызывая увеличение щели (расстояния) между пластинами 3, 5 и 4, 6 конденсаторов и уменьшение ёмкости конденсаторов. И наоборот, если напряжённость принимаемого магнитного поля направлена в сторону поля поляризации стержня 1, то он станет удлиняться, сдвигая обкладки 3, 5 и 4, 6 конденсаторов и тем самым увеличивая ёмкость конденсаторов.

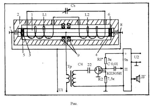
На стержне 1 размещены катушки L1, L2, образующие две секции на бумажных каркасах, включенные последовательно между собой и с переменным конденсатором С3, который вынесен за пределы корпуса 2. Катушки L1, L2 и конденсатор С3 образуют электрический колебательный контур, настроенный на основную собственную частоту или одну из её гармоник стержня 1. Чем самым колебательный контур стремится поддержать возникающие в стержне 1 звуковые колебания и переменные магнитные поля.

Колебания в стержне 1 - чувствительном элементе возможно ударно возбуждать короткими импульсами магнитного поля электромагнитной волны или магнита, движущегося одновремённо с контролируемым объектом относительно чувствительного элемента, или же короткими электрическими импульсами, подаваемыми в электрический колебательный контур, или же механическим воздействием на всю конструкцию магнитострикционного измерительного преобразователя.

Непосредственно после ударного возбуждения чувствительного элемента, амплитуда колебаний обкладок 3, 4 конденсаторов (торцов стержня 1) наибольшая и пропорциональна величине воздействия. Но она постепенно затухает и принимает наименьшее значение в момент, предшествующий очередному воздействию. Таким образом, колебания торцов стержня 1 имеют изменяющуюся амплитуду, т. е. являются модулированными. Информация о воздействиях, а значит и об их частоте и амплитуде, содержится в изменении амплитуды огибающей, воспринимаемой и обрабатываемой измерительной системой.

Применяются магнитострикционные преобразователи для преобразования линейных перемещений, скорости, в ультразвуковой дефектоскопии, в гидроакустике, ультразвуковых технологиях, а также в качестве датчиков колебаний.

2.5 Реостатные преобразователи

Реостатным преобразователем называют реостат, движок которого перемещается под действием измеряемой неэлектрической величины. Естественной входной величиной реостатных преобразователей является перемещение движка, а выходной - сопротивление.

На рис. 4 показано устройство реостатного преобразователя.

На каркас 1 из изоляционного материала намотана с равномерным шагом проволока 2. Изоляция проволоки на верхней грани каркаса зачищается, и по металлу проволоки скользит щетка 3. Добавочная щетка 5 скользит по токосъемному кольцу 4. Обе щетки изолированы от приводного валика 6.

Рисунок 9- Устройство реостатного преобразователя

Реостатные преобразователи выполняются как с проводом, намотанным на каркас, так и реохордного типа. Чаще всего используется провод из различных сплавов платины, обладающих повышенной коррозионной стойкостью и износостойкостью; применяется также манганин, константан, фехраль. Микропровод позволяет выполнять миниатюрные преобразователи, имеющие габариты до 5х5 мм.

Каркас выполняется из керамических материалов, пластмассы, гетинакса, металлов (алюминий, дюраль), покрытых слоем лака или оксидной изоляцией. Каркас должен обладать большой теплоотдачей.

Обмотку выполняют из эмалированного или оксидированного провода с последующим покрытием лаком. Следует выбирать материалы проволоки и каркаса так, чтобы их температурные коэффициенты расширения отличались бы незначительно. В противном случае изменение температуры преобразователя может привести к распусканию обмотки или к появлению недопустимых напряжений.

Токосъемные щетки выполняют в виде проволок или лент из бронзы, платиноиридиевого сплава и других упругих материалов или в виде ролика. Последний ставят с некоторым перекосом для обеспечения небольшого скользящего трения и зачистки контактной дорожки.

К достоинствам реостатных преобразователей относятся возможность получения высокой точности, значительных по уровню выходных сигналов и относительная простота конструкции. Недостатки - наличие скользящего контакта, необходимость относительно больших перемещений движка, а иногда и значительного усилия для его перемещения.

. ВЫБОР ПРЕОБРАЗОВАТЕЛЯ

В ходе рассмотрения основных типов преобразователей для измерения преобразования скорости ленты конвейера из прорезиненной ткани, я решил что наилучшим вариантом будет индуктивный преобразователь, включенный в мостовую схему. В целом индуктивный преобразователь является довольно распространенным и широко используемым в промышленности. Он имеет ряд существенных достоинств. По сравнению с другими преобразователями, индуктивные отличаются значительными по мощности выходными сигналами, простотой и надежностью в работе. Из недостатков можно указать. Но недостатком их является наличие обратного воздействия преобразователя на измерительный объект (воздействие электромагнита на якорь) и влияние инерции якоря на частотную характеристику прибора.

Далее в обзоре рассматривались емкостные преобразователи. Это довольно широкая группа преобразователей, используемая для преобразования многих неэлектрических величин в электрические. К достоинствам емкостных преобразователей относятся: простота устройства, высокая чувствительность и возможность получения малой инерционности преобразователя.

Недостатками являются: влияние внешних электрических полей, паразитных емкостей, температуры, влажности, относительная сложность схем включения и необходимость в специальных источниках питания повышенной частоты.

Преобразователи Холла - особая группа преобразователей. Они находят применение во многих областях современной промышленности, например в автомобилестроении, и авиационной технике. Достоинства этого преобразователя - высокая надежность и долговечность, малые габариты, нечувствительность к механическим воздействиям и изменениям параметров окружающей среды. К недостаткам можно отнести постоянное потребление энергии, сравнительно высокую стоимость, зависимость от температуры, смещение нулевого тока (ненулевой выходной сигнал при нулевом измеряемом токе).

Магнитострикционные преобразователи являются подвидом индуктивных преобразователей. Достоинства таких преобразователей - малая зависимость некоторых материалов от температуры, высокая чувствительность. Недостатки - на высоких частотах для таких преобразователей характерны большие потери, обусловленные вихревыми токами, сложны в изготовлении и отличаются узкой полосой пропускания частот, высокая цена магнитострикционных материалов (пермендюра, пермаллой).

Последним измерительным преобразователем, рассмотренным в обзоре, является реостатный преобразователь, который, как и все имеет ряд преимуществ и недостатков.

Основным недостатком реостатных преобразователей является быстрый износ поверхностей ползунка и каркаса с обмоткой. Так же к недостаткам можно отнести наличие скользящего контакта, необходимость относительно больших перемещений движка и значительного усилия для его перемещения.

К достоинствам реостатных преобразователей относится возможность получения высокой точности, значительных по уровню выходных сигналов, а так же относительная простота конструкции.

Проанализировав все вышеизложенные аргументы я пришел к выводу что наиболее подходящим является индуктивный преобразователь, так как он имеет следующие преимущества:

) широкий диапазон измеряемых величин;

) простота конструкции;

) высокая надежность в работе;

) устойчивость от воздействия внешних факторов.

. ТЕХНИЧЕСКОЕ ЗАДАНИЕ

4.1 Назначение и область применения

Индуктивный преобразователь может применяться для преобразования таких физических величин как скорость, линейные перемещения, сила, ускорение, вращающий момент и др. Разрабатываемый преобразователь относится к измерительной технике. Индуктивные преобразователи применяются в различных отраслях машиностроения и, следовательно, имеют достаточно большое количество конструктивных исполнений. Но прототип, разрабатываемый в данном курсовом проекте, является наилучшим исполнением для задачи моего курсового проекта.

4.2 Основные требования к преобразователю

. Наименование объекта: Индуктивный преобразователь скорости.

. Диапазон перемещений якоря: 0,01мм - 5 мм.

. Погрешность измерений: не более 10%

. Частотный диапазон: до 300 Гц

. Номинальное расстояние срабатывания: 10 мм

. Число витков на обмотке: 3000

. Габаритные размеры:

.1 Диаметр: 19мм

.2 Длина: 115мм

. Масса: 110г

В качестве материала сердечника следует выбирать электротехническую сталь (например, феррит марки 20ВЧ). Листы стали изолируются друг от друга, покрываются лаком. Для предотвращения замыкания с поверхности удаляются все заусенцы. Намотка рядовая. Выбраны параметры и характеристики в соответствии с ГОСТ 20246-80.

) Диапазон рабочих температур: -30˚C- 70˚C

) Максимальная допустимая температура окружающей среды: 250˚С

) Ток нагрузки: <20 mA

) Напряжение питания: 15B-30B

. КОНСТРУКТОРСКИЙ РАЗДЕЛ

5.1 Введение

Данный раздел подразумевает рассмотрение необходимых для проектирования схем устройства, физических эффектов, положенных в основу принципа действия преобразователя и возникающих в процессе работы. Также приводится рассмотрение электрической схемы включения датчика, измерения. Приведены расчеты функции преобразования, электрической схемы, погрешностей, допустимых и возникающих в процессе работы. На основе вышеперечисленного делаются выводы о возможностях преобразователя.

5.2 Принцип действия преобразователя

Для измерения скорости ленты конвейера использование данного индуктивного преобразователя, представляется наиболее уместным. Многие конвейеры работают в непростых природных условиях, где необходима надежность и устойчивость воздействиям окружающей среды, что соответствует характеристикам индуктивных преобразователей.

Вращающаяся часть механизма (приводной вал) периодически воздействует на электромагнитное поле датчика. Эти воздействия преобразуются в импульсы. Блок измерения частоты импульсов измеряет временной промежуток между нарастающими фронтами импульсов (период следования) и преобразует его в частоту f, которая сравнивается с заданной частотой f0. Частота и скорость вращения взаимосвязаны, то будем считать, что зависимость скорости от изменения зазора δ есть функция ω=δ(X).

Так как , то видим, что с увеличением частоты скорость будет больше. Графически эту зависимость на низких частотах можно показать как:

f

ω

10

62,8

50

314

90

565,2

130

816,4

170

1067,6

210

1318,8

250

1570

290

1821,2

330

2072,4

370

2323,6

410

2574,8

450

2826

490

3077,2

530

3328,4


График 1 - Зависимость частоты от скорости вращения вала

То есть мы имеем линейную зависимость частоты от скорости вращения вала.

Данный индуктивный преобразователь является параметрическим, так как требует дополнительного источника питания.

5.3 Расчет функции преобразования

Рисунок 10 - Схема дифференциального включения преобразователя

Произведем расчет преобразователя включенного по дифференциальной схеме. В дифференциальной схеме нагрузка Rн, включается в одну из диагоналей электрического моста па разность напряжений двух ветвей датчика. Выходное напряжение при смещении якоря индуктивного датчика изменяется линейно, что необходимо при фиксации выходного сигнала.

Входным сигналом является перемещение () от среднего положения общего якоря. Выходным сигналом является разность токов в нагрузке или падение напряжений на ней. Для измерения скорости необходимо чтобы ведомый вал конвейера проходил через магнитное поле преобразователя.

Рассчитаем функцию преобразования преобразователя.

Реактивная составляющая магнитного сопротивления определяется потерями в стали Рст и при отсутствии или слабом проявлении поверхностного эффекта может быть найдена по формуле.

 ; (1)

Индуктивность (коэффициент самоиндукции) катушки также будет комплексной величиной

                                       (2)

где ψ - потокосцепление;

J - ток катушки;

Тогда сопротивление катушки индуктивности

                              (3)

Пусть имеем  и , тогда получим, что эффективное значение тока в нагрузке

                                              (4)

линейно зависит от перемещения якоря δ (пунктирная линия на Рис.2)

График 2 - Зависимость величины зазора от тока

;                                                        (5)


                        (6)

                       (7)

1, Z2 - сопротивления половин простейших ИП с индуктивностями L1 и L2.

Таким образом, нашли токи, протекающие в преобразователях.

Подставим 6,7 в 5 и получим:

                                    (8)

Обычно внутреннее сопротивление дифференциального источника напряжения гораздо меньше, чем остальные сопротивления рассматриваемой цепи, также и активные составляющие сопротивлений ИП Z1 и Z2 . Для упрощения расчета, кроме специальных случаев, сопротивление нагрузки выбирают активным, т.е. .

Тогда, пренебрегая Z0 и считая, что

 , ,

получим выражение напряжения на нагрузке

 ; (9)

Если пренебречь так же, как и для простейших индуктивных преобразователей, потерями в стали, потоками рассеяния и магнитным сопротивлением стали якоря и сердечника, тогда получим в первом приближении индуктивности L1 и L2

 

 , ,                                                                                   (10)

где W1=W2=W - число витков катушек индуктивности;

- площадь воздушного зазора ;

- площадь воздушного зазора при Х=0 .

Тогда , подставив (13) в (12) и проведя преобразования , получим:

 ;                               (11)

или модуль действующего значения выходного напряжения

;                                      (12)

После выражения всех необходимых нам параметров пришли к требуемому выражению для функции преобразования искомого преобразователя.

Так как измеряемая физическая величина в данном преобразователе скорость, то учитывая, что δ есть функция от ω0, то мы можем произвести замену и получим формулу:

 ; (13)

И тогда искомая функция преобразования примет вид

 (14)

5.4 Расчет чувствительности преобразователя

Рассчитаем чувствительность преобразователя с измерительной схемой. В общем случае чувствительность преобразователя рассчитывается по формуле:

 (15)

Чувствительность преобразователя приобретает вид:

 ; (16)

Сведем расчет чувствительности в таблицу 2.

Таблица 2 - Значения чувствительности

δ, мм

пр, х104 В/м

0

0

0,01

1,9992

0,02

2,0448

0,03

2,1396

0,04

2,2914

0,05

2,5131

0,06

2,8262

0,07

3,2646

0,08

3,8841

0,09

4,7792

0,1

6,1205


По данным таблицы 2 строим график ( см. рисунок 5).

Рисунок 5 - График чувствительности преобразователя

Таким образом, произвели расчет основных параметров данного преобразователя и определили чувствительность и функцию преобразования. Далее перейдем к расчету погрешностей преобразователя.

5.5 Расчет основных параметров преобразователя

При выборе числа витков необходимо иметь в виду следующие соображения:

.        Напряжение питания по требованиям техники безопасности не должно превышать 200 - 300 В.

.        Диаметр провода по технологическим соображениям нежелательно брать слишком малым, и при большом числе витков (w >100) диаметр выбирается не меньше 0,07 мм

Число витков определяется из выражения:

 (17)

3000 (витков)

Далее рассчитаем другие необходимые нам параметры:

(18)

(19)

Индуктивность катушки с длиной магнитопровода 100 мм следует из выражения:

 

Реактивная составляющая магнитной цепи будет

(20)

X=2*3,14*50*1,56*10-7=0,005 (Гц* мкГн)

Сопротивление обмотки можно определить из выражения:

(21)

Площадь сечения катушки определим из выражения:

S =(22)

Получим:= (23)

Длина провода определяем из выражения:

l = wdcp; (24)

отсюда следует:

l = 3000 * 3.14 * 25 * = 235 мм;      (25)

получим сопротивление обмотки равное:

=0,014 Ом; (26)

Полное сопротивление получим из выражения:

Z = = 0.015 Ом; (27)

5.6 Расчет погрешности преобразователя

Нахождение погрешности преобразователя является важнейшим звеном в вычислении основных характеристик преобразователя. Индуктивный преобразователь в рабочих условиях подвергаются воздействию различных неблагоприятных условий, ухудшающих их точность. Источниками основной погрешности у индуктивного преобразователя являются:

·   Поперечные смещения подвижного сердечника, приводящие к появлению случайной погрешности.

·   Гистерезис преобразователя из-за механических смещений.

·   Влияние собственных температур.

Дополнительная погрешность создаётся из-за таких факторов как:

·   Влияния температуры окружающей среды на геометрические размеры зазора и удельное магнитное сопротивление.

·   Влияние внешних ферромагнитных масс.

·   Колебание частоту питающей сети

·   Колебание напряжения питающей сети

·   Влияние вибрации.

Рассчитаем погрешность данного преобразователя с учетом основной погрешности:

 (28)

И тогда искомая приведенная погрешность преобразователя примет вид

γ ; (29)

γ

Рассчитаем данную погрешность:

 

Получили погрешность менее чем задана в техническом задании, следовательно, можем считать что погрешность соответствует заданной.

ЗАКЛЮЧЕНИЕ

В данном курсовом проекте был разработан индуктивный преобразователь для измерения скорости вращения ленты конвейера из прорезиненной ткани. Данный вид преобразователей отличается простатой, широким диапазоном, точностью, надежностью в работе и выходными характеристиками, близкими к линейным. Результаты проектирования преобразователя соответствуют требованиям, представленным в задании на курсовую работу и являются выполненными с точки зрения технического задания.

СПИСОК ИСПОЛЬЗОВАННЫХ ИСТОЧНИКОВ

1. Ногачева, Т. И. Методические указания к выполнению курсового проекта по дисциплине «Физические основы получения информации» для специальности 200101 «Приборостроение» [Текст] / Т. И. Ногачева - Орел: ОрелГТУ, 2009. - 18 с.

. Подмастерьев, К. В. Электрические методы неразрушающего контроля и диагностики: учебное пособие [Текст] / К. В. Подмастерьев, С. Ф. Корндорф, Т. И. Ногачева, Е. В. Пахолкин, Л. А. Бондарева; под ред. К. В. Подмастерьев. - Орел: ОрелГТУ, 2005. - 316 с.

. Осипович, Л. А. Датчики физических величин [Текст] / Л. А. Осипович. - М: Машиностроение, 1979. - 159 с., ил.

. Левшина, E. С. Электрические измерения физических величин: учебное пособие для вузов [Текст] / Е. С. Левшина, П. В. Новицкий, - Л.: Энергоатомиздат, Ленингр. отд-е, 1983 - 320 с., ил.

. Осадчий, Е. П. и др. Проектирование датчиков для измерения механических величин [Текст] / под ред. Е. П. Осадчего. - М.: Машиностроение, 2009 - 480 с., ил.

. Атамалян, Э. Г. Приборы и методы измерения электрических величин [Текст]: Учеб. пособие / Э. Г. Атамалян. - М.: Высш. школа, 1982. - 223 с., ил.

. Виглеб, Г. Датчики [Текст]: [пер. с нем.] / Г. Виглеб. - М.: Мир, 1989.- 196 с., ил.

. Туричин, А. М. и др. Электрические измерения неэлектрических величин. [Текст] / А. М. Туричин, П. В. Новицкий, Е. С. Левшина, - изд. 5-е, перераб. и доп. - Л., «Энергия», 2008. - 576 с., ил.

. Форейт, И. Емкостные датчики неэлектрических величин [Текст] / И. Форейт; пер. с чешского В. И. Дмитриева, - М. - Л.: изд-во «Энергия», 1966. - 160 с., с черт.

. Анурьев, В. И. Справочник конструктора-машиностроителя: В 3-х т. Т.1. / 5-е изд., перераб. и доп. - М.: Машиностроение, 1978.- 728 с., ил.

. Бондарева Л.A. Индуктивные, индукционные и емкостные I преобразователи контроля/ Бондарева Л. A., Нестерович Ю.И., Шведов П.А. Под ред. С.Ф. Корндорфа: Учебное пособие. - Орел: ОрелГТУ, 2001.- 141 с.

Похожие работы на - Преобразователь скорости движения ленты конвейера из прорезиненной ткани

 

Не нашли материал для своей работы?
Поможем написать уникальную работу
Без плагиата!
Без нейросетей!