Разработка схемы микроконтроллера
Введение
Современная электронная техника представляет собой сложные системы,
реализованные на базе микроэлектроники и средств вычислительной техники.
Вычислительные средства являются важнейшей составной частью различных устройств
радиоэлектронной аппаратуры.
Широкий спектр применения вычислительных средств во многом определяется
появлением у конструкторов доступных по цене и миниатюрных по размеру
микроконтроллеров и микропроцессоров.
Микроконтроллер (МК) - это программно управляемая большая интегральная схема
(БИС), предназначенная для обработки цифровой информации.
Наибольший эффект от внедрения МК достигается в устройствах и системах
локальной автоматики, системах измерения, контроля и других областях, в которых
применяются средства цифровой обработки данных. Сравнительно низкая стоимость,
малые габариты и потребляемая мощность, высокая надежность и исключительная
гибкость, не свойственная другим способам обработки данных, обеспечивает
приоритет МК перед другими средствами обработки данных.
Наибольший эффект применения микроконтроллеров достигается при
встраиваемом варианте его использования, когда МК встраивается внутрь приборов,
устройств или машин. В таком варианте использования от МК требуется не столько
вычислительная производительность, сколько логическая оперативность, столь
необходимая в задачах управления.
Использование МК в оборудовании позволяет повысить производительность,
качество, помогает решать сложные проблемы программного регулирования,
существенно улучшает технико-экономические характеристики автоматизированного
оборудования, повышает его «интеллект».
1.Анализ технического задания
цифровой схема микроконтроллер
Рисунок 1 - Структурная схема микроконтроллера
В настоящем курсовом проекте необходимо разработать микроконтроллер на
микросхемах малой и средней логике.
- Тип логики - ТТЛ. Для проектирования микроконтроллера необходимо
применять микросхемы на основе ТТЛ логики;
Содержание АЛУ. Содержит перечень всех логических и математических
операций, которые будет поддерживать проектируемый микроконтроллер. Количество
операций зависит от разрядности шины выбора функции;
Разрядность: m=4, n=3. Разрядность шины порта ввода данных составляет 3
разрядов, разрядность шины порта выбора функции 4 разрядов. Следовательно, в
микроконтроллере можно адресовать 16 различных функций.
Способ ввода данных - параллельный. Это означает, что все разряды входных
данных и номера функции поступают одновременно.
Структурная схема микроконтроллера состоит из:
· АЛУ предназначено для выполнения логических и арифметических
операций нал двумя многоразрядными числами.
· Портов ввода для операндов DI и BI.
· Порта ввода управляющего сигнала V для выбора конкретной операции.
· Порта управления с входными сигналами Pвх и М в зависимости от комбинаций
которых выбирается логическая или арифметическая операция.
· Порта вывода результата F.
· Вывод Рвых для сигнала переноса.
· Блока индикации показывающего выполнение логической или
арифметической операции и операции сравнения.
· ГТИ.
· Блока памяти
1.1
Арифметическо-логическое устройство (АЛУ)
Основной частью данного микроконтроллера является АЛУ. Большая
интегральная схема арифметическо-логического устройства представляет собой
4-разрядную секцию, выполняющую 14 логических операций и 13 арифметические
операции над двоичными числами. Арифметическо-логическое устройство может
выполнять различные логические и арифметические операции с одним, двумя и тремя
словами.
АЛУ может использовать логические элементы И, ИЛИ, НЕ, ИЛИ-НЕ, И-НЕ,
сумма по модулю 2, а также в операциях используется сумматоры и счетчики и
сдвиговые регистры.
Разрабатываемая схема АЛУ будет иметь два комбинационных входа которые
будут задавать код над которым будут производиться операции, а также четыре
комбинационных входа которые задают код операции.
Подаваться они будут с порта ввода для операндов B и D, и
порта ввода управляющего сигнала V для
выбора конкретной операции соответственно.
Примеры комбинаций заданы по заданию.
Таблица 1 - Примеры функции выполняемых АЛУ.
|
Код функций
|
Логические операции М = 1
|
Арифметические операции М =
0
|
|
|
Р вх = 0
|
Рвх = 1
|
|
0000
|
D*B
|
(D+B)/4
|
Индикация результата
операции
|
|
0001
|
¬ (D*B)
|
D+B*D
|
|
|
0010
|
D*¬ (B*D)
|
(D*B)-3
|
|
|
0011
|
Bv¬ (B*D)
|
D*B+D*B
|
|
|
0100
|
Dv¬ (D*B)
|
A^3
|
|
|
0101
|
¬D*B
|
D+B*B
|
|
|
0110
|
D*¬B
|
B+D*D
|
|
|
0111
|
DvB
|
D*D+B*B
|
|
|
1000
|
¬ (DvB)
|
B+B*D+D
|
|
|
1001
|
D B(D+B)*2
|
|
|
|
1010
|
Dv¬B
|
(D*B)+3
|
D*¬ (BvB)
|
D-B
|
|
|
1100
|
B*¬ (DvD)
|
(D-B)*2
|
|
|
1101
|
|
(D-B)+2
|
|
|
1110
|
|
|
|
|
1111
|
|
|
|
1.2 Порт
операндов B и D
Данный порт будет выполнять подачу операндов на АЛУ над которыми будут
выполнятся операции:
· арифметические,
· логические,
Операндами являются четырёхразрядные числа в двоичной системе счисления.
1.3 Порт ввода управляющего сигнала V для выбора конкретной операции
Порт ввода состоит из дешифратора, который служит для приема четырех одноразрядных
двоичных кодов.
Они будут задавать код операции используемой в АЛУ.
На БИС эти входы будут выглядеть как попеременно инвертирующиеся сигналы
от 0 до 16. Будут обозначены как V0, V1, V2, V3.
1.4 Порт
вывода результата F
В результате действий АЛУ выходные данные будут собираться в одном месте,
а именно на выходе F. Который будет
представлять собой шину с подведенными к ней выходами от каждого блока АЛУ.
1.5 Вывод
Рвых для сигнала переноса
АЛУ имеет выход переноса Рвых, который используется при построении
многоразрядного АЛУ. Выход Рвых служит в АЛУ, которые используются как схемы
сравнения. Для сравнение входных слов на “больше - меньше” используется выход
Рвых, значения которого формируются в зависимости от значения входа.
1.6 Блок
индикации показывающий выполнение логической или арифметической операции и
операции сравнения
Порт индикации представляет собой схему которая реагирует на выборку
логической или арифметической операции. В результате чего загорается световой
индикатор. В данном курсовом проекте мы разработаем порт индикации, который
реагирует включением светодиода на появление логической операции.
Блок памяти, хранящий результат операции.
Блок памяти представляет собой микросхему статического ОЗУ. Предназначен
для хранения результата выполнения логических и арифметических операций.
2. Структурный анализ разрабатываемого микроконтроллера
В данной БИС используются элементы мелкой логики: ИЛИ, ИЛИ-НЕ, И, И-НЕ,
НЕ, Сумма по модулю 2; а также элементы средней логики: сумматор, счетчик,
сдвиговый регистр и индикаторы.
Таблица 2- Используемые микросхемы ТТЛ логики:
|
Микросхема
|
Описание
|
|
К155ЛИ1
|
4 логических элемента 2И
|
|
К555ЛН1
|
6 инверторов
|
|
К155ЛЛ1
|
4 логических элемента 2ИЛИ
|
|
К155ЛА8
|
4 логических элемента 2И-НЕ
|
|
К155ЛЕ1
|
4 логических элемента
2ИЛИ-НЕ
|
|
К155ЛП5
|
4 двухвходовых элемента
исключающее ИЛИ
|
|
К155ИМ3
|
2 разрядный двоичный
сумматор
|
|
К555ИР22
|
Буферный регистр
|
|
К155ИЕ19
|
Счётчик
|
|
К555ИР16
|
Сдвиговый регистр
|
|
К155ИР13
|
Восьмиразрядный реверсивный
сдвигающий регистр
|
|
HM62256.
|
Микросхема HM62256.
Статическая ОЗУ.
|
|
К155ИЕ7.
|
Реверсивный счётчик.
|
|
К155ИД1.
|
Дешифратор.
|
2.1
Микросхема К155ЛИ1 (4 логических элемента 2И)
Микросхема К155ЛИ1 потребляет ток равный 33 мА (вариант К555ЛИ1 - 9 мА),
если на всех входах присутствует напряжение низкого уровня. Время задержки при
переходе: от «1» к «0» - 19 нс ; от «0» к «1» - 27 нс.
Рис.
2.2
Микросхема К555ЛН1 (6 инверторов)
Время задержки 10 нс, мощность потребления 2 мВт/вентиль.
Ток потребления, мА 11.5
Рис.
2.3
Микросхема К155ЛЛ1 (4 логических элемента 2ИЛИ)
Микросхема К155ЛЛ1 потребляет ток равный 38 мА, если на всех входах
присутствует напряжение низкого уровня.
Рис.
2.4 Микросхема К155ЛА8. (4 логических элемента 2И-НЕ)
Таблица
|
Выходное напряжение низкого
уровня
|
не более 0,4 В
|
|
Выходное напряжение
высокого уровня
|
|
Ток потребления при низком
уровне выходного напряжения
|
не более 22 мА
|
|
Ток потребления при высоком
уровне выходного напряжения
|
не более 8 мА
|
Время задержки при переходе: от «1» к «0» - 18 нс ; от «0» к «1» - 60 нс
Рис.
2.5 Микросхема К155ЛЕ1. (4 логических элемента 2ИЛИ-НЕ)
Таблица
|
Выходное напряжение низкого
уровняне более 0,4 В
|
|
|
Выходное напряжение
высокого уровня
|
не менее 2,4 В
|
|
Ток потребления при низком
уровне выходного напряжения
|
не более 27 мА
|
|
Ток потребления при высоком
уровне выходного напряжения
|
не более 16 мА
|

Рис.
2.6
Микросхема К155ЛП5 - исключающая или
Логический элемент исключающее ИЛИ применяется как Сумматор по модулю 2
или используется для задерживания цифрового импульса. Его часто включают как
фазовый компаратор, определяющий момент равенства частот я фаз двух цифровых
последовательностей. Среди прочих устройств с помощью элементов исключающее ИЛИ
часто проектируют генераторы строго фазированных многофазных
последовательностей.
Микросхема К155ЛП5 потребляет 30 мА, время задержки распространения
сигнала 22 нс.
Рис.
2.7
Микросхема К155ИМ3 (2 разрядный двоичный сумматор)

Рис.
Микросхема
представляет собой быстродействующий полный сумматор. Он принимает два
четырехразрядных слова по входам данных Аn,Вn, и по входу Pn сигнал переноса. Сумматор работает
как с положительной (высокий уровень -единица), так и с отрицательной логикой
(низкий уровень - единица)
Суммирование происходит согласно уравнению
Если выбрана положительная логика, то вход Сn нельзя оставлять свободным, если он не используется,
необходимо соединить его с низким уровнем
Ток
потребления не более 128 мА.
2.8
Микросхема К555ИР22. Буферный регистр
Блок индикации. Содержит следующие микросхемы: восьмиразрядный буферный
регистр К555ИР22.
Запись информации в триггеры регистра происходит при подаче лог. 1 на
вход С, в этом случае сигналы на выходах регистра повторяют входные, регистр
«прозрачен» для сигналов на входах D1 - D8. При подаче лог. 0 на вход С регистр
переходит в режим хранения информации.
Выходы микросхемы находятся в активном состоянии, если на вход Z подан лог. 0. Если же на вход Z подать лог. 1, то выходы регистра
перейдут в высокоимпедансное состояние. Сигнал на входе Z не влияет на запись в триггеры,
запись может производиться как при лог. 0, так и при лог. 1 на этом входе.
Ток потребления 11.5 мА
Рис.
2.9 Микросхема К155ИЕ19. Счётчик
Состоит из 2 независимых 4-разрядных двоичных асинхронных счетчика со
сбросом.
Рис. Ток потребления, мА 64
2.10 Микросхема К155ИД1. Дешифратор
Рис.
Ток потребления менее 25 мА
Микросхема К155ИЕ7. Реверсивный счётчик.Микросхема
К155ИЕ7-четырехразрядный реверсивный счетчик. Счетчик ИЕ7 - двоичный.
Импульсные тактовые входы для счета на увеличение +1 (вывод 5) и на уменьшение
-1 (вывод 4) в этих микросхемах раздельные. Состояние счетчика меняется по
положительным перепадам тактовых импульсов от низкого уровня к высокому на
каждом из этих тактовых входов.
Рис. Ток потребления не более 102 мА
2.12 Микросхема К555ИР16. Сдвиговый регистр
Рис.
Цифровая микросхема серии ТТЛ
Микросхема К555ИР16 представляет собой универсальный четырехразрядный
сдвиговый регистр влево с последовательно-параллельным вводом и параллельным
выводом информации.
Имеет входы: D - для подачи последовательной информации при сдвиге; D0 -
D3 - для подачи информации при параллельной записи; С - для тактовых импульсов;
SE - для выбора режима параллельной записи и W - для перевода выходов в
высокоимпедансное состояние.
Время задержки 10 нс.
Ток потребления 11.5 мА.
2.13 Микросхема К155ИР13 восьмиразрядный реверсивный
сдвигающий регистр
Рис.
Имеет 8 выходов параллельного кода и следующие входы: D1 - D8 - для подачи информации при параллельной записи, DR и DL - для подачи информации при последовательной записи и сдвиге
вправо и влево соответственно, С - для подачи тактовых импульсов, SR и SL - для управления режимом и R - для сброса триггеров регистра.
Ток потребления 116 мA
2.14 Микросхема HM62256. Статическая ОЗУ
Рис.
• Высокая скорость: Время С быстрым доступом 85/100/120/150 нс (макс.)
• Низкая мощность
• Единственное 5-вольтовое предоставление
• Абсолютно статическое ОЗУ
• Равный доступ и время цикла
• Ввод и вывод общих данных: вывод с тремя состояниями
• Непосредственно совместимый TTL: Все вводы и выводы
• Возможность работы от батареи
Восемь двунаправленных вывода данных типа 3С. Организация памяти 32К х 8,
сигнал разрешения выхода -OE. Когда сигнал разрешения выхода -OE. пассивен
(равен единице), входы/выходы данных микросхемы находятся в состоянии 3С
независимо от режима работы.
Ток потребления в режиме работы не превышает 50 мА
Ток потребления в режиме ожидания не превышает 2 мА
Время цикла чтения не менее 85 нс
Разработка схем отдельных структурных блоков
Рис.
Данный блок представляет собой логическую операцию ИЛИ. В этой операции
используются логические элементы ИЛИ на которые подаются сигналы с шины данных.
В данном случае используется сокращённое изображение буферного регистра.
Рис.
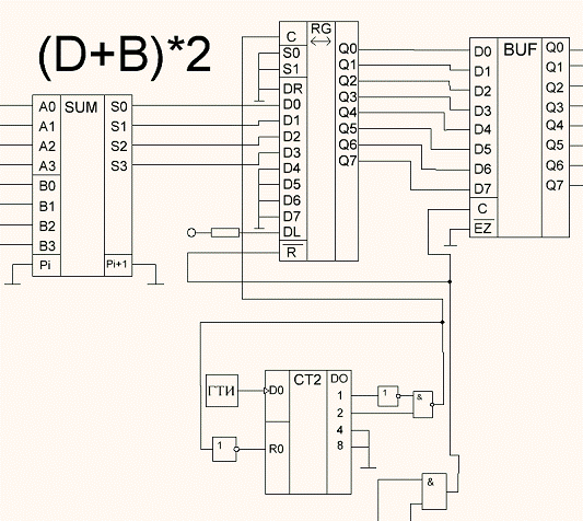
В начале производится сложение двух операндом (так как разрядность
операндов равна 3, чётырёх разрядного сумматора нам вполне хватит ), после
этого результат сдвигается вправо на 2 разряда (происходит деление на 4 то есть
на 2^2) , используется 2 сдвиговых регистра, для того чтобы не потерять дробную
часть, число сдвигов задано счётчиком и равно, после досчёта, счётчик
сбрасывается, и результат из буфера попадает на шину результата.
Рис.
В этом блоке производится умножение которое заменено на операции
сложения, в данном случае число B
нужно сложить само с собой D раз,
для этого нужно зациклить операцию сложения, в данном случае мы используем
связку сумматора и буфера для того чтобы контролировать операцию сложения, на
счётчик подаётся число D+1
так как импульсом с номером В мы разрешим только предпоследнее сложение, в
данном случае мы будем использовать вычитающий счётчик, число D+1 запоминается в счётчике, после
счётного импульса из числа вычитается 1, результат появляется на выводах и
перезаписывается в счётчик, по достижении нулевого результата суммирование
прекращается, далее к результату умножения прибавляется операнд D результат
выводится через буфер на шину результата и счётчик сбрасывается.
Рис.
В данном блоке производится вычитание операнда D из операнда B,
операция вычитания заменяется операцией сложения но при этом вычитаемое число
нужно перевести в дополнительный код (пронвертировать все биты и прибавить
единицу), что и происходит в самом начале, а затем производится сложение
операнда D с операндом В, переведённым в
дополнительный код, после этого результат через буфер попадает на шину
результата.
Рис.
В данном блоке производится операция возведения операнда А в 3 степень,
операция умножения заменена на операции сложения, для управления сложением
используется связка буфера и сумматора, в данном блоке используются 2 счётчика
так как первый счётчик управляет работой второго счётчика, после того как
второй счётчик досчитал до 0 он сбрасывается, посылает сигнал разрешения работы
первому счётчику после этого первый счётчик вычитает из значения (A+1) единицу,
и разрешает работу второму счётчику и так до тех пор пока на обоих счётчиках не
появятся нули, после этого результат через буфер попадает на шину результата.

Рис.
В данном блоке происходит сложение операндов D и В а затем умножение результата сложения на 8, в данном
случае умножение на производится сдвигом влево на число бит равное n, где n = 1 так как 2 это 2^1, для
сдвига используется реверсивный регистр который настроен на сдвиг влево, после
этого результат выводится на шину результата данных через буфер.
Рис.
Данный блок представляет собой блок выбора типа операции и номера
операции. Снизу подаётся сигнал выбора типа операции, на входы дешифратора
подаётся код операции. Для блока выбора типа операции используются два
последовательно соединённых инвертора так, к примеру, для выбора логических
операции нужно подать на вход логическую единицу она останется неизменной после
двух операций инверсии, но после первой инверсии сигнал логической единицы
превратится в логический ноль и запретит выполнений арифметических операций, и
наоборот если подать логический ноль то будут доступны арифметические операции
а не логический.
Рис.
Данный блок предназначен для ввода операндов, операнды представляют собой
3 разрядные числа и загружаются параллельно, также числа дополнены нулями в
старших разрядах, для удобства использования.
Рис.
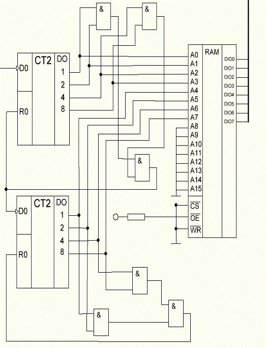
Данный блок предназначен для сохранения результата операций. Этот блок
содержит два счётчика каскадно-включенных для увеличения разрядности, счётчики
предназначены для увеличения адреса в статическом ОЗУ, в котором будут
храниться результаты операций.
Рис.
Данный блок предназначен для отображения результата операции, блок
представляет собой набор светодиодом соединённых по схеме с общим каодом.
3.Расчет
источника питания
На данном этапе проектирования микроконтроллера большой степени
интеграции на микросхемах малой и средней степени интеграции, необходимо
произвести расчёт потребляемого тока разработанной схемы.
Для определения тока потребления всей разработанной микросхемой необходимо
найти ток потребления каждым блоком в отдельности.
Таблица 3. Ток потребления схем.
|
Микросхема
|
Ток потр. мА
|
Описание
|
|
К155ЛИ1
|
33
|
4 логических элемента 2И
|
|
К555ЛН1
|
11.5
|
6 инверторов
|
|
К155ЛЛ1
|
38
|
4 логических элемента 2ИЛИ
|
|
К155ЛА8
|
22
|
4 логических элемента 2И-НЕ
|
|
К155ЛЕ1
|
27
|
4 логических элемента
2ИЛИ-НЕ
|
|
К155ЛП5
|
30
|
4 двухвходовых элемента
исключающее ИЛИ
|
|
К155ИМ3
|
128
|
2 разрядный двоичный
сумматор
|
|
К555ИР22
|
11.5
|
Буферный регистр
|
|
К155ИЕ19
|
64
|
Счётчик
|
|
К555ИР16
|
11.5
|
Сдвиговый регистр
|
|
К155ИР13
|
116
|
Восьмиразрядный реверсивный
сдвигающий регистр
|
|
HM62256.
|
Микросхема HM62256.
Статическая ОЗУ.
|
|
К155ИЕ7.
|
102
|
Реверсивный счётчик.
|
|
К155ИД1.
|
25
|
Дешифратор.
|
Общий ток потребления, т.е. ток потребления всей разработанной схемы,
определится как сумма токов потребления отдельных её блоков:
Таблица 4. Суммарный ток потребления и количество микросхем.
|
Микросхема
|
Количество
|
Общий ток схем, мА
|
|
К155ЛИ1
|
|
528
|
|
К555ЛН1
|
|
69
|
|
К155ЛЛ1
|
|
418
|
|
К155ЛА8
|
|
44
|
|
К155ЛЕ1
|
|
27
|
|
К155ЛП5
|
|
30
|
|
К155ИМ3
|
|
3072
|
|
К555ИР22
|
|
402,5
|
|
К155ИЕ19
|
|
320
|
|
К555ИР16
|
|
69
|
|
К155ИР13
|
|
232
|
|
HM62256.
|
|
50
|
|
К155ИЕ7.
|
|
408
|
|
К155ИД1.
|
|
25
|
Общий ток потребления равен мА.
Схема блока питания
3.1 Анализ
разработанной схемы
Интегральная электроника позволила значительно улучшить параметры
цифровых устройств. Разработчики цифровых устройств, при проектировании нового
изделия стремятся использовать максимально возможно те преимущества, которые
даёт современная элементная база.
Идеальный тип логического элемента должен обладать максимальным
быстродействием, логическими возможностями, высокой помехозащищённостью при
минимальных мощности рассеяния, габаритах корпуса, массе и стоимости в широком
диапазоне рабочих температур и других воздействий.
Современные серии логических элементов удовлетворяющих только
определённой совокупности этих требований, поэтому при разработке, как правило
всегда принимается компромиссное решение.
Важнейшие параметры логических элементов - быстродействие,
характеризуемое средней задержкой распространения сигнала, и мощность
потребления, отнесённая к одному логическому элементу (причём под логическим
элементом понимается схема, реализующая простейшую одноступенчатую или
двухступенчатую функцию типа И, ИЛИ, И-НЕ, ИЛИ-НЕ, И-ИЛИ-НЕ).
По мощности потребления логические элементы в настоящее время делят на
следующие группы:
· мощные (25МВт<P<24МВт);
· среднемощные (3МВт<P<24МВт);
· маломощные (0,3МВт<P<3МВт);
· микроваттные (1мкВт<P<300мкВт);
· нановаттные (P<1кВт).
По быстродействию логические элементы различают:
· элементы сверхбыстродействующие (tзд. р.ср.<2нс);
· быстродействующие (tзд. р.ср.<2¸10нс);
· среднего быстродействия (tзд. р.ср.<10¸300нс);
· медленнодействующие (tзд. р.ср.<300нс).
Разбиение на перечисленные группы является условным, но оно чётко
отражает тот факт, что наибольшую мощность имеют микросхемы, обладающие меньшим
быстродействием. Поэтому стремление снизить энергию единичного переключения
постоянно остаётся актуальной задачей перед конструкторами элементной базы.
Решение этой задачи идёт по двум направлениям. Первое направление связано
с созданием логических элементов, работающих при минимально допустимых напряжениях
и токах, второе заключается в создании ключевых схем, потребляющих мощность
только в режиме переключения и не потребляющих мощность в статическом
состоянии.
В данном курсовом проекте была разработана БИС, которая позволяет
выполнять операции, а именно:
· Логические операции
· Арифметические операции
Так же было включен в БИС блок индикации, который используется в качестве
определяющего элемента результата и состоит из светодиодов и сопротивления.
В курсовом проекте использовались элементы мелкой логики, а именно: И,
ИЛИ, НЕ, И-НЕ, ИЛИ-НЕ, исключающее ИЛИ, сумма по модулю 2, а также в операциях
используются сумматоры, счетчики, регистры и сдвиговые регистры.
Заключение
Разработанный микроконтроллер позволяет производить логические и
арифметические операции над двумя операндами. Он состоит из следующих составных
блоков: портов ввода для первого и второго операндов, порта вывода, порта ввода
для выбора функции, порта управления, блока индикации и арифметико-логического
устройства. АЛУ является основным блоком микроконтроллера, в нем выполняются
все арифметические и логические операции.
Для построения арифметических и логических операций использованы
распространенные микросхемы ТТЛ логики малой и средней степени интеграции.
Разработанная схема микроконтроллера проста для понимания принципа его
функционирования и позволяет наглядно проследить взаимодействие основных блоков
микроконтроллера.
Так же было включено в схему блок индикации, который используется в
качестве определяющего элемента результата операции и состоит из светодиода и
сопротивления.
цифровой схема микроконтроллер
1 . Кропотов
Ю.А. «Методы синтеза цифровой схемотехники. » - 2006г.
. Кулигин
М.Н. «Организация ЭВМ и систем. » - 2007г.
. Кропотов
Ю.А., Кулигин М.Н., Кузичкин О.Р. «Цифровые микропроцессорные устройства. » -
2007г.
. Белов
А.А. «МУ по лабораторным работам по дисциплине «Схемотехника ЭВМ». » - 2011г.
. Белов
А.А. «МУ по курсовому проэктированию по дисциплине «Схемотехника ЭВМ». » -
2011г
. Угрюмов
Е.П. «Цифровая схемотехника. » - 2007г.
. Новиков
Ю.П. «Основы цифровой схемотехники. » - 2008г.
. Лебедев
О.Н. «Применение микросхем памяти в электронных устройствах»