Расчет и моделирование элементов супергетеродинного приемника
Расчет и моделирование элементов
супергетеродинного приемника
Содержание
Введение
1. Устройство
супергетеродинного приемника
. Исходные
данные
3. Расчет и
моделирование элементов супергетеродинного приемника
3.1 Входная
цепь (ВЦ)
.2 Анализ
усилителя радиочастоты (УРЧ)
.3 Гетеродин
.4 Смеситель
.5 Фильтр
сосредоточенной селекции
.6 Усилитель
промежуточной частоты
.7 Детектор
Заключение
Список
используемой литературы
Введение
Супергетеродинный радиоприёмник (супергетеродин) - один из типов
радиоприёмников, основанный на принципе преобразования принимаемого сигнала в
сигнал фиксированной промежуточной частоты с последующим её усилением. Основное
преимущество супергетеродина перед радиоприемником прямого усиления в том, что
наиболее критичные для качества приема части приемного тракта (узкополосный
фильтр, усилитель ПЧ и демодулятор) не должны перестраиваться под разные
частоты, что позволяет выполнить их со значительно лучшими характеристиками.
Целью данной курсовой работы является, изучение принципов моделирования
радиотехнических устройств, расчета их элементов и сигналопрохождения через них
на примере радиоприемного устройства супергетеродинного типа.
В процессе выполнения курсовой работы необходимо рассчитать и
смоделировать элементы супергетеродинного приемника. Расчет и подбор элементов
производится самостоятельно. Моделирование элементов приемника происходит в
программах Multisim 2001 и Multisim 10.1.
Рассчитанный и смоделированный супергетеродинный приемник должен
соответствовать параметрам заданным вариантом: использовать необходимый вид
модуляции, диапазон частот, пропускную способность и т.д.
1. Устройство супергетеродинного приемника
Структурная схема приемника
В качестве структурной схемы выбираю схему с однократным преобразованием
частоты, схема которого показана на рисунке 1.1.
Рисунок 1.1 Структурная схема супергетеродинного приемника
Радиосигнал из антенны подаётся на входную цепь (ВЦ), затем на вход
усилителя радиочастоты (УРЧ), а затем на вход смесителя (С) - специального
элемента с двумя входами и одним выходом, осуществляющего операцию
преобразования сигнала по частоте. На второй вход смесителя подаётся сигнал с
локального маломощного генератора высокой частоты - гетеродина (Г). Колебательный
контур гетеродина перестраивается одновременно с входным контуром смесителя -
обычно конденсатором переменной ёмкости (КПЕ). Таким образом, на выходе
смесителя образуются сигналы с частотой, равной сумме и разности частот
гетеродина и принимаемой радиостанции. Разностный сигнал постоянной
промежуточной частоты выделяется с помощью полосового фильтра и усиливается в
усилителе промежуточной частоты (УПЧ), после чего поступает на фильтр
сосредоточенной селекции (ФСС), а затем на демодулятор (Д), восстанавливающий
сигнал низкой (звуковой) частоты. Усилитель звуковой частоты (УЗЧ) усиливает
звуковой сигнал, который подается на акустическую систему (Гр).
Преимущества:
Высокая чувствительность. Супергетеродин позволяет получить большее
усиление по сравнению с приёмником прямого усиления за счёт дополнительного
усиления на промежуточной частоте, не приводящего к паразитной генерации:
положительная обратная связь не возникает из-за того, что в каскадах ВЧ и ПЧ
усиливаются разные частоты;
Высокая избирательность, обусловленная фильтрацией сигнала в канале ПЧ.
Фильтр ПЧ можно изготовить со значительно более высокими параметрами, так как
его не нужно перестраивать по частоте. Например, широко используют кварцевые,
пьезокерамические и электромеханические фильтры сосредоточенной селекции;
Возможность принимать сигналы с модуляцией любого вида, в том числе с
амплитудной манипуляцией (радиотелеграф) и однополосной модуляцией.
Недостатки:
Наиболее значительным недостатком является наличие так называемого
зеркального канала приёма - второй входной частоты, дающей такую же разность с
частотой гетеродина, что и рабочая частота. Сигнал, передаваемый на этой
частоте, может проходить через фильтры ПЧ вместе с рабочим сигналом. Помехи от
зеркального канала уменьшают двумя путями. Во-первых, применяют более сложные и
эффективные входные полосовые фильтры, состоящие из нескольких колебательных
контуров. Это усложняет и удорожает конструкцию, так как входной фильтр нужно
еще и перестраивать по частоте. Во-вторых, промежуточную частоту выбирают
достаточно высокой по сравнению с частотой приема, иногда даже выше последней
(так называемое "преобразование вверх"). В этом случае зеркальный
канал приема оказывается относительно далеко по частоте от основного, и входной
фильтр приемника может более эффективно его подавить. В этом случае ради
упрощения приемника иногда вообще отказываются от входного полосового фильтра,
заменяя его неперестраиваемым фильтром низких частот. В высококачественных
приемниках часто применяют метод двойного преобразования частоты, причем, если
первую ПЧ выбирают высокой по описанным выше соображениям, то вторую делают
низкой (сотни, иногда даже десятки килогерц), что позволяет более эффективно
подавлять помехи от близких по частоте станций, то есть повысить избирательность
приемника по соседнему каналу. Подобные приёмники, несмотря на достаточно
высокую сложность построения и наладки, широко применяются в профессиональной и
любительской радиосвязи.
В супергетеродине возможен паразитный прием станций, работающих на промежуточной
частоте. Его предотвращают экранированием отдельных узлов и приемника в целом.
2. Исходные данные
Исходные данные приведены в таблице 2.1.
Таблица 2.1
|
№ варианта
|
4
|
|
Тип приемника
|
УКВ
|
|
Частотный диапазон
|
120000-145000 кГц
|
|
Вид модуляции
|
ЧМ
|
|
Промежуточная частота
|
15500 кГц
|
|
Полоса частот на 1 канал
|
140 кГц
|
|
Количество каналов
|
1
|
|
Девиация частоты
|
+\- 30 кГц
|
|
Чувствительность
|
3 мкВ
|
|
Селективность по ЗК
|
80 дБ
|
|
Частотная характеристика
|
30-12000 Гц
|
|
Выходная мощность УЗЧ
|
3 Вт
|
|
Чувствительность УЗЧ
|
1 мВ
|
3. Расчет и моделирование элементов супергетеродинного приемника
.1 Входная цепь (ВЦ)
Входными цепями (ВЦ) радиоприемника называют цепи, связывающие
антенно-фидерную систему с первым усилительным или преобразовательным каскадом
приемника.
Основными назначениями ВЦ являются:
передача принятого сигнала от антенны к входу этих каскадов;
предварительная фильтрация внешних помех.
Обычно ВЦ представляют собой пассивный четырехполюсник, содержащий
колебательные контуры. Наибольшее распространение получили одноконтурные ВЦ.
Для повышения чувствительности и реальной селективности гетеродинного
приемника входная цепь должна обеспечивать близкий к единице коэффициент
передачи мощности в рабочем диапазоне частот и как можно большее ослабление
внедиапазонных сигналов. Все это - свойства идеального полосового фильтра,
поэтому и выполнять входную цепь надо в виде фильтра.
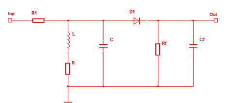
В качестве входной цепи я выбираю схему с емкостной связью (рисунок
3.1.1), т.к. она является наиболее простой и широко используемой, кроме того в
ней нет трансформаторов.
Рисунок 3.1.1 Входная цепь с емкостной связью
АЧХ такой схемы должна быть плоской в диапазоне частот 120-145 МГц. В
качестве перестраиваемого элемента в этой схеме выступает варикап. Однако
обеспечить плоскую характеристику плоской во всем диапазоне частот невозможно,
поэтому мне нужно ограничиться максимальным уровнем спада АЧХ. Т.к. в исходных
данных не указано это значение, поэтому я беру максимальный уровень спада
равным 3 дБ.
План выполнения работы по этапу:
Подобрать элементы ВЦ.
Определить АЧХ и ФЧХ входной цепи во всем диапазоне изменения емкости
переменного конденсатора С.
Определить Qэкв, Rэкв на основе снятых АЧХ.
Измерить коэффициент передачи по напряжению ВЦ в рабочем частотном
диапазоне и построить график зависимости К0 от f.
Исследовать процесс прохождения ЧМ-сигнала через ВЦ и измерить время
запаздывания в рабочем частотном диапазоне.
Подбор элементов ВЦ
Проведем ориентировочный расчет параметров контура. Я выбрал значение
индуктивности L= 1 мкГн, Ccon=1 пФ, R=50 Ом. Теперь я могу найти максимальное и
минимальное значение переменного конденсатора из соотношения:
F = 1/2π
Сmax = 1/4π2*(Fmin)2*L
=1/4/[(3,14)2*(120*106)2*1*10-6]= 1,53 фФ
Сmin = 1/4π2*(Fmax)2*L =1/4/[(3,14)2*(120*106)2*1*10-6]= 1 фФ
Т.к. Сcon вносит влияние на АЧХ входной цепи, я подобрал номиналы
элементов уже с учетом этого влияния. Сmax=1,73 фФ, Сmin=1,23 фФ.
Схема входной цепи с подобранными параметрами для исследования
представлена на Рисунке 3.1.2.
Рисунок 3.1.2 Схема входной цепи
Определение АЧХ и ФЧХ входной цепи во всем диапазоне изменения емкости
переменного конденсатора С с использование функции Parameter Sweep.
АЧХ и ФЧХ входной цепи показаны на рисунке 3.1.3, а значения емкости
переменного конденсатора отражены в таблице 3.1.1.
Рисунок 3.1.3. АЧХ и ФЧХ входной цепи.
радиоприемный супергетеродинный сигнал детектор
Таблица 3.1.1
Определение Qэкв, Rэкв на основе снятых АЧХ.
В качестве рабочей частоты я взял 135 МГц. На этой частоте я буду
определять параметры Qэкв, Rэкв.
Резонансная частота составляет 135 МГц. Полоса пропускания, на уровне
-3дБ, составляет 140 кГц. Тогда я могу рассчитать:
Измерение коэффициента передачи по напряжению ВЦ в рабочем частотном
диапазоне с построением графика зависимости К0 от частоты f.
Зависимость коэффициента передачи от частоты представлена в таблице
3.1.2, а графически отражена на рисунке 3.1.4.
Таблица 3.1.2
|
f, МГц
|
120
|
125
|
130
|
135
|
140
|
145
|
|
Ко
|
0,9
|
0,83
|
0,8
|
0,75
|
0,84
|
0,95
|
Рисунок 3.1.4 График зависимости коэффициента передачи от частоты
Исследование процесса прохождения сигналов с ЧМ через ВЦ с измерением
времени запаздывания
Используя программу Multisim, я посмотрю, какое время запаздывания
выходного сигнала по сравнению с входным наблюдается при изменении частоты. Я
возьму 3 значения частот: 120, 135 и 145 МГц.
Осциллограммы входных и выходных сигналов при различных значениях частот
представлены на рисунках 3.1.5-3.1.7.
Рисунок 3.1.5 Осциллограмма запаздывания выходного сигнала. (f=120 МГц)
Время запаздывания равно 7,3 нс.
Рисунок 3.1.6 Осциллограмма запаздывания выходного сигнала. (f=135 МГц)
Время запаздывания равно 7,2 нс.
Рисунок 3.1.7 Осциллограмма запаздывания выходного сигнала. (f=145 МГц)
Время запаздывания равно 6,8 нс.
По осциллограммам видно, что с увеличением частоты подаваемого сигнала,
время запаздывания уменьшается, следовательно, с точки зрения времени
запаздывания, лучше подавать более высокочастотный сигнал.
Выводы по разделу:
В ходе расчета и моделирования входной цепи мною были подобраны номиналы
входной цепи, были получены АЧХ и ФЧХ при различных значениях емкости
переменного конденсатора, а также измерено время запаздывания сигнала для
различных частот. Схема отвечает требованиям, предъявленным в задании: работает
в заданном диапазоне частот, обеспечивает нужную избирательность, сигналы проходят
без искажений.
.2 Анализ усилителя радиочастоты (УРЧ)
Усилителем радиочастоты (УРЧ) называется каскад, осуществляющий усиление
принимаемых сигналов на их собственных частотах, без изменения спектра.
Функции УРЧ:
Обеспечение усиления сигнала по мощности или по напряжению
Обеспечение эффективной частотной избирательности РПУ.
Обеспечение защиты цепи антенны от проникновения частоты гетеродина (в
случае проникновения частоты гетеродина в цепи антенны, РПУ начинает работать
как маломощный передатчик и будет создавать помехи близко расположенным РПУ).
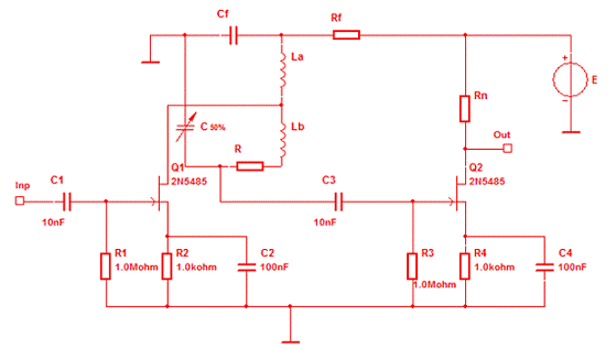
Схема УРЧ с автотрансформаторной связью на полевых транзисторах приведена
на рисунке 3.2.1.
Рисунок 3.2.1 Схема УРЧ с трансформаторной связью на полевых
транзисторах.
План выполнения работы по этапу:
Рассчитать параметры Cf, Rf
Подобрать параметры C, L1a, L1b, R, Rn с учетом варианта задания.
Определить оптимальную величину напряжения источника питания E.
Измерить АЧХ усилителя во всем диапазоне изменения емкости переменного
конденсатора С.
Проанализировать влияние температуры окружающей среды в диапазоне от -20
до +600 на АЧХ усилителя.
Произвести статистический анализ влияния производственных допусков
элементов на её АЧХ.
Произвести анализ устойчивости усилителя.
Расчет параметров элементов Cf, Rf.
Для схем УРЧ с автотрансформаторной связью должны выполняться следующие
соотношения:
,
где Сf в нФ, fmin в МГц, в Rf кОм. Rf обычно выбирают в пределах 0,2-3,0
кОм.
Я возьму Rf=2 кОм. Следовательно, теперь я могу рассчитать Cf:
В итоге я получил: Cf = 8,2 пФ, Rf=2 кОм
Подбор параметров элементов сопротивления и емкостей с учетом варианта
задания
В качестве значения переменной емкости С я взял 1.73 пФ. Это значение
соответствует резонансной частоте 120 МГц, поэтому мне нужно будет подобрать
элементы схемы так, чтобы максимум АЧХ находился на этой частоте.
Экспериментально подобранные параметры:a = 1,1 мкГн; L1b = 1,1 мкГн; R =
1 Ом; Rn = 5,6 кОм; С= 1,73пФ
На рисунке 3.2.2 приведена АЧХ усилителя при подобранных значениях
элементов.
Рисунок 3.2.2 АЧХ усилителя (при С=1,73 пФ)
Определение оптимальной величины напряжения источника питания Е с
применением функции Parameter Sweep
Результаты анализа приведены на рисунке 3.2.3.
Рисунок 3.2.3 АЧХ усилителя при различных значениях температуры
Проанализировав семейство графиков я увидел, что увеличивать напряжение Е
больше чем 10 В не имеет смысла, т.к. это не приводит к дальнейшему увеличению
максимума АЧХ. Поэтому я беру значение напряжения источника E равным 10 В.
Определение режимов элементов схемы по постоянному току с применением
функции DC Operating Point.
Результат анализа схемы с помощью функции DC Operation Point отражен в
таблице 3.2.1. В этой таблице отражены значения всех токов и напряжений
различных узлов схемы УРЧ.
Таблица 3.2.1
Измерение АЧХ усилителя во всем диапазоне изменения емкости переменного
конденсатора С с применением функции Parameter Sweep
В моем случае значение емкости будет изменяться от 1,23 до 1,73 пФ. При
этом должна меняться резонансная частота УРЧ в рабочем диапазоне 120 - 145 МГц.
Семейство АЧХ УРЧ при различных значениях емкости С приведено на рисунке
3.2.4.
Рисунок 3.2.4 АЧХ усилителя при различных значениях емкости С
Анализ влияния температуры окружающей среды в диапазоне от -20°до+60° на АЧХ усилителя с применением функции Temperature
Sweep
Мне нужно посмотреть, как будет влиять изменение температуры на АЧХ усилителя.
Семейство АЧХ для различных значений температур приведено на рисунке 3.2.5.
Рисунок 3.2.5 Семейство АЧХ усилителя при различных значениях
температуры.
Как видно из графика, температура практически не оказывает влияния на АЧХ
усилителя, поэтому все графики наложились друг на друга и их невозможно
различить. Это говорит о том, что изменение температуры не будет приводить к
нарушению работы схемы.
Статистический анализ влияния производственных допусков элементов
усилителя на его АЧХ с применением функций Worst Сase и Monte Carlo.
Мне нужно будет рассмотреть, как будут влиять производственные допуски
элементов на АЧХ усилителя. Рисунок 3.2.6 иллюстрирует, как будет изменяться
АЧХ при допуске на элементы в 1%. Это я делаю с помощью функции Worst Case.
Описание прохода отражено в таблице 3.2.2.
Рисунок 3.2.6 Анализ влияния допусков элементов на АЧХ усилителя с
помощью функции Worst Case.
Таблица 3.2.2
Проанализировав эти данные, можно сделать вывод, что допуск элементов в
1% допустим и не оказывает значительного влияния на АЧХ усилителя.
Анализ схемы при помощи функции Monte Carlo отображен на рисунке 3.2.7
описание прохода проведено в таблице 3.2.3.
Рисунок 3.2.7 Анализ влияния допусков элементов на АЧХ усилителя с
помощью функции Monte Carlo.
Проанализировав графики можно сделать вывод, что допуск элементов 3%
значительнее влияет на АЧХ усилителя и сильнее влияет на его резонансную
частоту. Поэтому допуск в 3% недопустим для данной схемы.
Таблица 3.2.3
Анализ устойчивости усилителя с применением функции Pole-Zero
Нули и полюса передаточной функции представлены в таблице 3.2.4. Из этой
таблицы видно, что нули и полюса имеют отрицательную вещественную часть,
следовательно, система является устойчивой.
Таблица 3.2.4
Перестройка частоты осуществляется конденсатором переменной емкости таким
же, что используется во входной цепи. Полученный УРЧ отвечает всем необходимым
требованиям, его характеристики не зависят от температуры в заданном диапазоне,
почти не зависят от напряжения питания, следовательно, требования к источнику
питания не строгие. Кроме того УРЧ был проверен на устойчивость, было оценено
влияние допусков элементов на АЧХ усилителя.
.3 Гетеродин
План выполнения работы по этапу
Выбрать схему гетеродина и привести его обоснование
Подобрать параметры элементов C и L учетом варианта задания
Определить режимы элементов схемы по постоянному току с применением
функции DC Operating Point
Определить передаточные характеристики гетеродина с применением функции
Transfer Function
Проанализировать влияние температуры окружающей среды в диапазоне от -20°до+60° на частоту и амплитуду колебаний гетеродина с
применением функции Temperature Sweep
Произвести Фурье-анализ выходного сигнала гетеродина с применением
функции Fourier Analysis.
Произвести расчет карты нулей и полюсов передаточной характеристики
гетеродина с применением функции Pole-Zero
Разрабатываемый гетеродин должен генерировать высокочастотные колебания в
диапазоне от 120 до 145 МГц. Я выбираю гетеродин УКВ диапазона (LC генератор с
емкостной связью - схему Колпитца), так как приемник должен работать в
УКВ-диапазоне.
Генераторы LC имеют сравнительно высокую стабильность частоты колебаний,
устойчиво работают при значительных изменениях параметров транзисторов,
обеспечивают получение колебаний, имеющих малый коэффициент гармоник. В
генераторах LC-типа форма выходного напряжения весьма близка к гармонической.
Это обусловлено достаточно хорошими фильтрующими свойствами колебательного
контура. Схема для исследования представлена на рисунке 3.3.1.
Рисунок 3.3.1 Схема исследования гетеродина.
Я буду использовать нижнюю настройку гетеродина.
Выбранный гетеродин должен генерировать колебания в диапазоне от 105 МГц
до 130 МГц.
Подбор параметров элементов C и L учетом варианта задания
В этом пункте мне нужно подобрать элементы C и L так, чтобы гетеродин
генерировал колебания в нужном мне диапазоне. Значения параметров элементов
получились такими:= 1-100 пФ= 200-330 нГн
Определение режимов элементов схемы по постоянному току с применением
функции DC Operating Point
В этом пункте я нахожу значения токов и напряжений в постоянном режиме.
Результаты моделирования приведены в таблице 3.3.1.
Таблица 3.3.1
Определение передаточных характеристик гетеродина с применением функции
Transfer Function.
Передаточные характеристики гетеродина приведены в таблице 3.3.2.
Таблица 3.3.2
Анализ влияния температуры окружающей среды в диапазоне от -20°до+60° на частоту и амплитуду колебаний гетеродина с
применением функции Temperature Sweep.
В этом пункте я буду смотреть влияние температуры окружающей среды на
работу гетеродина.
На рисунке 3.3.2 приведено семейство характеристик гетеродина для
различных температур.
Рисунок 3.3.2 Характеристики гетеродина в зависимости от температуры.
Графики наглядно иллюстрируют, что с увеличением температуры
работоспособность гетеродина нарушается. Поэтому если нужно будет
эксплуатировать приемник в экстремальных условиях (t > 400), мне нужно будет
использовать термостабилизацию гетеродина.
Фурье-анализ выходного сигнала гетеродина с применением функции Fourier
Analysis
В этом пункте мне нужно посмотреть спектр выходного сигнала гетеродина
при различных значениях параметров емкости С и индуктивности L. Спектры
приведены на рисунках 3.3.3 и 3.3.4, а численные значения гармоник приведены в
таблицах 3.3.3 и 3.3.4.
Рисунок 3.3.3 Спектр сигнала гетеродина при С= 1 пФ и L= 200 нГн
Таблица 3.3.3
Рисунок 3.3.4 Спектр сигнала гетеродина при С= 100 пФ и L= 330 нГн
Таблица 3.3.4
Расчет карты нулей и полюсов передаточной характеристики гетеродина с
применением функции Pole-Zero
В этом пункте мне нужно проанализировать нули и полюса передаточной
функции. Результаты отражены в таблице 3.3.5.
Таблица 3.3.5
В ходе расчета и моделирования мною были получены параметры гетеродина.
Гетеродин отвечает требованиям задания.
Перестройка частоты гетеродина осуществляется переменной емкостью и
индуктивностью.
Диапазон частот гетеродина был подобран так, чтобы получить промежуточную
частоту 15 кГц для всего диапазона принимаемых частот.
.4 Смеситель
В смесителе происходит преобразование колебаний высокой частоты
принимаемых сигналов в колебания более низкой (промежуточной) частоты, которая
для любой частоты принимаемого сигнала остается неизменной. Преобразование
частоты осуществляется с помощью нелинейных элементов (полупроводниковых диодов
и транзисторов, электронных ламп) или элементов с изменяющимися параметрами
(полевых транзисторов с двумя затворами, электронных ламп с двумя управляющими
сетками).
План выполнения работы по этапу:
Выбор схемы смесителя и его обоснование
Расчет параметров элементов контура L, C, R для схемы c учетом варианта
задания
Определение АЧХ смесителя с применением функции AC Analysis
Определение оптимальной величины напряжения источника питания Е с
применением функции Parameter Sweep
Определение режимов элементов схемы по постоянному току с применением
функции DC Operating Point
Расчет передаточных характеристик смесителя с применением функции
Transfer Function
Измерение спектра сигналов а на входе и выходе смесителя с применением
анализатора спектра
Анализ спектра внутренних шумов с применением функции Noise Analysis
Анализ интермодуляционных искажений с применением функции Distortion
Analysis
Анализ устойчивости смесителя с применением функции Pole-Zero
Выбор схемы смесителя и его обоснование
Я выбрал смеситель на биполярном транзисторе. Это связано с тем, что
смесители на биполярных транзисторах компактные и дешевые в производстве.
Типичные серийно выпускаемые смесители имеют максимальную рабочую частоту от
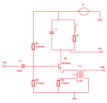
100 МГц до 2,5 ГГц. Схема для исследования приведена на рисунке 3.4.1.
Рисунок 3.4.1 Смеситель с подключением гетеродина в цепь эмиттера
Расчет параметров элементов контура L, C, R для схемы c учетом варианта
задания
Выходной контур смесителя должен быть по заданию настроен на
промежуточную частоту приемника fп=15500 кГц.
Рассчитаем параметры контура, зададим номинал L=1 нГн, для наибольшей
добротности контура выберем R=1 Ом, тогда
С=1/[(2πfп)2 L]=1/[(2*3,14*15500*103)2*1*10-9] = 10,55*10-8Ф = 106 нФ
Выберем ближайшее значение из стандартного ряда номиналов С =106 нФ.
Определение АЧХ смесителя с применением функции AC Analysis
АЧХ смесителя представлена на рисунке 3.4.2.
Рисунок 3.4.2 АЧХ смесителя
На графике видно, что резонансная частота составляет 15500 кГц, что и
требуется в моем задании.
Определение оптимальной величины напряжения источника питания Е с
применением функции Parameter Sweep
В этом пункте мне нужно будет определить оптимальную величину источника
питания Е.
Рисунок 3.4.3 Семейство характеристик АЧХ смесителя при различных
напряжениях источника питания.
Из рисунка 3.4.3 видно, что величина напряжения источника питания не
оказывает влияния на АЧХ смесителя. Однако этот источник нужен для питания всей
цепи смесителя, поэтому я беру стандартное напряжение источника питания 12 В.
Определение режимов элементов схемы по постоянному току с применением
функции DC Operating Point
Список оптимальных значений токов и напряжений приведен в таблице 3.4.1.
Таблица 3.4.1
Расчет передаточных характеристик смесителя с применением функции
Transfer Function
Передаточные характеристики смесителя, определенные с помощью функции
Transfer Function, показаны в таблице 3.4.2.
Таблица 3.4.2
Измерение спектра сигналов на входе и выходе смесителя с применением
анализатора спектра
В данном пункте я буду измерять спектр на входах и на выходе смесителя.
Спектры входных сигналов представлены на рисунках 3.4.4 - 3.4.5 Спектр
выходного сигнала представлен на рисунке 3.4.6.
Рисунок 3.4.4 Спектр сигнала на входе 1 (принимаемый сигнал) смесителя
Рисунок 3.4.5 Спектр сигнала на входе 2 (с гетеродина) смесителя
Рисунок 3.4.6 Спектр сигнала на выходе смесителя
Таким образом, при подаче на вход двух высокочастотных колебаний с
разницей частот равной промежуточной частоте, я получил на выходе смесителя
колебание промежуточной частоты, которая установлена заданием.
Анализ спектра внутренних шумов с применением функции Noise Analysis
Результат анализа внутренних шумов представлен на рисунке 3.4.7.
Рисунок 3.4.7 Анализ внутренних шумов
Внутренние шумы присутствуют в смесителе, как и в любом радиотехническом
устройстве. Шумы имеют незначительную величину, и никак не повлияют на наш
сигнал.
Анализ интермодуляционных искажений с применением функции Distortion
Analysis
В данном пункте я проведу анализ интермодуляционных искажений. Результат
представлен на рисунке 3.4.8.
Рисунок 3.4.8 Интермодуляционные искажения
Анализ устойчивости смесителя с применением функции Pole-Zero
Результат анализа представлен в таблице 3.4.3.
Таблица 3.4.3
Результаты анализа показывает, что схема обладает необходимой
устойчивостью, так как все вещественные части полюсов имеют отрицательные
значения, а комплексные корни попарно сопряжены.
В этом разделе мною был разработан смеситель. Разработанный смеситель
обладает всеми необходимыми параметрами для стабильной работы: устойчивостью,
стабильностью работы.
.5 Фильтр сосредоточенной селекции
План выполнения работы по этапу:
Выбор схемы фильтра сосредоточенной селекции и его обоснование
Расчет и подбор параметров элементов фильтра сосредоточенной селекции c
учетом варианта задания
Измерение частотных характеристик фильтра сосредоточенной селекции
Статистический анализ влияния производственных допусков элементов фильтра
сосредоточенной селекции на его АЧХ с применением функции Monte Carlo
Выбор схемы фильтра сосредоточенной селекции и его обоснование
С помощью фильтра сосредоточенной селекции выделяется разностный сигнал
постоянной промежуточной частоты.
Я выбрал фильтр для УКВ диапазона, т.к. я работаю именно в этом
диапазоне.
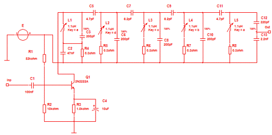
Схема для исследования представлена на рисунке 3.5.1.
Рисунок 3.5.1 Схема для исследования фильтра сосредоточенной селекции
Расчет и подбор параметров элементов фильтра сосредоточенной селекции c
учетом варианта задания
Одной из важнейших характеристик данных устройств является коэффициент
связи К=
, где К1, К2 коэффициенты связи для
первого и второго контуров.
К1=Co/(C2+Co);
К2=Co/(C1+Co);
Для упрощения расчетов я возьму удобные мне значения элементов, я делаю
это для того, чтобы коэффициент связи был постоянен.
С3=С5=С7=С9=1 пФ
С2=С4=С6=С8=2 пФ=R2=R3=R4=R5=0,3 Ом
Используя эти упрощения, можно посчитать К1=K2=…=Kn
Коэффициент связи служит для количественной оценки взаимного влияния
контуров и в практических конструкциях составляет величину менее 1.
Измерение частотных характеристик фильтра сосредоточенной селекции
В этом пункте мне нужно измерить частотную характеристику фильтра.
Максимум АЧХ должен находиться на промежуточной частоте 15500кГц. Результат
анализа представлен на рисунке 3.5.2.
Рисунок 3.5.2 АЧХ фильтра сосредоточенной селекции
Статистический анализ влияния производственных допусков элементов ФСС на
его АЧХ с применением функции Monte Carlo
В этом пункте мне нужно посмотреть, как будет изменяться АЧХ с
увеличением допуска элементов. Результаты приведены на рисунке 3.5.3 и в
таблице 3.5.1 Из этих данных можно сделать вывод, что допуск в 5% сильно будет
ухудшать избирательность фильтра, поэтому мне нужно использовать элементы с
меньшими допусками.
Рисунок 3.5.3 Результат анализа Монте-Карло
Таблица 3.5.1
Разработанный ФСС обладает всеми необходимыми параметрами для стабильной
работы: устойчивостью, стабильностью работы.
Максимум его АЧХ находится на нужной мне частоте.
3.6 Усилитель промежуточной частоты
Выбор схемы усилителя промежуточной частоты и его обоснование
Измерение АЧХ усилителя с применением функции AC Analysis
Определение оптимальной величины напряжения источника питания Е с
применением функции Parameter Sweep
Определение режимов элементов схемы по постоянному току с применением
функции DC Operating Point
Анализ влияния температуры окружающей среды в диапазоне от -20° до +60° на АЧХ усилителя с применением функции Temperature
Sweep
Статистический анализ влияния производственных допусков элементов
усилителя на его АЧХ с применением функции Monte Carlo
Анализ устойчивости усилителя с применением функции Pole-Zero
Выбор схемы усилителя промежуточной частоты и его обоснование
УПЧ в отличие от УРЧ имеют фиксированную настройку и усиливают сигналы,
поступающие от преобразователя частоты до уровня, необходимого для нормальной
работы детектора. Именно этими устройствами в основном определяется частотная
избирательность приемника.
Тракт усилителей ПЧ строится с использованием каскадов с одиночными
настроенными в резонанс контурами, с двухконтурными полосовыми фильтрами или с
фильтрами сосредоточенной селекции.
Я выберу УПЧ для УКВ диапазона, т.к. именно в этом диапазоне я и работаю.
Схема для исследования представлена на рисунке 3.6.1.
Рисунок 3.6.1 Схема усилителя промежуточной частоты
Измерение АЧХ усилителя с применением функции AC Analysis
Экспериментально я подобрал такие параметры элементов, чтобы АЧХ УПЧ был
настроен на промежуточную частоту. Результаты измерения АЧХ представлены на
рисунке 3.6.2.
Рисунок 3.6.2 АЧХ усилителя промежуточной частоты
Определение оптимальной величины напряжения источника питания Е с
применением функции Parameter Sweep
В данном пункте я определю оптимальное значение величины источника
напряжения питания Е. Результаты моделирования представлены на рисунке 3.6.3 и
в таблице 3.6.1.
Рисунок 3.6.3 Зависимость АЧХ от напряжения источника питания Е
Таблица 3.6.1
Из анализа этих данных видно, что наилучшая форма АЧХ достигается при
напряжении источника питания Е=20 В. Именно это значении я возьму для своей
схемы.
Определение режимов элементов схемы по постоянному току с применением
функции DC Operating Point
Результаты анализа схемы по постоянному току представлены в таблице
3.6.2.
Таблица 3.6.2
Анализ влияния температуры окружающей среды в диапазоне от -20°до+60° на АЧХ усилителя с применением функции Temperature
Sweep
В этом пункте мне нужно будет проанализировать влияние температуры
окружающей среды на АЧХ усилителя. Результаты представлены на рисунке 3.6.4 и в
таблице 3.6.3.
Рисунок 3.6.4 Зависимость АЧХ усилителя от температуры
Таблица 3.6.3
Как видно из графика наилучшая стабильность достигается при температуре
-200.
Однако характеристики усилителя вполне стабильны вплоть до температуры
+300.
Это говорит о том, что его можно эксплуатировать в нормальных условиях.
Статистический анализ влияния производственных допусков элементов
усилителя на его АЧХ с применением функции Monte Carlo
В данном пункте я проведу статистический анализ влияния производственных
погрешностей на АЧХ УПЧ.
Я установил величину допустимых погрешностей для всех элементов 5%.
Результаты анализа представлены на рисунке 3.6.5 и в таблице 3.6.4.
Рисунок 3.6.5 Анализ Монте-Карло усилителя промежуточной частоты
Таблица 3.6.4
Как видно из графиков, допуск в 5% недопустим, т.к. это приводит к
нарушению стабильности усилителя. Следовательно, мне нужно будет использовать элементы
с меньшими допусками.
Анализ устойчивости усилителя с применением функции Pole-Zero
В этом пункте мне нужно будет посмотреть нули полюса передаточной функции
усилителя. Результаты представлены в таблице 3.6.5.
Таблица 3.6.5
Как видно из таблицы, все полюса имеют отрицательную вещественную часть,
следовательно, система является устойчивой.
Спроектированный усилитель промежуточной частоты УКВ диапазона отвечает
требованиям по устойчивости и по зависимости от стабильности напряжения
питания, но имеет отклонения по зависимости от климатических условий и по
зависимости от производственных допусков элементов.
3.7 Детектор
План выполнения работы по этапу:
Выбор схемы детектора и его обоснование
Расчет и подбор элементов детектора c учетом варианта задания
Измерение частотных характеристик детектора
Анализ нелинейных искажений с применением функции Distortion Analysis
Анализ спектра внутренних шумов с применением функции Noise Analysis
Статистический анализ влияния производственных допусков элементов
детектора на АЧХ с применением функции Monte Carlo
Измерение коэффициента фильтрации
Выбор схемы детектора и его обоснование
Детектор - каскад радиоприемника, в котором осуществляется преобразование
(детектирование) входных модулированных колебаний в колебания модулирующего
сигнала. В зависимости от вида модуляции в приемнике осуществляется
амплитудное, частотное или фазовое детектирование.
Детекторы широко используются в приемниках различного назначения, в
средствах автоматической регулировки усиления и автоматической подстройки
частоты гетеродинов и других электронных устройствах. Для детектирования
применяются транзисторы (биполярные, полевые) и полупроводниковые диоды.
Электрические свойства детектора оцениваются следующими качественными
показателями:
формой детекторной характеристики;
коэффициентами передачи напряжения, гармоник, частотных искажений и
фильтрации;
входным сопротивлением.
Мне необходим частотный детектор. Для реализации частотного детектора я
выбираю схему с одиночным расстроенным контуром, так как эта схема наиболее
проста и не требует использования трансформаторов (что значительно уменьшит
габариты и стоимость всего приемника). Схема для исследования представлена на
рисунке 3.7.1.

Расчет и подбор элементов детектора c учетом варианта задания
Частотный детектор должен быть так, что моя несущая частота 15,5 МГц,
была на линейном участке АЧХ. Экспериментально я подобрал номиналы элементов
схемы.= 6 мкГн= 15 пФ
Сf = 5 пФ=R2= 10 кОм
Измерение частотных характеристик детектора
Частотные характеристики частотного детектора представлены на рисунках
3.7.2 и 3.7.3.
Рисунок 3.7.2 АЧХ детектора
Рисунок 3.7.3 ФЧХ детектора
Как видно из рисунков, линейная часть характеристики детектора лежит в
области 15,5 МГц. Такая характеристика позволит детектировать сигнал без
искажений.
Анализ нелинейных искажений с применением функции Distortion Analysis
В этом пункте я должен посмотреть, присутствуют ли нелинейные искажения в
детекторе. Результаты представлены на рисунке 3.7.4.
Рисунок 3.7.4 Анализ нелинейных искажений
Как видно из рисунка, нелинейные искажения отсутствуют.
Анализ спектра внутренних шумов с применением функции Noise Analysis
Результаты приведены в таблице 3.7.1 Внутренние шумы незначительны и не
повлияют на работу устройства.
Таблица 3.7.1
Статистический анализ влияния производственных допусков элементов
детектора на АЧХ с применением функции Monte Carlo
В этом пункте я проведу анализ влияния производственных допусков на АЧХ
детектора. Я взял допуски в 5%. Результаты представлены на рисунках 3.7.5,
3.7.6 и таблице 3.7.2.
Рисунок 3.7.5 Влияние допусков на АЧХ
Рисунок 3.7.6 Влияние допусков на ФЧХ
Таблица 3.7.2
Измерение коэффициента фильтрации
В этом разделе я проведу измерение коэффициента фильтрации.
Коэффициент фильтрации - это отношение напряжения высокой частоты на
выходе к напряжению той же частоты на входе.
Значение Кф должно быть минимальным. Достаточным считается Кф £ 0,01
Результат моделирования приведен на рисунке 3.7.7.
Рисунок 3.7.7 Входной и выходной сигнал детектора
Таким образом, данная схема отвечает заданным параметрам.
В данном разделе мною был разработан детектор. Разработанный детектор
обладает всеми необходимыми параметрами для стабильной работы: устойчивостью,
стабильностью работы. Кроме того данная схема обеспечивает очень низкий
коэффициент фильтрации.
Заключение
В результате проведённых расчётов и моделирования радиоприёмного
устройства супергетеродинного типа был разработан приёмник сигнала УКВ
диапазона частот 120 - 145 МГц.
Использован необходимый вид модуляции и частотный диапазон.
В данной курсовой работе приведены смоделированные элементы
радиоприёмного устройства: их схемы, расчёт параметров, проанализирована
устойчивость работы в разных температурных условиях. В схеме предусмотрена
подстройка частоты, с помощью изменяемых ёмкостей.
Выбор элементов устройства объясняется такими принципами, как:
простота реализации элемента, его габариты, стоимость;
широким спектром применения рассматриваемого элемента;
удовлетворение необходимым параметрам и характеристикам, заданным в
соответствующем варианте задания.
Практически каждый из моделированных элементов удовлетворяет всем
необходимым требованиям по пропускной способности, сохранения своих параметров
в пределах изменения температуры, использовать необходимый вид модуляции и
частотный диапазон.
Кроме того, были получены навыки использования программы Multisim,
которая позволяет производить моделирование схем, проводить нужные расчеты.
Список используемой литературы
1. Н.Н.
Буга Радиоприемные устройства. Радио и связь, 2014
. Румянцев
К.Е. Приём и обработка сигналов. - М.: Академия, 2009
. Карлащук
В.И. Электронная лаборатория на IBM PC. Программа Electronics Workbench и её
применение. - М.: Солон-Р, 2012.
. Конспект
лекций по курсу "Теория электрической связи", 6 семестр.
. Internet.
. Теоретические
материалы по курсовой работе.