|
<1
Рис. 2.2 - Структурна схема мультиплексора
де - SETS (SDH Equipment Timing) - інтерфейс для зовнішніх та
внутрішнього джерел синхронізації SDH обладнання. Реалізує функцію вибору між
джерелами синхронізації з різними пріоритетами і автоматичне перемикання між
ними, а також функцію повідомлень про статус синхронізації SSM, що підвищує
надійність роботи.- модуль мережевої системи управління;
SOT (Segment Overhead Terminal) - модуль термінальної обробки
секційних змістів.
Мультиплексор SDH STM-4 - призначений для побудови оптичних
мереж доступу. Мультиплексор може працювати по двох одномодових оптичних
волокнах. STM-4 може працювати, як незалежно, так і сумісно з STM-1, як
мультиплексор введення/виводу ADM або як термінальний мультиплексор ТМ, щоб
утворювати лінійні, кільцеві або багатокільцеві ланцюги. STM-4 також може
працювати як крос-комутатор.
Інтерфейси мультиплексора Транспорт-s4:
• 4 оптичних інтерфейса 155Мбіт/c - A,В,С,D, які
можуть працювати незалежно або в режимі 1 + 1;
• 2 оптичних інтерфейса 622 Мбіт/с - E і F, які можуть
працювати в режимі 1 + 1.
Відповідає стандартам G.811, G.812 і G.813, тобто може мати
декілька джерел синхронізації і здійснювати автоматичне перемикання між ними.
.2.2 Вибір типу та коротка характеристика оптичного кабелю
В зв’язку з тим, що згідно до завдання необхідно забезпечити
на трасі кабельної магістралі 150 ПЦП, для цього треба передбачити оптичний
кабель з одномодовими оптичними волокнами та ВОСП що буде працювати в одно
канальному режимі. Згідно до розділу 1.2 для даної траси в якості такого кабелю
передбачено кабель типу ОКЛБг-3- ДА12- 2х4Е-0,40 Ф3,5/0,30 Н19 - 8/0 для
прокладки в ґрунті та через неглибокі водні перешкоди.
З одного боку, на вибір кабелю впливають параметри ВОСП
(ширина смуги і швидкість передачі, довжина хвилі оптичного випромінювача,
енергетичний потенціал, допустима дисперсія, спотворення), з другого боку,
оптичний кабель повинен задовольняти і технічним вимогам:
- можливість прокладки в таких же
умовах, в яких прокладаються і електричні кабелі;
- максимальне використання існуючої
техніки;
- стійкість до зовнішніх впливів тощо.
- Характеристика кабелю ОКЛБг наведена
в таблиці 2.8.
Таблиця 2.4 - Технічні характеристики кабелю типу ОКЛБг
|
Експлуатаційні характеристики кабелю
|
|
Температурний режим
|
-10 0С……+50 0С
|
|
Радіус вигину
|
≥ 30 Дк
|
|
Ростягуюче зусилля
|
≥ 3,5 кН
|
|
Електричний опір ізоляції оболонки
|
≥ 2000 МОм ∙ км
|
|
Категорія блискавкостійкості, для кабелів з
діелектричним ЦСЕ
|
> 105 кА
|
|
Будівельна довжина, км
|
Від 2 і більше , але не більше 6 км
|
|
Конструктивні характеристики
|
|
Оптичні волокна, по ITU-T рекомендації G652; G653;
G654; G655
|
Від 2 до 96
|
|
Центральний силовий елемент (ЦСЕ)
|
Склопластик або стальний трос в поліетиленової
оболонці
|
|
Оболонка, захисний шланг
|
Поліетилен, ПВХ, негорючі або спеціальні компаунди,
металопластмаса
|
|
Броньове покриття
|
Гофрована ламінована стальна стрічка
|
|
Розрахункова маса (без жил ДЖ)
|
232 кг/км
|
Рисунок 2.3 - Ескіз поперечного перерізу кабелю ОКЛБг-3- ДА12- 2х4Е-0,40
Ф3,5/0,30 Н19 - 8/0
де: 1 - оптичне волокно,
- трубка оптичного модулю,
- ГЗ оптичного модуля,
- центральний силовий елемент,
- заповнюючий елемент,
- ГЗ сердечника,
- проміжна оболонка,
- гофрована броня,
- ГЗ броні,
- захисний шланг
2.3 Розрахунок параметрів кабельної магістралі
Параметри оптичних волокон
Згідно [1] і [2] основними параметрами оптичного кабелю
вважаються: геометричні розміри серцевини 2а й оболонки 2b: числова апертура NA
і коефіцієнт загасання α, додатковими параметрами являються:
відносна різниця показників переломлення ∆, нормована частота V, число
мод що поширюється М, критична частота f кр.
.3.1 Розрахунок оптичних параметрів волокна
Для вибраної конструкції ОК необхідно вибрати матеріали для
оболонки і сердечника оптичного волокна (ОВ) і визначити показник заломлення
(ПЗ) по формулі Селмейєра [6]:
, (2.1)
де n - показник переломлення;
, - коефіцієнти ряду Селмейера для кварцового скла;
λ - довжина хвилі.
Для виготовлення сердечника виберемо кварцове скло з легуючою
добавкою (домішком) окису германії з [6]
Рецептура скла сердечника наступна:    .
Для цієї рецептури коефіцієнти ряду Селмейєра будуть
дорівнювати:
.
Розрахуємо показник заломлення для сердечника по формулі (2.1) на довжині хвилі мкм:

Для виготовлення оболонки виберемо кварцове скло з легуючою
добавкою (домішком) окису бору з [6]
Рецептура скла оболонки наступна:   .
Для цієї рецептури коефіцієнти ряду Селмейера будуть
дорівнювати:
.
Розрахуємо показник заломлення для оболонки по формулі (2.1) на довжині хвилі мкм:

У результаті одержуємо:
сердечник з діаметром мкм і показником заломлення .
оболонку діаметром мкм і показником заломлення .
Розрахуємо значення відносної різниці
показників заломлення [1] Δ по формулі 2.2.
, (2.2)
тоді,
∆ =
Від значення NА залежить ефективність
вводу випромінювання джерела в оптичному волокні, величини втрат на
мікровигинах, дисперсії і імпульсів.
Числова апертура визначає максимальний тілесний кут входження
променів у серцевину волокна, який дорівнює 2QKp.
Розрахуємо числову апертуру [1]:
, (2.3)
NA=
Для визначення числа мод, які розповсюджуються в ОВ,
визначимо нормовану частоту за формулою [1]:
, (2.4)
де: λ - довжина хвилі, мкм. λ
=1,55 мкм
а=7 мкм - діаметр серцевини ОВ.
Тоді,
Цей параметр визначає режим роботи ОВ. Якщо при ступеневому
ППЗ виконується умова, що 0< ν <2,405, то режим роботи одномодовий,
якщо ν > 2,405 - багатомодовий. Таким чином, режим
роботи одномодовий.
Розрахуємо критичну частоту, при якій розповсюджується лише
один тип хвиль [2]:
, (2.5)
де Рпм, - корінь функції Бесселя,
дорівнює - 2,405.
Отримаємо,
Гц.
Знайдемо також довжину хвилі відсічки по виразу [2]:
.(2.6)
λ0
= мкм.
2.3.2 Розрахунок параметрів передавання волокна
Визначимо загасання сигналу ОВ. Втрати сигналу в ОВ
обумовлені власними втратами і додатковими, виникаючими в результаті
виробництва оптичного волокна, зборки оптичного кабелю, і прокладки ОК.
, (2.7)
де: - сумарні власні втрати в ОВ, дБ/км;
- додаткові втрати в ОВ, дБ/км.
Сумарні власні втрати в ОВ визначаються, в основному виді
[1]:
, (2.8)
де втрати на релеєвське розсіювання, дБ/км.
Релеєвські втрати можуть бути визначенні для ООВ по формулі:
(2.9)
Втрати в матеріалі (дБ/км) зв’язані з втратами на
поляризацію можуть бути визначені за виразом [1]:
. (2.10)
Втрати сигналів, зв’язані з поглинанням в інфрачервоній
області спектру (дБ/км), обумовлені хвостами резонансних поглинань іонів
(атомів). Вони визначаються за виразом [4]:
. (2.11)
Втрати в ОВ виявляються також і на гідроксильному залишку
води ОН, значення яких рівні [1]:
Таким чином, втрати на релеєвське розсіювання дорівнюють
(2.9):
дБ/км.
Втрати в матеріалі за (2.10) дорівнюють:
дБ/км.
Втрати сигналів, зв’язані з поглинанням в інфрачервоній
області за (2.11):
дБ/км.
Втрати на гідроксильному залишку води ОН складають:
дБ/км.
Отже, за формулою (2.8), отримаємо:
дБ/км.
Додаткові втрати, зв’язані с конструктивними особливостями
оптичного кабелю, а також з їхньою прокладкою. Експериментально встановлено, що
додаткові втрати приблизно складають 40 % від власних втрат і розраховуються за
формулою [1]:
, (2.12)
дБ/км.
Загальні втрати розраховуються за формулою (2.7):
дБ/км.
Виконані вище розрахунки показали, що для обраного нами
оптичного волокна сумарні втрати на довжині хвилі 1,55 мкм складуть 0,293
дБ/км, що задовольняє рекомендації G.652 ITU-T, по якій загальні витрати
дорівнюють 0,3 дБ/км.
Поряд з загасанням α найважливішим параметром
волоконно-оптичних систем передачі є смуга частот модуляції оптичної несучої ∆F,
що пропускається оптичним волокном. Вона визначає обсяг інформації, яку можна
пропустити по оптичному кабелю.
Дисперсія виникає по двом причинам: некогерентності джерела
випромінювання й існування великого числа мод (типів коливання) у
випромінюванні. Дисперсія викликана першою причиною, називається хроматичною
(частотною) вона поділяється на два види - матеріальну та хвилеводну (внутрішньомодову). Матеріальна
дисперсія зумовлена залежністю показника заломлення оптичного волокна від
довжини хвилі.
Дисперсія, викликана другою причиною, називається модовою
(міжмодовою). Вона обумовлена наявністю в випромінюванні великого числа мод,
кожна з яких поширюється зі своєю швидкістю. При одномодовому режимі роботи
модова дисперсія дорівнює нулю. Чим менше значення дисперсії, тим більший потік
інформації можна передати по волокну. В ООВ результуюча дисперсія σ
визначається за
формулою:
, (2.13)
де: - матеріальна дисперсія;
- хвилеводна дисперсія.
Вираз (2.13) для визначення можна представити у вигляді:
, (2.14)
де , - питомі матеріальна і хвилеводна дисперсії оптичного
волокна, відповідно;
- середньоквадратична ширина спектральної лінії джерела
випромінювання.
Згідно з паспортними даними використовуваної апаратури ширина
спектральної лінії нм. Розрахуємо питому хвилеводну дисперсію за
формулою [1]:
, (2.15)
де: - радіус серцевини ОВ, мкм;
- показник заломлення серцевини ОВ.
Тоді отримаємо:
= пс/(км·нм).
Розрахуємо питому дисперсію матеріалу ОВ по методу кінцевих
різниць[1]:
, (2.16)
де: - перша похідна показника заломлення.
Розрахуємо першу похідну показника заломлення за формулою:
, (2.17)
отримаємо:
.
Тепер розрахуємо загальну питому хроматичну дисперсію за
формулою (2.14):
пс/(км·нм).
Виконані вище розрахунки показали, що для обраного нами оптичного
волокна хроматична дисперсія на довжині хвилі 1,55 мкм складає 3,86 пс/(км·нм),
що задовольняє рекомендації G.652.
Максимальна довжина дільниці регенерації по загасанню
визначається за формулою [7]:
. (2.19)
Мінімальна довжина дільниці регенерації по загасанню з АРУ
визначається за формулою [7]:
(2.20)
де: - діапазон АРУ приймальної частини апаратури (ПРОМ);
- запас системи за потужністю;
- втрати потужності у роз¢ємному з¢єднанні джерела
випромінювання в волокно;
- втрати в роз¢ємному з'єднанні волокна з приймачем;
- загасання оптичного кабелю типа ОКЛБг на довжині хвилі мкм;
- будівельна довжина кабелю;
- втрати в місцях зварювання волокон між собою.
Максимальна довжина дільниці регенерації по загасанню
визначається за формулою (2.20):
км.
Мінімальна довжина ділянки регенерації по загасанню
визначається за формулою (2.21):
км.
.3.3 Розрахунок довжини регенераційної ділянки по дисперсії
Довжина регенераційної ділянки обмежена дисперсією сигналів в ОВ,
не повинна перевищувати [3]:
, (2.21)
де: - лінійна швидкість передачі апаратури, бiт/с;
- хроматична дисперсія, яка може бути розрахована за
формулою[5]:
, (2.22)
де: - ширина спектральної лінії джерела випромінювання, нм.
- питома хроматична дисперсія, пс/нм·км.
Отже,
пс/км.
Розрахуємо довжину регенераційної ділянки обмежену дисперсією сигналів в ОВ за
формулою (2.21):
км.
Так як довжина регенераційної ділянки по загасанню менша ніж
по дисперсії, то вибрана максимальна довжина регенераційної ділянки буде
дорівнювати 94,1 км.
2.4 Розміщення регенераційних пунктів
Так як довжина проектуємої лінії передавання складає 918 км,
а максимально допустима довжина секції синхронного транспортного модуля
четвертого рівня ієрархії (STM-4) при номінальній довжині хвилі джерела
випромінювання (1550 нм) - порядку 94,1 км є необхідність використання
регенераторів в лінійному тракті.
Довжина регенераційної ділянки
волоконно-оптичної лінії зв'язку визначається передаточними характеристиками
кабелю: його коефіцієнтом загасання та дисперсією [1].
Загасання кабелю призводить до
зменшення потужності, яка передається, що, відповідно, лімітує довжину
регенераційної ділянки.
Дисперсія кабелю призводить до
поширення імпульсів, які передаються, і чим довша лінія, тим більше вносимо
похибки імпульсів, що в свою чергу, також накладає обмеження пропускної
можливості кабелю.
Довжина регенераційної ділянки
обирається по найменшому значенню Lp1 або Lp2 (довжина регенераційної ділянки
по загасанню та по дисперсії, відповідно).
Згідно з розрахунками, які наведено в
попередніх пунктах, (розрахунок довжини регенераційної ділянки по загасанню та
розрахунок довжини регенераційної ділянки по дисперсії), було зроблено
висновок, що довжина регенераційної ділянки обмежується загасанням (Lp1 <
Lp2).
З огляду на максимальне і мінімальне
значення довжини регенераційної ділянки, і беручи до уваги проходження траси
кабелю, було вирішено встановлювати регенератори в населених пунктах відстань
між якими не перевищує максимальних та мінімальних допустимих значень
розрахованої довжини регенераційної ділянки.
Так як вибір місця розташування
регенераційних пунктів обирається з урахуванням зручності їх обслуговування,
можливості підвезення апаратури та іншого обладнання, а також під'їзду до них в
будь-яку пору року, найоптимальнішим є встановлення регенераторів у вузлах
зв'язку (та інших приміщеннях, які є власністю підприємств зв'язку) обраних
населених пунктах.
Рисунок 2.4 - Структурна схема траси Вінниця-Луганськ з
використанням мультиплексорів STM -4
.5 Розробка рівнів енергетичних потенціалів
Для розробки рівнів енергетичних потенціалів будемо
керуватися даними одержаними в розділі 2.3.
Для нормальної роботи волоконно-оптичної системи передачі
необхідно забезпечити на вході прийомно-оптичного модуля потужність сигналу
більшу, ніж потужність заданого порогу чутливості цього модуля (Р0), при якій
забезпечується необхідний коефіцієнт помилок.
Будемо використовувати наступні дані:
Р д = -0,5 дБм - потужність джерела випромінювання;
а р = 0,5 дБ - втрати на роз’ємному з’єднувачі;
а н = 0,1 дБ - втрати на нероз’ємному з’єднувачі;
Р з = 6 дБм - енергетичний запас по потужності сигналу в
розрахунку на можливі погіршення параметрів компонентів ВОСП;
Р 0= -39 дБм - потужність сигналу на прийомі, при якій
забезпечується задана якість передачі інформації;= 4 км - будівельна довжина
кабелю.
У другому розділі ми розрахували оптичні параметри волокна.
Розрахували параметри передачі волокна, які відповідали рекомендації G.652. Розрахували
довжину ділянки регенерації по загасанню і дисперсії. З’ясували, що вона
обмежена загасанням і дорівнює 94,1 км. Обрали населені пункти, в яких будуть
розміщені регенератори.
3. Опис програмного продукту
Тестування волоконно-оптичної лінії за допомогою
рефлектометра (OTDR)
Після того, як лінія змонтована, вимірюються втрати у всіх
з'єднаннях волокон і відстані до них. При цьому фіксується рефлектограма всієї
регенераційної ділянки лінії зі всіма її особливостями, які вказують місце
розташування зварних з'єднань волокон і величину втрат в них. Ця рефлектограма
використовується для географічної прив'язки до місцевості і надалі служить для
контролю деградації лінії в процесі її старіння.
.1 Особливості OTDR
•модуль рефлектометра працює у в'язці з селективним
вимірником потужності для PON,
•динамічний діапазон до 37 db,
•мертва зона 1 метр,
•підтримка трьох довжин хвиль в одному модулі 1310/1550/1625,
•підтримка 4 довжин хвиль в одному модулі на 2-х портах
850/1300/1310/1550, •автоматичне визначення трафіку,
•автоматичне визначення макро-вигину,
•програмне забезпечення OFS100 FiberTrace Software і OFS200
FiberCable Software.
.2 Характеристики OTDR
Оптичний імпульсний рефлектометр (OTDR - Optical Time Domain
Reflectometer) вперше був застосований для вимірів втрат в оптичних волокнах в
1976 р. Його принцип дії заснований на тому, що у волокно посилається
послідовність коротких імпульсів світла, і вимірюється залежність потужності
розсіяних назад імпульсів від часу їх запізнювання. В результаті виходить
рефлектограма - графік розподілу втрат і коефіцієнтів віддзеркалення уздовж
лінії. Для підключення OTDR досить доступу лише до одного кінця лінії, що
дозволяє тестувати оптичні кабелі безпосередньо в процесі монтажу лінії.
Аналізуючи рефлектограму, можна визначити місце пошкодження лінії і розрахувати
всі основні параметри, по яких контролюється якість лінії.
Основними характеристиками рефлектометра є чутливість і
просторовий дозвіл. Чутливість рефлектометра прийнято характеризувати величиною
його динамічного діапазону, а просторовою дозвіл тривалістю імпульсу і шириною
мертвої зони. Вибором тривалості імпульсів і часу усереднювання завжди є певний
компроміс. Так при зменшенні тривалості імпульсів просторовий дозвіл
рефлектометра покращується, а його чутливість погіршується. Час усереднювання
сигналу впливає лише на чутливість рефлектометра. Проте із збільшенням часу
усереднювання зростає час вимірів, який, враховуючи велику кількість волокон в
лінії передачі, не може бути дуже великим.
.3 Призначення OTDR
Кожний тип неоднорідності (зварне з'єднання волокон, тріщина,
оптичний роз'єм і так далі) має свій характерний образ на дисплеї OTDR, і може
бути легко ідентифікований оператором (мал.). У автоматичному режимі OTDR сам
визначає тип неоднорідності, розраховує втрати на ділянках лінії, коефіцієнти
віддзеркалення від неоднорідностей і так далі.
Що так, наприклад, відображають неоднорідності (роз'ємні
з'єднання волокон, тріщини, торець волокна) виявляються на рефлектограмме у
вигляді вузьких піків, а що не відображають неоднорідності (зварні з'єднання і
зігнуті ділянки волокон) - у вигляді вигинів в рефлектограмме.
Ділянки рефлектограмми, розташовані між неоднородностямі,
мають вигляд прямих ліній з негативним нахилом. Кут нахилу цих прямих прямо
пропорційний величині втрат у волокні.
Мал. 3.1. Типова рефлектограма лінії передачі. По
вертикальній осі в логарифмічному масштабі відкладається відносна потужність
імпульсів, що повернулися в рефлектометр, а по горизонтальній осі відстань до
місця віддзеркалення.
.3.1 Динамічний діапазон
Відповідно до рекомендації Міжнародній Електротехнічній
Комісії (IEC - International Electrotechnical Commission) динамічний діапазон
рефлектометра DIEC визначається як різниця між рівнем сигналу зворотного
релеєвського розсіяння на початку рефлектограми і піковим значенням шумів у
відсутність сигналу. Рівень сигналу зворотного релеєвського розсіяння
знаходиться шляхом екстраполяції прямолінійної похилої ділянки рефлектограми в
початок рефлектограми. Рівень пікового значення шуму визначається виходячи з
умови, що вірогідність попадання шумового сигналу в довірчий інтервал має
дорівнювати 98%. Для цього по верхньому краю шумової доріжки проводиться пряма
горизонтальна лінія так, щоб її пересікав лише один шумовий пік з 100.
Рис. 3.2 Динамічний діапазон рефлектометра DIEC визначається
як різниця між рівнем сигналу зворотного релеєвського розсіяння на початку
рефлектограми і піковим значенням шуму у відсутність сигналу.
Фізичний сенс динамічного діапазону рефлектометра пояснюється
на рис. 3.2. Як видно з цього малюнка повні втрати в лінії А дорівнюють
відстані між рівнями сигналу зворотного релеєвського розсіяння на початку і в
кінці рефлектограми. Причому кінець рефлектограми буде видно на дисплеї до тих
пір, поки сигнал не зменшиться до рівня шуму. Таким чином, динамічний діапазон
рефлектометра дорівнює максимально вимірюваній величині повних втрат в лінії.
Важливою гідністю рефлектометричних вимірів є те, що в них
вимірювальний прилад підключається лише до одного кінця лінії (мал. 1.16).
Оскільки типова довжина регенераційної ділянки в магістральній лінії передачі
складає близько 100 км. (з оптичними підсилювачами ~ 1000 км.), то ясно, що
підключати вимірювальну апаратуру лише до одного кінця такої лінії значно
простіше.
.3.2 Оцінка динамічного діапазону
В логарифмічних одиницях (дБ і дБм) (ми їх виділяємо в тексті
жирним курсивом) динамічний діапазон рефлектометра дорівнює напіврізниці між
потужністю, розсіяною назад на початку волокна, і еквівалентною шумовою потужністю
на вході фотоприймача (потужністю світла при якій відгук фотоприймача дорівнює
середньоквадратичному значенню шуму):
Потужність, розсіяна назад на початку волокна, виражається через потужність джерела
випромінювання (введену у волокно), втрати у відгалужувачі η і коефіцієнт зворотного
релеєвського розсіяння q, як:
.
А еквівалентна шумова потужність на вході фотоприймача виражається через порогу чутливість
фотоприймача і b - виграш у відношенні сигнал/шум за рахунок
усереднювання імпульсів:
.
В результаті отримуємо вираз:
(2.1)
Після того, як в рефлектометрі встановлений відповідний
оптичний модуль, потужність джерела випромінювання , порогова чутливість фотоприймача і величина втрат у відгалужувачі 𝛈 є вже заданими величинами.
Користувач може впливати лише на коефіцієнт зворотного релеєвського розсіяння q
(змінюючи тривалість імпульсів) і на виграш b (змінюючи час усереднювання
імпульсів).
Коефіцієнт зворотного релеєвського розсіяння (його значення
приводиться в специфікації на волокно) у різних виробників волокон
відрізняється на декілька дБ.
Для оцінки зазвичай використовують значення:
=-80дБ+10log (2.2)
де τ - тривалість імпульсів.
У більшості моделей OTDR тривалість імпульсів можна міняти
від 10 нс до 10 мкс, що дозволяє збільшити коефіцієнт зворотного релеєвського
розсіяння на 30 дБ і, відповідно, динамічний діапазон рефлектометра на 15 дБ.
Виграш у відношенні сигнал/шум b (у припущенні, що шум білий)
пропорційний квадратному кореню з числа усереднених імпульсів:
=10log .
Враховуючи, що на обробку витрачається близько 10 % часу,
число цих імпульсів:
=
де t - час усереднення,
Т - період дотримання імпульсів.
В результаті отримуємо, що виграш у відношенні сигнал/шум
рівний:
=5log .
Таким чином, для оцінки величини динамічного діапазону треба
знати не лише час усереднювання імпульсів t, але і період їх дотримання Т.
Період дотримання імпульсів можна оцінити, використовуючи той
факт, що при вимірі величини динамічного діапазону OTDR розробники рекомендують
підключати до нього волокно завдовжки 25 км. (рис. 2.6).
Мал. 3.3. Динамічний діапазон визначається при довжині
волокна 25 км., тривалість імпульсу 10 мкс і часу усереднювання сигналу 3 мін.
Як відомо для того, щоб імпульси, відбиті від початку і кінця
волокна не накладалися один на одного, діапазон вимірюваних довжин має бути на
10-20% більше довжини волокна. Для оцінки уявимо, що діапазон вимірюваних
довжин встановлюється рівним 30 км. Враховуючи, що коефіцієнт пропорційності
між часом запізнювання і довжиною волокна дорівнює 10 мкс/км., знаходимо, що
період дотримання імпульсів Т дорівнює 300 мкс. При цьому число імпульсів, що
усереднюються за час t = 3 хв., рівне:
= ,
а виграш у співвідношенні сигнал/шум:
=10log
Оцінимо типове значення величини динамічного діапазону
рефлектометра. При цьому, як вже говорилося, слід вважати, що τ
= 10 мкс, t = 3
хв і Т = 300 мкс. Ми вже знайшли, що при цих параметрах: q = -40 дБ і b = 29
дБ. Втрати при двократному проході через 3 дБ відгалужувач 𝛈 приблизно рівні 6 дБ. Далі
уявимо, що = 20 дБм. При більшій потужності імпульсів світла у волокні
стають помітними спотворення, викликані нелінійним розсіянням світла у волокні
(ефекти Рамана і Бріллюена) і зменшується термін служби лазера і фотоприймача.
Фотоприймач складається з лавинного фотодіода і трансімпедансного підсилювача
(операційний підсилювач з негативним зворотним зв'язком). Такий підсилювач
забезпечує великий динамічний діапазон, низький рівень шумів і дозволяє легко
змінювати величину коефіцієнта посилення і ширину смуги підсилювача.
В OTDR фотоприймач може працювати в трьох різних режимах: у
стандартному режимі, в режимі максимального динамічного діапазону (вузька смуга
частот) і в режимі максимального дозволу (широка смуга частот). При τ
= 10 мкс
фотоприймач працює зазвичай режимі максимального динамічного діапазону (смуга
частот ~ 1 Мгц). При типовому значенні порогової чутливості лавинного фотодіода
і ширині смуги 1 Мгц отримуємо, що = -80 дБм. Підставляючи в (2.1)
значення: η=6дБ, q=-40дБ, та b=29дБ знаходимо:
Залежність від часу усереднення сигналу та тривалості імпульсів
приведена на рис. 2.7.
Відмітимо, що приведена нами оцінка динамічного діапазону не
є граничною. Оптичні втрати в схемі можна зменшити майже на 5 дБ,
використовуючи замість відгалужувача циркулятор (значно дорожчий пристрій).
Потужність джерела можна збільшити до 23 дБ (перш ніж стануть, помітні
нелінійні спотворення). Можна також поліпшити і порогову чутливість, оскільки в
розглянутому нами прикладі вона майже на 10 дБ гірше за квантову межу.
Так в останніх моделях OTDR динамічний діапазон удалося
збільшити до 50 дБ.
Рис. 3.4. Залежність динамічного діапазону рефлектометра від часу усереднювання
t і тривалість імпульсів 𝜏.
Величина динамічного діапазону рефлектометра, виміряна при τ
= 10 мкс і t = 3
мин., використовується при порівнянні різних типів OTDR. Виміри ж часто
проводяться при меншому значенні тривалості імпульсів і меншому часі
усереднювання. Так, наприклад, при вхідному і передмонтажному контролі оптичних
кабелів виміру проводяться зазвичай при τ = 100 нс і t = 15 сек. При цьому
використовується оптичний модуль з динамічним діапазоном 30-35 дБ.
Мал. 3.5. Рефлектометр підключається лише до одного з кінців
лінії
3.4 Принцип дії рефлектометра (OTDR)
Принцип дії OTDR (Optical Time Domain Reflectometer) багато в
чому такий же, як і в імпульсних рефлектометрів, вживаних для тестування
електричних кабелів. Обидва типи рефлектометрів посилають в лінію потужний
зондуючий імпульс (оптичний або електричний) і вимірюють потужність і час
запізнювання імпульсів, що повернулися назад в рефлектометр. Відмінність
полягає в тому, що в електричній лінії спостерігаються лише відбиті імпульси.
Вони утворюються в місцях, де в лінії є скачки хвилевого опору. У оптичних же
волокнах зворотна хвиля утворюється не лише за рахунок віддзеркалення від
великих (в порівнянні з довжиною хвилі) дефектів, але і за рахунок релеєвського
розсіяння. Розсіяння світла відбувається на флуктуаціях показника заломлення
кварцевого скла, застиглих при витягу волокна. Розмір цих неоднорідностей
(релеєвських центрів) малий в порівнянні з довжиною хвилі і світло на них розсівається
на всі боки, у тому числі і назад в моду волокна (мал. 3.6).
Мал. 3.6. У OTDR приходять імпульси світла розсіяні назад в
моду волокна
Релеєвські центри розподілені однорідно уздовж волокна, і в
розсіяній на них хвилі міститься інформація про всі параметри лінії, що
впливають на поглинання світла. Саме за рахунок детектування розсіяного
випромінювання удається виявляти невідзеркалення (що поглинають) неоднорідності
у волокні.
Наприклад, по сигналу зворотного релеєвського розсіяння
світла можна виміряти розподіл втрат в будівельних довжинах оптичних кабелів і
втрати в зростках волокон. Такі виміри не можна виконати, реєструючи лише
відбите (а не розсіяне) випромінювання.
Доля потужності світла, що розсіюється назад в моду волокна
украй мала. Наприклад, при ширині імпульсу 1м (тривалість імпульсу 10 нс)
коефіцієнт зворотного релеєвського розсіяння складає величину біля -70 дБ.
Тому, в OTDR у волокно посилаються імпульси великої потужності і великої
тривалості, а для детектування розсіяних назад імпульсів світла застосовуються
високочутливі фотоприймачі.
.5 Розробка рефлектометра
У більшості моделей OTDR використовується модульна
конструкція (рис. 3.7). Вона містить базовий модуль і декілька змінних оптичних
модулів. Базовим модулем є персональний комп'ютер, пристосований для обробки
сигналу і виведення його на дисплей. Оптичний модуль включає лазерний діод,
фотоприймач, оптичний відгалужувач і оптичний роз'єм.
Модульна конструкція OTDR дозволяє споживачеві не лише вибрати
необхідну йому на даний момент конфігурацію приладу, але і надалі модернізувати
прилад, наприклад, встановивши, багатомодовий модуль або одномодовий модуль з
великим динамічним діапазоном.
Рис. 3.7. Блок схема OTDR
Як джерело випромінювання в оптичному модулі зазвичай
використовується лазерні діоди типу Фабрі-Перо, найбільша ж потужність
випромінювання (і, відповідно, динамічний діапазон рефлектометра) досягається
за допомогою лазерних діодів з квантовими ямами. З їх допомогою генеруються
імпульси потужністю 10...1000 мВт, тривалістю від 2 нс.20 мкс і частотою
повторення декілька кілогерц. Ці імпульси поступають через відгалужувач на
оптичний роз'єм, до якого підключається досліджуване волокно. Розсіяні у волокні
імпульси світла повертаються в оптичний модуль і передаються за допомогою
відгалужувача на фотоприймач (лавинний фотодіод), де вони перетворяться в
електричний сигнал. Цей сигнал посилюється, накопичується, обробляється в
базовому модулі і відображується на дисплеї в графічній формі у вигляді
рефлектограми. Таке представлення інформації дозволяє аналізувати її як
візуально, так і автоматично за допомогою вбудованих програмних алгоритмів.
Потужність розсіяних назад імпульсів на 80.50 дБ (залежно від
їх тривалості) менше потужності імпульсів, що вводяться у волокно. Тому для
поліпшення відношення сигнал/шум використовується багатократне усереднювання
результатів вимірів. Причому для їх ефективного усереднювання вистачає
декількох секунд, оскільки час, що витрачається на проходженні лінії мало (100
км. світло проходить за 1 мсек). Типова рефлектограма містить близько 32 000
вимірюваних крапок і при обчисленні кожній такої крапки усереднюється декілька
тисяч імпульсів. Весь цей масив даних рефлектометр обробляє за частку секунди.
Перша виміряна рефлектограма відразу виводиться на дисплей. Далі на дисплей
виводяться усереднені рефлектограми. При кожному подвоєнні часу вимірів шуми в
усередненій рефлектограмі зменшуються приблизно на 0.75 дБ.
Обробка великого масиву даних і створення дружнього
користувачеві інтерфейсу здійснюється за допомогою двох мікропроцесорів.
Перший, швидкодіючий процесор RISC, дає можливість усереднювати до 50 мільйонів
крапок в секунду. Другий процесор Intel забезпечує роботу інтерфейсної частини
програми, автопошук дефектів в лінії, виведення даних на дисплей. Він
забезпечує також сумісність з ПК, що дозволяє застосовувати не лише звичайне
програмне забезпечення, але і стандартне комп'ютерне устаткування, таке як
клавіатура, миша, принтер, факс/модем і жорсткий диск (у стандарті PCMCIA).
Такий рефлектометр може використовуватися і як вимірювальний прилад, і як
персональний комп'ютер, що представляє широкі можливості для обробки
інформації. Наприклад, для того, щоб відновити в збільшеному вигляді будь-яку з
частин рефлектограми, створити повний список неоднорідностей в лінії і
погонного загасання на ділянках між неоднорідностями, оформити звіт і так далі.
3.5.1 Принципова схема рефлектометра
Рис. 3.8. Розширена принципова схема рефлектометра
Рефлектометр складається з наступних основних вузлів:
• формувача оптичних вимірювальних сигналів, що складається з
схеми формування імпульсів і передавального оптичного модуля;
• реєструючого пристрою, що включає фотоприймач, компаратор,
підсилювач з регульованим коефіцієнтом посилення, розширювач імпульсів і
аналого-цифровий перетворювач (АЦП);
• пристрої управління і обробки вимірюваної інформації, що
містить два мікроконтролери, електронні ключі, лінію затримки, програмованого
лічильник-дільника частоти.
Провідний мікроконтролер вузла управління побудований на базі
сімейства MCS-51.
Основними характеристиками архітектури MCS-51 є:
• 24-розрядний лінійний адресний простір, що забезпечує
адресацію до 16 Мбайт пам'яті;
• регістрова архітектура, що допускає звернення до регістрів
як до байтів, слів і подвійних слів;
• сторінковий режим адресації для прискорення вибірки команд
із зовнішньої програмної пам'яті;
• черга інструкцій;
• розширений набір команд, що включає 16-бітові арифметичні і
логічні операції;
• розширений адресний простір стека (до 64 Кбайт);
• виконання найшвидшої команди за 2 такти.
Не дивлячись на відмічені переваги, максимальна тактова
частота цього класу мікроконтролерів складає всього 40 Мгц. Цієї швидкодії
недостатньо для здобуття високих метрологічних характеристик при вимірі
відстаней до місця розташування неоднорідностей.
Для вирішення проблеми швидкодії для управління
рефлектометром використаний другий мікроконтролер SХ18 фірми Scenix .
Провідний мікроконтролер з розширеним набором інструкцій
MCS-51 визначає режими роботи рефлектометра, програмує вузли рефлектометра,
обробляє результати вимірів, здійснює взаємодію з периферійними пристроями.
Швидкодіючий ведений мікроконтролер SX формує зондуючий імпульс, виробляє
оперативний аналіз імпульсів, що приймаються, виробляє рішення про їх подальший
маршрут дотримання, веде підрахунок кількості імпульсів. Залежно від вигляду
виконання як периферійні пристрої можуть бути використані:
• клавіатура для введення команд оператора, електронно
перепрограмовує мікросхеми пам'яті, знакосинтезуючий індикатор;
• інтерфейсні мікросхеми для зв'язку із зовнішніми портами
персонального комп'ютера (в цьому випадку для управління рефлектометром
використовується клавіатура комп'ютера, результати вимірів зберігаються в
пам'яті комп'ютера)
Виміри починаються по команді провідного мікроконтролера
MCS-51. По його команді другий мікроконтролер SX формує сигнал, що запускає
формувач імпульсів. Формувач імпульсів виробляє одиночний імпульс, що
направляється на вхід передавального оптичного модуля. Модуль виробляє
одиночний оптичний імпульс, що зондує волоконно-оптичний тракт. За наявності
локальних неоднорідностей у волоконно-оптичному тракті відбиті від цих
неоднорідностей оптичні імпульси через вихідний з'єднувач і направлений
розгалуджувач прямують на оптичний вхід приймального оптичного модуля. До
виходу фотоприймача підключений компаратор. Компаратор нормує імпульси по
амплітуді. Лічильник-дільник частоти виробляє вибірку одного з відбитих
імпульсів і направляє його на вхід лінії затримки. Імпульс затримується на 500
нс. Якщо затримки в 500 нс недостатньо, то виділений імпульс за допомогою електронних
ключів повторно прямує на вхід лінії затримки.
.5.2 Робота вузлів рефлектометра
Реальне значення затримки у вузлах пристрою складає величину
близько 1 мкс. При нульовій довжині волоконно-оптичного тракту частота
автоколивань складе f = 1 Мгц. Збільшення довжини тракту приводить до зменшення
частоти.
Таким чином, в приладі можуть бути використані
приймально-передавальні модулі загального вживання з середніми
характеристиками, наприклад, передавальні модулі типа PM-34 (на частоту 34
МГб/с) і аналогові приймальні модулі PD-1375-ir ФТІ "Оптронік".
Як було відмічено вище, на кожен зондуючий оптичний імпульс
волоконно-оптичний тракт відгукується цугом імпульсів від неоднорідностей
тракту. Імпульси за допомогою розгалуджувача прямують на оптичний вхід приймального
модуля. Вихід приймального модуля сполучений з входом компаратора і входом
аналогового підсилювача з регульованим коефіцієнтом посилення.
Компаратор необхідний для фільтрації незначних
неоднорідностей, а також для нормування по амплітуді цифрових сигналів, що
направляються на вхід лічильника-дільника частоти.
Підсилювач працює в лінійному режимі і необхідний для
посилення амплітуди імпульсів до рівня, достатнього для його перетворення в
цифровий вигляд аналого-цифровим перетворювачем (АЦП). Для можливості
використання середнього по швидкодії АЦП в схемі рефлектометра застосований
розширювач імпульсів.
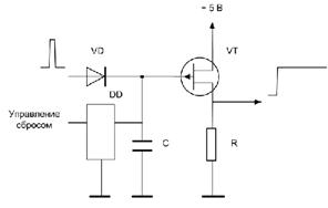
Як розширювач імпульсів в схемі рефлектометра використаний
повторювач джерела VT, на вході якого встановлений конденсатор C з малим
струмом витоку, див. рис 3.9. Конденсатор заряджає вхідним імпульсом напруги
через діод VD і повільно розряджається через затвор польового транзистора VT і
зворотні опори діода VD і ключа DD, який необхідний для розряду конденсатора,
після проведення вимірів.
Рис. 3.9. Схема повторювача джерела
На вхід розширювача імпульсів сигнали поступають через ключ,
що виділяє з набору відбитих імпульсів необхідний імпульс від заданої
неоднорідності. Ключ управляється лічильником-дільником частоти.
Лічильник є послідовно включеними мікросхемами двійкових
лічильників. Одна мікросхема дозволяє виділити до 16 неоднорідностей. На
малюнку 3.10 приведена схема лічильника-дільника частоти для виділення 256
неоднорідностей. У мікросхеми двійкових лічильників DD1 і DD4 заздалегідь
заноситься двійкове число, що визначає момент переповнювання рахунку. Число
виставляється провідним мікроконтролером. Управляє записом числа в регістри
мікросхем DD1 і DD4 ведений мікроконтролер.
Імпульс переповнювання формується у момент вступу імпульсу,
що виділяється. За один такт до переповнювання мікросхем лічильника за
допомогою логічних мікросхем DD2 і DD3 виділяється імпульс, що відкриває ключ,
проникний сигнал з виходу підсилювача на вхід розширювача імпульсів. Імпульс,
виділений лічильником-дільником, поступає одночасно на вхід лінії затримки і на
один з вхідних портів веденого мікроконтролера SX. При цьому запускається
підпрограма обробки зовнішнього переривання, яка за час затримки імпульсу в
лінії повинна визначити подальшу його дорогу, або на вхід формувача імпульсів,
або на повтор затримки в лінії, якщо число повторів затримки менше заданого
значення. Значення повторів фіксованої затримки задається провідним
мікроконтролером MCS51.
Рис. 3.10. Схема лічильника-ділителя частоти
Як фіксована лінія затримки в рефлектометрі застосована
цифрова інтегральна мікросхема сімейства Silicon Timed Circuit фірми Dallas
Semiconductor типа Ds1000-500 на 500 нс.
Після заданого числа повторів імпульс прямує на вхід
формувача імпульсів, формується новий вимірювальний сигнал. Процес
повторюється. Ведений мікроконтролер веде підрахунок кількості імпульсів.
Провідний мікроконтролер задає час спостереження.
Отже, процес виміру включає наступні стадії:
• ініціалізація (завдання параметрів і режимів вимірів);
• проведення вимірів;
• обробка результатів, виведення інформації на дисплей.
На стадії ініціалізації провідний мікроконтроллер після
підготовки робочих і спеціальних регістрів, налаштування портів на введення або
вивід здійснює діалог з оператором. Оператор задає наступні параметри вимірів:
• один з наступних режимів роботи: вимір відстані до місця
розташування неоднорідностей і втрат на віддзеркалення (у цьому режимі мають
бути доступні обидва полюси волоконно-оптичного тракту); вимір відстані до
місця розташування неоднорідностей і величини відбитої оптичної потужності (у
цьому режимі досить мати доступ до одного полюса волоконно-оптичного тракту);
• коефіцієнт заломлення серцевини оптичного волокна (за
умовчанням встановлюється коефіцієнт заломлення плавленого кварцу 1,44778);
• максимальне значення довжини волоконного тракту, якщо
довжина тракту невідома, то встановлюється довжина за умовчанням (20 км.);
• діапазон локальних неоднорідностей, характеристики яких
необхідно виміряти (за умовчанням встановлюється максимально можлива кількість
неоднорідностей);
• кількість усереднювань (за умовчанням встановлюється
кількість усереднювань, відповідна часу вимірів, що не перевищує трьох хвилин).
Після введення параметрів і підключення контрольованого волоконно-оптичного
тракту оператор вводить команду "ПРОВЕСТИ ВИМІР".
Після того, як провідний мікроконтролер запам'ятовує
параметри вимірів і приймає команду "ПРОВЕСТИ ВИМІР", він налаштовує
вбудований таймер на певний час, залежний від заданої кількості усереднювань.
На стадіях проведення вимірів і обробки результатів вимірів
провідний мікроконтролер:
• встановлює на шині даних лічильника - дільника частоти код
першої неоднорідності із заданого списку вимірюваних неоднорідностей;
• виробляє розрахунок повторів фіксованої затримки і виробляє
передачу команд і даних у ведений мікроконтролер;
• переходить до чекання сигналу "ГОТОВИЙ" від
веденого мікроконтролера;
• виконує підпрограму читання АЦП;
• аналізує наявність команди "СТОП" від оператора,
якщо команда поступила, повертається в режим діалогу для коректування
параметрів виміру;
• якщо команда "СТОП" відсутня, перевіряє прапор
закінчення циклу від вбудованого таймера, якщо прапор скинутий, повертається до
аналізу команди "СТОП";
• якщо прапор встановлений, виробляє його скидання і
аналізує, чи всі неоднорідності, задані оператором, оброблені, якщо виміряні
параметри не всіх неоднорідностей, то виробляє зупинку веденого мікроконтролера
командою зовнішнього переривання, виробляє читання його накопичувальних
регістрів і виробляє його апаратне скидання, після чого модифікує параметри
вимірів;
• якщо виміряні параметри всіх неоднородностей, то після
читання вмісту накопичувальних регістрів і апаратного скидання веденого
мікроконтроллера, переходить до обробки бази виміряної інформації, розраховує
втрати на віддзеркалення, значення відбитої потужності, відстані до місця
розташування всіх неоднородностей, переходить до виведення виміряної інформації
на індикатори.
На стадії проведення вимірів ведений мікроконтролер:
• приймає і запам'ятовує в регістрі повторів значення
кількості повторів фіксованої затримки;
• записує в лічильник-дільника частоти код, виставлений
провідним мікроконтролером на шину даних лічильника-дільника;
• відкриває ключ з виходу лінії затримки на її вхід і
закриває ключ на вхід формувача імпульсів;
• вирішує рахунок і сигнал переповнювання лічильника -
дільника частоти;
• виробляє на вході формувача імпульсів однократний імпульс,
що одночасно є сигналом "ГОТОВИЙ" для провідного мікроконтролера;
• чекає появи сигналу на основному виході лічильника -
дільника частоти;
• після виявлення сигналу на виході лічильника - дільника:
блокує лічильник-дільника частоти; перевіряє вміст регістрів повтору фіксованої
затримки; якщо регістр повторів не обнулився, то мікроконтролер виробляє його
декремент, переходить до чекання сигналу на виході лінії затримки, після
приходу сигналу повертається до аналізу вмісту регістра повторів; якщо регістр
повторів обнулився, то мікропроцесор відкриває ключ, встановлений на вході
формувача імпульсів, вирішує рахунок і видачу сигналу переповнювання лічильника
дільника; виробляє інкремент регістрів накопичувачів; знов переходить до
чекання сигналу на виході лічильника дільника;
• при здобутті сигналу зовнішнього переривання передає на
провідний мікроконтролер вміст накопичувальних регістрів, переходить в режим
малого енергоспоживання. Таким чином, розглянутий принцип дії і структурна
схема частотно-імпульсного рефлектометра, що відрізняється: простотою
технічного рішення; високою точністю визначення місць розташування
неоднорідностей волоконно-оптичних трактів.
Можливість використання в рефлектометрі високонадійних
передавальних оптичних модулів із стандартними по рівню потужності оптичними
сигналами підвищує надійність приладу і дозволяє використовувати його в
системах безперервного моніторингу ліній зв'язку, що діють, при цьому
зменшується мертва зона вимірів.
4. Техніко-економічне обґрунтування розробки
Кошторисно-фінансовий розрахунок складається із відомості
обсягу робіт та самого кошторису.
Вартість основних робіт при будівництві лінії зв’язку
розраховується по узагальненим показникам.
Визначаємо вартість будівництва на 100 км. траси:
, (4.1)
де - кошторисна вартість будівництва кабельної лінії;
940км - довжина кабельної лінії.
Згідно з формулою [4.1] вартість будівництва на 100 км. траси
становить:
грн.
Визначаємо вартість одного ПЦП на 1 км траси:
, (4.2)
де - кошторисна вартість будівництва кабельної лінії;
200 - кількість ПЦП.
Отже, за формулою [4.2] вартість одного ПЦП на 1 км траси
становить:
грн.
. Охорона праці
.1 Встановлення зв’язку захворювання з умовами праці,
розслідування причин та облік випадків хронічних професійних захворювань
Усі випадки хронічних професійних захворювань незалежно від
строку їх настання підлягають розслідуванню.
До хронічного професійного захворювання належить захворювання,
що виникло внаслідок провадження професійної діяльності працівника та
зумовлюється виключно або переважно впливом шкідливих факторів виробничого
середовища і трудового процесу, пов’язаних з роботою.
До хронічного професійного захворювання належить також
захворювання, що виникло після багатократного та/або тривалого впливу шкідливих
виробничих факторів.
Хронічне професійне захворювання не завжди супроводжується
втратою працездатності.
Випадки професійних інфекційних захворювань та хронічних
професійних інтоксикацій розслідуються як хронічні професійні захворювання.
Віднесення захворювання до професійного здійснюється
відповідно до процедури встановлення зв’язку захворювання з умовами праці
згідно з додатком 14 та переліку професійних захворювань, затвердженого
постановою КМУ від 8 листопада 2000 р. №1662.
.2 Перелік установ і закладів, які мають право встановлювати
остаточний діагноз професійних захворювань, переглядається кожні п’ять років та
затверджується МОЗ
У разі підозри на професійне захворювання
лікувально-профілактичний заклад направляє працівника на консультацію до
лікаря-профпатолога, області або міста з документами, перелік яких визначено у
додатку 14.
Для встановлення остаточного діагнозу та зв’язку захворювання
з впливом шкідливих факторів виробничого середовища і трудового процесу
лікар-профпатолог області або міста направляє хворого до спеціалізованого
профпатологічного лікувально-профілактичного закладу з відповідними
документами.
Спеціалізовані профпатологічні лікувально-профілактичні
заклади проводять амбулаторне та/або стаціонарне обстеження хворих і
встановлюють діагноз професійного захворювання.
Діагноз професійного захворювання може бути змінений або
відмінений спеціалізованим профпатологічним лікувально-профілактичним закладом,
який його встановив раніше, на підставі результатів додатково поданих
відомостей або проведених досліджень та повторної експертизи.
Рішення про підтвердження або відміну раніше встановленого
діагнозу професійного захворювання оформляється висновком лікарсько-експертної
комісії.
У спірних випадках остаточне рішення щодо встановлення
діагнозу професійного захворювання приймається центральною лікарсько-експертною
комісією державної установи "Інститут медицини праці Національної академії
медичних наук України".
Оскарження рішення зазначеної комісії у разі незгоди хворого
або роботодавця здійснюється у судовому порядку.
За наявності ознак стійкої втрати професійної працездатності
внаслідок професійного захворювання лікувально-профілактичний заклад, що надає
медичну допомогу працівникам підприємства, на якому працює хворий, або
лікувально-профілактичний заклад за місцем його проживання направляє хворого на
медико-соціальну експертну комісію для встановлення ступеня стійкої втрати
професійної працездатності.
Повідомлення про професійне захворювання (отруєння)
Спеціалізованими профпатологічними лікувально-профілактичними
закладами стосовно кожного хворого складається повідомлення про професійне
захворювання (отруєння) за формою П-3 (далі - повідомлення за формою П-3) згідно
з додатком 15.
Повідомлення за формою П-3 протягом трьох днів після
встановлення діагнозу надсилається:
керівникові підприємства, шкідливі виробничі фактори на якому
призвели до виникнення професійного захворювання;
закладові державної санітарно-епідеміологічної служби, який
здійснює державний санітарно-епідеміологічний нагляд за підприємством;
робочому органові виконавчої дирекції Фонду за
місцезнаходженням підприємства;
профпатологу, який направив хворого до спеціалізованого
лікувально-профілактичного закладу.
У разі коли хворий працював на кількох підприємствах, де були
умови для розвитку професійного захворювання, або за кількома професіями, під
час роботи за якими були умови для розвитку професійного захворювання,
повідомлення за формою П-3 надсилається на останнє підприємство, де він
працював за професією, під час роботи за якою були умови для розвитку
професійного захворювання.
У разі реорганізації підприємства, шкідливі виробничі фактори
на якому призвели до розвитку професійного захворювання, повідомлення за формою
П-3 надсилається його правонаступникові, а у разі ліквідації підприємства без
правонаступника - місцевій держадміністрації за місцем реєстрації підприємства.
Працівникові видається під розписку медичний висновок
лікарсько-експертної комісії спеціалізованого профпатологічного
лікувально-профілактичного закладу про наявність (відсутність) у нього
професійного захворювання за формою згідно з додатком 16.
Медичний висновок також надсилається профпатологу за місцем
роботи працівника або проживання (якщо він не працює), який направляв його до
спеціалізованого профпатологічного лікувально-профілактичного закладу.
.3 Порядок розслідування обставин і причин виникнення
професійних захворювань
Головний державний санітарний лікар області або міста утворює
протягом трьох днів після отримання повідомлення за формою П-3 комісію з
проведення розслідування причин виникнення професійного захворювання (далі -
комісія з розслідування).
До складу комісії входять:
представник закладу державної санітарно-епідеміологічної
служби, який здійснює санітарно-епідеміологічний нагляд за підприємством
(голова комісії);
представники лікувально-профілактичного закладу;
представники роботодавця;
представники первинної організації відповідної профспілки або
уповноважена найманими працівниками особа з питань охорони праці (у разі, коли
профспілка на підприємстві відсутня);
представники вищого органу профспілки;
представники робочого органу виконавчої дирекції Фонду за
місцезнаходженням підприємства.
У розслідуванні причин виникнення професійного захворювання
інфекційної та паразитарної етіології обов’язково беруть участь фахівці з
епідеміології та паразитології закладу державної санітарно-епідеміологічної
служби, який здійснює санітарно-епідеміологічний нагляд за підприємством
Розслідування випадку професійного захворювання проводиться
протягом десяти робочих днів після утворення комісії з розслідування.
Якщо з об’єктивних причин розслідування не може бути
проведене у зазначений строк, він може бути продовжений керівником закладу, що
утворив комісію, але не більш як на один місяць.
Роботодавець зобов’язаний в установлений для проведення
розслідування строк подати комісії з розслідування:
– відомості про професійні обов’язки працівника;
– документи і матеріали, які характеризують умови праці
на робочому місці (дільниці, цеху);
– необхідні результати експертизи, лабораторних
досліджень для проведення оцінки умов праці;
– матеріали, що підтверджують проведення інструктажів з
охорони праці;
– копії документів, що підтверджують видачу
працівникові засобів індивідуального захисту;
– приписи або інші документи, які раніше видані
закладами державної санітарно-епідеміологічної служби і стосуються даного
професійного захворювання;
– результати медичних оглядів працівника (працівників);
– інші матеріали.
Роботодавець повинен забезпечити комісію з розслідування
приміщенням, транспортними засобами і засобами зв’язку, організувати
друкування, тиражування і оформлення в необхідній кількості матеріалів
розслідування, у тому числі акта розслідування хронічного професійного
захворювання.
Комісія з розслідування зобов’язана:
– розробити програму розслідування причин виникнення
професійного захворювання;
– розподілити функції між членами комісії;
– розглянути питання щодо необхідності залучення до її
роботи експертів;
– провести розслідування обставин і причин виникнення
професійного захворювання;
– скласти акт розслідування хронічного професійного
захворювання.
За результатами розслідування комісія складає акт проведення
розслідування причин виникнення хронічного професійного захворювання за формою
П-4 (далі - акт за формою П-4) згідно з додатком 17.
Акт за формою П-4, підписаний членами комісії з
розслідування, затверджується головним державним санітарним лікарем області,
міста, району, на водному, залізничному та повітряному транспорті, Міноборони,
МВС, СБУ, Адміністрації Держприкордонслужби, ДПтС, Держспецзв’язку, Державного
управління справами та завіряється печаткою. У разі незгоди члена комісії з
розслідування із змістом акта за формою П-4 він його підписує, письмово
викладає свою окрему думку, яка додається до акта і є його невід’ємною
частиною, про що робиться відмітка у зазначеному акті.
Акт за формою П-4 складається протягом трьох днів після
закінчення розслідування у шести примірниках та надсилається:
хворому;
робочому органові виконавчої дирекції Фонду;
первинній організації відповідної профспілки або
уповноваженій найманими працівниками особі з питань охорони праці (у разі, коли
профспілка на підприємстві відсутня);
вищому профспілковому органові;
профпатологу, який направив хворого до спеціалізованого
профпатологічного лікувально-профілактичного закладу;
підприємству.
Акт за формою П-4 разом з матеріалами розслідування
зберігається на підприємстві, в закладі державної санітарно-епідеміологічної
служби та робочому органі виконавчої дирекції Фонду протягом 45 років, а в
інших організаціях - не менше строку, передбаченого для вжиття визначених у
ньому профілактичних заходів.
.4 Реєстрація та облік професійних захворювань
Реєстрація та облік професійних захворювань ведеться в
журналі:
на підприємстві, у робочих органах виконавчої дирекції Фонду
та в установах державної санітарно-епідеміологічної служби, на підставі
повідомлень про професійні захворювання та актів форми П-4;
у лікувально-профілактичних закладах на підставі медичної
картки амбулаторного хворого, виписки з історії хвороби, діагнозу,
встановленого під час обстеження в стаціонарі, а також повідомлення про
професійне захворювання.
До цього журналу також вносяться дані щодо працездатності
кожного працівника, в якого виявлено професійне захворювання.
У разі виявлення кількох професійних захворювань потерпілий
реєструється в журналі один раз із зазначенням усіх діагнозів.
Професійні захворювання, виявлені в осіб, які приїхали на
постійне проживання в Україну з інших країн, реєструються
лікувально-профілактичними закладами, установами державної
санітарно-епідеміологічної служби та робочими органами виконавчої дирекції
Фонду за місцем проживання потерпілого в Україні, а розслідування причин цих
професійних захворювань проводиться в порядку, передбаченому міжнародними
договорами України.
5.5 Розслідування професійних
захворювань на виробництві
Роботодавець розслідує причини
виникнення професійних захворювань, з цією метою він наказом призначає комісію,
до складу якої входять:
представник
санітарно-епідеміологічної служби (голова комісії);
представник
лікувально-профілактичного закладу;
представник первинної організації
профспілки, або уповноважена найманими працівниками особа з питань охорони
праці;
представник робочого органу
виконавчої дирекції Фонду за місцезнаходженням підприємства. До розслідування,
якщо потрібно, можуть залучатися представники інших органів.
Професійне захворювання розслідується
протягом десяти робочих днів після надходження повідомлення за формою П-3.
Комісія складає акт розслідування за
формою П-4 у шести примірниках протягом трьох діб після закінчення
розслідування і надсилається роботодавцем:
потерпілому;
лікувально-профілактичному закладу,
що обслуговує це підприємство;
робочому органу виконавчої дирекції
Фонду;
первинній організації профспілки.
Примірник акта надсилається державній
санітарно-епідеміологічній службі для аналізу і контролю за виконанням заходів.
Роботодавець у п'ятиденний термін
розглядає матеріали розслідування професійного захворювання та видає наказ про
заходи щодо уникнення таких захворювань і притягнення до відповідальності осіб,
які допустили порушення санітарних норм і правил, що стали причиною цього
захворювання.
Коли заходи щодо запобігання професійним
захворюванням виконані, роботодавець письмово інформує установу державної
санітарно-епідеміологічної служби, протягом зазначеного в акті П-4 строку.
Реєстрація професійних захворювань
здійснюється на підприємстві, у робочих органах виконавчої дирекції Фонду, у
лікувально-профілактичних закладах в журналі.
Висновки
У даній дипломній роботі спроектована волоконно-оптична лінія
передавання Вінниця - Луганськ з використанням апаратури STM-4, яка працює на
довжині хвилі 1,55 мкм по одномодовому оптичному кабелю.
Проектування ЛП проводилось в декілька етапів. На першому
етапі проектування, методом зрівнювання двох можливих варіантів проходження
кабельної лінії зв'язку обрано найліпший та економічно доцільний варіант.
Для організації зв'язку між проектованими пунктами прийнято
необхідну кількість первинних цифрових потоків, яка складає 600 ПЦП. На основі
отриманих даних, обрано синхронний транспортний модуль STM-4.
Вибрано варіант траси, визначена максимальна довжина дільниці
регенерації, яка складає 94,1 км.
Виконані розрахунки оптичних параметрів волокна для
подальшої, нормальної передавальної функції.
Задача даної роботи полягає не лише побудувати лінію зв’язку,
але й здати її в експлуатацію, протестувати.
Ключовим моментом дипломної роботи являється розробка
електронного приладу та роз’яснення використання його в процесі проведення
тестування ВОЛЗ.
Модульна конструкція рефлектометра дозволяє споживачеві не
лише вибрати необхідну йому на даний момент конфігурацію приладу, але і надалі
модернізувати прилад, наприклад, встановивши, багатомодовий модуль або
одномодовий модуль з великим динамічним діапазоном.
Перелік використаної літератури
1 Топографічна
карта. України. - К.: Київська військово-картографічна фабрика, 2001.
Слепов
Н.Н. Современные технологии цифровых оптоволоконных сетей связи. - М.: Радио и
связь, 2000. - 496 с.
Оборудование
СЦИ компании "Siemens". Системное руководство. Сборник схем и
диаграмм. - К.: ОАО "Укртелеком", 2003. - 37 с.
Каталог
продукції ЗАТ "Одесакабель". Паспортна документація на кабелі ВОК. -
О.: 2001. - 181 с.
Корнейчук
В.И., Макаров Т.В., Панфилов И.П., Проживальский О.П. Проектирование
волоконно-оптических систем передачи. Учебное пособие. - О.: УГАС им. А.С.
Попова, 1999. - 118 с.
Иоргачёв
Д.В., Бондаренко О.В., Дащенко А.Ф., Усов А.В. Волоконно-оптические кабели. -
О.: Астропринт, 2000. - 536 с.
Гроднев
И.И., Гумеля А.Н., Климов М.А. и др. Инженерно-технический справочник по
электросвязи. - М.: Связь, 1964. - 768 с.
Борисевіч
Є.Г., Молдованова О.А. Оцінка техніко-економічної ефективності використання
ВОЛЗ на місцевих телефонних мережах. Методичний посібник для курсового та
дипломного проектування. - Од.: УДАЗ ім. О.С.Попова, 2000. - 38 с.
Справочник
строителя кабельных сооружений святи / Под редакцией И.С. Равича и др. - М.:
Связь, 1997. - С. 626-635.
А. В.
Листвин, В. Н. Листвин. Рефлектометрия оптических волокон. - М.; ЛЕСАРарт,
2005. - 208 с.
Основи
охорони праці: Підручник. 2-ге видання, доповнене та перероблене./ К.Н. Ткачук,
О.М. Халімовський, В.В. Зацарний, Д.В. Зеркалов, Р.В. Сабарно, О.І. Полукаров,
В.С. Коз’яков, Л.О. Мітюк. За ред. К.Н. Ткачука і М.О. Халімовського. - К.:
Основа, 2006 - 448 с.
Лінійно-кабельні
споруди телекомунікацій. Правила користування. ГБН В.2.2-33-2:2012 (Проект,
перша редакція). Розробники: С. Рибка (науковий керівник), Ю. Білоус, Л.
Бридковська, А. Ковтун, О. Краснокутська, І. Середа, О. Федоренко, Г. Шатило.
Додаток (лістинг)
[Language]=2
[FileOpenOption]=E:\AQ7932\Result\T_041125\=1
[MasterSet]_L=34_L=150_W=34_W=150
[Event]
//0:View or 1:No-View
//V_No=0 :
Fixed_No=0_DisTotal=0_DisSection=1_ConLoss=0_RefLoss=0_RefQua=1_TotalLoss=0_UnitLoss=0_Kind=0_RefCoef=0_Comment=0
//ColumnWidth_No=67_DisTotal=91_DisSection=93_ConLoss=69_RefLoss=90_RefQua=76_TotalLoss=128_UnitLoss=103_Kind=68_RefCoef=81_Comment=74
//OrderArray_No=0_DisTotal=1_DisSection=2_ConLoss=3_RefLoss=4_RefQua=5_TotalLoss=6_UnitLoss=7_Kind=8_RefCoef=9_Comment=10
[Color]
//0:black,1:white,2:gray,3:user=2
//3:user-[0-47]color table no.=36=44=40=9=8=28=18=34=24=12=25=47
[Unit]
//0:xx.xxx,1:xx.xx,2:xx.x=0
//0:xx.xxxxx,1:xx.xxxx,2:xx.xxx=0
//0:km,1:mile,2:kf=0
[Condition]
//0:Line,1:Dot=0
//0:View,1:Not=1
//0:View,1:Not=0
//0:Cross,1:Line=0
//0:View,1:Not=1
[FileList]
//MultiMode(0:SingleMode/1:MultiMode)=1
//0:File Name,1:Label String=0
//ColumnWidth=31=163
[SFT]
//SFT Mode(0:No/1:Yes)=0
[LNK]
//LNK Mode(0:No/1:Yes)=0
[PrintTrace]
//Title of Trace Print=Распечатка трассы
//Type(0:Multi Trace,1:Current Trace)=1
//Print Trace Inf(0:Trace,1:Not)=0
//Print Marker Inf(0:Add,1:Not)=0
//Print Event Inf(0:Add,1:Not)=0
//Print Color Inf(0:Color,1:Mono)=1
[BmpOut]
//ImageType(0:7260Image,1:Standard)=0
//ColorMode(0:Color,1:Mono)=0[CsvOut]//Mode(0:EventList,1:Trace)Mode=1
[RepLayPageMargin]=10.000000=5.000000=10.000000=10.000000
[RepLayPageNumber]
//page no.(0:off/1:on)=1
//start no=1
//position(0:upper/1:lower)=1
//position(0:left/1:center/2:right)=1
//section(0:off/1:on)=0=1
[RepLayFileSelect]
//Z-order=0
//=216=166=32=176=136
[RepLayWaveHeader]=0=Номер волокна=Вся
трасса=(Пусто)=(Пусто)=(Пусто)=(Пусто)=======Номер волокна=Вся трасса=Номер
неоднор=Направ измер=Общ потери=(Примечание)=(Пусто)===
[RepLayListCSV]
//event-type(0:non/1:add)=1
//both-measure(0:ave/1:ul)=0
//Label=
[RepLayListTotalList]
//(0:non/1:add)=1
//(0:std/1:abs)=0
[RepLayListLay]
//0:A-1,1:A-2,2:A-3,3:B-1=0
//0:"c,n",1:"C,N",2:"str,str"=0
//1:on,0:off=0
//1:on,0:off=1
//0:Index0,1:Index1,2:Index2,3:Index3=0=Общ потери=0
//0:Cheched,1:non=1
//1:on,0:off=1
//=0
//=8
//=11
//=E:\AQ7932\Result\T_041125
//=_11=40_12=140_13=206_21=40_22=140_23=206=0=3=2=0
[RepLayListTitle]=0=Результаты измерений
AQ7260=Месторасположение=Дата=Тип кабеля=Исполнитель=Длина кабеля=Длина
волны=Кол-во неотраж. неодн.=Измерит. оборудование=Кол-во отраж. неодн.=Пункт
измерения 1=(Примечание)=Пункт измерения 2=============Месторасположение=Тип
кабеля=Длина кабеля=Кол-во неотраж. неодн.=Кол-во отраж.
неодн.=Дата=Исполнитель=Длина волны=Измерит. оборудование=Пункт измерения
1=Пункт измерения 2=Погода=Температура=(Примечание)=(Пусто)=====
[RepLayWaveLay]
//1:print,0:not=1
//direction 0:h,1:v=0
//0:Layout1,1:Layout2,2:Layout3,3:Layout4,4:Layout5=1
//0:AQ7260,1:Standard=0
//event marker output 0:Cheched,1:non=1
//each event output 0:Cheched,1:non=1
//wl 0:1,1:2,2:3=0
//measure direction 0:1,1:2=0
//output order 0:w,1:f=1
//event order 0:c,1:f(add whole),2:e=0
//2 order 0:ul abs,1:ul=0
//=0
//fiber count=2
//=1
//w1(u)=E:\AQ7932\Result\T_041125
//w1(l)=
//w2(u)=
//w2(l)=
//w3(u)=
//w3(l)==40=120=202=40=120=202=40=120=202=40=120=202=40=120=202=40=120=202=202=40=120=202=40=120=202=40=120=202=40=120=202=40=120=202=40=120
[RepLayWaveTitle]=0=Результаты
измерений=Месторасположение=Дата=Тип кабеля=Исполнитель=Длина кабеля=Длина
волны=Кол-во неотраж. неодн.=Измерительное оборуд.=Кол-во отраж. неодн.=Пункт
измерения 1=Примечание=Пункт измерения 2=============Месторасположение=Тип
кабеля=Длина кабеля=Исполнитель=Длина волны=Кол-во неотраж. неодн.=Кол-во
отраж. неодн.=Измерительное оборуд.=Пункт измерения 1=Пункт измерения
2=Примечание=Дата=Погода=Температура=Пункт измерения 1=Пункт измерения
2=(Примечание)=(Пусто)==
[PageSetAutoGen]
//0:FileEventList,1:AutoSearch=1
//Tolerance Section Distance=5
//Uniformity=50
//Tolerance Section Distance(2way)=6
[CsvOut]=1=E:\AQ7932\Result\
[ExcelOut]=E:\AQ7932\Result\
Похожие работы на - Проект магістральної волоконно–оптичної лінії зв’язку Вінниця–Луганськ з розробкою приладу для подальшого тестування нормальної роботи по передачі цифрової інформації
|