Преобразовательные приборы

  • Вид работы:
    Курсовая работа (т)
  • Предмет:
    Информатика, ВТ, телекоммуникации
  • Язык:
    Русский
    ,
    Формат файла:
    MS Word
    119,61 Кб
  • Опубликовано:
    2015-08-21
Вы можете узнать стоимость помощи в написании студенческой работы.
Помощь в написании работы, которую точно примут!

Преобразовательные приборы















Преобразовательные приборы

1. Полупроводниковые источники излучения

Известно, что свободные носители могут рекомбинировать в полупроводнике либо с излучением фотона (кванта света - излучательная рекомбинация), либо с образованием фонона (кванта теплового возбуждения - безизлучательная рекомбинация, см. раздел 1.5). Характер рекомбинации определяется структурой энергетических зон, между которыми происходит рекомбинация и рассмотрена в первом разделе.

Обычно рекомбинация происходит спонтанно и самопроизвольно, синхронизация которой позволяет получить значительные мощности.

Следует отметить, что все излучающие полупроводниковые приборы характеризуются энергетическими и световыми параметрами. Излучение имеет определенный спектральный состав, который в функции от длины волны излучения определяется плотностью потока излучения

 [Вт/мкм],

причем полный лучистый поток при непрерывном спектре

 [Вт].

В световых, за единицу (сила света - кандела) принимается сила света, испускаемая стандартной площадью абсолютно черного тела при температуре 2042 К. За единицу светового потока принимается Ф-люмен (лм) - поток, испускаемый силой в 1 канделу (кд) в телесный угол равный 1 стерадиану (ср).

Полупроводниковыми источниками излучения служат в основном светоизлучающие диоды (СИД) и инжекционные лазеры (ИЛ), основные требования к которым:

узкая спектральная полоса излучения (для СИД около 25 мм, для ИЛ 1-2 мм);

высокая эффективность преобразования энергии возбуждения в энергию излучения; - высокие направленность излучения, срок службы (105-106 часов), температурная и радиационная стойкость, быстродействие (10-9 сек);

малогабаритность, совместимость с ИС, технологичность, экономичность.

Этим требованиям (кроме высокой эффективности и направленности излучения) вполне удовлетворяют светодиоды.

СИД - это источники излучения для линий связи со скоростью передачи информации до 200 Мбит/с. ИЛ по своим параметрам наиболее полно удовлетворяют большинству требований, предъявляемых к источникам излучения и они могут обеспечивать безретрансляционную передачу данных на расстояния более сотен километров со скоростью, превышающей 10 Гбит/с.

 

. Светоизлучающие диоды


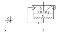
СИД - это полупроводниковый прибор (условное обозначение рис. 1,а), на основе выпрямляющего контакта (вырожденных полупроводников, одинарных и двойных гетероструктуры), который дает некогерентное излучение и работает на прямой ветви, при протекании прямого тока, вызывающего инжекцию неосновных носителей в базовую область диодной структуры. Инжектированные носители заряда рекомбинируют либо вблизи р-n-перехода, либо в области объемного заряда с испусканием фотона. При этом носители переходят с более высокого энергетического уровня на более низкий, а избыточная энергия излучается в виде ЭМВ (светового диапазона) с длиной волны λ, определяемой изменением энергии носителя ∆Е

,

где h - постоянная Планка, С - скорость света.

При рекомбинации, для излучения кванта, необходимо чтобы выполнялся как закон сохранения энергии, так и закон сохранения импульса (состояние электрона внутри разрешенных зон характеризуется значением энергии Е и волнового вектора k, определяющего его квазиимпульс р и если рекомбинация не сопровождается изменением колебательного состояния решетки, переход называется прямым, иначе - непрямым).

Основным параметром его является его внешний квантовый выход:

, (1)

где NФ - число излученных квантов, Nэ - число проходящих через СИД за то же время носителей заряда. Очевидно , где nф - число рожденных квантов;  - внутренний квантовый выход; Кп - коэффициент потерь при выводе излучения.

Природа потерь ясна из рассмотрения следующей схематической конструкции СИД (см. рис. 1,б).

Потери при выводе излучения определяются четырьмя причинами:

потери за счет полного внутреннего отражения (кванты 2 на рис. 1, б), так при выводе квантов из GaAs не испытывают полного внутреннего отражения лишь те кванты, которые падают на поверхность раздела под углом, меньшим 17о (показатель преломления GaAs: n » 3,3¸3,8);

потери за счет просто отражения от поверхности основных идущих к ней квантов 1;

потери на самопоглощение в кристалле (кванты 3);

потери за счет излучения не в нужную сторону (кванты 4 и 5).

Очевидно, что для уменьшения перечисленных потерь необходимо так спроектировать СИД, чтобы кванты генерировались на всей глубине h полупроводника только одного типа, причем эту глубину h следует сделать небольшой, чтобы кванты генерировались ближе к выходу. Поэтому при проектировании СИД используются либо гетеропереходы либо p-n-переходы, в которых n-область сильно легирована донорными примесями, а p-область слабо легирована акцепторными. При этом идет односторонняя большая и далекая инжекция электронов в p-область (при приложении поля) и люминесцентное излучение идет по всей p-области, которая называется базовой областью СИД.

Рис. 1

Структуры СИД диапазона 0,8-0,9 мкм, как правило, представляют систему AlGaAs/GaAs, а для диапазона 1,2-1,7 мкм - GaInAsP, сочетающие высокий квантовый выход электролюминесценции, малое поглощение излучения при выводе его из кристалла и высокое быстродействие. В настоящее время распространение получили две основные модификации приборов: с выводом излучения в направлении, перпендикулярном плоскости p-n-перехода - поверхностные СИД и с торцевым выводом, параллельно плоскости p-n-перехода - торцевые СИД. Оба вида СИД работают при управляющих токах 100-200 мА и обеспечивают Рвых = 2-6 мВт. Поверхностные СИД обычно излучают в окружающее пространство большую (примерно в 3 раза) мощность, чем торцевые.

Частотная характеристика СИД определяются соотношением

, (2)

где t - время жизни неосновных носителей; f - частота вариации излучения.

Наибольшее распространение получили СИД с поверхностными излучателями в которых для расширения полосы частот выполняется сильное легирование активного слоя при большом различии концентраций носителей в активной и прилегающих областях, однако это снижает внешнюю эффективность диода.

Для получения большей мощности излучения применяют суперлюминесцентные диоды, занимающие промежуточное положение между ИЛ и СИД. Такие диоды представляют собой торцевые излучатели и изготовляют в виде обычной четырехслойной лазерной гетероструктуры. По сравнению с СИД суперлюминесцентный диод (СД) характеризуется более высоким дифференциальным квантовым выходом излучения, меньшей спектральной шириной излучения.

Однако достижение таких характеристик требует увеличения тока накачки до уровня, сравнимого с током накачки ИЛ. Дифференциальный внешний квантовый выход излучения на СД выше, чем у обычных СИД, а сигнал претерпевает минимальные искажения при модуляции. В этом случае спектральное положение и ширина полосы излучения, а также диаграмма направленности (ДН) излучения меняются с изменением Iн незначительно. Мощность излучения таких диодов возрастает при увеличении длины диода. Снижение времени жизни носителей благодаря эффекту стимулированного излучения позволяет увеличить частоту модуляции суперлюминесцентных диодов до 1 ГГц.

Диапазон длин волн видимого глазом человека света составляет 0,45 мкм < λ < 0,68 мкм, поэтому для светодиодов используют полупроводниковые материалы со сравнительно большой шириной запрещенной зоны Е > 1,5 эВ (карбид кремния, фосфид галлия, сульфид кадмия, твердые растворы, имеющие состав, галлий-мышьяк-фосфор. галлий-мышьяк-алюминий).

Путем добавления в полупроводниковых материал атомов активаторов можно изменять в некоторых пределах цвет излучения (например, меняя концентрацию цинка и азота в фосфиде галлия, цвет свечения можно изменять от красного 0,65 мкм до зеленого 0,55 мкм).

По сравнению с ИЛ СИД отличаются большим сроком службы, меньшей чувствительностью к деградации, более слабой температурной зависимостью излучаемой мощности и более высокой линейностью характеристик. Однако СИД проигрывают лазерным источникам по таким параметрам как ширина спектра излучения, эффективность ввода излучения в ВОЛС и выходная мощность. Тем не менее, он сохраняют свои позиции из-за низкой стоимости и простоте эксплуатации.

Основной задачей разработчиков СИД - повышение квантового выхода, т.е. сокращение потерь энергии выделяемой в виде колебаний кристаллической решетки - фононов. Следует помнить, что колебания решетки (фононы обладающие малыми скоростями, близкими к скорости звука в кристалле Vфонона≈ Vзвука=103 м/сек, т.е. в 105 раз меньше скорости фотона) могут унести значительно больший импульс ∆р чем фотон, хотя энергия, уносимая фононом, может быть очень мала.

Основные параметры светодиода:

- сила света Jv - в канделах (световой поток/ единицу телесного угла в направлении, перпендикулярном к плоскости излучения) при заданном рабочем токе;

- яркость L = Iv/м2 - кандела/м2 при заданном I прямом;

- величины Uпрямое; допустимый прямой ток Iпр.макс; Uобрат.макс; Uобрат. импульсное;

- максимум спектрального распределения λмакс.

Основные характеристики: вольтамперная; L = f(Iпр) - яркостная характеристика или зависимость Iv=f(Iпр) световая характеристика; спектральная.

Вольтамперная характеристика светодиода аналогична обычному выпрямительному диоду рис. 2.


Рис. 2

Рис. 3

Основные параметры диодов зависят от температуры, например, рис.3 зависимость яркости (силы света) практически линейна.

Эта зависимость прослеживается и на спектральной характеристике рис. 4.

Светодиоды обладают высоким быстродействием, так время нарастания излучения порядка 10-8С.

Выпускаются СИД с переменным цветом свечения (АЛС331А). Они содержат в корпусе два светоизлучающих перехода, один из которых имеет резко выраженный максимум спектральной характеристики в красной полосе, а другой в зеленой. При их совместной работе цвет определяется соотношением токов через переходы.

Светодиоды в основном применяются как элементы индикации включения, готовности аппаратуры к работе, наличия напряжения питания в блоке, аварийной ситуации и других состояний.

Рис. 4

КПД у СИД обычно не превышает 3%. Наиболее распространенная схема включения приведена на рис.5. СИД нашли широкое применение в оптронах, то есть в устройствах содержащих одновременно и СИД и линию передачи излучения и фотоприемник. Такие системы являются самыми помехозащищенными и давно успешно используются в технике.

Изменение цвета излучения достигается введением активаторов, либо подбором удельных концентраций многокомпонентных соединений. Разработан ряд приборов специального, достаточно широкого применения:

Рис. 5

- линейные шкалы на основе СИД (АЛС317А, Б, В, Г, 3ЛС317А, Б, В, Г, Д) с различным количеством сегментов, и на основе светодиодных эпитаксиальных структур АЛС345А, В, 3ЛС345А, АЛС345А-5, 3ЛС345А-5 выполнены в виде гибридных ИС и предназначенных для записи информации на фотопленку

- цифробуквенные индикаторы АЛ113А-С однозначные, до АЛС333А-Г, 334А-Г, АЛ306А-И;

- многозначные АЛС330А-К;329А-И - микрокалькуляторы и др.

. Лазеры

Оптические квантовые генераторы (ОКГ) - приборы, использующие стимулированную излучательную рекомбинацию которые представляют собой резонатор с "активной средой", находящейся в возбужденном состоянии.

Обычно атомы спонтанно переходят на низшие энергетические уровни, поэтому свет, испускаемый группой атомов, некогерентный. В ОКГ реализуется индуцированное, упорядоченное излучение атомов. При стимулированном - индуцированном излучении переходящий в нормальное состояние атом излучает фотон той же фазы и частоты, как и у индуцированного фотона. Такой механизм индуцированных переходов приводит к размножению индуцирующего излучения и образованию лавины фотонов мощного когерентного монохроматического излучения. Генерация в таких системах (с инверсной заселенностью) возникает при наличии обратной связи, осуществляемой в ОКГ с помощью резонатора. В полупроводниковом лазере им служит сам образец.

Для создания инверсной заселенности ОКГ с полупроводниковой активной средой используют различные методы:

- метод оптической накачки;

- возбуждение полупроводника пучком быстрых электронов;

- инъекция электронов и дырок через р-п переход.

В последнем, наиболее распространенном случае, при создании электрического поля в р-n-переходе достаточной величины, из-за снижения потенциального барьера, обедненная область заполняется носителями тока (электронами зоны проводимости и дырками валентной зоны). В ОКГ переходы происходят между занятыми электронными состояниями в зоне проводимости и вакантными состояниями в валентной зоне в области р-n-перехода. (Переходы реализуются не между двумя узкими энергетическими уровнями, а между состояниями, распределенными по энергии).

Распределение электронных состояний в полупроводнике дано на рис.6, где (а) - собственный полупроводник (нелегированный) при низкой температуре (заполненные уровни обозначены темными кружками, свободные - светлыми; (б) - донорная примесь (вырожденный n-типа); (в) - акцепторная (вырожденный р-типа); (г) - дважды вырожденный (он может существовать только при отсутствии теплового равновесия и характеризуется двумя энергиями Ферми ЕFV и ЕFC).

Рис. 6

Как видно из рис. 6, переходы, индуцированные накачкой, могут идти только с поглощением энергии (на незанятые уровни а, б, в), т.к. незанятые уровни всегда выше чем занятые. В случае (г) это уже невозможно, т.к. при частотах ν1, таких, что ∆Е < hν1 < EFC-EFV, могут индуцироваться только переходы направленные вниз от заполненных состояний в зоне проводимости к незаполненным в валентной. При этом электрон отдает свою энергию полю излучения, которое и усиливается, а поле с частотой ν1 - поглощается - накачка. Условие усиления тогда будет EFC - EFV> hν > ∆Е, что выполняется при любой температуре. Такое состояние и соответствует условию инверсной заселенности, поэтому р-n-переход оказывается способен усиливать электромагнитные колебания за счет вынужденного излучения квантов при переходе электронов из зоны проводимости в валентную зону

Аналогичные переходы можно получить и в гетероструктурах используемых в инжекционных лазерах (ИЛ). Гетеролазеры имеют в десятки и даже сотни раз меньшую пороговую плотность тока, и значительно более высокий КПД, чем гомолазеры. Это вызвано, в частности, тем, что в гетеролазере нет необходимости легировать полупроводник до вырождения (т.к. высокая концентрация носителей в рабочей области перехода достигается большой инжекцией электронов в базу), а это способствует уменьшению потерь на безызлучательную рекомбинацию при взаимодействии электронов с легирующими примесями.

Если толщины узкозонного и широкозонного полупроводников уменьшать до долей микрона, то можно создавать квантовые ямы - аналоги потенциальных ям (ядер) одиночных атомов, а уровни энергии такой ямы строго квантованы. Поэтому если, пропуская ток через такую структуру, так подобрать напряжение U, определяющего их энергию проходящих через потенциальные барьеры (AlGaAs) электронов, чтобы эта энергия соответствовала разрешенному уровню энергии в яме GaAs, когда U = Uраз, то электроны путем туннельного эффекта будут проникать в яму на эти уровни зоны проводимости, создавая инверсную населенность по отношению к дискретным уровням ям для дырок, имеющимся в валентной зоне GaAs. Это позволяет реализовать стимулированное излучение в такой яме. На этом принципе основана работа наиболее перспективных в настоящее время лазеров на квантовых ямах. Для повышения мощности таких лазеров используется не одна яма, а целая последовательность ям, образующих так называемую сверхрешетку, в которой отдельные уровни расплываются в узкие разрешенные зоны энергии (минизоны).

Обладая высокой диэлектрической проницаемостью, от качественно полированной поверхности получают отражение более 30%. Резонатор выделяет те типы колебаний, на которые он настроен, при этом поток будет усиливаться, если число индуцированных переходов с испусканием фотонов будет больше числа переходов с поглощением фотонов той же частоты. Для этого необходимо, чтобы число атомов на верхнем уровне превосходило число атомов на нижнем уровне, т.е. чтобы система находилась в состоянии инверсной заселенности.

Есть несколько вариантов конструктивного и технологического выполнения двойных гетеропереходов. Одной из наиболее распространенных является конструкция типа "зарощенной гетероструктуры" (рис.7) в которой волноводный канал образуется слоем p-GaAs имеющим высокий показатель преломления (n = 3,7), тогда как "заращивающие" его слои GaAlAs имеют более низкий показатель преломления, а световая волна в таких случаях, как известно, стремится в среду с большим показателем преломления. В таких структурах ширина полоски может быть доведена до 2 мкм и за счет этого пороговый ток при комнатной температуре может быть снижен до 10 мА при излучаемой мощности 1¸2 мВт. В инжекционных лазерах есть три типа отражающих структур, которые являются частично отражающими зеркалами лазерных резонаторов Фабри-Перо.

Во-первых, это обычная плоская граница p-GaAs и воздуха (торцевые ИЛ), которая дает коэффициент отражения Г = (n-1)2/(n+1)2= 0,33, причем угол расхождения выходного луча в плоскости параллельной излучающему слою равен в этом случае »10¸30о, а в перпендикулярной плоскости »30¸60о.

Во-вторых, это - дифракционная решетка, которая в виде гофрированной поверхности наносится на участки длины h диэлектрика, являющегося продолжением слоя p-GaAs, там где этот слой не закрыт ограничивающим и контактным слоями.

Такие отражатели используют распределенное брэгговское отражение и называются РБО-отражателями. Шаг гофра обычно бывает 0,15¸0,45 мкм. Этот шаг и угол ввода и вывода света, если свет выводится из РБО системы, обычно выбирается так, чтобы дифракционный максимум был направлен внутрь слоя p-GaAs (резонатора). И, наконец, ввод и вывод излучения может производиться с помощью призмы, которая располагается на расстоянии 0,2l от пленки p-GaAs, и хотя идущий снаружи луч, отражающийся от нижней грани призмы, испытывает полное внутреннее отражение, он все же частично (за счет эффекта оптического туннелирования) проникает в пленку и возбуждает в ней волну, причем КПД перехода луча бывает до 80¸90% при согласованной призме.

Рис. 7

Кроме того, в ИЛ часто используются резонаторы с распределенной обратной связью, работа которых основана на отражении волн от периодической серии неоднородностей, образованных в волноводе, являющемся обычно активной средой.

Инерционность ИЛ при модуляции тока определяется емкостями и сопротивлениями распределенных структур и бывает порядка 10-10¸10-9с. А полный КПД излучения может достигать 45%.

Основное преимущество ИЛ состоит в том, что они допускают непосредственную модуляцию простым изменением тока возбуждения. В соответствии с длиной волны излучения источники подразделяют на "коротковолновые", работающие в диапазоне 0,8-0,9 мкм, и "длинноволновые", излучающие на длинах волн от 1,2 до 1,7 мкм.

Особенность когерентного излучения лазерных источников существенно отлично от некогерентных т.к. их световой поток может быть сфокусирован на площади, сравнимой с длиной волны, тогда как для СИД этот размер не меньше источника излучения. Именно поэтому применение лазеров позволяет получить сверхвысокие температуры в малом объёме (1010-1012 К), что в 108 раз выше температуры Солнца.

Впервые полупроводниковые инжекционные ОКГ (ПКГ) были реализованы на р-n-переходах в GaAS, затем при возбуждении электронным пучком и только после этого - при использовании оптической накачки.

Вид кристалла ПКГ приведен на рис.8, где размеры даны в микронах.

Рис. 8

Рис. 9

Ширина линии излучения в ПКГ на основе р-n-перехода в GaAs не превышает 0,0017Ǻ и переход в этот режим осуществляется путем повышения тока накачки выше порогового значения, как показано на рис.9. Обладают они и высоким КПД 70-80%. Такие ОКГ могут быть созданы буквально микронных габаритов, причем время установления в них излучения порядка 10-12-10-13 секунды. Это позволяет использовать их для создания сверхбыстродействующих схем и отдельных элементов для ЭВМ.

Уже сегодня узкая направленность лазерного пучка ПКГ (1х60) позволяет с успехом использовать его для целей космической связи. С помощью существующих сегодня ОКГ можно осуществить связь на расстоянии более 10 световых лет (10 парсек).

Применение их сегодня позволило: получить сверхвысокие температуры в малом объеме (эффективная плотность излучения ОКГ 1010-1012 К, т.е. в 107-108 раз выше температуры излучения Солнца);

- "сверлить" тончайшие отверстия, сваривать и резать сверхтвердые и тугоплавкие материалы;

- создать новые эталоны частоты времени, длины.

Большую роль в развитии квантовой электроники сыграли советские ученые Н.Г. Басов, А.М. Прохоров, которым в 1964 г. совместно с американским физиком Ч. Таунсу была присуждена Нобелевская премия.

В таблице приведены некоторые сведения о современных ОКГ.

Таблица 1

№ п/п

Материалы

Длина волны излучения, мкм

Метод возбуждения

1.

GaAs -GaP

0,65-0,9

р-n-переход

2.

InAs-InP

0,9-3,2

То же

3.

GaAs-InAs

0,85-3,2

-"-

4.

PbSe

8.5

-"-

5.

PbTe

6,5

-"-


InP

0,9

-"-

7.

GaSb

1,6

-"-

8.

GaAs

0,85

9.

CdS

0,5

Пучок быстрых электронов

10

GaAs

0,85

-"-


В ОКГ возможна реализация и двухквантовых переходов, т.е. если имеется инверсия заселенности между двумя уровнями с разностью энергий hν, то возможна генерация на двух частотах ν1 и ν2 удовлетворяющих условию

ν1 + ν2 = ν.

Такие ОКГ могут обеспечить более быстрый рост плотности поля, чем в обычных ОКГ, а также должен реализовать практические возможности получения любой частоты ν в пределах соблюдения приведенного условия.

При использовании оптической накачки для ОКГ обычно применяют рубиновый лазер. Так как глубина проникновения света в кристалле GaAs велика (≈ 0,3 ± 0,4 мкм) возбуждается большой объем полупроводника, что позволяет получать значительную выходную мощность (≈ 200 кВт). ОКГ с оптической накачкой можно использовать как преобразователи излучения одной длины волны в когерентное излучение другой длины волны.

. Электролюминесцентные и плёночные излучатели

К излучающим приборам относятся также и элементы, в которых свечение вызывается воздействием электрического поля или электронного луча - это так называемые электролюминофоры (наносимые на прозрачные стеклянные подложки в виде порошковых слоев со связующим веществом или в виде тонких сублимированных и осажденных пленок люминофора) и электролюминесцентные конденсаторы.

Конструктивно электролюминесцентные конденсаторы представляют собой плоский конденсатор рис. 10, одной из обкладок которого является сплошной полупрозрачный электрод - 1, а другой - электрически разделенные металлические площадки (мозаичный электрод) - 2.

Между электродами помещается тонкий слой смеси органической смолы и люминесцентного порошка - 3, приготовленного на основе InS и InSe. При приложении к индикатору переменного напряжения в слое люминисцентного порошка возникает световое излучение.

Рис. 10

Основную роль в возбуждении и ионизации центров люминесценции играет процесс ударной ионизации. Начальные электроны при наличии электрического поля поставляются в свободную зону различными источниками. Одним из вероятных источников можгут быть фазы с большой удельной проводимостью, образующиеся на поверхности зерен при получении электролюминофора (т.е. Cu2S и др. соединения).

Процесс ударной ионизации центров люминисценции развиваются при локальных напряженностях поля порядка 108 В/м в тонких слоях электролюминофора, в то время как среднее значение Еср=106-107 В/м. Поэтому пробоя электролюминесцентного конденсатора не происходит и он может длительно светиться под действием напряжения.

Электрическое поле концентрируется в тех областях, в которых удельное сопротивление больше, чем в остальном объеме; например, на поверхности зерен, где из-за наличия поверхностных состояний могут возникать обедненные носители слои. Обедненные слои могут возникать и под воздействием поля вследствие ухода электронов из прикатодной области и образовании положительного пространственного заряда. Области, в которых возможны повышенные напряженности поля, образуются также у контактов с фазой большей проводимости и у металлических электродов.

Так происходит процесс возбуждения электролюминофора в электрическом поле.

Второй стадией является процесс высвечивания, состоящий в возвращении возбужденных центров люминесценции в нормальное энергетическое состояние.

Для излучательной рекомбинации необходимо, чтобы внешнее поле либо изменило свое направление, либо было снято. При этом электроны, освобождаемые тепловой энергией и полем из ловушек, начинают двигаться к ионизированным центрам люминесценции и рекомбинируют. Часть этих явлений представляет собой излучательные переходы. Цвет излучения определяется глубиной залегания энергетических уровней активатора. Добавляя различные активаторы, получают различные цвета свечения: зеленый, голубой, красный и различную длительность послесвечения (ловушки).

В зависимости от конструкции заднего непрозрачного электрода можно отображать различные символы, а также создавать матричные экраны.

"Возбуждение" электролюминесцентных индикаторов осуществляется переменным напряжением синусоидальной формы с эффективным значением 220 В и частотой от 400 до 1000 Гц. Цвет свечения определяется частотой возбуждения, при этом с ростом частоты длина волны уменьшается.

Основными параметрами электролюминесцентных индикаторов являются следующие:

- яркость излучения L (кандела/м2 до 40);

- неравномерность (средняя) свечения

Нсв=(L-Lср)/Lср;

- контраст возбужденных элементов К по отношению к невозбужденным

К = (Lв+Lнв)/Lнв(возбуж, невозбужд.);

- напряжение возбуждения Uвозб.

Рис. 11

Основной характеристикой индикаторов является зависимость яркости от напряжения возбуждения, и от времени наработки (пример, для 3ЭЛ-41 при f = 400 Гц см. рис. 11).

Выпускаются и различные информационные табло стандартные характеристики элементов которых: яркость свечения - 20 кд/м2, потребляемый ток - 0,5-25 мА, размеры ячейки - 4,0´0,7 мм.

. Внутренний фотоэффект

Поглощение света вызывает в полупроводниках различные электронные переходы. Одна часть переходов приводит к образованию избыточных носителей, другая - нет. Граница полосы собственного поглощения определяется энергией hn, равной ширине запрещенной зоны. Длинноволновая граница внутреннего фотоэффекта совпадает с границей поглощения света

 (3)

В любом случае эта величина меньше длинноволнового порога внешнего фотоэффекта. Фотоэффект - основа работы большинства полупроводниковых фотоэлементов.

Фоторезистор

Простейшим полупроводниковым фотоэлементом, работающим на эффекте наведенной фотопроводимости является фоторезистор (ФР) - прибор, изменяющий свою проводимость при наличии освещенности в заданном частотном диапазоне (ФСК-0,…7, СФ2-1,… 4-3Д, ФПФ7-1,… 9-2, ФДК-1, ФД-3К,…29КП,…20-33К, ФД252,…265Б и др.). Он представляет собой тонкий слой полупроводникового материала с большой фоточувствительностью (сульфиды, селениды, теллуриды свинца, цинка, кадмия и др.). Поскольку ширина запрещенной зоны полупроводниковых материалов находится в диапазоне 0,1-3 эВ, то фотопроводность обнаруживается в инфракрасном, видимом и ультрафиолетовом спектрах света.

Энергия фотона затрачивается на образование p-n-пар и определяется длиной волны излучения. В схемах фоторезисторы включают последовательно с нагрузкой (рис. 12,а).

При этом фототок определяется разностью полного и темнового токов т.е.

,

откуда с учетом рис.12,а можем записать      

.

Если световой поток мал (Ф мало), фототок прямо пропорционален световому потоку, световая добавка носителей мала и наблюдается линейная рекомбинация. Когда Ф велико, неравновесная концентрация носителей превышает равновесную и рекомбинация становится квадратичной.

Рис. 12

Основными характеристиками ФР являются: вольтамперная и световая, которые приведены на рис. 12,б, в.

Фоторезистор обладает значительной инерционностью и постоянная времени равна времени жизни неравновесных носителей, поэтому наиболее чувствительные ФР более инерционные.

Основные параметры ФР:- темновое сопротивление,Ф - темновой ток, кратность изменения сопротивления RT/RC, интегральная чувствительность

КИ = dIФ/Ф.

Фотодиоды

Приборы с p-n-переходом, обратный ток которых зависит от освещенности. На фотодиод (ФД) в традиционном режиме работы подают запирающее (обратное) напряжение, и в случае Ф = 0 через прибор протекает малый обратный тепловой ток, как в обычном диоде.

При освещении ФД, генерируемые электронно-дырочные пары увеличивают поток дырок из n в p и электронов из p в n, при этом обратный ток увеличивается пропорционально световому потоку Ф. ВАХ ФД имеет вид, приведенный на рис. 13.

Структура ФД совпадает с обычным диодом и по аналогии с ними создаются и p-i-n-диоды (см. рис. 14, а).

Различаю два, принципиально различных, режима работы ФД:

фотогальванический;

фотодиодный.

Рис. 13

В первом - ФД работает как высокочувствительный приемник излучения в спектральной полосе поглощения.

Во втором - это элемент солнечных батарей, т.е. прибор - преобразующий падающий свет в ЭДС с КПД порядка 10-12%. При этом максимальный ток короткого замыкания и напряжение холостого хода определяются параметрами ФД и интенсивностью падающего света.

Следует иметь в виду, что приборы фотодиодной группы не выдерживают высоких обратных напряжений. Определение оптимальной нагрузки для получения максимальной мощности производят по выбору максимальной площади квадрата, заштрихованного на рис.13.

Изготовляются ФД в основном из Ge, Si, а инерционность их определяется временем диффузии. Разработаны и находят достаточно широкое применение и фото ДБШ, свойства которых определяются параметрами полупроводникового материала и концентрацией примеси.

Основные параметры фотодиодов совпадают с фоторезиситорами, но добавляются эксплуатационные, ограничивающие рабочий ток и напряжение.

Лавинные и p-i-n фотодиоды

ФД с p-i-n-структурой состоит, как показано на зонной структуре, рис.14,а из n+-подложки слаболегированного слоя (i-слоя) и тонкого p+-слоя толщиной 0,3 мкм. При приложении обратного смещения обедненный слой распространяется на весь i-слой и слой собственной проводимости. В результате уменьшается емкость перехода, расширяется область поглощения света и повышается чувствительность ФД. Падающий свет, затухая по экспоненциальному закону в зависимости от значения коэффициента поглощения , вызывает появление фотовозбужденных носителей заряда. Фотовозбужденные носители, появившиеся в обедненном слое, ускоряются электрическим полем обедненного слоя до скорости насыщения дрейфа (~ 107 см/с). Эту область называют областью дрейфа. Так как фотовозбужденные носители за пределами обедненного слоя в р+- и n+-слоях движутся за счет диффузии, то их скорость движения, равная »104 см/c, оказывается на три порядка ниже скорости дрейфа. Этот диффузионный ток является причиной ухудшения быстродействия ФД, которое проявляется в виде "хвоста" импульсной характеристики.

Поскольку эти возбужденные носители перемещаются на расстояние порядка диффузионной длины и рекомбинируют, то тем самым уменьшается квантовый выход. Чтобы одновременно удовлетворить требованиям быстродействия и высокого квантового выхода, необходимо, чтобы область поглощения света находилась в обедненном слое. Для этого при проектировании фотодиода делают р+-слой как можно тоньше, а толщину i-слоя выбирают большей длины поглощения света (1/). При этом длина поглощения для кремния на длине волны 0,8 мкм составляет 10-20 мкм, а величина рабочего напряжения, необходимая для получения достаточно широкого обедненного слоя, оказывается сравнительно низкой - порядка 1-20 В.

В ЛФД (рис. 5.9,б) обедненный слой, возникающий при приложении обратного напряжения, также необходимо рассматривать как область поглощения света; однако для создания ударной ионизации с помощью фотовозбужденных носителей рядом с p-n-переходом создают область с высоким значением напряженности электрического поля (более 105 В/см), которую рассматривают как область лавинного умножения. Если фотовозбужденные носители, возникшие в результате поглощения света в области дрейфа, инжектировать в область лавинного умножения, то под действием непрерывной ударной ионизации возникнет лавинное умножение фотовозбужденных носителей.

Обычно ЛФД, благодаря эффекту лавинного умножения, обладают большей чувствительностью по сравнению с обычными ФД. Если напряжение смещения обозначить через V, а напряжение пробоя через Vп, то коэффициент умножения М приближенно может быть представлен эмпирической формулой:

. (4)

Он принимает различные значения в зависимости от напряжения смещения. При  с повышением напряжения происходит резкое увеличение коэффициента умножения, который может принимать высокие значения порядка М » 1000. С другой стороны, коэффициент умножения сильно изменяется при изменении напряжения и температуры, что является недостатком. При этом температурный коэффициент изменений напряжения пробоя составляет » 0,2%/oC. В схеме питания ЛФД необходимо предусмотреть меры, которые бы устраняли влияние этих изменений.

На рис.15,а, б приведены конструкции ЛФД и p-i-n-ФД, где 1 - просветляющая пленка; 2 - электрод (омический контакт); 3 - защитное кольцо; 4 - изоляция. Для предотвращения отражения света от поверхности все ФД покрываются просветляющей пленкой.

Рис. 14.

Защитное кольцо по периметру p-n-перехода служит для повышения напряжения пробоя, предупреждения локального лавинного пробоя (микроплазмы) и осуществления равномерного лавинного усиления. В кремниевом ЛФД из-за расширения обедненного слоя до 20 мкм и более рабочее напряжение падает.

Рис. 15

Поэтому область обедненного слоя формируют в виде р-(p)-слоя низкой концентрации, а лавинную область, требующую большой напряженности электрического поля, - как р-слой с высокой концентрацией носителей. На рис. 15,а приведена конструкция кремниевого ЛФД со структурой n+pрpр+, где уменьшением напряженности электрического поля в области лавинного умножения оказывается возможным получить широкий обедненный слой с высоким квантовым выходом. При этом напряжение пробоя оказывается низким, а быстродействие - высоким. Например, при Vп = 100 - 150 В быстродействие оказывается равным приблизительно 300 пс. Быстродействие ЛФД ограничено временем пробега фотовозбужденных носителей и постоянной времени RC-цепочки. В области дрейфа скорость дрейфа достигает ~ 107 см/c, так что время пробега при ширине обедненного слоя 100 мкм оказывается небольшим, около 1 нс. При ширине несколько десятков микрометров и ниже получается быстродействие порядка нескольких ГГц. Электростатическая емкость определяется суммой паразитной емкости корпуса и емкости перехода, зависящей от диаметра фотоприемной части и обедненного слоя. Она составляем 1-2 пФ.

Рис. 16

Следовательно, если сопротивление нагрузки положить равным 50 Ом, то постоянная времени RC-цепочки будет составлять 50-100 пс.

Все виды фотодиодов могут использоваться в электронных схемах для приема световых сигналов, при этом схемы их включения определяются техническими требованиями (см. рис.16).

Фототранзисторы

Биполярным фототранзистором (ФТ) называют полупроводниковый прибор на основе использования внутреннего фотоэффекта с двумя p-n-переходами и с дополнительным усилением фототока на втором p-n-переходе. Такой ФТ (рис. 17,а) состоит из монокристалла полупроводника n-типа - базы, - в котором с двух сторон созданы сплавные p-n-переходы - коллекторный и эмиттерный. Значительное усиление фототока ФТ наблюдается при его включении с "оторванной" базой, эквивалентная схема которого дана на рис. 17, б. При этом на эмиттерный переход подается напряжение в прямом, а на коллекторный - в запирающем направлении (энергетическая диаграмма см. рис. 17,в).

Рис. 17

Входным сигналом для ФТ служит падающий поток излучения Ф, который и управляет током в цепи. Когда ФТ не освещен, через него протекает ток, определяемый неосновными носителями, инжектиро-ванными из эмиттера, прошедшими базу и достигшими коллектора. Несмотря на то, что переход база-эмиттер включен в прямом направлении, число дырок, инжектированных эмиттером на базу, невелико, а сам ток фактически мал. Объясняется это тем, что дырки накапливаются в базе вследствие отсутствия компенсирующих отрицательных зарядов, которые не могут туда поступать из-за ее обрыва. При облучении образующиеся дырки диффундируют к эмиттеру и коллектору.

Дырки, пришедшие к коллектору, увеличивают его ток, а электроны создают избыточный не скомпенсированный отрицательный объемный заряд, уменьшающий потенциальный барьер перехода эмиттер-база и резко увеличивающий поток дырок из эмиттера в область базы.

Эти дырки, пройдя базовую область, попадают на коллектор и еще больше увеличивают ток ФТ, причем ток за счет дырок, вызванных отрицательным объемным зарядом в области базы, превосходит значение тока, определяемого дырками, генерированными в базе первоначально под действием света, т.е.

, и при ,      .

Таким образом получаем усиление фототока, что следует из выражения для тока коллектора

к = IФК/(1 - a) + IК0/(1 - a).

Если есть базовый вывод, его можно использовать для выбора начального режима и стабилизации рабочей точки ФТ при изменении окружающей температуры.

Благодаря усилению фототока интегральная чувствительность ФТ выше, чем у ФД, и достигает 0,2-0,5 А/мЛм. Вольтовая чувствительность ФТ немного выше, чем у ФД (а иногда и ниже), так как темновой ток ФД больше, а рабочее напряжение питания меньше (З В). Вольт-амперные характеристики аналогичны ФД. ФТ имеют меньшее внутреннее сопротивление, и их характеристики обладают большей крутизной, чем у ФД. Световые характеристики ФТ линейны в широком диапазоне.

По постоянной времени и частотным характеристикам ФТ уступают ФД, так как эмиттерный переход имеет большую емкость (примерно 105 пФ/см2), что увеличивает постоянную времени схемной релаксации (постоянная времени ФТ 10-4 - 10-6 с).

Кроме схемы включения с оторванной базой, рассмотренной выше, для ФТ разработаны специальные схемы включения, учитывающие необходимую стабильность его работы при изменении температуры окружающей среды. Повышения стабильности работы ФТ добиваются применением компенсирующих элементов и отрицательной обратной связи по переменному току.

Полевые фототранзисторы (ПФТ) имеют три электрода: исток, сток и затвор (рис. 17,г). Между истоком и стоком образуется фоторезистивный проводящий канал, сопротивление которого изменяется при его облучении и зависит также от потенциала затвора.

Затвор отделен от проводящего канала p-n-переходом, ширина которого модулируется потенциалом затвора. Расширение перехода уменьшает сечение канала и увеличивает его сопротивление, сужение - наоборот.

Переход затвор-канал можно рассматривать как фотодиод, в цепи которого фототок IФД, пропорциональный потоку излучения, вызывает на резисторе RЗ падение напряжения DUЗ = RЗIФД, что приводит к изменению потенциала затвора. Как и в обычном полевом транзисторе, при изменении потенциала затвора изменяется ток стока:

,

где S - крутизна характеристики передачи dIC/dUЗ при UСИ = const.

Отсюда токовая чувствительность полевого транзистора

, (5)

где Siфд - токовая чувствительность фотодиода.

Из выражения (5) следует, что токовая чувствительность полевого фототранзистора по сравнению с токовой чувствительностью фотодиода увеличивается в SRЗ раз.

Энергетические характеристики полевых фототранзисторов линейны лишь в определенных пределах изменения потока излучения. При больших уровнях потока излучения потенциал затвора становится столь малым, что его изменения практически перестают влиять на ток стока, который близок к максимальному значению.

Инерционность полевого фототранзистора определяется инерционностью цепи затвора и временем пролета носителей заряда через канал. Постоянная времени полевого фототранзистора составляет 10-7 с для малых потоков излучения.

Объединяя фотоприемные устройства с излучающими создают оптоэлементы, обладающие развязкой по входному сигналу с большим диапазоном регулирования.

Оптроны.

Одной из основных проблем схемотехнической электроники является создание хорошей развязки входа и выхода радиоэлектронного устройства. В 60-х годах было установлено, что оптимальными в отношении развязки входа и выхода являются так называемые оптроны, которые после этого получили бурное развитие, так что в настоящее время темпы роста производства оптронов характеризуется 30-40% годовым приростом. Оптроном называется оптоэлектронный прибор, состоящий из источника излучения, ИЛ или СД, приемника этого излучения, преобразующего его в электрический сигнал и канала оптической связи между ними, причем все эти три элемента объединены в одном корпусе или в одной интегральной схеме. Таким образом, оптрон в электрической схеме выполняет функцию элемента связи, в котором информация передается оптически. Это определяет основные достоинства и особенности оптронов:

- практически полная электрическая развязка входа и выхода, при которой достижимые сопротивления изоляции более 1014 Ома, а емкость связи менее 10-2 пФ;

- высокая электрическая прочность, определяемая оптической средой, когда разность потенциалов между входом и выходом может достигать десятков киловольт;

- однонаправленность потока информации и связанная с этим высокая устойчивость схем с оптронами, вследствие чего они не возбуждаются при наличии сильно рассогласованных нагрузок и разветвленных цепей;

- широкая полоса пропускания - от нулевой частоты до предельных частот излучателей и фотоприемников, лежащих в гигагерцовом диапазоне;

- конструктивное разнообразие и широта функциональных возможностей, в частности, возможность бесконтактной связи, например, через воздушную среду;

- сильная температурная зависимость и зависимость от действия ионизирующих излучений параметров и характеристик оптронов и высокий уровень собственных шумов.

Оптроны можно классифицировать по трем признакам: по используемым оптопарам, по применению и по конструкции. Так как оптрон (оптопара) содержит излучатель (И) и фотоприемник (ФП), то по используемым оптопарам оптроны можно разделить на шесть групп, основные из которых приведены на рис.18. Для современных выпускаемых нашей промышленностью оптронов принято обозначение, состоящее из 7, или даже 8, элементов, причем первые 3 элементы - буквы, затем трехзначный порядковый номер, и в конце буква, определяющая группу приборов данного типа (например, АОД101Б). Первая буква определяет материал излучателя (А - GaAs или GaAlAs); вторая буква (буква О) указывает на принадлежность прибора к классу оптопар; третья буква показывает тип фотоприемника (Д - фотодиод, Т - фототранзистор, У - фототиристор и т.д.).

Иногда в обозначениях появляется восьмой элемент - цифра, указывающая вид конструктивного исполнения. За резисторными оптопарами сохранилось их первоначальное старое обозначение - ОЭП - оптоэлектронный прибор (это были исторически первые оптроны). Кроме того, мощные тиристорные оптопары в ряде случаев имеют обозначение ТО (например, ТО-2, ТО2-10 и т.д.).

Рис. 18

По применению оптроны можно разделить на четыре группы.

. Цифровые (импульсные) оптроны, служащие для высокоскоростной передачи цифровой информации по электрической цепи.

. Аналоговые (линейные) оптроны, служащие для неискаженной передачи аналоговых сигналов.

. Управляющие или ключевые оптроны, предназначенные для бесконтактного управления мощными сильноточными и высоковольтными цепями.

. Оптроны специального (нестандартного) применения. Среди большого многообразия различных возможных нестандартных применений оптронов мы отметим только два.

- Оптроны с открытым воздушным оптическим каналом.

- Оптронные источники питания, когда в качестве фотоприемника используется фотодиод, работающий в режиме источника фото - эдс.

Конструктивного выполнения оптронов весьма разнообразно: - бескорпусные (см. рис. 19,а, где 1 - излучатель (И), 2 - фотоприемник (ФП), 3 - оптическая среда); - корпусные конструкции в пластмассовом (рис.19,б) или металлическом (рис.19,в) корпусах, где добавлены 4 - стекло; 5 - отражающая поверхность оптической среды, возвращающая рассеянный свет к ФП; - монолитные конструкции, которые могут являться составными частями интегральных оптоэлектронных схем и микросхем (рис. 19,г).

Рис. 19

Термисторы с отрицательным температурным коэффициентом

Полупроводниковые объемные резисторы с большим температурным коэффициентом сопротивления, в которых снижение сопротивления с ростом температуры обусловлено либо увеличением концентрации носителей, либо увеличением их подвижности , а также фазовыми превращениями. На схемах обозначается как показано на рис. 20.

Для термисторов, изготовленных из ковалентных полупроводников (Ge, Si, карбид Si, соединения типа AIIIBV) отрицательный коэффициент сопротивления наблюдается в случае, когда имеет место собственная электропроводность либо частичная ионизация примеси. Зависимость сопротивления полупроводника от температуры будет иметь вид:

= R*exp В/Т,

где R* - постоянная, характеризующая материал и размеры термистора; В - коэффициент температурной чувствительности (который при неполной ионизации примеси и отсутствии компенсации равен ∆Еп/2k, для компенсированного полупроводника В ≈ ∆Еп/k, а для собственной электропроводности В ≈ ∆Е/2k, ∆Е, ∆Еп - ширина запрещенной зоны и энергия ионизации примеси; k - постоянная Больцмана.

Рис. 20

Подвижность носителей в окисном полупроводнике сравнительно низкая и экспоненциально возрастает с ростом температур.

Поэтому зависимость R = f(T) здесь такая же, как и у ковалентных полупроводников, но В характеризует здесь изменение подвижности носителей заряда, а не изменение их концентрации.

Если в окисных полупроводниках, в рабочем интервале температур, реализуется условие фазовых превращений (например, V2О4, V2О3 при Т = 69-1100С), то проводимость изменяется на несколько порядков.

Различают термисторы прямого подогрева (тепло выделяется при прохождении через них тока, либо нагрев за счет изменения температуры определяющей среды) и косвенного подогрева (имеющие дополнительный источник тепла - подогреватель, это приборы типа СТ1-21, СТ3-27, СТ3-31).

В связи с чем, и основные характеристики и параметры термисторов с отрицательным температурным коэффициентом сопротивления несколько различны.

Если для приборов прямого подогрева основной является температурная характеристика R = f(T), то для приборов с косвенным подогревом - ВАХ Iт = f(Uт) при различных токах через подогреватель и подогревная характеристика R = f(Рпад).

Вид указанных характеристик приведен на рис. 21,а, б, в.

Остальные параметры идентичные:

- номинальное сопротивление (сопротивление при определенной температуре 200С; 250С, для КМТ-14, СТ1-18, СТ1-19 при 1500С) от нескольких Ом до нескольких сотен кОм;

- коэффициент температурной чувствительности В (лежит в пределах от 700 до 150000К) определяемый через измерение сопротивления при двух температурах

полупроводниковый излучение лазер фотоэффект

В = (lnR0/R)/(1/T0-1/T);

- температурный коэффициент сопротивления - показывает относительное изменение сопротивления термистора при изменении температуры на один градус:

= 1/R·dl/dT;

- постоянная времени - временной интервал в течение, которого температура прибора уменьшается в е раз (от 0,5 до 140 сек).

Кроме того термисторы с косвенным нагревом различаются по коэффициенту тепловой связи (отношение мощности необходимой для разогрева термистора до некоторой температуры при прямом нагреве, и мощности, необходимой для разогрева до той же температуры при косвенном нагреве, т.е. путем пропускания тока через подогреватель.

Рис. 21

Термисторы применяются в качестве чувствительных термометров и приборов для регулировки температуры, для компенсации температурных изменений (рамки стрелочных приборов) и стабилизации транзисторных схем и пр. Приборы с косвенным подогревом используются в основном в качестве резисторов переменной величины без скользящего контакта (дистанционное управление) для автоматического управления и регулирования радиотехнических и других технологических систем.

Позисторы

Выпускаются и находят практическое применение термосопротивления с положительным температурным коэффициентом сопротивления в ограниченном диапазоне температур (СТ5, СТ6 из титаната-бариевой керамики).

ВаТiО3 (титанат бария) - диэлектрик, сопротивление которого при введении разноземельных добавок (лантан, церий) снижается с 108-1010 Ом м до 0,1-1 Ом м. Такие материалы обладают аномальной температурной зависимостью (в узком диапазоне температур его удельное сопротивление увеличивается на несколько порядков).

Позисторы, как и термисторы в основном конструктивно оформляются в виде дисков различного диаметра и толщины, снабженных двумя проволочными выводами, припаянными к торцевым поверхностям диска.

Позисторы отличаются от термисторов не только положительным ТКR (рис. 22,а), но и тем, что его сопротивление определяется величиной приложенного к нему напряжения. Увеличение напряжения снижает величину сопротивления и уменьшает изменение сопротивления при разогреве позистора. В качестве примера приведем зависимость сопротивления позисторов (СТ6-2Б при разогреве его проходящим током - пунктирная линия) снятые при постоянном токе, при мощности рассеяния до 1 мВт. Вид ВАХ позистора приведен на рис. 22,б.

Рис. 22

Позисторы применяются в качестве датчиков систем регулирования температуры (противопожарная сигнализация, тепловая защита, ограничение и стабилизация тока в электрических схемах, термостатирование кварцевого стабилизаторов при этом они выполняют роль регуляторов температуры или нагревательных элементов). Совместно с терморезисторами они используются для температурной стабилизации режимов транзисторов; их включают в эмиттерные цепи эмиттеров.

Варисторы

Варисторы - объемные нелинейные резисторы, вольтамперная характеристика которых представляет собой кривую близкую по форме к многостепенной параболе (электрическое сопротивление их быстро уменьшается при увеличении приложенного к нему напряжения).

Нелинейность ВАХ обусловлена явлениями на контактах между кристаллами карбида кремния и определяется эффектами сильного поля и тепловым эффектом. Проявление каждого из эффектов определено величиной протекающего через варистор тока, состояние поверхности кристаллов карбида кремния и других факторов.

Процессы, происходящие в приборе усложняются тем, что он состоит из многих кристаллов полупроводника с многочисленными контактами друг с другом. Результирующая ВАХ получается как сумма всех токов, протекающих через отдельные контакты, а также падения напряжения на них. Поэтому ВАХ варистора симметрична (рис. 23,а).

Для стабилизации параметров варисторов проводят искусственное старение путем длительной выдержки при повышенной температуре (≈ 150 0С) и затем только их разбраковывают и маркируют.

Основными параметрами и характеристиками являются:

коэффициент нелинейности

β = R/r = UdI/IdU,

где R и r - статическое и динамическое сопротивление варистора при заданном напряжении, который обычно имеет вид рис.23,б;

вольтамперная характеристика I = AUβ, A = f (T и тип варистора);

температурные коэффициенты статического сопротивления, напряжения и тока

ТКU|I=const = (1/U)∂U/∂T = TKA1 R(I) = A1I1/ β-1;|U=const = (1/I)∂I/∂T = β TKA1 R(U) = Aβ1U1- β;

ТКR|U=const = TKA1 + (1/ β-1) TKI|U=const

ТКR|I=const = β TKA1 + (1-β) TKU|I=const .

Для серийных варисторов при Т = - 40 - +1000С

ТКR|U=const = TKI|U=const < 7 10-3 град-1;

ТКR|I=const = - TKU|I=const < 1,4 10-3 град-1

-        номинальная мощность рассеяния малой мощности до 1 Вт СИ1-1-1, СИ1-2-1, СИ1-2-2; большая мощность от 15 до 150 Вт;

- рабочий ток 2-10 мА (малой мощности 0; 0,05А-1,25А - большой

рабочие напряжения 15-1500 В;

частотный диапазон.

Рис. 23

Варисторы используются для:

защиты высоковольтных линий передач от атмосферных перенапряжений;

защита контактов от разрушений и схем от перенапряжений;

стабилизации токов и напряжений (в телевизорах высокое напряжении);

регулирование механических и электрических величин (питание системы отклонения телевизоров и др. аппаратуры);

преобразование частоты;

получения функциональных зависимостей.

Изготавливаются в виде дисков:

СН1-2-1 Ø16х8 1Вт I = 3мА U = 56-270 β = 3,5,

СН1-2-2 Ø12х7 1Вт I = 3мА U = 15-100 β = 3,5,

СН1-10 Ø40х10 3Вт I = 10мА U = 15-47 β = 3,2;

стержневые:

СН1-1-1, СН1-1-2 Ø49х19 1Вт I = 10мА U = 560-1200 β = 3-4,

Ø7х16 0,8Вт I = 10мА U = 560-1300 β = 3-4,

Ø35х9 2,5Вт I = 20мА U = 33 β = 4,

Ø13х120 2Вт I = 50мкА U=2500 β = 5.

Полупроводниковые гальваномагнитные эффекты и приборы

Кинетические эффекты, имеющие место при одновременном воздействии на полупроводник электрического и магнитного полей, называют гальваномагнитными эффектами.

Эффект Холла - один из гальваномагнитных эффектов. Из курса физики известно, что в магнитных полях (слабых τ << Тс, сильных τ >> Тс время релаксации носителя заряда соответственно много меньше и много больше его периода обращения по круговой орбите в магнитном поле) с индукцией В, при эффективной массе носителя заряда m*, частота циклотронного резонанса ωс определяется (из равенства центробежной силы и силы Лоренца

*v2/r = qvB) как

ωс = 2π/Т = (q/m*)B,

при этом в слабых полях имеем:


а в сильных

τ·ωс/2π = μB/2π >> 1.

То есть условие сильного и слабого магнитного поля определяется не только значением индукции В, но и значением подвижности μ.

Учитывая, что длина свободного пробега l = vτ, а радиус циклотронной орбиты r = v/ωс, то получим, что

l/r= τ ωс,

то есть в слабом магнитном поле (r >> L), носители заряда движутся по круговому пути в плоскости, перпендикулярной В и успевают до столкновения пройти малый путь по круговой орбите, а в сильном траектория искривляется очень сильно (r << L).

Для полупроводника рис.24,а, при воздействии электрического поля Е величина тока определяется законом Ома

.

При помещении образца в магнитное поле В перпендикулярного вектору тока (см. рис. 24 а), траектория движения носителей заряда изменяется в результате действия силы Лоренца

,

которая перпендикулярна плоскости векторов  и  (знак "+" соответствует дырке, "-" электрону).

Но , поэтому сила Лоренца

.

Рис. 24

Следовательно, направление силы Лоренца не зависит от знака носителя заряда и электроны и дырки отклоняются в одну и ту же сторону (правило "трех пальцев" левой руки). При этом на поверхности полупроводника возникает на одной грани дефицит носителей, а с другой их избыток - возникает электрическое поле Uн. Причем изменение типа электропроводности изменяет знак ЭДС, т.к. носители различных знаков смещаются к одной и той же грани рис. 24, б, в. Явление возникновения в полупроводнике (с текущим по нему током) поперечного электрического поля (под действием магнитного поля) называется эффектом Холла, а возникающая ЭДС - ЭДС Холла величина которой будет расти до тех пор пока сила, обусловленная этим полем, не скомпенсирует силу Лоренца

.

Холловская разность потенциалов при ширине образца в определяется

и =  = - VВв= - 1/qnjBв = RjBв,

где R - коэффициент (или постоянная) Холла который для электронов равен R= - 1/qn, а для дырок R = 1/qр, т.е. он обратно пропорционален концентрации носителей.

Угол Холла φр,n определяется направлением поля Холла (рис.25), который положителен для дырочного полупроводника и отрицателен для электронного φn

.

Рис. 25

Искривление траекторий носителей заряда в магнитном поле приводит к изменению составляющей тока, направленной вдоль вектора электрического поля, что эквивалентно изменению удельного сопротивления полупроводника (ρ).

Это явление получило название эффекта Гаусса или магниторезистивного эффекта.

При совпадении по направлению векторов  и  удельное сопротивление определяется

Ρ = 1/σ = Е/j.

Ведение магнитного поля изменяет величину ρ, причем это изменение может быть учтено, если вместо величины  подставить проекцию Е на вектор , т.е.

.

Однако, определение в линейном приближении изменения сопротивления (при слабом магнитном поле) дает

ρв = σЕ2/(σЕ)2 = 1/σ = ρ,

т.е. сопротивление полупроводника не меняется.

Используя квадратичное приближение получено, что

,

где А = 3/2r(1 - π/4) - зависит от механизма рассеяния носителей; α - угол между направлением векторов  и

.

Таким образом, поворачивая образцы в магнитном поле и измеряя ρв/ρ, можно получить важные сведения о параметрах зонной структуры материала (однако полученное выражение справедливо лишь при сферически симметричной зонной структуре).

Изменение сопротивления полупроводниковой пластины в магнитном поле существенно зависит от ее конфигурации (отношение длины и ширины), поскольку возникающее поперечное электрическое поле ЭДС Холла препятствует изменению траектории носителей заряда под действием магнитного поля и снижает эффект магнитосопротивления.

Для достижения наибольшего изменения сопротивления в магнитном поле используют короткие, широкие образцы с омическими константами на длинных сторонах шунтирующих ЭДС Холла. Оптимальной конструкцией является диск Корбино, из которого один контакт - в центре круговой пластины, а другой - по ее окружности. (ЭДС Холла здесь практически отсутствует и ток протекает в радиальных направлениях).

В качестве примера приведем зависимость магнита резистивного элемента от величины отношения длины образца и ширине (для InSb) и для диска Корбино рис. 26

Рис. 26

В заключение отметим, что в сильных магнитных полях постоянная Холла не зависит от механизма рассеяния, а для магнитосопротивления наступает режим насыщения. При этом величина магнитосопротивления при насыщении зависит от механизма рассеяния.

Можно показать, что для полупроводников со смешанной проводимостью плотность тока равна

,

откуда: постоянная Холла и магнитосопротивления равны соответственно:

= 1/q(p - n); ρB = 4/3r (n/μn + p/μp)/q(p - n).

Преобразователи и датчики Холла изготавливаются в виде пластиной прямоугольной формы монокристалла или поликристаллического полупроводника, либо тонких пленок (1-10 мкм) нанесенных на диэлектрическую подложку. В качестве материала используют селенид и теллурид ртути и их твердые растворы (НdSe, HdTe), а также Ge, InSb, InAs и др. соединения типа АIIIВV с высокой подвижностью электронов (Ge-3800 м2/в сек) - 10000 HdTe; 30000 InAs; 60000 - InSb = μ 104). К пластине припаивают 4 электрода: два входных (токовых) и два выходных (холловских).

Для устранения неэквипотенциальности выходных контактов включают или формируют компенсационные резисторы.

Основными параметрами и свойствами датчиков Холла, являются:

входное сопротивление (сопротивление между входными клеммами Rвх = ρl/χα, χ - коэффициент Холла ρl /χα);

- выходное сопротивление (сопротивление между выходными клеммами);

коэффициент использования (КПД) датчика ЭДС Холла η = Рн/Рвх (отношение отдаваемой мощности к подводимой);

максимально допустимый ток Iмакс;

максимальная ЭДС Холла при заданной индукции магнитного поля;

вольтовая чувствительность (отношение максимальной ЭДС к индукции магнитного поля);

коэффициент передачи Ен/Е = ÐtgΘÐ;

- частотные свойства (определяются временем релаксации и имеет порядок 10-12 - 10-13сек, хотя с ростом частоты встречается ряд существенных трудностей);

рабочая температура (температурный коэффициент вольтовой чувствительности изменяется с изменением температуры от 2 10-3 до 10-2 град-1 и определяется сильной зависимостью концентрации и подвижности носителей).

Приборы магнитосопротивления и датчики на эффекте Холла является в последние годы объектом пристального внимания, т.к. на основе этих эффектов при исследовании полупроводников с высокой подвижностью носителей тока создаются всевозможные приборы и устройства, которые все шире внедряются в различные области техники и народного хозяйства.

Основа таких приборов - датчики ЭДС Холла и магниторезисторы, первые используются для:

измерения и исследования магнитных полей;

исследования свойств магнитных материалов;

измерения электрических и неэлектрических величин;

исследования характеристик электрогенераторов и других электрических агрегатов;

выполнение арифметических операций (сложение, вычитание, умножение, деление, возведение в степень, извлечение корня) и работа в качестве др. активных приборов ВТ;

выполнение функций отдельных элементов радиоэлектрических цепей (линейное и квадратичное детектирование, модуляторы, смесители, удвоители частоты, генераторы, усилители), а также для создания различных реле, компенсаторов, компараторов и др. систем регулирования.

Магниторезисторы - используют для измерения магнитной индукции и мощности;

-        удвоения частоты и анализа гармоник;

         усиление и генерация сигналов;

         создание элементов счетных устройств и др.

         Подробные принципы использования и схемы см. в работе А. Кобуса и Я. Тушинского. Датчики Холла и магниторезисторы. М.: Энергия.- 1971.

Тензоэлектрические полупроводниковые приборы

Приборы, использующие эффекты изменения электрического сопротивления полупроводника под влиянием внешней нагрузки (создающей деформацию в кристалле) называют тензоэлектрическими.

Для описания процессов происходящих в кристаллах полупроводников при их сжатии используется тензорный анализ, при этом относительное изменение электрического сопротивления в деформированном кристалле можно представить как

,

где Пiklm - тензор пьезосопротивления четвертого ранга;- тензор напряжения второго ранга.

При этом симметричный тензор сопротивления ρik с учетом соотношения Онзагера можно рассматривать как компоненту шестимерного вектора ρi(i = 1,2,3…,6). Аналогичные заключения можно сделать и от тензора напряжений Xlm.

Вводя ряд обозначений и учитывая, что тензор напряжений Xim ≡ Хi через упругие постоянные связан с тензором деформации , можно получить тензор деформации

, где ;

Пik и mik - коэффициенты пьезосопротивления и упруго резистивные коэффициенты соответственно, каждый из которых образует шестимерные матрицы. При этом тензор  в общем случае принимает вид:

.

При поворотах осей координат шестикомпонентные векторы ρi, xi, ui преобразуются через шестимерные матрицы с элементами определяемыми через направляющие косинусы между осями предыдущими и повернутыми.

Откуда, для кристаллов типа алмаз получают тензор ∏ik в прямоугольной системе координат при этом независимыми компонентами тензора будут лишь 3 компоненты П11, П12, П41.

Аналогично и тензор сопротивления ρik может быть сведен к скаляру, т.к. ρ11 = ρ22 = ρ33 = ρ0, а ρ12 = ρ23 = ρ31 = 0.

Таким образом можно сделать вывод, что проводимость алмазоподобных кристаллов (Ge, Si -) обладающих высокой степенью симметрии изотропна. Однако при наличии по одной из осей (кристаллографических) давления происходит анизотропное изменение его проводимости.

Более наглядное объяснение тензоэффекта на основе многодолинной модели энергетических зон кристаллов.

Для электрона определена связь энергии с абсолютным значение импульса ρ или волнового вектора k

,

Где , .

То есть зависимости Е от ρ и k в кристалле имеет параболический характер.

Тензорезистивный эффект состоит в изменении сопротивления полупроводника (или металла) в результате его деформации. Физическая причина тензосопротивления является изменение энергетической структуры полупроводника. Изменение ширины запрещенной зоны приводит к изменению концентрации носителей заряда и тем самым к изменению сопротивления.

В материал со сложной структурой зон (Ge, n-Si) деформация вызванная односторонним сжатием или растяжением, приводит к большому изменению сопротивления, которое не может быть объяснено изменением общей концентрации носителей заряда. Причина его состоит в том, что в результате анизотропной деформации экстремумы энергии становятся неэквивалентными, происходит перераспределение электронов по экстремумам. Минимумы, дно которых опустится, дают больший вклад в проводимость, чем минимумы, дно которых поднимется. Изменение проводимости при этом наблюдается только в случае, если поверхности энергии отличаются от сферических.

В полупроводниках Si-p большая величина изменения сопротивления обусловлена снятием вырождения зон энергий при наложении анизотропной деформации. В результате снятия вырождения меняется число легких и тяжелых дырок, обладающих различной подвижностью и дающих благодаря этому различный вклад в проводимость, что приводит к изменению сопротивления даже при сохранении общего числа дырок. (см. рис.27).

Для тензорезисторов чаще всего используют n-Si и p-Si с удельным сопротивлением 0,1 - 10-3 Ом×м, легированных соответственно фосфором или бором. Для повышения тензочувствительности производится ориентировка кристалла по трем главным направлениям кубической решетки [111], [110], [100]. Затем его разрезают на тонкие пластины (и после тщательной полировки) и формируют невыпрямляющие контакты

Рис. 27

Рис. 28

Основными параметрами и характеристиками приборов являются :

номинальное сопротивление (без деформации при t = 20 0C) порядка десятков - сотен Ом;

-        деформационная характеристика, приведенная на рис.28;

-        коэффициент тензочувствительности

К = (DR/R)/(Dℓ/ℓ);

-        максимальная рабочая температура;

-        предельная относительная деформация (не превышающая 10-2).

Такие приборы используются вместо обычных проволочных тензодатчиков когда требуется особая чувствительность и работают в качестве:

-        измерителей деформации,

-        в виде преобразующих элементов при измерении давления, сил, моментов, смещений;

- в биологии и медицине при исследовании физиологических и биологических процессов и деформаций с передачей информации на значительные расстояния (внутрисердечное кровяное давление).

Литература

1. Полупроводниковые приборы В.В. Пасынков, Л.К. Чиркин. - М.: Высш. шк. 1987. - 427 с.

. Батушев В.А. Электронные приборы: Уч. Для высш. Шк. - М: Высш. шк. 1980. -383с.

. Степаненко И.П. Основы микроэлектроники: Уч. Пособие для вузов. - М.: Сов. Радио 1980. - 424 с.

. Игнатов А.Н. Полевые транзисторы и их применение. - М.: Радио и связь, 1984. - 276 с.

. Бочаров Л.Н. Полевые транзисторы. - М.: Радио и связь, 1984, - 80 с.

Полупроводниковые приборы. Диоды высокочастотные, диоды импульсные, оптоэлектронные приборы: Справочник / А.Б. Гитцевич, А.А. Зайцев, В.В. Мокряков и др.; Под общ. ред. Н.Н. Горюнова.-2-е изд., перераб. М: Энергоатомиздат, 1984.

. Полупроводниковые приборы. Транзисторы: Справочник / В.А. Аронов, А.В. Баюков, А.А. Зайцев и др.; Под общ. ред. Н.Н. Горюнова. М: Энергоатомиздат, 1982.

. Полупроводниковые приборы. Транзисторы средней и большой мощности: Справочник / А.Б. Гитцевич, А.А. Зайцев, В.В. Мокряков и др.; Под ред. А.В. Голомедова. М: Радио и связь, 1989.

. Тиристоры: Справочник / О.П. Григорьев, В.Я. Замятин, Б.В. Кондратьев, С.Л. Пожидаев. М: Радио и связь, 1990. (Массовая радиобиблиотека)

. Булычев А.Л. и др. Электронные приборы. - М.: Лайт Лтд., 2000. - 416 с.

. Электронные, квантовые приборы и микроэлектроника: Уч. пособие для вузов / Ю.Л. Бобровский, С.А. Корнилов, И.А. Кратиров и др.; Под ред. Проф. Н.Д. Федорова. - М.: Радио и связь, 1998. - 560 с.

. Прянишников В.А. Электроника: Курс лекций. - 2-е изд. испр. и доп. - СПб.: КОРОНА принт, 2000. - 416 с.

. Быстров ЮА., Гамкрелидзе С.А., Иссерлин Е.Б., Черепанов В.П. Электронные приборы и устройства на их основе: Справочная книга. - М.: ИП РадиоСофт, 2002 - 656 с.

. Малышев В.А., Червяков Г.Г., Ганзий Д.Д. Нелинейные микроволновые полупроводниковые устройства. Таганрог: Изд-во ТРТУ, 2001. 354 с.

. Электронные, квантовые приборы и микроэлектроника: Учеб. пособие для вузов / Ю.Л. Бобровский, С.А. Корнилов, И.А. Кратиров и др., Под ред. проф. Н.Д. Федорова. М.: Радио и связь, 1998. -560 с.

Носов Ю.Р., Шилин В.А. Основы физики приборов с зарядовой связью. - М.: Наука, 198 - 240 с.

. Речицкий В.И. Акусто-электронные радиокомпонентыю Схемы, топология, конструкции. - М.: Радио и связь, 1987. - 246 с.

. Дворников А.А., Огурцов В.И., Уткин Г.М. Стабильные генераторы с фильтрами на поверхностных акустических волнах. - М.: Радио и связь, 1983. - 216 с.

Похожие работы на - Преобразовательные приборы

 

Не нашли материал для своей работы?
Поможем написать уникальную работу
Без плагиата!
Без нейросетей!