Поверка средств измерений
Содержание
. Поверка средств измерений
. Измерительный
преобразователь
. Пример преобразователя и
его поверка
Заключение
Список литературы
.
Поверка средств измерений
Поверка средств измерений - это определение
погрешностей средств измерений и установление их пригодности к применению.
Поверка производится органами метрологической
службы при помощи эталонов и образцовых средств измерений. Обязательной
государственной поверке подлежат средства измерений, применяемые для учёта
материальных ценностей, государственных испытаний, экспертиз, регистрации
национальных и международных рекордов в спорте, а также для поверки исходных
образцовых средств измерений. Ведомственной поверке подлежат все остальные
средства измерений.
Существуют следующие виды поверки: первичная,
производимая при выпуске средств измерений в обращение из производства или
ремонта; периодическая, выполняемая во время эксплуатации и хранения средств
измерений; внеочередная, обусловленная необходимостью немедленного
подтверждения исправности средств измерений; инспекционная, производимая при
метрологических ревизиях на предприятиях, базах снабжения, складах и в торговых
организациях. Поверка может осуществляться: непосредственным сличением
поверяемого средства измерений с образцовым того же вида (т. е. меры с мерой
или одного измерительного прибора с другим); сличением средств измерений одного
и того же вида при помощи компаратора (например, гирь на весах); прямым
измерением поверяемым прибором величины, воспроизводимой образцовой мерой;
прямым измерением образцовым прибором величины, воспроизводимой подлежащей
поверке мерой; косвенным измерением величины, измеряемой подлежащим поверке
средством измерений. Возможна также независимая поверка, т. е. поверка средств
измерений относительных (безразмерных) величин, не требующая передачи размеров
единиц от эталонов.
Описание методов и технических приёмов поверки
конкретных средств измерений содержится в соответствующих государственных
стандартах или методических указаниях. Нередко методы поверки и соответствующие
компарирующие приборы указываются в поверочных схемах, устанавливающих порядок
и точность передачи единиц от эталонов образцовым, а от них - рабочим средствам
измерений. При положительных результатах поверки на средство измерений
налагается поверительное клеймо и в необходимых случаях выдаётся свидетельство
о поверке. [1]
. Измерительный преобразователь
измерительный
преобразователь метрологический
Измерительный преобразователь - средство
измерений, преобразующее измеряемую физическую величину в сигнал для
последующей передачи, обработки или регистрации. В отличие от измерительного
прибора, сигнал на выходе измерительного преобразователя (выходная величина) не
поддаётся непосредственному восприятию наблюдателя. Обязательное условие
измерительного преобразования - сохранение в выходной величине измерительного
преобразователя информации о количественном значении измеряемой величины.
Измерительное преобразование - единственный способ построения любых
измерительных устройств. Отличие измерительного преобразователя от других видов
преобразователей - способность осуществлять преобразования с установленной
точностью. Измерительное преобразование одного и того же вида (например,
температуры в механическое перемещение) может осуществляться различными измерительными
преобразователями (ртутным термометром, биметаллическим элементом, термопарой с
милливольтметром и т. п.). Концепция представления измерительных устройств как
устройств, осуществляющих ряд последовательных преобразований от восприятия
измеряемой величины до получения результата измерения, первоначально была
выдвинута в СССР М. Л. Цукерманом и окончательно сформулирована применительно к
измерению неэлектрических величин Ф. Е. Темниковым и Р. Р. Харченко в 1948. В
60-х гг. эта концепция стала общепризнанной во всех областях измерительной
техники, приборостроения и метрологии.
Принцип действия измерительного преобразователя
может быть основан на использовании практически любых физических явлений.
Господствующей тенденцией в 40-70-х гг. ХХ в. стало преобразование любых
измеряемых величин в электрический сигнал. По виду преобразуемых величин
различают измерительные преобразователи:
· электрических величин в
электрические (делители напряжения и тока, измерительные трансформаторы,
измерительные усилители тока и напряжения),
· электрических - в неэлектрические
(механизмы электроизмерительных приборов, преобразующие изменение силы тока или
напряжения в отклонение стрелки или светового луча, датчики ультразвуковых
расходомеров и т. п.),
· неэлектрических - в электрические
(термопары, терморезисторы, тензорезисторы, фотоэлементы, реостатные, ёмкостные
и индуктивные датчики перемещения),
· неэлектрических - в неэлектрические
(пневматические измерительные преобразователи, рычаги, зубчатые передачи,
мембраны, сильфоны, оптические системы и т. п.).
Конструктивное объединение нескольких
измерительных преобразователей является также измерительным преобразователем.
Примерами такого объединения могут служить: датчик - совокупность измерительных
преобразователей, вынесенных на объект измерения; так называемый промежуточный
измерительный преобразователь - совокупность измерительных преобразователей,
преобразующих выходные сигналы датчиков в другие сигналы, более удобные для
передачи, обработки или регистрации. По структуре составные измерительные
преобразователи подразделяют на измерительные преобразователи прямого
преобразования и уравновешивающего преобразования. Первые характеризуются тем,
что все преобразования величин производятся только в одном (прямом от входной
величины к выходной) направлении. В этом случае результирующая погрешность
определяется суммой погрешностей (с учётом их корреляционных связей) всех
составляющих измерительного преобразователя. Для вторых характерно применение
обратного преобразования выходной величины в однородную с входной и
уравновешивающую её величину. Результирующая погрешность при этом определяется
лишь погрешностью обратного преобразования и степенью неуравновешенности.
Измерительные преобразователи уравновешивания подразделяются на следящие
преобразователи с обратной связью, статическим или астатическим
уравновешиванием и преобразователи с программным уравновешиванием. Следящие
измерительные преобразователи с обратной связью обеспечивают непрерывность
преобразования во времени; их недостаток - опасность потери устойчивости,
проявляющейся в возникновении автоколебаний при увеличении глубины обратной
связи. Измерительные преобразователи с программным уравновешиванием свободны от
этого недостатка, но их особенностью является прерывность выходной величины, т.
е. появление выходной величины лишь в отдельные дискретные моменты времени.
. Пример датчика и его поверка
Технические характеристики и краткое описание
преобразователя «Сапфир-22ДИ»
Преобразователи типа “Сапфир-22” (в настоящее
время выпускаются под маркой “Метран”) используются в системах автоматики для
непрерывного преобразования измеряемого разряжения, избыточного, абсолютного,
гидростатического давления, а также разности давлений нейтральных и агрессивных
сред в унифицированные пропорциональные электрические сигналы постоянного тока
0-5 мА, 0-20 мА, 4-20 мА.
В данной работе рассматривается преобразователь
для измерения избыточного давления “Сапфир-22ДИ”, внешний вид которого показан
на рисунке 1.
Рисунок 1. Внешний вид преобразователя
Преобразователи избыточного давления выпускаются
десяти моделей и позволяют измерять давление в пределах от 250 Па до 100 МПа.
Каждая модель преобразователя имеет регулировку диапазона измерений и прибор
может быть настроен на любой из верхних пределов измерений, свойственных для
данной модели. Нижний предел измерения может быть равен нулю, но при
необходимости имеется возможность перенастроить преобразователь на смещенный
диапазон измерений с установкой начального предельного значения выходного
сигнала («нуля») в пределах до избыточного давления 0,84 Рmax.
В данной работе исследуется преобразователь
избыточного давления модели 2150. Верхние пределы измерения преобразователя
составляют 0,4; 0,6; 1,0; 1,6; 2,5 МПа. Предел допускаемой основной погрешности
исследуемого преобразователя ∆д = 0,25 % от нормирующего значения. За
нормирующее значение преобразователей “ДИ” принимается верхний предел измерения
входного давления. После перенастройки преобразователя на любой верхний предел
измерений, предусмотренный для данной модели, основная погрешность измерения и
вариация выходного сигнала не превышают значений, соответствующих избранному
пределу.
Вариация выходного сигнала преобразователя не
превышает абсолютного значения предела измерения допускаемой основной
погрешности ∆д. Зона нечувствительности преобразователя не превышает 0,05
% от диапазона измерений. Кроме этого, для преобразователя нормируются
дополнительные погрешности, связанные с измерением температуры окружающей среды
и нагрузочного сопротивления преобразователя:
изменение значения выходного сигнала
преобразователя, вызванное изменением нагрузочного сопротивления от 200 до 2500
Ом, не превышает 0,25% диапазона изменения выходного сигнала;
изменение значения выходного сигнала
преобразователя, вызванное изменением температуры окружающей среды в рабочем
диапазоне температур, выраженное в процентах от диапазона изменения выходного
сигнала на каждые 10оС не превышает значений, определяемых формулой

,
где γ = 0,25 %;
Pmax- максимальный верхний предел измерений для данной модели преобразователя;
Pi - действительное значение верхнего предела измерений.
Преобразователь «Сапфир-22ДИ»
выполнен в виде единой конструкции, содержащей измерительный блок и электронное
устройство (унифицированное для всех моделей). Измеряемое давление подается в
камеру измерительного блока и линейно преобразуется в деформацию
чувствительного элемента и изменение электрического сопротивления
тензорезисторов тензопреобразователя, размещенного в измерительном блоке.
Электронное устройство преобразует это изменение сопротивления в унифицированный
выходной сигнал. Чувствительным элементом тензопреобразователя является
пластина из монокристаллического сапфира с кремниевыми пленочными
тензорезисторами, прочно соединенными с металлической мембраной
тензопреобразователя. На рисунке 2 представлена схема измерительного
преобразователя модели 2150. Мембранный тензопреобразователь 3 размещен внутри
основания 9. Внутренняя полость 4 тензопреобразователя заполнена
кремнийорганической жидкостью и отделена от измеряемой среды металлической
гофрированной мембраной 6, приваренной по наружному контуру к основанию 9.
Полость 10 сообщена с окружающей атмосферой. Измеряемое давление подается в
камеру фланца 5, который уплотнен прокладкой 8.
Измеряемое давление воздействует на
мембрану 6 и через жидкость воздействует на мембрану тензопреобразователя,
вызывая ее прогиб и изменение сопротивления тензорезисторов. Электрический
сигнал от тензопреобразователя передается из измерительного блока 1 по проводам
через гермовывод 2.
Рисунок 2. Схема измерительного
преобразователя модели 2150
Питание прибора осуществляется
постоянным током 36±0,72 В. Нагрузочное сопротивление Rн = 0,2 ÷ 2,5 кОм.
Потребляемая мощность преобразователя - не более 0,5 ВА.
Поверка преобразователя «Сапфир-22ДИ»
Поверка преобразователя должна
производится в соответствии с методическими указаниями завода-изготовителя МИ
333-83.
. Внешний осмотр.
. Опробование.
. Определение герметичности.
. Определение основной погрешности и
вариации выходного
сигнала.
Внешний осмотр. При проведении
внешнего осмотра выявляется имеет ли поверяемый преобразователь внешние
повреждения, препятствующие его применению.
Опробование. При проведении
опробования проверяется работоспособность преобразователя и функционирование
корректора нуля. Работоспособность преобразователя проверяется путем изменения
измеряемого давления от нижнего предельного значения до верхнего. При этом
должно наблюдаться изменение выходного сигнала. Функционирование корректора
нуля проверяется при любом значении измеряемого давления . При повороте
корректора нуля по часовой стрелке должно наблюдаться изменении выходного
сигнала. Если затем корректор нуля повернуть против часовой стрелки должно
происходить изменение выходного сигнала в другую сторону.
Определение герметичности.
Герметичность преобразователя проверяется при подаче в его измерительную камеру
избыточного давления, равного верхнему пределу измерений. Прибор считается
герметичным, если после перекрытия канала, подводящего давление , и
трехминутной выдержки под этим давлением , в течение последующих двух минут не
наблюдается изменение выходного сигнала.
Определение основной погрешности и
вариации преобразователя. Одним из предлагаемых в методических указаниях способов
определения основной погрешности преобразователя является способ, при котором
по образцовому прибору на входе преобразователя устанавливают нужное значение
измеряемого параметра, а по другому образцовому прибору измеряют выходной
сигнал преобразователя (в мА или в мВ). Схема включения образцового прибора
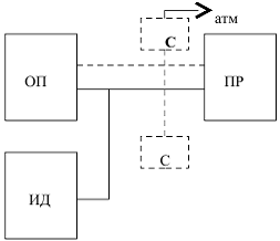
(образцового манометра) при поверке представлена на рисунке 3, где: ПР -
поверяемый преобразователь, ОП - образцовый прибор, ИД - источник давления, С -
дополнительные емкости объемом от 1 до 50 л.
Рисунок 3. Схема включения
образцового прибора (образцового манометра) при поверке
Основная погрешность преобразователя
находится сравнением действительного значения выходного сигнала с его расчетным
значением. Расчетное значение выходного параметра для заданного значения
измеряемого давления находится по следующей формуле:
где P - значение измеряемого
давления.
Расчетное значение выходного
сигнала, выраженное в напряжении постоянного тока, определяется по формуле:
Основная погрешность определяется не
менее чем в пяти точках шкалы, достаточно равномерно распределенных по ней , в
том чисел в точках, соответствующих нижнему и верхнему предельным значениям
выходного сигнала, при подходе к каждой точке как при подъеме давления, так при
его понижении (т.е. при прямом и обратном ходе). Перед проверкой при обратном
ходе преобразователь выдерживается в течение 5 минут под воздействием верхнего
предельного значения измеряемого давления, соответствующего предельному
значению сигнала. При вычислении основной погрешности пользуются формулой:
где I, U - действительное значение
выходного сигнала (арифметическое действительных значений выходного сигнала при
многократных измерениях) при измерении на выходе соответственно тока или
падения напряжения на образцовом сопротивлении. Вариация выходного сигнала
определяется как разность между значениями выходного сигнала (при многократных
измерениях между средними арифметическими значениями) соответствующими одному и
тому же значению измеряемого давления, полученными при прямом и обратном ходе.
Для вычисления вариации (в процентах от нормирующего значения) пользуются
формулой:
где I, I′, U, U′ -
действительные значения выходного сигнала (средние арифметические
действительных значений выходного сигнала при многократных измерениях) на одной
и той же точке при изменении на выходе тока или напряжения при прямом и
обратном ходе соответственно. [3]
Заключение
В современную практику работы поверителей
средств измерений давления широко внедряются новейшие методы и средства поверки
с применение автоматизированных рабочих мест, персональных компьютеров и т. д.
Большое внимание при освоении методов поверки и калибровки средств измерений
давления уделяется изучению измерительных преобразователей давления с
электрическими выходными сигналами как наиболее перспективных для автоматизации
измерений и автоматизации поверки и калибровки.
В данной работе рассмотрено устройство,
конструкция, принцип действия и метрологические характеристики измерительного
преобразователя давления “Сапфир-22ДИ”
Особое внимание уделено методу поверки измерительного
преобразователя давления “Сапфир-22ДИ” с электрическими выходными сигналами в
соответствии с действующими нормативными документами.
Список литературы
1. Курс
лекций по ПИАСИ
2. Гитис
Э. И., Преобразователи информации для электронных цифровых вычислительных
устройств
. Усачев
Ю.А.,Замарашкина В.Н. Настройка и поверка измерительного преобразователя
Сапфир-22. Методические указания к выполнению лабораторной работы для
студентов. - СПб.: СПбГУНиПТ,2000