Промышленные способы получения ацетилена

  • Вид работы:
    Реферат
  • Предмет:
    Химия
  • Язык:
    Русский
    ,
    Формат файла:
    MS Word
    1,02 Мб
  • Опубликовано:
    2014-11-21
Вы можете узнать стоимость помощи в написании студенческой работы.
Помощь в написании работы, которую точно примут!

Промышленные способы получения ацетилена















Реферат на тему:

«Промышленные способы получения ацетилена»

Введение

Ацетилен - бесцветный газ, в хорошо очищенном состоянии имеет слабый приятный запах. Неприятный запах, свойственный ацетилену, полученному из карбида кальция, обусловливается следами различных примесей. При физиологическом воздействии ацетилен проявляет анестезирующие свойства и поэтому, тщательно очищенный, применялся для этих целей.

1. Ацетилен применяется в химической промышленности

ацетилен углеводород химический

·        применяется в процесса органического синтеза (70 % произведенного ацетилена) при производстве искусственных волокон, пластиков, каучуков, органического стекла, лаков, взрывчатых веществ, растворителей, спиртов, уксусной кислоты

. Ацетилен применяется в машиностроении и металлообработке

·        газовая сварка является одним из основных процессов, в которых применяется ацетилен. Большое преимущество ацетилена в восстановительном эффекте газовой сварки, который легко регулировать и контролировать. Обработка газовой сваркой с применением ацетилена охарактеризована хорошей способностью стыковки зазоров. Для этого швы не нужно подготавливать или совсем немного, очень удобно при сварке кромок без четкой фиксации.

·        ацетилен подходит для газовой сварки пластмасс. В частности для ремонта бамперов автомобилей

·        идеальный газ для применения в процессах термической резки

·        в процессах поверхностной резки для устранения недостатков при сварке или для подготовки мест сварки проходов в корне шва ( т.н. строжка)

·        ацетилен используется для процессов пайки твердым припоем, что дает возможность соединять материалы как одного типа, так и разных.

·        огневая очистка с использованием ацетилена применяется, когда для дальнейшей обработки требуется чистая металлическая поверхность. Коррозия, вторичная и другие виды окалины эффективно удаляются с помощью этого способа

·        для огневой правки и гибки (локальная подготовка к горячей штамповке, например выгибание труб, уменьшение площади поперечного сечения трамблеров, придание вогнутой формы днищам суден, предварительный и повторный нагрев при сварке и кислородной резке)

·        ацетилен используется в процессах пламенной закалки изделий из черных металлов с целью повышения износостойкости. При обработке закаленные слои образуются путем местного разогрева и охлаждения определенной поверхности без каких-либо побочных эффектов для материала сердцевины.

·        в процессах газопламенного напыления, для покрытия металлических и неметаллических материалов. Материал для напыления, проволока или порошок, расплавляется кислородно-ацетиленовым пламенем и напыляется на предварительно обработанную деталь сжатым воздухом или другим газом. Высокая температура кислородно-ацетиленового пламени также позволяет распылять материал с высокой точкой плавления, такой как молибден, производить износоустойчивые покрытия, модернизацию деталей машин, наносить антикоррозийные покрытия из цинка, алюминия, меди, или Cr-Ni стали.

·        ацетилен применяют для нанесения воспроизводимого углеродного покрытия на внутреннюю поверхность форм для производства стеклянных сосудов, что дает повышение качества изделий, и уменьшения количества пузырьков внутри слоя стекла.

Приведенные примеры далеко не исчерпывают богатую химию ацетилена, из которого можно получить сотни разнообразных соединений. Недаром его годовое производство превышает 5 млн тонн. Из них примерно 70% используют для промышленного органического синтеза, а 30% - для сварки и резки металлов.

Промышленные способы получения ацетилена

1892 год можно считать началом промышленного производства ацетилена. В мае 1892 г. канадский инженер Т.Л. Вильсон пытался получить из каменноугольной смолы и извести (взятых в произвольных количествах) металлический кальций для последующего восстановления им глинозема. Получив твердую кристаллическую черную массу, он опустил несколько еще раскаленных кусков в ведро с водой. При этом начал выделяться газ, который загорелся при контакте с верхней, более горячей частью массы. Однако газ не был, как они ожидали, водородом, так как горение сопровождалось образованием густого дыма. Твердое вещество было проанализировано в университете штата Северная Каролина и оказалось карбидом кальция, а выделявшийся газ - ацетиленом» Это было рождение промышленности ацетилена и открытие ныне действующего карбидного процесса. В послевоенные годы значительная часть ацетилена производится из углеводородов, однако большая часть - все еще из карбида.

Карбид кальция обладает, однако, такими преимуществами, как с производственной точки зрения, так и вследствие доступности и низкого эквивалентного веса кальция, что является почти единственным источником для товарного ацетилена.

Химизм процесса получения ацетилена из карбида кальция основан на экзотермической реакции карбида кальция с водой:

CaC2+2H2O=Ca(OH)2+C2H2+31,0 ккал

При стехиометрическом соотношении реагентов и отсутствии охлаждения температура продуктов реакции составит 730°С, при этом ацетилен будет подвергаться конденсации и термическому разложению с выделением тепла, что обусловливает дальнейшее повышение температуры. Взрывные условия протекания реакции достигаются в том случае, когда реакция карбида с водой идет при недостаточном отводе тепла, особенно в присутствии воздуха.

В практических условиях теплоту реакции регулируют несколькими способами. В различных типах генераторов, работающих по принципу «вода на карбид», скорость реакции регулируют с таким расчетом, чтобы обеспечить соответствующий отвод тепла, тогда как в генераторах, работающих по принципу «карбид в воду», используют большой избыток воды. В «сухих» генераторах применяют сравнительно небольшой избыток воды, но при таких условиях, в которых вся или почти вся избыточная вода испаряется.

Ацетилен, предназначенный для наполнения баллонов, обычно получают в мокрых генераторах, работающих по принципу «карбид в воду». Большую часть ацетилена для химических синтезов получают в сухих генераторах. Эти крупные генераторы представляют собой аппараты низкого давления. Для производства ацетилена, используемого в качестве горючего газа, применяются генераторы различных типов, в том числе мокрые генераторы, работающие по принципу «вода на карбид». К этому классу относятся генераторы с капельным питанием, лотковые, погружные и контактные. Каждый класс генераторов подразделяется по двум различным признакам: 1) передвижные или стационарные и 2) низкого или среднего давления. Генерацию под низким давлением обычно проводят при избыточном давлении 254-356 мм вод. ст. (0,025-0,035 aт), а под средним давлением при 0,5-1 aт. Однако иногда применяется термин «высокое давление» (например, в ФРГ), который имеет тот же смысл, что и среднее давление. Однако целесообразнее использовать термин «высокое давление» для сжатого ацетилена, находящегося в баллонах под давлением 5-25 aт, или ацетилена, используемого в тех химических производствах, где процесс проводят при таких высоких давлениях. Следует отметить, что отношение воды к карбиду в мокрых генераторах должно быть таким, чтобы содержание твердой фазы в известковом шламе было не более 18%.

Скорость реакции зависит от состава карбида и температуры, а также ряда факторов (часть из которых трудно учесть), определяющих скорости подвода молекул воды к поверхности карбида. Давно известно, что существуют быстро и медленно реагирующие сорта карбида и что различные образцы карбида, полученные в одном и том же производственном процессе, заметно различаются.

Иногда в генераторах наблюдается вспенивание жидкости. К счастью, оно происходит не часто, но может причинить большие неприятности. Это явление объясняют тем, что карбид кальция, который находился в атмосфере с высокой относительной влажностью, вступает в контакт с другим, горячим карбидом, например в бункерах. Поверхность кусков карбида, находившегося во влажной атмосфере, обычно покрывается слоем гашеной извести, которая вступает во взаимодействие с нагретым карбидом с выделением ацетилена. При 200-350°С в присутствии извести ацетилен полимеризуется (при температуре >350°С карбонизуется) с образованием продуктов, способствующих вспениванию.

Вспенивание значительно снижает скорость генерации ацетилена, а также выход газа (при любых температурах). Если концентрация NaCl в шламе или воде превышает 2%, то из-за вспенивания нельзя использовать генераторы типа «карбид в воду». Некоторые другие типы генераторов могут работать при концентрациях NaCl 10 - 15% (температура замерзания водных растворов от - 8 до - 10°С) со скоростью генерации и выходом газа в 2 раза меньшими, чем при использовании чистой воды.

Образующийся в процессе производства шлам утилизируется. В том случае, когда для отделения и отвода шлама используют отстойники, медленное осаждение нарушает нормальный режим работы генератора. При слишком быстром осаждении может образоваться плотный слой осадка извести, тормозящий отвод шлама из генератора или даже препятствующий ему. Для предотвращения образования осадка извести в сырье вводят добавки реагентов, препятствующих выпадению накипи в паровых котлах, например таннина, сульфитно-целлюлозных щелоков, глицерина, патоки, мыла или жидкого стекла.

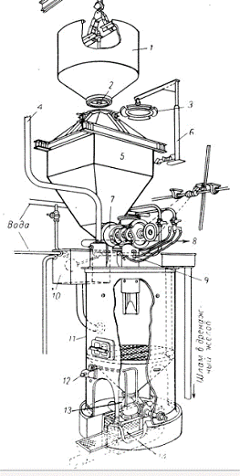
В качестве примера рассмотрен генератор системы «карбид в воду» производительностью 2500 м3/ч. Конструкция генератора показана на рисунке 1.

Рисунок 1. - Современный генератор непрерывного действия системы «карбид в воду»

- бункер скипового подъемника; 2 - конический затвор; 3 - крышка люка приемной воронки; 4 - трубопровод; 5 - загрузочная воронка; 6 - механизм открывания люка; 7 - механизм загрузки карбида; 8 - термограф; 9 - водяные форсунки; 10 - резервуар для воды; 11 - корпус генератора; 12 - контрольный дренажный вентиль; 13 - шламовый дренажный вентиль; 14 - лоток.

Для нормальной работы генераторов типа «карбид в воду» требуется карбид крупной грануляции (сухие генераторы были разработаны сначала для использования мелкого карбида, непригодного для мокрых генераторов); установка, показанная на рисунке 1, позволяет использовать неклассифицированный карбид 0 - 80 мм. Карбид из барабанов загружают в бункер скипового подъемника 1 (обычно емкость бункера скипа равна 2,5 т), установленного на уровне или ниже уровня рабочей площадки, поднимают на верхнюю площадку и устанавливают бункер в положение загрузки над загрузочной воронкой 5. В этот момент подача карбида из загрузочной воронки в генератор прекращается, крышку люка 3 приемной воронки открывают, бункер скипа опускают на загрузочную воронку и при помощи специального механизма открывают конический затвор 2 в днище бункера. После загрузки карбида в загрузочную воронку скиповый подъемник поднимается при открытом коническом затворе (и ацетилен, который проникает из приемной воронки в бункер скипа, при загрузке быстро выветривается), при этом крышку люка 3 приемной воронки немедленно закрывают. Скиповый подъемник возвращается на загрузочную площадку. Затем включают механизм 7 подачи карбида в генератор. Этот механизм представляет собой шнек, который приводится в действие электродвигателем с дистанционным управлением через зубчатый редуктор с плавной регулировкой. Скорость вращения шнека регулируется автоматически в соответствии с высотой колокола в ацетиленовом газгольдере (на схеме не показан). Куски карбида через желоб проваливаются на распределитель, находящийся под слоем шлама в корпусе генератора. Воду также подают через этот желоб, одновременно смывая пыль с его стенок.

В резервуар для воды 10, расположенный сбоку, в верхней части генератора, подают фильтрат после фильтрования шлама и свежую воду в количестве, эквивалентном объему воды, расходуемому на реакцию и удерживаемому продуктом фильтрования. Скорость подачи воды в генератор также регулируется автоматически в соответствии с перемещением колокола газгольдера (основной водяной резервуар на схеме не показан). На газогенераторе предусмотрено также устройство для наполнения водяного резервуара через шаровой клапан непосредственно из водной магистрали, например для пуска генератора, его промывки или в целях безопасности. Шлам внутри генератора перемешивается за счет выделения газа, конвекционных токов, возникающих за счет теплоты реакции, и материальных потоков, и мелкие частицы карбида успевают прореагировать до того, как они осядут в шлам. Крупные куски карбида до полного завершения их газификации находятся на решетке из гальванизированного железа с размером отверстий 38 мм. Решетка установлена над нижней конической частью генератора. Частицы посторонних примесей оседают на дно генератора, и образовавшийся таким образом шлам один раз в сутки выпускается через дренажный вентиль 13, при этом подачу карбида в генератор прекращают (приблизительно на полчаса). Вентиль 13 приводится в действие при помощи механизма с пневматическим приводом. Шлам вместе с содержащимися в нем примесями, образующимися при его взаимодействии с другими веществами в системе обработки и фильтрования, поступает в лоток из ферросилиция 14. Из генератора шлам непрерывно выпускают в желоб (давление в генераторе (305 мм вод. ст.). Выделяющийся ацетилен отводится через гидравлический затвор, который одновременно выполняет функции предохранительного клапана, обратного клапана и дренажного устройства.

Генератор работает при температуре около 70° С и весовом отношении воды к карбиду 6:1. Он нуждается в очистке, после того как будет прогазифицировано 150 т карбида.

Генераторы системы «карбид в воду» весьма разнообразны по конструкции и размерам. Иногда в этих генераторах газовый колокол газгольдера помещается в корпусе самого генератора для того, чтобы не устанавливать отдельный газгольдер. Иногда такие генераторы оборудуют механизмами для механического или ручного перемешивания шлама в процессе его разгрузки. Непрерывность действия обеспечивается за счет установки двойного загрузочного бункера. Во многих случаях механизм подачи карбида представляет собой шнековый питатель, в этой системе или в некоторых ее разновидностях работа питателя регулируется давлением в генераторе (особенно в генераторах среднего давления), а не перемещением колокола газгольдера.

Генераторы, основанные на принципе «карбид в воду», по существу предназначены для газификации кускового карбида, и современная тенденция их совершенствования заключается в приспособлении их для газификации мелкого карбида с пылью. Мелкий карбид и пыль склонны держаться на поверхности воды и спекаться в таком состоянии; контакт воды с таким затвердевшим материалом является недостаточным, а когда вода проникает внутрь, реакция протекает без достаточного отвода тепла и карбид сильно разогревается. Дробление спекшегося слоя карбида может приводить к резкому увеличению скорости газификации и резкому возрастанию давления. Генераторы специальной конструкции с вихревыми мешалками приспособлены для работы на карбидной пыли. Работа генератора другой конструкции (фирмы Lonza) основана на всасывании карбидной пыли водяной форсункой. Карбидная пыль для получения ацетилена используется в основном в сухих генераторах, но оба эти принципа затопления пыли были использованы в конструкциях современных мокрых генераторов, предназначенных для использования карбида мелкого фракционного состава, например содержащего определенную примесь карбидной пыли.

Изучали также генерацию с применением блоков недробленого карбида весом 1 - 2 т; при этом предполагалась экономия на стоимости дробления и сортировки карбида, и, возможно, на его транспорте. Естественно, для этой цели необходим генератор специальной конструкции, и исследования с недробленым карбидом не были доведены до промышленного освоения. Загрязнения получаемого ацетилена известковой пылью в мокрых генераторах не происходит, в отличие от сухих. По-видимому, это объясняется отложением осадков в гидравлических затворах.

Химизм процесса получения ацетилена из углеводородов может быть описан следующей сильно эндотермичной реакцией:

C(графит)+H2(газ)=C2H2(газ)

Молекула С2Н2 термодинамически нестабильна по отношению к элементам вплоть до температуры - 3900°С.

Низшие парафиновые углеводороды при обычных температурах термодинамически стабильны, но при нагревании их стабильность непрерывно уменьшается и при температурах выше 1000° С (или выше 1200°С для метана) они делаются менее стабильны, чем ацетилен. Таким образом, чтобы превратить алкан в ацетилен его необходимо нагреть до температуры выше 1000°С (метан -выше 1200°С) в течение очень короткого промежутка времени, а затем охладить так быстро, чтобы не установилось полное термодинамическое равновесие с элементами. Реакция

CH4=C2H2+3H2

характеризуется следующими термодинамическими параметрами: ∆H291 = 95,4 ккал/молъ; ∆FT0= 96,3-0,0647 Т ккал/моль.

На практике допустимое время реакции лежит в пределах 0,5 - 10 мсек, а максимальная температура закалки 400° С. Кроме того, скорость дальнейших превращений ацетилена можно уменьшить, снижая его парциальное давление, что достигается понижением полного давления, использованием разбавителей или и тем и другим.

Во многих исследованиях ацетилен был обнаружен среди продуктов (являясь часто основным продуктом) электрокрекинга ароматических углеводородов и спиртов. Исследования с использованием микродуг привело к выводу, что эти реакции носят радикальный характер и используемые угольные электроды принимают в них участие. Бензол, толуол и ксилол образуют С2Н2, С2Н4, С3Н6, С4Н8, СН4 и Н2; увеличение длины дуги понижает выход С2Н4 и Н2, но увеличивает выход С2Н2 и других продуктов. Этанол и глицерин образуют те же продукты, а также СО2, О2 и СО; увеличение длины дуги снижает выход ацетилена и этилена. Разложения алифатических, нафтеновых и ароматических углеводородов (в качестве которых были выбраны н-гептан, циклогексан и бензол) в тлеющем разряде показало, что в атмосфере аргона при полном давлении 15 мм рт. ст. и мощности 100-450 вт конверсия может достигать 85% при выходе ацетилена 50%. Наименьшие выходы ацетилена получены при разложении бензола, однако в этом случае при замене аргона на водород выход С2Н2 может быть увеличен в 1,5-2 раза при одновременном снижении расхода энергии в 2 - 3 раза.]

Непрерывный подвод тепла от горящего топлива к углеводородному сырью через твердую стенку в аппаратах типа теплообменников не трудно реализовать в промышленном масштабе при высоких температурах, необходимых для получения ацетилена.

Методы получения ацетилена из углеводородов основаны на трех типах процессов:

а) электрические процессы, в которых дуга горит непосредственно в углеводородном сырье;

б) циклические процессы, в которых сырье нагревается при контакте с огнеупорным материалом, предварительно нагретым горящим топливом;

в) процессы, включающие сожжение части сырья в недостатке кислорода.

Использовались также модифицированный процесс в), когда сырье подается в пламя, где полностью сгорает другое горючее, и модификациированный процесс а) - разряд происходит во вспомогательном газе, а в сырье подается образующаяся плазма. Эти методы будут рассмотрены в соответствующих разделах.

В процессах типа а) крекинг-газ содержит до 25% ацетилена, в процессах типа б) и в) - 10% или менее.

Затраты на выделение ацетилена из сложной смеси продуктов реакции того же порядка, что и затраты на стадию пиролиза.

В качестве метода получения ацетилена из углеводородов рассмотрен регенеративный пиролиз. Общий принцип процессов регенеративного типа состоит в нагреве за доли секунды подвергаемого пиролизу газа при непосредственном контакте с горячей твердой поверхностью (предлагали использовать также поверхности нагретой жидкости) приблизительно до 1300° С, если в качестве сырья используется метан, или до 1100°С при пиролизе других углеводородов.

Газ пиролиза необходимо быстро охлаждать. Твердую поверхность в это время снова нагревают путем сжигания горючего. Для нагревания поверхности можно использовать тот же углеводород, что используется для пиролиза, или отходящий газ после выделения из него ацетилена. В наиболее разработанных вариантах процесса над неподвижной твердой поверхностью попеременно проходят газы, которые охлаждают и нагревают ее. Однако было запатентовано много процессов, в которых нагретые порошкообразные или более крупные твердые частицы проходят последовательно через зону нагрева и зону охлаждения (т. е. зону реакции).

Степень дальнейшего превращения ацетилена (а следовательно, его выход) зависит от скорости охлаждения до температуры ниже 400°С и от парциального давления ацетилена в газе.

Если закалка производится не слишком быстро (т. е. все основное тепло газа пиролиза полностью не успевает улетучиться), парциальное давление ацетилена в газе должно быть искусственно снижено до определенного значения. Для этого уменьшают общее давление, добавляют разбавители или используют одновременно оба эти метода.

Процесс WULFF

Пиролиз осуществлялся в двух парных печах с огнеупорной насадкой. Ниже рассмотрена работа печи (рисунок 2) по стадиям.

. Воздух входит в печь справа и проходит огнеупорную насадку, нагретую в предыдущем цикле. В точке впрыска топлива температура воздуха около 1100°С. При смешении с ним топливо сгорает, нагревая центральную секцию до 1400 - 1500°С. При прохождении дымового газа налево огнеупорный кирпич нагревается, и углеродистые отложения, образовавшиеся в предыдущем цикле, сгорают. Газы, выходящие из печи слева, имеют температуру около 450°С.

. Сырье, разбавленное паром (а иногда также частью отходящего газа, после выделения из него ацетилена), при полном давлении 0,5 aт входит в печь слева, проходит через нагретый огнеупорный материал, в центре которого достигается температура пиролиза. Проходя через правую секцию огнеупоров, газ охлаждается и выходит при температуре около 450° С. Общее время пребывания газа в секции огнеупоров - порядка 0,1 сек, из которых 0,03 сек газ находится при максимальной температуре. На правых секциях огнеупоров при охлаждении газа отлагается углерод и смола. Для дальнейшего охлаждения выходящего газа в нем разбрызгивают струп воды. При этом также удаляются неотложившиеся смола и сажа. Окончательная очистка газа осуществляется при его прохождении через электрофильтр Коттрелла.

. Воздух входит слева, нагревается при прохождении через горячую кирпичную насадку, в центре смешивается с топливом и нагревает правые секции насадки, а также выжигает углерод и смолу, отложившуюся на них при предыдущей закалке.

Рисунок 2 - Схема печи Wulff.

- отверстие для ввода горючего; 2 - вспомогательная горелка; 3 - реакционная камера; 4 - теплоизолирующий кирпич; 5 - стальной корпус; 6 - огнеупорный кирпич; 7 - корундовая насадка; 8 - нагнетательная камера; 9 - канал для впрыска горючего.

4. Сырье подается в печь справа и проходит тот же путь, что и в стадии 2, но в противоположном направлении.

На этом цикл завершается. Общая продолжительность всех четырех стадий цикла - около 1 мин.

Степень превращения пропана в ацетилен составляет около 30%. Он может быть доведена до 40% при рециркуляции через печь отходящего газа дополнительно разбавленного водородом. При этом метан и этилен образ еще некоторое количество ацетилена. Выход в расчете на метан может достигать 26%.

Заключение


В данной работе были рассмотрены основные способы получения ацетилена, а также описаны лишь немногие послевоенные способы их реализации. Но современная наука и техника не стоит на месте, а высокая доля потребления ацетилена является одной из причин для совершенствования существующих или разработка новых способов его получения, с низкой себестоимостью и высоким выходом годного.

Применение ацетилена в органическом синтезе сохраняет свою актуальность и непрерывно ведутся работы по усовершенствованию способов его производства из углеводородного сырья. В последнее время большое внимание привлекает пиролиз углеводородных газов в дуге водородной плазмы при 2000 - 4000°С. При этой температуре происходит диссоциация молекул газа теплоносителя и углеводородного сырья, образование различных радикалов и ионизация атомов.

Список используемых источников


. Миллер С. А. Ацетилен, его свойства, получение и применение, Изд-во «Химия», 1969, стр. 680, рис. 302, табл. 198, библиографических ссылок более 2550.

. Ньюлэнд Ю.А. Химия ацетилена. Перевод с англ. Л.Н. Петровой. Государственное издательство иностранной литературы, Москва 1947.

. Фигуровский Н.А. Очерк общей истории химии. Развитие классической химии в XIX столетии. М., Наука, 1979.

. Кононов Н. Ф.. Островский С. А.. Устынюк Л.А.. Новая технология некоторых синтезов на основе ацетилена, М., 1977.

Похожие работы на - Промышленные способы получения ацетилена

 

Не нашли материал для своей работы?
Поможем написать уникальную работу
Без плагиата!
Без нейросетей!