Разработка технологического процесса механической обработки шестерни ведущей
Федеральное
государственное образовательное учреждение
высшего
профессионального образования
Новоуральский
технологический институт НИЯУ МИФИ
Кафедра
Технологии машиностроения
Курсовой проект
Разработка
технологического процесса механической обработки шестерни ведущей
Выполнил:
Студент Шипицын А.П.
группа ТМ-56
Принял:
Преподаватель Закураев В.В.
июня 2011 г.
Новоуральск
2011
Содержание
шестерня деталь заготовка резание
Введение
. Исходные
данные по проекту и их анализ
.1 Описание и
конструкторско-технологический анализ объекта
.1.1
Назначение детали, краткие сведения
.1.2 Материал
детали и его свойства
.1.3 Анализ
технологичности детали
.1.4
Декодирование конструкторского кода детали шестерня ведущая
.1.5
Технологический код детали шестерня ведущая
.2 Анализ
точности детали
.3
Определение типа производства
.
Проектно-технологическая разработка
.1 Выбор вида
заготовки и метод её получения
2.2
Определение припусков на механическую обработку
.2.1
Определение исходного индекса поковки
.2.2 Определение
припусков на механическую обработку
.3 Разработка
маршрутного технологического процесса обработки заготовки и выбор оборудования
2.4
Определение промежуточных припусков, технологических размеров и допусков
.4.1
Аналитический метод определения припусков
.4.2
Статистический метод определения припусков
.5 Размерный
анализ технологического процесса
. Разработка
технологических операций
.1 Разработка
технологических переходов и выполнение операционных эскизов
.2 Расчёт
режимов резания
.2.1 Режимы
резания при точении (0,15; 0,25)
.2.2 Режимы
резания при фрезеровании (0,10; 0,30)
.2.3 Режимы
резания при растачивании (0,35)
.2.4 Режимы
резания при шлифовании (0,50; 055; 060)
.3
Нормирование операций
.4 Выбор и
определение потребного количества оборудования
Вывод
Литература
Введение
В данной курсовой работе темой проекта является "Разработка
технологического процесса изготовления шестерни ведущей".
В ходе проектирования на первом этапе необходимо было подобрать методы
получения заготовки, посчитать технико-экономические показатели, себестоимость
продукции, а также другие затраты, которые не вошли в расчёты, и выбрать один,
который будет наиболее эффективным и рациональным.
На основе годовой программы выпуска 2500шт. изделий определяем тип
производства, такт выпуска.
Следующим этапом разработки курсового проекта будет разработка
маршрутного технологического процесса для данной детали. Необходимо обозначить
все операции, которые должны участвовать при изготовлении детали, а также
подобрать соответствующее оборудование, которое будет наиболее оптимальным из
выбранного нами источника.
Научимся определять припуски с помощью аналитического и статистического
методов, а также ещё припуски на механическую обработку. В размерном анализе с
помощью метода графов рассчитаем величину конструкторских размеров, припусков и
допусков, необходимых в изготовлении детали.
При разработке технологических операций мы нашли все параметры,
участвующие в режиме резания данной операции, и последним этапом в курсовой
работе определили необходимое количество оборудования на каждой операции.
1. Исходные данные по проекту и их анализ
.1 Описание и конструкторско-технологический анализ объекта
.1.1 Назначение детали, краткие сведения
В данном курсовом проекте используется чертёж вала-шестерни ведущей из
стали 25ХГТ ГОСТ 4543-71, который служит для установки сопрягаемых деталей и
передачи вращающего момента. Вал устанавливается в корпусе с помощью двух
подшипников Æ50 мм и Æ55 мм. Вращение передается через
зубчатое соединение.
Точность обработки имеют следующие поверхности:
Поверхности 2, 3, 7, 8, 13, 16, 17 - 6 квалитет
Все остальные размеры свободные по 14 квалитету.
Радиальное биение поверхностей 3, 7, 8 и 16 относительно баз А и Б
составляет 0,03 мм.
Радиальное биение поверхности 12 относительно баз А и Б составляет 0,15
мм.
Отклонение от круглости на поверхностях 2 и 17 составляет 0,01.
Шероховатость поверхностей 2, 3, 7, 8, 13, 16, 17 составляет Ra 1.25, а
остальные поверхности с шероховатостью Ra 12.5.
.1.2 Материал детали и его свойства
Химические и механические свойства стали 25ХГТ приведём в таблице 1.1 и
1.2
Таблица 1.1 - химические свойства стали 25ХГТ
|
Марка материала
|
C
|
Si
|
Mn
|
Cr
|
Ti
|
P
|
S
|
Cu
|
Ni
|
|
|
|
|
|
|
не более
|
|
Ст. 25ХГТ ГОСТ 4543-71
|
0,22-0,29
|
0,17-0,37
|
0,8-1,1
|
1-1,3
|
0,03-0,09
|
0,035
|
0,035
|
0,3
|
0,3
|
Таблица 1.2 - механические свойства стали 25ХГТ
|
Обозначение показателя
|
|
|
|
|
|
|
Ед.измерения
|
МПа
|
МПа
|
%
|
%
|
|
|
Значение показателя
|
1100
|
1500
|
9
|
-
|
60
|
Твердость: HRC 57-63; цементация 920-9500C - воздух; закалка
840-8600C - масло; отпуск 190-2100C - воздух.
.1.3 Анализ технологичности детали
а) Качественный анализ технологичности
Поверхность детали удобна для обработки. Она представляет собой в
основном совокупность цилиндрических и торцевых поверхностей, не требующих
сложной формы заготовки и инструмента.
Допуски и шероховатость поверхностей назначены обосновано.
б) Количественный анализ технологичности
Для данной оценки надо рассчитать два коэффициента (показатели по
признакам обработки):
К т ч - коэффициент точности обработки;
К ш - коэффициент шероховатости поверхности.
(1)
где, Тi - квалитет (точность);i - число поверхностей детали одинакового
квалитета.
(2)
где, mi - число поверхностей детали с одинаковым параметром
шероховатости;i - параметр шероховатости поверхности детали
Таблица 1.3 - определение К ш..
|
Параметр шероховатости, Ra
|
1.25
|
12.5
|
Ra cp =6.875
|
|
Число поверхностей, mi
|
7
|
12
|
|
|
Произведение, Ra*mi
|
8.75
|
150
|
|
(3)
Таблица 1.4. - определение К Т.Ч
|
Квалитет, Т
|
6
|
14
|
T cp=10
|
|
Число поверхностей, ni
|
7
|
12
|
19
|
|
Произведение, T*ni
|
42
|
168
|
190
|
(4)
Вывод: Значение полученных коэффициентов близко к единице, что
свидетельствует о не высокой точности большинства поверхностей детали и большой
шероховатости их. Это также подтверждается средними значениями квалитета
точности и шероховатости.
.1.4 Декодирование конструкторского кода детали шестерня ведущая
Для возможности разработки и внедрения унифицированных ТП на основе
группирования деталей необходимо кодирование деталей с использованием
конструкторско-технологического кода детали.
Описание детали выполняется по рабочему чертежу детали и служит для
лучшего усвоения конструкции детали. Краткое первоначальное описание детали по
основным конструкторским элементам можно получить путем декодирования
конструкторского кода детали.
Декодирование конструкторского кода детали, таблица 1.5. Задан чертеж
шестерни ведущей (рисунок 1.1); ее обозначение ТМ.151001.КП.ШВ-10.00.00. Для
декодирования используем источник [1].
Таблица 1.5 - декодирование конструкторского кода детали
|
Код детали
|
Результат декодирования и
пояснения
|
|
Класс 72
|
Класс деталей по
классификатору ЕСКД тела вращения типа валов, осей, колонок и т.п. с элементами
зубчатого зацепления
|
|
Подкласс 1
|
Подкласс деталей тела
вращения, у которых длина примерно равна 2-м диаметрам, с наружными
цилиндрическими поверхностями.
|
|
Группа 3
|
Группа деталей без закрытых
уступов с поверхностью ступенчатой двухсторонней без наружной резьбы.
|
|
Подгруппа 2
|
Подгруппа деталей без
центрального отверстия, причем наличие технологических центровых отверстий не
учитывается.
|
|
Вид 6
|
Вид деталей с пазами (или
шлицами) на наружной поверхности и без отверстий вне оси детали.
|
.1.5 Технологический код детали шестерня ведущая
Пользуясь приложениями источника [2] запишем технологический код детали:
В90124.2444446Д
.2 Анализ точности детали
Точность детали - это точность размеров, точность геометрической формы и
точность относительного расположения поверхностей. Принимаем во внимание и
величину шероховатости поверхности, как параметр, увязываемый с точностью.
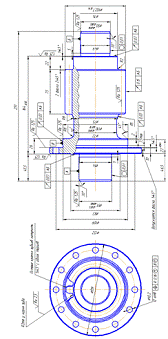
Объект анализа - вал-шестерня на рисунке 1.1. На рисунке 1.2 дан эскиз
вала шестерни ведущей с нумерацией поверхностей. Результаты анализа приведены в
таблица 1.6.
В таблице 1.6 также заложены точность размера, точность формы и
шероховатость поверхности.
Рисунок 1.1 - Чертеж шестерни ведущей
Рисунок 1.2 - Эскиз шестерни ведущей с нумерацией поверхностей
Таблица 1.6 - Данные о поверхностях
|
№поверхности
|
Наименование, форма
|
Основные размеры, мм
|
Поле допуска, квалитет
|
Ra, мкм
|
Этапы и методы обработки
|
|
1
|
торец левый
|
L=251
|
±IT12/2
|
12,5
|
подрезать однократно
|
|
2
|
диаметр
|
d=55
|
|
1,25
|
предварительно проточить
окончательно шлифовать
|
|
3
|
торец
|
L=45,5
|
±IT12/2
|
1,25
|
предварительно подрезать
окончательно шлифовать
|
|
4
|
диаметр
|
d=83
|
h12
|
12,5
|
проточить однократно
|
|
5
|
торец
|
L=46,5
|
±IT12/2
|
12,5
|
подрезать однократно
|
|
6
|
диаметр
|
d=155
|
h12
|
12,5
|
проточить однократно
|
|
7
|
торец
|
L=56,5
|
±IT12/2
|
1,25
|
предварительно подрезать
окончательно шлифовать
|
|
8
|
диаметр
|
d=110
|
|
1,25
|
предварительно проточить
окончательно шлифовать
|
|
9
|
торец
|
L=71,5
|
±IT12/2
|
12,5
|
подрезать однократно
|
|
10
|
диаметр
|
d=72
|
h12
|
12,5
|
без обработки
|
|
11
|
торец
|
L=112,5
|
±IT12/2
|
12,5
|
подрезать однократно
|
|
12
|
диаметр
|
d=102,7
|
|
12,5
|
предварительно проточить
окончательно проточить
|
|
13
|
пов-сть зубьев
|
-
|
±IT12/2
|
1,25
|
предварительно нарезать
зубья, окончательно шлифовать зубья
|
|
14
|
торец
|
L=187,5
|
±IT12/2
|
12,5
|
подрезать однократно
|
|
15
|
диаметр
|
d=74
|
h12
|
12,5
|
проточить однократно
|
|
16
|
торец
|
L=209,5
|
|
1,25
|
предварительно подрезать
окончательно шлифовать
|
|
17
|
диаметр
|
d=50
|
|
1,25
|
предварительно проточить
окончательно шлифовать
|
|
18
|
торец правый
|
L=251
|
±IT12/2
|
12,5
|
подрезать однократно
|
|
19
|
отверстия
|
d=10,2
|
H12
|
12,5
|
просверлить однократно
|
.3 Определение типа производства
На основе годовой программы 2500 штук и массы детали 10.06 кг необходимо
приблизительно установить вид производства.
Исходя из массы детали и годовой программы, принимаем среднесерийное
производство (таблица 1.7).
Таблица 1.7 - выбор типа производства.
|
Масса
|
Величина годовой программы,
шт.
|
|
детали, кг
|
единичное (до)
|
мелкосерийное
|
среднесерийное
|
крупносерийное
|
массовое (свыше)
|
|
до 1,0
|
10
|
10...1500
|
1500...75000
|
75000...200000
|
200000
|
|
1,0...2,5
|
10
|
10...1000
|
1000...50000
|
50000...100000
|
100000
|
|
2,5...5,0
|
10
|
10...500
|
500...35000
|
35000...75000
|
75000
|
|
5,0...10,0
|
10
|
10...300
|
300...25000
|
25000...50000
|
50000
|
|
10 и более
|
10
|
10...200
|
200...10000
|
10000...25000
|
25000
|
Для серийного производства определяется партия запускаемых деталей:
(5)
где n запуска - партия запускаемых деталей, штук;=2500шт. - годовая
программа;
- число рабочих дней в году;- число дней запаса, в течение которых должны
быть заготовлены детали. Эта величина колеблется в пределах 5-8 дней.
При q=6, nзапуска=60шт.
Такт выпуска определяется по формуле:
(6)
где FD - действительный годовой фонд времени работы оборудования, равный
2030 часам.
2. Проектно-технологическая разработка
.1 Выбор вида заготовки и метода ее получения
Деталь - шестерня ведущая. Материал - сталь 25ХГТ.
Годовой объем выпуска N=2500 штук/год.
Факторы, определяющие выбор заготовки:
· материал детали - сталь 25ХГТ (конструкционная сталь);
· конфигурация детали - вал с буртиками;
· тип производства - среднесерийное.
Для получения данной заготовки в условиях среднесерийного производства
можно применить поковку, изготовляемую горячей объёмной штамповкой на
горизонтально - ковочных машинах с соответствующей термообработкой и
последующей очисткой. Рациональнее при этом типе производства выбрать
заготовку, форма которой максимально приближена к форме готовой детали (рис.
2.1). Это сведет к минимуму обработку резанием и отходы в стружку.
На рисунке 2.1 изображен упрощенный эскиз заготовки.
Рис. 2.1 - упрощенный эскиз заготовки
Если Dmax < L, то для деталей типа втулок рациональнее выбрать горячую
объемную штамповку на ГКМ. Предельная длина отверстия при штамповке на ГКМ до
трех диаметров.
С учетом применения газопламенного нагрева класс точности поковки Т5 по
ГОСТ 7505-89.
.2 Определение припусков на механическую обработку
.2.1 Определение исходного индекса поковки
Факторы, определяющие исходный индекс заготовки, который является ключом
к нахождению общих припусков и допусков для поковок:
1. Расчетная масса поковки Мп.р., кг.
2. Группа стали MI, М2, М3.
. Степень сложности С1, С2, СЗ, С4.
. Класс точности. для штамповки на ГКМ Т4 и Т5.
Приведем формулу определения расчетной массы поковки [2].
Мп.р. = Мд·Кр,
где Мд - масса детали (определяется по чертежу), кг;
Кр - расходный коэффициент. Для деталей круглых в плане (ступицы,
шестерни и т.п.) - Кр = 1,5-1,8.
Примем Кр=1,8. Тогда Мп.р. = 10,06·1,8=18,108 кг.
Группы стали определяются по процентному содержанию углерода: М1 - до
0,35%; М2 - (0,35-0,65)%; М3 - 0,65% и более [2]. В нашем случае для стали
25ХГТ группа стали будет М2.
Степень сложности определяют, находя отношение объема Vп - поковки к
объему VФ - элементарной геометрической фигуры, в которую вписывается поковка.
Либо можно взять отношение расчетной массы поковки Мп.р. к массе элементарной
геометрической фигуры Мф. Для нашего случая это будет цилиндр. Габаритные
размеры детали (Dmax и Н) необходимы при расчете. Будем определять степень
сложности по отношениям масс. Ориентировочные размеры элементов фигуры
определяется увеличением в 1,05 раза.
Масса элементарной фигуры будет
Степень сложности будет
Это соответствует [2] С2 (диапазон 0,32-0,63).
По диаграмме [2] определяем:
Для Мп.р. = 10,06 кг (10,0-20,0), М2 идем по горизонтали до C2, далее
спускаемся по наклонной до вертикали С2 и снова движемся по горизонтали до Т4 и
опять спускаемся по наклонной до вертикали Т5 и по горизонтали выходим на
индекс 17.
.2.2 Определение припусков на механическую обработку
В таблицах [2] припуски заданы на сторону. Величина припуска будет
определяться:
1. Исходным индексом.
2. Размером, связывающим поверхности.
. Шероховатостью поверхностью готовой детали.
. Способом формирования поверхностей, связанных линейным размером.
Эти же факторы, кроме третьего, будут определять и величину допустимого на
размеры отклонения.
Общий припуск на механическую обработку включает в себя основной и
дополнительный припуски. Определение основных припусков отражено в табл. 2.1.
Дополнительные припуски в табл. 2.2. Учитывают смещение поковок, изогнутость,
отклонение от плоскостности и прямолинейности. Определение размеров, допусков и
предельных отклонений исходной заготовки приведено в табл. 2.3
Таблица 2.1 - Определение основных припусков
|
Поверхность (заготовки)
|
Толщина, мм
|
Высота, диаметр, мм
|
Шероховатость, Ra
|
Основной припуск, мм
|
|
1
|
251
|
-
|
12,5
|
3,4
|
|
18
|
|
|
|
|
|
Ø
2-2
|
-
|
55
|
1,25
|
3
|
|
1
|
45,5
|
-
|
1,25
|
3
|
|
3
|
|
|
|
|
|
Ø 6-6
|
-
|
155
|
12,5
|
2,4
|
|
3
|
26
|
-
|
12,5
|
2
|
|
9
|
|
|
|
|
|
Ø
8-8
|
-
|
110
|
1,25
|
3,3
|
|
Ø
12-12
|
-
|
102,7
|
12,5
|
2,4
|
|
11
|
75
|
-
|
12,5
|
2,2
|
|
14
|
|
|
|
|
|
14
|
22
|
-
|
1,25
|
2,7
|
|
16
|
|
|
|
|
|
16
|
41,5
|
-
|
1,25
|
3
|
|
18
|
|
|
|
|
|
Ø
15-15
|
-
|
74
|
12,5
|
2,2
|
|
Ø
17-17
|
-
|
50
|
1,25
|
3
|
Таблица 2.2 - Определение общих припусков и расчетных размеров исходной
заготовки
|
Поверхность
|
Размер, мм
|
Припуски Z, мм
|
Общие припуски
|
Расчетный размер, мм
|
|
|
Основной
|
Дополнительный
|
На сторону, Zo
|
На диаметр, 2Zo
|
|
|
1
|
251
|
3,4
|
0,5
|
3,9
|
-
|
251+3,9+3,9=258,8*
|
|
18
|
|
|
|
|
|
|
|
Ø
2-2
|
55
|
3
|
0,3
|
3,3
|
6,6
|
61,6
|
|
1
|
45,5
|
3
|
0,3
|
3,3
|
-
|
52,1*
|
|
3
|
|
|
|
|
|
|
|
Ø
6-6
|
155
|
2,4
|
0,5
|
2,9
|
5,8
|
160,8
|
|
3
|
26
|
2
|
0,3
|
2,3
|
-
|
30,6*
|
|
9
|
|
|
|
|
|
|
|
Ø
8-8
|
110
|
3,3
|
0,5
|
3,8
|
7,6
|
117,6
|
|
Ø
12-12
|
102,7
|
2,4
|
0,5
|
2,9
|
5,8
|
108,5
|
|
11
|
75
|
2,2
|
0,3
|
2,5
|
-
|
80*
|
|
14
|
|
|
|
|
|
|
|
14
|
22
|
2,7
|
0,3
|
3
|
-
|
28*
|
|
16
|
|
|
|
|
|
|
|
16
|
41,5
|
3
|
0,3
|
3,3
|
-
|
48,1*
|
|
18
|
|
|
|
|
|
|
|
Ø
15-15
|
74
|
2,2
|
0,3
|
2,5
|
5
|
79
|
|
Ø
17-17
|
50
|
3
|
0,3
|
3,3
|
6,6
|
56,6
|
|
* Уточнить при размерном анализе
|
Таблица 2.3 - Назначение допусков, предельных отклонений и определение
размеров исходной заготовки.
|
Поверхность
|
Расчетный размер, мм
|
Допуск, Т, мм
|
ВО, мм
|
НО, мм
|
Принятый размер, мм
|
|
1
|
258,8
|
6,3
|
4,2
|
2,1
|
*
|
|
18
|
|
|
|
|
|
|
Ø
2-2
|
61,6
|
4
|
2,7
|
1,3
|
|
|
1
|
52,1
|
4
|
2,7
|
1,3
|
*
|
|
3
|
|
|
|
|
|
|
Ø
6-6
|
160,8
|
5
|
3,3
|
1,7
|
|
|
3
|
30,6
|
3,6
|
2,4
|
1,2
|
*
|
|
9
|
|
|
|
|
|
|
Ø
8-8
|
117,6
|
4,5
|
3
|
1,5
|
|
|
Ø
12-12
|
108,5
|
4,5
|
3
|
1,5
|
|
|
11
|
80
|
4
|
2,7
|
1,3
|
*
|
|
14
|
|
|
|
|
|
|
14
|
28
|
3,6
|
2,4
|
1,2
|
*
|
|
16
|
|
|
|
|
|
|
16
|
48,1
|
4
|
2,7
|
1,3
|
*
|
|
18
|
|
|
|
|
|
|
Ø
15-15
|
79
|
4
|
2,7
|
1,3
|
|
|
Ø
17-17
|
56,6
|
4
|
2,7
|
1,3
|
|
|
* Уточнить при размерном
анализе
|
Таблица 2.4 - Определение этапов и методов обработки поверхностей.
Стартовый вариант маршрута
|
№Поверхности
|
I Этап
|
II Этап
|
III Этап
|
IV Этап
|
|
14-12
|
Ra более 6,3
|
11-10
|
Ra 6,3-3,2
|
9-8
|
Ra 3,2-1,6
|
7-8
|
Ra 1,6-0,8
|
|
1
|
Подрезать однократно
|
|
|
|
|
2
|
Точить однократно
|
Точить предварительно
|
Шлифовать предварительно
|
Шлифовать окончательно
|
|
3
|
Подрезать однократно
|
Подрезать предварительно
|
Шлифовать предварительно
|
Шлифовать окончательно
|
|
4
|
Точить однократно
|
|
|
|
|
5
|
Подрезать однократно
|
|
|
|
|
6
|
Точить однократно
|
|
|
|
|
7
|
Подрезать однократно
|
Подрезать предварительно
|
Шлифовать предварительно
|
Шлифовать окончательно
|
|
8
|
Точить однократно
|
Точить предварительно
|
Шлифовать предварительно
|
Шлифовать окончательно
|
|
9
|
Подрезать однократно
|
|
|
|
|
10
|
-
|
-
|
-
|
-
|
|
11
|
Подрезать однократно
|
Точить однократно
|
|
|
|
|
13
|
Нарезать предварительно
|
Нарезать чисто
|
Шлифовать предварительно
|
Шлифовать окончательно
|
|
14
|
Подрезать однократно
|
|
|
|
|
15
|
Точить однократно
|
|
|
|
|
16
|
Подрезать однократно
|
Подрезать предварительно
|
Шлифовать предварительно
|
Шлифовать окончательно
|
|
17
|
Точить однократно
|
Точить предварительно
|
Шлифовать предварительно
|
Шлифовать окончательно
|
|
18
|
Подрезать однократно
|
|
|
|
|
19
|
Сверлить
|
|
|
|
|
|
|
|
|
|
|
|
|
.3 Разработка маршрутного технологического процесса обработки заготовки и
выбор оборудования
В таблице 2.3 приведен маршрутно-операционный технологический процесс
Таблица 2.3 - Маршрутно-операционный технологический процесс
|
№ операции
|
Наименование операции,
оборудование
|
Краткое содержание операции
|
|
1
|
2
|
3
|
|
005
|
Заготовительная, ГКМ
|
Штамповать исходную
заготовку
|
|
010
|
Фрезерно-центровальная,
станок мод. 6Р83
|
Фрезеровать торцы 1 и 18,
сверлить центровые отверстия по эскизу.
|
|
015
|
Токарно-винторезный
(черновая), станок мод. 16К20
|
Точить поверхности 2, 6 и
торец 3 по эскизу; Переустановить; Точить поверхности 8, 12, 15, 17 и торцы
7, 9, 11, 14, 16 по эскизу.
|
|
020
|
Термическая
|
Улучшение - HRC 28..32.
|
|
025
|
Токарно-винторезный
(получистовая), станок мод. Commodor E230
|
Поправить центральные
отверстия; Точить поверхности 2, 4 и торцы 3, 5 по эскизу; Выполнить канавку;
Переустановить; Точить поверхности 8, 12, 17 и торцы 7, 9, 11, 14, 16 по
эскизу; Выполнить канавку и радиусы по эскизу.
|
|
030
|
Зубофрезерная (предварительная),
станок мод. 5Д32
|
Фрезеровать поверхность
зубьев 13 по эскизу.
|
|
035
|
Координатно-расточная,
станок мод. 2450
|
Расточить отверстия 19 по
эскизу.
|
|
040
|
Слесарная
|
Острые кромки притупить
|
|
045
|
Термическая
|
Цементировать h1..h1,4мм;
Калить поверхность зубьев ТВЧ 59..63 HRC.
|
|
050
|
Круглошлифовальная
(предварительная), станок мод. 3151
|
Шлифовать поверхности 2, 3,
7, 8, 12, 16, 17 по эскизу за два установа.
|
|
055
|
Круглошлифовальная
(окончательная), станок мод. 3151
|
Шлифовать поверхности 2, 3,
7, 8, 16, 17 по эскизу за два установа.
|
|
060
|
Зубошлифовальная, станок
мод. 5715
|
Шлифовать поверхность
зубьев 13 по эскизу.
|
|
065
|
Моечная, моечная камера
|
Промыть и обезжирить
детали.
|
|
070
|
Контрольная, Стол
|
Выполнение всех операций
согласно технологическому процессу. Контроль геометрических параметров;
контроль за отсутствием забоин и острых кромок.
|
.4 Определение промежуточных припусков, технологических размеров и
допусков
.4.1 Аналитический метод определения припусков
Для определения припусков, используем методику [5, стр. 175] со следующим
порядком расчёта:
1.) Расчётный припуск:
Односторонний припуск при последовательной обработке противолежащих
поверхностей рассчитывается по формуле:
, (2.4.1)
где
высота неровностей профиля;
глубина дефектного поверхностного слоя;
отклонение расположения поверхности;
погрешность установки заготовки;
Двусторонний припуск при обработке наружных и внутренних поверхностей
рассчитывается по формуле:
, (2.4.2)
2) Расчётный минимальный размер определяется по следующим формулам:
, (2.4.3)
, (2.4.4)
2.) Допуск на изготовление определяется по таблице, в зависимости от
квалитета и размера.
3.) Принятые размеры по переходам
:
Округление производится до того же знака десятичной дроби, с каким дан
припуск на размер для каждого перехода.
, (2.4.5)
5.) Полученные предельные припуски:
, (2.4.6)
, (2.4.7)
Результаты расчётов припусков сведены в таблицу 2.4.1.
Таблица 2.4.1 - Расчёт припусков по диаметрам поковки
|
Элементарная поверхность и
технологический маршрут её обработки
|
|
Т, мм
|
|
ВО, мм
|
НО, мм
|
Расчетный размер, мм
|
Операционный размер, мм
|
|
Наружная пов. 2 Штамповка
|
3,3/6,6
|
4
|
5,4/10,6
|
2,7
|
1,3
|
ø61,6
|
ø61,6
|
|
Черновое точение
|
1,9/3,8
|
0,3
|
2,05/4,1
|
0
|
-0,3
|
ø58,1
|
Ø58,1
|
|
Чистовое точение
|
1/2
|
0,12
|
1,06/2,12
|
0
|
-0,12
|
ø56,1
|
ø56,1
|
|
Шлифование предварительное
|
0,15/0,3
|
0,046
|
0,18/0,36
|
0
|
-0,046
|
ø55,5
|
ø55,5
|
|
Шлифование окончательное
|
0,25/0,5
|
0,02
|
0,26/0,52
|
0,023
|
-0,003
|
ø55
|
ø55
|
|
Наружная пов. 4 Штамповка
|
3,3/6,6
|
4
|
5,4/10,6
|
2,7
|
1,3
|
ø88,8
|
ø88,8
|
|
Черновое точение
|
1,9/3,8
|
0,7
|
2,25/4,5
|
0
|
-0,7
|
ø85
|
ø85
|
|
Чистовое точение
|
1/2
|
0,35
|
1,17/2,35
|
0
|
-0,35
|
ø83
|
ø83
|
|
Наружная пов. 6 Штамповка
|
3,3/6,6
|
4
|
5,4/10,6
|
2,7
|
1,3
|
ø160,8
|
ø160,8
|
|
Черновое точение
|
1,9/3,8
|
0,87
|
2,35/4,7
|
0
|
-0,87
|
ø157
|
ø157
|
|
Чистовое точение
|
1/2
|
0,4
|
1,2/2,4
|
0
|
-0,4
|
ø155
|
ø155
|
|
Наружная пов. 8 Штамповка
|
3,3/6,6
|
4
|
5,4/10,6
|
2,7
|
1,3
|
ø116,9
|
ø116,9
|
|
Черновое точение
|
1,9/3,8
|
0,3
|
2,05/4,1
|
0
|
-0,3
|
ø113,1
|
ø113,1
|
|
Чистовое точение
|
1/2
|
0,12
|
1,06/2,12
|
0
|
-0,12
|
ø111,1
|
ø111,1
|
|
Шлифование предварительное
|
0,15/0,3
|
0,046
|
0,18/0,36
|
0
|
-0,046
|
ø110,5
|
ø110,5
|
|
Шлифование окончательное
|
0,25/0,5
|
0,02
|
0,26/0,52
|
0,095
|
0,070
|
ø110
|
ø110
|
|
Наружная пов. 12 Штамповка
|
3,3/6,6
|
4
|
5,4/10,6
|
2,7
|
1,3
|
ø108,5
|
ø108,5
|
|
Черновое точение
|
1,9/3,8
|
0,67
|
2,15/4,3
|
0
|
-0,67
|
ø104,7
|
ø104,7
|
|
Чистовое точение
|
1/2
|
0,14
|
1,07/2,14
|
0
|
-0,14
|
ø102,7
|
ø102,7
|
|
Наружная пов. 15 Штамповка
|
3,3/6,6
|
4
|
5,4/10,6
|
2,7
|
1,3
|
ø79,8
|
ø79,8
|
|
Черновое точение
|
1,9/3,8
|
0,67
|
2,05/4,1
|
0
|
-0,67
|
ø76
|
ø76
|
|
Чистовое точение
|
1/2
|
0,3
|
1,06/2,12
|
0
|
-0,3
|
ø74
|
ø74
|
|
Наружная пов. 17 Штамповка
|
3,3/6,6
|
4
|
5,4/10,6
|
2,7
|
1,3
|
ø56,9
|
ø56,9
|
|
Черновое точение
|
1,9/3,8
|
0,3
|
2,05/4,1
|
0
|
-0,3
|
ø53,1
|
ø53,1
|
|
Чистовое точение
|
1/2
|
0,12
|
1,06/2,12
|
0
|
-0,12
|
ø51,1
|
ø51,1
|
|
Шлифование предварительное
|
0,15/0,3
|
0,046
|
0,18/0,36
|
0
|
-0,046
|
ø50,5
|
ø50,5
|
|
Шлифование окончательное
|
0,25/0,5
|
0,017
|
0,26/0,52
|
0,020
|
0,003
|
ø50
|
ø50
|
Определяем расчетно-аналитическим методом припуск для обработки
поверхностей 2, 6, 8, 12, 15,17. Расчет выполняется по ГОСТ 7505-89.
Таблица 2.5 - Карта расчета припусков на обработку и предельных размеров
по технологическим переходам
|
Элементарная поверхность
детали и технологический маршрут ее обработки
|
Элементы припуска, мкм
|
Расчетный припуск 2zmin
|
Расчетный миним. размер, мм
|
Допуск на изготовление Td,
мкм
|
Принятые (округленные)
размеры по переходам, мм
|
Полученные предельные
припуски, мм
|
|
Rz
|
h
|
D
|
e
|
Zi
|
Di
|
Ti
|
dmax
|
dmin
|
2zmax
|
2zmin
|
|
1
|
2
|
3
|
4
|
5
|
6
|
7
|
9
|
10
|
11
|
12
|
|
Наружная пов. 2 Штамповка
|
200
|
250
|
1500
|
-
|
-
|
59,39
|
3000
|
62,39
|
59,39
|
7,37
|
4,39
|
|
Черновое точение
|
50
|
50
|
40
|
-
|
3900
|
55,49
|
460
|
55,95
|
55,49
|
6,44
|
3,9
|
|
Чистовое точение
|
25
|
25
|
26
|
-
|
280
|
55,21
|
120
|
55,33
|
55,21
|
0,62
|
0,28
|
|
Шлифование предварительное
|
10
|
20
|
0
|
-
|
152
|
55,06
|
46
|
55,1
|
55,06
|
0,23
|
0,15
|
|
Шлифование окончательное
|
5
|
15
|
0
|
-
|
60
|
55,0
|
19
|
55,02
|
55,0
|
0,08
|
0,06
|
|
Наружная пов. 4 Штамповка
|
200
|
250
|
1500
|
-
|
-
|
87,18
|
3000
|
90,18
|
87,18
|
7,06
|
4,18
|
|
Черновое точение
|
50
|
50
|
40
|
-
|
3900
|
83,28
|
460
|
83,74
|
83,28
|
6,44
|
3,9
|
|
Чистовое точение
|
25
|
25
|
26
|
-
|
280
|
83,0
|
120
|
83,12
|
83,0
|
0,62
|
0,28
|
|
Наружная пов. 6 Штамповка
|
200
|
250
|
1500
|
-
|
-
|
159,18
|
3000
|
162,18
|
159,18
|
7,06
|
4,18
|
|
Черновое точение
|
50
|
50
|
40
|
-
|
3900
|
155,28
|
460
|
155,74
|
155,28
|
6,44
|
3,9
|
|
Чистовое точение
|
25
|
25
|
26
|
-
|
280
|
155,0
|
120
|
155,12
|
155,0
|
0,62
|
0,28
|
|
Наружная пов. 8 Штамповка
|
200
|
250
|
1500
|
-
|
-
|
114,39
|
3000
|
117,39
|
114,39
|
7,37
|
4,39
|
|
Черновое точение
|
50
|
50
|
40
|
-
|
3900
|
110,49
|
460
|
110,95
|
110,49
|
6,44
|
3,9
|
|
Чистовое точение
|
25
|
25
|
26
|
-
|
280
|
110,21
|
120
|
110,33
|
110,21
|
0,62
|
0,28
|
|
Шлифование предварительное
|
10
|
20
|
0
|
-
|
152
|
110,06
|
46
|
110,1
|
110,06
|
0,23
|
0,15
|
|
Шлифование окончательное
|
5
|
15
|
0
|
-
|
60
|
110,0
|
19
|
110,02
|
110,0
|
0,08
|
0,06
|
|
Наружная пов. 12 Штамповка
|
200
|
250
|
1500
|
-
|
-
|
106,88
|
3000
|
109,88
|
106,88
|
7,06
|
4,18
|
|
Черновое точение
|
50
|
50
|
40
|
-
|
3900
|
102,98
|
460
|
103,44
|
102,98
|
6,44
|
3,9
|
|
Чистовое точение
|
25
|
25
|
26
|
-
|
280
|
102,7
|
120
|
102,82
|
102,7
|
0,62
|
0,28
|
|
Наружная пов. 15 Штамповка
|
200
|
250
|
1500
|
-
|
-
|
78,18
|
3000
|
81,18
|
78,18
|
7,06
|
4,18
|
|
Черновое точение
|
50
|
50
|
40
|
-
|
3900
|
74,28
|
460
|
74,74
|
74,28
|
6,44
|
3,9
|
|
Чистовое точение
|
25
|
25
|
26
|
-
|
280
|
74,0
|
120
|
74,12
|
74,0
|
0,62
|
0,28
|
|
Наружная пов. 17 Штамповка
|
200
|
250
|
1500
|
-
|
-
|
54,39
|
3000
|
57,39
|
54,39
|
7,37
|
4,39
|
|
Черновое точение
|
50
|
50
|
40
|
-
|
3900
|
50,49
|
460
|
50,95
|
50,49
|
6,44
|
3,9
|
|
Чистовое точение
|
25
|
25
|
26
|
-
|
280
|
50,21
|
120
|
50,33
|
50,21
|
0,62
|
0,28
|
|
Шлифование предварительное
|
10
|
20
|
0
|
-
|
152
|
50,06
|
46
|
50,1
|
50,06
|
0,23
|
0,15
|
|
Шлифование окончательное
|
5
|
15
|
0
|
-
|
60
|
50,0
|
19
|
50,02
|
50,0
|
0,08
|
0,06
|
.4.2 Статистический метод определения припусков
При статистическом методе определения промежуточных припусков на
обработку поверхностей заготовки используются таблицы технологического
справочника [6].
Результаты заносим в таблицу 2.4.2.
Таблица 2.4.2 - Расчёт припусков
|
Элементарная поверхность
детали
|
Технологический маршрут
обработки
|
Минимальный припуск по
табличным данным, мм
|
Принятый предельный
припуск, мм
|
|
1
|
2
|
3
|
4
|
|
1
|
Точение черновое
|
0,9
|
1,0
|
|
Общий припуск
|
Zo=0,9
|
Zo=1,0
|
|
3
|
Точение черновое Точение
чистовое Шлифование предвар. Шлифование окончат.
|
0,9 0,35 0,19 0,08
|
|
Общий припуск
|
Zo=1,52
|
Zo=1,8
|
|
5
|
Точение черновое
|
0,9
|
1,0
|
|
Общий припуск
|
Zo=0,9
|
Zo=1,0
|
|
7
|
Точение черновое Точение
чистовое Шлифование предвар. Шлифование окончат.
|
0,9 0,35 0,20 0,08
|
1,0 0,5 0,2 0,1
|
|
Общий припуск
|
Zo=1,52
|
Zo=1,8
|
|
9
|
Точение черновое
|
0,9
|
1,0
|
|
Общий припуск
|
Zo=0,9
|
Zo=1,0
|
|
11
|
Точение черновое
|
0,9
|
1,0
|
|
Общий припуск
|
Zo=0,9
|
Zo=1,0
|
|
14
|
Точение черновое
|
0,9
|
1,0
|
|
Общий припуск
|
Zo=0,9
|
Zo=1,0
|
|
16
|
Точение черновое Точение
чистовое Шлифование предвар. Шлифование окончат.
|
0,9 0,35 0,20 0,08
|
1,0 0,5 0,2 0,1
|
|
Общий припуск
|
Zo=1,52
|
Zo=1,8
|
|
18
|
Точение черновое
|
0,9
|
1,0
|
|
Общий припуск
|
Zo=0,9
|
Zo=1,0
|
2.5 Размерный анализ технологического процесса
Размерный анализ технологического процесса выполняется с помощью метода
графов.
В соответствии с принятым технологическим процессом производится
размерный анализ детали. Конструкторские K и технологические L размеры, а также
размеры заготовки L и припуски Z показаны на рисунке 2.5.1.
По схеме рисунка 2.5.1. составляем граф, представленный на рисунке 2.5.2,
2.5.3 по которому составляются расчётные уравнения, приведённые в таблице
2.5.4.
Рисунок 2.5.1 - Размерная схема технологического процесса
Метод графов показан на рисунках 2.5.2, 2.5.3.
Рисунок 2.5.2 Исходный граф
Рисунок 2.5.3 Производный граф
Назначения допусков приведены в таблице 2.5.4.
Таблица 2.5.4 Назначение допуска
|
Технический размер
|
Этап обработки
|
До корректировки
|
После корректировки
|
|
|
квалитет
|
Тi
|
квалитет
|
Тi
|
|
L1
|
Исходная заготовка
|
Штамповка
|
|
|
|
|
L2
|
Исходная заготовка
|
Штамповка
|
|
|
|
|
L3
|
Исходная заготовка
|
Штамповка
|
|
|
|
|
L4
|
Исходная заготовка
|
Штамповка
|
|
|
|
|
L5
|
Исходная заготовка
|
Штамповка
|
|
|
|
|
L6
|
Исходная заготовка
|
Штамповка
|
|
|
|
|
L7
|
Исходная заготовка
|
Штамповка
|
|
|
|
|
L8
|
1-й
|
12
|
0,300
|
|
|
|
L9
|
1-й
|
12
|
0,300
|
|
|
|
L10
|
2-й
|
10
|
0,120
|
|
|
|
L11
|
2-й
|
10
|
0,140
|
|
|
|
L12
|
2-й
|
12
|
0,300
|
|
|
|
L13
|
2-й
|
12
|
0,300
|
|
|
|
L14
|
2-й
|
12
|
0,300
|
|
|
|
L15
|
2-й
|
10
|
0,120
|
|
|
|
L16
|
3-й
|
8
|
0,046
|
|
|
|
L17
|
3-й
|
8
|
0,054
|
|
|
|
L18
|
3-й
|
12
|
0,300
|
|
|
|
L19
|
3-й
|
12
|
0,300
|
|
|
|
L20
|
3-й
|
12
|
0,300
|
|
|
|
L21
|
3-й
|
8
|
0,046
|
|
|
|
L22
|
4-й
|
6
|
0,019
|
|
|
|
L23
|
4-й
|
6
|
0,022
|
|
|
|
L24
|
4-й
|
6
|
0,019
|
|
|
Выявление размерных цепей показано в таблице 2.5.5.
Таблица 2.5.5 Выявление размерных цепей
|
Замыкающее звено
|
Вершины исходного графа
|
Последовательность вершин
производного графа
|
Уравнение размерной цепи
|
Размерная цепь
|
|
K1
|
10; 180
|
10; 180
|
-K1+L9=0
|
|
|
K2
|
10; 30
|
10; 180; 30
|
-K2+L9-L22=0
|
|
|
К3
|
30; 70
|
30; 180; 10; 70
|
-K3+L22-L9+L23=0
|
|
|
K4
|
30; 90
|
30; 180; 10; 90
|
-K4+L22-L9+L18=0
|
|
|
K5
|
110; 140
|
110; 180; 10;140
|
-K5+L19-L9+L20=0
|
|
|
K6
|
140; 160
|
140; 10; 160
|
-K6-L20+L24=0
|
|
|
K7
|
30; 160
|
30; 180; 10; 160
|
-K7+L22-L9+L24=0
|
|
|
Z10
|
9; 10
|
9; 181; 10
|
-Z10+L1-L8=0
|
|
|
Z28
|
27; 28
|
27; 9; 181; 10; 180; 28
|
-Z28-L2+L1-L8+L9-L10=0
|
|
|
Z29
|
28; 29
|
28; 180; 29
|
-Z29+L10-L16=0
|
|
|
Z30
|
29; 30
|
29; 180; 30
|
-Z30+L16-L22=0
|
|
|
Z70
|
70; 71
|
70; 10; 71
|
-Z70-L23+L17=0
|
|
|
Z71
|
71; 72
|
71; 10; 72
|
-Z71-L17+L11=0
|
|
|
Z72
|
72; 73
|
72; 10; 181; 9; 27; 73
|
-Z72-L11+L8-L1+L2+L3=0
|
|
|
Z90
|
90; 91
|
90; 10; 91
|
-Z90-L18+L12=0
|
|
|
Z91
|
91; 92
|
91; 10; 181; 9; 27; 92
|
-Z91-L12+L8-L1+L2+L4=0
|
|
|
Z109
|
108; 109
|
108; 142; 163; 27; 9; 181;
10; 180; 109
|
-Z109+L5+L6-L7-L2+L1-L8+L9-L13=0
|
|
|
Z110
|
109; 110
|
109; 180; 110
|
-Z110+L13-L19=0
|
|
|
Z140
|
140; 141
|
140; 10; 141
|
-Z140-L20+L14=0
|
|
|
Z141
|
141; 142
|
141; 10; 181; 9; 27; 163;
142
|
-Z141-L14+L8-L1+L2+L7-L6=0
|
|
|
Z160
|
160; 161
|
160; 10; 161
|
-Z160-L24+L21=0
|
|
|
Z161
|
161; 162
|
161; 10; 162
|
-Z161-L21+L15=0
|
|
|
Z162
|
162; 163
|
162; 10; 181; 9; 27; 163
|
-Z162-L15+L8-L1+L2+L7=0
|
|
|
Z180
|
180; 181
|
180; 10; 181
|
-Z180-L9+L8=0
|
|
Проверка технологического процесса
Результаты определения промежуточных припусков показаны в таблице 2.5.6.
Таблица 2.5.6 Промежуточные припуски на обработку торцов
|
Припуск Z, мм
|
ωZ,
мм
|
Zmin,мм
|
Zmax,мм
|
Zmax/ Zmin
|
|
Z10
|
5,9
|
1,3
|
7,2
|
5,54
|
|
Z28
|
10,32
|
1,8
|
12,12
|
6,74
|
|
Z29
|
0,166
|
0,55
|
0,716
|
1,31
|
|
Z30
|
0,065
|
0,3
|
0,365
|
1,22
|
|
Z70
|
0,076
|
0,3
|
0,376
|
1,26
|
|
Z71
|
0,194
|
0,55
|
0,744
|
1,36
|
|
Z72
|
13,64
|
1,8
|
15,44
|
8,58
|
|
Z90
|
0,6
|
0,45
|
1,05
|
2,34
|
|
Z91
|
13,8
|
1,3
|
15,1
|
11,62
|
|
Z109
|
1,3
|
24,4
|
18,77
|
|
Z110
|
0,6
|
0,45
|
1,05
|
2,34
|
|
Z140
|
0,6
|
0,45
|
1,05
|
2,34
|
|
Z141
|
18,8
|
1,3
|
20,1
|
15,46
|
|
Z160
|
0,065
|
0,25
|
0,315
|
1,26
|
|
Z161
|
0,166
|
0,45
|
0,616
|
1,37
|
|
Z162
|
15,02
|
1,3
|
16,32
|
12,56
|
|
Z180
|
0,6
|
1,3
|
1,9
|
1,47
|
Определяем колебание и максимальное значение
припуска
|
|
(1)
|
Где ωZi -колебание припуска;- допуск на линейный размер.
|
|
(2)
|
Где ωZi -колебание припуска;, max - минимальное и
максимальное значение i-го припуска
Рассчитываем колебание и максимальное
значение припуска
1. ωZ10=TL1+TL8=5,6+0,3=5,9
Z10max=Z10min+ ωZ10=1,3+5,9=7,2
2. ωZ28=TL1+TL2+TL8+TL9+TL10=5,6+4,0+0,3+0,3+0,12=10,32
Z28max=Z28min+ ωZ28=1,8+10,32=12,12
3. ωZ29=TL10+TL16=0,12+0,046=0,166
Z29max=Z29min+ ωZ29=0,55+0,166=0,716
4. ωZ30=TL16+TL22=0,046+0,019=0,065
Z30max=Z30min+ ωZ30=0,3+0,065=0,365
5. ωZ70=TL17+TL23=0,054+0,022=0,076
Z70max=Z70min+ ωZ70=0,3+0,076=0,376
6. ωZ71=TL11+TL17=0,140+0,054=0,194
Z71max=Z71min+ ωZ71=0,55+0,194=0,744
7. ωZ72=
TL1+TL2+TL3+TL8+TL11=5,6+4,0+3,6+0,3+0,14=13,64
Z72max=Z72min+ ωZ72=1,8+13,64=15,44
8. ωZ90=TL12+TL18=0,300+0,300=0,600
Z90max=Z90min+ ωZ90=0,45+0,600=1,050
9. ωZ91=TL1+TL2+TL4+TL8+TL12=5,6+4,0+3,6+0,3+0,300=13,8
Z91max=Z91min+ ωZ91=1,3+13,8=15,1
10. ωZ109=TL1+TL2+TL5+TL6+TL7+TL8+TL9+TL13=5,6+4,0+4,0+3,6+5,0+0,3+0,3+
+0,3=23,1
Z109max=Z109min+ ωZ109=1,3+23,1=24,4
11. ωZ110=TL13+TL19=0,3+0,3=0,6
Z110max=Z110min+ ωZ110=0,45+0,6=1,05
12. ωZ140=TL14+TL20=0,3+0,3=0,6
Z140max=Z140min+ ωZ140=0,45+0,6=1,050
13. ωZ141=TL1+TL2+TL6+TL7+TL8+TL14=5,6+4,0+3,6+5,0+0,3+0,3=18,8
Z141max=Z141min+ ωZ141=1,3+18,8=20,1
14. ωZ160=TL21+TL24=0,046+0,019=0,065
Z160max=Z160min+ ωZ160=0,25+0,065=0,315
15. ωZ161=TL15+TL21=0,12+0,046=0,166
Z161max=Z161min+ ωZ161=0,45+0,166=0,616
16. ωZ162=TL1+TL2+TL7+TL8+TL15=5,6+4,0+5,0+0,3+0,12=15,02
Z162max=Z162min+ ωZ162=1,3+15,02=16,32
17. ωZ180=TL8+TL9=0,3+0,3=0,6
Z180max=Z180min+ ωZ180=1,3+0,6=1,9
Конструкторский размер, обеспеченный технологическим процессом
представлен в таблице 2.5.7
Таблица 2.5.7 Учет полученных запасов точности
|
Конструкторский размер по
чертежу
|
Запас точности
|
Конструкторский размер
обеспеченный Т.П.
|
|
K1=251-1,3
|
1,0
|
K1’=251-0,3
|
|
K2=45,5-0,62
|
0,3
|
K2’=45,5-0,32
|
|
К3=10-0,36
|
0,02
|
K3’=10-0,34
|
|
K4=26-0,62
|
0
|
K4’=26-0,62
|
|
K5=75-1,0
|
0,1
|
K5’=75-0,9
|
|
K6=22-0,52
|
0,2
|
K6’=22-0,32
|
|
K7=164-0,53
|
0,19
|
K7’=164-0,34
|
Рассчитываем допуска линейных размеров
К1=TL9=0.3К2=TL9+TL22=0.3+0.019=0.319К3=TL9+TL22+TL23=0.3+0.019+0,022=0.341К4=TL9+TL18+TL22=0.3+0.3+0.019=0.619К5=TL9+TL19+TL20=0.3+0.3+0.3=0.9К6=TL20+TL24=0.3+0.019=0.319К7=TL9+TL22+TL24=0.3+0.019+0.019=0.338
Расчеты размерных цепей представлены в таблице 2.5.8.
Таблица 2.5.8 Расчет размерных цепей
|
Уравнение замыкающего звена
|
Определяемое звено
|
Порядок расчета
|
Lmax
|
Lmin
|
Операционный размер
|
|
K1=L9
|
L9
|
1
|
251,0
|
250,7
|
251-0,3
|
|
K2=L9-L22
|
L22
|
2
|
205,52
|
205,5
|
205,5+0,02
|
|
К3=L22-L9+L23
|
L23
|
3
|
55,18
|
55,16
|
|
|
K4=L22-L9+L18
|
L18
|
4
|
71,18
|
70,88
|
|
|
K5=L19-L9+L20
|
L19
|
16
|
138,22
|
137,92
|
|
|
K6=L24-L20
|
L20
|
6
|
187,48
|
187,18
|
|
|
K7=L22-L9+L24
|
L24
|
5
|
209,18
|
209,16
|
|
|
Z10=L1-L8
|
L1
|
17
|
259,5
|
253,9
|
|
|
Z28=L1-L2-L8+L9-L10
|
L2
|
18
|
43,664
|
39,664
|
|
|
Z29=L10-L16
|
L10
|
8
|
206,536
|
206,416
|
206,536-0,12
|
|
Z30=L16-L22
|
L16
|
7
|
205,866
|
205,82
|
205,866-0,046
|
|
Z70=L17-L23
|
L17
|
9
|
55,534
|
55,48
|
55,534-0,054
|
|
Z71=L11-L17
|
L11
|
10
|
56,224
|
56,084
|
56,224-0,14
|
|
Z72=L8-L11-L1+L2+L3
|
L3
|
19
|
29,16
|
25,56
|
|
|
Z90=L12-L18
|
L12
|
11
|
71,93
|
71,63
|
71,93-0,3
|
|
Z91=L8-L12-L1+L2+L4
|
L4
|
20
|
44,366
|
40,766
|
|
|
Z109=L5+L6-L7-L2+L1-L8+L9-L13
|
L5
|
24
|
98,0
|
94,0
|
|
|
Z110=L13-L19
|
L13
|
21
|
138,97
|
138,67
|
138,97-0,3
|
|
Z140=L14-L20
|
L14
|
12
|
188,23
|
187,93
|
188,23-0,3
|
|
Z141=L8-L14-L1+L2+L7-L6
|
L6
|
23
|
25,296
|
21,696
|
|
|
Z160=L21-L24
|
L21
|
13
|
209,476
|
209,43
|
209,476-0,046
|
|
Z161=L15-L21
|
L15
|
14
|
210,046
|
209,926
|
210,046-0,12
|
|
Z162=L8-L15-L1+L2+L7
|
L7
|
22
|
183,762
|
178,762
|
|
|
Z180=L8-L9
|
L8
|
15
|
252,6
|
252,3
|
252,6-0,3
|
Расчет второй размерной цепи:
. K2=L9-L22
,5=251-L22=251-45,5=205,5
. BOK2=BOL9-HOL22
=0-HOL22
НOL22=0
. HOK2=HOL9-BOL22
,32=-0,3-BOL22
ВOL22=0,02
. TL22=BOL22-HOL22=0,02-0=0,02
Расчет третей размерной цепи:
. K3=L22-L9+L23
=205,5-251+L23=251-205,5+10=55,5
. BOK3=BOL22+ВOL23-НОL9
=0,02+ВOL23-(-0,3)
ВОL23=-0.32
. HOK3=HOL22+HOL23-ВOL9
,34=0+HOL23-0
НOL23=-0,34
. TL23=BOL23-HOL23=-0,32-(-0,34)=0,02
Расчет четвертой размерной цепи:
. K4=L22-L9+L18
=205,5-251+L18=251-205,5+26=71,5
. BOK4=BOL22+ВOL18-НОL9
=0,02+ВOL18-(-0,3)
ВОL18=-0.32
. HOK4=HOL22+HOL18-ВOL9
,62=0+HOL18-0
НOL18=-0,62
. TL18=BOL18-HOL18=-0,32-(-0,62)=0,3
Расчет пятой размерной цепи:
. K7=L22-L9+L24
=205,5-251+L24=251-205,5+164=209,5
. BOK7=BOL22+ВOL24-НОL9
=0,02+ВOL24-(-0,3)
ВОL24=-0.32
. HOK7=HOL22+HOL24-ВOL9
,34=0+HOL24-0
НOL24=-0,34
. TL24=BOL24-HOL24=-0,32-(-0,34)=0,02
Расчет шестой размерной цепи:
. K6=L24-L20
=209,5-L20=209,5-22=187,5
. BOK6=BOL24-НОL20
=-0,32-НОL20
НОL20=-0.32
. HOK6=HOL24-ВOL20
,32=-0,34-ВOL20
ВOL20=-0,02
. TL20=BOL20-HOL20=-0,02-(-0,32)=0,3
Расчет седьмой размерной цепи:
. Z30min=L16min -L22max
. 0.3=L16min -205,52
. L16min=205,52+0,3=205,82
. TL16=0,046max=L16min+TL16=205,82+0,046=205,866
Расчет восьмой размерной цепи:
. Z29min=L10min -L16max
. 0.55=L10min -205,866
. L10min=205,866+0,55=206,416
. TL10=0,12max=L10min+TL10=206,416+0,12=206,536
Расчет девятой размерной цепи:
. Z70min=L17min -L23max
. 0.3=L17min -55,18
. L17min =55,18+0,3=55,48
. TL17=0.054max=L17min+TL17=55,48+0,054=55,534
Расчет десятой размерной цепи:
. Z71min=L11min -L17max
. 0.55=L11min - 55,534
. L11min =55,534+0,55=56,084
. TL11=0,14max=L11min+TL11=56,084+0,14=56,224
Расчет одиннадцатой размерной цепи:
. Z90min=L12min -L18max
. 0,45=L12min-71,18
. L12min =71,18+0,45=71,63
. TL12=0,3max=L12min +TL12=71,63+0,3=71,93
Расчет двенадцатой размерной цепи:
. Z140min=L14min-L20max
. 0.45= L14min -187,48
. L14min=0.45+187,48=187,93
. TL14=0,3max=L14min+TL14=187,93+0,3=188,23
Расчет тринадцатой размерной цепи:
. Z160min=L21min-L24max
. 0.25= L21min -209,18
. L21min=0.25+209,18=209,43
. TL21=0,046max=L21min +TL21=209,43+0,046=209,476
Расчет четырнадцатой размерной цепи:
. Z161min=L15min-L21max
. 0.45= L15min -209,476
. L15min=0.45+209,476=209,926
. TL15=0,12max=L15min +TL15=209,926+0,12=210,046
. Z180min=L8min-L9max
. 1.3= L8min -251,0
. L8min=1.3+251,0=252,3
. TL8=0,3max=L8min +TL8=252,3+0,3=252,6
Расчет шестнадцатой размерной цепи:
. K5=L19-L9+L20
=L19-251+187,5=75+251-187,5=138,5
. BOK5=BOL19+BOL20 -НОL9
=BOL19 +(-0,02)-(-0,3)
ВОL19=-0,28
. HOK5=HOL19+НOL20-ВОL9
,9=HOL19+(-0,32)-0
НOL19=-0,58
. TL19=BOL19-HOL19=-0,28-(-0,58)=0,3
Расчет семнадцатой размерной цепи:
. Z10min=L1min-L8max
. 1,3= L1min -252,6
. L1min=1.3+252,6=253,9
. TL1=5,6max=L1min +TL1=253,9+5,6=259,5
,5-3,7=255,8; 253,9+1,9=255,8.
Расчет восемнадцатой размерной цепи:
1. Z28min=L1min+L9min-L2max-L8max -L10max
. 1,8=253,9+250,7-L2max-252,6-206,536
. L2max=253,9+250,7-252,6-206,536-1,8=43,664
. TL2=4,0min=L2max-TL2=43,664-4,0=39,664
43,664-2,7=40,964
,664+1,3=40,964
Расчет девятнадцатой размерной цепи:
. Z72min=L8min +L2min+L3min-L11max -L1max
2. 1,8=252,3+39,664+L3min-56,224-259,5
. L3min=-252,3-39,664+56,224+259,5+1,8=25,56
. TL3=3,6max=L3min +TL3=25,56+3,6=29,16
29,16-2,4=26,76
,56+1,2=26,76
Расчет двадцатой размерной цепи:
. Z91min=L8min +L2min+L4min-L12max -L1max
2. 1,3=252,3+39,664+L4min-71,93-259,5
. L4min=-252,3-39,664+71,93+259,5+1,3=40,766
. TL4=3,6max=L4min +TL4=40,766+3,6=44,366
44,366-2,4=41,966
,766+1,2=41,966
Расчет двадцать первой размерной цепи:
1. Z110min=L13min-L19max
. 0,45= L13min -138,22
. L13min=0.45+138,22=138,67
4. TL13=0,3max=L13min +TL13=138,67+0,3=138,97
Расчет двадцать второй размерной цепи:
1. Z162min=L8min +L2min+L7min-L15max -L1max
. 1,3=252,3+39,664+L7min-209,926-259,5
. L7min=-252,3-39,664+209,926+259,5+1,3=178,762
. TL7=5,0max=L7min +TL7=178,762+5,0=183,762
183,762-3,3=180,462
,762+1,7=180,462
Расчет двадцать третей размерной цепи:
1. Z141min=L8min +L2min+L7min-L14max -L1max -L6max
. 1,3=252,3+39,664+178,762-188,23-259,5-L6max
. L6max=252,3+39,664+178,762-188,23-259,5-1,3=21,696
. TL6=3,6max=L6min +TL6=21,696+3,6=25,296
25,296-2,4=22,896
,696+1,2=22,896
Расчет двадцать четвертой размерной цепи:
1. Z109min=L5min +L6min+L1min+L9min -L7max -L2max -L8max
-L13max
. 1,3= L5min +21,696+253,9+250,7-183,762-43,664-252,6-138,97
. L5min=1,3-21,696-253,9-250,7+183,762+43,664+252,6+138,97=94,0
. TL5=4,0max=L5min +TL5=94,0+4,0=98,0
98,0-2,7=95,3
,0+1,3=95,3
3. Разработка технологических операций
.1 Разработка технологических переходов и выполнение операционных эскизов
В приложениях данной пояснительной записки представлены операционные
эскизы в последовательности выполнения технологических операций (см. далее).
.2 Расчёт режимов резания
Произведём расчёты для режимов резания при токарной обработке (операция
015; 025), фрезеровании (операция 010; 030), координатно-расточной (операция
035), шлифовальная (операция 050; 055; 060). Результаты расчётов сведены в
таблицы 3.2.1.1, 3.2.1.2, 3.2.2.1, 3.2.2.2, 3.2.3, 3.2.4.1, 3.2.4.2, 3.2.4.3.
.2.1 Режимы резания при точении (0,15; 0,25)
Методика расчета приведена в источнике [5].
1). Глубина резания
.
Принимаем равной припуску обработки.
2). Подача
.
Принимаем согласно табличным данным.
3). Скорость резания
вычисляем по формуле:
,
) Силу резания
вычисляем по формуле:
·10,
). Мощность резания
вычисляем по формуле:
,
6.) Частоту вращения детали при обработке
вычисляем по формуле:
.
Таблица 3.2.1.1 - Результаты расчётов для операции 015
|
№ поверхности детали на
рассчитываемой операции
|
Расчётная величина
|
Принятая величина
|
|
|
|
|
|
|
|
|
|
2
|
3,0
|
0,4
|
114
|
2220
|
4,1
|
235
|
250
|
|
6
|
2,4
|
0,4
|
118
|
1770
|
3,4
|
242
|
250
|
|
3
|
3,0
|
0,4
|
114
|
2220
|
4,1
|
235
|
250
|
|
8
|
3,3
|
0,4
|
113
|
2550
|
4,7
|
232
|
250
|
|
12
|
2,4
|
0,4
|
118
|
1770
|
3,4
|
242
|
250
|
|
15
|
2,2
|
0,4
|
120
|
1540
|
3,0
|
246
|
250
|
|
17
|
3,0
|
0,4
|
114
|
2220
|
4,1
|
235
|
250
|
|
7
|
2,0
|
0,4
|
122
|
1360
|
2,7
|
250
|
250
|
|
9
|
2,0
|
0,4
|
122
|
1360
|
2,7
|
250
|
250
|
|
11
|
2,2
|
0,4
|
120
|
1540
|
3,0
|
246
|
250
|
|
14
|
2,7
|
0,4
|
116
|
2040
|
3,9
|
238
|
250
|
|
16
|
3,0
|
0,4
|
114
|
2220
|
4,1
|
235
|
250
|
Согласно расчётным данным принимаем станок: токарно-винторезный 16К20.
Таблица 3.2.1.2 - Результаты расчётов для операции 025
|
№ поверхности детали на
рассчитываемой операции
|
Расчётная величина
|
Принятая величина
|
|
|
|
|
|
|
|
|
|
2
|
2,0
|
0,2
|
155
|
845
|
2,0
|
318
|
350
|
|
4
|
2,0
|
0,2
|
155
|
845
|
2,0
|
318
|
350
|
|
3
|
2,0
|
0,2
|
155
|
845
|
2,0
|
318
|
350
|
|
5
|
2,0
|
0,2
|
155
|
845
|
2,0
|
318
|
350
|
|
8
|
2,0
|
0,2
|
155
|
845
|
2,0
|
318
|
350
|
|
12
|
2,0
|
0,2
|
155
|
845
|
2,0
|
318
|
350
|
|
17
|
2,0
|
0,2
|
155
|
845
|
2,0
|
318
|
350
|
|
7
|
2,0
|
0,2
|
155
|
845
|
2,0
|
318
|
350
|
|
9
|
2,0
|
0,2
|
155
|
845
|
2,0
|
318
|
350
|
|
11
|
2,0
|
0,2
|
155
|
845
|
2,0
|
318
|
350
|
|
14
|
2,0
|
0,2
|
155
|
845
|
2,0
|
318
|
350
|
|
16
|
2,0
|
0,2
|
155
|
845
|
2,0
|
318
|
350
|
Согласно расчётным данным принимаем станок: токарно-винторезный Commodor
E230.
3.2.2 Режимы резания при фрезеровании (0,10; 0,30)
1.) Глубина фрезерования
принимаем по чертежу.
.) Подача
. Принимаем согласно табличным данным.
.) Скорость резания
вычисляем по формуле:
,
.) Сила резания
, H вычисляем по формуле:
,
.) Мощность резания N, кВт вычисляем по формуле:
,
.) Частоту вращения инструмента при обработке
вычисляем по формуле:
.
Таблица 3.2.2.1 - Результаты расчётов для операции 010
|
№ поверхности детали на
рассчитываемой операции
|
Расчётная величина
|
Принятая величина
|
|
|
|
|
|
|
|
|
|
1
|
3,0
|
2,5
|
105
|
1250
|
2,2
|
215
|
250
|
|
18
|
3,0
|
2,5
|
105
|
1250
|
2,2
|
215
|
250
|
Согласно расчётным данным принимаем станок: фрезерно-центровальный 6Р83.
Проведем расчет для операции 030 (зубофрезерная):
Методика расчета приведена в источнике [5].
Данные для расчёта:
диаметр D=100;
модуль нарезаемого колеса
мм;
число зубьев колеса
1). Глубину резания
принимаем по чертежу.
2). Подача
. Принимаем согласно табличным данным.
). Скорость резания
вычисляем по формуле:
4). Частоту вращения инструмента при обработке
вычисляем по формуле:
,
5). Мощность резания
вычисляем по формуле:
,
Таблица 3.2.2.2 - Результаты расчётов для операции 030
|
№ поверхности детали на
рассчитываемой операции
|
Расчётная величина
|
Принятая величина
|
|
|
|
|
|
|
|
|
13
|
5
|
2,5
|
19
|
74
|
1,8
|
75
|
Согласно расчётным данным принимаем станок:
зубофрезерный 5Д32.
.2.3 Режимы резания при растачивании (0,35)
Методика расчета приведена в источнике [5].
1). Глубина резания
.
Принимаем равной половине диаметра отверстия.
). Подача
.
Принимаем согласно табличным данным.
). Скорость резания
вычисляем по формуле:
,
4). Крутящий момент
, Нм вычисляют по формуле:

,
). Мощность резания
вычисляем по формуле:
,
6). Частоту вращения детали при обработке
вычисляем по формуле:
.
Таблица 3.2.3 - Результаты расчётов для операции 035
|
№ поверхности детали на
рассчитываемой операции
|
Расчётная величина
|
Принятая величина
|
|
|
|
|
|
|
|
|
|
19
|
5
|
0,3
|
25
|
2,4
|
0,2
|
795
|
800
|
Согласно расчётным данным принимаем станок: координатно-расточной 2450.
.2.4 Режимы резания при шлифовании (0,50; 055; 060)
Методика расчета приведена в источнике [5].
Таблица 3.2.4.1 - Результаты расчётов для операции 050
|
№ поверхности детали на
рассчитываемой операции
|
Расчётная величина
|
|
, м/с
|
, м/мин
|
, мм
|
, м/мин
|
, кВт
|
|
2
|
30
|
25
|
0,02
|
0,075
|
1,1
|
|
3
|
30
|
7
|
0,03
|
-
|
1,9
|
|
7
|
30
|
7
|
0,03
|
-
|
1,9
|
|
8
|
30
|
25
|
0,02
|
0,075
|
1,3
|
|
12
|
30
|
25
|
0,02
|
0,075
|
1,2
|
|
16
|
30
|
7
|
0,03
|
-
|
1,9
|
|
17
|
30
|
25
|
0,02
|
0,075
|
1,0
|
Согласно расчётным данным принимаем станок: круглошлифовальный 3151.
Таблица 3.2.4.2 - Результаты расчётов для операции 055
|
№ поверхности детали на
рассчитываемой операции
|
Расчётная величина
|
|
, м/с
|
, м/мин
|
, мм
|
, м/мин
|
, кВт
|
|
2
|
35
|
20
|
0,01
|
0,05
|
0,4
|
|
3
|
35
|
3
|
0,01
|
-
|
0,7
|
|
7
|
35
|
3
|
0,01
|
-
|
0,7
|
|
8
|
35
|
20
|
0,01
|
0,05
|
0,6
|
|
12
|
35
|
20
|
0,01
|
0,05
|
0,5
|
|
16
|
35
|
3
|
0,01
|
-
|
0,7
|
|
17
|
35
|
20
|
0,01
|
0,05
|
0,3
|
Согласно расчётным данным принимаем станок: круглошлифовальный 3151.
Методика расчета приведена в источнике [5].
Данные для расчёта:
диаметр D=100;
модуль нарезаемого колеса
мм;
число зубьев колеса
1). Глубину резания
принимаем по чертежу.
2). Подача
. Принимаем согласно табличным данным.
3). Скорость резания
вычисляем по формуле:
,
4). Частоту вращения инструмента при обработке
вычисляем по формуле:
,
5). Мощность резания
вычисляем по формуле:
,
Таблица 3.2.4.3 - Результаты расчётов для операции 060
|
№ поверхности детали на
рассчитываемой операции
|
Расчётная величина
|
Принятая величина
|
|
|
|
|
|
|
|
13
|
0,1
|
10
|
100
|
1,5
|
100
|
Согласно расчётным данным принимаем станок: зубошлифовальный 5715.
.3 Нормирование операций
Для определения затрачиваемого времени на каждую операцию предлагается
следующая последовательность расчёта:
1). Определение основного времени:
,
где
основное время отдельного перехода данной операции, мин.
,
где
длина обрабатываемой поверхности,
;
число оборотов шпинделя,
;
подача на один оборот шпинделя,
;
число проходов.
2). Определение вспомогательного времени:
,
где
вспомогательное время на установку и снятие детали,
;
вспомогательное время, связанное с переходом,
;
вспомогательное время на контрольные измерения,
.
3). Определение оперативного времени:
,
Таблица 3.3.1. Определение оперативного времени для операций
технологического процесса.
|
Элементы операции
|
Расчетные параметры, мм
|
Режим обработки
|
Основное время, мин
|
Вспомогательное время, мин
|
|
|
Длина обрабатываемой поверх.
|
Врезание и перебег
|
Число рабочих ходов
|
Расчётная длина
|
Подача на оборот, мм/мин
|
Частота вращения, об/мин
|
Минутная подача, мм/мин
|
|
На установку и снятие
|
Связанное с переходом
|
На контрольное измерение
|
Вспомогательное время в
целом
|
Оперативное время, мин
|
|
|
|
|
L
|
SO
|
n
|
|
То
|
Туст
|
Тп
|
Тизм
|
Тв
|
Топ
|
|
1
|
2
|
3
|
4
|
5
|
6
|
7
|
8
|
9
|
10
|
11
|
12
|
13
|
14
|
|
Операция 010.
Фрезерно-центровальная.
|
|
1. Установить и снять
|
-
|
-
|
1
|
-
|
-
|
-
|
-
|
-
|
0,1
|
-
|
-
|
0,1
|
|
|
2. Фрезеровать торец 1
окончательно
|
155
|
3+3
|
1
|
161
|
2,5
|
250
|
625
|
0,25
|
-
|
0,04
|
0,11
|
0,15
|
|
|
3. Фрезеровать торец 18
окончательно
|
155
|
3+3
|
1
|
161
|
2,5
|
250
|
625
|
0,25
|
-
|
0,04
|
0,11
|
0,15
|
|
|
4. Сверлить центровые
отверстия
|
10
|
2
|
2
|
12
|
0,3
|
300
|
90
|
0,13
|
-
|
-
|
-
|
0
|
|
|
Итого
|
|
|
|
|
0,4
|
|
|
Итого
|
0,63
|
0,4*1,85=0,74
|
1,37
|
|
Операция 015.
Токарно-винторезная.
|
|
1. Установить и снять
|
-
|
-
|
2
|
-
|
-
|
-
|
-
|
-
|
0,1
|
-
|
-
|
0,2
|
|
|
2. Точить пов. 2
предварительно
|
44,5
|
3
|
1
|
47,5
|
0,4
|
250
|
100
|
0,47
|
-
|
0,04
|
0,11
|
0,15
|
|
|
3. Точить пов. 6
окончательно
|
56,2
|
3
|
1
|
59,2
|
0,4
|
250
|
100
|
0,59
|
-
|
0,04
|
0,15
|
|
|
4. Точить торец 3
предварительно
|
50,0
|
3
|
1
|
53,0
|
0,4
|
250
|
100
|
0,53
|
-
|
0,04
|
0,11
|
0,15
|
|
|
5. Точить пов. 8
предварительно
|
15,7
|
3
|
1
|
18,7
|
0,4
|
250
|
100
|
0,18
|
-
|
0,04
|
0,11
|
0,15
|
|
|
6. Точить пов. 12 предварительно
|
75,9
|
3
|
1
|
78,9
|
0,4
|
250
|
100
|
0,78
|
-
|
0,04
|
0,11
|
0,15
|
|
|
7. Точить пов. 15
окончательно
|
21,8
|
3
|
1
|
24,8
|
0,4
|
250
|
100
|
0,24
|
-
|
0,04
|
0,11
|
0,15
|
|
|
8. Точить пов. 17
предварительно
|
40,9
|
3
|
1
|
43,9
|
0,4
|
250
|
100
|
0,43
|
-
|
0,04
|
0,11
|
0,15
|
|
|
9. Точить торец 7
предварительно
|
22,5
|
3
|
1
|
25,5
|
0,4
|
250
|
100
|
0,25
|
-
|
0,04
|
0,11
|
0,15
|
|
|
10. Точить торец 9
предварительно
|
19,0
|
3
|
1
|
22,0
|
0,4
|
250
|
100
|
0,22
|
-
|
0,04
|
0,11
|
0,15
|
|
|
11. Точить торец 11
предварительно
|
15,4
|
3
|
1
|
18,4
|
0,4
|
250
|
100
|
0,18
|
-
|
0,04
|
0,11
|
0,15
|
|
|
12. Точить торец 14
предварительно
|
14,3
|
3
|
1
|
17,3
|
0,4
|
250
|
100
|
0,17
|
-
|
0,04
|
0,11
|
0,15
|
|
|
13. Точить торец 16
предварительно
|
22,4
|
3
|
1
|
25,4
|
0,4
|
250
|
100
|
0,25
|
-
|
0,04
|
0,11
|
0,15
|
|
|
Итого
|
|
|
|
|
2,0
|
|
|
Итого
|
4,29
|
2,0*1,85=3,7
|
7,99
|
|
Операция 025.
Токарно-винторезный.
|
|
1. Установить и снять
|
-
|
-
|
2
|
-
|
-
|
-
|
-
|
-
|
0,1
|
-
|
-
|
0,2
|
|
|
2. Точить пов. 2
предварительно
|
45,1
|
3
|
1
|
48,1
|
0,2
|
350
|
70
|
0,68
|
-
|
0,04
|
0,11
|
0,15
|
|
|
3. Точить пов. 4
окончательно
|
36,0
|
3
|
1
|
39,0
|
0,2
|
350
|
70
|
0,55
|
-
|
0,04
|
0,11
|
0,15
|
|
|
4. Точить торец 3
предварительно
|
53,5
|
3
|
1
|
56,5
|
0,2
|
350
|
70
|
0,80
|
-
|
0,04
|
0,11
|
0,15
|
|
|
5. Точить торец 5
окончательно
|
46,5
|
3
|
1
|
49,5
|
0,2
|
350
|
70
|
0,70
|
-
|
0,04
|
0,11
|
0,15
|
|
|
6. Точить пов. 8
предварительно
|
16,7
|
3
|
1
|
19,7
|
0,2
|
350
|
70
|
0,28
|
-
|
0,04
|
0,11
|
0,15
|
|
|
7. Точить пов. 12
предварительно
|
75,0
|
3
|
1
|
78,0
|
0,2
|
350
|
70
|
1,11
|
-
|
0,04
|
0,11
|
0,15
|
|
|
8. Точить пов. 17
предварительно
|
41,5
|
3
|
1
|
44,5
|
0,2
|
350
|
70
|
0,63
|
-
|
0,04
|
0,11
|
0,15
|
|
|
9. Точить торец 7
предварительно
|
24,5
|
3
|
1
|
27,5
|
0,2
|
350
|
70
|
0,39
|
-
|
0,04
|
0,11
|
0,15
|
|
|
10. Точить торец 9
окончательно
|
21,0
|
3
|
1
|
24,0
|
0,2
|
350
|
70
|
0,34
|
-
|
0,04
|
0,11
|
0,15
|
|
|
11. Точить торец 11 окончательно
|
17,4
|
3
|
1
|
20,4
|
0,2
|
350
|
70
|
0,29
|
-
|
0,04
|
0,11
|
0,15
|
|
|
12. Точить торец 14
окончательно
|
16,3
|
3
|
1
|
19,3
|
0,2
|
350
|
70
|
0,27
|
-
|
0,04
|
0,11
|
0,15
|
|
|
13. Точить торец 16
предварительно
|
24,4
|
3
|
1
|
27,4
|
0,2
|
350
|
70
|
0,39
|
-
|
0,04
|
0,11
|
0,15
|
|
|
Итого
|
|
|
|
|
2,0
|
|
|
Итого
|
6,13
|
2,0*1,85=3,7
|
9,83
|
|
Операция 030.
Зубофрезерная.
|
|
1. Установить и снять
|
-
|
-
|
1
|
-
|
-
|
-
|
-
|
-
|
0,1
|
-
|
-
|
0,1
|
|
|
2. Фрезеровать 14 зубьев
(m=6) пов. 13 предварительно
|
75
|
5+5
|
14
|
85
|
2,5
|
75
|
187,5
|
0,45
|
-
|
0,08
|
0,1
|
0,18
|
|
|
Итого
|
|
|
|
|
0,28
|
|
|
Итого
|
6,3
|
0,28*1,85=0,52
|
6,82
|
|
Операция 035.
Координатно-расточная.
|
|
1. Установить и снять
|
-
|
-
|
-
|
-
|
-
|
-
|
-
|
0,1
|
-
|
-
|
0,1
|
|
|
2. Расточить 12 отверстий (ø10,2) пов.19 окончательно
|
10
|
3+3
|
12
|
16
|
0,3
|
800
|
240
|
0,06
|
-
|
0,1
|
0,1
|
0,2
|
|
|
Итого
|
|
|
|
|
0,3
|
|
|
Итого
|
0,72
|
0,3*1,85=0,55
|
1,27
|
|
Операция 050. Круглошлифовальная.
|
|
1. Установить и снять
|
-
|
-
|
2
|
-
|
-
|
-
|
-
|
-
|
0,1
|
-
|
-
|
0,2
|
|
|
2. Шлиф. пов. 2
предварительно
|
45,5
|
2
|
1
|
0,23
|
0,01
|
100
|
1
|
0,23
|
-
|
0,05
|
0,08
|
0,13
|
|
|
3. Шлиф. пов. 3
предварительно
|
50,0
|
2
|
1
|
0,23
|
0,01
|
100
|
1
|
0,23
|
-
|
0,05
|
0,08
|
0,13
|
|
|
4. Шлиф. пов. 7
предварительно
|
23,0
|
2
|
1
|
0,23
|
0,01
|
100
|
1
|
0,23
|
-
|
0,05
|
0,08
|
0,13
|
|
|
5. Шлиф. пов. 8
предварительно
|
16,0
|
2
|
1
|
0,23
|
0,01
|
100
|
1
|
0,23
|
-
|
0,05
|
0,08
|
0,13
|
|
|
6. Шлиф. пов. 12
предварительно
|
75,0
|
2+2
|
1
|
0,23
|
0,01
|
100
|
1
|
0,23
|
-
|
0,05
|
0,08
|
0,13
|
|
|
7. Шлиф. пов. 16
предварительно
|
12,0
|
2
|
1
|
0,23
|
0,01
|
100
|
1
|
0,23
|
-
|
0,05
|
0,08
|
0,13
|
|
|
8. Шлиф. пов. 17
предварительно
|
41,5
|
2
|
1
|
0,23
|
0,01
|
100
|
1
|
0,23
|
-
|
0,05
|
0,08
|
0,13
|
|
|
Итого
|
|
|
|
|
1,11
|
|
|
Итого
|
1,61
|
1,11*1,85=1,86
|
3,47
|
|
Операция 055.
Круглошлифовальная.
|
|
1. Установить и снять
|
-
|
-
|
2
|
-
|
-
|
-
|
-
|
-
|
0,1
|
-
|
-
|
0,2
|
|
|
2. Шлиф. пов. 2
окончательно
|
45,5
|
2
|
1
|
0,15
|
0,005
|
100
|
0,5
|
0,3
|
-
|
0,05
|
0,08
|
0,13
|
|
|
3. Шлиф. пов. 3
окончательно
|
50,0
|
2
|
1
|
0,15
|
0,005
|
100
|
0,5
|
0,3
|
-
|
0,05
|
0,08
|
0,13
|
|
|
4. Шлиф. пов. 7
окончательно
|
23,0
|
2
|
1
|
0,15
|
0,005
|
100
|
0,5
|
0,3
|
-
|
0,05
|
0,08
|
0,13
|
|
|
5. Шлиф. пов. 8
окончательно
|
16,0
|
2
|
1
|
0,15
|
0,005
|
100
|
0,5
|
0,3
|
-
|
0,05
|
0,08
|
0,13
|
|
|
6. Шлиф. пов. 16
окончательно
|
12,0
|
2
|
1
|
0,15
|
0,005
|
100
|
0,5
|
0,3
|
-
|
0,05
|
0,08
|
0,13
|
|
|
7. Шлиф. пов. 17
окончательно
|
41,5
|
2
|
1
|
0,15
|
0,005
|
100
|
0,5
|
0,3
|
-
|
0,05
|
0,08
|
0,13
|
|
|
Итого
|
|
|
|
|
0,98
|
|
|
Итого
|
1,8
|
0,98*1,85=1,6
|
3,40
|
|
Операция 060.
Зубошлифовальная.
|
|
1. Установить и снять
|
-
|
-
|
1
|
-
|
-
|
-
|
-
|
-
|
0,2
|
-
|
-
|
0,2
|
|
|
2. Шлифовать 14 зубьев
(m=6) пов. 13 окончательно
|
75
|
2+2
|
1
|
79
|
0,1
|
100
|
10
|
7,9
|
-
|
0,1
|
0,1
|
0,2
|
|
|
Итого
|
|
|
|
|
0,4
|
|
|
Итого
|
7,9
|
0,4*1,85=0,74
|
8,64
|
|
|
|
|
|
|
|
|
|
|
|
|
|
|
|
|
|
|
|
|
|
|
|
|
|
|
|
|
|
|
|
|
|
|
|
|
|
|
|
|
|
|
|
|
|
4). Определение вспомогательного времени с учётом поправочного
коэффициента:
По карте 1 определяется поправочный коэффициент на вспомогательное время
в зависимости от размера партии обрабатываемых деталей и оперативного времени.
,
5). Определение времени на обслуживание рабочего места и отдых:
,
где
время на обслуживание рабочего места принимается в % от
оперативного времени,
;
время перерывов на отдых и личные надобности принимается в %
от оперативного времени,
.
6). Определение подготовительно-заключительного времени на 1 деталь:
Нормативами подготовительно-заключительного времени предусматривается
выполнение следующей работы:
а) наладка станка, инструмента и приспособлений;
б) дополнительные приёмы;
в) получение инструмента, приспособлений и сдачу их после окончания
обработки.
,
где
подготовительно-заключительное время на партию деталей,
;
количество деталей в партии,
7). Определение нормы штучного времени:
Определение штучного времени предусматривает калькуляционное время на
операцию:
,
8). Штучно-калькуляционное время Tш-к для шлифовальных операций в
серийном производстве будет
.
Результаты расчётов нормирования операций сведены в таблицу 3.3.2.
Таблица 3.3.2 - Нормативы времени на обработку детали
|
№ операции
|
ТО
|
ТВ
|
ТОП
|
ТОТД
|
ТОБС
|
ТП.З./nп
|
ТШТ
|
ТШ-К
|
|
010
|
0,63
|
0,74
|
1,37
|
0,06
|
0,011
|
1,44
|
1,45
|
|
015
|
4,29
|
3,70
|
7,99
|
0,40
|
0,012
|
8,40
|
8,5
|
|
025
|
6,13
|
3,70
|
9,83
|
0,50
|
0,012
|
10,34
|
10,37
|
|
030
|
6,30
|
0,52
|
6,82
|
0,34
|
1,02
|
0,011
|
7,17
|
7,21
|
|
035
|
0,72
|
0,55
|
1,27
|
0,06
|
0,006
|
1,33
|
1,35
|
|
050
|
1,61
|
1,86
|
3,47
|
0,18
|
0,010
|
3,66
|
3,69
|
1,80
|
1,60
|
3,40
|
0,17
|
0,010
|
3,58
|
3,59
|
|
060
|
7,9
|
0,74
|
8,64
|
0,43
|
1,29
|
0,008
|
9,07
|
9,23
|
Суммарное время обработки Т = 45,39 мин.
3.4 Выбор и определение потребного количества оборудования
1). Коэффициент загрузки станка
,
где
расчётное количество станков,
;
принятое количество станков,
.
,
где
такт выпуска,
.
2). Коэффициент использования оборудования по основному времени
,
). Коэффициент использования станков по мощности привода
,
где
необходимая мощность привода станка для обработки
(расчётная),
;
мощность привода станка по паспорту,
.
Результаты расчётов сведены в таблицу 3.4.1.
Таблица 3.4.1 - Данные по использованию оборудования
|
Операции
|
010
|
015
|
025
|
030
|
035
|
050
|
055
|
060
|
|
число станков
|
1
|
1
|
1
|
1
|
1
|
1
|
1
|
1
|
|
Коэфф. загрузки станка
|
3,17
|
18,50
|
22,78
|
15,79
|
2,93
|
8,06
|
7,88
|
19,98
|
|
Коэфф. использования
оборудования по tо, в %
|
43,75
|
51,07
|
59,28
|
87,88
|
54,13
|
43,98
|
50,27
|
87,10
|
|
Коэфф. использования
станков по мощности, в %
|
44,0
|
36,0
|
40,0
|
25,7
|
10,0
|
21,0
|
8,0
|
68,8
|
Графики зависимости использования оборудования в процентном соотношении
представлены на рисунках 3.4.1, 3.4.2, 3.4.3.
Рисунок 3.4.1 - График загрузки оборудования
Рисунок 3.4.2- График использования оборудования по основному времени
Рисунок 3.4.3 - График использования оборудования по мощности
Вывод
Поставленная перед нами задача в курсовом проекте была реализована в
полной мере. В процессе выполнения курсового проекта имелись некоторые
трудности, которые решались при помощи специализированной литературы и Интернета.
В курсовой работе были задействованы все аспекты проектирования, без
которых нельзя решить такую трудоёмкую задачу. Она (задача) в себе объединяет
все технологические переходы и операции, связанные с превращением из заготовки
нужной детали.
Спроектировали станочное приспособление, при помощи которого
отфрезеровали фаски детали и рассчитали точность данного приспособления, а
также погрешность установки заготовки в это приспособление.
В этой работе мы приобрели необходимый опыт и навык по разработке технологического
процесса, который может быть пригодится в будущем.
Литература
1. Технологический
классификатор деталей машиностроения и приборостроения. М.: Изд-во стандартов,
- 1987. - 250 с.
2. Методические
указания "Разработка технологических процессов механической обработки
заготовок". Новоуральск: НГТИ, - 2002. - 77 с.
3. Косилова
А.Г., Мещеряков Р.К. Калинин М.А. Точность обработки, заготовки и припуски в
машиностроении. Справочник технолога. М.: Машиностроение, - 1976. - 288 с.
. Курсовое
проектирование по технологии машиностроения. А.Ф. Горбацевич, В.Н. Чебатарев,
В.А. Шкред, И.Л. Алешкевич, А.И. Медведев. - Минск: Высш. Школа, - 1975. - 288
с.
. Справочник
технолога - машиностроителя. В 2-х томах. Т.1 под ред. А.Г. Косиловой и Р.К.
Мещерякова. - М.: Машиностроение, - 1986. - 656 с.
. Прогрессивные
режущие инструменты и режимы резания металлов: Справочник, под ред. В.И.
Баранчикова. - М.: Машиностроение, - 1990. - 400с.