|
Технологические переходы
обработки поверхности
|
Элементы припуска, мкм
|
Расчетный припуск 2Zmin, мкм
|
Расчетный номинальный
размер, мм
|
Допуск, мкм
|
Предельные номинальные
размеры, мм
|
Предельное значение припуска,
мкм
|
|
Шероховатость
|
Дефектный слой
|
Пространственная
погрешность
|
Погрешность установки,
|
|
|
|
Наибольший
|
Наименьший
|
Наибольший
|
Наименьший
|
|
RZ
|
T
|
r
|
eу
|
|
|
|
|
|
|
|
|
Заготовка
|
-
|
-
|
-
|
-
|
-
|
-
|
-
|
-
|
-
|
-
|
-
|
|
Сверление
|
40
|
80
|
4,24
|
94
|
2∙17000
|
37,324
|
620
|
35,318
|
34,695
|
17659
|
17347
|
|
Растачивание п/чист
|
20
|
40
|
3,18
|
5,64
|
2∙127
|
37,736
|
160
|
35,732
|
35,572
|
1037
|
254
|
|
Растачивание чист
|
10
|
25
|
2,12
|
3,76
|
2∙65
|
37,926
|
62
|
35,924
|
35,862
|
352
|
130
|
|
Шлифование
|
5
|
15
|
1,06
|
1,9
|
2∙38
|
38,025
|
25
|
36,025
|
36,0
|
163
|
76
|
|
Итого
|
|
1552
|
460
|
Определяется суммарное значение пространственных отклонений для заготовки
данного типа определяется по формуле:
, (1.11)
где rкор - величина коробления отверстия,
мкм;
rсм -
величина смещения отверстия, мкм.
Величину коробления следует учитывать как в диаметральном, так и в осевом
его сечении, поэтому:
, (1.12)
где Dк=0,5 - удельная кривизна заготовки;
d=36
мм - диаметр обрабатываемого отверстия;
L=100
мм - длина обрабатываемого отверстия.
Таким образом, величина коробления равна:
.
Величина смещения отверстия rсм равна 0мм, так как отверстие получается сверлением.
Таким образом, суммарное значение пространственного отклонения заготовки
составит
.
Далее определяется величина остаточного пространственного отклонения
после механической обработки
, (1.13)
где kу=0,08 - коэффициент уточнения формы при сверлении;
kу=0,06 - коэффициент уточнения формы
при п/чист. растачивании;
kу=0,04 - коэффициент уточнения формы
при чист растачивании.
kу=0,02 - коэффициент уточнения формы
при шлифовании.
Тогда остаточного пространственного отклонения составляет
,
,
,
.
Определяется погрешность установки при черновом растачивании
, (1.14)
где εб - погрешность базирования, εб=0 мкм;
εЗ - погрешность закрепления, εЗ=80мкм;
εпр - погрешность положения заготовки, εпр=50 мкм.
Тогда погрешность установки при сверлении
Остаточная погрешность установки при п/чистовом растачивании
(1.15)
Тогда погрешность установки при п/чистовом растачивании
Остаточная погрешность установки при шлифовании
(1.16)
На основании записанных в таблице данных производится расчет минимальных
значений межоперационных припусков, пользуясь основной формулой
, (1.17)
где i, i-1- обозначение данного и предшествующего переходов.
Минимальный припуск п/чистовое растачивание:
чистовое:
шлифование:
Графа «Расчетный номинальный размер» заполняется с
конечного (чертежного) размера последовательным вычитанием расчетного
минимального припуска каждого технологического перехода.
Расчетный диаметральный размер для чернового, п/чист и
чистового растачивания и заготовки соответственно равен:
Dшлиф=36,025 мм;
Dраст.чист=36,00-0,076=35,924 мм;
Dраст.
п/чист=35,862 -
0,130 =35,732≈35,73 мм;
Dраст.сверл=35,572 - 0,254 =35,318≈35,3
мм.
В графе "Предельный номинальный размер"
наибольшее значение получается по расчетным размерам, округленным до точности
допуска соответствующего перехода. Наименьшие предельные размеры определяются
из наибольших предельных размеров вычитанием допусков соответствующих
переходов.
Наименьшие предельные размеры соответственно равны:
Dmin шлиф=36,025-0,025=36,0 мм;
Dmin чист=35,924-0,062=35,862≈35,86 мм;
Dmin сверл =35,318-0,620=34,695≈34,69 мм.
Минимальные предельные значения припусков, равны
разности наибольших предельных размеров, выполняемого и предшествующего
переходов, а максимальные значения, соответственно, разности наименьших
предельных размеров.
Максимальные предельные значения припусков соответственно равны
Общие припуски:
Zomin=76+130+254+17347=17807 мкм,
Zomax=163+352+1037+17659=19211 мкм.
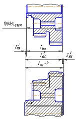
1.8 Расчет операционных размеров
При простановке размеров на операционных эскизах необходимо, что были
размеры, соединяющие обрабатываемые поверхности с установочными базами. Но не
всегда такие размеры предусмотрены чертежом детали, поэтому возникает
необходимость расчета размерных цепей.
В записке приводится пересчет размерных цепей технологического процесса,
связанных с несовпадением конструкторских и технологических баз. Схема для
расчета размерной цепи представлена на рисунке 10.
Рисунок 10 - Схема для расчета размерной цепи
Расчет производится по следующим формулам:
Zmin105 = Zmin110 = 1,0 мм,
Lдет = 100h9(-0,087) - с чертежа детали,
L2 105= Lmaxдет+Z1105 max , (1.19)
Lзаг= L2105+Z1110 max , (1.20)
ТZ2105
= ТL110 + ТL105 = 0,087 +0,80 = 0,887
мм
ТZ1110
= ТL105 + ТL0 = 1,0 +0,887 = 1,887 мм, (1.21)max = Zmin+ТZ = 1,0+1,887 = 2,887 мм, (1.22)
L1110=100+0,887=100,887 мм,2105=100,887+2,887=103,774≈103,8
мм,заг = 103,8±0,9мм≈104,7-1,8мм.
1.9 Нормирование операций
.9.1 Выбор смазывающе-охлаждающих технологических средств
Основы выбора смазывающе-охлаждающих технологических средств (СОТС)
должны базироваться на том, что с одной стороны, формулируются цели, которые
необходимо достичь в результате применения СОТС, а с другой стороны учитываются
условия выполнения операций обработки резанием, как создающие предпосылки для
реализации физико-химических и функциональных свойств СОТС.
Основные цели применения СОТС следующие:
повышение технологических показателей выполнения операций обработки
резанием;
повышение экономических показателей выполнения операций обработки
резанием;
улучшение условий труда путем уменьшения содержания металлической пыли в
атмосфере цеха при обработке деталей, а также улучшение стружкозавивания и
стружкоотвода.
В соответствии с рекомендациями по выбору СОЖ для различных операций
механической обработки для рассматриваемого техпроцесса целесообразно применить
Эмульсол ЭГТ ТУ 38.101149.
Эмульсия Эмульсол ЭГТ ТУ 38.101149 имеет одинаковые технологические
свойства с лучшими зарубежными синтетическими и эмульсионными
смазочно-охлаждающими технологическими средствами. При использовании этой
эмульсии стойкость инструмента увеличивается в три раза по сравнению со
стойкостью при обработке без СОТС. Причем, распыление СОТС в зоне резания
увеличивает стойкость инструмента в пять раз. Данная эмульсия успешно
применяется на заводах.
1.9.2 Расчет режимов резания
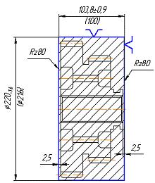
В соответствии с заданием необходимо рассчитать режимы резания и
определить время для операции 105. Для остальных операций режимы подбираются по
справочникам: для обработки резанием используется справочник /3/, для
определения времени - /4/.
Исходные данные для расчета режимов резания: материал Сталь 40Х ГОСТ
4543-71, обработка ведется на токарном станке. Обрабатывается наружная
поверхность диаметром 216h12.
Выбирается подача: для чернового растачивания S =0,30 мм/об;
Скорость резания рассчитывается по формуле:
(1.23)
где СV -
постоянная величина, при материале инструмента - твердый сплав и обрабатываемом
материале - сталь
СV=90 для точения;
m, x, y, - коэффициенты при степенях, для тех же параметров
обработки, что и постоянная СV принимаются соответственно равные 0,2; 0,9; 0,75;
Т - стойкость токарного резца, Т= 60 мин;
t -
глубина резания t=1,0 мм при
черновом точении;
КV - поправочный коэффициент,
учитывающий фактические условия резания.
Поправочный коэффициент определяется по формуле:
КV = КMV × КИV × КПV , (1.24)
где КMV -
коэффициент, учитывающий обрабатываемый материал, КMV =0,9;
КNV - коэффициент, учитывающий
инструментальный материал, КNV =1;
КПV
- коэффициент, учитывающий состояние поверхности заготовки,
КПV
=0,9;
КjV -
коэффициент, учитывающий главный угол в плане резца,
КjV =1,2;
КrV - коэффициент, учитывающий радиус при
вершине резца, КrV=0,9
Тогда
КV =0,9×1×09×1,2×0,9=0,87
Скорость резания для точения:
Определяется частота вращения инструмента n по формуле:
(1.25)
Частота вращения для точения
Принимается ближайшая по стандартному ряду величина вращения инструмента
nпрчерн = 125 об/мин. Рассчитывается фактическая скорость резания:
(1.26)
для точения
Рассчитывается главная составляющая силы резания при растачивании:
(1.27)
где СР - постоянная величина, СР=40;
x, y, n - коэффициенты при степенях, соответственно равные 1,0;
0,35; 0;
КР - поправочный коэффициент, зависящий от фактических условий
резания.
Поправочный коэффициент определяется по формуле:
КР=КМР×КjР×КgР×КlР×КrР, (1.28)
где КМР ,КjР ,КgР
,КlР ,КrР -
поправочные коэффициенты учитывающие геометрические параметры режущей части
инструмента соответственно равные 1,20; 1,08; 1,1; 1; 0,87.
Тогда
КР=1,20×1,08×1,1×1×0,87=1,24.
Определяется сила резания для точения:
PZ =10×40×1,01×0,30,35×84,70·1,24=325,4 Н.
Мощность при точении рассчитывается по формуле:
(1.29)
Тогда
Остальные режимы резания подбираются по справочным нормативам, режимы
резания приведены в технологическом процессе ТПЖА.02100.216.01.
1.9.3 Нормирование операций
Исходные данные:
Наименование операции: токарно-винторезная №105.
Наименование станка - Токарно-винторезный мод. 16К20.
Наименование детали - Блок шестерён.
Обрабатываемый материал, масса детали-Сталь 40Х , масса- 13,5кг.
Способ установки - патрон трёхкулачковый.
Условия организации труда - централизованная доставка на рабочее место
заготовок, инструмента, приспособлений и документации, сдача их после обработки
партии деталей, получение инструктажа до начала обработки деталей.
Количество инструментов в наладке - 5:
Резец подрезной ГОСТ 18871-73, Т15К6;
Резец канавочный R5, T15К6, спец;
Резец проходной φ =30º ГОСТ 18874-73, Т15К6;
Сверло ø34, Р6М5, ГОСТ 10903-77;
Резец расточной φ =45º ГОСТ 18062-72, Т15К6.
Содержание операций по переходам:
Подрезать торец 1 в размер 102,5±0,5;
Точить поверхность 4 в размер ø 216h12;
Точить фаску 5;
Расточить канавку 6 в размер ø60h14 х ø130Н14 последовательно
Сверлить отверстие 2 в размер ø34Н14 напроход предварительно;
Расточить отв. 2 в размер ø 35,5Н11 напроход;
Точить фаску 3;
Годовая программа выпуска 200 шт.
Норма штучного времени:
Тш= (То+Тв)∙(1+(аорг+атех+аобс)/100), (1.30)
где Тш- норма штучного времени;
То- основное время;
Тв- вспомогательное время.
Основное время определяется по формуле
,
где Lpx - длина рабочего хода с учетом врезания и перебега, мм;
S -
подача, мм/об.
Тогда основное время по переходам
мин.
мин,
мин,
мин,
мин,
мин
мин
Тогда суммарное основное время на операцию будет равно
То=3,06+1,12+0,16+0,5+6,0+0,36+0,06=11,26 мин.
Вспомогательное время определяется по формуле
Тв=Твуст+Твоп+Твизм, (1.31)
где Твуст- время на установку / снятие детали Твуст= 0,4 мин.
Твоп- время связанное с переходом
Твизм- время на измерение.
Твоп=0,4+0,04+0,14+0,12=0,7 мин,
где 0,4 - установить деталь в патроне;
,04 - включить станок;
,14 - включить/выключить местное электроосвещение;
,12 - проверить закрепление режущего инструмента в резцедержателе;
Твизм=0,2 ģ 5 =1,0 мин,
где 0,2 - Штангенциркуль ШЦС 250 ТУ 3933-153-00221072-2003;
- количество измерений во время механической операции.
Тогда вспомогательное время составит:
Тв=0,4+0,7+1,0=2,1 мин.
Атех +Аорг+Аотл=14%.
Находится норму штучного времени
Тшт=(11,26+2,1)∙(1+14/100)=15,23 мин.
Определяется норму штучно-калькуляционного времени
Тшт-к=Тшт+Тпз/N, (1.32)
где Тпз - подготовительно-заключительное время- годовая программа выпуска
детали представителя N=200 шт.
Тпз=Торг+Тн+Тпр, (1.33)
где Торг - время наладки
Тпр - время на пробную обработку, Тпр =20 мин,
Торг = 4+2+2=8 мин,
где 4 мин. - получить вспомогательный инструмент,
контрольно-измерительный инструмент, приспособление и сдать их после обработки.
мин. - ознакомиться с работой, чертежом, технологической документацией,
осмотреть заготовки.
мин.- инструктаж мастера.
Тн=0,3+4ģ1,0 =4,3 мин,
где 0,2- установить исходные режимы работы станка;
,0- установить / снять режущий инструмент в резцедержатель;
Тпз=8+4,3+18=30,3 мин.
Тогда штучно-калькуляционное время составит
Тшт-к=15,23+30,3/200=15,38мин.
.10 Определение ожидаемой суммарной погрешности
Оценка ожидаемой погрешности на чистовую обработку (токарная обработка) отверстия
ø36Н7(+0,025) определится
по формуле:
, (1.34)
где
упр - погрешность, связанная с колебанием упругих отжатий системы, мкм;
изн - погрешность вызванная износом, мкм;
ст - погрешность, связанная с геометрической неточностью станка;
тепл - погрешность, вызванная тепловой деформацией;
з
- погрешность закрепления;
см - погрешность смещения центра группирования относительно настроенного
размера;
изм - погрешность измерения.
Погрешность, вызванная износом режущего токарного инструмента,
определяется по формуле
изн =
, (1.35)
где L - длина пути резания резания, мм
u0 - относительный (удельный) износ на
1000 м пути резания.
Для обработки деталей из стали резцом с пластиной из твердого сплава
Т15К6 может быть выражена формулой
u0 = 107 · 10-6 · Т0,87
·v2,12, (1.36)
L=Lд+Lн, (1.37)
где Lн=1000
Т - стойкость, мин, Т=60;
v -
скорость резания, м/мин, v=395/
Длина пути резания LN для партии заготовок N, обрабатываемых в
период между подналадками станка
LN= Lд·N, (1.38)
где N - количество деталей в партии, шт N=20;
Lд -
Длина пути резания при точении одной заготовки.
Lд=
, (1.39)
L= LN+
Lн, (1.40)
Так как ожидаемая суммарная погрешность рассчитывается на окончательную
операцию (шлифование), то в достаточной степени обобщенных зависимостей
размерного износа инструмента (шлифовального круга) от указанных факторов нет.
Поэтому часто, определяя размерный износ для обрабатываемой партии деталей при
шлифовании, исходят из ориентировочных значений относительного износа или
задаются допустимым для данного вида обработки размерным износом инструмента
изн = 5мкм.
Погрешность, связанная с колебанием упругих отжатий системы
упр при шлифовальной обработке равна 0,
так как снимаемый припуск на сторону детали является минимальным (0,02мм
операция 140 ТП), а оправка в которой закреплен шлифовальный круг имеет высокую
жесткость, то погрешность связанная с колебанием упругих отжатий будет стремиться
к 0, соответственно
упр = 0.
Погрешность, связанная с геометрической неточностью станка определится по
формуле:
ст=СmLm/L, (1.41)
где Lm=100 мм - длина обрабатываемой поверхности,
L=3d=3·36=108мм- длина на которой
нормируется,
d-диаметр
обрабатываемой поверхности,
Сm=15 мкм - допускаемое отклонение от
параллельности оси центров и оси шлифовального круга в плоскости выдерживаемого
размера L.
ст=15×100/108=13,88
мкм.
Погрешность, вызванная тепловой деформацией определяется по формуле:
тепл=B×(
ст +
упр +
изн), (1.42)
В=0,1 - погрешность, учитывающая характер обработки
тепл=0,1×(13,88+0+5)=1,88мкм.
Принимается погрешность закрепления
=5 мкм ;
При выборе погрешности на измерение необходимо учесть, то что она не
должна превышать допустимую погрешность измерения:
, (1.43)
где [
изм]=10 мкм - предельная допустимая погрешность измерения
Принимается значение
изм=2 мкм (обеспечивается путем применения точного измерительного прибора -
нутромера).
Погрешность смещения центра группирования от изначально настроенного
размера определяется по формуле:
, (1.44)
где
- мгновенное поле рассеивания размеров, мкм
m = 4
- количество пробных деталей.
Мгновенное поле рассеивания определяется по формуле:

, (1.45)
мкм,
мкм.
Ожидаемая суммарная погрешность, мкм
мкм.
Обработка размера считается выполнима, если выполняется следующее
условие:
Тразмера>
,
где Тразмера -допуск размера,
>21,7 мкм,
Условие выполняется, значит, возможна обработка с заданной точностью.
.11
Определение загрузки станков и требуемого количества оборудования
Правильный выбор оборудования определяет его рациональное использование
во времени. При выборе станков для разработанного технологического процесса
этот фактор должен учитываться таким образом, чтобы исключить их простои, то
есть нужно выбирать станки по производительности.
Коэффициент загрузки
определяется по формуле, согласно /1/
(1.46)
где
расчетное количество станков, шт;
принятое (фактическое) число станков, шт.
В свою очередь расчетное количество станков определяется по формуле
(1.47)
Коэффициент использования оборудования по основному (технологическому
времени)
свидетельствует о доле машинного
времени в общем времени работы станка
(1.48)
Результаты расчетов коэффициентов по операциям технологического процесса
сведены в таблицу 1.5.
Таблица 1.5 - Требуемое количество оборудования
|
Номер операции
|
|
|
|
|
|
105 110 115 120 125 130 140
|
1,10 0,57 0,64 0,73
0,58 0,72 0,73
|
0,55 0,67 0,62 0,70
0,65 0,74 0,70
|
0,75 0,57 0,64 0,73
0,58 0,72 0,73
|
2 1 1 1 1 1 1
|
Заключение
В данной курсовой работе была разработана технология изготовления детали
«Блок шестерён». Назначены режимы резания и нормы времени на переходы и
операции в соответствии с заданием, приведены расчеты режимов резания и норм
времени на поверхность, на остальные операции режимы назначены по нормативам.
Графическая часть выполнена в полном объеме.
Библиографический
список
1. Курсовое проектирование по технологии машиностроения /Под
общей ред. А.Ф. Горбацевича. - Минск [Текст]: Вышэйшая школа, 1975.-288 с.
2. Справочник технолога-машиностроителя. В 2-х т. /Под
ред А.Г. Косиловой и Р.К. Мещерякова. - М.; Машиностроение, 1985. - Т.1, 656
с.; Т.2, 496 с.
. Общемашиностроительные нормативы режимов резания:
Справочник [Текст]: В 2-х т. /А.Д. Локтев, И.Ф. Гущин, В.А. Батуев и др.- М.:
Машиностроение, 1991.-Т.1, 640 с.; Т.2, 304 с.
. Общемашиностроительные нормативы времени
вспомогательного, на обслуживание рабочего места и подготовительно -
заключительного для технического нормирования станочных работ [Текст] :
Массовое производство - М.: Машиностроение, 1974. - 422 с.
. Кувалдин Ю.И. Расчет припусков и промежуточных размеров при
обработке резанием: Учебное пособие для практических занятий, курсового и
дипломного проектирования / Ю.И. Кувалдин, В.Д. Перевощиков. - Киров: Изд-во
ВятГУ, 2004. - 126 с.