Проектирование технологического процесса производства 'Блок шестерен'

  • Вид работы:
    Курсовая работа (т)
  • Предмет:
    Другое
  • Язык:
    Русский
    ,
    Формат файла:
    MS Word
    1,06 Мб
  • Опубликовано:
    2012-07-13
Вы можете узнать стоимость помощи в написании студенческой работы.
Помощь в написании работы, которую точно примут!

Проектирование технологического процесса производства 'Блок шестерен'















Курсовая работа

Проектирование технологического процесса производства "Блок шестерен"

Введение

деталь технологический вал производство

Задачей и целью курсовой работы является приобретения навыков в разработке технологических процессов изготовления деталей машин и операций. Технологический процесс (ТП) - это упорядоченная последовательность взаимосвязанных действий, выполняющихся с момента возникновения исходных данных до получения требуемого результата. Задание на контрольную работу включает анализ чертежа блока шестерён и проектирование маршрутной технологии его механической обработки. Была проведена последовательная разработка технологического процесса, начиная от изучения чертежа детали и заканчивая составлением маршрутной карты обработки детали. На основе начальных данных и расчетов выбирается тип производства - в данном случае стоит задача единичного производства детали.

Изучение и анализ чертежа детали

Рис.

Характеристика детали

Зубчатое колесо служит для передачи вращательного движения с определённой постоянной частотой между валами. Основные требования: кинематическая точность, плавность работы, контакт зубьев, оговариваются ГОСТ 1643-81 в зависимости от степени точности колеса.

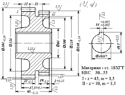
Блок шестерён используется для передачи вращения между зубчатыми колёсами. Данная деталь устанавливается на вал диаметром 46 мм со шлицем, и включает в себя 2 зубчатых колеса диаметром 164 и 140 мм и количеством зубьев 45 и 38 при модуле m=3,5, степень точности 9-я (9-В: 0,089мм -50%).. Деталь требует термической обработки.

Изготавливается из стали 18ХГТ, зубья цементируются на глубину 0,8...1,2 мм и закаливаются ТВЧ до HRC до 50...55.

Наиболее точной поверхностью детали является посадочное отверстие, которое должно быть выполнено по 7-ому квалитету с шероховатостью Ra 1,25мкм. Торцевые поверхности со стороны зубчатого колеса с Z=45 и поверхности зубчатых колёс выполняются с шероховатостью Ra 1,25мкм. Торцевые поверхности со стороны зубчатого колеса с Z=38, внешние цилиндрические поверхности и поверхность шлицевого паза выполняются с шероховатостью Ra 2,5мкм. Остальные поверхности выполняются с шероховатостью Ra 5мкм.

Погрешность формы обработанных поверхностей не должна превышать 30% до допуска на их размер.

Радиальное биение зубчатых колёс Z=45 и Z=38 не более 0,05мм относительно оси.

Характеристика материала

Для изготовления детали используется Сталь 18ХГТ

Классификация:

Сталь конструкционная легированная, сталь хромомарганцевая.

Применение: улучшаемые или цементуемые детали ответственного назначения, от которых требуется повышенная прочность и вязкость сердцевины, а также высокая поверхностная твердость, работающие под действием ударных нагрузок.

Механические свойства:

Предел прочности - 115 кг/мм2

Относительное удлинение - 10%

Ударная вязкость 8 кг/см3

Твердость после термообработки - HRC 50...55

Плотность - 7820 кг/м3

Химический состав:

C = 0,20

Si = 0,27

Mn = 0,95

Cr = 1,15

Ni = 0,12= 0,09

Группа стали - М1.

Плотность стали - 7,8 г/см3

Анализ технологичности детали

Технологичность детали обозначает, насколько ее конструкция удобна для механической обработки. Требования к технологичности конструкции детали направлены на снижение трудоемкости и количества требуемого материала, а значит и себестоимости ее изготовления. Оценка выполняется по двум направлениям:

Качественная оценка

Целиком субъективная оценка, базируется на опыте технолога.

-й пункт не выполняется - Штамповка в открытых штампах требуют заготовку с повышенными требованиями к точности по массе.

Деталь дискового типа, состоит из цилиндрических поверхностей и зубьев. Также имеется сквозное отверстие с пазом и канавка, разделяющая 2 шестерни. Эти поверхности поддаются обработке. Чтобы получить данную деталь понадобятся следующие виды обработки: сверление, токарная обработка, зубонарезание, протягивание шпоночной канавки. С обеих сторон диска имеются широкие округлые канавки, предназначенные для снижения веса детали. Они не требуют обработки и их целесообразно получать во время изготовления заготовки.

Таким образом, все требования чертежа могут быть соблюдены, значит, деталь технологичная.

Количественная оценка

Для количественной оценки рассчитывают следующие коэффициенты:

Коэффициент точности (Кт);

Коэффициент шероховатости (Кш);

Коэффициент использования материала (Км);

Трудоемкость изготовления детали (Т);

Себестоимость изготовления детали (С);

Коэффициент точности


, где n - количество размеров соответствующего квалитета точности.

Квалитет точности по размеру и допуску можно определить с помощью следующей таблицы:

Таблица

Размеры нашей детали имеют следующие квалитеты:

квалитет - 3 размер;

квалитет - 1 размера;

квалитет - 2 размера;

Расчет Кт для нашей детали:


Так как коэффициент точности удовлетворяет условию Кт > 0,83, то деталь по данному коэффициенту является технологичной.

Коэффициент шероховатости


, где n - количество размеров соответствующего класса шероховатости.

Размеры нашей детали имеют следующие квалитеты:

класс - 3 размера;

класс - 3 размера;

Расчет КШ для нашей детали:


Так как коэффициент шероховатости удовлетворяет условию КШ < 0,27, то деталь по данному коэффициенту является технологичной.



, где Мдет - масса готовой детали, Мзаг - масса заготовки.

Мдет = 4,377 кг

Мзаг = 4.7 кг


В нашем случае коэффициент использования материала составляет 93%.

Определение типа производства

Для определения типа производства нам надо знать массу детали и годовую программу. Второе нам дано как начальные данные, а первое мы рассчитаем исходя из объема детали и плотности материала изготовления.

Массу детали мы выведем из формулы объема.

 =>

Для начала надо найти V. Формула расчета объема:


Получаем для нашей детали:


Находим массу:


Переводим в кг:


Годовая программа составляет 50 000 штук.

Ориентировочно предполагаем, что тип производства детали будет - Крупносерийное производство (исходя из таблицы 1)

Таблица 1. Определение типа производства

Масса, кг

Е

МС

С

КС

М

<1

N<=100

<2000

1500-100000

75000-200000

>200000

1-2,5

<=100

<1000

1000-50000

50000-100000

>100000

2,5-5

<=50

<500

500-35000

35000-75000

>75000

5-10

<=30

<300

300-25000

25000-50000

>50000

>10

<=20

<200

200-10000

10000-25000

N>25000


Выбор способа получения заготовки. Выбор способа получения заготовки

При выборе способа получения заготовки главным является обеспечение требуемого качества готовой детали при ее минимальной себестоимости. Выбор способа зависит от:

материала заготовки;

конструктивной формы детали;

объема выпуска;

экономики процесса.

Наша деталь «Вал» изготавливается из стали 45 и с годовой программой выпуска 50 000 штук. Заготовку в нашем случае целесообразно получать методом штамповки прессом.

Деталь изготавливается из стали 45 (ГОСТ 1050-88), данная марка материала не обладает литейными свойствами. Следовательно, методом получения данной заготовки является обработка материала давлением.

Выбор технологических баз

Технологические базы - это элементы заготовки (поверхности, линии, точки) которые используют для ее установки на станке в нужном положении относительно режущего инструмента.

По выбору положения в технологическом процессе из делят на черновые и чистовые.

Черновые базы - используются на первых операциях при обработке чистовых технологических баз. В качестве черновых баз рекомендуется брать поверхности детали, которые у неё должны быть обработаны с наибольшей точностью или поверхности детали, которые у неё остаются не обработанными.

Чистовые базы - используются на большинстве операций технологического процесса. При выборе чистовых баз руководствуются следующими принципами: принцип совмещения баз, принцип постоянства баз на большинстве операций ТП. Это позволяет повысить точность взаимного расположения поверхности + принцип последовательной смены баз (уменьшается погрешность базирования).


Рис.

Выбор маршрута обработки отдельных поверхностей детали

Рис.

Расчет припусков на обработку

Припуски были взяты из методического указания «Расчет припусков на обработку детали»

Таблица 2. Припуски на обработку.

№пп

Технологические переходы обработки элементарных поверхностей

Припуск

Межоперационные размеры

1

Наружная поверхность вращения d27-0.21 k12


Заготовка

∑4

d31-0,52 (k14)


Черновое точение

4-0,52

d27-0,21 (k12)

2

Наружная поверхность вращения d35-0.016 k6 l=28 l=15


Заготовка

∑5

d40-0,52 ( 14)


Черновое точение

3.55-0,52

d36.45-0,25( 12)


Чистовое точение

0.30-0,25

d36.15-0,1( 10)


Чистовое точение

0.30-0,1

d35.85-0,039( 8)


Шлифование

0.85-0,039

d35-0,016 ( 6)

3

Наружная поверхность вращения d40-0.016 f12


Заготовка

∑4

d44-0,52 ( 14)


Черновое точение

4-0,52

d40-0,25 ( 12)

4

Наружная поверхность вращения d48-0.016 f7


Заготовка

∑5

d53-0,52 ( 14)


Черновое точение

3.55-0,52

d49.45-0.25( 12)


Чистовое точение

0.30-0,25

d49.15-0.1( 10)


Чистовое точение

0.30-0,1

d48.85-0.039( 8)


Шлифование

0.85-0,039

d48-0.025( 7)

5.

Наружная поверхность вращения d31-0.25 h12 канавка


Заготовка

∑4

d35-0,52 (h14)


Точение

4-0,52

d31-0.25 (h12)

Наружная поверхность вращения d25-0.25 h12 канавка


Заготовка

∑4

d29-0,52 (h14)


Точение

4-0,52

d25-0.25 (h12)


Составление маршрута обработки детали в целом, выбор оборудования

В производстве точных ответственных машин маршрут обработки детали делят на 3 стадии:

черновая

чистовая

отделочная

На первой стадии снимают основную массу заготовки.

Цель: за максимально короткое время приблизить форму заготовки к форме готовой детали. С этой целью обработку ведут с большим глубинами резания и с большими подачами. Это вызывает большие силы резания, а значит и большие упругие отжатия технологической системы, интенсивный износ режущего инструмента и температурные деформации. Поэтому на этой стадии обработки невозможно получить точность выше 12-го квалитета.

Чистовая стадия имеет промежуточное значение для достижения точности. Ее задача - подготовить поверхность к окончанию обработки. Необходимость такого разделения маршрута связана с необходимостью дать возможность в максимальной степени проявиться деформации детали из-за внутренних напряжений в материале детали.

При жесткой заготовке и малых размерах окончательная обработка отдельных поверхностей может быть выполнена на первой стадии обработки без каких либо вредных последствий. Если детали подвергается термообработке то технологический процесс механической обработки разделяется на 2 части: до ТО и после ТО. Черновая и чистовая стадии выполняются до ТО.

Отделочная - после нее. Внутри этапа выбор последовательности обработки поверхности зависит от системы простановки размеров. В первую очередь следует обрабатывать ту поверхность, от которой на чертеже закоординировано большее количество размеров.

Контрольные операции предусматриваются после тех операций, где вероятно появление повышенное количество брака, а также перед дорогостоящими и сложными операциями.

Контроль выполняется перед ТО и в конце тех. процесса

Маршрутная карта содержит последовательное описание технологического процесса изготовления изделия по всем операциям с указанием данных об оборудовании, оснастке, материальных и трудовых нормативах. Маршрутная карта состоит из двух основных частей - верхней и нижней. В верхней части помещают сведения об изготовляемой детали и ее заготовке, а в нижней - описание технологического процесса с разделением на операции и с указанием необходимых станков, приспособлений, режущего, вспомогательного и измерительного инструмента, а также указания профессий, разрядов работы, тарифной сетки, норм времени и расценок. Основным условием, обеспечивающим выполнение производственного задания, является наличие подробно разработанной технологической документации, внимательное изучение ее рабочим, строгое соблюдение указаний, предусмотренных в ней.

Упрощенно заполненные формы 1 и 1а маршрутной карты прилагаются к данной курсовой работе

Нормирование станочных операций

В соответствии с заданием наша задача рассчитать норму времени для станочных операции черновое точение.

Наш тип производства - крупносерийный

Таким образом рассчитываем норму времени по формуле:

Тшт=t0+tвсп+ tтех. обс +tорг. обс.+tп

tо - тратится на непосредственное изменение формы, размеров качества обработки поверхности детали

tвсп - тратится на установку, закрепление и снятие заготовки и время, связанные с переходами

tтех. обс - тратится на смену затупившегося инструмента, подналадку оборудования, заправку и регулировку режущего инструмента

tорг. обс - учитывает затраты времени на подготовку рабочего места к началу работы, уборку рабочего места в конце смены, смазку и чистку станка

tп - время на перерывы в работе

L - расчетная длина пути

Sмин - скорость перемещения инструмента по обрабатываемой поверхности

L=l+yврперебегподвод ин

l - берем из чертежа

Врезание - расчетным путем

Перебег - назначают 1-2мм

Подвод инструмента - назначают 1-2мм

Минутная подача не устанавливается напрямую.

Есть частота вращения шпинделя - n

Есть подача на оборот So

Sмин=So*n

Сумма основного и вспомогательного времени - оперативное время.

tп - берут в % от tоп

L = 415 мм

S мин = 150 мм

to = 11.901 мин

tвсп = 0,342 мин

tорг. обс = 0,147 мин

tтех. обс = 0,313 мин

tп = 0,626 мин

Tшт = 13,606 минуты

Таким образом, мы имеем время на обработку детали черновым точением 13,606 минуты

 

 

Заключение

В ходе данной работы был построен технологический процесс производства детали «Вал» для крупносерийного типа производства. Был рассмотрен полный цикл построения процесса: от изучения чертежа и анализа материалов до построения операционных эскизов и составления маршрутной карты.

Каждый этап включал в себя некоторые особенности. Анализ чертежа показал, что деталь состоит из простых форм и значит, является технологичной. Количественная оценка подтвердила это. Выбор оборудования и материалов происходил при опоре на базовый технологический процесс. На основании этих данных были построены операционные эскизы и составлена маршрутная карта

 

 

Список используемой литературы

.Методические указания по оформлению технологической документации при выполнении курсовых и дипломных проектов / Сост.:В.Г, Гусев, В.Н, Жарков. - Владимир, 1998. - 68с.

.Расчет припусков на обработку деталей: метод. Указания к прак. Занятиям по дисциплине «Технология машиностроения»/сост. Т.А. Желобова; Владим. Гос. Ун-т. - Владимир: Изд-во Владим. Гос. Ун-та. 2005. - 52с

.Расчет припусков и межпереходных размеров в машиностроении Автор: Я. М. Радкевич, В. А. Тимирязев, А. Г. Схиртладзе, М. С. Островский Год издания: 2004

.Справочник технолога-машиностроителя. В 2-х т. Т. 1/Под ред. А. Г. Косиловой и Р. К. Мещерякова. - 4-е изд., перераб. и доп. - М.: Машиностроение, 1986 г. 656 с, ил.

Похожие работы на - Проектирование технологического процесса производства 'Блок шестерен'

 

Не нашли материал для своей работы?
Поможем написать уникальную работу
Без плагиата!
Без нейросетей!