Разработка усовершенствованного технологического процесса и проектирование механического цеха по производству деталей вала маховика и корпуса пневмоцилиндра
РЕФЕРАТ
Цель дипломного проекта: на основе аналогового
технологического процесса разработать усовершенствованный технологический
процесс и спроектировать механический цех по производству деталей вала маховика
и корпуса пневмоцилиндра.
Область применения - машиностроение.
Деталь "вал маховика" имеет длину -
1555 мм; диаметр - 180 мм; массу - 225 кг; материал - сталь 40Х.
Деталь "корпус пневмоцилиндра" имеет
длину - 346 мм; диаметр - 470 мм; массу - 135 кг; материал - сталь 35Л.
Показатели экономической эффективности:
от реализации деталей вала маховика - 8495.45
тыс. грн.
от реализации деталей корпуса пневмоцилиндра -
10731.3 тыс. грн.
Ведомость про объем пояснительной записки:
количество разделов - 12; иллюстраций - 24; таблиц - 31; приложений - 2; литературных
источников - 42.
Данное внедрение при проектировании
усовершенствованной технологии изготовления деталей является экономически
целесообразным.
Ключевые слова: МАШИНОСТРОЕНИЕ, ПРОЦЕСС,
СТАНКОЕМКОСТЬ, ОПЕРАЦИЯ, ТОЧЕНИЕ, СВЕРЛЕНИЕ, РАЗВЕРТЫВАНИЕ, ФРЕЗЕРОВАНИЕ,
ШЛИФОВАНИЕ, ГРУППОВАЯ ФОРМА ОРГАНИЗАЦИИ, СРЕДНЕСЕРИЙНОЕ ПРОИЗВОДСТВО, ТАКТ
ВЫПУСКА ДЕТАЛЕЙ.
СОДЕРЖАНИЕ
Введение
. Аналитический раздел.
.1 Анализ технологичности
конструкций деталей вала маховика и корпуса пневмоцилиндра
. Технологический раздел
.1 Определение типа производства и
формы его организации
.2 Выбор и экономическое обоснование
способа получения заготовок
.3 Выбор технологических баз деталей
вала маховика и корпуса пневмоцилиндра
.4 Разработка маршрута обработки
деталей
.5 Определение припусков на
обработку и размеров заготовок вала маховика и корпуса пневмоцилиндра
.6 Выбор технологического
оборудования
.7 Определение режимов обработки
заготовки вала маховика и корпуса пневмоцилиндра
.8 Нормирование операций
технологического процесса
.9 Проектирование схем наладок
. Конструкторский раздел.
.1 Проектирование станочного
приспособления.
.1.1 Расчет сил закрепления
.1.2 Расчет точности станочного
приспособления
.1.3 Выбор гидроцилиндра и сборочных
элементов приспособления
.2 Проектирование режущего
инструмента
. Специальный раздел.
.1 Исследования температуры в зоне
резания при точении на токарном станке
.2 Влияние различных факторов на
температуру резания по экспериментальным данным
. Автоматизация технологических
процессов.
5.1 Принцип измерения расстояний и
линейных перемещений
5.2 Интерферометр со счетом полос на
основе частотной модуляции
. Организационный раздел.
.1 Организация участка цеха по
производству деталей вала маховика.
.1.1 Определение потребного
количества оборудования и его загрузка
.1.2 Определение потребного
количества основных рабочих
.1.3 Определение потребного
количества вспомогательных рабочих, ИТР, СКП, МОП
.2 Организация участка цеха по
производству деталей корпуса пневмоцилиндра.
.2.1 Определение потребного количества
оборудования и его загрузка
.2.2 Определение потребного
количества основных рабочих
.2.3 Определение потребного
количества вспомогательных рабочих, ИТР, СКП, МОП
. Экономический раздел.
.1 Расчет технико-экономических
показателей участка производства детали вала маховика.
7.1.1 Определение затрат на основные
материалы
7.1.2 Фонд оплаты труда
производственных рабочих
.1.3 Расчет фонда оплаты труда
вспомогательных рабочих ИТР, СКП, МОП
.1.4 Калькуляция единицы продукции
.1.5 Технико-экономические показатели
участка
.1.6 Анализ прибыльности
производственной деятельности предприятия
.2 Расчет технико-экономических
показателей участка производства детали корпуса пневмоцилиндра.
.2.1 Определение затрат на основные
материалы
7.2.2 Фонд оплаты труда
производственных рабочих
7.2.3 Расчет фонда оплаты труда
вспомогательных рабочих ИТР, СКП, МОП
.2.4 Калькуляция единицы продукции
.2.5 Технико-экономические
показатели участка
.2.6 Анализ прибыльности
производственной деятельности предприятия
. Проектирование цеха
. Раздел охраны труда и окружающей
среды.
.1 Анализ опасных и вредных факторов
производственного процесса
.2 Инженерно-технические мероприятия
по охране труда
.3 Пожарная профилактика
. Выводы
. Литература
. Приложение
Графическая часть.
Вал маховика.
Корпус пневмоцилиндра
Заготовка вала маховика
Заготовка корпуса пневмоцилиндра
Схемы наладок обработки вала
маховика
Схемы наладок обработки вала
маховика
Схемы наладок обработки корпуса
пневмоцилиндра
Схемы наладок обработки копуса
пневмоцилиндра
Станочное приспособление с
гидравлическим приводом
Фреза торцевая насадная, сборная
Схема контроля размера шейки вала
План механического цеха
ВВЕДЕНИЕ.
Машиностроение является важнейшей отраслью
народного хозяйства, т. к. обеспечивает технологические процессы средствами
производства - машинами и механизмами. Технология машиностроения, как отрасль
науки, изучает закономерности действующие в процессе производства машин, чтобы
использовать эти закономерности для обеспечения требуемого качества машин при
наименьшей их себестоимости.
Основная задача отечественного машиностроения -
на базе новейших достижений науки и техники и современных технологий выпускать
в необходимом количестве для народного хозяйства высококачественные машины и
орудия производства, отвечающих требованиям и уровню мировых стандартов.
Различие машиностроительных производств
определяется спецификой выпускаемого оборудования, масштабами его производства.
Поэтому создание обобщающих научных трудов по технологии машиностроения
сочетается с работами отражающими условия и опыт отдельных машиностроительных
производств. Одной из таких развитых отраслей машиностроения Украины является
горное машиностроение. Заводы этого профиля действуют в Харькове,
Днепропетровске, Горловке, Донецке, Краматорске, Конотопе, Александрии, Кривом
Роге и др. городах.
Горное машиностроение характеризуется широкой
номенклатурой изделий, что обусловлено не только большим разнообразием горных
машин, но и стремлением приспособить их к разнообразным горногеологическим
условиям эксплуатации. В результате этого на заводах отрасли практически
отсутствовало крупносерийное и массовое производство, что повышало
себестоимость изготовления горной техники. Снижение удельных затрат
обеспечивалось постепенным повышением уровня стандартизации размеров, формы и
относительного расположения обрабатываемых поверхностей детали и
присоединительных поверхностей сборочных единиц горных машин. Результатом этого
процесса явилось изменение масштабов производства, что позволило резко повысить
уровень автоматизации горного машиностроения. Большое значение в настоящее
время имеет широкое внедрение гибких переналаживаемых производственных систем и
высокого эффективного оборудования со встроенными средствами управления и
контроля на базе микропроцессорной техники.
Особенности горного машиностроения отражены в
научной дисциплине "Технология производства горных машин". Горное
машиностроение характеризуется широкой номенклатурой изделий, большим
разнообразием габаритных размеров, массы горных машин и видов производства -
единичного, мелкосерийного, серийного и массового. К горным машинам
предъявляются специальные требования, вытекающие из специфики условий их
применения - взрывобезопасность, пыленепроницаемость, ограничение габаритных
размеров, коррозионная стойкость, способность противостоять ударным нагрузкам.
Все эти требования необходимо учитывать в процессе непрерывного развития и
совершенствования машин, приборов и механизмов для горной промышленности.
Технический прогресс в горной промышленности
определяется значительным увеличением выпуска существующих горных машин и
комплексов и освоением большого числа новых высокопроизводительных машин.
Большое внимание при этом должно уделяться повышению качества, надежности и
долговечности машин, а также их прогрессивному обслуживанию, ремонту и монтажу.
Повышение надежности - одна из важнейших задач
современности. Важность проблемы повышения надежности в широком смысле этого
понятия непрерывно возрастает в связи с интенсификацией технологических
процессов горного производства, повышением производительности оборудования и
увеличением воздействующих на него нагрузок.
1. АНАЛИТИЧЕСКИЙ РАЗДЕЛ
.1 АНАЛИЗ ТЕХНОЛОГИЧНОСТИ КОНСТРУКЦИИ ДЕТАЛЕЙ
ВАЛА МАХОВИКА И КОРПУСА ПНЕВМОЦИЛИНДРА
Обработка конструкции на технологичность
представляет собой комплекс мероприятий по обеспечению необходимого уровня
технологичности конструкций по установленным показателям, направлена на
повышение производительности труда, снижение затрат и сокращение времени на
изготовление изделия при обеспечении необходимого качества.
Технологическому контролю подлежат чертежи двух
деталей взятые из узла включения пресса, вал маховика и корпус пневмоцилиндра.
Для оценки количественных показателей технологичности (ГОСТ 14.201 - 83)
определяем коэффициент унификации конструктивных элементов
; (1.1)
Где Qу.э. - число
унифицированных типоразмеров конструктивных элементов (резьбы, фаски,
отверстия, шпонки и пр.);
Qэ. - число
конструктивных элементов в детали.
Коэффициент использования материала
; (1.2)
Где mд - масса
детали, кг;
mз - масса
заготовки, кг.
Для вала маховика:
Коэффициент унификации
конструктивных элементов
.
Коэффициент использования материала
.
Для корпуса пневмоцилиндра
Коэффициент унификации
конструктивных элементов
.
Коэффициент использования материала
.
Числовые значения коэффициентов
должны лежать в пределе 0<K<1. Условие выполняется.
Соответственно ГОСТу 2.121 - 73
качественная оценка технологичности конструкции характеризуется следующими
показателями: хорошо (допустимо), плохо (недопустимо). Каждый показатель
оценивается знаком "+" или "-". Качественный анализ
технологичности конструкции деталей выполняют соответственно таблице 1.1.
Таблица 1.1.
Результат качественного анализу
технологичности конструкции деталей.
|
Показатели
технологичности конструкции деталей
|
Оценка
технологичности вала маховика
|
Оценка
технологичности корпуса пневмоцилиндра
|
|
1.
Наличие у деталей стандартных и унифицированных элементов.
|
+
|
-
|
+
|
-
|
|
2.
Возможность изготовления деталей из стандартных или унифицированных заготовок
(прокат, штамповка, литье и т. д.).
|
+
|
-
|
+
|
-
|
|
3.
Наличие оптимальной точности и шероховатости поверхностей.
|
+
|
-
|
+
|
-
|
|
4.
Соответствие физико-химических и механических свойств материала, твердости,
формы и размеров детали требованиям технологии механической и термической
обработки.
|
+
|
-
|
+
|
-
|
|
5.
Соответствие показателей базовых поверхностей детали (размеры, точность,
шероховатость) требованиям установки, обработки и контролю
|
-
|
+
|
-
|
+
|
|
6.
Соответствие оформления рабочего чертежа детали требованиям ЕСКД и ЕСДП СЭВ.
|
+
|
-
|
+
|
-
|
2. ТЕХНОЛОГИЧЕСКИЙ РАЗДЕЛ
.1 ОПРЕДЕЛЕНИЕ ТИПА ПРОИЗВОДСТВА И ФОРМЫ ЕГО
ОРГАНИЗАЦИИ
Тип производства определим, взяв за основу массу
деталей и годовой объем выпуска деталей.
Масса детали вала маховика - 225 кг, годовая
программа выпуска - 800 шт/год. Определяем среднесерийное производство.
Масса детали корпуса пневмоцилиндра - 135 кг,
годовая программа выпуска - 1000 шт/год. Определяем среднесерийное
производство.
Формы организации технологических процессов в
соответствии с ГОСТ 14.312 - 74 зависят от установленного порядка выполнения
операций, расположения технологического оборудования, количества изделий и
направления их движения при изготовлении.
Существуют две формы организации технологических
процессов - групповая и поточная. Решение о целесообразности организации
поточной формы производства обычно принимается на основании сравнения заданного
суточного производства выпуска изделий Nc
и расчетной суточной производительности поточной линии Qс
при двусменном режиме работы и ее загрузке на 75 - 85%.
Заданный суточный выпуск изделий
шт; (2.1)
Где N - годовая
программа выпуска изделий, шт;
- количество рабочих дней в году.
Для детали вала маховика
шт.
Для детали корпуса пневмоцилиндра
шт.
Суточная производительность поточной
линии
; (2.2)
Где Fc - суточный
фонд времени работы оборудования (при двусменном режиме работы - 960мин);
Tср - средняя
станкоемкость основных операций, мин;
ηз - коэффициент загрузки
оборудования - 0.85.
Среднюю станкоемкость операций
определим по формуле:
станко-мин; (2.3)
Где Tшт - штучное
время основной i-й операции, нормо-мин;
n -
количество основных операций;
Kв - средний
коэффициент выполнения норм времени - 1.3.
Составим ведомость выполнения
основных операций обработки вала маховика (таблица 2.1).
Таблица 2.1.
Ведомость выполнения основных
операций обработки вала маховика.
|
Номер
п/п
|
Содержание
операций
|
|
1
2 3 4 5 6
|
Фрезерование
двух торцов Черновая обточка за один проход Сверление отверстий Нарезание
резьбы метчиком Зенкерование Шлифование
|
Штучное время по операциям определим по формуле:
мин; (2.4)
Где To.cp. - среднее
основное технологическое время;
K -
коэффициент непрерывности работы станков.
Среднее основное технологическое
время по операциям определим по приближенным формулам (См. [2] стр. 384).
Фрезерование двух торцов
(2.5)
Где l - длина
фрезерования.
мин;
мин;
Суммарное Tо.ср.=1.41мин.
Черновая проточка за один проход
(2.6)
Где d - диаметр
участка вала.
мин;
мин;
мин;
мин;
мин;
мин;
мин;
Суммарное Tо.ср.=41.52мин.
Сверление отверстий
(2.7)
Где n -
количество отверстий одинакового диаметра и длины.
мин;
мин;
мин;
Суммарное Tо.ср.=28.82мин.
Нарезание резьбы метчиком
. (2.8)
мин;
мин;
Суммарное Tо.ср.=1.146мин.
Зенкерование
. (2.9)
мин;
Суммарное Tо.ср.=2.047мин.
Шлифование
. (2.10)
мин;
мин;
мин;
мин;
мин;
Определим штучное время по операциям
Tшт по
формуле (2.4).
Фрезерование двух торцов
мин.
Черновая обточка за один проход
мин.
Сверление отверстий
мин.
Нарезание резьбы метчиком
мин.
Зенкерование
мин.
Шлифование
мин.
Определим среднюю станкоемкость
операций по формуле (2.3).
станко-мин.
Определим суточную
производительность поточной линии по формуле (2.2).
шт.
Суточная производительность поточной
линии больше суточного выпуска деталей, поэтому применяем групповую форму
организации производства.
При групповой форме организации
производства запуск изделий производится с определенной периодичностью а = 3,
6, 12, 24 дня. По упрощенной формуле определим количество деталей в партии:
шт (2.11).
шт.
Величину партии уточним следующим
образом:
Определим расчетное число смен на
обработку всей партии деталей на основных рабочих местах и округлим до
ближайшего целого числа:
(2.12)
Где Tшт. ср. -
среднее штучное время по основным операциям, мин;
- расчетный фонд времени работы
станка;
.85 - коэффициент загрузки станка.
смена.
Определим принятое число деталей в
партии
(2.13)
деталей.
Такт выпуска детали
(2.14)
Где Fд - годовой
действительный фонд работы станка, ч; при односменной работе
ч;
m - число
смен работы станка в сутки;
N - годовая
программа выпуска деталей, шт.
мин.
Составим ведомость выполнения
основных операций обработки корпуса пневмоцилиндра, (таблица 2.2).
Таблица 2.2.
Ведомость выполнения основных операций обработки
вала маховика.
|
Номер
п/п
|
Содержание
операций
|
|
1
2 3 4 5 6 7
|
Точение
Подрезание торцов Фрезерование Розтачивание Сверление Рассверливание
Нарезание резьбы
|
Штучное время по операциям определим по формуле
(2.4)
мин;
Среднее основное технологическое
время по операциям определим по приближенным формулам (См. [2] стр. 384).
Точение
мин;
мин;
Суммарное Tо.ср.=3.29мин.
Подрезание торцов
(2.15)
мин;
мин;
мин;
Суммарное Tо.ср.=7.76мин.
Фрезерование
мин;
Суммарное Tо.ср.=4.33мин.
Розтачивание
(2.16)
мин;
мин;
мин;
мин;
мин;
мин;
мин;
Суммарное Tо.ср.=12.26мин.
Сверление
мин;
мин;
мин;
мин;
мин;
мин;
мин;
мин;
мин;
мин;
Суммарное Tо.ср.=5.4мин.
Рассверливание
. (2.17)
мин;
мин;
Суммарное Tо.ср.=0.22мин.
Нарезание резьбы
мин;
мин;
мин;
мин;
мин;
(2.18)
мин;
Суммарное Tо.ср.=12.92мин.
Определим штучное время по операциям
Tшт по
формуле (2.4).
Точение
мин.
Подрезание торцов
мин.
Фрезерование
мин.
Розтачивание
мин.
Сверление
мин.
Рассверливание
мин.
Нарезание резьбы
мин.
Определим среднюю станкоемкость
операций по формуле (2.3).
станко-мин.
Определим суточную
производительность поточной линии по формуле (2.2).
шт.
Суточная производительность поточной
линии больше суточного выпуска деталей, поэтому применяем групповую форму
организации производства.
При групповой форме организации
производства запуск изделий производится с определенной периодичностью а = 3,
6, 12, 24 дня. По упрощенной формуле определим количество деталей в партии по
формуле (2.11)
шт;
шт.
Определим расчетное число смен на
обработку всей партии деталей на основных рабочих местах и округлим до
ближайшего целого числа по формуле (2.12)

Определим принятое число деталей в
партии
деталь.
Такт выпуска детали
(2.18)
Где Fд - годовой
действительный фонд работы станка, ч; при односменной работе
ч;
m - число
смен работы станка в сутки;
N - годовая
программа выпуска деталей, шт.
мин.
.2 ВЫБОР И ЭКОНОМИЧЕСКОЕ ОБОСНОВАНИЕ
СПОСОБА ПОЛУЧЕНИЯ ЗАГОТОВОК
При выборе способа получения
заготовки главным образом нужно обеспечить необходимое качество детали при ее
минимальной себестоимости. На выбор способа получения заготовки большое влияние
оказывают: конфигурация, размеры, масса, марка материала, необходимая точность
и качество поверхностей заготовки, тип производства.
Способ получения заготовки вала
маховика выбираем на основании технико-экономического анализа двух возможных
вариантов.
По двум вариантам определим массу
заготовки с учетом припусков и напусков на механическую обработку.
Приблизительно масса заготовки определяется по формуле:
кг (2.19)
где Q - масса
детали;
П - процент отхода материала в
стружку.
Вариант 1. Вид заготовки -
штамповка.
кг.
Стоимость заготовки
грн (2.20)
где P1 - оптовая
цена за 1 кг заготовки по прейскуранту, P1 = 30 грн;
Kт -
коэффициент, который учитывает транспортно-заготовительные затраты, равный
1.05;
д - масса реализованных отходов;
P2 - цена 1
кг отходов, P2 = 4.6 грн.
грн.
Вариант 2. Вид заготовки - поковка.
кг.
грн.
Разница между стоимостью выбранных
заготовок
; (2.21)
грн.
Определим основную зарплату
станочника
грн (2.22)
Где Ос - основная зарплата
станочника за 1 мин, грн.
грн.
Основная зарплата наладчика с учетом
обслуживания 4-х станков.
грн; (2.23)
грн
Цеховая себестоимость
грн (2.24)
Где Н - размер цеховых накладных
расходов в процентах для данного типа производства, Н = 250%.
грн.
Разница между цеховой себестоимостью
обработки и разницей стоимости заготовок.
грн; (2.25)
грн.
Так как цеховая себестоимость
механической обработки меньше, чем разница стоимости заготовок, то принимаем
менее точную заготовку - поковку.
Годовая экономическая эффективность
выбранного способа получения заготовки:
грн; (2.26)
тыс. грн.
Расчеты, по выбору способа получения
заготовки корпуса пневмоцилиндра, произведем в той же последовательности что и
для детали вала маховика.
По двум вариантам определим массу заготовки с
учетом припусков и напусков на механическую обработку по формуле (2.19):
Вариант 1. Вид заготовки - литье в песчаные
формы.
кг.
Стоимость заготовки (2.20):
грн.
Вариант 2. Вид заготовки - литье в оболочковые
формы.
кг.
грн.
Разница между стоимостью выбранных
заготовок (2.21):
грн.
Определим основную зарплату
станочника (2.22):
грн.
Основная зарплата наладчика с учетом
обслуживания 4-х станков (2.23):
грн
Цеховая себестоимость (2.24):
грн.
Разница между цеховой себестоимостью
обработки и разницей стоимости заготовок (2.25):
грн.
Так как цеховая себестоимость
механической обработки меньше, чем разница стоимости заготовок, то принимаем
менее точную заготовку - литье в песчаные формы.
Годовая экономическая эффективность
выбранного способа получения заготовки (2.26):
тыс. грн.
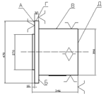
.3 ВЫБОР ТЕХНОЛОГИЧЕСКИХ БАЗ ДЕТАЛЕЙ
ВАЛА МАХОВИКА И КОРПУСА ПНЕВМОЦИЛИНДРА
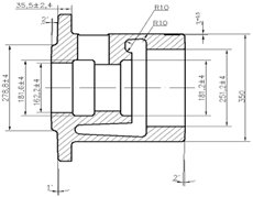
Рисунок 2.1. Схема базирования
заготовки вала маховика.
В соответствии с ГОСТ 21495 - 76
базирование, т. е. положение объекта относительно выбранной системы координат,
осуществляется с помощью выбранных на объекте баз в виде принадлежащих ему
поверхностей, осей, точек или их сочетаний.
В процессе механической обработки
при выборе технологических баз необходимо придерживаться следующих
рекомендаций:
при обработке заготовки
необработанные поверхности в качестве баз можно использовать только на первых
операциях;
в качестве технологических баз
следует принимать поверхности достаточных размеров, что обеспечивает большую
точность базирования и закрепления заготовки в приспособлении, эти поверхности
должны иметь более высокий класс точности, наименьшую шероховатость, не иметь
поверхностных дефектов;
в качестве баз на первой операции
следует принимать поверхности с наименьшими припусками;
при чистовой обработке рекомендуется
соблюдать принцип совмещения баз;
базы окончательной обработки должны
иметь наибольшую точность, наименьшую шероховатость поверхностей.
На первой операции механической обработки вала
маховика необходимо подготовить технологические базы, которые бы использовались
на последующих операциях. В качестве технологических опорных баз вала выбираем
поверхности В и Г (Рисунок 2.1). Для их подготовки, в качестве черновых баз,
выбираем необработанные поверхности А и Б. Выбранные поверхности обладают
достаточной протяженностью для закрепления заготовки вала в призмах, которые
обеспечат надежное закрепление и точность подготовки баз при фрезеровании и
центровании торцов вала. На дальнейших этапах обработки в качестве чистовых направляющих
баз принимаем поверхности Е и Д, которые обладают более высоким классом
точности и имеют наименьшую шероховатость.

Рисунок 2.2. Схема базирования заготовки корпуса
пневмоцилиндра.
Пользуясь выше перечисленными рекомендациями,
выберем технологические базы при обработке заготовки корпуса пневмоцилиндра
(Рисунок 2.2). По теоретической схеме базирования, заготовка корпуса
пневмоцилиндра лишается шести степеней свободы в выбранной системе координат X,
Y, Z.
Поверхности заготовки, на которые налаживаются шесть геометрических связей,
являются базовыми и делятся на установочную базу, направляющую и опорную.
На первой операции в качестве черновой базы
выбираем поверхность В, которая на последующих операциях не обрабатывается,
имеет значительную протяженность и обеспечивает удобную установку заготовки в
приспособлении. На последующих операциях в качестве установочной базы выбираем
сочетание поверхностей А и Г, лишающую заготовку трех степеней свободы. Опорной
базой служит поверхность Д.
.4 РАЗРАБОТКА МАРШРУТА ОБРАБОТКИ ДЕТАЛЕЙ
Основной задачей разработки маршрута является
составление общего плана обработки детали, формулировка содержания операций
технологического процесса. Результаты оформляются в виде таблицы 2.3.
При установлении общей последовательности
обработки рекомендуется учитывать следующие положения.
. Каждая последующая операция должна уменьшать
погрешности и улучшать качество поверхности.
. В первую очередь следует обрабатывать
поверхность, которая будет служить технологической базой для последующих
операций.
. Затем следует обрабатывать поверхности, с
которых снимается наибольший слой металла, что позволит своевременно обнаружить
возможные внутренние дефекты заготовки.
. Операции, при которых возможно появление брака
из-за внутренних дефектов в заготовке, следует производить вначале.
. Обработка остальных поверхностей ведется в
последовательности, обратной степени их точности: чем точнее должна быть
поверхность, тем позже она обрабатывается.
. Заканчивается обработка той поверхностью,
которая является наиболее точной и имеет наибольшее значение для эксплуатации
детали.
. Отверстия нужно сверлить в конце
технологического процесса, за исключением тех случаев, когда они служат базами
для установки.
. Если деталь подвергается термической обработке
по ходу технологического процесса, механическая обработка расчленяется на две
части: до термической обработки и после нее.
. Технический контроль намечают после тех этапов
обработки, где вероятно повышенное количество брака, перед сложными и
дорогостоящими операциями, после законченного цикла, а также в конце обработки
детали.
Разработку маршрута обработки детали вала
маховика проведем с использованием типового технологического процесса на данную
деталь.
Наименование операций соответствует требованиям
классификатора технологических операций в машиностроении.
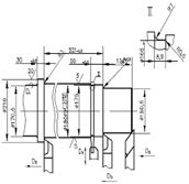
Таблица 2.3.Технологический маршрут обработки
вала маховика.
|
Номер операции
|
Содержание
операции
|
Технологические базы
|
Технологическая
оснастка.
|
|
005
|
Заготовительная.
Производство поковки.
|
|
Гидравлический
пресс.
|
|
010
|
Термическая.
Нормализация. Охлаждение на воздухе.
|
|
Печь
ТВЧ.
|
|
015
|
Правка
заготовки.
|
|
|
020 Фрезерно-центровальная.
Фрезеровать торцы в размер
выдержав размер
.
|
Центровать
с двух сторон А10 (ГОСТ 14034 - 74).Шейка вала Ø 155k6,
поверхность Ø180f9.Призмы
опорные, зажим.
|
|
|
|
025
|
Токарная.
Точить поверхность Ø85
под
резьбу окончательно, выдержав размер 715 . Точить канавку Ø85/Ø79 шириной
4.8мм, точить фаску . Выполнить
галтель R5.5.
Нарезать резьбу М85×4
левую.
Точить поверхность Ø125h6 до Ø125.5, точить
фаску . Выполнить
галтель R3. Точить
поверхность Ø155k6 до Ø155.5, точить
фаску . Выполнить
галтель R3. Точить
поверхность Ø170k6 до Ø170.5 точить
фаску . Выполнить
галтель R3. Точить
поверхности Ø168 , Ø210 , Ø180h12
окончательно. Выполнить галтель R3. Точить
канавку Ø180/Ø166
шириной
5.9, точить фаску , выполнить
галтель R7.Центровые
отверстия А10. Поверхность Ø150k6.Центры
вращающиеся, поводковая планшайба, хомутик.
|
|
|
030 Токарная. Сверлить и
развернуть отверстие Ø58Н12
окончательно, выдержать размер 900
. Зенкеровать и развернуть отверстие Ø65Н12
, выдержать
размер 150
, точить
фаску
. Точить
поверхность Ø150k6 до Ø150.5, выдержать
размер 521
, точить
фаску
|
, выполнить
галтель R3. Точить
поверхность Ø175
под
резьбу, точить фаску . Нарезать
резьбу М175×6.Поверхности
Ø125h6 и Ø180h12.Патрон
трехкулачковый самоцентрирующийся, люнет.
|
|
|
035 Фрезерная.
Фрезеровать паз
окончательно,
выдержать размер 8. Сверлить два отверстия Ø10 глубиной
. Зенковать
фаски
. Нарезать
резьбу М12 глубиной
. Развернуть
заготовку на
. Фрезеровать
паз
предварительно
в размер 26, с двух сторон симметрично. Фрезеровать паз
окончательно,
с двух сторон симметрично. Зенковать две фаски
. Фрезеровать паз
окончательно выдержать размер
.
|
Развернуть
заготовку на .
Фрезеровать другой паз выдержать
размер .
Поверхности Ø и Ø150k6.
Делительная головка, центра, пробка с центровым отверстием, планшайба
поводковая, хомутик.
|
|
|
|
|
040
|
Сверлильная.
Сверлить 4 отверстия Ø14
глубиной
. Зенковать
фаски . Нарезать
резьбу М16 глубиной .Поверхности
Ø и Ø150k6.Призмы,
зажим.
|
|
|
|
045
|
Термическая.
Поверхностная закалка до HRC 34…42 с отпуском.
|
|
Печь
ТВЧ.
|
|
050
|
Шлифовальная.
Шлифовать поверхности , и окончательно.
Поверхности Ø и Ø150k6.Патрон
трехкулачковый самоцентрирующийся, люнет.
|
|
|
|
055
|
Шлифовальная.
Шлифовать поверхность окончательно.Поверхности
Ø125h6
и
Ø170k6.Патрон
трехкулачковый самоцентрирующийся, люнет.
|
|
|
|
060
|
Промыть
деталь, удалить заусеницы.
|
|
|
|
065
|
Технический
контроль ОТК.
|
|
|
Разработку маршрута обработки детали корпуса
пневмоцилиндра проведем с использованием типового технологического процесса на
данную деталь. Технологический маршрут оформляется в таблицу 2.4.
Наименование операций соответствует требованиям
классификатора технологических операций в машиностроении.
Таблица 2.4. Технологический маршрут обработки
корпуса пневмоцилиндра.
|
Номер операции
|
Содержание
операции
|
Технологические базы
|
Оборудование,
технологическая оснастка.
|
|
005
|
Заготовительная.
Производство заготовки - отливка в песчаные формы. Подготовка к механической
обработке.
|
|
|
|
010
|
Токарная.
Точить поверхность Ø
окончательно. Подрезать торец Ø /Ø270h8,
выдержать размер . Точить
поверхность Ø270
окончательно, точить фаску . Подрезать торец Ø270h8/Ø выдержать
размер . Расточить
поверхность Ø /Ø выдержать
размер . Расточить
поверхность Ø до Ø170.5, в размер , точить
фаску . Точить
канавку Ø /Ø , выдержать
размер . Расточить
отверстие Ø
окончательно, выдержать размер , выполнить галтели R5.
Расточить поверхность Ø160
H8 до Ø159.5. Подрезать
торец Ø160H8/Ø190H8, точить
фаску . Точить
канавку Ø160Н8/Ø окончательно,
выдержать размер .Поверхность
Ø350.Патрон
трехкулачковый самоцентрирующийся, борштанга.
|
|
|
|
015
|
Токарная.
Подрезать торец Ø350/Ø276Н11,
выдержать размер . Расточить
поверхность Ø276Н11,
выдержать размер . Расточить
поверхность Ø260Н8 до Ø260.5. Расточить
поверхность Ø190Н8.
Подрезать торец Ø190Н8/Ø230, выдержать
размер , точить
фаску .Поверхность
Ø .Патрон
трехкулачковый самоцентрирующийся, борштанга.
|
|
|
|
020
|
Сверлильная.
Сверлить четыре сквозных отверстия Ø на делительной окружности Ø400. Сверлить
отверстие Ø в размер . Сверлить
четыре сквозных отверстия Ø на делительной окружности Ø400, цековать
бобышки Ø45
в
размер . Сверлить
четыре отверстия глухих Ø18
под
резьбу в размер , зенковать
четыре фаски , нарезать
резьбу М20 в размер . Сверлить
четыре отверстия глухих Ø9
под
резьбу в размер , зенковать
четыре фаски , нарезать
резьбу М10 в размер .Поверхности
Ø350,
Ø ,
поверхность /Ø270h8.Кондуктор,
кондукторная плита.
|
|
|
|
025
|
Сверлильная.
Сверлить отверстие Ø в размер ,
рассверлить отверстие Ø /Ø9, под резьбу,
в размер , зенковать
фаску , нарезать
резьбу в размер .
Развернуть заготовку на .Сверлить
сквозное отверстие Ø выдержать
размер .
Рассверлить отверстие Ø /Ø14, под резьбу,
в размер . Зенковать
фаску , нарезать
резьбу в размер . Сверлить
два сквозных отверстия Ø36
предварительно
под фрезерование, выдержать размер и межцентровое расстояние .Поверхности
Ø260Н8 и Ø .Делительная
головка, пробки с центровыми отверстиями, центра, планшайба поводковая,
хомутик.
|
|
|
|
030
|
Фрезерная
Фрезеровать сквозной паз в размер .
Фрезеровать платик .Поверхности
Ø350,
Ø ,
поверхность /Ø270h8,
отверстия Ø .Опоры,
прихваты, пальцы.
|
|
|
|
035
|
Сверлильная.
Сверлить отверстие сквозное Ø14, выдержать размер . Зенковать
фаску , нарезать
резьбу . Сверлить
отверстие сквозное Ø30,
выдержать
размер . Зенковать
фаску . Нарезать
резьбу трубную .Поверхность
Ø260Н8,
отверстия Ø .Оправка,
кондуктор, кондукторная плита.
|
|
|
|
040
|
Термическая.
Отпуск средний.
|
|
Печь
ТВЧ.
|
|
045
|
Токарная.
Расточить поверхности Ø , Ø160Н8 Ø и Ø окончательно.
Точить фаски и .Поверхность
Ø .Патрон
трехкулачковый самоцентрирующийся, борштанга.
|
|
|
|
050
|
Промыть
деталь, очистить заусеницы.
|
|
|
|
055
|
Технический
контроль ОТК.
|
|
|
2.5 ОПРЕДЕЛЕНИЕ ПРИПУСКОВ НА ОБРАБОТКУ И
РАЗМЕРОВ ЗАГОТОВОК ВАЛА МАХОВИКА И КОРПУСА ПНЕВМОЦИЛИНДРА
Расчет припусков деталей и назначение их ведется
по таблицам ГОСТов.
На основании технико-экономического обоснования
способ получения заготовки вала маховика выбираем поковку изготовляемую на
гидравлическом прессе в открытых штампах.
Расчет допусков и припусков на обработку
заготовки вала маховика определим по ГОСТ 7505 - 89.
Класс точности поковки устанавливается в
зависимости от технологического процесса и оборудования для ее изготовления:
основное деформирующее оборудование - гидравлический пресс, выбираем класс
точности - Т4.
Материал детали вала маховика - сталь 40Х;
выбираем группу стали - М2.
Степень сложности поковки С определим путем
вычисления отношения массы Gп
поковки к массе Gф
геометрической фигуры, в которую вписывается форма поковки.
(2.27)
При вычислении отношения Gп/Gф принимают
ту из геометрических фигур, масса которой меньше. Величину расчетной массы
поковки в первом приближении допускается вычислять по формуле:
(2.28)
Где Мд - масса детали, кг.
Кр - расчетный коэффициент, Кр =
1.4.
кг.
Поковка ступенчатого вала
вписывается в геометрическую фигуру цилиндра. Масса цилиндра Gф = 423 кг.
Отношение:
.
Численное значение отношения
(формула 2.27) соответствует степени сложности поковки - С1.
Исходный индекс для последующего
назначения основных припусков, допусков и допускаемых отклонений определяется в
зависимости от массы, марки материала и класса точности поковки.
Масса поковки - 315 кг; группа стали
- М2; степень сложности поковки - С1; класс точности - Т4. Определяем исходный
индекс - 17.
Определим основные припуски на
механическую обработку в зависимости от исходного индекса, линейных размеров и
шероховатости поверхности детали. Значения припусков на сторону по каждой
поверхности детали сведем в таблицу 2.5.
Таблица 2.5.Припуски на механическую обработку
детали вала маховика.
|
Номинальный
размер, мм
|
Шероховатость
поверхности Ra, мкм
|
Припуск
на сторону, мм
|
Допуск
размеров поковки, мм
|
|
85
|
5
|
2.7
|
|
|
125
|
1.25
|
3.3
|
|
|
155
|
1.25
|
3.3
|
|
|
170
|
1.25
|
3.5
|
|
|
210
|
20
|
2.6
|
|
|
180
|
5
|
3.2
|
|
|
175
|
5
|
3.2
|
|
|
150
|
1.25
|
3.3
|
|
|
1555
|
20
|
3.7
|
|
|
134
|
20
|
2.4
|
|
|
155
|
20
|
2.4
|
|
|
270
|
20
|
2.8
|
|
|
311
|
20
|
2.8
|
|
|
30
|
20
|
2.0
|
|
|
521
|
20
|
3.0
|
|
|
56
|
20
|
2.2
|
|
Допустимая величина остаточного облоя
определяется в зависимости от массы поковки, конфигурации, поверхности разъема
и класса точности поковки. Масса поковки - 270 кг; поверхность разъема плоская;
класс точности поковки - Т4. Допустимая величина остаточного облоя - 1.8мм.
Допустимая величина высоты заусенца на поковке
по контуру обрезки облоя не должна превышать 6 мм.
На поковке допускается след в виде впадины или
выступа, образующийся от выталкивателя или от зажимных элементов штампа.
Глубина впадины должна быть не более 0.5 величин фактического припуска. Высота
выступа допускается до 3 мм на обрабатываемой поверхности.
Допускаемые отклонения штампованных
уклонов на поковках устанавливаются в пределах ± 0.25 их номинальной величины.
Величина уклона -
Допуск радиального биения
цилиндрических поверхностей поковки не должен превышать 5 мм.
Эскиз заготовки вала маховика
показан на рисунке 2.3.
Рисунок 2.3. Эскиз поковки вала
маховика.
Заготовку корпуса пневмоцилиндра получим литьем
в песчаные формы.Заготовки, получаемые, литьем в песчаные формы характеризуются
минимальной стоимостью изготовления, большими припусками и высокими параметрами
шероховатости. В песчаных формах можно получить отливки самой сложной
конфигурации и массой от нескольких граммов до сотен тонн. Этот способ литья
чаще применяется в серийном производстве. Допуски размеров, массы и припуски на
механическую обработку определим согласно ГОСТ 26645 - 85. Номинальный размер
отливки следует принимать равным номинальному размеру детали для
необрабатываемых поверхностей и сумме среднего размера детали и общего припуска
на обработку - для обрабатываемых поверхностей. При определении номинальных
размеров отливок учитывают технологические напуски. Определим класс размерной
точности отливки. Способ литья - литье в песчано-глинистые сырые формы из низко
влажных высокопрочных смесей. Выбираем - 10 класс размерной точности. По классу
размерной точности определим допуски на линейные размеры. Значения допусков
сведем в таблицу 2.6.
Таблица 2.6. Допуски линейных размеров отливки
корпуса пневмоцилиндра.
|
Номинальный
размер, мм
|
Допуск
размеров, мм
|
Номинальный
размер, мм
|
Допуск
размеров, мм
|
|
470
270 188 171 190
|
4.4
4.0 3.6 3.6 3.6
|
260
160 346 32 180
|
4.0 3.2 4.0 2.2 3.6
|
Определим степень коробления элементов отливки.
Отношение наименьшего размера элемента отливки к наибольшему - 0.74, которое
соответствует 4 степени коробления.
Определим допуски формы и расположения элементов
отливки. Числовые значения сведем в таблицу 2.7. За номинальный размер
нормируемого участка при определении допусков, формы и расположения принимаем
наибольший из размеров нормируемого участка элемента отливки.
Определим общие допуски элементов отливки
учитывающие совместное влияние допуска размера от поверхности до базы и допуска
формы и расположения поверхностей. Числовые значения сведем в таблицу 2.8.
Таблица 2.7. Допуски формы и расположения
элементов отливки.
|
Номинальный
размер, мм
|
Допуск
размеров, мм
|
Номинальный
размер, мм
|
Допуск
размеров, мм
|
|
470 270 188 171
190
|
1.0
0.64 0.4 0.4 0.4
|
260
160 346 32 180
|
0.64 0.32 0.8 0.24 0.24
|
Таблица 2.8. Общие допуски элементов отливки.
|
Номинальный
размер, мм
|
Допуск
размера от поверхности до базы, мм
|
Допуск
формы и расположения поверхностей, мм
|
Общий
допуск элемента отливки, мм
|
|
470
270 188 171 190 260 160 346 32 180
|
4.4 4.0 3.6 3.6 3.6 4.0 3.2 4.0
2.2 3.6
|
1.0 0.64 0.4 0.4 0.4 0.64 0.32 0.8
0.24 0.24
|
5.0 4.0 4.0 4.0 4.0 4.0 3.2 4.0
2.4 4.0
|
Определим степень точности поверхности отливки.
Способ получения - литье в песчано-глинистые сырые формы из низко-влажных
высокопрочных смесей. Наибольший габаритный размер св. 250 до 630 мм. Выбираем
степень точности поверхностей - 14.
По известной степени точности поверхностей
определим ряд припусков на обработку отливки. Выбираем 7 ряд припусков.
Минимальный литейный припуск на сторону - 0.8
мм.
Определим припуски элементов отливки. Числовые
значения сведем в таблицу 2.9.
Таблица 2.9. Общие припуски на сторону.
|
Номинальный
размер, мм
|
Общий
допуск элемента отливки, мм
|
Общий
припуск на сторону, мм
|
|
470
270 188 171 190 260 160 346 32 180
|
5.0 4.0 4.0 4.0 4.0 4.0 3.2 4.0
2.4 4.0
|
3.6 4.4 3.2 4.4 4.4 4.4 4.1 4.4
3.5 4.4
|
Значение шероховатости для 14 степени точности
поверхности отливки выбираем Ra
= 40 мкм. Эскиз заготовки корпуса пневмоцилиндра показан на рисунке 2.4.
Рисунок 2.4. Эскиз отливки корпуса
пневмоцилиндра.
Минимальный диаметр отверстий, выполняемых
литьем, выбираем так, чтобы избежать сильного перегрева и пригара стержня к
стенкам отверстия. Возможность спекания стерневой смеси и пригара определяется
массой окружающего металла, поэтому минимальный размер литых отверстий зависит
от толщины стенки, длины стержня и может быть определен по формуле:
(2.29)
Где do - исходный
диаметр для сталей do = 10 мм.
s - толщина
стенка, мм.
мм.
Формовочные уклоны назначают с целью
облегчения удаления модели из формы и стержня из стержневого ящика. Уклоны устанавливаются
по ГОСТ 3212 - 80 в зависимости от размеров углублений, и вида модельного
комплекта. Числовые значения сведем в таблицу 2.10.
Таблица 2.10. Формовочные уклоны отливки.
|
Высота
формообразующей поверхности, мм
|
Уклон,
град.
|
99.2
58.3 49.4
2.6 ВЫБОР ТЕХНОЛОГИЧЕСКОГО ОБОРУДОВАНИЯ
Общие правила выбора технологического
оборудования установлены ГОСТ 14.404 - 73. Выбор модели станка, прежде всего,
определяется его возможностью обеспечить точность размеров и формы, а также
качество поверхности изготовляемой детали. Поэтому модель станка выбираем из
следующих соображений:
соответствие станка по производительности
заданному масштабу производства;
возможность работы на оптимальных режимах
резания;
соответствие механизации и автоматизации
выполняемой обработки;
наименьшая себестоимость обработки;
реальная возможность приобретения станка;
необходимость использования имеющихся станков.
Руководствуясь выше перечисленными
соображениями, выбираем станки по каждой операции обработки вала маховика.
Фрезерно-центровальная.
Выбираем продольно-фрезерный двухстоечный станок
6620.
Техническая характеристика станка, размеры в мм.
Размеры рабочей поверхности стола
Наибольшая масса обрабатываемой
заготовки, кг 50000
Расстояние до поверхности стола:
от оси горизонтального
шпинделя 0 - 1765
от торца вертикального
шпинделя 175 - 2180
Расстояние между торцами
горизонтальных шпинделей 1550 - 2250
Число шпиндельных бабок:
горизонтальных 2
вертикальных 2
Наибольшее перемещение:
стола продольное 6800
гильз шпинделей 350
Число скоростей шпинделя 18
Частота вращения шпинделя, об/мин 20
- 1000
Подача, мм/мин:
стола 5 - 2000
шпиндельной бабки 10
- 2000
гильз шпинделей 5
- 1000
Мощность электродвигателя 7.5
привода главного движения, кВт
Габаритные размеры:
ширина 8270
высота 6700
Масса, кг 121900
Определим ряд чисел оборотов
шпинделя станка. Коэффициент знаменателя геометрического ряда φ = 1.26. Ряд чисел
оборотов, об/мин: 20, 25.2, 32, 40, 50, 63, 79. 4, 100, 126, 158.8, 200, 252,
317, 400, 504, 635, 800, 1008.
Токарная.
Выбираем токарно-винторезный станок
16К40П.
Техническая характеристика станка,
размеры в мм.
Наибольший диаметр обрабатываемой
детали:
над станиной 800
над суппортом 450
Наибольшая длина обрабатываемой
детали 2000
Предел чисел оборотов шпинделя,
об/мин 6.3 - 1250
Число скоростей шпинделя 24
Пределы рабочих подач суппорта,
мм/мин:
продольных 3.3
- 72
поперечных 1.38
- 30
Мощность электродвигателя 18.5
привода главного движения, кВт
Габариты:
длина 4655
ширина 5465
высота 6665
Масса, кг 5800
Ряд чисел оборотов шпинделя станка,
об/мин: 6.3, 8, 10, 12.6, 16, 20, 25, 31.5, 40, 50, 63, 79, 99.5, 125, 157.5,
198, 249.5, 314, 396, 499, 629, 792, 998, 1257.
Фрезерная.
Выбираем продольно-фрезерный
двухстоечный станок 6620.
Техническая характеристика станка,
размеры в мм.
Размеры рабочей поверхности стола
Наибольшая масса обрабатываемой
заготовки, кг 50000
Расстояние до поверхности стола:
от оси горизонтального
шпинделя 0 - 1765
от торца вертикального
шпинделя 175 - 2180
Расстояние между торцами
горизонтальных шпинделей 1550 - 2250
Число шпиндельных бабок:
горизонтальных 2
вертикальных 2
Наибольшее перемещение:
стола продольное 6800
гильз шпинделей 350
Число скоростей шпинделя 18
Частота вращения шпинделя, об/мин 20
- 1000
Подача, мм/мин:
стола 5 - 2000
шпиндельной бабки 10
- 2000
гильз шпинделей 5
- 1000
Мощность электродвигателя 7.5
привода главного движения, кВт
Габаритные размеры:
длина 18970
ширина 8270
высота 6700
Масса, кг 121900
Ряд чисел оборотов шпинделя станка,
об/мин: 20.2, 25.5, 32, 40, 50.4, 63.5, 80, 101, 127.3, 160.4, 202, 254.5,
320.7, 404, 509, 641.3, 808, 1018.
Сверлильная.
Выбираем горизонтально-расточной
станок 2636Ф1. Тип компоновки станка - с неподвижной передней стойкой и
поворотным столом, имеющим продольное и поперечное перемещение.
Техническая характеристика станка,
размеры в мм:
Диаметр выдвижного шпинделя 125
Конус для крепления инструментов
Метрический 80
в выдвижном шпинделе
Размеры встроенного поворотного
стола
Наибольшая масса обрабатываемой
заготовки, кг 8000
Наибольшее перемещение
вертикальное, шпиндельной бабки 1400
продольное, выдвижного шпинделя 1000
радиального суппорта 200
планшайбы стола:
продольное 1600
поперечное 1800
Число скоростей:
шпинделя бесступенчатое
регулирование
планшайбы бесступенчатое
регулирование
Частота вращения, об/мин:
шпинделя 6.3 -
1000
планшайбы 4 - 200
Подача мм/мин
шпинделя 1.6 -
1600
шпиндельной бабки 1
- 1000
стола (продольная и поперечная) 1
- 1000
радиального суппорта 0.63
- 630
Мощность электродвигателя привода 19
главного движения, кВт
Габаритные размеры:
длина 8160
ширина 5070
высота 4805
Масса, кг 35700
Шлифовальная.
Выбираем круглошлифовальный станок
3М194.
Техническая характеристика станка,
размеры в мм:
Наибольшие размеры устанавливаемой
заготовки:
диаметр 560
длина 4000
Наибольший диаметр шлифования 350
Наибольшая длина шлифования 3800
Высота центров над столом 520
Наибольшее продольное перемещение
стола 4240
Угол поворота стола, град:
по часовой стрелке 0.5
против часовой стрелки 6
Конус Морзе шпинделя передней бабки
Метрический 80
и пиноли задней бабки
Наибольшие размеры шлифовального
круга:
наружный диаметр 750
высота 100
Частота вращения шпинделя 600
- 1300
шлифовального круга, об/мин
Габаритные размеры (с приставным
оборудованием):
длина 14065
ширина 3615
высота 2450
Масса (с приставным оборудованием),
кг 34300
Выберем станки по каждой операции
обработки корпуса пневмоцилиндра.
Токарная.
Выбираем токарно-карусельный станок
1508.
Техническая характеристика станка,
размеры в мм:
Наибольший диаметр детали над:
вертикальным суппортом 800
боковым суппортом 710
высота обрабатываемой детали 800
масса обрабатываемой детали, кг 1300
Диаметр планшайбы 710
Ход ползуна вертикального суппорта 650
Число: ступеней оборотов планшайбы 18
оборотов планшайбы в минуту 10
- 500
Вертикальная и горизонтальная подача
суппортов в мм/мин 3.6 - 378
Мощность электродвигателя 22
привода главного движения, кВт
Габаритные размеры
длина 2320
ширина 2310
высота 3120
Масса, кг 8500
Ряд чисел оборотов, об/мин: 10,
12.6, 16, 20, 25.2, 32, 40.3, 51, 64.3, 81, 102, 128.5, 162, 204, 257, 324,
408, 514.
Сверлильная.
Выбираем радиально-сверлильный
станок 2Ш55.
Техническая характеристика станка,
размеры в мм:
Наибольший условный диаметр
сверления в стали 50
Расстояние от оси шпинделя до
образующей колонны 850 - 1600
Расстояние от нижнего торца шпинделя
до
рабочей поверхности плиты 150
- 1800
Наибольшее перемещение:
вертикальное, рукава на
колонне 1250
горизонтальное, сверлильной
головки по рукаву 750
Наибольшее вертикальное перемещение
шпинделя 400
Конус Морзе отверстия в шпинделе 5
Число скоростей шпинделя 21
Частота вращения шпинделя, об/мин 10
- 1000
Подача шпинделя, мм/мин 6
- 67.2
Наибольшая сила подачи, МН 16
Мощность электродвигателя 4
привода главного движения, кВт
Габаритные размеры:
длина 4280
ширина 1650
высота 3550
Масса, кг 8000
Ряд чисел оборотов шпинделя, об/мин:
10, 12.6, 16, 20, 25.2, 32, 40, 50, 63, 79.4, 100, 126, 158.8, 200, 252, 317.5,
400, 504, 635, 800, 1008.
Фрезерная.
Выбираем широкоуниверсальный
консольный станок 6Р83Ш.
Техническая характеристика станка,
размеры в мм:
Размеры рабочей поверхности стола
Расстояние от оси горизонтального
шпинделя до
поверхности стола 30
- 450
Расстояние от торца вертикального
шпинделя
до поверхности стола 70
- 570
Наибольший угол поворота
вертикальной фрезерной
головки,
, в
плоскости параллельной:
продольному ходу стола 360
поперечному ходу стола:
от станины 90
к станине 45
Конус отверстия шпинделя по ГОСТ
15945 - 82:
горизонтального 50
вертикального 40
Число ступеней шпинделя
горизонтального 18
вертикального 11
Число оборотов шпинделя в минуту 31.5
- 1600
Подача стола мм/мин:
продольная 25
- 1250
вертикальная 8.3
- 416.6
Мощность электродвигателя 11
главного привода, кВт
Габаритные размеры:
длина 2680
ширина 2260
высота 2040
Масса, кг 4050
Ряд чисел оборотов шпинделя станка,
об/мин: 31.5, 40, 50.4, 63.5, 80, 101, 127, 160, 202, 254.5, 321, 404.5, 510,
642.6, 809.7, 1020, 1285, 1616.
.7 ОПРЕДЕЛЕНИЕ РЕЖИМОВ ОБРАБОТКИ
ЗАГОТОВКИ ВАЛА МАХОВИКА И КОРПУСА ПНЕВМОЦИЛИНДРА
Режимы обработки вала маховика
определим для всех операций, пользуясь эмпирическими выражениями и таблицами из
нормативно-справочной литературы (См. [3], [4], [5]).
Фрезерно-центровальная. Фрезерование
торцов заготовки.
Ширина фрезерования
мм и
мм, припуск
мм, материал
- сталь 40Х. Припуск снимаем за один проход, поэтому глубина резания
мм.
. Выбор режущего инструмента. Для
обработки базовых поверхностей выбираем торцовую насадную фрезу сборную (ГОСТ
24359 - 80) с пластинками из твердого сплава Т5К10. Размеры:
мм,
мм,
26,
мм,

,
мм.
. Назначение подачи. Рекомендуемая
подача
мм/зуб.
Поправочные коэффициенты на подачу (См. [5] стр. 302) в зависимости от
материала инструмента
, вида
обработки
шероховатости
-
.
Действительная подача на зуб
(2.30)
мм/зуб.
. Скорость резания. Рекомендуемая
скорость резания
м/мин.
Поправочные коэффициенты на скорость резания в зависимости от материала
обрабатываемой заготовки
, материала
инструмента
состояния
поверхности
, главного
угла в плане
, условия
обработки с СОЖ - 3 - 5%-ная эмульсия Уникрол - 1
, отношение
фактической ширины фрезерования к нормативной - до 1.0
.
Действительная скорость резания
(2.31)
м/мин.
. Частота вращения.
(2.32)
Где D - диаметр
фрезы, мм;
V - скорость
резания, м/мин.
об/мин.
Корректируем по ряду частот вращения
шпинделя станка. Принимаем
об/мин. Тогда действительная
скорость резания
(2.33)
м/мин.
. Основное технологическое время.
(2.34)
Где l - длина
фрезерования, мм;
l1 - величина
перебега и врезания инструмента.
i -
количество проходов.
Для ширины фрезерования
мм
мин.
Для ширины фрезерования
мм
мин.
. Определим силу резания и крутящий
момент.
Сила резания
Н (2.35)
где Cp -
поправочный коэффициент на условия резания;
x, y, n, q, w -
показатели степени;
Kmp -
поправочный коэффициент, учитывающий влияние качества обрабатываемого материала
на силовые зависимости,
(2.36)
Где σв - предел
прочности материала заготовки, МПа.
Для ширины фрезерования
мм
H.
Для ширины фрезерования
мм
H.
Крутящий момент
(2.37)
Для ширины фрезерования
мм

.
Для ширины фрезерования
мм

.
Мощность резания
кВт (2.38)
Для
мм
кВт
Для
мм
кВт
Мощность электродвигателя главного
привода станка Nд = 7.5 кВт. Так как Nд > Ne, то
обработка не возможна. Принимаем решение уменьшить частоту вращения до n = 32
об/мин.
Тогда для ширины фрезерования
мм: Pz = 18950 H; Мкр = 3032
V = 15.7
м/мин; Т0 = 1.5 мин; Ne =4.9 кВт.
Для ширины фрезерования
мм: Pz = 9733.3 H; Мкр = 443
V = 9.1
м/мин; Т0 = 0.8 мин; Ne =1.45 кВт.
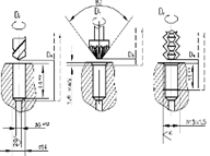
Сверление центровых отверстий А10.
Глубина сверления h = 22.5, диаметр d = 10 мм, d1 = 21.2 мм.
. Выбор режущего инструмента.
Выбираем центровочное сверло комбинированное (ГОСТ14952 - 75) из быстрорежущей
стали Р6М5, типа А. Размеры: d = 10 мм, d1 = 21.2 мм,
L = 103 мм, l = 12.8 мм,
2φ
=
.
. Подача. Рекомендуемая подача 0.01
- 0.07 мм/об. (См. [3] стр.393). Принимаем S = 0.07
мм/об.
. Скорость резания. Рекомендуемая V0 = 32
м/мин. С учетом поправочных коэффициентов принимаем V = 24.75
м/мин.
. Частота вращения
об/мин.
Корректируем по ряду частот шпинделя
станка: n = 400
об/мин. Тогда V = 26.6
м/мин.
. Основное технологическое время.
мин (2.39)
Где L - длина
прохода сверла в направлении подачи, мм;
i -
количество проходов;
SM - минутная
подача;
мм/мин. (2.30)
мин.
. Осевая сила.
Н (2.31)
Где Kp -
поправочный коэффициент на условия резания (См. [4] стр. 271).
Н.
. Крутящий момент.
(2.32)

. Мощность резания.
кВт (2.33)
кВт.
Токарная.
Точить поверхность Ø85. Припуск h = 2.7мм,
длина 155мм. Шероховатость поверхности Ra = 5 мкм.
Припуск снимаем за два прохода: t1 = 1.7мм, t2 = 1.0мм.
. Выбор режущего инструмента.
Выбираем резец токарный проходной упорный (ГОСТ 18879 - 73) с пластинкой из
твердого сплава Т5К10. Размеры: 
,
мм, L = 100мм, l = 12мм,
сечение
мм.
. Определим режимы резания при черновой
обработке поверхности.
Подача. Рекомендуемая подача S0 =
0.46мм/об. С учетом поправочных коэффициентов (См. [5] стр. 236) принимаем S =
0.37мм/об.
Скорость резания. При черновой
обработке - V0 =
192м/мин. Принимаем скорость резания с учетом поправочных коэффициентов (См.
[5] стр. 244) V = 80м/мин.
Частота вращения.
об/мин.
По ряду частот: n = 314
об/мин. Тогда V =
89.2м/мин.
Основное технологическое время.
мин.
Сила резания.
Н (2.34)
Где Кр - обобщенный поправочный
коэффициент на условия резания.
(2.35)
Н
Мощность резания.
кВт.
. Определим режимы резания при
чистовой обработке поверхности.
Подача. Рекомендуемая подача при
чистовой обработке S0 = 0.19мм/об. Принимаем S =
0.15мм/об.
Скорость резания. При чистовой
обработке - V0 =
280м/мин. Принимаем V = 116.5м/мин.
Частота вращения.
об/мин.
По ряду частот: n = 499
об/мин. Тогда V =
136.4м/мин.
Основное технологическое время.
мин.
Сила резания.
Н
Мощность резания.
кВт.
Точить поверхность Ø125 до Ø125.5 под
шлифование. Припуск снимается за один проход t = 3.05мм.
Длина прохода резца L = 134мм.
. Выбор режущего инструмента.
Выбираем резец токарный проходной упорный (ГОСТ 18879 - 73) с пластинкой из
твердого сплава Т5К10. Размеры: 
,
мм, L = 100мм, l = 12мм,
сечение
мм.
.Подача. Рекомендуемая подача S0 =
0.45мм/об. С учетом поправочных коэффициентов принимаем S = 0.37мм/об.
.Скорость резания. Рекомендуемая
скорость резания - V0 = 182м/мин. Принимаем V =
75.75м/мин.
.Частота вращения.
об/мин.
По ряду частот: n = 198
об/мин. Тогда V =
81.86м/мин.
.Основное технологическое время.
мин.
.Сила резания.
Н
.Мощность резания.
кВт.
Точить поверхность Ø155 до Ø155.5 под
шлифование. Припуск снимаем за один проход t = 3.05мм.
. Выбор режущего инструмента. (См.
Точение поверхности Ø125
до
125.5).
.Подача. Рекомендуемая подача S0 =
0.45мм/об. С учетом поправочных коэффициентов принимаем S =
0.38мм/об.
.Скорость резания. Рекомендуемая
скорость резания - V0 = 182м/мин. Принимаем V =
81.5м/мин.
.Частота вращения.
об/мин.
По ряду частот: n = 157.5
об/мин. Тогда V = 80м/мин.
.Основное технологическое время.
мин.
.Сила резания.
Н
.Мощность резания.
кВт.
Точить поверхность Ø170 до Ø170.5 под
шлифование. Припуск снимаем за один проход t = 3.25мм.
. Выбор режущего инструмента. (См.
Точение поверхности Ø125
до
125.5).
.Подача. Рекомендуемая подача S0 =
0.45мм/об. С учетом поправочных коэффициентов принимаем S =
0.38мм/об.
.Скорость резания. Рекомендуемая
скорость резания - V0 = 170м/мин. Принимаем V =
76.1м/мин.
.Частота вращения.
об/мин.
По ряду частот: n = 157.5
об/мин. Тогда V =
87.6м/мин.
.Основное технологическое время.
мин.
.Сила резания.
Н
.Мощность резания.
кВт.
Точить поверхность Ø150 до Ø150.5 под
шлифование. Припуск снимаем за один проход t = 3.05мм.
. Выбор режущего инструмента. (См.
Точение поверхности Ø125
до
125.5).
.Подача. Рекомендуемая подача S0 =
0.45мм/об. С учетом поправочных коэффициентов принимаем S =
0.38мм/об.
.Скорость резания. Рекомендуемая
скорость резания - V0 = 182м/мин. Принимаем V =
81.5м/мин.
.Частота вращения.
об/мин.
По ряду частот: n = 157.5
об/мин. Тогда V =
77.5м/мин.
.Основное технологическое время.
мин.
.Сила резания.
.Мощность резания.
кВт.
Точить поверхность Ø175 окончательно.
Припуск h = 3.2мм,
длина 56мм.
Шероховатость поверхности Ra = 5 мкм.
Припуск снимаем за два прохода: t1 = 2мм, t2 = 1.2мм.
. Выбор режущего инструмента. Выбираем
резец токарный проходной упорный (ГОСТ 18879 - 73) с пластинкой из твердого
сплава Т5К10. Размеры: 
,
мм, L = 100мм, l = 12мм,
сечение
мм.
. Определим режимы резания при
черновой обработке поверхности.
Подача. Рекомендуемая подача S0 =
0.55мм/об. С учетом поправочных коэффициентов принимаем S =
0.47мм/об.
Скорость резания. При черновой
обработке - V0 =
182м/мин. Принимаем V = 81.5м/мин.
Частота вращения.
об/мин.
По ряду частот: n = 157.5
об/мин. Тогда V = 90м/мин.
Основное технологическое время.
мин.
Сила резания.
Н
Мощность резания.
кВт.
. Определим режимы резания при
чистовой обработке поверхности.
Подача. Рекомендуемая подача при
чистовой обработке S0 = 0.19мм/об. Принимаем S =
0.16мм/об.
Скорость резания. При чистовой
обработке - V0 =
250м/мин. Принимаем V = 112м/мин.
Частота вращения.
об/мин.
По ряду частот: n = 157.5
об/мин. Тогда V =
111.6м/мин.
Основное технологическое время.
мин.
Сила резания.
Н
Мощность резания.
кВт.
Точить поверхность Ø180 окончательно.
Припуск h = 3.3мм,
длина 465мм.
Шероховатость поверхности Ra = 5 мкм.
Припуск снимаем за два прохода: t1 = 2мм, t2 = 1.35мм.
. Выбор режущего инструмента.
Выбираем резец токарный проходной упорный (ГОСТ 18879 - 73) с пластинкой из
твердого сплава Т5К10. Размеры: 
,
мм, L = 100мм, l = 12мм,
сечение
мм.
. Определим режимы резания при
черновой обработке поверхности.
Подача. Рекомендуемая подача S0 =
0.55мм/об. С учетом поправочных коэффициентов принимаем S =
0.47мм/об.
Скорость резания. При черновой
обработке - V0 =
171м/мин. Принимаем V = 76.6м/мин.
Частота вращения.
об/мин.
По ряду частот: n = 125
об/мин. Тогда V =
73.2м/мин.
Основное технологическое время.
мин.
Сила резания.
Н
Мощность резания.
кВт.
. Определим режимы резания при
чистовой обработке поверхности.
Подача. Рекомендуемая подача при
чистовой обработке S0 = 0.19мм/об. Принимаем S =
0.16мм/об.
Скорость резания. При чистовой
обработке - V0 =
250м/мин. Принимаем V = 112м/мин.
Частота вращения.
об/мин.
По ряду частот: n = 198
об/мин. Тогда V =
113.5м/мин.
Основное технологическое время.
мин.
Сила резания.
Н
Мощность резания.
кВт.
Точить поверхность Ø210
окончательно. Припуск h = 2.6мм, длина 30мм.
Шероховатость поверхности Ra = 20 мкм.
Припуск снимаем за один проход: t1 = 2.6 мм.
. Выбор режущего инструмента.
Выбираем резец токарный проходной упорный (ГОСТ 18879 - 73) с пластинкой из
твердого сплава Т5К10. Размеры: 
,
мм, L = 100мм, l = 12мм,
сечение
мм.
Подача. Рекомендуемая подача S0 =
0.45мм/об. С учетом поправочных коэффициентов принимаем S = 0.38мм/об.
Скорость резания. При черновой
обработке - V0 =
182м/мин. Принимаем V = 81.5м/мин.
Частота вращения.
об/мин.
По ряду частот: n = 125
об/мин. Тогда V =
84.5м/мин.
Основное технологическое время.
мин.
Сила резания.
Н
Мощность резания.
кВт.
Точить поверхность Ø168 окончательно.
Припуск h = 1мм,
длина 83мм.
Шероховатость поверхности Ra = 20 мкм.
Припуск снимаем за один проход.
. Выбор режущего инструмента.
Выбираем резец токарный проходной прямой (ГОСТ 18869 - 73) с пластинкой из
твердого сплава Т5К10. Размеры: 
,
мм, L = 100мм, l = 12мм,
сечение
мм.
Подача. Рекомендуемая подача S0 =
0.55мм/об. С учетом поправочных коэффициентов принимаем S =
0.47мм/об.
Скорость резания. При черновой
обработке - V0 =
202м/мин. Принимаем V = 90.4м/мин.
Частота вращения.
об/мин.
По ряду частот: n = 157.5
об/мин. Тогда V =
84.1м/мин.
Основное технологическое время.
мин.
Сила резания.
Н
Мощность резания.
кВт.
Точить канавку Ø175/Ø166
окончательно.
Ширина канавки b = 12.9мм, глубина h = 4.5мм.
. Выбор режущего инструмента.
Выбираем токарный канавочный резец с пластинкой из твердого сплава Т15К6.
Подача. Рекомендуемая подача S0 =
0.36мм/об. С учетом поправочных коэффициентов (См. [5] стр. 236) принимаем S = 0.3мм/об.
Скорость резания. При черновой
обработке - V0 =
190м/мин. Принимаем V = 71.25м/мин.
Частота вращения.
об/мин.
По ряду частот: n = 125
об/мин. Тогда V =
68.72м/мин.
Основное технологическое время.
мин.
Сила резания.
Н
Мощность резания.
кВт.
Точить канавку Ø85/Ø79
окончательно.
Ширина канавки b = 10.3мм, глубина h = 3мм.
. Выбор режущего инструмента.
Выбираем токарный канавочный резец с пластинкой из твердого сплава Т15К6.
Подача. Рекомендуемая подача S0 =
0.28мм/об. С учетом поправочных коэффициентов (См. [5] стр. 236) принимаем S =
0.24мм/об.
Скорость резания. При черновой
обработке - V0 =
214м/мин. Принимаем V = 80.25м/мин.
Частота вращения.
об/мин.
По ряду частот: n = 314
об/мин. Тогда V =
83.85м/мин.
Основное технологическое время.
мин.
Сила резания.
Н
Мощность резания.
кВт.
Сверлильная.
Сверлить отверстие Ø57 под
развертывание. Отверстие глухое, глубина сверления 900мм. Сверление
производится на токарно-винторезном станке 16К40П. Движением резания является
вращение заготовки.
. Выбор режущего инструмента. Для
обработки глубокого глухого отверстия выбираем сверло одностороннего резания с
эжекторным отводом стружки (ТУ 2 - 035 - 857 - 81) диаметром d = 57мм,
длиной L = 1070мм, с
пластинками из твердого сплава Т15К6.
. Рекомендуемая подача при диаметре
сверла св. 50мм S0 = 0.66мм/об. Выберем подачу с
учетом поправочных коэффициентов (См. [5] стр. 267). S =
0.15мм/об.
. Скорость резания. Рекомендуемая
скорость резания V0 = 32м/мин. С учетом поправочных
коэффициентов (См. [5] стр. 270) принимаем V =
14.4м/мин.
. Частота вращения.
об/мин.
Корректируем по ряду частот шпинделя
станка: n = 79 об/мин.
Тогда V = 14.4
м/мин.
. Основное технологическое время.
мин.
. Осевая сила.
Н
Где Kp -
поправочный коэффициент на условия резания (См. [4] стр. 271).
Н.
. Крутящий момент.

. Мощность резания.
кВт
кВт.
Зенкеровать отверстие Ø57 до Ø64. Припуск t = 3.5мм,
глубина отверстия h = 150мм.
. Выбор режущего инструмента.
Выбираем зенкер цельный насадной (ГОСТ 3231 - 71) оснащенный пластинками из
твердого сплава Т15К6. Размеры: d = 65мм, d0 = 25мм, L = 50мм, z = 4.
. Рекомендуемая подача S0 = 0.90 -
1.1мм/об. Выберем S = 0.95мм/об.
. Рекомендуемая скорость резания V0 = 64м/мин.
Принимаем V = 64м/мин.
. Частота вращения.
об/мин.
Корректируем по ряду частот шпинделя
станка: n = 314 об/мин.
Тогда V =
64,1м/мин.
. Основное технологическое время.
(2.36)
Где l - глубина
зенкерования, мм;
l - величина
врезания и перебега инструмента, мм.
мин.
. Осевая сила.
Н
Где Kp -
поправочный коэффициент на условия резания (См. [4] стр. 271).
Н.
. Крутящий момент.

. Мощность резания.
кВт
кВт.
Развернуть отверстия Ø58Н12
и 65Н12
. Глубина
резания t = 0.5мм.
Выберем режущий инструмент и
определим режимы резания для обработки отверстия Ø58.
1. Выбираем развертку машинную
насадную (ГОСТ 883 - 71) со вставными ножами из быстрорежущей стали Р9К5.
Размеры, в мм: d = 58, l1 = 2, L = 74, z = 10, φ =
.
. Рекомендуемая подача S0 =
1.4мм/об. Выберем S = 0.7мм/об.
. Рекомендуемая скорость резания V0 = 11м/мин.
Принимаем V = 11м/мин.
. Частота вращения.
об/мин.
Корректируем по ряду частот шпинделя
станка: n = 63
об/мин. Тогда V =
11.5м/мин.
. Основное технологическое время.
мин.
. Крутящий момент.

. Мощность резания.
кВт
кВт.
Выберем режущий инструмент и
определим режимы резания для обработки отверстия Ø65.
1. Выбираем развертку машинную
насадную (ГОСТ 883 - 71) со вставными ножами из быстрорежущей стали Р9К5.
Размеры, в мм: d = 65, l1 = 2, L = 74, z = 10, φ =
.
. Рекомендуемая подача S0 =
1.4мм/об. Выберем S = 0.7мм/об.
. Рекомендуемая скорость резания V0 = 11м/мин.
Принимаем V = 11м/мин.
. Частота вращения.
об/мин.
Корректируем по ряду частот шпинделя
станка: n = 50
об/мин. Тогда V =
10.2м/мин.
. Основное технологическое время.
мин.
. Крутящий момент.

. Мощность резания.
кВт
кВт.
Сверлить четыре отверстия Ø14мм под
резьбу. Глубина h = 45.
. Выбор режущего инструмента.
Выбираем сверло центровальное с цилиндрическим хвостовиком (ОСТ И20 - 5 - 80)
из быстрорежущей стали Р9. Размеры сверла, в мм: d = 14, L = 100, l = 45, 2φ =
.
. Рекомендуемая подача S0 =
0.34мм/об. Выберем подачу с учетом поправочных коэффициентов S = 0.1мм/об.
. Скорость резания. Рекомендуемая
скорость резания V0 = 34м/мин. С учетом поправочных
коэффициентов принимаем V = 20.4м/мин.
. Частота вращения.
об/мин.
. Основное технологическое время.
мин.
. Осевая сила.
Н.
. Крутящий момент.

. Мощность резания.
кВт.
Сверлить два отверстия Ø10мм под
резьбу. Глубина h = 32.
. Выбор режущего инструмента.
Выбираем сверло центровальное с цилиндрическим хвостовиком (ОСТ И20 - 5 - 80)
из быстрорежущей стали Р9. Размеры сверла, в мм: d = 10, L = 80, l = 32, 2φ =
.
. Рекомендуемая подача S0 =
0.25мм/об. Выберем подачу с учетом поправочных коэффициентов S =
0.15мм/об.
. Скорость резания. Рекомендуемая
скорость резания V0 = 37м/мин. С учетом поправочных
коэффициентов принимаем V = 22м/мин.
. Частота вращения.
об/мин.
. Основное технологическое время.
мин.
. Осевая сила.
Н.
. Крутящий момент.

. Мощность резания.
кВт.
Фрезерная.
Фрезеровать сквозной паз с двух
сторон симметрично, предварительно. Глубина прохода инструмента 65мм, длина
96мм ширина 26мм. Припуск снимаем за 10 ходов фрезы. Глубина резания t = 6.5мм.
. Выбор режущего инструмента.
Выбираем фрезу концевую с коническим хвостовиком (ГОСТ 17026 - 71) из
быстрорежущей стали Р9К5. Размеры: d = 26мм, l = 70мм, L = 140мм, z = 5, конус
Морзе - 3.
. S0 =
0.12мм/зуб. Принимаем Sz = 0.032мм/зуб.
. V0 = 64м/мин.
Принимаем V = 43.8м/мин.
.
об/мин.
По ряду частот выбираем n =
509об/мин. Тогда V = 41.6м/мин.
.
мин.
.
Н.
.
кВт.
Фрезеровать сквозной паз с двух
сторон симметрично, окончательно. Глубина прохода инструмента 65мм, длина
95.5мм ширина 26.5мм. Припуск снимаем за 5 ходов фрезы. Глубина резания t = 13мм.
. Выбор режущего инструмента.
Выбираем фрезу концевую с коническим хвостовиком (ГОСТ 17026 - 71) из
быстрорежущей стали Р9К5. Размеры: d = 26.5мм, l = 70мм, L = 140мм, z = 5, конус
Морзе - 3.
. S0 =
0.18мм/зуб. Принимаем Sz = 0.03мм/зуб.
. V0 = 80м/мин.
Принимаем V =
54.7м/мин.
.
об/мин.
По ряду частот выбираем n =
641.3об/мин. Тогда V = 53.4м/мин.
.
мин.
.
Н.
.
кВт.
Фрезеровать шпоночный паз b =
45мм.Глубина фрезерования h = 15мм. Припуск снимаем за 5 ходов
- t = 3мм.
. Выбираем фрезу концевую (ГОСТ
17026 - 71) из быстрорежущей стали Р9К5, конус Морзе - 3, d = 45мм, z = 6.
. S0 =
0.25мм/зуб. Принимаем Sz = 0.08мм/зуб.
. V0 = 66м/мин.
Принимаем V =
34.15м/мин.
.
об/мин.
По ряду частот выбираем n =
254.5об/мин. Тогда V = 36м/мин.
.
мин.
.
Н.
.
кВт.
Фрезеровать два шпоночных паза b =
40мм.Глубина фрезерования h = 13мм. Припуск снимаем за 4 ходов
- t = 3.25мм.
. Выбираем фрезу концевую (ГОСТ
17026 - 71) из быстрорежущей стали Р9К5, конус Морзе - 3, d = 40мм, z = 6.
. S0 =
0.25мм/зуб. Принимаем Sz = 0.08мм/зуб.
. V0 = 66м/мин.
Принимаем V =
34.15м/мин.
.
об/мин.
По ряду частот выбираем n =
254.5об/мин. Тогда V = 32м/мин.
.
мин.
.
Н.
.
кВт.
Нарезание резьбы.
Нарезать резьбу резцом
левую,
длиной l = 135.7мм.
. Выбираем резец токарный резьбовой
для наружной метрической резьбы с шагом P = 4мм (ГОСТ
18876 - 73). Размеры:
мм, L = 125мм.
Оснащенный твердосплавной пластинкой Т15К6.
. Число рабочих ходов - 6. Подача S0 = 0.6 -
0.8мм/об. Принимаем S = 0.6мм/об.
. Скорость резания - V0 =
122м/мин. Принимаем V = 84.2м/мин.
. Частота вращения
об/мин.
По ряду частот выбираем n = 314об/мин.
Тогда V = 84м/мин.
. Основное технологическое время.
мин. (2.37)
Где n1 - частота
вращения шпинделя при обратном ходе, об/мин.
мин.
. Сила резания.
Н (2.38)
Где Р - шаг резьбы, мм.
Н.
. Мощность резания.
кВт.
Нарезать резьбу резцом
, длиной l = 47.6мм.
. Выбираем резец токарный резьбовой
для наружной метрической резьбы с шагом P = 4мм (ГОСТ
18876 - 73). Размеры:
мм, L = 125мм.
Оснащенный твердосплавной пластинкой Т15К6.
. Число рабочих ходов - 8. Подача S0 = 0.6 -
0.8мм/об. Принимаем S = 0.6мм/об.
. Скорость резания - V0 =
114м/мин. Принимаем V = 67м/мин.
. Частота вращения
об/мин.
По ряду частот выбираем n =
125об/мин. Тогда V = 68.72м/мин.
. Основное технологическое время.
мин.
. Сила резания.
Н.
. Мощность резания.
кВт.
Нарезать резьбу в четырех отверстиях
М16, длиной l = 35мм, шаг
Р = 2мм.
. Выбираем метчик машинный из
быстрорежущей стали Р10К5Ф5 с винтовыми канавками (ГОСТ 3266 - 81). Размеры: d = 16мм, P = 2мм, L = 102мм, l = 32мм,
длина заборной части l1 = 6мм.
. Скорость резания - V0 =
14.5м/мин. Принимаем V = 7.97м/мин.
. Частота вращения
об/мин.
По ряду частот выбираем n =
159об/мин. Тогда V = 8м/мин.
. Основное технологическое время.
мин.
. Крутящий момент.
(2.39)
Где Р - шаг резьбы, мм.

.
. Мощность резания
кВт (2.40)
кВт.
Нарезать резьбу в двух отверстиях
М12, длиной l = 26мм, шаг
Р = 1.75мм.
. Выбираем метчик машинный из
быстрорежущей стали Р10К5Ф5 с винтовыми канавками (ГОСТ 3266 - 81). Размеры: d = 12мм, P = 1.75мм, L = 89мм, l = 29мм,
длина заборной части l1 = 5.2мм.
. Скорость резания - V0 =
14.5м/мин. Принимаем V = 7.97м/мин.
. Частота вращения
об/мин.
По ряду частот выбираем n =
212об/мин. Тогда V = 8м/мин.
. Основное технологическое время.
мин.
. Крутящий момент.

.
. Мощность резания
кВт.
Шлифовальная.
Шлифовать поверхности вала Ø125h6
длиной l = 134мм; Ø150k6
длиной l = 134мм; Ø155k6
длиной l = 270мм; Ø170k6
длиной l = 96мм и
длиной l = 132мм.
Припуск на сторону h = 0.25мм.
Выбираем шлифовальный круг типа ПВ -
с выточкой (ГОСТ 2424 - 83). Размеры: D = 200мм; Вк
= 50мм; d = 50мм.
Материал шлифовального круга - электрокорундбелый 25А, связка бакелитовая Б3,
зернистость - 40, твердость - СМ1. Скорость шлифовального круга.
м/с (2.41)
Где Dк - диаметр
круга, мм:
nк - частота
вращения шпинделя шлифовальной бабки (по паспорту станка) об/мин;
м/с.
Окружная скорость заготовки Vз = 15 -
55м/мин. Принимаем Vз = 20м/мин.
Глубина шлифования t = 0.005 -
0.015мм. Принимаем t = 0.015мм.
Продольная подача S = (0.2 -
0.4)Bк. Принимаем
S =
12.5мм/об.
. Определим режимы резания для
обработки поверхности
Ø125мм.
Частота вращения заготовки.
об/мин.
Скорость продольного хода стола
(2.42)
м/мин.
Основное технологическое время.
мин (2.43)
Где L - длина
шлифуемой поверхности;
мм
Кп - число сторон перебега (Кп = 2
при сбеге круга в две стороны; Кп = 1 при сбеге круга в одну сторону);
m - перебег в
долях ширины круга, m = 0.5 Bк мм;
h - припуск
на сторону, мм;
К - коэффициент выхаживания К = 1.2.
мм.
мин.
. Определим режимы резания для
обработки поверхности Ø150мм.
об/мин.
м/мин.
мм.
мин.
. Определим режимы резания для
обработки поверхности Ø155мм.
об/мин.
м/мин.
мм.
мин.
. Определим режимы резания для
обработки поверхности Ø170мм длиной l = 96мм.
об/мин.
мм/мин.
мм.
мин.
. Определим режимы резания для
обработки поверхности Ø170мм длиной l = 132мм.
об/мин.
мм/мин.
мин.
Мощность резания.
кВт (2.44)
где d - диаметр
шлифования, мм.
кВт
Мощность электродвигателя привода
главного движения станка Nд = 25кВт.
Результаты расчетов режимов резания,
сил резания мощности и основного технологического времени по каждой операции
сведем в таблицу 2.11.
Режимы обработки заготовки корпуса
пневмоцилиндра определим в такой же последовательности, как и для обработки
заготовки вала маховика. Методика расчетов режимов резания такая же, как и для
обработки заготовки вала маховика. Режущий инструмент, необходимый для
обработки заготовки корпуса пневмоцилиндра сведем в таблицу 2.12.
Численные значения режимов резания по операциям
сведем в таблицу 2.13.
Таблица 2.12. Ведомость режущего инструмента для
обработки заготовки корпуса пневмоцилиндра.
|
Номер
операции
|
Наименование
операции
|
Наименование,
тип и основные размеры режущего инструмента, в мм
|
1 Токарная Резец
автоматный проходной с пластинкой из твердого сплава Т15К6 (ТУ 2 - 036 - 491 -
76) Размеры:
; L = 140;
;
;
.
Резец
токарный подрезной торцовый с пластинкой из твердого сплава Т15К6(ГОСТ 18880 -
73). Размеры:
; L = 140;
; r = 1.
Резец
токарный проходной упорный (18879 - 73), с пластинкой из твердого сплава Т15К6.
Размеры:
; L = 140;
;
; r = 1.
Резец
токарный расточной для сквозных отверстий (ГОСТ 18882 - 73) с пластинкой из
твердого сплава Т15К6. Размеры:
; L = 200;
;
.
Резец
токарный расточной для глухих отверстий (ГОСТ 18883 - 73) с пластинкой из
твердого сплава Т15К6. Размеры:
; L = 200;
;
.
Резец
канавочный с пластинкой из твердого сплава Т15К6 (ГОСТ 25412 - 82). Размеры:
; L = 100; l = 20;
;
.
|
Резец
токарный подрезной торцовый, для обработки на проход (ГОСТ 18871 - 73) с
пластинкой из твердого сплава Т15К6. Размеры: ; L = 120; ; r = 1.
|
2 Фрезерная Фреза
концевая с коническим хвостовиком (ГОСТ 17026 - 71) из быстрорежущей стали
Р9К5. Размеры: d = 36; l = 70; L = 200; z = 5; конус
Морзе - 3;
.
3 Сверлильная Сверло
спиральное с коническим хвостовиком (ГОСТ 10903 - 77) из быстрорежущей стали
Р9К5. Размеры: d = 30; l = 175; конус
Морзе - 3; 2φ =
.
Сверло
спиральное с коническим хвостовиком (ГОСТ 10903 - 77) из быстрорежущей стали
Р9К5. Размеры: d = 14; l = 108; L = 189; конус
Морзе - 1; 2φ =
.
Сверло
для обработки глубоких отверстий с внутренним подводом СОЖ (ТУ 2 - 035 - 655 -
79). Рабочая часть сверла выполнена из твердого сплава ВК8. Размеры: d = 5; l = 150; L = 500.
Сверло
для обработки глубоких отверстий с внутренним подводом СОЖ (ТУ 2 - 035 - 655 -
79). Рабочая часть сверла выполнена из твердого сплава ВК8. Размеры: d = 6; l = 150; L = 500.
Сверло
спиральное с коническим хвостовиком (ГОСТ 10903 - 77) из быстрорежущей стали
Р9К5. Размеры: d = 9; l = 60; L = 140; конус
Морзе - 1; 2φ =
.
Сверло
спиральное с коническим хвостовиком (ГОСТ 10903 - 77) из быстрорежущей стали
Р9К5. Размеры: d = 22; l = 150; L = 248; конус
Морзе - 2; 2φ =
.
Сверло
спиральное с коническим хвостовиком (ГОСТ 10903 - 77) из быстрорежущей стали
Р9К5. Размеры: d = 32; l = 185; L = 334; конус
Морзе - 4; 2φ =
.
Сверло
спиральное с коническим хвостовиком (ГОСТ 10903 - 77) из быстрорежущей стали
Р9К5. Размеры: d = 18; l = 130; L = 228; конус
Морзе - 2; 2φ =
.
Зенковка
цилиндрическая с направляющей цапфой под сквозное отверстие (ГОСТ 11284 - 75)
из быстрорежущей стали Р9К5. Размеры: d = 45; dц = 16; l = 50; L = 110; z = 4.
|
Зенковка
центровочная (ГОСТ 14953 - 69) из быстрорежущей стали Р9К5. Размеры: d = 40; d0 = 6; l = 40; L = 190; z = 4; 2φ = .
|
4 Резьбонарезная Метчик
машинный для нарезания трубной цилиндрической резьбы (ГОСТ 19879 - 74)
оснащенный твердосплавными пластинками Т15К6. Размеры: d = 33.249; d1 = 40; l = 40; z = 6; длина
заборной части l1 = 9; φ =
; число шагов
- 11.
Метчик
машинный для метрической резьбы с мелким шагом (ГОСТ 9522 - 60) из
быстрорежущей стали Р18. Размеры: d = 16; d1 = 9; l = 25; длина
заборной части l1 = 6; шаг
резьбы Р = 1.5.
Метчик
для метрической резьбы с мелким шагом (ГОСТ 9522 - 60) из быстрорежущей стали
Р18. Размеры: d = 10; d1 = 6; l = 20; длина
заборной части l1 = 2.2; шаг
резьбы Р = 1.
|
Метчик
для метрической резьбы (ГОСТ 3266 - 81) из быстрорежущей стали Р18. Размеры: d = 20; l = 40;
длина заборной части l1 = 7.2; шаг резьбы Р = 2.5.
|
2.8 НОРМИРОВАНИЕ ОПЕРАЦИЙ ТЕХНОЛОГИЧЕСКОГО
ПРОЦЕССА
Нормирование операций технологического процесса
осуществляется на каждую станочную операцию методом технического расчета по
нормативам.
Техническая норма времени независимо от типа
станка и метода обработки
мин (2.45)
Где Тш.к. - норма
штучно-калькуляционного времени, мин;
Тшт - норма штучного времени, мин;
ТПЗ - норма
подготовительно-заключительного времени, мин;
n - размер
партии деталей, шт.
Для серийного производства
оптимальное количество деталей в партии для одновременного запуска в
производство
шт (2.46)
Где N - годовая
программа выпуска деталей, шт;
f - число
дней, на которое необходимо иметь запас деталей на складе: для крупных - 2…3
дня; для мелких - 5…10 дней;
Ф - число рабочих дней в году, Ф =
253 дня.
Норма штучного времени
мин (2.47)
Где То - основное технологическое
время, мин;
Тв - вспомогательное время, мин;
Ттех - время технического
обслуживания, мин;
Торг - время организационного
обслуживания рабочего места, мин;
Тнп - время перерыва, мин.
Основное время определяется расчетом
для каждого технологического перехода в зависимости от режима резания.
Вспомогательное время
устанавливается для каждого технологического перехода по нормативам.
Оперативное время операции
(2.48)
Время технического обслуживания
можно принимать до 6%, организационного обслуживания - до 8%, времени перерыва
- до 2.5% от оперативного времени.
Для каждой операции определяется
количество станков:
(2.49)
Где tв - такт
выпуска деталей, мин.
Расчетное количество станков
округляется до ближайшего целого числа.
Определим нормы времени по операциям
технологического процесса обработки вала маховика.
Фрезерно-центровальная.
Основное технологическое время - То
= 3.9мин.
Вспомогательное время:
на установку и снятие детали -
7.5мин;
связанное с переходом: фрезерование
торцов вала - 0.16мин;
сверление центровых отверстий -
0.12мин;
на контрольные измерения - 0.13мин;
включить и выключить вращение
шпинделя - 0.06мин;
установить и снять инструмент -
0.44мин.
Вспомогательное время на операцию:
мин.
Оперативное время операции
мин.
Время технического обслуживания -
Ттех = 0.74мин;
Время организационного обслуживания
- Торг = 1мин;
Время перерыва - Тнп = 0.3мин.
Штучное время
мин.
Количество деталей в партии
деталей.
Такт выпуска деталей - 152.25мин.
Норма
подготовительно-заключительного времени:
на наладку станка - 29мин;
при установке зажимного
приспособления - 5мин;
на операцию - ТПЗ = 34мин.
Норма штучно-калькуляционного
времени
мин.
Количество станков
Принимаем М = 1 станок.
Токарная.
Основное технологическое время - То
= 146.13мин.
Вспомогательное время:
на установку и снятие детали - 6мин;
связанное с переходом:
продольное точение резцом
установленным на размер:
до Ø100мм - 0.09мин;
св. Ø100мм - 0.8мин;
продольным точением резцом со
взятием пробных стружек по 8…9 квалитету:
до Ø100мм - 0.5мин;
до Ø300мм - 5.2мин;
проточка канавок с измерением длины
расположения размера - 0.42мин;
нарезание резьбы резцом:
черновой рабочий ход - 1.17мин;
чистовой рабочий ход:
до Ø100мм -
2.72мин;
св. Ø100мм -
0.49мин;
сверление, зенкерование,
развертывание - 0.55мин;
Изменить частоту вращения шпинделя -
1.26мин.
Изменить величину или направление
подачи - 0.9мин.
Установить и снять инструмент:
резец проходной, подрезной - 0.4мин;
резец резьбовой, отрезной - 1.2мин;
сверло, зенкер, развертка - 0.4мин.
Включить гайку ходового винта
вначале и выключить по окончании нарезания резьбы - 0.08мин.
Переместить каретку суппорта в
продольном направлении на длину свыше 200мм до 500мм - 0.075мин.
Вспомогательное время на операцию -
22.3мин.
Оперативное время операции
мин.
Время технического обслуживания -
Ттех = 10.1мин;
Время организационного обслуживания
- Торг = 13.5мин;
Время перерыва - Тнп = 4.2мин.
Штучное время
мин.
Норма
подготовительно-заключительного времени:
на наладку станка - 18мин;
при обработке с люнетом - 5мин;
на операцию - ТПЗ = 23мин.
Норма штучно-калькуляционного
времени
мин.
Количество станков
Принимаем М = 1 станок.
Сверлильная.
Основное технологическое время - То
= 0.6мин.
Вспомогательное время:
на установку и снятие детали -
10.3мин;
на совмещение оси шпинделя с осью
обрабатываемого отверстия - 6.2мин;
связанное с переходом - 0.96мин;
изменить частоту вращения - 0.24мин;
изменить величину подачи - 0.18мин;
на измерение - 0.15мин.
Вспомогательное время на операцию -
18.03мин.
Оперативное время операции
мин.
Время технического обслуживания -
Ттех = 1.12мин;
Время организационного обслуживания
- Торг = 1.5мин;
Время перерыва - Тнп = 0.5мин.
Штучное время
мин.
Норма
подготовительно-заключительного времени:
на наладку станка - 22мин;
при установке зажимного приспособления
- 3мин;
на операцию - ТПЗ = 25мин.
Норма штучно-калькуляционного
времени
мин.
Количество станков
Принимаем М = 1 станок.
Фрезерная.
Основное технологическое время - То
= 59.54мин.
Вспомогательное время:
на установку и снятие детали - 9мин;
связанное с переходом - 2мин;
на изменение числа оборотов шпинделя
- 0.36мин;
на изменение подачи - 0.32мин;
перемещение стола св. 500 до 1000мм
- 0.13мин;
перемещение шпиндельной головки -
0.17мин.
Вспомогательное время на операцию -
12мин
Оперативное время операции
мин.
Время технического обслуживания -
Ттех = 4.3мин;
Время организационного обслуживания
- Торг = 5.7мин;
Время перерыва - Тнп = 1.8мин.
Штучное время
мин.
Норма
подготовительно-заключительного времени:
на наладку станка - 29мин;
при установке зажимного
приспособления - 5мин;
на операцию - ТПЗ = 34мин.
Норма штучно-калькуляционного
времени
мин.
Количество станков
Принимаем М = 1 станок.
Резьбонарезная.
Основное технологическое время - То
= 23.62мин.
Вспомогательное время:
на установку и снятие детали -
10.3мин;
на совмещение оси шпинделя с осью
обрабатываемого отверстия - 6.2мин;
связанное с переходом - 0.96мин;
изменить частоту вращения - 0.24мин;
изменить величину подачи - 0.18мин;
Вспомогательное время на операцию -
17.88мин.
Оперативное время операции
мин.
Время технического обслуживания - Ттех
= 2.49мин;
Время организационного обслуживания
- Торг = 3.32мин;
Время перерыва - Тнп = 1.04мин.
Штучное время
мин.
Норма
подготовительно-заключительного времени:
на наладку станка - 22мин;
при установке зажимного
приспособления - 3мин;
на операцию - ТПЗ = 25мин.
Норма штучно-калькуляционного
времени
мин.
Количество станков
Принимаем М = 1 станок.
Шлифовальная.
Основное технологическое время - То
= 68.72мин.
Вспомогательное время:
на установку и снятие детали -
6.9мин.
Вспомогательное время на операцию -
6.9мин.
Оперативное время операции
мин.
Время технического обслуживания -
Ттех = 4.54мин;
Время организационного обслуживания
- Торг = 6.05мин;
Время перерыва - Тнп = 1.9мин.
Штучное время
мин.
Норма
подготовительно-заключительного времени:
на наладку станка - 12мин;
при обработке с люнетом - 3мин;
при установке шлифовального круга -
8мин.
на операцию - ТПЗ = 23мин.
Норма штучно-калькуляционного
времени
мин.
Количество станков
Принимаем М = 1 станок.
Определим нормы времени по операциям
технологического процесса обработки корпуса пневмоцилиндра.
Токарная.
Основное технологическое время - То
= 20.87мин.
Вспомогательное время:
на продольное и поперечное
растачивание с предварительным промером - 12.35мин;
со взятием пробных стружек - 2.4мин;
изменить частоту вращения планшайбы
- 1.52мин;
сменить инструмент:
резец расточной - 4.8мин;
резец прорезной - 1мин;
время на установку и снятие детали -
4.1мин.
Вспомогательное время на операцию -
23.77мин.
Оперативное время операции
мин.
Время технического обслуживания -
Ттех = 2.68мин;
Время организационного обслуживания
- Торг = 3.57мин;
Время перерыва - Тнп = 1.12мин.
Штучное время
мин.
Норма
подготовительно-заключительного времени:
на наладку станка - 27мин;
Количество деталей в партии
деталей.
Такт выпуска деталей - 121.8мин.
Норма штучно-калькуляционного
времени
мин.
Количество станков
Принимаем М = 1 станок.
Фрезерная.
Основное технологическое время - То
= 13.3мин.
Вспомогательное время:
на установку и снятие детали -
7.5мин;
связанное с переходом - 0.42мин;
на изменение числа оборотов шпинделя
- 0.18мин;
на изменение подачи - 0.16мин;
Вспомогательное время на операцию -
8.26мин
Оперативное время операции
мин.
Время технического обслуживания -
Ттех = 1.3мин;
Время организационного обслуживания
- Торг = 1.7мин;
Время перерыва - Тнп = 0.54мин.
Штучное время
мин.
Норма
подготовительно-заключительного времени:
на наладку станка - 19мин;
при установке зажимного
приспособления - 2мин;
на операцию - ТПЗ = 21мин.
Норма штучно-калькуляционного
времени
мин.
Количество станков
Принимаем М = 1 станок.
Сверлильная.
Основное технологическое время - То
= 31.38мин.
Вспомогательное время:
на установку и снятие детали -
7.5мин;
связанное с переходом - 2.16мин;
изменить частоту вращения шпинделя -
1.44мин;
изменить величину подачи - 1.44мин;
установить и снять инструмент -
2.16.
Вспомогательное время на операцию -
14.7мин.
Оперативное время операции
мин.
Время технического обслуживания -
Ттех = 2.8мин;
Время организационного обслуживания
- Торг = 3.7мин;
Время перерыва - Тнп = 1.15мин.
Штучное время
мин.
Норма
подготовительно-заключительного времени:
на наладку станка - 12мин;
при установке зажимного
приспособления - 3мин;
на операцию - ТПЗ = 15мин.
Норма штучно-калькуляционного
времени
мин.
Количество станков
Принимаем М = 1 станок.
Резьбонарезная.
Основное технологическое время - То
= 25.4мин.
Вспомогательное время:
на установку и снятие детали -
7.5мин;
связанное с переходом - 0.18мин;
изменить частоту вращения - 0.48мин;
изменить величину подачи - 0.72мин;
Вспомогательное время на операцию -
8.9мин.
Оперативное время операции
мин.
Время технического обслуживания -
Ттех = 2.06мин;
Время организационного обслуживания
- Торг = 2.7мин;
Время перерыва - Тнп = 0.86мин.
Штучное время
мин.
Норма подготовительно-заключительного
времени:
на наладку станка - 12мин;
при установке зажимного
приспособления - 3мин;
на операцию - ТПЗ = 15мин.
Норма штучно-калькуляционного
времени
Количество станков
Принимаем М = 1 станок.
2.9 ПРОЕКТИРОВАНИЕ СХЕМ НАЛАДОК
Схемы наладок разрабатываются для
всех станочных операций и изображаются на листах формата А - 1 в графической
части. Предварительно эскизы схем наладок чертятся на листах формата А - 4. На
эскизах изображается заготовка в произвольном масштабе. Указываются
технологические размеры с граничными отклонениями, связанные с технологическими
базами, шероховатость поверхностей, режущие инструменты в конце рабочего хода,
опоры и зажимы приспособления, направление движения инструмента. На листах
графической части, кроме перечисленного приводят режимы обработки для всех
инструментов.
В пояснительной записке представлены
эскизы схем наладок обработки вала маховика и корпуса пневмоцилиндра.












3. КОНСТРУКТОРСКИЙ РАЗДЕЛ
.1 ПРОЕКТИРОВАНИЕ СТАНОЧНОГО ПРИСПОСОБЛЕНИЯ
.1.1 РАСЧЕТ СИЛ ЗАКРЕПЛЕНИЯ
Приспособление проектируется для фрезерной
операции механической обработки корпуса пневмоцилиндра.
Исходными данными для проектирования станочного
приспособления являются:
рабочий чертеж заготовки и готовой детали;
технологический процесс на предшествующую и
выполняемую операции с технологическими эскизами;
годовой объем выпуска деталей;
альбом типовых конструкций приспособлений;
паспортные данные станка.
Для расчета сил закрепления в наиболее общем
случае необходимо знать условия проектируемой обработки - величину, направление
и место приложения сил, сдвигающих заготовку, а также схему ее установки и
закрепления. Расчет сил закрепления может быть сведен к задаче статики на
равновесие заготовки под воздействием приложенных к ней внешних сил. Сила
закрепления должна быть достаточной для предупреждения смещения установленной в
приспособлении заготовки. В процессе фрезерования поверхности на заготовку
действует сила резания Рz
которая смещает заготовку. Определим силу закрепления Q
по формуле:
(3.1)
Где Рz - сила
резания;
К - коэффициент запаса прочности;
(3.2)
Где К0 - коэффициент учитывающий
внезапные факторы;
К1 - учитывающий неровности
поверхностей;
К2 - увеличение сил резания от
затупления режущего инструмента;
К3 - увеличение силы резания при
прерывистом фрезеровании;
К4 - учитывающий тип устройства;
К5 - удобное положение рукоятки;
К6 - наличие моментов стремящихся
повернуть заготовку.
f1 -
коэффициент трения между поверхностью заготовки и рычага;
f2 -
коэффициент трения между поверхностью заготовки и опорами.
Для определения усилия N
на штоке гидроцилиндра (рисунок 3.1) рассмотрим рычаг, закрепляющий заготовку,
как статически определимую систему сходящихся сил и находящуюся в равновесии.
Определим внешние силы и опорные реакции методом построения силового
многоугольника (рисунок 3.2).
Исходными данными является сила
зажима Q, которая
возникает от прижатия двух рычагов к заготовке, угол трения φ =
,
коэффициент масштаба
.
По построенному многоугольнику сил
определили: Q/2 = 18.2
кН, R1 = 18.5кН, R2 = 12.5 кН,
F1 = 3.5 кН, F2 = 2.4кН, N = 12.3кН, S = 22.3кН.
.1.2 РАСЧЕТ ТОЧНОСТИ СТАНОЧНОГО ПРИСПОСОБЛЕНИЯ
Проектируемое станочное приспособление должно
обеспечивать требуемый уровень точности, что соответствует выполнению условия:
(3.3)
Где ε - действительная
величина погрешности;
[ε] - допустимая
величина погрешности.
Допустимая величина погрешности
зависит от принятой схемы базирования, величина допуска на размер и
погрешностей механической обработки.
(3.4)
где IT - допуск на
выполняемый размер, мкм;
Ky -
коэффициент ужесточения точности обработки: Ky = 0.6;
W - средне
экономическая точность обработки.
мкм.
Действительная погрешность
приспособления включает три составляющие:
(3.5)
Где
- погрешность базирования;
- погрешность закрепления;
- погрешность положения.
Погрешность базирования
= 0 потому
что установочная база совмещается с конструкторской базой.
Погрешность закрепления определяется
по формуле
Где KRz -
коэффициент учитывающий шероховатость поверхности;
KHB -
коэффициент учитывающий твердость поверхности;
С - коэффициент характеризующий
условия контакта;
Q - сила
действующая на опору, Н;
F - площадь
контакта опоры с заготовкой, см2.
мкм.
Погрешность положения
(3.6)
Где
- погрешность из-за неточности
изготовления и сборки деталей СП;
- погрешность из-за неточности
установки на столе станка;
- погрешность из-за износа
поверхностей установочных элементов.
(3.7)
Где β - коэффициент
определяющий влияние условий обработки на величину износа;
N - годовая
программа выпуска деталей;
α - угол между направлением
выполняемого размера и направлением, перпендикулярным поверхности установочного
элемента в зоне контакта.
мкм.
Погрешность из-за неточности
установки на столе станка равна
= 100 мкм.
Тогда погрешность положения равна
мкм.
Действительная погрешность равна
мкм.
Условие
выполняется.
.1.3 ВЫБОР ГИДРОЦИЛИНДРА И СБОРОЧНЫХ
ЭЛЕМЕНТОВ ПРИСПОСОБЛЕНИЯ
Усилие зажима заготовки в
приспособлении передается от гидроцилиндра двустороннего действия через
рычажную систему.
Зная усилие на штоке, N = 12.3 кН,
определим диаметр поршня в гидроцилиндре:
(3.8)
Где р = 2.5 МПа - давление масла на
поршень;
η = 0.85 - КПД
гидроцилиндра.
мм.
Из стандартного ряда выбираем D = 80мм. По
известному номинальному диаметру поршня выбираем гидроцилиндр двустороннего
действия (См [3] Т3 стр. 583):
Номинальный диаметр, мм 80
Диаметр штока, мм 36
Ход поршня, мм 16
Усилие теоретическое, Н:
толкающее 50240
тянущее 40070
Масса, кг 5.8
Обозначение гидроцилиндра: 7021 -
0274 ГОСТ 19900 - 74.
В качестве уплотнения для крышки и
поршня гидроцилиндра применяем два уплотнительных кольца 080 - 085 - 30 ГОСТ
9833 - 81 сечением Ø3
мм.
В качестве уплотнения штока
применяем: уплотнительное кольцо 036 - 040 - 25 ГОСТ 9833 - 81 сечением Ø3 мм.
Выбираем сальниковое кольцо из
грубошерстного войлока изготовляемого по ГОСТ 6418 - 67; внутренний диаметр
кольца - 35мм; наружный диаметр - 48мм; ширина - 5.0мм.
Выбираем болты откидные: 7002 - 0607
ГОСТ 14274 - 69.
Выбираем рычаги угловые: 7018 - 0438
ГОСТ 12472 - 67.
Выбираем оси:
Ось 6 -
. 40X. Ц15 ГОСТ
9650 - 80;
Ось 6 -
. 40X. Ц15 ГОСТ
9650 - 80;
Выбираем опоры сферические 7034 -
0328 ГОСТ 13441 - 68.
3.2 ПРОЕКТИРОВАНИЕ РЕЖУЩЕГО
ИНСТРУМЕНТА
Для проектирования режущего
инструмента исходными данными являются операция в которой участвует режущий
инструмент, режимы резания механической обработки.
Проектируемый режущий инструмент -
фреза торцовая сборная насадная.
Предварительно задаемся длиной фрезы
L=45мм, и
соответственно ее диаметром D=250мм, числом зубьев z=26.
Скорость резания V=15.7 м/мин;
подача S=124.8
мм/мин; глубина резания t=3.7мм, сила резания Pz = 18950Н;
Т0 = 1.5мин.
Определим диаметр отверстия под
оправку
(3.9)
Где Мсум - суммарный момент при
изгибе и скручивании оправки,
;
σи.д. - допустимое напряжение
на изгиб оправки для конструкционных сталей, σи.д. =
250МПа.
Суммарный момент определим по
формуле
(3.10)
Где Р - равнодействующая сил Pz и Py;
l - длина
посадочного участка оправки, l = 40мм.
; (3.11)
Н.

.
м
Принимаем ближайший диаметр
отверстия фрезы по ГОСТ 9472 - 83:
.
Устанавливаем окончательно наружный
диаметр фрезы: D = 3d =
мм. Так как
диаметр торцовой фрезы зависит и от ширины фрезерования то по СТ СЭВ 201 - 75
выбираем D = 250мм.
Длину фрезы L = 45мм.
Окончательное число зубьев фрезы
(3.12)
Где m -
коэффициент зависящий от типа фрезы, m = 1.2.
Принимаем четное число зубьев z = 20.
Определяем шаг зубьев фрезы:
окружной торцовый шаг
(3.13)
Проверим полученные величины z и Sос на
условие равномерного фрезерования:
(3.14)
где В - ширина фрезерования, В =
156.6 мм.
Полученная величина должна быть
целым числом или величиной близкой к нему.
Условие равномерного фрезерования
обеспечено.
Отверстие фрезы и шпоночный паз
выполняем по ГОСТ 9472 - 83.
Определим геометрические параметры
рабочей части фрезы: главный задний угол α =
; передний угол γ =
; ширина
ленточки f = 1.5 мм.
Выбираем материал фрезы: корпуса -
сталь 40Х; ножей - твердый сплав Т5К10; клиньев - сталь У8А.
Назначаем твердость деталей фрезы
после термической обработки: корпуса 32 - 42 HRCэ; режущей
части ножей - не менее 88.5 HRA; клиньев 41 - 52 HRCэ.
Допуск на основные элементы фрезы и
другие технические требования принимаем по ГОСТ 8721 - 69. Предельные
отклонения размеров рифлений - по ГОСТ 2568 - 71.
Рабочий чертеж фрезы с указанием
основных технологических требований выполнен в графической части диплома.
Методику расчетов смотрите [7] стр. 243.
4. СПЕЦИАЛЬНЫЙ РАЗДЕЛ
.1 ИССЛЕДОВАНИЕ ТЕМПЕРАТУРЫ В ЗОНЕ
РЕЗАНИЯ ПРИ ТОЧЕНИИ НА ТОКАРНОМ СТАНКЕ
Один из главнейших факторов, определяющих
процесс резания, - теплота, образующаяся в результате работы резания. Законы
теплообразования объясняют ряд явлений, связанных с нагрузкой резца, его
стойкостью, качеством обработанной поверхности. Чтобы правильно использовать
режущий инструмент, необходимо знать эти законы.
Теплота Q
в процессе резания образуется в результате:
1) внутреннего
трения между частицами обрабатываемого металла в процессе деформации Qдеф;
2) внешнего
трения стружки о переднюю поверхность резца Qп.т.
3) внешнего
трения поверхности резания и обработанной поверхности о задние поверхности
резца Qз.тр.;
4) отрыва
стружки, диспергирования Qдисп
(образования новых поверхностей)
(4.1)
Предполагая, что механическая работа
резания полностью переходит в теплоту, получим
ккал/мин, (4.2)
где Q-
количество теплоты в ккал/мин; R
- работа резания в кгс м/мин (R
= Рzv);
Е - механический эквивалент теплоты (Е = 427 кгс
м/ккал).
В действительности в теплоту обращается не вся
работа резания: небольшая часть ее переходит в потенциальную энергию искаженной
кристаллической решетки. Поэтому более правильно формулу выразить так:
(4.3)
где
- коэффициент, учитывающий указанные
потери, незначительные по величине. В обычных расчетах этой потерей
пренебрегают.
Для успешного воздействия на процесс
резания важно знать не только количество теплоты, но и распределение ее, т. е.
степень концентрации теплоты в различных участках изделия, стружки и резца.
Если бы вся образующаяся теплота быстро и равномерно распределялась по всему
объему изделия и инструмента, она быстро отводилась бы в пространство, не
причиняя им вреда. В действительности процесс протекает иначе: большое
количество теплоты концентрируется в определенных зонах, сильно повышая их
температуру. Здесь неизбежны потеря резцом твердости и затупление его и даже
возможно изменение структуры тончайшего слоя обработанной поверхности, если не
будут приняты соответствующие меры.
Некоторые исследователи (А. Я.
Малкин) полагают, что регулированием потока теплоты можно воздействовать на
процесс резания в благоприятную сторону и тем облегчить работу инструмента и
повысить качество обработанной поверхности.
На основе теоретического и
экспериментального исследований процесса теплообразования можно выявить законы
изменения температуры резания (на поверхности контакта стружки с передней
гранью резца), а также температуры режущего инструмента и обрабатываемой детали
в зависимости от различных факторов.
Надо полагать, что в процессе
образования сливной стружки теплота концентрируется в трех основных зонах
(рис.1): в зоне сдвига элементов стружки АМ, где происходит пластическая
деформация; на площади контакта стружки по передней поверхности инструмента АО;
на площади контакта задней грани инструмента с обрабатываемой деталью.
Работой диспергирования обычно
пренебрегают.
Каждый источник теплоты имеет свою
сферу непосредственного воздействия (рис. 1)
Следовательно, наиболее высокая
температура - температура резания - должна наблюдаться в стружке в зоне
контакта ее с передней поверхностью инструмента, так как здесь концентрируется
наибольшее количество теплоты,
Рисунок 1. Зоны теплоты.
образующейся в результате деформации
стружки и трения ее по передней поверхности резца. Например, наибольшее
количество теплоты, образующейся вследствие деформации (на поверхности АМ),
остается в стружке и частично поглощается обрабатываемой деталью. Теплота
трения стружки (на поверхности АО) остается в основном в стружке и частично
(3-5%) направляется в инструмент. Теплота трения по задним граням инструмента
(поверхность АР) направляется в деталь и резец. При обработке металлов с низкой
теплопроводностью, например жаропрочных и титановых сплавов, в резец отводится
до 20-40% всей теплоты.
Потери теплоты от конвекции и
радиации в процессе резания ничтожно малы; невелико количество теплоты, уходящей
в деталь, так как стружка весьма быстро формируется в зоне резания и столь же
быстро проходит зону контакта с резцом. Однако теплота, поглощаемая изделием из
жаропрочных сталей и сплавов, резко возрастает и при малых скоростях может
достичь 35-45% всей теплоты резания.
Пренебрегая работой трения по задним
граням инструмента (которая мала при достаточно острой режущей кромке и большом
заднем угле), можно полагать, что подавляющее количество теплоты должно
сосредоточиваться в стружке. Опыты Н. Н. Савина, Я. Г. Усачева, С. С. Можаева и
др., определявших количество теплоты в стружке калориметрическим методом,
показали, что в зависимости от скорости резания, глубины резания и подачи при
обработке конструкционной стали в стружке содержалось 60-80% всей теплоты
резания, а при скоростных режимах резания свыше 90%.
На рис. 2, а показана схема сил,
действующих в зоне резания. Считая, что вся работа резания в единицу времени
, работа
трения стружки по передней поверхности
- усадка стружки), получим работу
деформации стружки
(4.4)
Но
(пренебрегаем силой трения по
задней поверхности резца) и, следовательно, работа деформации стружки
, (4.5)
где
.
Повышение температуры стружки
благодаря ее деформации составит в среднем
(4.6)
где
- средняя температура стружки,
когда последняя покидает зону деформации, в °С;
- температура окружающей среды в °С;
-
коэффициент, учитывающий потерю теплоты
на скрытую энергию деформации (принимаем
= 0,95);
-
коэффициент, учитывающий переход части тепла в изделие (по Вейнеру
= 0,1 при v = 100
м/мин,
= 0,05 при =
300 м/мин); Е - механический эквивалент теплоты (Е = 427 *10 -3 кгс м/ккал);
с - теплоемкость нагретой стружки в
ккал/кгс град; d - плотность стружки (7,8 *10-6
кгс/мм3);
b - ширина
среза в мм; а - толщина среза в мм.

Рис. 2. Схема сил, действующих в
процессе резания (а) и схема контакта стружки и резца (б)
Принимая
- р кгс/мм2
(удельная сила резания) и пренебрегая значением
, получим
(4.7)
Покидая зону деформации, нагретая до
температуры
стружка
трется по передней поверхности резца со скоростью
на площади
контакта шириной b и длиной l (рис. 2,
б).
Теплота работы силы трения по
передней грани в единицу времени
(4.8)
Чтобы определить температуру на
передней поверхности резца, полученную в результате трения стружки, будем
рассматривать резец как твердый стержень с поперечным сечением, равным bl,на одной
стороне которого поддерживается постоянная температура
. Для
решения поставленной задачи используется уравнение теплопроводности
, (4.9)
где
- температуропроводность;
-
теплопроводность резца; с' - теплоемкость резца; d'-
плотность;
- время, в
течение которого стружка проходит площадь контакта длиной l;
. (4.10)
Решая уравнение по М. П. Левицкому,
при начальных и граничных условиях
при x = 0,
при
, получим
уравнение
, (4.11)
где
- температура, возникающая от теплоты
трения в данной точке и в данный момент времени
;
- глубина, на которую проникает
теплота трения за время
.
Минуя промежуточные вычисления и
пренебрегая температурой внешней среды, получим
. (4.12)
Суммируя температуры деформации
стружки и трения ее по передней поверхности инструмента, получим температуру
резания, т. е. среднюю температуру на площади контакта стружки и инструмента,
.(4.13)
Формула показывает закономерность изменения
температуры резания в зависимости от разных факторов. На основе ее построены
графики изменения составляющих температуры резания в зависимости от скорости
резания для минералокерамического (рис.3, а) и для твердосплавного резца (рис.
3, б). Как видим, с увеличением скорости резания уменьшается температура
деформации, но возрастает температура трения. В результате температура резания
повышается, но в значительно меньшей степени, чем сама скорость.
Вместе с тем при одних и тех же
условиях температура резания получается более высокой при работе
минералокерамическим резцом (рис. 3, а) сравнительно с твердосплавным (рис. 3,
б), что подтверждается практикой.
Надо ожидать, что температура
резания в действительности должна быть более высокой, чем это получается
расчетом по теоретической формуле, так как здесь не учтена теплота трения по
задней поверхности резца. Последняя будет все более проявляться с увеличением
скорости резания по мере затупления резца; при этом особенно заметно будет
повышаться температура обрабатываемой детали.
Обрабатываемая деталь нагревается в
основном теплотой деформации. Очевидно температура детали должна уменьшаться с
увеличением скорости резания, поскольку при этом уменьшается
(рис. 3).
Подобный вывод подтверждается на практике при работе острым резцом в нормальных
условиях. Однако по мере
затупления
резца и значительного уменьшения
100 200 500 300 100 200
Скорость резания v,
м/минСкорость резания v, м/мин
Рис. 3. Изменение составляющих
температур резания при обработке стали: а - для минералокерамического резца; б
- для твердосплавного резца; сталь ОХН4М; t = 2 мм; s = 0,14
мм/об;
= 10°
заднего угла
и угла в
плане
положение
меняется. В этом случае с увеличением силы трения заметно растут работа и
теплота трения по задней поверхности резца, и поэтому температура детали
повышается с увеличением скорости резания v. На рис. 4
показано изменение температуры детали при фрезеровании резьбы вращающимся
резцом (вихревое нарезание). Замечаем неизменное повышение температуры детали
по мере затупления резца. Вместе с тем температура обрабатываемой детали
уменьшается с увеличением подачи s. Это вполне закономерно, так как с
увеличением s сила трения
на задней поверхности резца остается почти неизменной, но при определенной
длине детали сокращается относительный путь резца (время обработки) и,
следовательно, уменьшается работа силы резания.
Сложнее обстоит дело с температурным
полем резца. Можно было бы предполагать, что наибольшая температура должна быть
вблизи режущей кромки, так как здесь располагаются основные источники теплоты
На рис. 5
схематично представлено температурное поле стружки и резца, составленное Н. И.
Резниковым по опытным данным других исследователей. Линии постоянных температур
т ... т (изотермы) в стружке расположены параллельно поверхности сдвига
(ориентировочно), а у резца почти концентрично вокруг режущей кромки. В этом
случае согласно теории теплопроводности тепловые потоки должны быть направлены
нормально изотермам; в схеме они показаны соответствующими кривыми со
стрелками: п - в деталь; п' - в стружку; k - в резец.
Наиболее высокие температуры
наблюдаются вблизи режущей кромки и в зоне нароста В действительности положение
более сложное, так как температура резания зависит и от длины контакта
поверхности резания и стружки по задней и передней поверхностям инструмента.
Чем меньше длина контакта на задней поверхности, тем ниже среднее значение
температуры резания и тем ближе к режущей кромке располагается ее максимум. С
уменьшением длины контакта стружки с передней поверхностью средняя температура
также снижается, но максимум температуры удаляется от режущей кромки. При
скоростной обработке температура в зоне резания доходит до 800° С, а на
поверхности трения по передней грани достигает даже 1200° С и выше. Низкая
теплопроводность твердых сплавов и особенно минералокерамики является
0,1 0,2 0,3 0,4 0,5 0,6 0,7 0,8 0,9
Износ по задней грани h3,
мм
Рис. 4 Температура обрабатываемой детали при
резании вращающимся резцом в зависимости от подачи s
и износа резца
причиной того, что теплота резания сосредоточивается
в передней части резца, прилегающей к его вершине, что способствует ее
пластической деформации. При этом режущие способности инструмента сохраняются
ввиду его значительной красностойкости. Однако очень высокий температурный
градиент, свойственный минералокерамическому резцу, способствует тепловому
удару, разрушающему режущую кромку инструмента.
Любопытно, что нагрев державки с
малотеплопроводной режущей пластиной из твердого сплава и особенно
минералокерамики происходит не только посредством контактной передачи тепла от
пластины к державке, но и в значительной степени через лучеиспускание от
стружки и поверхности резания, перемещающихся мимо резца и передающих ему часть
теплоты. Это имеет существенное значение для стойкости режущего инструмента и
точности обработки детали, зависящей от температурной деформации резца. На рис.
6 показаны кривые температурного удлинения минералокерамического резца при
обработке стали ОХН4М. Можно заметить значительное уменьшение деформации резца
Рис. 5 Температурное поле в зоне резания и
резца.
5 10 15 20
Продолжительность работы резца Т, мин
Рис, 6 Кривые температурного удлинения
минералокерамического резца:
- l = 1,5 мм, 2 - l = 3 мм, 3 - стружка
отводилась от резца или задние грани державки изолировались.
с удалением режущей кромки от державки резца или
при изоляции задней поверхности резца.
Эффект лучеиспускания в большой
степени зависит от способности тела поглощать тепловые лучи. Например,
абсолютно черное тело поглощает все падающее на него тепло - условный
коэффициент
= 1:
Значения
для
различных тел
Чугун шероховатый, сильно окисленный
……….0,94
Железо матовое окисленное
……………………...0,96
Железо блестящее
отполированное………………0,29
Медь
полированная…………………………….0,13-0,17
Медь прокатанная………………………………….0,64
Медь шероховатая…………………………………0,76
Серебро……………………………………………..0,03
Сажа, уголь…………………………………………0,95
Эти данные представляют значительный
интерес, так как показывают большую роль блестяще обработанных граней, режущего
инструмента в отношении его стойкости и качества обработанной поверхности.
При весьма низкой температуре всего
изделия и больших скоростях резания тонкий слой его обработанной поверхности
может иметь достаточно высокую температуру, способную изменить структуру этого
слоя. Поэтому, назначая режим резания, необходимо учитывать последующую
чистовую обработку, при которой будет удален поврежденный слой детали.
Теоретический расчет температуры
резания встречает значительные трудности, так как в соответствующих расчетных
формулах независимые переменные являются в действительности взаимозависимыми
параметрами. Так, теплоемкость С увеличивается, а теплопроводность
уменьшается
с возрастанием температуры. Длина контакта стружки и резца уменьшается с
увеличением скорости резания, но заметно растет по мере износа резца и
образования лунки на передней поверхности резца.
Значения постоянных коэффициентов
также
изменяются в зависимости от различных факторов. К этому надо добавить, что
температура резания зависит и от вида процесса резания: при несвободном резании
резец нагревается больше, чем при свободном резании. Поэтому для расчета
температуры резания чаще пользуются эмпирическими формулами, показывающими
закономерности изменения температуры резания в зависимости от различных
факторов и справедливыми в определенных границах и условиях.
4.2 ВЛИЯНИЕ РАЗЛИЧНЫХ ФАКТОРОВ НА
ТЕМПЕРАТУРУ РЕЗАНИЯ ПО ЭКСПЕРИМЕНТАЛЬНЫМ ДАННЫМ
Как уже отмечено, температура
резания растет менее интенсивно, чем скорость. По мере нагрева резца разность
температур стружки и резца падает, а поэтому интенсивность передачи теплоты от
стружки резцу уменьшается. Следовательно, с увеличением скорости резания v температура
резца значительно поднимается, но в меньшей степени, чем скорость. Современные
экспериментальные исследования процесса резания высокопрочных сталей с
ультравысокими скоростями (до 72 000
Рис. 7. Влияние скорости резания на
температуру резания Ст.3:
- а = 0,5 мм; l = 4 мм; 2 -
а = 0,2 мм
м/мин), когда процесс происходил
адиабатически (без теплообмена), показали температуру в зоне резания на уровне
30-65° С, вполне допустимом стойкостью быстрорежущего резца1. Надо полагать,
что кривые 9-v с повышением скорости резания будут приближаться к уровню
температуры плавления обрабатываемого материала, а затем снижаться с дальнейшим
повышением скорости (рис. 7). Последние графики получены по опытным данным Д.
X. Касрадзе2 при резании Ст.3 при v = 1000-60 000 м/мин. Подобное явление сопровождается
резким снижением сил резания и значительным охрупчиванием металла в зоне
резания. Этот процесс способствует быстрому отрыву стружки при полном
отсутствии пластической деформации (усадки) стружки. Наблюдающаяся
отрицательная усадка (удлинение стружки) могла быть вызвана центробежными
силами при весьма больших скоростях.
Влияние глубины резания и подачи. Не
трудно предугадать зависимость между глубиной резания t, подачей s и
температурой, если рассмотреть изменение прироста и отвода теплоты на резце с
изменением t и s. С
увеличением подачи возрастает давление стружки на резец, а вместе с ним и
работа деформации. Но при этом, как известно, усадка стружки уменьшается и,
следовательно, работа деформации, приходящаяся на 1 мм3 стружки, также
уменьшается. К тому же трение на задней поверхности инструмента с увеличением
подачи мало изменяется. Поэтому количество теплоты, образующейся в стружке,
будет увеличиваться в меньшей степени сравнительно с увеличением подачи. В то
же время с утолщением стружки отвод теплоты улучшается, т.к. площадь контакта
стружки с резцом расширяется. В результате температура резания повышается с
увеличением подачи, но в меньшей степени, чем при повышении скорости.
Еще меньше влияет на температуру
резания глубина резания, т.к. нагрузка на единицу длины режущей кромки не
изменяется: с увеличением глубины резания при постоянном угле в плане
пропорционально увеличивается длина работающей и режущей кромки, почти в такой
же степени усиливается теплоотвод от нее и, следовательно, на единицу длины
режущей кромки увеличение притока теплоты будет весьма незначительным; в
результате температура мало изменится с увеличением глубины резания.
Влияние материала резца и
обрабатываемого материала на температуру резания. Естественно ожидать, что при
резании хрупких металлов, например чугуна, когда работа пластической деформации
весьма мала и удельные силы резания незначительны, температура резания заметно
ниже, чем при обработке стали. Давление чугунной стружки сосредотачивается
непосредственно на режущей кромке или вблизи нее, но это весьма неблагоприятное
обстоятельство влияет больше на абразивно-механический износ режущей кромки,
чем на температуру резания.
Само собой разумеется, что нагрев
инструмента зависит от теплоемкости и особенно от теплопроводности материала
изделия и самого инструмента. Например, при обработке цветных металлов
температура резания должна быть сравнительно низкой не только из-за малой
нагрузки, но и вследствие большой теплопроводности цветных металлов. И,
наоборот, при резании жаропрочных сталей и сплавов, обладающих низкой
теплопроводности, значительно повышается температура резания (в два - три раза)
сравнительно с конструкционными сталями. То же можно сказать относительно
инструмента: чем ниже теплопроводность, тем выше температура его режущей
кромки.
По этой причине температура резания
при работе твердосплавными резцами получается более низкой по сравнению с
минералокерамическими (рис. 3). То же самое можно сказать и о влиянии резца на
температуру резания. Последняя уменьшается с увеличением площади поперечного
сечения резца.
Более того, оказывается возможным
работать резцами из цветных металлов, поскольку при v = 27 000-36 000 м/мин
силы резания резко снижались.
Влияние геометрии резца на
температуру резания. Как известно, с увеличением угла резания
увеличивается
сила резания, следовательно, должны повышаться количество образующейся теплоты
и температура резания. Отвод тепла в данном случае также будет усиливаться с
увеличением угла клина
(угла
заострения), но в меньшей степени, чем теплообразование, и в результате
температура будет расти.
Величина угла в плане
также
влияет на температуру резания. С уменьшением угла
несколько
увеличивается нагрузка на резец и, казалось бы, нагрев его должен усиливаться.
Однако
на самом деле получается обратное: с уменьшением угла
удлиняется
режущая кромка, увеличивается угол при вершине
и как следствие значительно
улучшается теплоотвод.
В заключение надо отметить заметное
влияние на температуру резания смазочно-охлаждающих жидкостей. При этом падение
температуры вызвано как охлаждающим эффектом, так и уменьшением трения в
процессе резания.
Путем математической обработки
опытных графиков А М. Даниелян вывел общую формулу зависимости температуры
резания
от
различных факторов при нормальной обработке стали
быстрорежущим резцом
. (4.14)
Здесь
; r - радиус
закругления вершины резца; F - площадь поперечного сечения
резца;
-
постоянная, зависящая от обрабатываемого материала и инструмента, или в
упрощенном виде для стали (
= 77 кгс/мм2,
= 22%)
(4.15)
и для чугуна (приблизительно)
. (4.16)
5. АВТОМАТИЗАЦИЯ ТЕХНОЛОГИЧЕСКИХ ПРОЦЕССОВ
.1 ПРИНЦИП ИЗМЕРЕНИЯ РАССТОЯНИЙ И ЛИНЕЙНЫХ
ПЕРЕМЕЩЕНИЙ
Обобщенная схема измерения расстояний и линейных
перемещений посредством линейных интерференционных сигналов (ЛИС) на основе
двулучевого интерферометра изображена на рис. 1а.
Рассматривая принципы и методы
измерения, излучение лазера 1 будем считать идеальной плоской волной.
Интерферометр, состоящий из светоделителя 2, опорного отражателя 3 и
измерительного отражателя 4, настроен на бесконечно широкую полосу.
Интенсивность интерференционного сигнала I на фотоприемнике 5 изменяется по
закону (рис. 1б)
(5.1)
где I0 и I~ - постоянная составляющая и
амплитуда переменной составляющей сигнала соответственно; 2L - геометрическая
разность хода интерферирующих пучков;
- длина волны излучения. Расстояние от нуля интерферометра О до измерительного
отражателя 4:
(5.2)
где P
- порядок интерференции,
- фаза интерференционного сигнала I, определяемого формулой (5.1).
Метод счета полос заключается в измерении
(счете) числа периодов изменения интерференционного сигнала при изменении
геометрической разности хода (ГРХ) сигнала. Для предотвращения ложного счета
вследствие механических вибраций и турбулентности воздуха осуществляют
реверсивный счет, при котором определяют знак каждого счетного периода
приращения порядка интерференции.
Применяют два способа реверсивного счета полос:
со счетом полос на основе квадратурных сигналов и на основе частотной
модуляции.
Контроль размера шейки вала маховика Ø150k6
осуществляется интерферометром со счетом полос на основе частотной модуляции.
.2 ИНТЕРФЕРОМЕТР СО СЧЕТОМ ПОЛОС НА
ОСНОВЕ ЧАСТОТНОЙ МОДУЛЯЦИИ
На рисунке 2а приведен пример схемы
ЛИС. Двухчастотный лазер 1 излучает две волны с частотами 1 и 2, одна из
которых поляризована параллельно, а другая - перпендикулярно плоскости чертежа.
Светоделитель 2 отклоняет часть излучения каждой частоты для формирования
опорного сигнала I0. Поляризационная призма-куб 3 разделяет составляющие
излучения разных частот и направляет их в разные плечи интерферометра. Пластины
/4 - позиция
7, оптические оси которых составляют угол 450 с плоскостью чертежа, меняют
состояние поляризации дважды прошедших пучков на ортогональное.
Поляризационная призма-куб 3
обеспечивает суперпозицию пучков, возвращенных отражателями 4 и 5, в
направлении I1. После поляризаторов 6, ось пропускания которых составляет угол
450 с плоскостью чертежа, в результате интерференции пучков с разными частотами
образуются опорный I0 и измерительный I1 сигналы биения. Поскольку номенклатура
двухчастотных лазеров и значения разности частот, которые они обеспечивают,
ограничены, в качестве источника излучения часто используют одночастотный
лазер, сдвигая частоты ортогональных составляющих его излучения
акустооптическими модуляторами, которые устанавливают на входе, выходе или в
одном из плеч интерферометра . В этом случае опорный сигнал I0 может быть
получен непосредственно из модулирующих сигналов, подаваемых на
акустооптические модуляторы.
Частота частотной модуляции,
аналогично частоте фазовой модуляции, ограничивает время измерения . Однако при
использовании акустооптических модуляторов она может быть установлена
достаточно большой, чтобы этим ограничением можно было пренебречь. Тогда время
однократного измерения фазы определяется временем задержки фазоизмерительного
устройства и составляет для современных ЛИС около 10 мкс .
Так как ЛИС на основе частотной
модуляции обеспечивают время измерения на порядок меньше, чем ЛИС на основе
фазовой модуляции, допустимые скорости изменения ГРХ в них на порядок выше. Эти
ЛИС считаются в большей степени подходящими для высокоточных измерений в
реальном масштабе времени . При равной погрешности они имеют несколько больший
диапазон измерения ГРХ.
На основе методов прямого измерения
фазы разрабатывают ЛИС для измерения медленно меняющихся во времени и
незначительных по величине расстояний с высокой точностью. Основная область
применения таких ЛИС - контроль профиля и шероховатости поверхностей, в том
числе оптических. Другая обширная сфера применения - интерференционные датчики
физических величин, изменение которых можно преобразовать в изменение
геометрической или оптической разности хода интерферирующих лучей (давление и
влажность атмосферы, температура, напряженность электрического и магнитного
полей и др.).
Частотную модуляцию
интерференционного сигнала обеспечивают путем суперпозиции двух волн разной
оптической частоты. В этом случае закон изменения интенсивности имеет вид
(5.3)
где I1 и I2 - интенсивности, 1 и 2 -
оптические частоты, 1 и 2 - фазы
интерферирующих волн.
Все переменные составляющие сигнала (4), кроме
последней, вследствие высокой частоты не могут быть детектированы
фотоприемником непосредственно.
Выбирая близкие оптические частоты
интерферирующих волн, получают частоту b=1-2
последней составляющей, удобную для обработки в фотоэлектронной системе. Эту
частоту называют сигналом биения.
Особенность сигнала биения в том, что даже в
отсутствие изменения ГРХ между интерферирующими волнами интенсивность
изменяется по гармоническому закону. Если одна из интерферирующих волн проходит
дополнительный геометрический путь 2L, то сигнал биения получает дополнительный
фазовый сдвиг =L/,
эквивалентный фазе немодулированного интерференционного сигнала на длине волны
при
ГРХ интерферирующих лучей, равной 2L. Чтобы
определить ГРХ, измеряют фазовый сдвиг (рис. 3б)
(t)=t*b
между опорным и измерительным сигналами биения:
I0(t)=A0 *COS[2(1-2)t+(1-2)]
,(t)=A1 *COS[2(1-2)t+(1-2)+(t)]
,
где A0 и A1 - их амплитуды.
Вместо непрерывного измерения разности фаз между
сигналами подсчитывают число биений каждого из них N0 и N1 и отслеживают
разность N=N1-N0
(рис. 3в). Если ГРХ в интерферометре не меняется, частоты опорного и
измерительного сигналов равны f=f1=12,
и N=0. При движении
отражателя 4 частота биения измерительного сигнала становится равной f1=1-2+,
где=(t)
/t. Изменение
ГРХ равно L==(N1-N0)*.
Знак при n
зависит от направления движения отражателя 4. Связь между знаками L
и
остается однозначной до тех пор, пока []<[1-2].
Чтобы исключить влияние низкочастотных шумов на работу ЛИС, обеспечивают ¦¦<[1-3]+ш,
где ш
- верхняя граничная частота шумов. Таким образом, в ЛИС со счетом полос на
основе частотной модуляции имеет место принципиальное ограничение скорости
изменения измеряемых расстояний. В современных ЛИС она не превышает 1 м/с. При
счете числа биений сигналов дискрета измерения приращений ГРХ равна .
Для повышения точности измерения уменьшают дискрету счета, умножая частоты этих
сигналов в электронной системе. Чаще всего обеспечивают дискрету /64
. Метод счета полос на основе частотной модуляции, также как и на основе
квадратурных интерференционных сигналов, не ограничивает максимальное значение
измеряемых расстояний, которые в известных ЛИС достигают 100 м.
ЛИС со счетом полос применяют для измерения
больших расстояний и быстрых линейных перемещений с интерференционной
точностью. Благодаря достигнутому уровню технических характеристик и высокой
надежности они находят широкое применение в метрологии (аттестация станков и
технологического оборудования, поверка вновь разрабатываемых инструментов
измерения расстояний и т.д.). Очень перспективная область их применения -
преобразователи линейных перемещений координатно-измерительных систем станков и
технологического оборудования.
Наибольшее распространение в практике получили
интерферометры типа Маха - Цандера и Майкельсона.
Мультиплексный волоконно-оптический датчик
применяется для измерения широкого класса различных физических величин.
В мультиплексных интерференционных ВОД
одномодовый волоконный световод применяется не только в качестве
чувствительного элемента, но и служит также подводящим трактом, оптически связывающим
чувствительные элементы с источником и приемником излучения. Поэтому система
обработки сигнала в таком датчике должна обеспечивать как измерение величины
внешнего воздействия на чувствительный элемент, так и должна позволить
разделить воздействия на различные чувствительные элементы.
Чувствительные элементы различаются по групповой
задержке интерферирующих лучей методом когерентной частотной рефлектометрии.
Чувствительные элементы ВОД представляют собой участки одномодового волоконного
световода, расположенные между отражателем с малым коэффициентом отражения.
При изменении частоты излучения лазера по
линейному закону отклик фотоприемника на отраженный сигнал представляет
суперпозицию гармонических составляющих, частота которых пропорциональна групповому
запаздыванию отраженных волн, амплитуда - амплитуде этих волн, а фаза
определяется фазовой задержкой излучения в световоде. Если расстояние между
отражателями в всетоводе больше, чем пространственное разрешение в методе
когерентной частотной рефлектометрии, то с помощью низкочастотного фильтра в
сигнале можно выделить гармоническую составляющую, соответствующую отражению от
каждого из отражателей. Измерив разность фаз в гармонических составляющих
сигнала, соответствующих отражению от двух соседних отражателей, мы определим
фазовую задержку излучения при распространении его на участке световода между
ними. Таким образом, участки световода между отражателями можно рассматривать
как чувствительные элементы ВОД, подключенные к волоконно-оптической линии связи.
6. ОРГАНИЗАЦИОННЫЙ РАЗДЕЛ
.1 ОРГАНИЗАЦИЯ УЧАСТКА ЦЕХА ПО ПРОИЗВОДСТВУ
ДЕТАЛЕЙ ВАЛА МАХОВИКА
.1.1 ОПРЕДЕЛЕНИЕ ПОТРЕБНОГО КОЛИЧЕСТВА
ОБОРУДОВАНИЯ И ЕГО ЗАГРУЗКА
Потребное количество станков определим по
формуле
(6.1)
Где ТΣК -
суммарное нормировочное время, необходимое для обработки на станках данного
типа годового количества деталей, ч;
Fд -
действительное (расчетное) годовое число часов работы одного станка при работе
в одну смену;
m - число
смен работы станка в сутки.
Суммарное нормировочное время для
обработки одной детали на станках данного типа определим по формуле
(6.2)
Где tк -
штучно-калькуляционное время для обработки одной детали на станках данного
типоразмера, мин;
D -
количество одноименных деталей, обрабатываемых в год на станках данного
типоразмера.
Определим действительный годовой
фонд времени работы одного станка в часах по формуле
(6.3)
Где Fк - число
календарных дней в году;
Fв -
количество выходных и праздничных дней в расчетном году;
tсм -
продолжительность смены, ч;
FППД -
количество предпраздничных дней в году;
s - число смен
работы оборудования, принимаем 1 смену;
Кр - коэффициент учитывающий время
пребывания станка в ремонте; для крупных станков - Кр = 0.9;
часов.
Коэффициент загрузки для всех
станков определяется по формуле:
(6.4)
Где СР - расчетное количество
станков;
СП - принятое количество станков.
Для всех станков участка принимаем
коэффициент загрузки КЗ = 0.85…1.
Определим потребное количество
станков по операциям:
Фрезерно-центровальная.
Принимаем количество фрезерных
станков СП = 5. Тогда необходимое количество одноименных деталей обрабатываемых
в год равно
шт.
Токарная.
Принимаем СП = 10. Тогда
шт.
Сверлильная.
Принимаем СП = 5. Тогда
шт.
Шлифовальная.
Принимаем СП = 5. Тогда
шт.
Определим общее количество деталей
необходимых для загрузки станков на всех операциях, в год.
шт/год.
Принимаем N=5000
шт/год.
Определим коэффициент загрузки
станков по каждой операции:
Фрезерно-центровальная.
(6.6)
Необходимо разгрузить станок на 863
детали, тогда
Токарная.
Сверлильная.
Догружаем станок на 863 детали,
тогда
Шлифовальная.
На основании произведенных расчетов
строим график загрузки оборудования на участке.
Данные о количестве, мощности
электродвигателей и стоимости оборудования на участке заносим в таблицу 6.1.
Таблица 6.1.
Сводная ведомость оборудования.
|
Станки
|
Модель
|
Кол
|
Мощность
электродвигателя, кВт
|
Цена
станка, грн
|
|
|
|
1
станок
|
Общая
|
1
станок
|
Общая
|
|
Продольно-фрезерный
двухстоечный
|
6620
|
5
|
30
|
150
|
325000
|
1625000
|
|
Токарно-винторезный
|
16К40П
|
10
|
18,5
|
92,5
|
78000
|
780000
|
|
Горизонтально-расточной
|
2636Ф1
|
5
|
19
|
95
|
80000
|
400000
|
|
Круглошлифовальный
|
3М194
|
5
|
25
|
125
|
65000
|
325000
|
|
Итого
|
|
25
|
|
462,5
|
3130000
|
6.1.2 ОПРЕДЕЛЕНИЕ ПОТРЕБНОГО КОЛИЧЕСТВА ОСНОВНЫХ
РАБОЧИХ
Количество рабочих - станочников определяется на
основе суммарного штучно-калькуляционного времени на каждую операцию по
формуле:
(6.7)
Где Fдр -
эффективный годовой фонд рабочего времени станочника, ч.
Эффективный годовой фонд времени при
пятидневной рабочей неделе определяется по формуле:
Где Кн - коэффициент учитывающий
использование номинального фонда времени из-за неявки на работу, Кн = 0.89.
ч.
Определим число рабочих станочников
на каждую операцию:
Фрезерно-центровальная
Принимаем Рст = 5 человек.
Токарная
Принимаем Рст = 10 человек.
Сверлильная
Принимаем Рст = 5 человек.
Шлифовальная
Принимаем Рст = 5 человек.
Результаты расчетов сведем в таблицу
6.2.
Таблица 6.2.
Сводная ведомость основных рабочих
|
Наименование
профессии
|
Общее
количество рабочих
|
Количество
рабочих по разрядам
|
|
|
1
|
2
|
3
|
4
|
5
|
6
|
|
Фрезеровщики
|
5
|
|
|
|
|
5
|
|
|
Токаря
|
10
|
|
|
|
|
10
|
|
|
Сверловщики
|
5
|
|
|
|
5
|
|
|
|
Шлифовальщики
|
5
|
|
|
|
5
|
|
|
|
Итого
|
25
|
|
10
|
15
|
Определим число человеко-разрядов:
.
Определим средний
тарифно-квалификационный разряд:
.1.3 ОПРЕДЕЛЕНИЕ ПОТРЕБНОГО
КОЛИЧЕСТВА ВСПОМОГАТЕЛЬНЫХ РАБОЧИХ, ИТР, СКП, МОП
Определение потребного количества
вспомогательных рабочих, инженерно-технических работников (ИТР),
счетно-конторского (СКП) и младшего обслуживающего персонала (МОП) ведут с
учетом того, что большая их часть выполняет общецеховые функции, обслуживая
несколько участков цеха. Поэтому количество работников задается определенной
долей в процентах от числа основных рабочих участка.
Количество вспомогательных рабочих
(наладчиков, бригадиров, кладовщиков, раздатчиков инструмента, браковщиков и
др.) составляет 15…20%;
человек.
Количество ИТР, СКП и МОП
принимается от общего числа рабочих в следующем соотношении:
ИТР - 10…12%; принимаем
человека.
СКП - 1…3%; принимаем
человек.
МОП - 2 - 3%; принимаем
человек.
Результаты расчетов сведем в таблицу
6.3.
Таблица 6.3.
Сводная ведомость списочного состава
работающих на участке.
|
Наименование
категорий работающих
|
Количество
работающих
|
Отношение
к числу производственных рабочих, %
|
Отношение
к общему числу рабочих, %
|
Отношение
к общему числу работающих, %
|
|
Основные
рабочие
|
25
|
100
|
83.3
|
69.4
|
|
Вспомогательные
рабочие
|
5
|
20
|
16.7
|
13.9
|
|
ИТР
|
4
|
-
|
13.3
|
11.1
|
|
СКП
|
1
|
-
|
3
|
2.8
|
|
МОП
|
1
|
-
|
3
|
2.8
|
|
Итого
|
36
|
|
100
|
6.2 ОРГАНИЗАЦИЯ УЧАСТКА ЦЕХА ПО ПРОИЗВОДСТВУ
ДЕТАЛЕЙ КОРПУСА ПНЕВМОЦИЛИНДРА
.2.1 ОПРЕДЕЛЕНИЕ ПОТРЕБНОГО КОЛИЧЕСТВА
ОБОРУДОВАНИЯ И ЕГО ЗАГРУЗКА
Определим потребное количество станков по
операциям:
Токарная.
Принимаем количество фрезерных
станков СП = 10. Тогда необходимое количество одноименных деталей
обрабатываемых в год равно
шт.
Фрезерная.
Принимаем СП = 10. Тогда
шт.
Сверлильная.
Принимаем СП = 10. Тогда
шт.
Определим общее количество деталей
необходимых для загрузки станков на всех операциях, в год.
шт/год.
Принимаем N=19000
шт/год.
Определим коэффициент загрузки
станков по каждой операции:
Токарная.
Необходимо разгрузить станок на 3088
деталей, тогда
Фрезерная.
Необходимо догрузить станок на 13040
деталей, тогда
Сверлильная
Необходимо разгрузить станок на 9952
детали, тогда
На основании произведенных расчетов
строим график загрузки оборудования на участке
Данные о количестве, мощности
электродвигателей и стоимости оборудования на участке заносим в таблицу 6.4.
Таблица 6.4.
Сводная ведомость оборудования.
|
Станки
|
Модель
|
Кол
|
Мощность
электродвигателя, кВт
|
Цена
станка, грн
|
|
|
|
1
станок
|
Общая
|
1
станок
|
Общая
|
|
Токарно-карусельный
|
1508
|
10
|
22
|
220
|
75000
|
750000
|
|
Широкоуниверсальный
консольный фрезерный
|
6Р83Ш
|
10
|
11
|
110
|
52000
|
5200000
|
|
Радиально-сверлильный
|
2Ш55
|
10
|
4
|
40
|
7800
|
78000
|
|
Итого
|
|
30
|
|
370
|
1348000
|
.2.2 ОПРЕДЕЛЕНИЕ ПОТРЕБНОГО КОЛИЧЕСТВА ОСНОВНЫХ
РАБОЧИХ
Определим число рабочих станочников на каждую
операцию:
Токарная
Принимаем Рст = 10 человек.
Фрезерная
Принимаем Рст = 5 человек.
Сверлильная
Принимаем Рст = 18 человек.
Результаты расчетов сведем в таблицу
6.5.
Таблица 6.5.
Сводная ведомость основных рабочих
|
Наименование
профессии
|
Общее
количество рабочих
|
Количество
рабочих по разрядам
|
|
|
1
|
2
|
3
|
4
|
5
|
6
|
|
Токаря
|
10
|
|
|
|
|
10
|
|
|
Фрезеровщики
|
5
|
|
|
|
5
|
|
|
|
Сверловщики
|
18
|
|
|
|
18
|
|
|
|
Итого
|
33
|
|
|
|
23
|
10
|
|
Определим число человеко-разрядов:
.
Определим средний
тарифно-квалификационный разряд:
.2.3 ОПРЕДЕЛЕНИЕ ПОТРЕБНОГО
КОЛИЧЕСТВА ВСПОМОГАТЕЛЬНЫХ РАБОЧИХ, ИТР, СКП, МОП
Количество вспомогательных рабочих
(наладчиков, бригадиров, кладовщиков, раздатчиков инструмента, браковщиков и
др.) составляет 15…20%;
человек;
принимаем - 7 человек.
Количество ИТР, СКП и МОП принимается
от общего числа рабочих в следующем соотношении:
ИТР - 10…12%; принимаем
человека.
СКП - 1…3%; принимаем
человек.
МОП - 2 - 3%; принимаем
человек.
Результаты расчетов сведем в таблицу
6.3.
Таблица 6.6.
Сводная ведомость списочного состава
работающих на участке.
|
Наименование
категорий работающих
|
Количество
работающих
|
Отношение
к числу производственных рабочих, %
|
Отношение
к общему числу рабочих, %
|
Отношение
к общему числу работающих, %
|
|
Основные
рабочие
|
33
|
100
|
82.5
|
70.2
|
|
Вспомогательные
рабочие
|
7
|
21.2
|
17.5
|
15
|
|
ИТР
|
5
|
-
|
12.5
|
10.6
|
|
СКП
|
1
|
-
|
2.5
|
2.1
|
|
МОП
|
1
|
-
|
2.5
|
2.1
|
|
Итого
|
47
|
|
100
|
7. ЭКОНОМИЧЕСКИЙ РАЗДЕЛ
7.1 РАСЧЕТ ТЕХНИКО-ЭКОНОМИЧЕСКИХ ПОКАЗАТЕЛЕЙ
УЧАСТКА ПРОИЗВОДСТВА ДЕТАЛИ ВАЛА МАХОВИКА
.1.1 ОПРЕДЕЛЕНИЕ ЗАТРАТ НА ОСНОВНЫЕ МАТЕРИАЛЫ
Определение затрат на основные материалы
производят по следующим исходным данным:
Марка материала Сталь
40Х
Вид исходной заготовки Поковка
Масса заготовки, кг 290
Масса реализуемых отходов, кг 65
Стоимость материала и отходов принимается по
заводским данным.
Стоимость материала на одну деталь определяется
по формуле:
(7.1)
Где mз - масса
исходной заготовки, кг;
mот - масса
реализуемых отходов, кг;
а - стоимость одного килограмма
материала, грн;
в - стоимость одного килограмма
отходов, грн.
грн.
К цене материала необходимо
прибавить расходы связанные с доставкой материала на завод, равные 10% цены:
Стоимость материала на весь годовой
объем выпуска из N деталей равна
(7.2)
грн.
.1.2 ФОНД ОПЛАТЫ ТРУДА ПРОИЗВОДСТВЕННЫХ РАБОЧИХ
Фонд заработной платы производственных рабочих
складывается из основной и дополнительной заработной платы. Для расчета
основной заработной платы вначале следует определить расценки на все операции
технологического процесса обработки изделия.
Расценки определяем по формуле
(7.3)
Где Ссд - часовая тарифная ставка
соответствующего разряда выполняемых работ, грн;
tшт - норма
времени на данную операцию, мин.
Расценки на обработку заготовки вала
маховика сводим в таблицу 7.2.
Таблица 7.2.
Сводная ведомость норм времени и
расценок на обработку заготовки вала маховика.
|
Наименование
операции
|
Тарифная
ставка, грн
|
Норма
времени, мин
|
Расценка,
грн/час
|
|
Фрезерно-центровальная
|
5
|
4.989
|
109.03
|
9.07
|
|
Токарная
|
5
|
4.989
|
200.06
|
16.63
|
|
Сверлильная
|
4
|
4.34
|
78.44
|
5.68
|
|
Шлифовальная
|
4
|
4.34
|
91.94
|
6.66
|
|
Итого
|
|
479.47
|
38.04
|
Заработную плату по сдельным расценкам на
изготовление N деталей годового
объема выпуска определим по формуле
(7.4)
грн.
Определим фонд премии
(7.5)
где γ = 40% - процент
премии от фонда заработной платы.
грн.
Определим фонд доплаты
(7.6)
где γ = 4% - процент
доплаты, выплачиваемый рабочим в связи с отступлением от нормальных условий
производства:
грн.
Фонд основной заработной платы
производственных рабочих включает оплату по сдельным нормам и фонды доплат и
премий:
(7.7)
грн.
Дополнительная заработная плата Здоп
включает оплату отпуска, выполнение государственных обязанностей, учебных
отпусков, доплаты по прогрессивно-сдельной системе, доплаты за работу в ночное
время и принимается в определенной доле от основной сдельной заработной платы.
(7.8)
Где Кд = 17% - принятый процент
дополнительной заработной платы.
грн.
Начисления в фонд социального
страхования равны Сст = 52.5% от суммы основной и дополнительной заработной
платы:
(7.9)
грн.
Общий фонд заработной платы основных
рабочих равен
(7.10)
грн.
Среднемесячная заработная плата
производственных рабочих
(7.11)
Где Рст - количество
производственных рабочих.
грн.
7.1.3 РАСЧЕТ ФОНДА ОПЛАТЫ ТРУДА
ВСПОМОГАТЕЛЬНЫХ РАБОЧИХ, ИТР, СКП, МОП
Фонд определяется на основе тарифных
ставок, должностных окладов и принятого количества работающих.
Обслуживание отдельного участка
механического цеха производится общецеховым персоналом. В этом случае годовая
заработная плата вспомогательных рабочих, ИТР, СКП и МОП определяется по
формуле
(7.12)
Где Рв - расчетное количество
персонала;
Ов - средняя месячная заработная
плата данной категории работников.
Для вспомогательных рабочих
грн.
Для инженерно-технических работников
грн
Для счетно-конторского персонала
грн
Для младшего обслуживающего
персонала
грн.
Премия из фонда заработной платы
складывается из премии по положению, которая рассчитывается в долях годового
фонда заработной платы и составляет для вспомогательных рабочих - 12%, для ИТР
- 30%, для СКП - 15%, для МОП - 10%.
Общий месячный фонд заработной
платы:
вспомогательных рабочих
(7.13)
грн
Для инженерно-технических работников
грн
Для счетно-конторского персонала
грн
Для младшего обслуживающего
персонала
грн.
Годовой фонд заработной платы
вспомогательных рабочих, ИТР, СКП и МОП равен - 152340 грн.
.1.4 КАЛЬКУЛЯЦИЯ ЕДИНИЦЫ ПРОДУКЦИИ
Под калькуляцией понимают
определение себестоимости единицы продукции. Расходы на себестоимость единицы
продукции классифицируются по калькуляционным статьям затрат, исходя из норм
расходов. Под статьей понимают затраты, которые отличаются между собой
функциональным назначением, местом их образования и соотнесены с единицей продукции.
Расчет калькуляционных статей
сводится к определению затрат на приведенный годовой объем выпуска.
Затраты на силовую электроэнергию
вычисляют по формуле
(7.14)
Где ЦЧ - стоимость 1
электроэнергии,
грн;
WЭ - годовой
расход электроэнергии,
.
(7.15)
Где Nуст -
установленная мощность всех станков на участке, кВт;
Fд -
эффективный годовой фонд производственного времени оборудования, ч;
Кз - средний коэффициент загрузки
оборудования;
ηо - коэффициент одновременной
работы оборудования, η
= 0.7…0.75;
Кс - коэффициент потерь в
электрической сети;
ηд - кпд электродвигателей, ηд =
0.85…0.9.
кВт
грн.
Затраты на сжатый воздух вычислим по
формуле
(7.16)
Где ЦСЖ - стоимость 1 м3 сжатого
воздуха, грн;
QСЖ - годовой
расход сжатого воздуха, м3.
(7.17)
Где СПН - количество станков с
пневматическими зажимами;
СОБ - количество станков с
применением обдувки;
q - расход
сжатого воздуха на один станок с пневматическим зажимом;
q1 = 1м3 -
расход сжатого воздуха на один станок с обдувкой.
м3.
грн.
Затраты на воду для производственных
нужд вычислим по формуле
Где ЦВ - стоимость 1 м3
водопроводной воды;
QВ - годовой
расход воды на один станок, QВ = 25 м3;
s - число
смен работы оборудования;
n -
количество станков.
грн.
Амортизация оборудования,
транспортных средств и дорогостоящей оснастки принимается в долях стоимости
основных фондов:
для производственных зданий, норма
составляет - 3.2%:
грн;
для металлорежущих станков
работающих неабразивным инструментом - 12.2%:
грн;
для металлорежущих станков
работающих абразивным инструментом - 12%:
грн.
Затраты на текущий ремонт и
обслуживание оборудования принимаются в размере 7% от их первоначальной
стоимости:
грн.
Затраты на износ малоценного
инвентаря и инструмента составляют по заводским данным:
грн.
Затраты на вспомогательные материалы
могут быть определены ориентировочно по укрупненному нормативу в размере в год
на один станок 5% от фонда основной заработной платы производственных рабочих:
грн. Для
всего участка:
грн.
Затраты на основную и дополнительную
заработную плату вспомогательных рабочих, ИТР, СКП и МОП с отчислением на
социальное страхование отчисляются в размере 52.5%:
для вспомогательных рабочих
грн;
для ИТР
грн;
для СКП
грн;
для МОП
грн.
Затраты на охрану труда и
обеспечение техники безопасности составляют в год на одного рабочего 2% от фонда
основной зарплаты производственных рабочих:
грн; для всего участка
грн.
Расходы на отопление и освещение
производственных помещений, воду для санитарно-технических и хозяйственных
нужд, канцелярские и другие расходы составляют 5…15% от суммы затрат по всем
статьям:
грн.
Рассчитанные статьи калькуляции
сводятся в таблицу 7.3.
Таблица 7.3.
Калькуляция себестоимости единицы
продукции по предприятию.
|
Статьи
калькуляции
|
Сумма,
грн
|
|
Материалы
(за вычетом возвратных отходов) Энергия для технологических целей Основная и
дополнительная заработная плата производственных рабочих Начисления на
заработную плату производственных рабочих: социальное пенсионное Расходы по
содержанию и эксплуатации оборудования
|
39105000
60692.03 466988.55 11647.71 149436.34 219100
|
|
Итого:
технологическая себестоимость
|
40012864.63
|
|
Цеховые
расходы: амортизация зданий, сооружений инвентаря цехового назначения расходы
по охране труда возмещение износа малоценного инвентаря
|
96000
25000 233494.27 583735.75
|
|
Итого:
цеховая себестоимость
|
40951094.65
|
|
Общепроизводственные
расходы: оплата труда общепроизводственного персонала расходы на
осуществление технологического контроля расходы на отопление, освещение и
прочее содержание производственных помещений
|
152340
10000 83316.35
|
|
Итого:
производственная себестоимость
|
41196751
|
|
Внепроизводственные
расходы
|
10000
|
|
Итого:
полная себестоимость единицы продукции по предприятию
|
41206751
|
Определим цену единицы продукции
(7.18)
Где Пi - прибыль
от производства i-ой продукции;
Сi - полная
себестоимость i-ой
продукции.
Уровень рентабельности цеха - 30%,
поэтому
(7.19)
грн.
грн.
.1.5 ТЕХНИКО-ЭКОНОМИЧЕСКИЕ
ПОКАЗАТЕЛИ УЧАСТКА
Комплекс итоговых данных,
характеризующих, экономическую сторону работы спроектированного участка сведем
в таблицу 7.4.
Таблица 7.4.
Комплекс технико-экономических
показателей участка.
|
Наименование
|
Единица
|
Числовые
значения
|
|
Годовой
объем выпуска заданного изделия То же Годовой объем выпуска с учетом догрузки
То же Общее количество работающих В том числе: основных рабочих
вспомогательных рабочих ИТР СКП МОП Средний тарифный разряд основных рабочих
Выработка на одного работающего То же Выработка на одного рабочего То же Фонд
заработной платы по участку Среднегодовая заработная плата одного работающего
Среднегодовая заработная плата одного рабочего Количество оборудования Общая
стоимость оборудования Суммарная мощность оборудования Средняя единичная
мощность оборудования Средняя загрузка оборудования Производственная площадь
участка Производственная площадь на единицу оборудования Себестоимость
единицы изготовляемого изделия Цеховые расходы Прибыль
|
шт
грн шт грн чел. чел. чел. чел. чел. чел. шт грн шт грн грн грн грн шт грн
кВт кВт % м2 м2 грн % грн
|
5000 39105000 - - 36 25 5 4 1 1
4.6 139 1087119 200 1564200 619328.55 17203.6 18679.5 25 3130000 462.5 18.5
90 1440 57.6 8241.35 76 2472.41
|
.1.6 АНАЛИЗ ПРИБЫЛЬНОСТИ ПРОИЗВОДСТВЕННОЙ
ДЕЯТЕЛЬНОСТИ ПРЕДПРИЯТИЯ
При рассмотрении влияния себестоимости на
доходность предприятия все текущие затраты по отношению к объему реализованной
продукции целесообразно разделить на постоянные и переменные. Это позволяет
показать аналитически и графически зависимость между выручкой от реализации,
себестоимостью и прибылью, определить необходимый минимум объема продукции,
обеспечивающий безубыточную деятельность, при необходимости спрогнозировать
зоны прибыльной и убыточной деятельности предприятия.
Главная задача при построении графика
рентабельности заключается в определении точки безубыточности - точки, в
которой денежные доходы (полученная выручка) равны денежным расходам. Для этого
надо знать условно постоянные затраты, переменные затраты, объем продажи,
отношение переменных затрат к объему продаж и к объему выпуска. График
рентабельности показан на рисунке 7.1.
Экономическая оценка эффективности предлагаемого
проекта оценена по системе показателей, используемых в международной и
отечественной практике.
При оценке экономической эффективности
использованы показатели:
чистая текущая стоимость (NPU);
срок окупаемости капитаолвложений;
коэффициент эффективности инвестиций.
В принятии решения о целесообразности внедрения
проекта необходимо учитывать значение всех показателей, потому что каждый
показатель несет в себе свой объем информации, и только все они в совокупности
могут дать полное представление о реальной эффективности (таблица 7.5).
Таблица 7.5.
Расчет чистых денежных поступлений от
производства детали вала маховика.
|
Наименование
|
Единицы
измерения
|
По
годам
|
Всего
|
В
среднем за 5 лет
|
|
|
0
|
1
|
2
|
3
|
4
|
5
|
|
|
|
Капитальные
вложения
|
тыс.
грн
|
3130
|
-
|
-
|
-
|
-
|
-
|
-
|
-
|
|
Объем
производства проектируемой детали
|
тыс.
грн
|
-
|
53568.8
|
53568.8
|
53568.8
|
53568.8
|
53568.8
|
-
|
-
|
|
Цена
1 детали
|
грн
|
-
|
10713.76
|
10713.76
|
10713.76
|
10713.76
|
10713.76
|
-
|
-
|
|
Полная
себестоимость 1 детали
|
грн
|
-
|
8241.35
|
8241.35
|
8241.35
|
8241.35
|
8241.35
|
-
|
-
|
|
Полная
себестоимость реализованной продукции
|
тыс.
грн
|
-
|
41206.75
|
41206.75
|
41206.75
|
41206.75
|
41206.75
|
-
|
-
|
|
Амортизационные
отчисления на весь объем
|
тыс.
грн
|
-
|
751.2
|
570.91
|
433.89
|
329.76
|
250.62
|
-
|
-
|
|
Прибыль
от реализации 1 детали
|
грн
|
-
|
2472.4
|
2472.4
|
2472.4
|
2472.4
|
2472.4
|
-
|
-
|
|
Прибыль
от реализации всего объема продукции
|
тыс.
грн
|
-
|
12362.025
|
12362.025
|
12362.025
|
12362.025
|
12362.025
|
-
|
-
|
|
Ставку
налога на прибыль
|
%
|
-
|
30
|
30
|
30
|
30
|
30
|
-
|
-
|
|
Налог
на прибыль
|
тыс.
грн
|
-
|
3708.61
|
3708.61
|
3708.61
|
3708.61
|
3708.61
|
-
|
-
|
|
Чистая
прибыль на весь объем
|
тыс.
грн
|
-
|
8653.42
|
8653.42
|
8653.42
|
8653.42
|
8653.42
|
43267.1
|
8653.42
|
|
Чистые
денежные поступления
|
тыс.
грн
|
-
|
9404.62
|
9224.33
|
9087.31
|
8983.18
|
8904.04
|
45603.48
|
9120.7
|
|
Коэффициент
дисконтирования
|
|
-
|
0.909
|
0.826
|
0.751
|
0.683
|
0.621
|
-
|
-
|
|
Дисконтированные
денежные поступления
|
тыс.
грн
|
-
|
9405.53
|
9225.16
|
9088.06
|
8983.86
|
8904.7
|
45607.27
|
9121.45
|
|
Рентабельность
|
%
|
-
|
30
|
30
|
30
|
30
|
30
|
-
|
-
|
Чистая текущая стоимость доходов:
тыс. грн. > 0.
Сток окупаемости
года.
Индекс доходности
> 1.
Показатель экономической
эффективности (NPU) - чистая текущая стоимость доходов
за годы реализации внедрения (5 лет) станков с ЧПУ составит 42477.27 тыс. грн.
т. е. отвечает условиям эффективности, так как NPU > 0.
Средний срок окупаемости
капиталовложений составит менее 1 года.
Таким образом, показатели
эффективности свидетельствуют о том, что данное внедрение при проектировании
усовершенствованной технологии изготовления для детали "вал маховика"
является экономически целесообразным.
7.2 РАСЧЕТ ТЕХНИКО-ЭКОНОМИЧЕСКИХ ПОКАЗАТЕЛЕЙ
УЧАСТКА ПРОИЗВОДСТВА ДЕТАЛИ КОРПУСА ПНЕВМОЦИЛИНДРА
.2.1 ОПРЕДЕЛЕНИЕ ЗАТРАТ НА ОСНОВНЫЕ МАТЕРИАЛЫ
Марка материала Сталь
35Л
Вид исходной заготовки Отливка
Масса заготовки, кг 160
Масса реализуемых отходов, кг 25
Стоимость материала и отходов принимается по
заводским данным.
Определим стоимость материала на одну деталь
грн.
К цене материала прибавим расходы
связанные с доставкой материала на завод, равные 10% цены:
грн.
Стоимость материала на весь годовой
объем выпуска из N деталей равна
грн.
После расчета стоимости основных
материалов на годовой объем выпуска заполняем таблицу 7.6.
7.2.2 ФОНД ОПЛАТЫ ТРУДА ПРОИЗВОДСТВЕННЫХ РАБОЧИХ
Фонд заработной платы производственных рабочих
складывается из основной и дополнительной заработной платы. Для расчета
основной заработной платы вначале следует определить расценки на все операции
технологического процесса обработки изделия.
Определим расценки на все операции на обработку
заготовки корпуса пневмоцилиндра и сведем в таблицу 7.7.
Таблица 7.7.
Сводная ведомость норм времени и расценок на
обработку заготовки корпуса пневмоцилиндра.
|
Наименование
операции
|
Разряд
работ
|
Тарифная
ставка, грн
|
Норма
времени, мин
|
Расценка,
грн/час
|
|
Токарная
|
5
|
4.989
|
55.385
|
4.6
|
|
Фрезерная
|
4
|
4.34
|
27.7
|
2.01
|
|
Сверлильная
|
4
|
4.34
|
97.4
|
7.05
|
|
Итого
|
|
180.5
|
13.65
|
Определим заработную плату по сдельным расценкам
грн.
Определим фонд премии
грн.
Определим фонд доплаты
грн.
Фонд основной заработной платы
производственных рабочих:
грн.
Определим дополнительную заработную
плату
грн.
Начисления в фонд социального
страхования равны Сст = 52.5% от суммы основной и дополнительной заработной
платы:
грн.
Общий фонд заработной платы основных
рабочих
грн.
Среднемесячная заработная плата
производственных рабочих
грн.
.2.3 РАСЧЕТ ФОНДА ОПЛАТЫ ТРУДА
ВСПОМОГАТЕЛЬНЫХ РАБОЧИХ, ИТР, СКП, МОП
Годовая заработная плата
вспомогательных рабочих, ИТР, СКП и МОП равна
Для вспомогательных рабочих
грн.
Для инженерно-технических работников
грн
Для счетно-конторского персонала
грн
Для младшего обслуживающего
персонала
грн.
Общий месячный фонд заработной
платы:
вспомогательных рабочих
грн
Для инженерно-технических работников
грн
Для счетно-конторского персонала
грн
Для младшего обслуживающего
персонала
грн.
Годовой фонд заработной платы
вспомогательных рабочих, ИТР, СКП и МОП равен - 194256 грн.
заготовка деталь вал
пневмоцилиндр
7.2.4 КАЛЬКУЛЯЦИЯ ЕДИНИЦЫ ПРОДУКЦИИ
Затраты на силовую электроэнергию
кВт
грн.
Затраты на сжатый воздух
м3.
грн.
Затраты на воду для производственных
нужд
грн.
Амортизация оборудования,
транспортных средств и дорогостоящей оснастки принимается в долях стоимости
основных фондов:
для производственных зданий, норма
составляет - 3.2%:
грн;
для металлорежущих станков
работающих неабразивным инструментом - 12.2%:
грн;
Затраты на текущий ремонт и
обслуживание оборудования принимаются в размере 7% от их первоначальной
стоимости:
грн.
Затраты на износ малоценного
инвентаря и инструмента составляют по заводским данным:
грн.
Затраты на вспомогательные
материалы:
грн. Для всего
участка:
грн.
Затраты на основную и дополнительную
заработную плату вспомогательных рабочих, ИТР, СКП и МОП с отчислением на
социальное страхование отчисляются в размере 52.5%:
для вспомогательных рабочих
грн;
для ИТР
грн;
для СКП
грн;
для МОП
грн.
Затраты на охрану труда и
обеспечение техники безопасности:
грн; для всего участка
грн.
Прочие расходы:
грн.
Рассчитанные статьи калькуляции
сводятся в таблицу 7.8.
Таблица 7.8. Калькуляция себестоимости единицы
продукции по предприятию.
|
Статьи
калькуляции
|
Сумма,
грн
|
|
Материалы
(за вычетом возвратных отходов) Энергия для технологических целей Основная и
дополнительная заработная плата производственных рабочих Начисления на заработную
плату производственных рабочих: социальное пенсионное Расходы по содержанию и
эксплуатации оборудования
|
49495000
48994.63 636769.1 15919.23 203766.11 164456
|
|
Итого:
технологическая себестоимость
|
50564905.07
|
|
Цеховые
расходы: амортизация зданий, сооружений инвентаря цехового назначения расходы
по охране труда возмещение износа малоценного инвентаря
|
96000
30000 420268.2
955153.8
|
|
Итого:
цеховая себестоимость
|
51114173.27
|
|
Общепроизводственные
расходы: оплата труда общепроизводственного персонала расходы на
осуществление технологического контроля расходы на отопление, освещение и
прочее содержание производственных помещений
|
194256
10000
94895.63
|
|
Итого:
производственная себестоимость
|
51413324.9
|
|
Внепроизводственные
расходы
|
10000
|
|
Итого:
полная себестоимость единицы продукции по предприятию
|
51423324.9
|
Определим цену единицы продукции
грн.
грн.
.2.5 ТЕХНИКО-ЭКОНОМИЧЕСКИЕ
ПОКАЗАТЕЛИ УЧАСТКА
Комплекс итоговых данных,
характеризующих, экономическую сторону работы спроектированного участка сведем
в таблицу 7.9.
Таблица 7.9. Комплекс технико-экономических
показателей участка.
|
Наименование
|
Единица
|
Числовые
значения
|
|
Годовой
объем выпуска заданного изделия То же Годовой объем выпуска с учетом догрузки
То же Общее количество работающих В том числе: основных рабочих
вспомогательных рабочих ИТР СКП МОП Средний тарифный разряд основных рабочих
Выработка на одного работающего То же Выработка на одного рабочего То же Фонд
заработной платы по участку Среднегодовая заработная плата одного работающего
Среднегодовая заработная плата одного рабочего Количество оборудования Общая
стоимость оборудования Суммарная мощность оборудования Средняя единичная
мощность оборудования Средняя загрузка оборудования Производственная площадь
участка Производственная площадь на единицу оборудования Себестоимость
единицы изготовляемого изделия Цеховые расходы Прибыль
|
шт
грн шт грн чел. чел. чел. чел. чел. чел. шт грн шт грн грн грн грн шт грн
кВт кВт % м2 м2 грн % грн
|
19000 49495000 - - 47 33 7 5 1 1
4.3 404 1052420 576 1500480 831025.1 17681.4 19296.03 30 1348000 370 12.33
85.3 1440 48 2706.5 76 811.95
|
.2.6 АНАЛИЗ ПРИБЫЛЬНОСТИ ПРОИЗВОДСТВЕННОЙ
ДЕЯТЕЛЬНОСТИ ПРЕДПРИЯТИЯ
График рентабельности показан на рисунке 7.2. Результаты
расчета чистых денежных поступлений от производства детали корпуса
пневмоцилиндра занесены в таблицу 7.10.
Таблица 7.10. Расчет чистых денежных поступлений
от производства детали корпуса пневмоцилиндра.
|
Наименование
|
Единицы
измерения
|
По
годам
|
Всего
|
В
среднем за 5 лет
|
|
|
0
|
1
|
2
|
3
|
4
|
5
|
|
|
|
Капитальные
вложения
|
тыс.
грн
|
1348
|
-
|
-
|
-
|
-
|
-
|
-
|
-
|
|
Объем
производства проектируемой детали
|
тыс.
грн
|
-
|
66850.55
|
66850.55
|
66850.55
|
66850.55
|
66850.55
|
-
|
-
|
|
Цена
1 детали
|
грн
|
-
|
3518.45
|
3518.45
|
3518.45
|
3518.45
|
3518.45
|
-
|
-
|
|
Полная
себестоимость 1 детали
|
грн
|
-
|
2706.5
|
2706.5
|
2706.5
|
2706.5
|
2706.5
|
-
|
-
|
|
Полная
себестоимость реализованной продукции
|
тыс.
грн
|
-
|
51423.32
|
51423.32
|
51423.32
|
51423.32
|
51423.32
|
-
|
-
|
|
Амортизационные
отчисления на весь объем
|
тыс.
грн
|
-
|
323.52
|
245.87
|
186.87
|
142.02
|
107.93
|
-
|
-
|
|
Прибыль
от реализации 1 детали
|
грн
|
-
|
811.95
|
811.95
|
811.95
|
811.95
|
811.95
|
-
|
-
|
|
Прибыль
от реализации всего объема продукции
|
тыс.
грн
|
-
|
15426.99
|
15426.99
|
15426.99
|
15426.99
|
15426.99
|
-
|
-
|
|
Ставку
налога на прибыль
|
%
|
-
|
30
|
30
|
30
|
30
|
30
|
-
|
-
|
|
Налог
на прибыль
|
тыс.
грн
|
-
|
4628.1
|
4628.1
|
4628.1
|
4628.1
|
4628.1
|
-
|
-
|
|
Чистая
прибыль на весь объем
|
тыс.
грн
|
-
|
10798.9
|
10798.9
|
10798.9
|
10798.9
|
10798.9
|
-
|
-
|
|
Чистые
денежные поступления
|
тыс.
грн
|
-
|
11122.42
|
11044.77
|
10985.77
|
10940.92
|
10906.83
|
55000.71
|
11000.14
|
|
Коэффициент
дисконтирования
|
|
-
|
0.909
|
0.826
|
0.751
|
0.683
|
0.621
|
-
|
-
|
|
Дисконтированные
денежные поступления
|
тыс.
грн
|
-
|
11123.33
|
11045.6
|
10986.52
|
10941.6
|
10907.45
|
55004.5
|
11000.9
|
|
Рентабельность
|
%
|
-
|
30
|
30
|
30
|
30
|
30
|
-
|
-
|
Чистая текущая стоимость доходов:
тыс. грн. > 0.
Сток окупаемости
года.
Индекс доходности
> 1.
Показатель экономической
эффективности (NPU) - чистая текущая стоимость доходов
за годы реализации внедрения (5 лет) станков с ЧПУ составит 53656.5 тыс. грн.
т. е. отвечает условиям эффективности, так как NPU > 0.
Средний срок окупаемости
капиталовложений составит менее 1 года.
Таким образом, показатели
эффективности свидетельствуют о том, что данное внедрение при проектировании
усовершенствованной технологии изготовления для детали "корпус
пневмоцилиндра" является экономически целесообразным.
8. ПРОЕКТИРОВАНИЕ ЦЕХА
Общие размеры и площадь цеха
определяют на основе планировки оборудования и всех помещений цеха. Размеры
зданий, состоящих из нескольких пролетов, определяют по размерам и числу
пролетов.
Каждый пролет характеризуется
основными размерами, шагом колонн t и шириной
пролета L, или,
иначе, сеткой колонн
.
Ширина пролета здания L называется
расстояние между осями подкрановых стоек или колонн. Ширина пролета здания
находится в установленной размерной зависимости от пролета мостового крана. В
механическом цеху применяют краны грузоподъемностью до 15 тонн. Ширину пролета
мостового крана выбираем 23м, тогда ширина пролета здания будет L = 24м,
расстояние от оси колонн до вертикальной оси кранового рельса равна l = 500мм.
Шаг колонн выбираем равным t = 12м.
Наибольший не доход главного крюка
для кранов грузоподъемностью до 15 тонн составляет l1 = 1300мм.
Длина пролета цеха определяется
суммой размеров производственных и вспомогательных отделений, последовательно
расположенных, вдоль пролета, проходов и других участков цеха. Основным
размером, определяющим длину пролета, является длина технологической линии
станков, расположенных вдоль пролета.
Длина пролета цеха, определяемая
графически, на основе планировки оборудования и всех отделений и участков,
расположенных вдоль пролета, складывается при типовой схеме компоновки.
Общая длина цеха должна быть кратной
величине шага колонн, который для всех цехов и размеров пролетов в настоящее
время принимается равным 12 и 6м.
Высоту пролета цеха определяют
исходя из размеров изготовляемых изделий, габаритных размеров оборудования (по
высоте), размеров и конструкции мостовых кранов, а также
санитарно-гигиенических требований.
Общая высота здания Н от пола до
нижней выступающей части верхнего перекрытия или до нижней точки стропильной
затяжки слагается из расстояния Н1 от пола до головки подкранового рельса и
расстояния h от головки
рельса до нижней выступающей части верхнего перекрытия, которое для кранов
грузоподъемностью до 10м принимаем h = 2200мм.
(8.1)
Величина Н1 складывается из
следующих величин:
(8.2)
Где k - высота
наиболее высокого станка;
z -
промежуток между транспортируемым изделием, принимается равным 0.5 - 1.0м;
e - высота
наибольшего по размеру изделия в положении транспотирования;
f -
расстояние от верхней кромки наибольшего транспортируемого изделия до центра
крюка крана в верхнем его положении, необходимое для захвата изделия канатом,
принимается 1м;
c -
расстояние от предельного верхнего положения крюка до горизонтальной линии, проходящей
через вершину головки рельса, принимаем 1м.
мм
мм.
Среднюю высоту здания принимаем
равную сумме высоты Н - от пола до нижнего пояса фермы и а - от нижнего пояса
фермы до горизонтальной линии проходящей через середину фонаря. Высота а
принимается 1/5 ширины пролета здания, а = 4800мм. Среднюю высоту пролета
здания принимаем 17200мм.
Высоту помещений в цехе, по
санитарно-гигиеническим требованиям, принимаем до 8.4м.
Железобетонные стропильные фермы для
пролетов 24м изготовляют сборными (составными). Высота стропильных ферм равна
3.7м.
В здании предусмотренные
прямоугольные фонари, сооружения служащие для естественного освещения и аэрации
воздуха внутри цеха.
Прямоугольные фонари имеют
вертикальное остекленение, которое меньше загрязняется и препятствует
проникновению в цех прямых солнечных лучей.
Ширина фонарей для пролетов 24м
принимаем 12м.
Расположение фонарей предусматривают
не реже, чем через 84м по длине пролета. Разрывы между фонарями должны быть не
менее 6м.
В световых фонарях делается
одинарное остекленение. Переплеты остекленения фонарей делаются в один ярус,
открывание фонарных створок производится снизу, с уровня пола, с помощью
специальных механизмов. При открывании и закрывании длинных лент поясов
остекленения пользуются электродвигателями.
Очистка от загрязнения внутренней
поверхности остекленения фонарей производится со специальных тележек.
В цеху несущие функции выполняют
каркас, состоящий из железобетонных колонн и балок. Для обеспечения необходимой
жесткости размеры колонн квадратного сечения (
) определяются по формуле
(8.3)
мм.
Принимаем а = 500мм.
Ширина ворот для прохода
железнодорожных вагонов - 5м, высота ворот - 5.6м. Ворота выполнены с автоматическим
открыванием.
Для зациты рабочих мест от холодного
воздуха при частом открывании ворот предусматривается утепление проемов при
помощи воздушно-тепловых завес. Включение воздушно-тепловых завес блокируется с
открытием ворот.
Также предусмотрены административно-бытовые
помещения. Бытовые помещения располагаются вместе с административно-конторскими
в одном специальном здании. Это здание пристроено к торцовой стороне здания
цеха.
9. РАЗДЕЛ ОХРАНЫ ТРУДА И ОКРУЖАЮЩЕЙ
СРЕДЫ
.1 АНАЛИЗ ОПАСНЫХ И ВРЕДНЫХ ФАКТОРОВ
ПРОИЗВОДСТВЕННОГО ПРОЦЕССА
При механической обработке
материалов на металлорежущих станках возникает ряд физических, химических и
биологических опасных и вредных производственных факторов.
Движущиеся части производственного
оборудования, передвигающиеся изделия и заготовки, стружка обрабатываемых
материалов, осколки инструментов, высокая температура поверхности
обрабатываемых деталей и инструмента, повышенное напряжение в электроцепи или
статического електричества, при котором может произойти замыкание через тело
человека - относятся к категории физических опасных факторов.
Физическими вредными
производственными факторами, характерными для процесса резания, являются
повышенная запыленность и загазованность воздуха рабочей зоны; высокий уровень
шума и вибрации; недостаточная освещенность рабочей зоны; наличие прямой и
отраженной блескости; повышенная пульсация светового потока.
Наличие опасных и вредных факторов
возникающих при выполнении технологического процесса сведем в таблицу 9.1.
Таблица 9.1. Опасные и вредные факторы
технологического процесса.
|
Операция
технологического процесса
|
Опасные
и вредные факторы
|
|
Заготовительная:
обрубка отливок, зачистка заусенцев, обработка поверхностей заготовки
реактивами, установка приспособлений
|
|
Обработка
деталей: механическая обработка резанием на металлорежущих станках.
|
Движущиеся
и вращающиеся механизмы, наличие стружки электрическое напряжение,
разлетающиеся осколки, запыленность, загазованность, работа с
воспламеняющимися жидкостями, слабое освещение, высокий нагрев поверхностей
заготовок.
|
|
Контрольная
операция: технический контроль выполняемых размеров.
|
Наличие
заусенцев, шероховатость, острые кромки, слабая освещенность, электрическое
напряжение.
|
Возникающие в рабочей зоне вредные
производственные факторы, могут превышать величины нормативов предусмотренных
ГОСТом. Приведение значений физических величин, возникающих в рабочей зоне и
сравнение их с нормативными указанны в таблице 9.2.
Таблица 9.2.
|
Вредные
факторы
|
Нормативные
значения
|
Физические
значения
|
|
Освещение
рабочего места, лк
|
500
СНиП 2 - 4 - 79
|
300
|
|
Запыленность,
мг/м3
|
50
ГОСТ 12.4.026 - 76
|
100
- 120
|
|
Шум,
дБА
|
45
ГОСТ 12.1.003 - 76
|
40
|
|
Вибрация,
дБА
|
92
- 107 ГОСТ 12.1.012 - 78
|
105
|
На основе анализа вредных факторов (таблица 9.2)
отклонением от нормативных значений являются запыленность и освещенность
помещения цеха.
Шум, вибрация, электрическое напряжение,
ионизирующее и инфракрасное излучение, находятся в пределах нормы.
.2 ИНЖЕНЕРНО-ТЕХНИЧЕСКИЕ МЕРОПРИЯТИЯ ПО ОХРАНЕ
ТРУДА
Для устранения травматизма на рабочем месте
выполняем следующие требования.
Для работающих обеспечиваются удобные рабочие
места, не стесняющие их действий во время выполнения работы. На рабочих местах
предусмотрена площадь, на которой размещаются стеллажи, тара, столы и другие
устройства для размещения оснастки, материалов, заготовок готовых деталей и
отходов производства.
На каждом рабочем месте около станка на полу
находятся деревянные решетки на всю длину рабочей зоны, а по ширине не менее
0.6м от выступающих частей станка.
Удобное расположение инструмента и
приспособлений в тумбочках и на стеллажах, заготовок в специальной таре,
применение планшетов для чертежей позволяет снизить утомление и
производственный травматизм рабочего.
Установка обрабатываемых заготовок и снятие
готовых деталей во время работы оборудования допускается вне зоны обработки,
при применении специальных позиционных приспособлений, обеспечивающих
безопасность труда работающих.
При обработке резанием заготовок, выходящих за
пределы оборудования, установлены переносные ограждения и знаки безопасности по
ГОСТ 12.4.026 - 76.
Для исключения соприкосновения рук станочников с
движущимися приспособлениям и инструментом при установке заготовок и снятии
деталей применяются автоматические устройства.
Контроль на станках размеров обрабатываемых
заготовок и снятие деталей для контроля проводятся лишь при отключенных
механизмах вращения или перемещения заготовок, инструмента и приспособлений.
Стружку от металлорежущих станков и с рабочих
мест убирают механизированными способами: скребковыми и пластинчатыми
одновинтовыми конвейерами, двухвинтовыми и пластинчатыми конвейерами.
При обработке резанием хрупких, пылящихся
материалов, с вредными для здоровья наполнителями, удаление стружки
осуществляется непосредственно от режущих инструментов с помощью пневматических
пылестружкоотсасывающих установок.
Для обеспечения чистоты воздуха и нормализации параметров
микроклимата в производственных помещениях помимо местных отсасывающих
устройств, обеспечивающих удаление вредных веществ из зоны резания,
предусмотрена приточно-вытяжная общеобменная система вентиляции.
В соответствии с требованиями СНиП 2 - 33 - 75
ворота, двери и технологические проемы оборудованы воздушными и
воздушно-тепловыми завесами.
Естественное и искусственное освещение
производственных помещений соответствует требованиям СНиП 2 - 4 - 79. В
помещениях с недостаточным естественным светом и без естественного света
применяются установки искусственного ультрафиолетового облучения в соответствии
с СН 245 - 71.
Для местного освещения применяются
светильники, установленные на металлорежущих станках, также используются
светильники с непросвечиваемыми отражателями с защитным углом не менее
. Кроме
того, предусмотрены меры по снижению отраженной блескости.
Зная геометрические размеры
помещения цеха, произведем расчет искусственного освещения помещения цеха.
Исходные данные для расчета.
Геометрические размеры помещения:
длина А=97.5м; ширина В=49.8м; высота подвеса h=12м.
Характеристика помещения цеха:
запыленность помещения - 100мг/м3; разряд зрительной работы - 5в; контраст
объекта с фоном - большой, фон - темный; используется система комбинированного
освещения.
Расчет искусственного освещения
выполняется методом коэффициента использования светового потока.
Необходимый световой поток ламп в
каждому светильнику Φ
определим
по формуле
(9.1)
Где Е - нормированная минимальная
освещенность, Е = 150лк;
s - площадь
освещения, м2;
k -
коэффициент запаса, k = 1.5;
z -
коэффициент минимальной освещенности, z = 1.5;
N - количество
светильников в помещении;
η - коэффициент использования
светового потока.
Определим общее количество
светильников
(9.2)
Где Nр -
количество рядов светильников зависящих от размеров помещения
(9.3)
Где L -
расстояние между рядами светильников
(9.4)
Где λ - отношение
расстояния между светильниками до расчетной высоты подвеса; типовая кривая -
косинусная (Д) λ
= 1.4.
м.
рядов.
Количество светильников в ряду
(9.5)
Где l -
расстояние между крайними светильниками и стеной:
м.
светильников.
светильников.
Для определения коэффициента
использования светового потока η найдем индекс помещения
(9.6)
Значение i округляем
до ближайших табличных значений: i = 3.0.
Характеристика отражающих
поверхностей: от потолка - ρп = 50%; от стены - ρс = 30%; от
пола - ρр = 10%.
По известному индексу и
характеристики отражающих поверхностей, определяем коэффициент использования
светового потока - η
= 0.61.
Тогда световой поток равен
лм.
Исходя, из полученного светового
потока выбираем лампу типа ДРИ 250 со следующей технической характеристикой:
Мощность лампы, Вт 250
Световой поток после 100 часов
горения, лм 18700
Срок службы, ч 3000
Отклонение фактической освещенности
от заданной составит
При расчетах освещенности допустимая
величина отклонений от нормированной составляет: от -10% до +20%.
.3 ПОЖАРНАЯ ПРОФИЛАКТИКА
Проектирование и эксплуатация всех
промышленных предприятий регламентируется "Строительными нормами и
правилами" (СНиП 2 - 90 - 81, СНиП 2 - 2 - 80), "Правилами устройства
электроустановок" (ПУЭ - 76).
В соответствии со СНиП 2 - 2 - 80
все производства делят на следующие категории: А, Б - взрывопожароопасные; В -
пожароопасные; Г - к этой категории относятся производства, в которых
используются негорючие вещества и материалы в горячем, раскаленном или
расплавленном состоянии; Д - это производства, в которых обрабатываются
негорючие вещества и материалы в холодном состоянии; Е - взрывоопасные.
За степенью пожарной безопасности
проектируемое производство относится к категории Д.
Помещения и установки, в которых
содержатся горючие жидкости (ГЖ) и горючие пыли, нижний концентрационный предел
которых выше 65 г/м3, относятся к пожароопасным и классифицируют следующим
образом.
Зона класса П - 1. К ней относят
помещения, в которых содержатся ГЖ.
Зона класса П - 2. В эту зону входят
помещения, в которых содержатся горючие пыли с нижним концентрационным пределом
выше 65 г/м3.
Зона класса П - 2а. К ней относят
помещения, в которых содержатся твердые горючие вещества, не способные
переходить во взвешенное состояние.
Зона класса П - 3. К этой зоне относят
наружные установки, в которых содержатся ГЖ (минеральные масла с температурой
вспышки выше
С) или
твердые горючие вещества.
По пожароопасности помещение цеха
можно отнести к классу П - 3.
Здание считается правильно
спроектированным в том случае, если наряду с решением функциональных,
прочностных, санитарных и других технических и экономических требований
обеспечены условия пожарной безопасности.
Повысить огнестойкость зданий и
сооружений можно облицовкой или оштукатуриванием металлических конструкций. Для
защиты деревянных конструкций, из имеющихся видов штукатурки предпочтение
отдается известково-цементной толщиной 20мм, асбестоцементной или гипсовой.
Искры от промышленных печей и установок
с открытым огнем часто являются причинами возникновения пожаров, поэтому
котельные и установки с открытым огнем располагают с подветренной стороны по
отношению к открытым складам ЛВЖ, сжиженных газов и т. п.
Для предупреждения распространения
пожара с одного здания на другое между ними устраивают противопожарные разрывы.
При определении противопожарных разрывов исходят из того, что наибольшую
пожарную опасность в отношении возможного воспламенения соседних зданий и
сооружений представляет тепловое излучение от очага пожара.
К противопожарным преградам относят
стены, перегородки, перекрытия, двери, ворота, люки, тамбур-шлюзы и окна.
Противопожарные стены должны быть выполнены из несгораемых материалов, иметь
предел огнестойкости не менее 2.5 ч и опираться на фундаменты. Противопожарные
стены рассчитывают на устойчивость с учетом возможности одностороннего
обрушения перекрытий и других конструкций при пожаре. Противопожарные двери,
окна и ворота в противопожарных стенах должны иметь предел огнестойкости не менее
1.2 ч, а противопожарные перекрытия - не менее 1 ч. Такие перекрытия не должны
иметь проемов и отверстий, через которые могут проникать продукты горения при
пожаре.
В соответствии с СНиП 2 - 2 - 80
число эвакуационных выходов из зданий, помещений должно составлять не менее
двух. Эвакуационные выходы должны располагаться рассредоточено. Ширина участков
путей эвакуации должна быть не менее 1 м, а дверей на путях эвакуации - не
менее 0.8 м. Ширина наружных дверей лестничных клеток должна быть не менее ширины
марша лестницы, высота прохода на путях эвакуации - не менее 2 м.
Удаление газов и дыма из горящих
помещений производится через оконные проемы, аэрационные фонари, а также с
помощью специальных дымовых люков, легкосбрасываемх конструкций.
Дымовые люки устанавливают в
подвальных помещениях, в перекрытиях складских и бесфонарных производственных
зданий. Площадь сечения дымовых люков определяют расчетом.
Легкосбрасываемые конструкции
используют для удаления продуктов горения при взрыве с целью снижения давления
до величин, безопасных для прочности и устойчивости строительных конструкций.
Легкосбрасываемые конструкции представляют собой элементы наружных стен и
покрытий. Они вскрываются при повышении давления внутри зданий и обеспечивают
стравливание продуктов горения при взрыве. Различают крышевые и стеновые
легкосбрасываемые панели (клапаны). Площадь сечения легкосбрасываемых
конструкций определяют расчетом в соответствии с нормами СН 502 - 77.
10. ВЫВОДЫ
После изложения разделов дипломного
проекта сделаем выводы о проделанной работе в следующем:
в аналитическом разделе произведен
анализ чертежей конструкций деталей вала маховика и корпуса пневмоцилиндра с
целью определения качественной оценки технологичности конструкций и определения
коэффициента унификации деталей, представляющего собой количественную оценку
технологичности конструкций деталей;
в технологическом разделе
определяется тип производства и форма организации технологического процесса
производства деталей вала маховика и корпуса пневмоцилиндра, выбирается и
экономически обосновывается способ получения заготовок, разрабатывается маршрут
обработки деталей, определяются режимы резания и штучно-калькуляционное время
по каждой операции. В отличии от базового технологического процесса применили
среднесерийный тип и групповую форму организации производства. Суточная
производительность поточной линии производства вала маховика - 33 шт; корпуса
пневмоцилиндра - 80 шт. Такт выпуска детали вала маховика - 152.25 мин.;
корпуса пневмоцилиндра - 121.8 мин. Значительно сократили себестоимость
производства заготовок за счет менее дешевого способа получения. В
разработанном маршруте обработки деталей достигли более высокой точности и
снижения основного технологического времени за счет рациональной последовательности
обработки деталей, вала маховика и корпуса пневмоцилиндра;
в конструкторском разделе
спроектировано специальное станочное приспособление, которое обеспечивает
минимальное вспомогательное время на установку, закрепление и снятие детали
после обработки; необходимую точность и жесткость при закреплении заготовки;
безопасные условия обработки на станке.
в специальном разделе описываются
тепловые процессы, возникающие во время контакта режущей кромки резца с
поверхностью заготовки, в процессе обработки на токарном станке. На основе
уравнений теплопроводности показана закономерность изменения температурного
поля под влиянием различных факторов: изменения геометрических параметров
резца, материала заготовки и режущей части инструмента, изменения режимов
резания и др. Также раскрывается влияние различных факторов на температуру
резания;
в разделе автоматизации раскрываются
принципы контроля размеров обработанных поверхностей заготовки с помощью
линейных интерференционных сигналов (ЛИС). Рассматривается работа интерферометра
со счетом полос на основе частотной модуляции;
в организационном разделе
выполняется организация двух участков по производству деталей вала маховика и
корпуса пневмоцилиндра. На выполнение годовой программы N = 5000
шт/год, выпуска изделия вала маховика, предусмотрено общее количество - 25
станков на участке, общей стоимостью 3130000 грн. Станки загружены на 87%.
Общая численность основных рабочих на участке - 25 человек. Всего списочная
численность на участке - 36 человек. На участке производства детали корпуса
пневмоцилиндра, для выполнения годовой программы N = 19000
шт/год, предусмотрено 30 станков, общей стоимостью - 1348000 грн. Станки
загружены на 85%. Общая численность основных рабочих на участке - 33 человека.
Всего списочная численность на участке - 47 человек;
в экономическом разделе выполняется
расчет технико-экономических показателей участков, выполняется расчет денежных
поступлений от реализации изделий. На графике рентабельности показаны зоны
прибыльной и убыточной деятельности предприятия. Определяется срок окупаемости
капиталовложений необходимых для производства изделий. Для участка производства
деталей вала маховика:
Годовые затраты на материал, грн 39105000
Среднемесячная заработная плата
основных рабочих, грн 1556.63
Годовой фонд заработной платы по
участку, грн 619328.55
Цена единицы изделия, грн 10713.76
Срок окупаемости капиталовложений,
год 0.34
Для участка производства деталей
корпуса пневмоцилиндра:
Годовые затраты на материал, грн 49495000
Среднемесячная заработная плата
основных рабочих, грн 1608
Годовой фонд заработной платы по
участку, грн 831025.1
Цена единицы изделия, грн 3518.45
Срок окупаемости капиталовложений,
год 0.12
спроектированный механический цех
отвечает всем санитарно-гигиеническим требованиям и требованиям СНиП 2 - 33 -
75 и СНиП 2 - 4 - 79;
в разделе охраны труда и окружающей
среды выполнен анализ опасных и вредных факторов возникающих при выполнении
производственного процесса. Для снижения вероятности несчастных случаев на
производстве указанны необходимые мероприятия, которые должны выполняться на
производстве. Произведен расчет искусственного освещения и выбор необходимого
типа и количества ламп для освещения помещения цеха. Выбраны лампы типа ДРИ 250
мощностью 250 кВт. Количество светильников - 108 шт. Также указаны требования
по повышению пожаробезопасности и огнестойкости здания цеха.
11. ЛИТЕРАТУРА
1.
Методичні
вказівки до кваліфікаційної роботи спеціаліста дипломного проекту. Кафедра ТГМ.
Дн-ськ - 2000 р.
.
Дипломное
проектирование по технологии машиностроения. Под общ. ред. В. В. Бабука - Мн.:
Высш. школа, 1979. - 464с.
.
Справочник инструментальщика. Под общ. ред. И. А. Ординарцева. - Л.:
Машиностроение. Ленинград. отд-ние, 1987. - 846 с.
.
Справочник технолога машиностроителя. В 2-х т. Т. 1. Под общ. ред. А. Г.
Косиловой и Р. К. Мещерякова - М.: Машиностроение, 1985 - 656с.
.
Прогрессивные режущие инструменты и режимы резания металлов. Под общ. ред. В.
И. Баранчикова. - М.: Машиностроение, 1990. - 400с.
.
Справочник конструктора машиностроителя: В 3-х т. Т3. - 8-е изд., перераб. и
доп. Под ред. И. Н. Жесковой. - М.: Машиностроение, 2001. - 864с.
.
Нефедов Н. А., Осипов К. А. Сборник задач и примеров по резанию металлов и
режущему инструменту: - 5-е изд., перераб. и доп. - М.: Машиностроение, 1990. -
448с.
.
Горбацевич А. Ф., Шкред В. А. Курсовое проектирование по технологии
машиностроения. - Минск: Высшая школа, 1983.
.
Нефедов Н. А. Дипломное проектирование в машиностроительных техникумах. - М.:
Высшая школа, 1986.
.
Материалы в машиностроении Т.1…5./Под ред. проф. Кудрявцева Н. В., М.
Машиностроение, 1967.
.
Справочник технолога машиностроителя. В 2-х т. Т. 2. Под общ. ред. А. Г.
Косиловой и Р. К. Мещерякова - М.: Машиностроение, 1985.
.
Справочник металлиста./ Под ред. Богуславского В. А. Т. 5. - М.:
Машиностроение, 1986.
.
Общемашиностроительные нормативы режимов резания и времени для технического
нормирования работ на металлорежущих станках. - М.: 1991.
.
Якушев А. М. Справочник контролера машиностроительных заводов. - М.: Машгиз,
1970.
.
Металлорежущие станки с ЧПУ. Каталог. - М.: НИ Имаш, 1988.
.
Руденко П. А. Проектирование технологических процессов в машиностроении. -
Киев: Высшая школа, 1985.
.
Обработка металлов резанием. Справочник технолога./ Под ред. Панова А. Л. - М.:
Машиностроение, 1988.
.
Брюханов А. Н. Ковка и объемная штамповка. - М.: Машиностроение, 1975.
.
Охрименко Я. М. Технология кузнечно-штамповочного производства. - изд. 2-е:
Учебник для студентов - М. Машиностроение, 1976.
.
Головин С. Я. Прогрессивные виды литья. - М.: Знание, 1964.
.
Косилова Л. Г. и др. Точность обработки, заготовки и припуски в машиностроении:
Справочник. - М.: Машиностроение, 1976.
.
ГОСТ 7504 - 74. Допуски и припуски на заготовки, получаемые горячей штамповкой
на молотах, прессах и ГКМ.
.
ГОСТ 26645 - 85. Отливки из металлов и сплавов. Допуски размеров, массы и
припуски на механическую обработку.
.
ГОСТ 21495 - 76. Базирование и базы в машиностроении.
.
Маталин А. А. Точность механической обработки и проектирования технологических
процессов. - Л.: Машиностроение, 1970.
.
Ансеров Н. А. Приспособления для металлорежущих станков. - М.: Машиностроение,
1975.
.
Горошкин Л. К. Приспособления для металлорежущих станков. Справочник. - М.:
Машиностроение, 1979.
.
Болотин Х. Л., Костром Ф. П. Станочные приспособления, - М.: Машиностроение,
1979.
.
Корсаков В. С. Основы конструирования приспособлений: 2-е изд., перераб. и доп.
- М.: Машиностроение, 1983.
.
Белоусов А. П. Проектирование станочных приспособлений: 3-е изд., перераб. и
доп. - М.: Высш. школа, 1980.
.
Пуш В. Э., Пичерт Р. Х., Сосонкин В. Д. Автоматические станочные системы. - М.:
Машиностроение, 1982.
.
Евстигнеев М. И. Автоматизация технологических процессов в
авиадвигателестроении.
.
Корсаков В. С. Автоматизация производственных процессов. - М.: Высш. школа,
1978.
.
Автоматические приборы для контроля размеров деталей в машиностроении -
Каталог. 4.1. - Омск, 1969. - 160с.
.
Егоров М. Е. Основы проектирования машиностроительных заводов: 6-е изд. Учебник
для машиностроительных вузов. - М.: Высш. школа, 1979.
.
Санитарные нормы проектирования промышленных предприятий. Сп-243.
.
Строительные нормы и правила. СН и П-П-П-77. - М.: Стройиздат. 1978.
.
Безопасность производственных процессов: Справочник. Белов С. В. и др. - М.:
Машиностроение, 1985.
.
Охрана труда в машиностроении/ Под ред. Е. Я. Юдина, С. В. Белова - 2-е изд.,
перераб. и доп. - М.: Машиностроение, 1983.
.Тиллес
С. А. экономика технологических процессов механической обработки. - М.: Машгиз,
1964.
.
Климов А. Н., Оленев И. Д., Соколицын С. А. Организация и планирование
производства на машиностроительном заводе. Учебник для машиностроительных
вузов. Изд. 3-е перераб. и доп. - Д.: Машиностроение, 1979.
.
Бойко В. В. Економіка підприємств України:
Навчальний посібник. - 2-е вид., переробл., і доп. - Дніпропетровськ:
Національна гірнича академія України, 2002. - 535с.