Разработка и технологический процесс изготовления детали 'крышка'

  • Вид работы:
    Курсовая работа (т)
  • Предмет:
    Другое
  • Язык:
    Русский
    ,
    Формат файла:
    MS Word
    700,29 Кб
  • Опубликовано:
    2015-04-12
Вы можете узнать стоимость помощи в написании студенческой работы.
Помощь в написании работы, которую точно примут!

Разработка и технологический процесс изготовления детали 'крышка'















ПОЯНИТЕЛЬНАЯ ЗАПИСКА К КУРСОВОЙ РАБОТЕ

по дисциплине технологии конструкции материалов

Разработка и технологический процесс изготовления детали «крышка»


Аннотация

Цель курсовой работы - разработать технологический процесс изготовления детали «крышка».

Задачи курсовой работы - требуется разработать маршрутный технологический процесс изготовления детали «крышка». Материал 20ХН3, программа выпуска 2000 штук в месяц.

В курсовой работе поэтапно рассмотрены процессы изготовления детали, производство материала для изготовления детали, приведены рисунки к процессам изготовления детали. В конце сделано заключение по производству детали, начиная от производства металла заканчивая выпуском требуемой детали.

ОГЛАВЛЕНИЕ

ВВЕДЕНИЕ

1.      АНАЛИЗ ТЕХНОЛОГИЧНОСТИ ДЕТАЛИ

.        ТЕХНОЛОГИЯ ПОЛУЧЕНИЯ МАТЕРИАЛА ЗАГОТОВКИ

.        ТЕХНОЛОГИЯ ПОЛУЧЕНИЯ ИСХОДНОЙ ЗАГОТОВКИ

.1      Возможные способы получения исходной заготовки

.2      Выбор эффективного способа получения исходной заготовки

.3      Получение исходной заготовки для холодной листовой штамповки

.4      Описание оборудования и инструмента для холодной листовой штамповки

.        РАЗРАБОТКА ТЕХНОЛОГИИ ПОЛУЧЕНИЯ ДЕТАЛИ

.1      Обработка фланца на токарно-винторезном станке

.2      Обработка цилиндрической поверхности на токарно-винторезном станке

.3      Обработка заготовки на вертикально-сверлильном станке

.4      Нарезание резьбы М8

.5      Сверление отверстия Ø20

4.6    Зенкерование отверстия Ø20

4.7    Развёртывание отверстия Ø20

4.8    Обработка заготовки на фрезерном станке

.9      Обработка заготовки на круглошлифовальном станке

.        КОНТРОЛЬ РАЗМЕРОВ ДЕТАЛИ

ЗАКЛЮЧЕНИЕ

БИБЛИОГРАФИЧЕСКИЙ СПИСОК

Введение

Данная курсовая работа предназначена для изучения курса ТКМ (технология конструкционных материалов) в сфере технологического производства деталей. В качестве объекта изучения предложена деталь именуемая - «Крышка», задано количество деталей и материал.

Проанализировав пункт технологии получения исходной заготовки, будет выбран эффективный способ получения заготовки, то есть с помощью ОМД (обработка металлов давлением). Учитывая толщину детали, предложен такой технологический процесс как прокат, следовательно, нужно описать прокатные станы и валки, а так же технология процесса прокатки листов. Исходя из того, что большинство поверхностей детали ни как не обрабатывается, будет предложено получить заготовку таким способом как холодная листовая штамповка. Получив заготовку с нужными габаритами, переходим к пункту обработка поверхностей резаньем, а точнее обработка на сверлильных, токарных и фрезерных станках. После получения детали - «Крышка» в количестве 2000 штук нужно проверить физические характеристики, в пункте контроль качества будут описаны виды проверок.

1. Анализ технологичности детали

Материал детали - легированная сталь 20ХН3 содержит: 0,20% углерода, 1% хрома, 3% никеля. Заготовки из данного материала можно получить с помощью методов обработки давлением. Обработку поверхностей проводят лезвийными и абразивными инструментами.

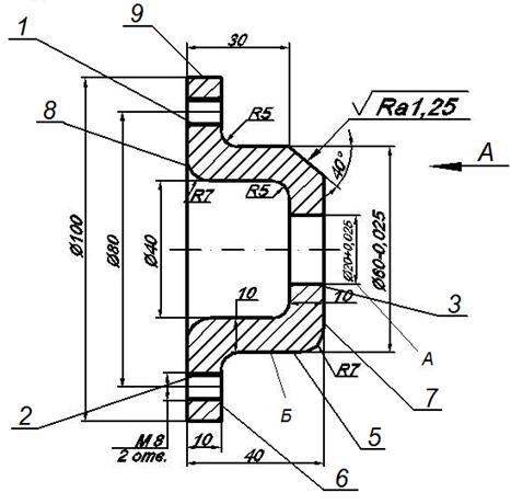
Указанная общая шероховатость детали говорит о том, что поверхности заготовки находятся в состоянии поставки, то есть не подвергаются механической обработке. Обработку резанием проводят над поверхностями 1, 2, 3, 4, 5, 6, 7, 8, 9. На поверхностях 1 и 2 нарезают резьбу М8. Поверхность 3 является отверстием. Поверхность 4 - лыска Ra1,25, поверхность 5 - цилиндрическая поверхность с высокой точностью изготовления. Поверхности 6, 7, 8, 9 - цилиндрические и торцевые поверхности, требующие снятия окалины, на поверхности 9 при вырубке листа и штамповке образуются заусенцы, которые также необходимо снять.

Данная деталь является технологичной. Её поверхность представляет собой тело вращения. Все цилиндрические поверхности можно легко получить точением и шлифованием. Радиусы скругления получаются при холодной листовой штамповке. Отверстия высокой точности получают сверлением с последующим зенкерованием и развёрткой.

Заготовку детали можно получить различными способами. Первый способ: в цилиндрическом прутке диаметром 100мм глухой прошивкой получают углубление диаметром 40мм. Раскаткой на оправке добиваются уничтожения бочкообразности заготовки. Затем, учитывая точность , на токарном станке получают внешний диаметр 60мм. Для крепления данной заготовки на токарном станке используют трёхкулачковый самоцентрирующийся патрон. Обтачивание наружной цилиндрической поверхности производят с помощью проходного резца.

В качестве второго способа можно представить холодную листовую штамповку. Исходным материалом будет являться листовой прокат толщиной 10мм. Листовой прокат обрезают до необходимых размеров заготовки, и с помощью вытяжки без утончения стенок получают полую пространственную деталь с требуемыми размерами. Опять же для обеспечения необходимой точности поверхностей, на токарном станке производят доводку внешнего диаметра.

Отверстие 3 для предотвращения биения получают на токарно-винторезном станке. Заготовку в данном случае закрепляют в трёхкулачковом самоцентрирующемся патроне, и сверлом просверливают отверстие необходимого диаметра. Далее для достижения необходимой точности отверстие зенкеруют и развёртывают. Отверстия 1 и 2 получают на вертикально-сверлильном станке, заготовка закрепляется прижимными планками. Диаметры отверстий 1 и 2 выбирают по ГОСТ 19257-13. Резьбу в отверстиях также можно нарезать на сверлильном станке, только рабочим инструментом в данном случае будет метчик.

Лыску получают на фрезерных станках. Деталь устанавливают на горизонтально-фрезерный станок и с помощью одноугловой фрезы получают требуемую поверхность. Анализ шероховатости показывает, что основная часть поверхностей детали особой обработки не требует. Поэтому для снятия окалины и срезания заусенцев проведём обтачивание поверхностей 6, 7, 8, 9 на токарном станке. Лыска должна обладать шероховатостью Ra1,25. Такая шероховатость достижима на операции чистового фрезерования. Точность диаметральных размеров поверхности 5 требует чистового шлифования. Поверхность 3 с той же точностью также требует обработки, которую целесообразней провести зенкерованием, а затем развёртыванием.

Из проведённого выше анализа технологичности можно заключить, что данная деталь имеет достаточно технологичную конструкцию, её производство не требует специального оборудования, приспособлений и инструментов.

Рисунок 1

Допуск биения пов. А

Относительно пов. Б

2. технология получения материала заготовки

Сплавы железа с углеродом, содержащие свыше 2% углерода, называют чугунами. Их получают путем восстановления железа из оксидов, содержащихся в рудах. Процесс восстановления железа ведут в доменных печах. В зависимости от назначения и места дальнейшей переработки различают чугуны предельные (примерно 80% от всего выпуска), предназначенные для переработки в сталь, и литейные.

Исходными материалами для доменного производства является руда, флюсы, топливо и огнеупоры.

Железная руда состоит из железосодержащих минералов и пустой породы, в состав которой входят оксиды кремния Si02, алюминия А12О3, кальция СаО и магния MgO. Для производства чугуна используют следующие руды. Магнитный железняк представляет собой смесь двух оксидов железа - FeO и Fе20з, содержит до 70% железа. Руда имеет темный цвет, прочная и плотная, а после измельчения легко обогащается методом магнитной сепарации. Красный железняк содержит до 60% железа в виде оксида Fе203. Он менее плотен, чем магнетит, легко измельчается и восстанавливается. Бурый железняк представляет собой водный оксид железа Fе20З. Н20 и содержит еще меньше железа (до 50%). Это относительно рыхлая, легко восстанавливаемая порода. Шпатовый железняк содержит до 40% Fe в виде карбоната FеСО3

Флюсы - это специально вводимые в доменную печь материалы, снижающие температуру плавления пустой породы и ошлаковывающие золу кокса. Различают основные и кислые флюсы. К первым относится известняк СаСО3 и доломит СаСО3. МgСО3, дающие при разложении оксиды щелочной группы СаО и MgO. Ко вторым относится кремнезем SiО2 - кислотный оксид. Выбор зависит от состава пустой породы. Если пустая порода имеет песчано-глинистый характер (смесь SiО2 и А12О3), то в качестве флюсов применяют известняк или доломит, а если в ней превалируют известковые породы, то флюсом служит песок, что в практике встречается довольно редко.

Основным видом топлива в доменном производстве служит кокс, но в отдельных случаях в дополнение к коксу используют природный газ или пылевидный каменный уголь, которые подают вместе с воздухом, необходимым для горения топлива. Кокс должен содержать не менее 80% углерода и возможно меньшее количество серы (2%), золы (12%), влаги (5%) и летучих веществ (1 - 2%).

Огнеупоры служат для сооружения рабочего пространства доменных и других плавильных печей. Они должны обладать термостойкостью, механической прочностью и химической стойкостью по отношению к шлакам. По химическому составу огнеупоры разделяют на кислые, состоящие из кварцитов, основные и нейтральные. Они поставляются в виде кирпичей, фасонных блоков и крошки. Состав применяемого огнеупора оказывает определяющее влияние на тип флюса, вводимого при плавке. Наибольшее распространение нашли так называемые шамотные огнеупорные материалы, обладающие слабокислыми свойствами и состоящие из смеси кремнезема и глинозема.

После добычи руды и коксующегося угля, их направляют на подготовку и переработку, которая для кокса сводится к нагреву в коксовых батареях, а для руды - к ее измельчению, обогащению и окускованию.

Подготовленные таким образом исходные материалы поступают в доменную печь, где и происходит восстановление железа из оксидов и его насыщение углеродом и другими примесями.

В случае выплавки предельного чугуна последний направляется в сталеплавильные печи, в которых из него получают сталь.

Сталь - это сплав железа с углеродом, содержание которого не превышает 2,14%. Кроме того, в ней содержатся постоянные примеси (марганец, кремний, сера, фосфор) и в ряде случаев легирующие элементы (никель, хром, ванадий, молибден, вольфрам и др.).

В металлургии <#"810701.files/image005.gif">с последующей ковкой и обработкой режущим инструментом. Также заготовку можно получить с помощью холодной штамповки из листового проката или горячей объёмной штамповкой. Принимая во внимание программу выпуска детали 2000 штук в месяц, считаю, что наиболее выгодным и эффективным способом изготовления будет являться холодная листовая штамповка. При ковке из стального прутка слишком большое количество металла уйдёт в стружку при обработке резаньем на токарном станке. Для горячей объёмной штамповки данная деталь слишком проста. При данном способе получения заготовки требуется изготовление отдельного, подходящего только для этой детали штампа, поэтому для большей производительности и снижения припусков под механическую обработку заготовку лучше получить с помощью холодной листовой штамповкой.

3.2    Выбор эффективного способа получения исходной заготовки

Как было выведено в предыдущем пункте, наиболее эффективным способом изготовления данной детали будет являться холодная листовая штамповка. Помимо того что при данном способе изготовления детали уменьшаются припуски на механическую обработку и достигается высокая производительность, холодная листовая штамповка обладает достаточно высокой точностью размеров и качеством поверхности, позволяющие до минимума сократить отделочные операции обработки резанием, сравнительная простота механизации и автоматизации процессов штамповки, хорошая приспособляемость к масштабам производства, в данном случае к крупносерийному. Данная деталь изготавливается из листа толщиной 10мм, для получения необходимой формы применяют вытяжку без утонения стенки. Для предотвращения появления складок на фланце применяют прижим. Как видно ни при каком другом способе изготовления таких небольших затрат материалов добиться нельзя.

штамповка деталь цилиндрический токарный

3.3    Получение исходной заготовки для холодной листовой штамповки

Исходной заготовкой для данной детали будет являться лист толщиной 10мм. Листовой прокат получают на прокатном производстве. Сущность прокатного производства заключается в том, что металл пластически деформируется вращающимися валками. Взаимное расположение валков их форма и количество могут быть разными. Выделяют три основных вида прокатки: продольную (а), поперечную (б) и поперечно-винтовую (в). При изготовлении листового проката используют продольную прокатку.

Для производства листового проката берут стальной слиток массой до 50 тонн в горячем состоянии прокатывают на слябинге или блюминге, получая заготовку прямоугольного сечения, называемую слябом.

Рисунок 2

Иногда вместо прокатных заготовок широко применяют заготовки в виде слябов, полученные непрерывной разливкой. Слябы прокатывают большей частью на непрерывных станах горячей прокатки, состоящих из двух групп рабочих клетей - черновой и чистовой, расположенных друг за другом. Перед каждой группой клетей сбивают окалину в окалиноломателях. После прокатки полосу сворачивают в рулон.

Рисунок 3

Для этого проводят операцию вытяжки без утонения стенок.

Рисунок 4

Сущность процесса заключается в том, что вырубленную заготовку укладывают на плоскость матрицы. Пуансон надавливает на центральную часть матрицы и смещает в отверстие матрицы. Центральная часть заготовки тянет за собой периферийную, которая образует стенки вытянутой детали и её фланец. Но при определённом соотношении диаметров заготовки и вытянутой детали на фланце могут возникнуть складки. Для предотвращения появления складок применяют прижим, с определённой силой прижимающий фланец заготовки к плоскости матрицы. После проведённых операций получаем цилиндрический стакан с фланцем.

3.4 Описание оборудования и инструмента для холодной листовой штамповки

В качестве оборудования для холодной листовой штамповки следует применять штамп с пружинным буфером, обеспечивающим постоянное усилие. На рисунке приведены схема штампа и эскиз заготовки.

Рисунок 5

4. Разработка технологии получения детали резанием

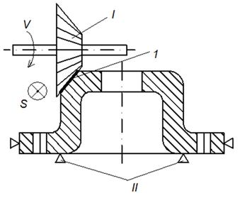
.1 Обработка фланца на токарно-винторезном станке

Для срезания заусенцев, образовавшихся во время холодной листовой штамповки, и снятия окалины обточим заготовку на токарно-винторезном станке.

I - трёхкулачковый патрон; II - проходной резец; 1 - заготовка; 2 - обтачиваемая поверхность.

Рисунок 6

4.2 Обработка цилиндрической поверхности на токарно-винторезном станке

Для придания большей точности внешней поверхности заготовки обточим её на токарном станке.

I - трёхкулачковый патрон; II - резец упорный; III - центр;1 - заготовка; 2 - обтачиваемая поверхность.

Рисунок 7

4.3 Обработка заготовки на вертикально-сверлильном станке

Для получения отверстий под нарезание резьбы М8 воспользуемся вертикально-сверлильном станке. Для закрепления заготовки на станке будем использовать прижимные планки.

Рисунок 8 I - сверло спиральное; II - прижимные планки; 1 - сквозное отверстие Ø6,70.

4.4 Нарезание резьбы М8

Нарезку резьбы проведём на вертикально-сверлильном станке. Рабочим инструментом в данном случае будет метчик. Деталь закрепляется на рабочем столе с помощью прижимных планок

Рисунок 9 I - метчик для нарезки резьбы М8; II - прижимные планки; 1 - нарезание резьбы сквозного отверстия.

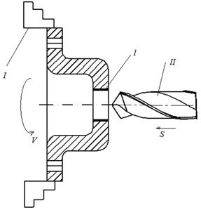
.5 Сверление отверстия Ø20

В данной детали сверлением получают отверстия 1. Режущим инструментом в данном случае служит спиральное сверло. При сверлении отверстий на токарно-винторезном станке для установки и закрепления заготовки будем использовать трёхкулачковый самоцентрирующийся патрон.

I - трёхкулачковый патрон; II- спиральное сверло; 1 - отверстие Ø20

Рисунок 10

.6 Зенкерование отверстия Ø20

Для повышения точности и уменьшения шероховатости внутренней поверхности проводят операцию зенкерования.

Рисунок 11 I - зенкер; II - трёхкулачковый патрон; 1 - зенкерование отверстия.

4.7 Развёртывание отверстия Ø20

Для достижения точности Ø20+0,025 применяют развёртывание - окончательную обработку цилиндрического отверстия.

I - трёхкулачковый патрон; II - развёртка; 1 - развёртываемая поверхность.

Рисунок 12

.8 Обработка заготовки на фрезерном станке

Для получения лыски заготовку фрезеруют одноугловой фрезой на горизонтально-фрезерных станках. Полученная шероховатость после черновой обработки не соответствует требуемой шероховатости. Для получения шероховатости Ra 1,25 применяют чистовое фрезерование

I - фреза; II - прижимные планки; 1 - фрезерование лыски.

Рисунок 13

.9 Обработка заготовки на круглошлифовальном станке

I - шлифовальный круг; II - трёхкулачковый патрон; III - центр; 1 - шлифуемая поверхность.

Рисунок 14

5. Контроль размеров детали

Средства контроля выбираются в зависимости от типа производства. Так для еденичного типа характерны универсальные средства: штангенциркуль, микрометр и др. Для массового типа применяют специальные средства: калибр-пробка и калибр-скоба. В серийном производстве в зависимости от процента контроля могут применяться как те, так и другие мерительные средства.

Для данной детали контролю подлежит внешняя цилиндрическая поверхность Ø60, сквозное отверстие Ø20 и биение поверхности цилиндрической поверхности Ø60 относительно поверхности отверстия Ø20.

Исходя из исходно заданной партии 2000 штук, в качестве контроля размеров будем применять: резьбовую калибр-пробку, калибр-пробку, калибр-скобу и биениеметр.

Рисунок 15 I - микрометрический щуп; II - индикатор; III - стойка индикатора; IV - вращающийся стол; V - основание; 1 - деталь.

ЗАКЛЮЧЕНИЕ

В данной курсовой работе были рассмотрены несколько способов получения заготовок и найден наиболее эффективный - способ холодной листовой штамповки. Разработан технологический процесс обработки заготовки. Должным вниманием был охвачен контроль качества детали, проводимый резьбовой калибр - пробкой, калибр - пробкой, биениеметром и калибр - скобой, так как партия изготовления деталей 2000 штук.

Библиографический список

1.      Щурова.А.В. Технология обработки материалов: сборник заданий к курсовой работе / А.В. Щурова. - Челябинск, 2010. -58с.: ил.

.        Дальский А.М. Технология конструкционных материалов / Дальский А.М, Арутюнова И.А. и др. Изд. - М. 1990. - 570 с.: ил.

.        Поляков Ю.Л. Листовая штамповка легированных сплавов / Ю.Л. Поляков. Изд - М.: Машиностроение, 2009. - 96 с.: ил.

.        Козловский Н.С. Основы стандартизации, допуски, посадки и технические измерения. / Н.С. Козловский, А.Н. Виноградов. Изд. - М.: Машиностроение. 2008. - 284 с.: ил.

Похожие работы на - Разработка и технологический процесс изготовления детали 'крышка'

 

Не нашли материал для своей работы?
Поможем написать уникальную работу
Без плагиата!
Без нейросетей!