Прямые и косвенные измерения
Введение
Измерения играют важную роль в жизни человека. С
измерениями он встречается на каждом шагу своей деятельности. Потребность в
измерениях возникла еще в древние времена, поскольку человеку в повседневной
жизни приходилось измерять различные величины: расстояния, площадь земельных
участков, размеры и массы предметов, время и т. д. Дальнейшее развитие
человеческого общества - развитие торговли, появление промышленности, развитие
наук требовали создания специальных технических средств - средств измерений
различных величин.
С изучением электричества возникла потребность в
электрических средствах измерения. Стали создаваться первые
электроизмерительные приборы, такие как: электрометр, гальванометр.
Дальнейшее развитие науки привело к
усовершенствованию электрических средств измерений и электроизмерительных
приборов.
На данном этапе развития науки электрические
средства измерений передают измерительную информацию с помощью электрического
сигнала. И все измерения физических величин выполняют с помощью электрических
средств измерения.
1. Обработка результатов прямых измерений
Произвести обработку результатов прямых
измерений первой и второй физической величины с использованием ГОСТ 8.207-76 и
представить результат измерений согласно ГОСТ 8.011-72. При обработке
результатов прямых измерений номер и размерность обрабатываемых физических
величин определяется видом математической зависимости:
Р=U*I
Первая физическая величина 220; 210; 280; 223;
218.
Вторая физическая величина 10; 9; 11; 19; 9.
Класс точности первого прибора 1
Класс точности второго прибора 1
Подробное решение:
Обработка первой физической величины
В соответствии с вариантом №1 первой физической
величиной является напряжение U,В
В качестве результата измерения
принимаем среднее арифметическое
результатов наблюдений U1, U2,... Un.
Вычисляем случайные отклонения
результатов наблюдений
Результаты измерений заносим в
Таблицу 1.1.
Таблица 1.1 - Результаты измерений
|
№/№
наблюдения
|
Ui, B
|
Vi, B
|
Vi2, B2
|
|
1
|
220
|
-10,2
|
104,04
|
|
2
|
210
|
-20,2
|
408,04
|
|
3
|
280
|
49,8
|
2480,04
|
|
4
|
223
|
-7,2
|
51,84
|
|
5
|
218
|
-12,2
|
148,84
|
|
 
|
|
|
Для оценки правильности вычисления случайных
отклонений, проверяем, близка ли к нулю их алгебраическая сумма.
Определяем оценку среднего
квадратического отклонения результатов наблюдений
Для оценки принадлежности Umin и Umax к данной
нормальной совокупности и принятия решения об исключении либо нет Umin (Umax) в
составе выборки, найдем отношение:
β=1,6 (при n=5, α=0,1- по
таблице С2 [2])
Так как
, то
результат наблюдения анормален и должен быть исключен из результатов измерений.
Исключаем анормальный результат и повторяем обработку результатов измерений,
начиная с пункта .
В качестве результата измерения
принимаем среднее арифметическое
результатов наблюдений U1, U2,... Un.
Вычисляем случайные отклонения
результатов наблюдений
Результаты измерений заносим в
Таблицу 1.2.
Таблица 1.2 - Результаты измерений
|
№/№
наблюдения
|
Ui, B
|
Vi, B
|
Vi2, B2
|
|
1
|
220
|
2,25
|
5,06
|
|
2
|
210
|
-7,75
|
60,06
|
|
3
|
223
|
5,25
|
27,56
|
|
4
|
218
|
0,25
|
0,06
|
|
 
|
|
|
Определяем оценку среднего квадратического
отклонения результатов наблюдений
Для оценки принадлежности Umin и Umax к данной
нормальной совокупности и принятия решения об исключении или оставлении Umin(Umax) в
составе выборки найдем отношение:
β=1,42 (при n=4, α=0,1- по
таблице С2 [2])
Так как
и
, то
результат наблюдений нормален.
Находим оценку среднего
квадратического отклонения результата измерений
Задаем доверительные границы
случайной погрешности результата измерений
,
где t-
коэффициент Стьюдента
(при
-доверительная вероятность - по
таблице С3 [2])
Определяем абсолютную погрешность
,
где γ=1 - класс
точности прибора
Так как
, то
погрешностью средства измерения по сравнению со случайными погрешностями
пренебрегаем и принимаем, что граница результата
Запись результата производим по ГОСТ
8.011-72 при систематической доверительной погрешности результатов измерений
±D, с вероятностью Р(t).
с вероятностью р(t) = 0,9
2. Обработка второй физической величины
В соответствии с вариантом второй физической
величиной является сила тока I,A.
В качестве результата измерения
принимаем среднее арифметическое
результатов наблюдений I1, I2,... In.
Вычисляем случайные отклонения
результатов наблюдений
Результаты измерений заносим в таблицу 2.1
Таблица 2.1 - Результаты измерений
|
№/№
наблюдения
|
Ii,А
|
Vi,А
|
Vi2,А2
|
|
1
|
10
|
-1.6
|
2.56
|
|
2
|
9
|
-2.6
|
6.76
|
|
3
|
11
|
-0.6
|
0.36
|
|
4
|
19
|
7.4
|
54.76
|
|
5
|
9
|
-2.6
|
6.76
|
|
 
|
|
|
Определяем оценку среднего квадратического
отклонения результатов наблюдений
Проверяем результат наблюдения, для
этого определяем Xmin, Xmax
β=1,6 (при n=5, α=0,1- по
таблице С2 [2])
Так как
, то
результат наблюдения анормален и должен быть исключен из результатов измерений.
Исключаем анормальный результат и повторяем обработку результатов измерений,
начиная с пункта .
В качестве результата измерения
принимаем среднее арифметическое
результатов наблюдений I1, I2,... In.
Вычисляем случайные отклонения
результатов наблюдений
Таблица 2.2 - Результаты измерений
|
№/№
наблюдения
|
Ii, А
|
Vi, А
|
Vi2, А2
|
|
1
|
10
|
0,25
|
0,06
|
|
2
|
9
|
-0,75
|
0,56
|
|
3
|
11
|
1,25
|
1,56
|
|
4
|
9
|
-0,75
|
0,56
|
|
 
|
|
|
Определяем оценку среднего квадратического
отклонения результатов наблюдений
Проверяем результат наблюдения, для
этого определяем Xmin, Xmax
β=1,42 (при n=4, α=0,1- по
таблице С2 [2])
Так как
и
, то
результат наблюдений нормален.
Находим оценку среднего
квадратического отклонения результата измерений
Задаем доверительные границы
случайной погрешности результата измерений
,
где t-
коэффициент Стьюдента
(при
-доверительная вероятность - по
таблице С3 [2])
Определяем абсолютную погрешность
,
где γ=1 - класс
точности прибора
Так как
, то
погрешностью средства измерения по сравнению со случайными погрешностями
пренебрегают и принимают, что граница результата D =δ=
Запись результата производим по ГОСТ
8.011-72 при систематической доверительной погрешности результатов измерений
±D, с вероятностью Р(t).
с вероятностью Р(t) = 0,9
Обработка результатов косвенных
измерений
Используя результаты обработки
прямых измерений первой и второй физической величины, а также приведенные
математические зависимости, произвести по ним обработку результатов косвенных
измерений в соответствии с вариантом задания.
Математическая зависимость:
Р=U*I
с вероятностью Р(t) = 0,9
с вероятностью Р(t) = 0,9
РЕШЕНИЕ:
Результат косвенных измерений будем
искать в виде:
где
Таким образом
с
вероятностью Р(t) = 0,9
3.
Характеристика электромагнитного логометра
Вращающий момент в электромагнитных
измерительных механизмах возникает в результате взаимодействия магнитного поля
катушки, по обмотке которой протекает измеряемый ток, с одним или несколькими
ферромагнитными сердечниками, обычно составляющими подвижную часть механизма.
Рис. 3.1 - Измерительный механизм
электромагнитного логометра
Устройство измерительного механизма
электромагнитного логометра с катушками А и Б представлено на рис. 3.1.
Сердечники на оси укреплены так, что при повороте подвижной части в некоторых
пределах индуктивность одной катушки увеличивается, а другой - уменьшается,
вследствие чего вращающие моменты направлены в противоположные стороны.
Взаимным влиянием одной катушки на другую пренебрегаем. Для статического
равновесия можем написать:
или
(3.1)
Решая это уравнение относительно
, получим:
(3.2)
Электромагнитные измерительные механизмы
используются в настоящее время в амперметрах, вольтметрах, в фазометрах и
частотомерах.
Главными достоинствами электромагнитных приборов
являются: простота конструкции и, как следствие, дешевизна и надежность в
работе; способность выдерживать большие перегрузки, что объясняется отсутствием
токоподводов к подвижной части; возможность применения для измерений в цепях
постоянного и переменного тока (отдельных приборов до частоты примерно 10000
Гц).
К недостаткам приборов относятся относительно
малые точность и чувствительность.
4. Подробное решение задач с использованием
измерительных схем включения
.1 Задача 10
Имеется многопредельный амперметр. При
коэффициенте шунтирования n
= 100 амперметр имеет предел измерения 2,5 А, а падение напряжения на его
зажимах при токе полного отклонения Uном
= 75мВ. Определите сопротивления шунтов и пределы измерения прибора при
следующих коэффициентах шунтирования: 200, 300, 1000, 2000, 3000, 4000 и 5000.
Приведите измерительную схему.
РЕШЕНИЕ:
Схема измерения имеет вид:
Рисунок 4.1 - расширение пределов измерения
амперметра при помощи шунта
Исходные данные:
Определим сопротивление амперметра:
Найдем сопротивление шунта:
где
- сопротивление шунта.
Определим сопротивления шунта при
коэффициентах шунтирования 200, 300, 1000, 2000, 3000, 4000, 5000:
Определим пределы измерения
амперметра при коэффициентах шунтирования 200, 300, 1000, 2000, 3000, 4000,
5000:
Составим пропорцию: 100 - 2,5А
- х , где х - искомый предел
измерения.
Итак, пределы измерений амперметра
таковы:
4.2 Задача 40
Определите номинальную Сном и действительную С
постоянные счетчика электрической энергии, его относительную погрешность и
поправочный коэффициент, если паспортные данные счетчика: 220 В, 5 А, 50 Гц, 1
кВт • ч - 1280 оборотов диска. Счетчик поверен и при напряжении 220 В и токе 5
А сделал 150 оборотов за 6 мин.
РЕШЕНИЕ:
Найдем номинальную постоянную счетчика:
, где
N -
передаточное число диска.
Найдем действительную постоянную
счетчика:
, где
t - время, за
которое счетчик сделал 150 оборотов, [c];
Р - потребляемая мощность;
n - число
оборотов за 360 с.
Относительная погрешность счетчика
равна:
Зная действительную
и
номинальную Сном постоянные счетчика, определим поправочный коэффициент :
.
4.3 Задача 60
Определите наибольшую возможную
относительную погрешность при измерении сопротивления с помощью метода
вольтметра - амперметра, если приборы показывают 25 В и 12,5 А. Вольтметр на
номинальное напряжение 30 В класса точности 2,5 с (внутреннее сопротивление 2,5
кОМ), амперметр на номинальный ток 15 А класса точности 1,5 (внутреннее
сопротивление 0,2 Ом). Приведите измерительную схему.
РЕШЕНИЕ:
Приведем измерительную схему:
а) б)
Рисунок 4.3 - Схемы измерения сопротивления
методом амперметра-вольтметра для малых (а) и больших (б) значений
Найдем величину измеряемого сопротивления по
схеме а):
Рассчитаем абсолютную и относительную
погрешности метода измерения по схеме а):
где
-
абсолютная погрешность измерения,
- относительная погрешность
измерения.
Найдем величину измеряемого
сопротивления по схеме б):
Рассчитаем абсолютную и
относительную погрешности метода измерения по схеме б):
Сравнив значения погрешностей
измерений по схеме а) и б), можно сделать вывод о том, что необходимо
использовать схему для измерения малых сопротивлений.
Рассчитаем значения абсолютных
погрешностей приборов:
;
Относительная погрешность измерения:
5. Подробное решение задачи на
расширение пределов измерения
Расширить пределы измерения
следующих приборов и привести измерительную схему с оценкой погрешностей
измерения. В вариантах заданий с измерительными трансформаторами тока и
напряжения рассмотреть и привести схему замещения, векторную диаграмму и
аварийные режимы их работы, а также охарактеризуйте источники погрешностей и
способы их снижения. Варианты заданий предусматривают расширение пределов
измерения по:
схеме 1 - амперметра с
использованием измерительного шунта и измерительного трансформатора тока;
схеме 2 - вольтметра с
использованием добавочного резистора, резистивного делителя напряжения, и
измерительного трансформатора напряжения;
схеме 3 - вольтметра с
использованием емкостного делителя напряжения (f=50Гц).
|
Вар
|
Схема
1
|
Схема
2
|
Схема
3
|
|
|
|
|
|
I, A
|
In, A
|
Rn, Oм
|
U, В
|
Unp, B
|
Rnp, кOм
|
U, B
|
Un, B
|
Cn, нФ
|
|
1
|
100
|
5
|
0,2
|
10
|
1
|
5
|
10
|
1
|
5
|
Исходные данные:
Схема 1 -
Схема 2 -
Схема 3 -
РЕШЕНИЕ:
5.1 Схема 1
Расширение пределов амперметра с использованием
шунта:
Измерительная схема приведена на рис. 5.1.
Рисунок 5.1 - Схема расширения
пределов измерения амперметра с использованием измерительного шунта
Рассчитаем сопротивление шунта:
.
Расширение пределов измерения
амперметра с использованием трансформатора тока(ИТТ)
Рисунок 5.2. - Схема расширения
пределов измерения амперметра с использованием ИТТ
Определяем коэффициент трансформации
ИТТ:
Определяем количество витков в
обмотках:
Принимаем число витков в первичной
обмотке W1=10, тогда
число витков во вторичной обмотке составит:
Построение векторной диаграммы:
На рисунке 5.3 приведена векторная
диаграмма трансформатора тока, построение которой начато с вектора
магнитодвижущей силы (м.д.с.) вторичной обмотки I1w2. Вектор
напряжения U2 получен
как сумма векторов падения напряжения I2R и I2X - на
активном R и
реактивном X
сопротивлениях нагрузки при токе I2 во вторичной цепи трансформатора.
Электродвижущая сила Е2, наводимая
во вторичной обмотке потоком Фо сердечника, получена в результате сложения
вектора U2, с
векторами I2R2 и I2X2 падений
напряжения на активном R2 и реактивном Х2 сопротивлениях
вторичной обмотки.
Вектор м.д.с. I2w2 сдвинут по
фазе относительно вектора м.д.с I1w1 почти на
, то есть
м.д.с. I2w2 оказывает
размагничивающее действие. Вследствие этого магнитный поток Фо в сердечнике
создается результирующей м.д.с. I0w1,
называемой полной намагничивающей силой трансформатора.
М.д.с. I0w1 состоит из
реактивной составляющей Iμw1, непосредственно создающей
поток Фо и совпадающий с ним по фазе, и активной составляющей Iaw1, опережающей
Фо на
,
определяемой потерями на гистерезис и вихревые токи в сердечнике.
Вектор м.д.с. I1w1 получен
сложением вектора м.д.с. I0w1 с
повернутым на
вектором
м.д.с. - I2w2, то есть
При номинальном режиме работы
трансформатора тока м.д.с. I0w1 обычно
составляет не более 1% от м.д.с. I1w1 (или I2w2).
Рисунок 5.3 - векторная диаграмма
трансформатора тока
Рассмотрим принцип действия
измерительного трансформатора тока (ИТТ). Измерительные трансформаторы состоят
из двух изолированных друг от друга обмоток: первичной с числом витков W1 и
вторичной W2 ,
помещенных на ферромагнитный сердечник. В трансформаторах тока, как правило,
первичный ток I1 больше вторичного I2, поэтому у них W1 < W2.
Трансформаторы тока используются как преобразователи больших переменных токов в
относительно малые токи, допустимые для измерений приборами с небольшими
стандартными пределами измерения.
Принцип действия ИТТ описывается
уравнением МДС:
,
где I0 - ток
намагничивания; W1 ,W2 - число
витков первичной и вторичной обмоток;
I1, I2 - ток
первичной и вторичной обмоток.
Поскольку ко вторичной обмотке
измерительного трансформатора тока подключаются амперметры, токовые обмотки
ваттметров, счетчиков электрической энергии и фазометров, сопротивление которых
очень мало, трансформаторы тока работают в режиме, близком к короткому
замыканию. Характер нагрузки индуктивно-активный.
Погрешность ИТТ обусловлена
различием между номинальным и действительным коэффициентами трансформации. Она
зависит от свойств материала сердечника, сопротивления вторичной цепи, значения
первичного тока. Кроме основной погрешности ИТТ существует угловая погрешность
- δ,
величина
которой составляет до 3 минут.
Размыкание вторичной цепи является
аварийным режимом, так как при этом намагничивание сердечника осуществляется
полностью первичным током, сердечник входит в насыщение, значение его
магнитного сопротивления велико, что приводит к перегреву сердечника, порче
изоляции, намотки, напряжение на вторичной обмотке может достигать сотен вольт,
что опасно для обслуживающего персонала. В связи с этим у выпускаемых
промышленностью трансформаторов тока предусматриваются устройства для
закорачивания вторичной обмотки при необходимости осуществления нужных
переключений во вторичной цепи при включенной первичной обмотке.
На класс точности трансформаторов
тока влияют материал магнитопровода, активное и индуктивное сопротивления,
добротность и другие параметры. Так, например, при возрастании индуктивного
сопротивления нагрузки увеличивается токовая погрешность f1 , но уменьшается
угловая погрешность.
Расширение пределов измерения вольтметра с
помощью добавочного резистора
Измерительная схема приведена на рис. 5.4.
Рисунок 5.4 - Схема расширения
пределов измерения вольтметра с использованием добавочного резистора
Рассчитаем сопротивление добавочного
резистора:
.
Расширение пределов измерения вольтметра
с помощью измерительного трансформатора напряжения
Измерительная схема приведена на
рис. 5.5.
Рисунок 5.5 - Схема расширения
пределов измерения вольтметра с использованием ИТН
Рассчитаем необходимое число витков
обмоток трансформатора:
Примем W2 = 10, тогда:
Векторная диаграмма ИТН приведена на
рис. 5.6.
Режим работы ИТН приближается к
режиму холостого хода, так как ко вторичной его обмотке подключаются приборы с
относительно большим сопротивлением (вольтметры, цепи напряжения ваттметров,
счетчиков, фазометров и т. п.). Характер нагрузки предполагается
активно-индуктивный. Следовательно, аварийным режимом трансформаторов
напряжения следует считать режим короткого замыкания.
Как видно из векторной диаграммы
вектор первичного напряжения U1 не равен вектору вторичного напряжения U2.
Следовательно, имеют место погрешности напряжения fU и угловая δU, которые
зависят от токов I2 и I0 и сопротивлений
обмоток трансформатора и нагрузки.
Рисунок 5.6 - Векторная диаграмма ИТН
Наибольшее влияние на погрешности оказывает
нагрузка во вторичной цепи трансформатора. Поэтому во вторичную цепь нужно
включать такое количество приборов, чтобы потребляемая мощность не превышала
номинальной мощности трансформатора. Также погрешность ИТН обусловлена
различием между номинальным и действительным коэффициентами трансформации. Она
пропорциональна сопротивлениям обмоток трансформатора (стремится к нулю при
равенстве их значений нулю), магнитному сопротивлению сердечника и обратно
пропорциональна сопротивлению нагрузки (при неизменном ее коэффициенте
мощности) и частоте измеряемого напряжения. При изменении первичного напряжения
и постоянной нагрузке изменяется магнитное сопротивление, а значит, и
погрешность.
Схема замещения трансформатора напряжения
При следующих допущениях трансформатор можно
представить эквивалентной схемой, изображенной на рисунке 5.7 :
Переменное напряжение U,
приложенное к зажимам первичной обмотки w1,
вызывает в ней ток I1.
Вследствие индуктивной связи между обмотками во вторичной обмотке w2
наводится ЭДС Е2. Если вторичная обмотка замкнута на сопротивление Rнаг,
то в ней появляется ток I2,
а на зажимах вторичной обмотки напряжение U2.
Магнитное поле в трансформаторе при анализе представим в виде трех потоков:
общего потока Ф в магнитопроводе, сцепленного с обеими обмотками и создаваемого
МДС I1w1
и I2w2;
потоков рассеяния Фs1 и Фs2,
которые в большей своей части проходят по воздуху и сцеплены соответственно с
витками первичной и вторичной обмоток. Предполагается, что потоки рассеяния
малы по сравнению с потоком Ф, пропорциональны токам I1
и I2 и совпадают с
ними по фазе.
Рисунок 5.7 - Эквивалентная схема трансформатора
Здесь Rk1,
Rk2 - активные
сопротивления обмоток катушек; Xk1,Xk2
- индукционные сопротивления обмоток, обусловленные потоками рассеяния.
Расширение пределов измерения вольтметра с
использованием резистивного делителя напряжения
Измерительная схема приведена на рис. 5.8.
Рисунок 5.8 - Схема расширения пределов
измерения вольтметра с использованием резистивного делителя напряжения
Расширение пределов измерения вольтметра с
использованием резистивного делителя напряжения определяю по формуле:
Приняв сопротивление нагрузки R2=100кОм.
.3 Схема 3
Расширение пределов измерения
вольтметра с использованием емкостного делителя напряжения
Рассчитаем величины ёмкостей
конденсаторов, для этого запишем следующее соотношение:
Примем С1 = 20·10-9 Ф, имеем:
Окончательно выбираем конденсаторы
из стандартного ряда Е24 (5%):
С1 = 20·10-9 Ф и С2 = 200·10-9 Ф
Рисунок 5.9 - Схема расширения
пределов измерения вольтметра с использованием емкостного делителя напряжения
Источники погрешностей в измерительных
трансформаторах и способы их снижения
У трансформаторов по показаниям приборов,
включенных во вторичные обмотки, можно определить значения измеряемых величин.
Для этого необходимо их показания умножить на коэффициенты Ki
и Ku.
Для трансформатора тока:
Для трансформатора напряжения:
Коэффициенты Ki и Ku называются
действительными коэффициентами трансформации.
Значения вторичных величин
изменяются не пропорционально изменению первичных, то есть Ki и Ku не остаются
постоянными. Они зависят от режима работы трансформатора, то есть от значения
токов и напряжений, характера и значения нагрузки вторичной цепи, частоты тока,
а также от конструктивных данных трансформаторов и качества материала
сердечника.
Обычно показание прибора умножается
не на действительный, а на номинальный коэффициент трансформации. Последний
всегда указывается на щитке трансформатора в виде дроби, числитель который есть
номинальное значение первичной, а знаменатель - вторичной величины. Номинальный
коэффициент трансформации для данного трансформатора является постоянной
величиной.
Для трансформаторов тока номинальный
коэффициент трансформации будем обозначать Kin, для
трансформаторов напряжения - Kun.
Определение измеряемых величин по
номинальным коэффициентам трансформации приводит к погрешностям. Относительная
погрешность вследствие неравенства действительного и номинального коэффициентов
трансформации может быть определена (в процентах):
для трансформатора тока:
для трансформатора напряжения:
Кроме этих погрешностей у
измерительных трансформаторов имеется еще так называемая угловая погрешность.
Она получается из-за не точности передачи фазы вторичной величины по сравнению
с первичной. Угловая погрешность измерительных трансформаторов оказывает
влияние на показания только таких приборов, отклонение подвижной части которых
зависит от фазы между токами в цепях этих приборов. К ним относятся ваттметры,
счетчики энергии, фазометры.
Погрешности трансформатора тока
увеличиваются по мере возрастания м.д.с. I0w1 (рис.5.3).
Токовую погрешность для одного значения I2 можно
свести к нулю; для этого необходимо выполнить условие, вытекающее из уравнения:
,
что обычно и делается подбором числа
витков w2 вторичной
обмотки. Для других значений тока I2
погрешность не будет равна нулю, так как ток I0 изменяется
не пропорционально току I2.
Ток I0 зависит от
качества материала сердечника, его размеров, числа витков, а также от характера
и значения нагрузки во вторичной цепи.
Увеличение сопротивления вторичной
обмотки и возрастание нагрузки, то есть включение большого числа приборов,
приводят к повышению э.д.с. Е2, что в свою очередь увеличивает ток I0 и
погрешности.
Соотношение между активной и
реактивной составляющими сопротивления вторичной обмотки, а также параметры
включенных в цепь вторичной обмотки приборов влияют как на значения
погрешностей fi и δ1, так и на
их знаки. Угол φ0
практически
остается неизменным, в то время как угол φ2 зависит от соотношения между
индуктивными активным сопротивлениями обмотки и приборов.
При возрастании индуктивного
сопротивления нагрузки угол между w2
увеличивается, что приводит к увеличению токовой погрешности fi и к
уменьшению угловой погрешности δ1, так как Cos(φ0-
φ2) при
этом растет, а Sin(φ0- φ2) уменьшается.
В трансформаторах тока для
уменьшения (компенсации) погрешностей могут быть применены дополнительные
устройства. Такие трансформаторы называются компенсированными. Несмотря на
некоторое усложнение конструкции, они имеют меньшую массу и размеры, чем
некомпенсированные, при тех же характеристиках.
Чаще всего компенсация погрешностей
в таких трансформаторах основана на искусственном подмагничивании сердечника
дополнительными полями, благодаря которым возрастает магнитная проницаемость,
что приводит к относительному уменьшению намагничивающего тока I0.
Наибольшее влияние дополнительное
подмагничивание сердечника имеет при малых значениях первичного тока, при
которых для некомпенсированных трансформаторов погрешность увеличивается.
Практически компенсация подмагничиванием осуществляется применением
дополнительных обмоток или подмагничиванием за счет потоков рассеяния.
Погрешности измерительного
трансформатора напряжения fu и угловая δu зависят от
токов I2 (рис.5.6)
и сопротивлений обмоток трансформатора. Наибольшее влияние на погрешности
оказывает нагрузка во вторичной цепи трансформатора.
Во вторичную цепь нужно включать
такое количество приборов, чтобы потребляемая ими мощность не превышала
номинальной мощности трансформатора, обычно указываемой на его щитке.
6. Подробное решение задачи на
расчет многопредельного амперметра, вольтметра, омметра
В соответствии с заданием рассчитать многопредельные
амперметр и вольтметр, а также сконструировать омметр на базе заданного
стрелочного микроамперметра со шкалой 0,1-10 Ом, 1-100 Ом, 10-1000 Ом, 0,1-10
кОм в виде комбинированного прибора с общей принципиальной схемой.
Измерительные схемы и технические решения, основные функциональные зависимости
привести в графической части курсового проекта.
Ток полного отклонения: 100 мкА
Сопротивление рамки: 230 Ом
Пределы измерений амперметра: 0-1 мА, 0-30 мА,
0-150 мА, 0-1 А
Пределы измерений вольтметра: 0-1 В, 0-5 В, 0-25
В, 0-100 В
Напряжение источника питания: 1,5 В
Решение:
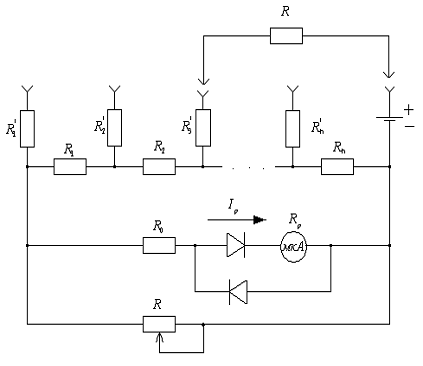
Расчёт многопредельного амперметра
Типовая принципиальная схема включения
шунтирующих резисторов для обеспечения n
пределов измерения тока представлена в Приложении 1.
Найдём величины сопротивлений
резисторов для расширения пределов измерения токов. Для этого воспользуемся
типовой схемой, где R1, R2, … , Rn - резисторы универсального шунта, R0 -
добавочный резистор, Включённый последовательно с рамкой амперметра, Rр-
сопротивление его рамки, I1,
I2, …, In - новые
пределы измерения тока.
Запишем уравнение, руководствуясь
вторым законом Кирхгофа, для контура, обход вдоль которого обозначен на схеме
стрелкой. Сумма падений напряжений вдоль замкнутого контура равна нулю,
поэтому:
откуда получаем, что
Повторно воспользовавшись вторым
законом Кирхгофа, найдём выражение для
(направление обхода контура прежнее):
Получены аналитические выражения для
и
,
следовательно, можно получить величины сопротивлений резисторов универсального
шунта, задав предварительно величину сопротивления резистора
.
Пусть сопротивление резистора 
. Рассчитаем
универсального
шунта при условии выбора наиболее чувствительного предела измерений, т.е. 
.

Определим сопротивления резисторов
универсального шунта для других заданных пределов измерений:
) 0 - 1 А;
2) 0 - 150 мА ;
) 0 - 30 мА;
) 0 - 1 мА;
Расчёт многопредельного вольтметра
Принципиальная схема многопредельного вольтметра
представлена в Приложении 2.
Найдём значения сопротивлений дополнительных
резисторов, включенных последовательно. Такое соединение позволяет расширить
пределы измерения напряжений, когда в качестве вольтметра используют стрелочный
микроамперметр.
Запишем уравнение по второму закону
Кирхгофа для контура, содержащего напряжение
(направление обхода контура показано
стрелкой):
Обобщая полученное аналитическое
выражение для
, найдём
аналитическое выражение для
.
Определим величины сопротивлений добавочных
резисторов вольтметра для данных в задании пределов измерений:
) 0-1В

) 0-5В

) 0 - 25 В

) 0 - 100 В;

Расчёт многопредельного омметра
Принципиальная схема многопредельного омметра
приведена в Приложении 3.
При наличии у омметра n пределов
измерений необходимо рассчитать ровно n значений собственных
сопротивлений омметра
для каждого
из заданных пределов измерений. Найдём значения сопротивлений, воспользовавшись
правилом нахождения общего сопротивления при условии параллельного соединения
резисторов, т.е. используя формулу:
Найдём значения сопротивлений
для каждого
из заданных пределов измерений:

1)
2)
3)
4)
Найдем сопротивления дополнительных
резисторов
для каждого
из заданных пределов измерений, учитывая, что напряжение источника питания
равно 1,5 В, и используя формулу:
) 0,1 - 10 Ом;
) 1-100 Ом
3) 10-1000 Ом
) 0,1-10 кОм
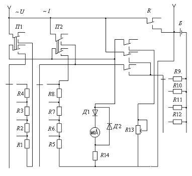
Принципиальная схема
комбинированного прибора и ее сертификация приведены в Приложении 4.
7.
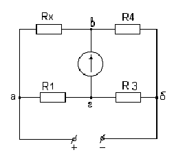
Подробное решение задачи на расчет четырехплечего моста постоянного тока
Дан четырехплечий мост постоянного тока (рис.
7.1) с параметрами, приведенными в таблице 7.1. Определите сопротивление Rx
, при котором мост уравновешен; входное сопротивление моста относительно
зажимов В - Г при состоянии равновесия моста; взаимное сопротивление между
ветвью измеряемого сопротивления и ветвью гальванометра при состоянии
равновесия моста; зависимость тока в гальванометре от изменения сопротивления Rx,
а также чувствительность моста по току Si
, напряжению Su и мощности Sw
к изменению сопротивления Rx
.
Таблица 7.1 - Исходные данные
|
R1, Ом
|
R3, Ом
|
R4, Ом
|
Rг, Ом
|
U, В
|
|
25
|
1060
|
250
|
50
|
12
|
Рисунок 7.1 - четырехплечий мост
постоянного тока
Решение:
) Сопротивление Rx
, при котором мост уравновешен, определяю по формуле:
2) Входное сопротивление моста относительно
зажимов В - Г при состоянии равновесия моста определяю по формуле:
, где
Итак
3) Взаимное сопротивление между ветвью
измеряемого сопротивления и ветвью гальванометра при состоянии равновесия моста
определяю по формуле:
, где
Тогда
4)
Чувствительность моста по напряжению Su
к изменению сопротивления Rx
определяю по формуле:
, где
чувствительность моста по напряжению
Su равна:
, где
ток в ветви питания определяется
выражением:
Тогда
Итак
Рисунок 7.2 - Зависимость
чувствительности моста по напряжению S’u от изменения сопротивления Rx
5)
Чувствительность моста по току Si
определяю по формуле:
, где
Чувствительность моста по току Si к изменению
сопротивления Rx определяю
по формуле:
Рисунок 7.3 - Зависимость
чувствительности моста по току Si от изменения сопротивления Rx.
) Чувствительность моста по мощности
Sw к изменению
сопротивления Rx определяю
из выражения:
Рисунок 7.4- Зависимость
чувствительности моста по мощности Sw от
изменения сопротивления Rx.
) Зависимость тока в гальванометре
от изменения сопротивления Rx
Допустим, что сопротивление
источника питания равно
, тогда:
Ток в гальванометре при разрыве
ветви Rx (Rx= ∞)
равен:
Входное сопротивление цепи по
отношению к ветви Rx нахожу из выражения:
Ток в магнитоэлектрическом
гальванометре при разных значениях Rx
определяется по формуле:
, где
, откуда
Значения тока при различных Rx приведены в
таблице 7.1
Таблица 7.1 - Значения тока
|
Rx,Ом
|
10
|
15
|
20
|
25
|
30
|
35
|
40
|
45
|
50
|
|
Iг
|
1,557
мА
|
3,453
мА
|
5,35
мА
|
7,247
мА
|
9,143
мА
|
0,011
А
|
0,013
А
|
0,015
А
|
0,017
А
|
Рисунок 7.5-Зависимость тока гальванометра от
изменения сопротивления Rx.
8. Подробное решение задачи на расчет двойного
измерительного моста постоянного тока
Дан двойной измерительный мост постоянного тока
(рис. 8.1) с параметрами, приведенными в таблице 8.1. Определите сопротивление Rx
, при котором мост уравновешен; зависимость тока в гальванометре от изменения
сопротивления Rx , а также
чувствительность моста по току Si
к изменению сопротивления Rx
.
Таблица 8.1 - Исходные данные
|
R0, Ом
|
R1=R3, Ом
|
R2=R4, Ом
|
Rг, Ом
|
Rp, Ом
|
R, Ом
|
E, В
|
|
0,1
|
250
|
100
|
30
|
1,55
|
0,01
|
5
|
Рисунок 8.1 - двойной измерительный
мост постоянного тока
Решение:
) Сопротивление Rx , при
котором мост уравновешен, определяю по формуле:
2) Чувствительность моста по току Si к изменению
сопротивления Rx определяю
по формуле:
, где
Ix - ток в
сопротивлении Rx, определяю
по формуле:
- взаимное сопротивление ветви
указателя равновесия и ветви измеряемого сопротивления при Rг=0 нахожу
по формуле:
Кг- коэффициент согласования
сравнивающего устройства с цепью, определяется по формуле:
, где
- входное сопротивление со стороны
зажимов
, определяю
из выражения:
,
тогда чувствительность моста по току
равна:
Рисунок 8.2 - Зависимость
чувствительности моста по току Si от изменения сопротивления Rx
) Зависимость тока в гальванометре
от изменения сопротивления Rx определяю по формуле:
, где
Rxx - входное
сопротивление цепи по отношению к ветви Rx при
равновесии:
тогда зависимость тока в
гальванометре имеет вид:
9.
Основные цели и задачи стандартизации
Стандартизация - это деятельность, направленная
на разработку и установление требований, норм, правил, характеристик как
обязательных для выполнения, так и рекомендуемых, обеспечивающая право
потребителя на приобретение товаров надлежащего качества за приемлемую цену, а
также право на безопасность и комфортность труда.
Цель стандартизации - выявление наиболее
правильного и экономичного варианта, т. е. нахождение оптимального решения.
Найденное решение дает возможность достичь оптимального упорядочения в
определенной области стандартизации. Для превращения этой возможности в
действительность необходимо, чтобы найденное решение стало достоянием большего
числа предприятий (организаций) и специалистов. Только при всеобщем и
многократном использовании этого решения существующих и потенциальных задач
возможен экономический эффект от проведенного упорядочения.
Цели стандартизации можно подразделить на общие
и более узкие, касающиеся обеспечения соответствия. Общие цели вытекают, прежде
всего, из содержания понятия. Конкретизация общих целей для украинской
стандартизации связана с выполнением тех требований стандартов, которые
являются обязательными. К ним относятся разработка норм, требований, правил
обеспечивающих:
o безопасность продукции, работ, услуг
для жизни и здоровья людей, окружающей среды и имущества;
o совместимость и взаимозаменяемость
изделий;
o качество продукции, работ и услуг в
соответствии с уровнем развития научно-технического прогресса;
o единство измерений;
o экономию всех видов ресурсов;
o безопасность хозяйственных объектов,
связанную с возможностью возникновения различных катастроф (природного и
техногенного характера) и чрезвычайных ситуаций;
o обороноспособность и мобилизационную
готовность страны.
Конкретные цели стандартизации относятся к
определенной области деятельности, отрасли производства товаров и услуг, тому
или другому виду продукции, предприятию и т. д.
Основными задачами стандартизации являются:
o установление требований к
техническому уровню и качеству продукции, сырья, материалов, полуфабрикатов и
комплектующих изделий, а также норм, требований и методов в области
проектирования и производства продукции, позволяющих ускорять внедрение
прогрессивных методов производства продукции высокого качества и ликвидировать
нерациональное многообразие видов, марок и размеров;
o развитие унификации и
агрегатирования промышленной продукции как важнейшего условия специализации
производства; комплексной механизации и автоматизации производственных
процессов, повышение уровня взаимозаменяемости, эффективности эксплуатации и
ремонта изделий;
o обеспечение единства и достоверности
измерений в стране, создание и совершенствование государственных эталонов
единиц физических величин, также методов и средств измерений высшей точности;
o разработка унифицированных систем
документации, систем классификации и кодирования технико-экономической
информации;
o принятие единых терминов и
обозначений в важнейших областях науки, техники, отраслях народного хозяйства;
o формирование системы стандартов
безопасности труда, систем стандартов в области охраны природы и улучшения
использования природных ресурсов;
o создание благоприятных условий для
внешнеторговых, культурных и научно-технических связей.
В Украине установлены следующие категории
нормативно-технической документации, определяющей требования к объектам
стандартизации:
o государственные стандарты (ГОСТ);
o отраслевые стандарты (ОСТ);
o республиканские стандарты (РСТ);
o стандарты предприятий (СТП);
o стандарты общественных объединений
(СТО);
o технические условия (ТУ);
o международные стандарты (ИСО/МЭК)
o региональные стандарты;
o межгосударственные стандарты;
o национальные стандарты.
Государственные стандарты (ГОСТ) разрабатывают
на продукцию, работы, услуги, потребности в которых носят межотраслевой
характер. Стандарты этой категории принимает Госстандарт Украины. В стандартах
содержатся как обязательные требования, так и рекомендательные. К обязательным относятся:
безопасность продукта, услуги, процесса для здоровья человека, окружающей
среды, имущества, а также производственная безопасность и санитарные нормы,
техническая и информационная совместимость и взаимозаменяемость изделий,
единство методов контроля и единство маркировки. Требования обязательного
характера должны соблюдать государственные органы управления и все субъекты
хозяйственной деятельности независимо от формы собственности. Рекомендательные
требования стандарта становятся обязательными, если на них есть ссылка в
договоре (контракте).
Порядок проведения стандартизации
Работа технического комитета по стандартизации
начинается со сбора заявок на разработку стандарта. Заявителями могут быть
государственные органы и организации, общественные объединения,
научно-технические общества, предприятия, фирмы, предприниматели, которые
направляют заявки в технический комитет.
На основе заявок Госстандарт Украины формирует
годовой план государственной стандартизации Украины.
Разработке проекта стандарта предшествует
организационная работа технического комитета по стандартизации. На этой стадии
технический комитет стремится более определенно обозначить организации, от
которых целесообразно получить отзыв на проект стандарта.
Разработка проекта проходит две стадии. Вначале
создается первая редакция. Основные требования к первой редакции касаются
соответствия проекта законодательству Украины, международным правилам и нормам,
национальным стандартам зарубежных стран при условии прогрессивности этих
документов и более высокого научно-технического уровня.
Проект в первой редакции члены ТК должны
рассмотреть либо на специальном заседании, либо путем переписки, чтобы
удостоверится в его соответствии условиям договора на разработку стандарта,
требования украинского законодательства и положениям Государственной системы
стандартизации. После этого проект рассылается на отзыв заказчикам стандарта и
выявленным ранее заинтересованным организациям
Вторая стадия разработки заключается в анализе
полученных отзывов, составлении окончательной редакции проекта нормативного
документа и подготовки его к принятию. Окончательная редакция должна быть
рассмотрена членами ТК, органами государственного контроля и надзора за
соблюдением обязательных требований стандарта, научно-исследовательскими
институтами Госстандарта. Если с окончательной редакцией проекта согласны не
менее двух третей членов ТК, то документ считается одобренным и рекомендуется
для принятия. Проект стандарта должен быть направлен в Госстандарт и заказчику
нормативного документа.
Принятие стандарта осуществляет Госстандарт.
Процедура принятия включает обязательный анализ содержания проекта на
соответствие законодательству Украины, метрологическим правилам и нормам,
терминологическим стандартам. Стандарт принимается консенсусом, после чего
устанавливается дата его введения в действие. Срок действия стандарта, как
правило, не определяется. Далее стандарт подлежит регистрации, информация о нем
публикуется в ежегодном Информационном указателе.
Стандарт не должен быть тормозом для развития
экономики в соответствии с достижениями научно-технического прогресса.
При необходимости обновления стандарта ТК
разрабатывает проект изменения, проект пересмотренного стандарта или
предложения по отмене действующего нормативного документа и вносит предложения
в Госстандарт.
Пересмотр государственного стандарта по существу
является разработкой нового взамен действующего. Необходимость пересмотра
возникает в том случае, если вносимые изменения связаны со значительной
корректировкой основных показателей качества продукции и затрагивает ее
совместимость и взаимозаменяемость.
Отмена стандарта может осуществляться как с
заменой его новым, так и без замены. Причиной, как правило, служит прекращение
выпуска продукции либо принятие нового стандарта.
Принятие решений о внесении изменений,
пересмотре, отмене стандарта, а также соответствующая публикация в
Информационном указателе находящихся в ведении Госстандарта. Решение о внесении
изменений, пересмотре, отмене стандарта отрасли принимает орган государственного
управления, утвердивший нормативный документ.
Обновление или отмена стандарта предприятия
осуществляется по решению руководства субъекта хозяйственной деятельности,
принявшего стандарт. Стандарты научно-технических обществ пересматриваются с
целью внесения в них новых результатов научных исследований или
производственных достижений. Отмена этой категории нормативных документов
связана с моральным устареванием объекта стандартизации.
Все субъекты хозяйственной деятельности, которым
предоставлено право разработки, обновления, и отмены стандартов обязаны
информировать о проделанной работе и ее результатах Госстандарт Украины.
Степень соответствия национальных стандартов
Украины международным стандартам качества серии ISO-9000
С 1 марта 1998 г. приобрело силу Соглашение о
партнерстве и сотрудничестве между Украиной и Европейским Союзом. В рамках
выполнения настоящего Соглашения Украина взяла на себя обязательства
относительно постепенного приведения законодательства, норм, правил и
стандартов, а также процедур оценивания соответствия (сертификации) в
соответствие с европейскими нормами.
Реализация ассоциированного членства в ЕС, в
частности режима свободной торговли, требует внедрение в национальное
законодательство Украины многих директив ЕС, которые устанавливают требования к
продукции, а также не меньшее, чем 80 процентов существующих европейских
стандартов.
Развитие технического регулирования может
отвечать уровню развития национальной экономики. Переходный период к рыночной
экономике требует осуществление поэтапного усовершенствования национальной
системы технического регулирования. Слепое копирование внешних атрибутов систем
стандартизации и сертификации развитых стран мира при условии отсутствия
эффективной рыночной конкурентной среды может привести к фактическому
уничтожению существующей системы стандартизации, метрологии и сертификации.
Это оставит Украину без ключевого элемента
национального технического регулирования, то есть создаст реальную угрозу для
национальной экономической безопасности и государственного суверенитета. Также
фактором, который стал одним из определяющих, есть давление, которое
осуществляют импортеры, опираясь на поддержку отдельных кругов в середине
государства, для получения ничем не оправданных односторонних уступок в торговых
режимах (например, как этого требуют США).
Из государственных (национальных) стандартов,
которым предоставлено действия, 18,5% - прямое внедрение международных, 42% -
частичное внедрение (гармонизованные с международными).
В Украине с 1996 г. приобрели силу международные
стандарты ІSO серии
, из января 1998 г. - стандарты ІSO серии 14000,
с 1 июля 1998 г. - ІSO серии 45000.
Структура органов УкрСЕПРО
Основные принципы, структура и правила Системы
УкрСЕПРО определены Декретом Кабинета Министров Украины “О стандартизации и
сертификации” и государственными стандартами Украины.
Сертификация в УкрСЕПРО предусматривает
подтверждение третьей стороной показателей (характеристик) продукции
(процессов, услуг) на основании результатов испытаний, обследования, аттестации
производства и оценки систем управления качеством. Право проведения работ по
сертификации продукции предоставляется органам по сертификации, испытательным
лабораториям (центрам) и аудиторам, включенным в Реестр Системы УкрСЕПРО.
В Системе УкрСЕПРО установлено следующее
распределение ответственности:
· заявитель (изготовитель,
исполнитель, поставщик) отвечает за соответствие сертифицированной продукции
требованиям нормативных документов, используемых во время сертификации, а также
за применение сертификатов и знаков соответствия по правилам Системы УкрСЕПРО.
· испытательная лаборатория (центр)
несет ответственность за недостоверность и необъективность результатов
испытаний сертифицированной продукции.
· орган по сертификации несет
ответственность за необоснованную или неправомерную выдачу сертификатов
соответствия, аттестатов производства и подтверждения их действия, а также за
нарушение правил Системы УкрСЕПРО.
Организационную структуру Системы УкрСЕПРО
составляют:
- национальный орган Украины по
сертификации - Госпотребстандарт Украины;
органы по сертификации продукции;
органы по сертификации систем качества;
испытательные лаборатории (центры);
аудиторы по сертификации;
государственные центры стандартизации,
метрологии и сертификации Держспоживстандарту Украины;
- заявители.
10. Основные цели и задачи сертификации
Сертификация - это процедура подтверждения
соответствия результата производственной деятельности, товара, услуги
нормативным требованиям, посредством которой третья сторона документально удостоверяет,
что продукция, работа (процесс) или услуга соответствует «заданным
требованиям». Таким образом, сертификация - основное средство в условиях
рыночной экономики, позволяющее гарантировать соответствие продукции
требованиям нормативной документации. С позиции государственных интересов,
такой инструмент, как сертификация, должен, с одной стороны, обеспечить
улучшение качества продукции и услуг и гарантию безопасности их для
потребителя, а с другой - не служить препятствием для развития предпринимательства,
процедурно и финансово усложняя процесс получения сертификата. Перед началом
рассмотрения системы подтверждения соответствия, созданной в настоящее время в
нашей стране, и анализом законодательства в этой области необходимо привести
используемые в последующем определения терминов и понятий, введенных различными
нормативно-правовыми актами Украины.
Сертификация - деятельность третьей стороны,
независимой от изготовителя (продавца) и потребителя продукции, по
подтверждению соответствия продукции установленным требованиям
Сертификация направлена на достижение следующих
целей:
o содействие потребителям в
компетентном выборе продукции (услуги);
o защита потребителя от
недобросовестности изготовителя (продавца, исполнителя);
o контроль безопасности продукции
(услуги, работы) для окружающей среды, жизни, здоровья и имущества;
o подтверждение показателей качества
продукции (услуги, работы), заявленных изготовителем (исполнителем);
o создание условий для деятельности
организаций и предпринимателей на едином товарном рынке Украины, а также для
участия в международном экономическом, научно-техническом сотрудничестве и
международной торговле.
Само появление понятия «подтверждение
соответствия» и наполнение его современным смыслом связано с резким обострением
в последнее время проблемы качества товаров и услуг; глобализацией
международной торговли; большим разнообразием изделий одного и того же
функционального назначения, но разного качества; жесткой конкуренцией
товаропроизводителей; необходимостью гарантировать безопасность продукции для
потребителя.
Добровольная сертификация проводится по
инициативе заявителей (изготовителей, продавцов, исполнителей) в целях
подтверждения соответствия продукции (услуг) требованиям стандартов,
технических условий, рецептур и других документов, определяемых заявителем.
Добровольная сертификация проводится на условиях договора между заявителем и
органом по сертификации.
Обязательная сертификация подтверждает только
обязательные требования, установленные законом (в частности, продукция и услуги
обязаны проходить сертификацию на безопасность). Для определения обязательности
сертификации существует Номенклатура продукции , в отношении которой
законодательными актами Украины предусмотрена обязательная сертификация. При
обязательной сертификации действие сертификата соответствия и знака
соответствия распространяется на всей территории Украины.
Заключение
В данной курсовой работе были обработаны
результаты прямых и косвенных измерений, где я находила оценку среднего
квадратического отклонения, абсолютную погрешность и выявляла анормальные
результаты измерений. Также мной был охарактеризован электромагнитный логометр,
его достоинства и недостатки.
При решении пунктов 4 - 8 было установлено, что:
Пункт 4:
1) сопротивление амперметра:
,
сопротивление шунта:
;
) определила номинальную
Сном=2812,5[Вт*с/об] и действительную Сд=2640 [Вт*с/об] постоянные счетчика
электрической энергии, его относительную погрешность
и
поправочный коэффициент
;
3) Определите наибольшую возможную относительную
погрешность при измерения сопротивления методом амперметра-вольтметра для малых
и больших значений сопротивлений.
Пункт 5:
1) были расширены пределы измерения
амперметра, двумя способами:
· с использованием измерительного
шунта;
· с использованием измерительного
трансформатора тока;
2) были расширены пределы измерения
вольтметра, четырьмя способами:
· с использованием добавочного
резистора;
· с использованием резистивного
делителя напряжения;
· с использованием измерительного
трансформатора напряжения;
· с использованием емкостного делителя
напряжения;
Пункт 6: для двойного моста постоянного тока
было определено сопротивление Rx, при котором мост уравновешен; и найдены
зависимость тока в гальванометре от изменения сопротивления Rx,
а также чувствительность моста по току Si
, напряжению Su и мощности Sw
к изменению сопротивления Rx.
Пункт 7: были рассчитаны многопредельные
амперметр, вольтметр, омметр и приведена принципиальная схема комбинированного
прибора и ее сертификация в Приложении 4 - 5.
Пункт 8: для четырехплечего моста постоянного
тока было определено сопротивление Rx, при котором мост уравновешен; входное
сопротивление моста; взаимное сопротивление между ветвью измеряемого
сопротивления и ветвью гальванометра при состоянии равновесия моста;
зависимость тока в гальванометре от изменения сопротивления Rx,
а также чувствительность моста по току Si
, напряжению Su и мощности Sw
к изменению сопротивления Rx
.
Пункты 9 - 10: установлены цели и задачи
стандартизации, сертификации и аккредитации промышленной продукции. Рассмотрев
содержание стандартизации и сертификации в целом становится очевидным, что
стандартизация и сертификация чрезвычайно важна для правильного представления о
том, для чего же на практике необходимы категории и понятия метрологии.
Практическое значение стандартизации и сертификации очень велико, особенно на
данном этапе развития нашего общества. В самом деле, отказавшись от
законодательного регулирования качества продукции при помощи огромного
количества ГОСТ'ов, сделана попытка отрегулировать эту проблему принятием
нескольких законов общегосударственного масштаба. Монополизм во многих отраслях
хозяйства не позволяет регулировать качество товаров конкуренцией однородной
продукции на рынке. А обеспечить качественный выпуск миллионов типов продукции
на государственном уровне невозможно. Центры стандартизации и сертификации
могут обслуживать импорт-экспорт, частично основные виды промышленной
продукции, но обеспечение качества всего ассортимента промышленной продукции -
задача для существующей системы стандартизации и сертификации в РФ неподъемная.
Тем не менее предпринятые Госстандартом усилия
по сертификации уже дали достаточно ощутимые результаты. Реализация основных
положений принятых законов о метрологии и стандартизации остановила поток
устаревшего оборудования и измерительной техники в нашу страну. Значительный
прогресс достигнут в измерениях, связанных с экологической оценкой окружающей
среды, налажена служба радиационного контроля, на многих предприятиях внедрены
современные ресурсосберегающие и экологически чистые технологии и т. д. В
современном обществе необходимо восстановление государственных служб,
опирающихся на метрологию и измерительную технику. И очень важную роль в
восстановлении общественного потенциала страны в измерительной технике должна
сыграть существующая у нас система стандартизации и сертификации.
Перечень ссылок:
измерение
электромагнитный логометр
1. Методические указания к
выполнению курсового проекта по дисциплине «Метрология, стандартизация,
сертификация, аккредитация и основы электрических измерений».
. Демидова - Панферова Р.П,
Малиновский П.Н. «Задачи по контрольно-измерительной технике».
. ГОСТ 8.207 - 76 «Порядок обработки
результатов измерений с многократными наблюдениями».
. Сергеев А.Г., Патышев М.В
«Сертификация».
. Декрет кабмина Украины о
стандартизации и сертификации 46-93 от 10 мая 1993 года.
. Душина Е.М «Основы метрологии и
электрические измерения»,1987.
Приложение 1
Типовая принципиальная схема включения
шунтирующих резисторов для обеспечения n
пределов измерения тока
Приложение 2
Принципиальная схема
многопредельного вольтметра.
Приложение 3
Принципиальная схема
многопредельного омметра.
Приложение 4
Принципиальная схема
комбинированного прибора.
Условно на принципиальной схеме обозначены:
- добавочные сопротивления
вольтметра, величины которых были рассчитаны в пункте 4;
- сопротивления универсального шунта
амперметра, величины которых были рассчитаны в пункте 3;
- дополнительные сопротивления
омметра, величины которых были рассчитаны в пункте 5;
-диоды выпрямителя;
-переключатели;
-источник питания.
Приложение 5
Спецификация
Таблица 1
|
Обозначение
|
Наименование,
электр. данные
|
Кол-во
|
Примечания
|
|
R1
|
Резистор
|
1
|
|
|
R2
|
Резистор
|
1
|
|
|
R3
|
Резистор
|
1
|
|
|
R4
|
Резистор
|
1
|
|
|
R5
|
Шунт
|
1
|
|
|
R6
|
Шунт
|
1
|
|
|
R7
|
Шунт
|
1
|
|
|
R8
|
Шунт
|
1
|
|
|
R9
|
Резистор
проволочный Ом
|
1
|
|
|
R10
|
Резистор
проволочный Ом
|
1
|
|
|
R11
|
Резистор
проволочный Ом
|
1
|
|
|
R12
|
Резистор
проволочный Ом
|
1
|
|
|
R13
|
Резистор
переменный Ом
|
1
|
|
|
R14
|
Резистор Ом
|
1
|
|
|
Д1
|
Диод
КД 521 А
|
1
|
|
|
Д2
|
Диод
КД 521 А
|
1
|
|
|
П1
|
Переключатель
2ПК
|
1
|
|
|
П2
|
Переключатель
2ПК
|
1
|
|
|
Б
|
Элемент
373
|
1
|
|