Проектирование технологического процесса изготовления валика

  • Вид работы:
    Курсовая работа (т)
  • Предмет:
    Другое
  • Язык:
    Русский
    ,
    Формат файла:
    MS Word
    880,78 Кб
  • Опубликовано:
    2015-07-24
Вы можете узнать стоимость помощи в написании студенческой работы.
Помощь в написании работы, которую точно примут!

Проектирование технологического процесса изготовления валика

Инженерный факультет

Кафедра «Ремонт машин»









Технология сельскохозяйственного машиностроения

Курсовой проект

на тему:

«Проектирование технологического процесса изготовления валика»










Пенза 2012

Аннотация

технологический валик заготовка токарный

Курсовой проект по «Технологии сельскохозяйственного машиностроения» представлен на 3 листах графической части и 28 листах пояснительной записки. Графическая часть состоит из чертежа заготовки прихвата - А3, рабочего чертежа прихвата - А3, маршрутных карт технологического процесса изготовления прихвата - А2 (лист 1); сборочного чертежа проектируемого приспособления А1 (лист 2) и гистограммы, полигона и кривой распределения действительных размеров детали - А1 (лист 3).

Введение

Основными видами заготовок для деталей машин являются: отливки, поковки, штамповки, сортовой прокат и др. Выбор заготовки зависит от материала, размеров и формы детали, условий ее работы, а также масштаба производства.

В данном курсовом проекте рассмотрены стадии изготовления детали - прихват.

Цель курсового проекта заключается в разработке технологического процесса механической обработки валика.

Задачами являются:

Привести краткую характеристику детали;

Выбрать заготовку, технологический маршрут изготовления валика, оборудование и технологическую оснастку, назначить режимы резания и определить техническую норму времени;

Определить тип производства и рассчитать потребное число станков;

Разработать конструкцию приспособления с механическим зажимом для сверления двух отверстий на детали и провести экономическое обоснование технологического процесса;

Исследовать точность получения размера детали.

1. Краткая характеристика детали. Выбор и определение размеров заготовки

Валик из стали 45, представляет собой цилиндрическую деталь ступенчатой формы. Наибольший диаметр - 28 мм, длина - 130 мм. На участке с наибольшим диаметром имеется радиальное отверстие 5 мм, и осевое сквозное отверстие диаметром 8 мм. С одного конца детали нарезаны шлицы на длине 30 мм, глубиной 3,5 мм, шириной 4 мм (см. рабочий чертеж). Количество деталей - 10000 штук.

Материалом для изготовления валика является круглый прокат по ГОСТ 2590-71 из стали 45 ГОСТ 1050-88 (НВ = 229, sв = 610 МПа).

Максимальный диаметр заготовки - 32 мм, общая длина - 130 мм. В соответствии с ГОСТ 7417-75 прокат такого диаметра выпускается с предельными отклонениями: верхнее +0,4; нижнее - 0,75. Припуск на черновое подрезание торцов составляет 7 мм; на чистовое - 2 · 0,6 = 1,2 мм. Тогда общая длина заготовки должна быть: L = 130 + 7 + 2 · 0,6 = 138,2 мм.

Предельные отклонения по 14 квалитету составляют 1,2 мм.

Расчетная масса заготовки

З = V · γ,

где V - объем геометрической фигуры (цилиндра), в которую вписывается форма детали, м3;

γ - плотность материала, из которого изготовлена деталь, кг/м3,
γ = 7810 кг/м3.

= πR2l,

где R - радиус основания цилиндра, м, R = 0,016 м;- длина образующей цилиндра, м, l = 0,13 м.= 3,14 · 0,0162 · 0,13 = 0,1 ∙ 10-3 м3 .З = 0,1 ∙ 10-3 · 7810 = 0,781 кг.

Чертеж заготовки см. в графической части.

2. Выбор технологического маршрута изготовления валика, оборудования и технологической оснастки

Для изготовления валика необходимо выполнить заготовительную (005), токарную (010), сверлильную (015), фрезерную (020), шлифовальную (025), моечную (030), контрольную (035) и, при необходимости, консервационную (040) операции.

Заготовительная (005) операция заключается в отрезке заготовки.

Токарная (010) операция выполняется на станке 16К20; технологическая оснастка: установка и закрепление заготовки осуществляется в трехкулачковом самоцентрирующем патроне - патрон 7100-009 ГОСТ 2675-80; для поддержания свободного конца заготовки применяется задняя бабка и центром станочным вращающимся типа А - центр А-1-4-H ГОСТ 8742-72; крепление сверла производится в сверлильном трехкулачковом патроне - патрон 6-В12 ГОСТ 8522-79; установка сверлильного патрона в пиноль задней бабки осуществляется через переходную конусную втулку - втулка 6100-0227 ГОСТ 13598-85; режущий инструмент - сверло центровочное А2 ГОСТ 14952-75; резец проходной отогнутый правый с пластиной из твердого сплава - резец 2102-0055 Т15К6 ГОСТ 18877-73; резец канавочный R3, R2 - собственного изготовления; средство измерения - штангенциркуль ШЦ-2-160-0,05 ГОСТ 166-80 [2].

Сверлильная (015) операция выполняется на станке 2Н118; технологическая оснастка: приспособления с механическим зажимом для сверления на торце трех отверстий под резьбу, трехкулачковый патрон - патрон 8-В12 ГОСТ 8522-79, переходная конусная втулка - втулка 6100-0027 ГОСТ 13598-85; режущий инструмент - сверло 2300-7194 ГОСТ 886-77; средство измерения - штангенциркуль ШЦ-1-160-0,1 ГОСТ 166-80 [2].

Фрезерная (010) операция выполняется на станке 6Н82; технологическая оснастка: тиски станочные - тиски 7200-0252 ГОСТ 21168-75; режущий инструмент - фреза 2225-0063 ГОСТ 4675-71. Средство измерения - штангензубомер ШЗР-18 ГОСТ 1643-81 [2].

Шлифовальная (025) операция выполняется на станке 3151. Технологическая оснастка: установка и закрепление заготовки осуществляется в патроне поводковом − патрон 7108-0021 ГОСТ 2571-71; режущий инструмент - круг абразивный ПП 80×16×20 25А40НСМ1К8А2кл.35с-1 ГОСТ Р 52781-2007 [2].

Моечная (030) операция проводится для удаления с поверхностей детали стружки и охлаждающе-смазывающих материалов, выполняется в моечной машине струйного типа.

Контрольная (035) операция предназначена для выявления точности изготовления детали перед ее установкой в машину или передачей на склад, выполняется службой ОТК.

Консервационная (040) операция выполняется для обеспечения сохранности изготовленной детали при ее передаче на склад и заключается в нанесении на поверхности детали консервационной смазки (окунанием, с помощью специальных механизмов, вручную).

3. Выбор режимов резания и нормирование металлорежущих
операций

.1 Выбор режимов резания и нормирование токарной
операции (010)

Норма времени на любую операцию определяется по формуле [2]:

Тн = То + Тв + Тд + (Тп.з./n),

где  То - основное время, мин.;

Тв - вспомогательное время, мин.;

Тд - дополнительное время, мин.;

Тп.з. - подготовительно-заключительное время, мин.;- количество деталей в партии, n = 1 шт.

Подготовительно-заключительное время на операцию Тп.з.= 9 мин. [3]

Переход 1. Установить и снять заготовку.

ТВУ = 0,55 мин. [3]


Переход 2. Подрезать торец предварительно.

Глубина резания t = 3,5 мм, число рабочих ходов i = 1.

Подача режущего инструмента выбирается по справочным данным -
Sт = 0,25…0,35 мм/об [3], и уточняется по паспортным данным станка -
Sф = 0,34 мм/об [1].

Скорость резания также выбирается из справочника - Vт = 172 м×мин-1 [3]. Данное значение скорости резания корректируется в зависимости от марки обрабатываемого материала (kм), характера заготовки и состояния ее поверхности (kх), марки режущей части инструмента (kмр), применения охлаждения (kох) и глубины сверления (kL) [2]:

р = Vт × kм ×  kх × kмр × kох,

где kм = 1 [3];х = 0,9 [3];ох = 1 [3];мр = 1 [3].р = 172 · 0,9 = 154,8 м×мин-1.

Частота вращения вала шпинделя определяется по формуле [2]:

р = (Vp · 1000) / (π · D),р = (154,8 × 1000)/(3,14 × 32) = 1540,6 мин-1.

Согласно паспортных данных станка, принимаем nф = 1250 мин-1 [1].

Величина врезания и перебега - У = 3 мм [3].

Вспомогательное время составит - ТВ2 = 0,2 мин. [3].

Основное время определится по формуле [2]:

ТО2 = (L + У) / (nф × Sф),

где L - длина обрабатываемой поверхности, мм, L = 16 мм.

ТО2 = (16 + 1,5) / (1250 · 0,34) = 0,04 мин


Переход 3. Подрезать торец окончательно.= 0,6 мм, i = 1, Sт = 0,25…0,35 мм/об [3], Sф = 0,34 мм/об [1],
Vт = 194 м×мин-1 [3].

р = 194 · 0,9 = 174,6 м×мин-1.р = (174,6 × 1000)/(3,14 × 32) = 1737,6 мин-1.ф = 1600 мин-1 [1], У = 3 мм [3], ТВ3 = 0,2 мин. [3].

ТО3 = (16 + 1,5) / (1600 · 0,34) = 0,03 мин

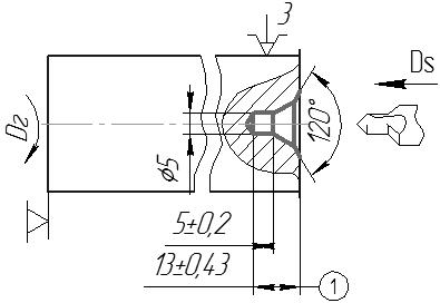
Переход 4. Сверлить центровое отверстие ø5 мм, выдерживая размер 1.

Переход осуществляется на частоте вращения предыдущего перехода
n = 1600 мин-1; подача ручная; t = 5/2 = 2,5 мм.

ТВ4 = 0,6 мин. ТО4 = 0,1 мин.


Переход 5. Сверлить осевое отверстие ø8 мм на проход.

Переход осуществляется на частоте вращения предыдущего перехода
n = 1600 мин-1; подача ручная; t = 8/2 = 4 мм.

ТВ5 = 0,6 мин. ТО5 = 13 мин.


Переход 6. Переустановить заготовку.

ТВ6 = 1,2 мин. [3]


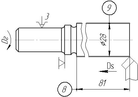
Переход 7. Точить поверхность, выдерживая размеры 2 и 3.= 3,5 мм, i = 1, Sт = 0,6…0,9 мм/об [3], Sф = 0,87 мм/об [1]. Vт = 127 м×мин-1 [3], Vр = 114,3 м×мин-1, nр = (114,3 × 1000)/(3,14 × 32) = 1137,5 мин-1, nф = 1000 мин-1 [1], У = 5 мм [3], ТВ7 = 0,5 мин. [3], ТО7 = (49 + 2,5) · 1 / (1000 · 0,87) = 0,06 мин.


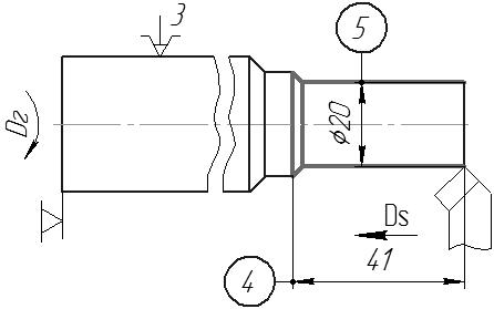
Переход 8. Точить поверхность, выдерживая размеры 4 и 5.= 2,5 мм, i = 1, Sт = 0,6…0,9 мм/об [3], Sф = 0,87 мм/об [1]. Vт = 127 м×мин-1 [3], Vр = 114,3 м×мин-1, nр = (114,3 × 1000)/(3,14 × 25) = 1456,1 мин-1, nф = 1250 мин-1 [1], У = 5 мм [3], ТВ8 = 0,5 мин. [3], ТО8 = (41 + 2,5) · 1 / (1250 · 0,87) = 0,04 мин.


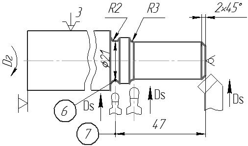
Переход 9. Точить канавку на поверхности, выдерживая размеры 6 и 7.

Переход осуществляется на частоте вращения предыдущего перехода
nф = 1250 мин-1, t - переменная, Sф - ручная, Vр = π·D·n/1000 = 3,14·32·1250/1000 = 125,6 м∙мин-1; ТВ9 = 0,2 мин. [3], ТО9 = 0,52 [3]

Переход 10. Точить галтель.

Переход осуществляется на частоте вращения предыдущего перехода
nф = 1250 мин-1, t - переменная, Sф - ручная, Vр = π·D·n/1000 = 3,14·25·1250/1000 = 98,1 м∙мин-1; ТВ10 = 0,2 мин. [3], ТО10 = 0,52 [3]

Переход 11. Снять фаску 2×45º.

Переход осуществляется на частоте вращения предыдущего перехода
n = 1250 мин-1; подача ручная; t - переменная.

ТВ11 = 0,07 мин. [3]; ТО11 = 0,18 мин. [3]


Переход 12. Переустановить заготовку.

ТВ12 = 0,55 мин. [3]


Переход 13. Подрезать торец предварительно.

Содержание и режим резания соответствуют переходу 2

ТВ13 = 0,2 мин.; ТО13 = 0,28 мин

Переход 14. Подрезать торец окончательно.

Содержание и режим резания соответствуют переходу 3

ТВ14 = 0,2 мин.; ТО14 = 0,22 мин

Переход 15. Точить поверхность, выдерживая размеры 8 и 9.= 2 мм, i = 1, Sт = 0,6…0,9 мм/об [3], Sф = 0,87 мм/об [1]. Vт = 127 м×мин-1 [3], Vр = 114,3 м×мин-1, nр = (114,3 × 1000)/(3,14 × 32) = 1137,5 мин-1, nф = 1250 мин-1 [1], У = 5 мм [3], ТВ15 = 0,5 мин. [3], ТО15 = (81 + 2,5) · 1 / (1250 · 0,87) = 0,08 мин.


Переход 16. Снять фаску 2×45º.

Содержание и режим резания соответствуют переходу 11.

ТВ16 = 0,07 мин.; ТО16 = 0,18 мин.


Вспомогательное время на операцию определяется из выражения [2]:


где ТВi - вспомогательное время i-го перехода.

ТВ = 2 · 0,55 + 2 · 0,6 + 5 · 0,2 + 1,2 + 2 · 0,5 + 2 · 0,07 + 0,66 = 6,3 мин.

Основное время на операцию определяется из выражения [2]:


где ТОi - основное время на выполнение i-го перехода.

ТО = 0,28 + 0,22 + 0,1 + 1,97 + 0,52 + 0,18 + 0,28 + 0,22 + 0,1 + 0,53 + 0,18 =
= 4,06 мин.

Дополнительное время на операцию [2] :

ТД = (ТОп · К)/100, мин

где ТОп - оперативное время, мин.;

ТОп = ТВ + ТО = 6,3 + 4,06 = 10,36 мин

где К - процентное соотношение дополнительного времени к оперативному, для токарной операции К = 8 % [2].

ТД = (10,36 · 8)/100 = 0,83 мин.

Штучное время [2]:

Тшт = ТВ + ТО + ТД = 6,3 + 4,04 + 0,83 = 11,19 мин

Норма времени на операцию:

ТН = 6,3 + 4,06 + 0,83 + (9/1) = 20,19 мин.

.2 Выбор режимов резания и нормирование сверлильной
операции (015)

Подготовительно-заключительное время на операцию Тп.з. = 9 мин.

Переход 1. Установить, закрепить и снять заготовку

ТВ1 = 0,8 мин.

Переход 2. Сверлить отверстие, выдерживая размеры 1 и 2. = 5/2 = 2,5 мм; подача Sт = 0,19 мм/об; Sф = 0,15 мм/об; скорость резанияVт = 23 м·мин-1; Vр = Vт · Kм · Kх · Kмр · Kох = 23 · 0,9 = 20,7 м·мин-1;
nр = (1000 · 20,7)/(3,14 · 5) = 1318,4 мин-1; nф = 1100 мин-1; У = 3 мм;
ТВ2 = 0,12 мин; ТО2 = ((28 + 3) · 1) / (1100 · 0,15) = 0,19 мин.

Вспомогательное время на операцию:

ТВ = 0,8 + 0,12 = 0,92 мин.

Основное время на операцию:

ТО = 0,19 мин.

ТОп = ТВ + ТО = 0,92 + 0,19 = 1,11 мин;

При сверлении К = 7%, поэтому

ТД = (1,11 · 7)/100 = 0,08 мин.

Штучное время [2]:

Тшт = ТВ + ТО + ТД = 0,92 + 0,19 + 0,08 = 1,19 мин

Норма времени на операцию:

ТН = 0,92 + 0,19 + 0,08 + (9/1) = 10,19 мин.

.3 Выбор режимов резания и нормирование фрезерной
операции (020)

Подготовительно-заключительное время на операцию Тп.з. = 22 мин.; время на установку фрезы Твуф = 2 мин.

Переход 1. Установить, закрепить и снять заготовку.

ТВ1 = 0,2 мин.

Переход 2,4,6,8,10,12. Фрезеровать шлиц, выдерживая размер 1. = 3,5 мм; Sт = 0,04…0,03 мм/об; Vт = 78 м·мин-1; Vр = Vт · Kм · Kх · Kмр · Kох= = 78 · 0,9 = 70,2 м·мин-1; nр = (1000 · 70,2)/(3,14 · 3,5) = 1596,9 мин-1;
nф = 1250 мин-1; Sмин = Sт · nф = (0,04…0,03) · 1250 = 50… 37,5 мм·мин-1;
Sмин ф = 50 мм·мин-1; ТВ2 = 0,8 мин;

ТО2 = (L · i) /Sмин ф, мин

где L - длина хода режущего инструмента с учетом врезания и перебега, мм

У = 3 мм; ТО2 = ((16 + 3) · 2) / 50 = 0,76 мин.

Переход 3,5,7,9,11. Повернуть заготовку на 60о.

ТВ3,5,7,9,11 = 0,2 мин.

Вспомогательное время на операцию:

ТВ = 2 + 6 ∙ 0,2 + 6 ∙ 0,8 = 8 мин.

Основное время на операцию:

ТО = 6 ∙ 0,76 = 4,56 мин.

ТОп = ТВ + ТО = 8 + 4,56 = 12,56 мин;

При фрезеровании К = 7%, поэтому

ТД = (12,56 · 7)/100 = 0,88 мин.

Норма времени на операцию:

ТН = 8 + 4,56 + 0,88 + (22/1) = 35,44 мин.

4. Определение типа производства и расчет потребного числа
станков

Согласно полученным значениям времени на изготовление детали и техническому заданию определим тип производства, на котором целесообразнее всего разместить заказ на изготовление детали

При курсовом проектировании можно считать, что тип производства зависит от двух факторов, а именно: заданной программы и трудоёмкости изготовления изделия.

Определим коэффициент серийности [1]:

,(4.1)

где tв - такт выпуска деталей, мин.;

Тшт.ср. - среднее штучное время трех рассчитываемых операций, мин.

, мин/шт.(4.2)

где Фд - действительный годовой фонд времени оборудования, час;

ПД - годовая программа выпуска деталей, шт. [1].

,(4.3)

где ПМ - годовая программа выпуска машин (изделий), шт., принимаем согласно задания ПМ = 10000;- число деталей на одну машину (изделие), шт., n = 1;

α - число запасных частей от общего количества деталей, %, α = 20%.

.

Действительный годовой фонд времени станка ФД, т.е. фонд времени с учетом простоя станка из-за ремонтов и в случае отсутствия рабочих
[1]:

,(4.4)

где К1 - коэффициент учитывающий простои станка из-за ремонтов,
К1 = 0,94…0,97;

К2 - коэффициент учитывающий простои станка в случае отсутствия рабочих, К2 = 0,92;

ФН - номинальный годовой фонд рабочего времени станка, час.

Номинальный годовой фонд рабочего времени станка [1]:

,(4.5)

где 52 - число недель в году;

- число рабочих часов в неделю;

р1 - обычные годы, р1 = 1;

р2 - високосные годы, р2 = 2;- число праздничных дней в году, n1 = 10;- число предпраздничных дней в году, когда рабочее время сокращается на 1 ч., n2 = 8;

К - число смен работы в сутки, К = 1.

 ч.

ФД = 2000 · 0,94 · 0,92 = 1729,6 ч.

 мин/шт.

, мин(4.6)

где Тшт - штучное время на изготовление, мин;

- число операций.

 мин


Приняты следующие коэффициенты серийности [1]:

для массового производства kс = 1;

для крупносерийного kс = 2…10;

для среднесерийного kс = 10…20;

для мелкосерийного kс > 20.

Для изготовления данной партии деталей необходимо разместить заказ на массовом производстве.

Расчетное (теоретическое) число станков для i-й операции при массовом производстве [1]:

,(4.7)

где Тп.з. - подготовительно-заключительное время для деталей одной партии, мин.;

С - число партий в год, шт., принимаем С = 12 (по числу месяцев в году);- число деталей в одной партии, шт., n = 1 шт.

Для каждой из рассчитываемых операций соответственно:

 шт.

Принимаем 3 токарных станка 16К20.

 шт.

Принимаем 2 сверлильных станка 2Н118.

 шт.

Принимаем 5 фрезерных станков 6Н82.

5. Экономическое обоснование технологического процесса

Частичную оценку технико-экономической эффективности технологических процессов производят по коэффициентам использования материала, основного времени, загрузки оборудования.

Коэффициент использования материала представляет собой отношение массы детали g к массе заготовки G [1]:

.(5.1)

.

Коэффициент основного времени представляет собой отношение основного времени ТО к штучному ТШ [1]:

.(5.2)

Коэффициент загрузки оборудования по времени представляет собой отношение расчетного числа станков  к принятому (фактическому)  [1]:

.(5.3)

Для каждой из рассчитываемых операций эти коэффициенты соответственно составляют:

;;


;;


..





6. Проектирование конструкции приспособления

Приспособление для фрезерования шлицев состоит из основания 1, к которому приварена неподвижная опора 2 с установленной в ней оправкой 3 крепящейся гайкой 4. Промежуточной опоры 5 также приваренной к основанию 1 для установки в нее серединной части валика с радиальным отверстием. Подвижной опоры 7 с закрепленным в ней винтом 8 центром 6, свободно скользящей относительно основания 1 по оси 11 и подпружиненной пружиной 9. Пружина 9 одета на ось 11 и располагается между подвижной опорой 7 и ограничителем 10, который приваривается к основанию 1. Фиксация оси 11 осуществляется при помощи стопорных шайб 12. Крепление приспособления к столу поперечно-строгального станка производится Т-образными шпильками и гайками.

Работает приспособление следующим образом. Преодолевая сопротивление пружины 9, установленной на оси 11, зафиксированной стопорными шайбами 12, и свободно перемещающейся в отверстиях подвижной опоры 7 и ограничителя 10, отводят подвижную опору 7 вправо. Между подвижной 7 и неподвижной 2 опорами приспособления помещают валик, таким образом, чтобы оправка 3 вошла в отверстие Ç8 мм валика, а его серединная часть с радиальным отверстием установилась точно в раствор промежуточной опоры. Фиксация от поворота валика вокруг своей оси осуществляется стержнем 12 последовательно устанавливаемым в одно из четырех имеющихся в опоре отверстий. Отпущенная подвижная опора 7, под воздействием пружины 9 стремится вернуться в исходное положение и поджимает валик посредством центра 6.

Рисунок 1 - Схема приспособления для строгания паза

. Исследование точности технологического процесса получения
размера детали

Нами было получено техническое задание, содержащее результаты 50 измерений внутреннего диаметра осевого отверстия ступицы (см. рабочий чертеж) с номинальным размером ø50+0,19. Для оценки точности обработки деталей построим кривые распределения действительных размеров детали. Для этого разобьем измеренные значения размеров на n интервалов.

Показатели

Интервалы размеров


50…50,019

50,019…50,038

50,038…50,057

50,057…50,076

50,076…50,095

50,095…50,114

50,114…50,133

50,133…50,152

Частота mi

3

4

7

12

10

7

4

3

Опытная вероятность Рi

0,06

0,08

0,14

0,24

0,2

0,14

0,08

0,06

Средний размер интервала Dср

50,005

50,025

50,045

50,065

50,085

50,105

50,125

50,145

Накопленная опытная вероятность РΣРi

0,06

0,14

0,28

0,52

0,72

0,86

0,94

1


Размер интервала А равен [1]:

,(6.1)

где Dmax - наибольший размер в пределах одного интервала, мм;- наименьший размер в пределах одного интервала, мм.

,(6.2)

где N - количество измеренных деталей.

 ≈ 8.

.

Опытная вероятность Рi находится по формуле [1]:

,(6.3)

где mi - частота появления действительных размеров в i-м интервале.

Средний размер интервала определяется как среднее арифметическое [1]:

,(6.4)

Накопленная вероятность РΣРi i-го интервала определяется как сумма опытных вероятностей предыдущих интервалов с опытной вероятностью i-го интервала [1].

Определим среднее взвешенное арифметическое значение действительных размеров заготовок [1]:

.(6.5)

Определим среднее квадратичное отклонение [4]:

=.(6.6)

При механической обработке заготовок с точностью по 8 квалитету и грубее справедлив закон нормального распределения размеров или закон Гаусса. Уравнение кривой нормального распределения имеет следующий вид [1]:

.(6.7)

Среднее взвешенное арифметическое значение действительных размеров заготовок составило а = 50,0746, а среднее квадратичное отклонение - σ = 0,032.

Таблица 3 - Диаметр отверстия и результаты вычислений, мм

№ п/п

xi

(xi-xср)

(xi-xср)2

№ п/п

xi

(xi-xср)

(xi-xср)2

 

1

2

3

4

5

6

7

8

 

1

50

-0,0754

0,00568516

26

50,07

-0,0054

2,916E-05

 

2

50,01

-0,0654

0,00427716

27

50,08

0,0046

2,116E-05

 

3

50,01

-0,0654

0,00427716

28

50,08

0,0046

2,116E-05

 

4

50,02

-0,0554

0,00306916

29

50,08

0,0046

 

5

50,03

-0,0454

0,00206116

30

50,08

0,0046

2,116E-05

6

50,03

-0,0454

0,00206116

31

50,08

0,0046

2,116E-05

7

50,03

-0,0454

0,00206116

32

50,09

0,0146

0,00021316

8

50,04

-0,0354

0,00125316

33

50,09

0,0146

0,00021316

9

50,04

-0,0354

0,00125316

34

50,09

0,0146

0,00021316

10

50,04

-0,0354

0,00125316

35

50,09

0,0146

0,00021316

11

50,05

-0,0254

0,00064516

36

50,09

0,0146

0,00021316

12

50,05

-0,0254

0,00064516

37

50,1

0,0246

0,00060516

13

50,05

-0,0254

0,00064516

38

50,1

0,0246

0,00060516

14

50,05

-0,0254

0,00064516

39

50,1

0,0246

0,00060516

15

50,06

-0,0154

0,00023716

40

50,1

0,0246

0,00060516

16

50,06

-0,0154

0,00023716

41

50,11

0,0346

0,00119716

17

50,06

-0,0154

0,00023716

42

50,11

0,0346

0,00119716

18

50,07

-0,0054

2,916E-05

43

50,11

0,0346

0,00119716

19

50,07

-0,0054

2,916E-05

44

50,12

0,0446

0,00198916

20

50,07

-0,0054

2,916E-05

45

50,12

0,0446

0,00198916

21

50,07

-0,0054

2,916E-05

46

50,13

0,0546

0,00298116

22

50,07

-0,0054

2,916E-05

47

50,13

0,0546

0,00298116

23

50,07

-0,0054

2,916E-05

48

50,14

0,0646

0,00417316

24

50,07

-0,0054

2,916E-05

49

50,14

0,0646

0,00417316

25

50,07

-0,0054

2,916E-05

50

50,15

0,0746

0,00556516


Найдем координаты точек для приближенного построения кривой Гауса:

Номер точки

хi

yi

1

x1 = - 3σ = - 0,009

y1 = 0

2

x2 = - 2σ = - 0,006

y2 = 0,054/2 = 18

2

x3 = - σ = - 0,003

y3 = 0,24/σ = 80

3

x4 = 0

y4 = 0,4/σ = 133,3

4

x5 = σ = 0,003

y5 = 0,24/σ = 80


x6 = 2σ = 0,006

y6 = 0,054/2 = 18

5

x7 = 3σ = 0,009

y7 = 0



Заключение

Изготовление детали - валик, возможно из стального круглого проката с помощью трех основных операций: токарной, сверлильной и слесарной. Выбранные режимы переходов обеспечат наименьшие затраты времени и материала необходимые для изготовления детали.

Норма времени на изготовление валика:

Тн = 20,19 + 10,19 + 35,44 = 65,82 мин.

С целью уменьшения нормы времени целесообразно изготавливать партию деталей.

Литература

Некрасов С.С, Практикум и курсовое проектирование по технологии сельскохозяйственного машиностроения. - М.: Мир, 2004. - 240 с.

Спицын, И.А. Проектирование технологических процессов механической обработки деталей: Учебное пособие / И.А. Спицын, А.А. Орехов. - Пенза, РИО ПГСХА, 2005. - 112 с.

Матвеев, В.А. Техническое нормирование ремонтных работ в сельском хозяйстве / В.А. Матвеев, И.И. Пустовалов. - М.: Колос, 1979. - 288 с.

Похожие работы на - Проектирование технологического процесса изготовления валика

 

Не нашли материал для своей работы?
Поможем написать уникальную работу
Без плагиата!
Без нейросетей!