Проект привода с цилиндрическим зубчатым редуктором
СОДЕРЖАНИЕ
Задание
. Энерго-кинематический
расчёт
2. Расчёт
быстроходной цилиндрической передачи
2.1 Выбор материалов
2.2 Проектировочный расчёт передачи
2.3 Геометрические
размеры передачи
2.4 Проверочный
расчёт по контактным напряжениям
.5 Силы
в зацеплении
.6 Проверочный
расчёт по напряжениям изгиба
.7 Проверочный
расчёт на статическую прочность10
3. Расчёт
тихоходной цилиндрической передачи0
3.1 Выбор материалов
3.2 Проектировочный
расчёт передачи
3.3 Геометрические
размеры передачи
.4 Проверочный
расчёт по контактным напряжениям
.5 Силы
в зацеплении
.6 Проверочный
расчёт по напряжениям изгиба
.7 Проверочный
расчёт на статическую прочность
4. Расчёт
открытой цилиндрической передачи
4.1 Выбор
материалов
.2
Проектировочный расчёт передачи
.3
Геометрические размеры передачи
.4
Проверочный расчёт по контактным напряжениям
.5 Силы в
зацеплении
.6
Проверочный расчёт по изгибным напряжениям
.7
Проверочный расчёт на статическую прочность
5. Расчёт
элементов корпуса
. Выбор и
расчёт подшипников
6.1 Реакции
опор в вертикальной плоскости
.2 Расчёт
реакций опор и изгибающих моментов промежуточного вала
.3 Расчёт
тихоходного вала
.4 Расчёт
подшипников быстроходного вала
.5 Расчёт
подшипников промежуточного вала
7. Уточнённый
расчёт валов
. Расчёт
шпоночных соединений
. Выбор масла
. Выбор муфт
Список
использованной литературы
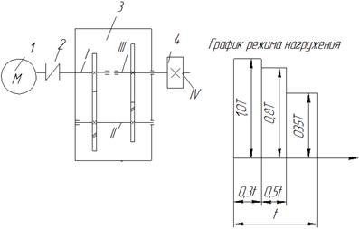
ЗАДАНИЕ
Спроектировать привод
Рдв = 7,5 кВт, Uпр =
30, пдв = 1500 мин-1
Рисунок 1 - Схема привода: 1 - электродвигатель, 2 - муфта, 3 - редуктор
соосный, 4 - открытая цилиндрическая передача
1. ЭНЕРГО-КИНЕМАТИЧЕСКИЙ РАСЧЁТ
Находим КПД привода, учитывая, что:
hцил - КПД
закрытой цилиндрической передачи, hцил = 0,96;
hот - КПД
открытой цилиндрической передачи, hцил = 0,95;
hм - КПД
муфты, hм = 0,98;
hп - КПД пары
подшипников, hп = 0,99.
hпр = hм hцил2hп3 = 0,98 · 0,95· 0,962 · 0,993 =
0,8852
Значения к.п.д. для различных типов передач и подшипников приведены в
табл. 1.
Таблица 1
|
Tипы передач и подшипников
|
к.п.д.
|
|
Закрытые передачи
|
Открытые передачи
|
|
Цилиндрическая зубчатая
передача
|
0,97…….0,98
|
0,94…0,96
|
|
Открытая цилиндрическая
зубчатая передача
|
0,95….0,97
|
0,93…0,95
|
|
Одна пара подшипников
качения или скольжения
|
0,985…..0,995
|
|
По мощности 7,5 кВт выбираем следующие электродвигатели
. АИР112М2У3 P=7,5 кВт, n=2895 мин-1
2. АИР132S4У3 P= 7,5 кВт, n=1440 мин-1
3. АИР132M6У3 P= 7,5 кВт, n=960 мин-1
4. АИР160S8У3 P= 7,5 кВт, n=727 мин-1
По условиям задания принимаем двигатель АИР132S4У3 P= 7,5
кВт, n=1440 мин-1
Выбираем электродвигатель трёхфазный асинхронный короткозамкнутый
закрытый обдуваемый АИР132М6У3 ТУ 16-525.564-84
АИР - серия;
- высота оси центров;
S -
установочный размер по длине станины;
- число полюсов;
У3 - категория климатического размещения.
Мощность электродвигателя Рдв = 7,5 кВт, число оборотов nдв =1440 мин-1.
Определяем и частоту вращения приводного вала:
Число
оборотов электродвигателя
nдв = nIV ×uб×uтих uот
Коэффициент
относительной ширины
ближайшее
стандартное передаточное число 5
Принимаем
uб = 5 -
передаточное число быстроходной передачи;
uтих = 4 - передаточное число тихоходной передачи
Передаточное
число открытой цилиндрической передачи
Уточняем
передаточные числа быстроходной и тихоходной ступеней редуктора
Так
как nдв = 1440
мин-1, то
Мощности
на валах
РII
= Рдв hм hп = 7,5 ·
0,98 · 0,99 = 7,27 (кВт)
РIII = РII hцил hп =7,27 · 0,96 · 0,99 = 6,91 (кВт)
РIV
= РIII hцилhп = 6,91 ·
0,96 · 0,95 = 6,3 (кВт)
Частоты
вращения валов
nI = nдв
= 1440 мин-1
nII =
nI /uб
= 1440/5 = 288 мин-1
nIII
= nII /uт =
288/4,0 = 72 мин-1
nIV =
nIII /uот
= 72/1,5 = 48 мин-1
Определяем
угловую скорость каждого вала по формуле
Крутящие
моменты на валах находим по формуле
(Нм)
(Нм)
(Нм)
(Нм)
Определяем диаметры валов
Из каталога электродвигателей диаметр dB1 = 38 мм, dB2
= dB1 = 38 мм
Диаметры остальных валов находим по формуле
где:[t]K - пониженное допускаемое напряжение при кручении,
принимаем [t]K = 15…25 МПа, тогда
мм, принимаем 50 мм
мм, принимаем 65 мм
Результаты
расчётов сводим в таблицу 2
Таблица 2
Результаты энерго-кинематического расчёта привода
|
Валы
|
Параметры
|
|
n, мин-1
|
w, рад/с
|
U
|
P, кВт
|
h
|
T, Нм
|
d, мм
|
|
I
|
1440
|
150,72
|
5
|
7,5
|
|
49,82
|
38
|
|
II
|
288
|
30,144
|
|
7,27
|
0,97
|
241,91
|
38
|
|
III
|
72
|
7,53
|
4 1,5
|
6,91
|
0,922
|
917,66
|
50
|
|
IV
|
48
|
5,024
|
|
6,3
|
08852
|
1253,98
|
65
|
2. РАСЧЁТ БЫСТРОХОДНОЙ ЦИЛИНДРИЧЕСКОЙ ПЕРЕДАЧИ
.1 Выбор материалов
Для цилиндрических зубчатых колёс целесообразно принимать такие сочетания
материалов и термической обработки, для которых твёрдость зубьев шестерни была
бы значительно выше твёрдости колеса
Выбираем для шестерни - сталь 40Х, закалка, твёрдость сердцевины 269…302
НВ, твёрдость зубьев 48…53 HRCэ.
Среднее значение твёрдости Н1пов=0,5(48+53)=50,5 HRCэ или 490 НВ. Предел текучести sт1 = 750 МП. Для колеса - сталь 50,
улучшение, твёрдость зубьев 269…302 НВ. Среднее значение твёрдости Н2пов=0,5(269+302)=285,5,
sт = 530 МПа.
Таблица 3
|
№
|
Термообработка или
химико-термическое упрочнение
|
Твердость
|
, Н /
|
|
1.
|
Нормализация, улучшение
|
HВ ≤ 350
|
2НВ+70
|
|
2
|
Объемная закалка
|
НRС = 38...50
|
I8HRC+150
|
|
3
|
Поверхностная закалка
|
HRС = 40...56
|
I7HRC+200
|
|
4
|
Цементация
|
НВС =
54...64
|
23HRC
|
|
5
|
Азотирование
|
ККС = 55...75
|
20HRC
|
При таком выборе материалов и термообработки будет обеспечена приработка
зубьев.
Допускаемые контактные напряжения при расчёте на сопротивление усталости
,
где
sHR
- базовый предел контактной выносливости поверхностей зубьев при базе
испытаний, МПа;
Для
шестерни sHR1 = 18 HRCэ +150 = 18 ×50,5 +
150 =1059 МПа
Для
колеса sHR2 = sHR1 = 2НВ2 + 70 =
2×285,5 + 70 = 601 МПа
Коэффициент,
учитывающий шероховатость сопряженных поверхностей, выбираем по табл. 1.2 ZR=1
Коэффициент,
учитывающий влияние скорости, выбираем из табл. 1.3 Zv= 1
Находим
базу испытаний, зависящую от твёрдости
Для
шестерни
NHG1=30HB2,4=30 × 490 2,4 = 8,58 × 107
Для
колеса
NHG2=30HB2,4=30 × 285,52,4 = 2,35 × 107
Оцениваем
суммарный ресурс
Lh =
365Кгод24Ксут = 4 × 365 × 0,66 × 24 × 0,5 = 11563,2 ч
Определяем
суммарное число циклов нагружений при числе зацеплений каждого зуба за один
оборот, с=1.
Для
шестерни
NH1=NS1=60cn1Lh = 60 × 960× 11563,2=6,66×108
Для
колеса
NH2=NS2= NS1 / u =
6,66×108 /5,02 = 1,32 ×108
Для
заданного режима нагружения коэффициент эквивалентности по контактным
напряжениям КНБ оценивается по формуле при m = 6 по
циклограмме нагрузки
Тогда
эквивалентное число циклов нагружений зубьев шестерни
NHE1=NSKHE= 6,66 ×108×0,54= 3,59×108
колеса
NHE2= NHE1/u =
3,59×108 /5,02 = 7,1 × 107
Так
как NHE1 > NHG1 и NHE2 > NHG2 , то
коэффициенты долговечности ZN1,2 = 1
SH -
коэффициент безопасности, рекомендуется SH =
1,1 при нормализации, улучшении или объёмной закалке; SH =
1,2 при поверхностной закалке, цементации, азотировании;
Для
шестерни
МПа
Для
колеса
МПа
Допускаемые
контактные напряжения, используемые в расчёте, находим по формуле
[sН]р = 0,45([sН]1 + [sН]2) =
0,45(962,73+583)=695,58 <1,25[sН]2 = 1,25×583=729
Допустимые
контактные напряжения для проверки статической прочности зубьев
Для
шестерни sFR1 = 500 МПа
Для
колеса 1,8НВ = 1,8 ×285,5 = 514 МПа
Допускаемые
изгибные напряжения.
При
расчете зубьев на изгиб допускаемое изгибное напряжение может быть определено
таблице 4:
Таблица 4
|
№ пп
|
Термообработка или
химико-термическое упрочнение
|
Твердость
|
|
|
I.
|
Нормализация или улучшение
|
НВ ≤ 350
|
1,8 HB
|
|
2.
|
Объемная закалка
|
HRC =
45...55
|
600
|
|
3.
|
Поверхностная закалка
|
HRC = 48...58
|
600…700
|
|
|
(в сердцевине НВС = 25...35)
|
|
|
4.
|
Цементация
|
HRC = 56...62
|
750…850
|
|
|
(в сердцевине HRC =
32...45)
|
|
|
б.
|
Азотирование
|
HRC = 55...70
|
300+ I2HHC*
|
|
|
(в сердцевине НРС =
24...40)
|
твердость
|
Для заданного режима нагружения коэффициент эквивалентности по изгибным
напряжениям КFE
оценивается по формуле при m = 6
Тогда
эквивалентное число циклов нагружений зубьев
шестерни
NFE1=NSKFE= 6,66 ×108×0,39= 2,59×107
колеса
NFE2= NFE1/u =
2,59×108 /5,02 = 5,1 × 106
Так
как NFE1 > NFG2 > NFG =2,4 ×106, то коэффициенты YN1=YN2=1
SF -
коэффициент безопасности, рекомендуется SF =
1,75
Напряжения
изгиба
Для
шестерни
МПа
Для
колеса
МПа
Допустимые
напряжения изгиба для проверки статической прочности зубьев
Для
шестерни [sF]max1 = 1400
МПа
Для
колеса [sF]max2 = 2,7HB =
2,7 × 285,5 = 770 МПа
.2
Проектировочный расчёт передачи
Принимаем
предварительно угол наклона зубьев b = 10 °.
Число
зубьев шестерни
Округляем
до целого числа, принимаем 19 зубьев
Определяем
число зубьев колеса
z2 = z1 u =
19 × 5,02 = 95,38 = 95
Уточняем
угол наклона зубьев
b = 20,2165° или 20°12’39’’
Рисунок
2
2.3 Геометрические размеры передачи
Находим делительные диаметры шестерни и колеса, мм
(мм)
(мм)
Действительное
передаточное число
Отклонение
этого значения
Проверка
(мм)
Диаметры
вершин зубьев
da1 = d1 + 2mn = 60 + 2 × 3,0 = 66 мм
da2 = d2 + 2mn = 300 + 2 × 3,0 = 306 мм
мм
Однако,
поскольку редуктор соосный принимаем межосевое расстояние тихоходной ступени аw = 180 мм.
Определяем
ширину колеса
b1 = yba · aw = 0,4 · 107,31 = 42,92 (мм),
Округляем
до целого числа, принимаем 43 мм. Ширину шестерни принимаем на 2…5 мм больше
колеса, принимаем b1 = 48 мм.
Определяем
коэффициент ширины шестерни по диаметру:
.4
Проверочный расчёт по контактным напряжениям
Окружная
скорость колёс с степень точности передачи
(м/с)
По
[1. стр. 32], выбираем степень точности передачи - 8-В
По
табл. 1.17 в зависимости от степени точности, типа передачи и твёрдости
материала коэффициент динамичности нагрузки KHv =1,0
Коэффициент
концентрации KHb = 1,15 [1, табл. 1.10],
Коэффициент
распределения нагрузки между зубьями KHa
= 1,08 [1, табл. 17]
Значения
коэффициента динамической нагрузки при расчете по контактным напряжениям (
) приведены в табл.5
Коэффициент нагрузки
KH = KHb KHa KHv = 1,0× 1,04 × 1,08 = 1,12
Проверяем контактные напряжения по формуле 1.26 [1]
.5
Силы в зацеплении
Определяем
окружную силу в зацеплении
(Н)
Радиальная
сила в зацеплении
(Н)
Осевая
сила в зацеплении Fa =
Ft tgb = 2060 × tg
20,2156° = 1957,00 Н
.6
Проверочный расчёт по напряжениям изгиба
Проверяем
зубья на выносливость по напряжениям изгиба [1, формула 3.25]:
Здесь
коэффициент нагрузки KF = KFaKFbKFv =
1,1 × 0,91 ×1,22 = 1,22
KFb =
0,91 [1, стр. 42]
KFv = 1,1 [1, стр. 42]
KFa = 1,22
YF -
коэффициент, учитывающий форму зуба и зависящий от эквивалентного числа зубьев
Вывод:
на примере тихоходной передачи
произвели ее расчет: определили допускаемое контактное и изгибное напряжения,
марку стали колес (шестерни), произвели расчет зубьев на прочность.
Для
шестерни zv1 = 22 YF1 = 3,9 [1, стр. 42]
Для
колеса zv2 = 99 YF2 = 3,61 [1, стр. 42]
Для
шестерни
Для колеса
Дальнейший
расчёт ведём для зубьев колеса, для которого найденное отношение меньше
КFa = 1 [1, стр. 296]
Проверяем
прочность зуба колеса по формуле (3.25) [1]
Условие
прочности выполнено.
.7
Проверочный расчёт на статическую прочность
Проверочные
расчёты на статическую прочность при действии нагрузки.
Максимальное
контактное напряжение с учётом коэффициента перегрузки Кп=Тпус/Т=1,3
(по заданию).
<2020 МПа
Максимальное
напряжение в ножке зуба
<770 МПа
Следовательно,
статическая прочность зубьев обеспечена.
3. РАСЧЁТ ТИХОХОДНОЙ ЦИЛИНДРИЧЕСКОЙ ПЕРЕДАЧИ
.1 Выбор материалов
Для цилиндрических зубчатых колёс целесообразно принимать такие сочетания
материалов и термической обработки, для которых твёрдость зубьев шестерни была
бы значительно выше твёрдости колеса
Выбираем для шестерни - сталь 40Х, закалка, твёрдость сердцевины 269…302
НВ, твёрдость зубьев 48…53 HRCэ. Среднее
значение твёрдости Н1пов=0,5(48+53)=50,5 HRCэ или 490 НВ. Предел текучести sт1 = 750 МП.
Для колеса - сталь 50, улучшение, твёрдость зубьев 269…302 НВ. Среднее
значение твёрдости Н2пов=0,5(269+302)=285,5, sт = 530 МПа.
Таблица 5
|
№
|
Твердость
|
, Н /
|
|
1
|
Нормализация, улучшение
|
HВ ≤ 350
|
2НВ+70
|
|
2
|
Объемная закалка
|
НRС = 38...50
|
I8HRC+150
|
|
3
|
Поверхностная закалка
|
HRС = 40...56
|
I7HRC+200
|
|
4
|
Цементация
|
НВС =
54...64
|
23HRC
|
|
5
|
Азотирование
|
ККС = 55...75
|
20HRC
|
При таком выборе материалов и термообработки будет обеспечена приработка
зубьев.
Допускаемые контактные напряжения при расчёте на сопротивление усталости
,
где
sHR
- базовый предел контактной выносливости поверхностей зубьев при базе
испытаний, МПа;
Для
шестерни sHR1 = 18 HRCэ +150 = 18 ×50,5 +
150 =1059 МПа
Для
колеса sHR2 = sHR1 = 2НВ2 + 70 =
2×285,5 + 70 = 601 МПа
Коэффициент,
учитывающий шероховатость сопряженных поверхностей, выбираем по табл. 1.2 ZR=1
Коэффициент,
учитывающий влияние скорости, выбираем из табл. 1.3 Zv= 1
Находим
базу испытаний, зависящую от твёрдости
Для
шестерни
NHG1=30HB2,4=30 × 490 2,4 = 8,58 × 107
Для
колеса
NHG2=30HB2,4=30 × 285,52,4 = 2,35 × 107
Оцениваем
суммарный ресурс
Lh = L365Кгод24Ксут
= 4 × 365 × 0,66 × 24 × 0,5 = 11563,2 ч
Определяем
суммарное число циклов нагружений при числе зацеплений каждого зуба за один
оборот, с=1.
Для
шестерни
NH1=NS1=60cn1Lh = 60 × 1× 191,23×11563,2=1,32×108
Для
колеса
NH2=NS2= NS1 / u =
1,32×108 /4,0 = 3,31×107
Для
заданного режима нагружения коэффициент эквивалентности по контактным
напряжениям КНБ оценивается по формуле при m = 6
Тогда
эквивалентное число циклов нагружений зубьев
шестерни
NHE1=NSKHE= 1,32 ×108×0,54= 7,1×107
колеса
NHE2= NHE1/u =
7,1×107 /4,0 = 1,78 × 107
Так
как NHE1 > NHG1 и NHE2 > NHG2 , то
коэффициенты долговечности ZN1,2 = 1
SH -
коэффициент безопасности, рекомендуется SH =
1,1 при нормализации, улучшении или объёмной закалке; SH =
1,2 при поверхностной закалке, цементации, азотировании;
Для
шестерни
МПа
Для
колеса
МПа
Допускаемые
контактные напряжения, используемые в расчёте, находим по формуле
[sН]р = 0,45([sН]1 + [sН]2) =
0,45(962,73+583) = 695,58 < 1,25[sН]2 = 1,25×583 = 729
Допустимые
контактные напряжения для проверки статической прочности зубьев
Для
шестерни sFR1 = 500 МПа
Для
колеса 1,8НВ = 1,8 ×285,5 = 514 МПа
Допускаемые
изгибные напряжения.
При
расчете зубьев на изгиб допускаемое изгибное напряжение может быть определено
таблице 4:
Таблица 6
|
№ пп
|
Термообработка или химико-термическое
упрочнение
|
Твердость
|
|
|
I.
|
Нормализация или улучшение
|
НВ ≤ 350
|
1,8 HB
|
|
2.
|
Объемная закалка
|
HRC =
45...55
|
600
|
|
3.
|
Поверхностная закалка
|
HRC = 48...58 (в сердцевине
НВС = 25...35)
|
600…700
|
|
4.
|
Цементация
|
HRC = 56...62 (в сердцевине
HRC = 32...45)
|
750…850
|
|
б.
|
Азотирование
|
HRC = 55...70
(в сердцевине НРС = 24...40)
|
300 + I2HHC* твердость
|
Для заданного режима нагружения коэффициент эквивалентности по изгибным
напряжениям КFE
оценивается по формуле при m = 6
Тогда
эквивалентное число циклов нагружений зубьев
шестерни
NFE1=NSKFE= 1,32 ×108×0,39= 5,14×107
колеса
NFE2= NFE1/u =
5,14×108 /4,0 = 1,28 × 107
Так
как NFE1 > NFG2 > NFG =4 ×106, то коэффициенты YN1=YN2=1
SF -
коэффициент безопасности, рекомендуется SF =
1,75
Напряжения
изгиба
Для
шестерни
МПа
Для
колеса
МПа
Допустимые
напряжения изгиба для проверки статической прочности зубьев для шестерни [sF]max1 = 1400
МПа
Для
колеса [sF]max2 = 2,7HB =
2,7 × 285,5 = 770 МПа
.2
Проектировочный расчёт передачи
Принимаем
предварительные коэффициенты нагрузки К’Нb = 1,3.
Принимаем коэффициент ширины зубчатого колеса относительно межосевого
расстояния yba
= b/aw= 0,4
Определяем
межосевое расстояние из условия контактной выносливости зубьев [1, формула 3.7], мм
(мм)
где:
Кo = 410 МПа1/3 для стальных косозубых колёс;
Ближайшее
значение межосевого расстояния аw = 160 мм, [1, стр. 36], по конструктивным соображениям принимаем 180 мм.
Рисунок
3
Определяем
нормальный модуль
mn =
(0,016…0,0315) aw = 2,6…5,13 » 3,0 (мм)
Принимаем
предварительно угол наклона зубьев b = 10 °.
Число
зубьев шестерни
Округляем
до целого числа, принимаем 23 зуба
Определяем
число зубьев колеса
z2 = z1 u =
23 × 4 = 92
Уточняем
угол наклона зубьев
b = 18,4420° или 18°26’18’’
.3
Геометрические размеры передачи
Находим
делительные диаметры шестерни и колеса, мм
(мм)
(мм)
Проверка
(мм)
Диаметры
вершин зубьев
da1 = d1 + 2mn = 72,0 + 2 × 3,0 = 78 мм
da2 = d2 + 2mn = 288 + 2 × 3,0 = 294 мм
Определяем ширину колеса
b1 = yba · aw = 0,4 · 180 = 72 (мм), принимаем 72
мм
Округляем до целого числа, принимаем 72 мм. Ширину шестерни принимаем на
2…5 мм больше колеса, принимаем b1 = 77 мм.
.4 Проверочный расчёт по контактным напряжениям
Окружная скорость колёс с степень точности передачи
(м/с)
По
[1. стр. 32], выбираем степень точности передачи - 8-В
По
табл. 1.17 в зависимости от степени точности, типа передачи и твёрдости
материала коэффициент динамичности нагрузки KHv =1,0
Коэффициент
концентрации KHb = 1,08 [1, табл. 1.10],
Коэффициент
распределения нагрузки между зубьями KHa
= 1,09 [1, табл. 17]
Коэффициент
нагрузки
KH = KHb KHa KHv = 1,08× 1,09 × 1,0 = 1,18
Проверяем
контактные напряжения по формуле 1.26 [1]
.5
Силы в зацеплении
Определяем
окружную силу в зацеплении
(Н)
Радиальная
сила в зацеплении
(Н)
Осевая
сила в зацеплении
Fa = Ft tgb = 8352,22 × tg 18,4420° = 2489,55 Н
.6
Проверочный расчёт по изгибным напряжениям
Проверяем
зубья на выносливость по напряжениям изгиба [1, формула 3.25]:
Здесь
коэффициент нагрузки
KF = KFaKFbKFv =
0,92 × 1,17 ×1,1 = 1,18
KFb =
1,17 [1, стр. 42]
KFv = 1,1 [1, стр. 42]
KFa = 0,92
YF -
коэффициент, учитывающий форму зуба и зависящий от эквивалентного числа зубьев
Для
шестерни zv1 = 23 YF1 = 3,89 [1, стр. 42]
Для
колеса zv2 = 99 YF2 = 3,61 [1, стр. 42]
Для
шестерни
Для колеса
Вывод:
на примере тихоходной передачи
произвели ее расчет: определили допускаемое контактное и изгибное напряжения,
марку стали колес (шестерни), произвели расчет зубьев на прочность.
Дальнейший
расчёт ведём для зубьев шестерни, для которого найденное отношение меньше
Проверяем
прочность зуба колеса по формуле (3.25) [1]
Условие
прочности выполнено
.7
Проверочный расчёт на статическую прочность
Проверочные
расчёты на статическую прочность при действии нагрузки.
Максимальное
контактное напряжение с учётом коэффициента перегрузки Кп=Тпус/Т=1,3
(по заданию).
<2020 МПа
Максимальное
напряжение в ножке зуба
<770 МПа
Следовательно,
статическая прочность зубьев обеспечена.
Результаты
расчётов сводим в таблицу 7.
Таблица 7
Результаты расчётов цилиндрических передач
|
передача
|
z
|
m, мм
|
d, мм
|
b, мм
|
а, мм
|
Ft, Н
|
Fr, Н
|
Fa, Н
|
b
|
|
Быстроходная
|
z1 =19 z2
=95
|
3,0
|
d1= 60 d2= 300
|
43
|
180
|
2060
|
789,08
|
1957,00
|
20,2165°
|
|
Тихоходная
|
z3=23 z4=92
|
3,0
|
d3= 72 d4=
288
|
72
|
180
|
8352,22
|
3171,72
|
2489,55
|
18,4420°
|
4. РАСЧЁТ ОТКРЫТОЙ ЦИЛИНДРИЧЕСКОЙ ПЕРЕДАЧИ
.1 Выбор материалов
Для цилиндрических зубчатых колёс целесообразно принимать такие сочетания
материалов и термической обработки, для которых твёрдость зубьев шестерни была
бы значительно выше твёрдости колеса
Выбираем для шестерни - сталь 40Х, закалка, твёрдость сердцевины 269…302
НВ, твёрдость зубьев 48…53 HRCэ. Среднее
значение твёрдости Н1пов=0,5(48+53)=50,5 HRCэ или 490 НВ. Предел текучести sт1 = 750 МП.
для колеса - сталь 50, улучшение, твёрдость зубьев 269…302 НВ. Среднее
значение твёрдости Н2пов=0,5(269+302)=285,5, sт = 530 МПа.
Таблитца 8
|
№
|
Термообработка или
химико-термическое упрочнение
|
Твердость
|
Н /
|
|
1
|
Нормализация, улучшение
|
HВ ≤ 350
|
2НВ+70
|
|
2
|
Объемная закалка
|
НRС = 38...50
|
I8HRC+150
|
|
3
|
Поверхностная закалка
|
HRС = 40...56
|
I7HRC+200
|
|
4
|
Цементация
|
НВС =
54...64
|
23HRC
|
|
5
|
Азотирование
|
ККС = 55...75
|
20HRC
|
Допускаемые изгибные напряжения
При расчете зубьев на изгиб допускаемое изгибное напряжение может быть
определено таблице 9:
Таблица 9
|
№ пп
|
Термообработка или
химико-термическое упрочнение
|
Твердость
|
|
|
I.
|
Нормализация или улучшение
|
НВ ≤ 350
|
1,8 HB
|
|
2.
|
Объемная закалка
|
HRC = 45...55
|
600
|
|
3.
|
Поверхностная закалка
|
HRC = 48...58 (в сердцевине
НВС = 25...35)
|
600…700
|
|
4.
|
Цементация
|
HRC = 56...62 (в сердцевине
HRC = 32...45)
|
750…850
|
|
б.
|
Азотирование
|
HRC = 55...70 (в сердцевине
НРС = 24...40)
|
300 + I2HHC*твердость
|
.2 Проектировочный расчёт передачи
Принимаем предварительные коэффициенты нагрузки К’Нb = 1,3. Принимаем коэффициент ширины зубчатого колеса
относительно межосевого расстояния yba = b/aw= 0,4
Определяем межосевое расстояние из условия контактной выносливости зубьев
[1, формула 3.7], мм
(мм)
где:
Кo = 425 МПа1/3 для стальных прямозубых
колёс;
Рисунок
4
Ближайшее
значение межосевого расстояния аw = 180 мм, [1, стр. 36].
Определяем
нормальный модуль
mn =
(0,016…0,0315) aw = 2,6…5,13 » 3,0 (мм)
Число
зубьев шестерни
Округляем
до целого числа, принимаем 48 зуба
Определяем
число зубьев колеса
z2 = z1 u =
48 × 1,5 = 72
.3
Геометрические размеры передачи
Находим
делительные диаметры шестерни и колеса, мм
(мм)
(мм)
Проверка
(мм)
Диаметры
вершин зубьев
da1 = d1 + 2mn = 138,0 + 2 × 3,0 = 144 мм
da2 = d2 + 2mn = 216 + 2 × 3,0 = 222 мм
Определяем
ширину колеса
b1 = yba · aw = 0,4 · 180 = 72 (мм), принимаем 72 мм
Округляем
до целого числа, принимаем 72 мм. Ширину шестерни принимаем на 2…5 мм больше
колеса, принимаем b1 = 77 мм.
.4
Проверочный расчёт по контактным напряжениям
Окружная
скорость колёс с степень точности передачи
(м/с)
По
[1. стр. 32], выбираем степень точности передачи - 8-В
По
табл. 1.17 в зависимости от степени точности, типа передачи и твёрдости
материала коэффициент динамичности нагрузки KHv =1,0
Коэффициент
концентрации KHb = 1,08 [1, табл. 1.10],
Коэффициент
распределения нагрузки между зубьями KHa
= 1,09 [1, табл. 17]
Коэффициент
нагрузки
KH = KHb KHa KHv = 1,08× 1,09 × 1,0 = 1,18
Значения
коэффициента динамической нагрузки при расчете по контактным напряжениям (
) приведены в табл. 5
Проверяем
контактные напряжения по формуле 1.26 [1]

.5
Силы в зацеплении
Определяем
окружную силу в зацеплении
(Н)
Радиальная
сила в зацеплении
(Н)
.6
Проверочный расчёт по изгибным напряжениям
Проверяем
зубья на выносливость по напряжениям изгиба [1, формула 3.25]:
Здесь
коэффициент нагрузки KF = KFaKFbKFv =
0,92 × 1,17 ×1,1 = 1,18
KFb =
1,17 [1, стр. 42]
KFv = 1,1 [1, стр. 42]
KFa = 0,92
YF -
коэффициент, учитывающий форму зуба и зависящий от эквивалентного числа зубьев
Для
шестерни zv1 = 48 YF1 = 3,80 [1, стр. 42]
Для
колеса zv2 = 72 YF2 = 3,65 [1, стр. 42]
Для
шестерни
Для колеса
Дальнейший
расчёт ведём для зубьев шестерни, для которого найденное отношение меньше
Проверяем
прочность зуба колеса по формуле (3.25) [1]
Вывод:
на примере тихоходной передачи
произвели ее расчет: определили допускаемое контактное и изгибное напряжения,
марку стали колес (шестерни), произвели расчет зубьев на прочность.
Условие
прочности выполнено.
.7
Проверочный расчёт на статическую прочность
Проверочные
расчёты на статическую прочность при действии нагрузки.
Максимальное
контактное напряжение с учётом коэффициента перегрузки Кп=Тпус/Т=1,3
(по заданию).
<2020 МПа
Максимальное
напряжение в ножке зуба
<770 МПа
Следовательно,
статическая прочность зубьев обеспечена.
энергетический кинематический передача вал подшипник
5. РАСЧЁТ ЭЛЕМЕНТОВ КОРПУСА
Чтобы поверхности вращающихся колёс не задевали за внутренние поверхности
стенок редуктора, между ними оставляют зазор «а», который определяют по формуле
(мм)
где
L - наибольшее расстояние между внешними поверхностями
деталей передач. Принимаем «а» = 12 мм.
L =
180+300/2+288/2 = 474 мм
Расстояние
«в» между дном корпуса и поверхностью колёс принимаем в ³ 4а, в = 4·12 = 48 мм
Толщину стенки, отвечающую требованиям технологии литья и необходимой
жесткости корпуса редуктора, рекомендуется определять по формуле
мм,
мм
Принимаем d =
7 мм.
Толщину внешних рёбер жесткости принимаем 6 мм.
Толщина стенки крышки корпуса d1
= 0,9d, d1
= 0,9 × 7 = 6 мм.
Размеры фланцев корпуса и крышки принимаем 32мм +d = 40 мм.
Опорную поверхность корпуса следует выполнять в виде двух длинных,
параллельно расположенных или нескольких небольших платиков, расположенных в
местах установки болтов. Такое расположение снижает расход металла и уменьшает
время обработки корпуса. Число болтов принимаем 4, диаметры болтов М16.
Точность фиксирования крышки редуктора относительно корпуса достигается
штифтами, которые располагаются на возможно большем расстоянии друг от друга.
Диаметры штифтов принимаем 10 мм.
6. РАСЧЁТ РЕАКЦИЙ ОПОР
.1 Реакции опор в вертикальной плоскости
Fr - радиальная сила на шестерне;
Fa - осевая сила на шестерне;
В горизонтальной плоскости:
Ft - окружная сила на шестерне;
Fм - окружная сила от муфты;
Исходные данные:
d =
360 м, l1 = 0,032 м, l2 = 0,032 м,
l3 = 0,110 м, Fr = 789,08 Н,
Fa = 198 Н, Ft =
2060 Н, Fм = 1176 Н
Сумма моментов в точке А равняется 0:
SМАу = 0
-Frl1 - Fa0,5d + RВy(l1
+l2) = 0;
Н
Сумма
моментов в точке В равняется 0:
SМВу = 0, Frl2 - Fa0,5d - RАy(l1
+l2) = 0;
Н
Проверка:
SУ = 0, -RAy + Fr +RBy = 0;
Эпюры
изгибающих и крутящего моментов быстроходного вала
Строим
эпюру изгибающих моментов в вертикальной плоскости:
Му2слева
= - RAyl1 = -
79,14 ·0,032 = - 2,53 Нм
Му2справа
= - RByl2 = -
266,72 · 0,032 = - 8,53 Нм
Реакции опор в горизонтальной плоскости
Сумма моментов в точке А равняется 0:
SМАх = 0, Ftl1 - RBx (l1 + l2) - Fм (l1 + l2
+ l3) = 0;
Н
Знак
(-) свидетельствует об изменении направления действия силы
Сумма
моментов в точке В равняется 0:
SМВх = 0, - Ftl2 + RAx(l1
+ l2) - Fм l3 = 0;
Н
Строим
эпюру изгибающих моментов в горизонтальной плоскости:
Мх2
= RAхl1 =
2376,68 · 0,032 = 76,05 Нм
Мх3
= Fмl3 = 1176 ·
0,11 = 129,36 Нм
Суммарные
реакции опор в подшипниках:
Н
Н
Суммарный
изгибающий момент в опасном сечении под подшипником МиS = 129,36 Н.Концентратор напряжений - посадка с
натягом.
.2
Расчёт реакций опор и изгибающих моментов промежуточного вала
На
вал действуют силы в вертикальной плоскости:
Fr1 , Fr2 -
радиальная сила на колесе и шестерне;
Fa1 , Fa2 - осевая
сила на колесе и шестерне;
В
горизонтальной плоскости:
Ft1, Ft2 -
окружная сила на колесе и шестерне.
Исходные
данные:
l1 = 0,08 м, l2 = 0,140 м, l3 = 0,045 м,
d2 = 300 мм, Fr2 = 789,08 Н, Fa2 = 798 Н, Ft2 = 2060 Н,
d1 = 72 мм, Fr1 = 3171,72 Н, Fa1 = 2489,5 Н, Ft1 = 8352,2 Н,
Реакции
опор в вертикальной плоскости
Сумма
моментов в точке А равняется 0:
SМАу = 0 -Fr2l1 - 0,5Fa2d2 + RВy(l1 +l2 + l3) - Fr1(l1+l2) + 0,5Fa1d1 = 0;
Сумма
моментов в точке В равняется 0:
SМВу = 0, Fr2(l2 + l3) - 0,5Fa2d2 + 0,5Fa1d1 - RАy(l1 +l2+ l3) + Fr1l3 = 0;
Строим
эпюру изгибающих моментов в вертикальной плоскости:
Му2слева
= - RAyl1 =
-396,78 · 0,08 = - 31,74 Нм
Му2справа
= RBy(l2+l3) + Fr2 l2 = - 1193,77 · 0,225 + 266,72 · 0,14 = -231,25
Нм
Му3слева
= - RАy(l1+l2) + Fr1 l2 = - 396,78 · 0,22 + 1323,84 · 0,14 = -97,98
Нм
Му3справа
= RByl3 = -
1323,84 · 0,045 = - 59,57 Нм
Реакции
опор в горизонтальной плоскости
Сумма
моментов в точке А равняется 0:
SМАх = 0, Ft2l1 - Ft1(l1
+ l2) - RBx(l1 + l2 + l3) = 0;
Н
Сумма
моментов в точке В равняется 0:
SМВх = 0, - Ft2 (l2 + l3)
+ Ft1l3 + RAx(l1 + l2 + l3)
= 0;
Н
Строим
эпюру изгибающих моментов в горизонтальной плоскости:
Мх2
= RAхl1 = 2695,58
· 0,08 = 215,64 Нм
Мх3
= RВхl3 =
1569,12 · 0,045 = -70,61 Нм
Суммарные
реакции опор в подшипниках:
Н
Нм
Опасное
сечение находится под шестерней.
Концентратор
напряжений - вал-шестерня.
Суммарный
изгибающий момент в опасном сечении
Нм
Эпюры изгибающих и крутящего моментов промежуточного вала
.3 Расчёт тихоходного вала
На вал действуют силы в вертикальной плоскости:
Fr - радиальная сила на колесе;
Fa - осевая сила на колесе;
В горизонтальной плоскости:
Ft - окружная сила на колесе;
Fм - окружная сила от муфты;
Исходные данные:
d =
0,288 м, l1 = 0,086 м, l2 = 0,086 м,
l3 = 0,100 м,
Fr2=3171,62
Н, Fа2=2489,55 Н, Ft2=8352,22 Н, Ft1=13299,
42 Н, Fr2=4839,65 Н
Реакции опор в вертикальной плоскости
Сумма моментов в точке А равняется 0:
SМАу = 0 Fr2l1 + 0,5Fаd- RВy(l1 +l2)- Fr1(l1+l2 +l3)= 0;
Н
Сумма
моментов в точке В равняется 0:
SМВу = 0, -Frl2 +0,5Fаd + RАy(l1 +l2) = 0;
Н
Проверка:
SУ = 0,
-RAy + Fr2 +RBy- Fr1 = 0;
- 2316,28 +3172,62 +3983,31 -4839,65 = 0
Строим эпюру изгибающих моментов в вертикальной плоскости:
Му2 = - RAyl1 = -
2316,28 ·0,086 = - 199,2 Нм
Му2 = RВyl2 - Fr1(l2 + l3)= 3983,31 ·0,086 - 4839,65 ·0,186 =
- 557,61 Нм
Му2 = - Fr1l3 = - 4839,65 ·0,1 = - 483,96 Нм
Реакции опор в горизонтальной плоскости
Сумма моментов в точке А равняется 0:
SМАх =
0, - Ft2l1 + RBx (l1 + l2) + Ft1
(l1 + l2 + l3) = 0;
Н
Знак
(-) свидетельствует об изменении направления действия силы
Сумма
моментов в точке В равняется 0:
SМВх = 0, Ftl2 - RAx(l1
+ l2) + Ft l3 = 0;
Н
Проверка:
SX =
0, RAx - Ft2 - RBx +
Ft1 = 0;
,33
- 8352,22 - 16855,53 + 13299,42 = 0
Строим
эпюру изгибающих моментов в горизонтальной плоскости:
Мх2
= RAхl1 =
11908,33 · 0,086 = 1024,11 Нм
Мх3
= Ftl3 =
13299,42 ·0,1 = 1329,94 Нм
Эпюры изгибающих и крутящего моментов тихоходного вала
Суммарные реакции опор в подшипниках:
Н
Н
Опасное
сечение находится под подшипником В.
Концентратор
напряжений - посадка с натягом.dzxz
Суммарный
изгибающий момент в опасном сечении
Нм
Подбор
подшипников
Расчет
подшипника на долговечность
Кривая
усталости, полученная в результате испытаний на усталость подшипников
аппроксимируется зависимостью.
(1)
Константу
(const) определяют, приняв L=1 млн. об и
обозначают
, тогда
или
(2), где L - долговечность подшипника,
которая определяется как срок службы подшипника (число млн. оборотов или
рабочих часов при заданной постоянной частоте вращения) до появления признаков
контактной усталости;P - эквивалентная динамическая нагрузка (H) -
это такая радиальная (для радиальных шариковых и радиально-упорных подшипников)
или осевая (для упорных подшипников) нагрузка, которая при приложении ее к
подшипнику с вращающимся внутренним кольцом и неподвижным наружным обеспечивает
такой же срок службы, как и при действительных условиях нагружения и вращения;p -
показатель степени (p=3 - для шарикоподшипников);C - динамическая
грузоподъемность подшипника (H) - это такая постоянная радиальная (для радиальных и
радиально-упорных подшипников) или осевая (для упорных подшипников) нагрузка,
которую не менее, чем 90% из группы идентичных подшипников с неподвижным
наружным кольцом выдержат в течение 1 млн. оборотов внутреннего кольца без
появления признаков усталости. Если частота вращения постоянна, то номинальную
долговечность подшипника с 90% степенью надежности можно выразить в часах:
(3)
или
(4)
Однако
90%-я вероятность безотказной работы подшипников неприемлема для целого ряда
отраслей техники (авиация, космонавтика, медицина и т.д.), где расчет
производится на вероятность безотказной работы S=91…99%. В этом
случае долговечность подшипника при S% вероятности безотказной работы
Lhs определяется:
(5)
где
а1 - коэффициент надежности для долговечности, отличной от Lh90.
Расчетное уравнение для а1 при любой степени надежности имеет вид:
Здесь
k = 1,1 - для шарикоподшипников,
K = 1,5 - для
роликоподшипников, или, если выразить величину s, то получим
а2
- коэффициент материала, учитывающий его структуру, чистоту и твердость;
а3
- коэффициент режима смазки, учитывающий наличие или отсутствие неразрывной
пленки масла между контактирующими поверхностями и толщину слоя смазки.
Для
шарикоподшипников (кроме сферических) а2=0,9; а3=0,9;
Более
подробно нахождение коэффициентов а2 и а3 рассматривается
в специальной литературе. Определение эквивалентной нагрузки на
подшипник. Для радиальных и радиально-упорных подшипников эквивалентная
нагрузка записывается:
(6)
Эквивалентная
осевая нагрузка для упорных подшипников
(7)
В
этих формулах: Fr - радиальная нагрузка на опоре, равная суммарной
реакции от составляющих в вертикальной Rв и горизонтальной Rr
плоскостях;
Fa -
осевая нагрузка, действующая на подшипник, H;X, Y -
коэффициенты радиальной и осевой нагрузки (см. табл. 15).
Значения
e в табл. 15. даны в зависимости от отношения Fa/C0. C0 - статистическая грузоподъемность подшипника, H.
Учитывая
сложность определения осевой нагрузки на радиально-упорные шарикоподшипники с
углом контакта a=12°, для них значение e можно определить не только по табл. 15, но и по
следующей формуле:
V - коэффициент
вращения (при вращающемся внутреннем кольце V=1; наружном
кольце V=1,2);
Kб - коэффициент безопасности, учитывающий характер
нагрузки, действующей на подшипник, и область применения,
КТ
- температурный коэффициент, КТ=1 при температуре t£105°C
при t=(105…250)°С.
Таблица 15
|
Тип подшипника
|
   e
|
|
|
|
|
|
|
|
X
|
Y
|
X
|
Y
|
|
|
Радиальный шариковый
однорядный ШПРО
|
0
|
0,014 0,028 0,056 0,084 0,110 0,170 0,280 0,420 0,560
|
1
|
0
|
0,56
|
2,30 1,99 1,71 1,55 1,45
1,31 1,15 1,04 1,00
|
0,19 0,22 0,26 0,28 0,30
0,34 0,38 0,42 0,44
|
|
Радиально-упорный шариковый
однорядный ШРУО
|
12
|
0,014 0,029 0,057 0,086
0,110 0,170 0,290 0,430 0,570
|
1
|
0
|
0,45
|
1,81 1,62 1,46 1,34 1,22
1,13 1,14 1,01 1,00
|
0,30 0,34 0,37 0,41 0,45
0,48 0,52 0,54 0,54
|
|
26 36
|
-- --
|
11
|
00
|
0,41 0,37
|
0,87 0,66
|
0,68 0,95
|
|
РПКО
|
10°…18
|
--
|
1
|
0
|
0,4
|
0,4ctga
|
1,5tga
|
|
РПРС
|
9°…13°
|
--
|
1
|
0,45ctga
|
0,67
|
0,67ctga
|
1,5tga
|
|
ШПРС
|
9°…13°
|
--
|
1
|
3,65*
|
0,65
|
5,63*
|
0,17
|
|
* Даны осредненные значения
для подшипников типа 1000, более подробно см. в каталоге на ШПРС;
эквивалентная динамическая нагрузка
|
.4 Расчёт подшипников быстроходного вала
Выполняем расчёт подшипников на долговечность. Предварительно выбираем
подшипники 309 Сr = 35,0 кН; Сr 0= 27,4 кН
Rа =
2377,99 Н , Rb = 2847,99 Н; Fа = 177,93 Н, n = 1440 мин-1
Осевая сила направлена на опору В
Находим отношение
Fa/Cr0 = 177,93/27400 = 0,006
X =
0,56 Y = 2,03 e = 0,2
Fa2/VFr = 177,93/ 1 · 2847,99 = 0,062 , значит Х= 1, Y = 0
Эквивалентная радиальная динамическая нагрузка
Рев = (VXFr +YFa)КбКт = (1· 1 · 2847,99) 1,3 · 1 = 3702 Н
где V - коэффициент вращения.
При вращении внутреннего кольца V = 1;
Fr -
радиальная нагрузка на подшипник;
Fa -
осевая нагрузка на подшипники;
Кб - коэффициент безопасности. Кб = 1,3;
Кт - температурный коэффициент. При температуре ниже 100 °С,
Кт = 1.
Более нагружена опора А
Базовая долговечность предварительно выбранного подшипника
(млн.
об.) или в часах
где
р = 3 для шариковых подшипников
(ч) ³ 15899,4
Поскольку
базовая долговечность предварительно выбранных подшипников больше требуемой, то
данные подшипники подходят.
.5
Расчёт подшипников промежуточного вала
Предварительно
выбираем подшипники 310 Сr = 25,5 кН; Сr 0= 13,7
кН; Rа = 2724,62 Н;
Fа = 2489,2 -
1957,2 = 596 Н, n = 288 мин-1
Более
нагружена опора А.
Находим
отношение
Fa/Cr0 =
596/13700 = 0,043
X =0,56 Y =
1,71 e = 0,26
Fa1/VFr = 596/ 1 · 2724,62 = 0,21, значит Х= 1, Y = 0
Эквивалентная
радиальная динамические нагрузки
Реа
= (VXFr +YFa)КбКт = (1· 1 · 2724,62) 1,3 · 1 = 3542 Н
Базовая
долговечность предварительно выбранного подшипника
(млн.
об.) или в часах
где
р = 3 для шариковых подшипников
(ч) ³ 15899,4 ч
Предварительно
выбираем подшипники 314 Сr = 104,0 кН;
Сr0 = 63,0 кН n = 47,8 мин-1
Осевая
сила действует на опору В.
Находим
отношение
Fa/Cr0 =
2489,55/104000 = 0,023
X = 0,56, Y =
2,01 e = 0,22
Fa/VF =
2489,55/ 1 · 17319,8 = 0,221> 0,22 , значит Х= 0,56, Y =
2,01
Эквивалентная
радиальная динамическая нагрузка
Реа
= (VXFr +YFa)КбКт = (12131,5) 1,25 · 1 = 15262,46 Н
Реа
= (VXFr +YFa)КбКт = (17319,8×0,56+ 2489,55×2,01) 1,25 · 1 =
,27Н
где
V - коэффициент вращения.
При
вращении внутреннего кольца V = 1;
Fr - радиальная
нагрузка на подшипник;
Fa - осевая
нагрузка на подшипники;
Кб
- коэффициент безопасности. Кб = 1,25;
Кт
- температурный коэффициент. При температуре ниже 100 °С,
Кт
= 1.
Базовая
долговечность предварительно выбранного подшипника
(млн.
об.) или в часах
где
р = 3 для шариковых подшипников
(ч)
16089 ³ 15899,4
Поскольку
базовая долговечность предварительно выбранных подшипников больше требуемой, то
данные подшипники подходят.
7. УТОЧНЁННЫЙ РАСЧЁТ ВАЛОВ
Для каждого из установленных предположительно опасных сечений определяем
расчётный коэффициент запаса прочности S и сравниваем его с допускаемым [S]=1,3…2,1 [1]:
где: Ss и St - коэффициенты запаса прочности
соответственно по нормальным и касательным напряжениям
; 
,
где:
(s-1)D,
(t-1)D
- пределы выносливости вала в рассматриваемом сечении;
sa, ta
- амплитуды напряжений цикла;
sm, tm
- средние напряжения цикла;
ys, yt -
коэффициенты чувствительности к асимметрии цикла напряжений.
Пределы
выносливости вала в рассматриваемом сечении
;
,
где:s-1,, t-1 -
пределы выносливости материала вала для гладких образцов при симметричном цикле
изгиба и кручения;
(Ks)D ,(Kt)D -
коэффициенты концентрации напряжений для данного сечения вала.
Коэффициенты
(Ks)D и (Kt)D вычисляются
по формулам:
;
,
где:
Кs, Кt - эффективные
коэффициенты концентрации напряжений;
Kd -
коэффициент влияния абсолютных размеров поперечного сечения вала;
KF -
коэффициент влияния шероховатости;
Kv -
коэффициент влияния поверхностного упрочнения.
При
симметричном цикле напряжений изгиба и отнулевом цикле касательных напряжений
, sm = 0;
, tm=0
где:Wн и Wк -
осевой и полярный моменты сопротивления сечения вала.
При
учёте осевой силы (например, на червяке), вызывающей растяжение вала
sm=Fa/A, где А - площадь опасного сечения вала.
В1. Проверочный расчёт быстроходного вала
Выбираем материал вала - сталь40Х, термообработка - закалка ТВЧ
s-1 = 350 МПа, t-1 = 210
МПа, табл. 10.2 [1]
Кs = 3,05
для посадки с натягом, табл. 10.9 [1];
Кt = 2,25
для посадки с натягом, табл. 10.9 [1];
Kd = 0,78 при диаметре вала d = 35 мм, табл. 10.3 [1];
KF =1,15 при Ra =
0,8…3,2 мкм, табл. 10.3 [1];
Kv = 1,5 при данной термообработке, табл. 10.5 [1].
Коэффициенты концентрации напряжений для данного сечения вала
Пределы
выносливости вала в рассматриваемом сечении
(МПа)
(МПа)
Осевой
момент сопротивления сечения вала
Wнетто = 0,1d3 = 0,1 · 353 = 4287,5 мм3
Полярный
момент сопротивления сечения вала
Wкнетто
= 0,2d3 = 0,2 · 3253 = 8575 мм3
Амплитуды
напряжений цикла
(МПа)
(МПа)
Коэффициенты
запаса прочности соответственно по нормальным и касательным напряжениям
; 
Расчётный
коэффициент запаса прочности в опасном сечении
³2,1
Вал имеет достаточный запас прочности
Разработка конструкции В1
В2. Проверочный расчёт промежуточного вала
Выбираем материал вала-шестерни - сталь 40ХНМА, термообработка -
улучшение; s-1 = 420
МПа, t-1 = 250
МПа, табл. 10.2 [1]
Кs = 2,3
для вала-шестерни, табл. 10.8 [1];
Кt = 2,2
для вала-шестерни, табл. 10.8 [1];
Kd = 0,7 при диаметре вала d = 60 мм, табл. 10.3 [1];
KF =1,15 при Ra =
0,8…3,2 мкм, табл. 10.3 [1];
Kv = 1,5 при данной термообработке, табл. 10.5 [1].
Коэффициенты концентрации напряжений для данного сечения вала
Пределы
выносливости вала в рассматриваемом сечении
(МПа)
(МПа)
Осевой
момент сопротивления сечения вала
(мм3)
Полярный
момент сопротивления сечения вала
(мм3)
где
df - диаметр впадин шестерни.
df = d -
2,4m = 60 - 2,4 × 2 = 42,28 (мм3)
Амплитуды
напряжений цикла
(МПа)
(МПа)
Коэффициенты
запаса прочности соответственно по нормальным и касательным напряжениям
; 
Расчётный
коэффициент запаса прочности в опасном сечении
³2,1
Вал имеет достаточный запас прочности
Разработка конструкции В2
В3. Тихоходный вал
Материал вала - сталь 45, нормализация, sВ = 570 МПа [1, табл.3.3]
Пределы выносливости
s-1 = 0,43 sВ = 0,43 × 570 = 246 МПа
t-1 = 0,58 tВ = 0,58 × 246 = 142 МПа
Рассчитываем опасное сечение под подшипником. Диаметр вала в этом сечении
70 мм, концентратор напряжений - переход с галтелью.
Изгибающие моменты в двух взаимно перпендикулярных плоскостях
ks = 1,69 [1, табл.8.5]
kt = 1,24 [1, табл.8.5]
es = 0,65 [1, табл.8.8]
et = 0,65 [1, табл.8.8]
ys = 0,15
yt = 0,1
Момент сопротивления кручению
мм3
Амплитуда и
среднее напряжение цикла касательных напряжений
(МПа)
Амплитуда
нормальных напряжений изгиба
(МПа)
Коэффициент
запаса прочности по нормальным напряжениям
;
Коэффициент
запаса прочности по касательным напряжениям
,
Результирующий
коэффициент запаса прочности
Что больше, чем [S]=2,1
Разработка конструкции В3
8. РАСЧЁТ ШПОНОЧНЫХ СОЕДИНЕНИЙ
В индивидуальном и мелкосерийном производстве используют главным образом
призматические шпонки. Длину шпонки выбирают из стандартного ряда так, чтобы
она была меньше длины ступицы насаживаемой детали на 5…10 мм. Сечение шпонки
выбирается по диаметру вала. Выбранную шпонку проверяют на смятие по формуле
где:
Т - крутящий момент на валу, Н ×мм;
d - диаметр
вала, мм;
h - высота
шпонки, мм;
t1 - глубина паза вала, мм;
lр - рабочая длина шпонки, мм; при скруглённых торцах
шпонки lр = l-b,
где l - длина шпонки, b - ширина
шпонки;
[sсм] -
попускаемое напряжение смятия. При стальной ступице 100…120 МПа, при чугунной
50…60 МПа.
. Шпонка 8 х10 х 56
.
Шпонка 18 х11 х 56
.
Шпонка 22 х14 х 100
.
Шпонка 20 х12 х 90
9. ВЫБОР МАСЛА
Смазывание червячных зацеплений и подшипников применяют в целях защиты от
коррозии, снижения коэффициента трения, уменьшения износа, отвода тепла и
продуктов износа от трущихся поверхностей, снижения шума и вибраций.
Для редуктора общего назначения применяем непрерывное смазывание жидким
маслом картерным непроточным методом - окунанием. Этот способ применяют для
червячных передач допустимая скорость скольжения 10 м/с.
Выбор сорта масла зависит от расчётного контактного напряжения sн и фактической скорости скольжения.
Контактное напряжение sн = 279 МПа.
Скорость
(м/с)
По
табл. 10.29 [2] выбираем масло И-Г-А- 32 ГОСТ 17479.4-87 индустриальное, без
присадок, класса кинематической вязкости 29…35 сСт при 40 °С.
Объём
заливаемого масла определяем из расчёта 0,5…1,0 литра на 1 кВт мощности. Vм =
3,5 л3.
Для
контроля уровня масла имеется жезловый маслоуказатель.
При
работе червячной передачи масло постепенно загрязняется продуктами износа
деталей. Оно стареет, его свойства ухудшаются. Поэтому масло, налитое в корпус
редуктора периодически меняют. Для этой цели в корпусе предусмотрено сливное
отверстие и сливная пробка.
При
длительной работе в связи с нагревом масла и воздуха повышается давление внутри
корпуса. Это приводит к просачиванию масла через уплотнения и стыки. Чтобы
избежать этого, внутреннюю полость корпуса сообщают с внешней средой путём
установки отдушины в крышке корпуса.
10. ВЫБОР МУФТ
Для соединения выходного вала электродвигателя и быстроходного вала
редуктора выбираем муфту упругую Мегафлекс.
Муфта упругая Мегафлекс
- 38 - I.1 - У3
Номинальный крутящий момент - 250 Нм;
диаметры соединяемых валов 38 мм;
исполнение полумуфт - цилиндрическое;
категория климатического исполнения - У3.
Компенсирующие способности муфты невелики. При соединении несоосных валов
муфта оказывает на них значительное силовое воздействие, хотя и меньшее, чем
втулочно-пальцевая муфта. Муфты Мегафлекс обладают большой радиальной, угловой
и осевой жёсткостью и требуют точного монтажа узлов.
СПИСОК ИСПОЛЬЗОВАННОЙ ЛИТЕРАТУРЫ
1. П.Ф.
Дунаев, О.П. Леликов - Конструирование узлов и деталей машин - М.: Изд. Центр
«Академия», 2011.
2. Федоренко
В.А. Шошин А.И. - Справочник по машиностроительному черчению. М.:
Машиностроение, 2012.
. Детали
машин: Атлас конструкций / Под ред. Д.П. Решетова. - М.: машиностроение, 1979.
. Чернилевский
Д.В. Курсовое проекирование деталей машин и механизмов. - М.: Высшая школа,
2010.
. Куклин
Н.У., Куклина Г.С. - Детали машин - М.: Высшая школа, 1987.
. Курсовое
проектирование деталей машин / С.А. Чернавский, К.Н. Боков, И.М. Чернин и др. -
М.: Машиностроение, 2009.
. Шейнблит
А.Е. Курсовое проектирование деталей машин. Калининград: Янтарный сказ, 2004.
456 с.
. Анурьев
В.И. Справочник конструктора-машиностроителя в 3-х томах. М.: Машиностроение,
1973.