|
|
|
|
16 Допускаемые контактные напряжения для шестерни и колеса
при расчете на выносливость активных поверхностей зубьев, МПа
|
|
|
|
17 Расчетное допускаемое контактное напряжение для
проектного расчета передачи, МПа
|
С учетом указаний к формулам (16)... (18) принимаем
|
|
18 Максимальное допускаемое контактное напряжение для
проверки прочности зубьев при кратковременных перегрузках, МПа
|
|
|
|
19 Предел изгибной выносливости материалов, МПа
|
|
|
|
20 Коэффициент, учитывающий влияние способа получения
заготовки
|
YZ1 = 0,9
|
YZ2 = 1
|
|
21 Коэффициент, учитывающий влияние шероховатости
переходной поверхности между смежными зубьями на их изгибную выносливость
|
Для нитроцементации: YR1 = YR2
= 1,05
|
|
22 Коэффициент, учитывающий влияние двустороннего
приложения нагрузки
|
Поскольку передача нереверсивная, принимаем YA = 1,0
|
|
23 Коэффициент эквивалентности при расчете по напряжениям
изгиба
|
q= 9, т.к нитроцементация. По табл.4 µF=0,2
|
|
24 Эквивалентные числа циклов перемены напряжений зубьев
шестерни и колеса при расчете по напряжениям изгиба
|
NFE1= µF*NK1 = 0.2*252,6 *107 =
50,52*107 NFE2= µF*NK2 = 0.2*45,1*107 = 9,02*107
|
|
25 Коэффициенты долговечности материалов шестерни и колеса
при расчете по напряжениям изгиба
|
Поскольку в рассматриваемом варианте NFE1 > NFG =4*106 и NFE2 > NFG, то в
последующих расчетах принимаем минимальное значение коэффициента
долговечности, т.е. YN1
= YN2 = YNmin = 1
|
|
26 Коэффициент запаса прочности при расчете по напряжениям
изгиба
|
При вероятности неразрушения P(t) =
0,98 имеем: SF1 = 1,55 SF2 = 1,55
|
|
27 Допускаемые напряжения изгиба зубьев шестерни и колеса
при расчете на выносливость, МПа
|
|
|
28 Максимальные допускаемые напряжения изгиба для проверки
прочности зубьев шестерни и колеса при кратковременных перегрузках, МПа
|
|
|
Расчетное допускаемое контактное напряжение для проектного
расчета передачи, МПа
|
|
|
Допускаемые напряжения изгиба при расчете на выносливость,
МПа
|
|
|
|
Максимальные контактные напряжения для проверки прочности
зубьев при кратковременных перегрузках. МПа
|
|
|
|
Максимальные допускаемые напряжения изгиба для проверки
прочности зубьев при кратковременных перегрузках, МПа
|
|
|
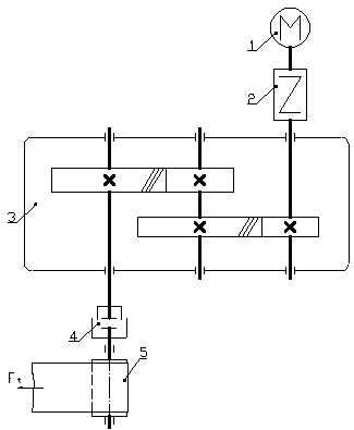
3. Проектный расчет быстроходной косозубой цилиндрической передачи
3.1 Исходные данные
Номинальный вращающий момент на ведомом валу: Т2 = 109,75 ×103 Н×мм.
Номинальная частота вращения ведущего вала: n1 = 1435 об/мин.
Номинальная частота вращения ведомого вала: n2 = 256,25 об/мин.
Передаточное
число проектируемой передачи: 
= 5,6
Схема передачи (рис. 1), задана техническим заданием.
Циклограмма нагружения передачи - ТРН-1
3.2 Проектный расчет передачи
Предварительное значение межосевого расстояния а¢ передачи из условия контактной
выносливости рабочей поверхности зубьев

, мм,
Где:

= 1,3 -
предварительное значение коэффициента нагрузки; шba = 0,25
- коэффициент ширины зубчатого колеса.

мм.
Принимают
стандартное межосевое расстояние 
мм.
Назначают
нормальный модуль зацепления m.
Назначают
m=1,25 мм.
Задаются
предварительным значением угла наклона линии зубьев
на делительном цилиндре: 
.
Определяют
суммарное число зубьев шестерни и колеса по зависимости:

Округляем
расчетное значение
до целого:

.
С
учетом стандартных значений нормального модуля зацепления m,
межосевого расстояния 
и
принятого суммарного числа зубьев
находят
действительный угол наклона линии зубьев b на делительном
цилиндре.
Определяют
ширину b2 и b1 , мм, зубчатого колеса и шестерни
b2 = yba× 
= 0,25×75= 18,75мм;
b1= 1.12× b2= 1,12×18,75 = 21;
Расчетные
значения округляют до нормальных линейных размеров по ГОСТ 663-69: b2 = 19; b1 = 22.
Находят
коэффициент осевого перекрытия


Вычисляют
числа зубьев шестерни z1 и колеса
z2.


Округляют
полученные значения до целых:

;
Фактическое
передаточное число передачи

.
Окружная
скорость в зацеплении, м/с.

,
Где:

мм -
делительный диаметр шестерни.

.
С
учетом рекомендаций назначают степень точности передачи:
Степень
точности по ГОСТ 1643 - 81 -низкая (9).
Фактическое
значение коэффициента нагрузки при расчете по контактным напряжениям
,
где:

-
коэффициент, учитывающий внутреннюю динамическую нагрузку в передаче при
расчете на прочность активных поверхностей зубьев; 
-
коэффициент, учитывающий неравномерность распределения нагрузки по длине
контактных линий зубьев при расчете на прочность их активных поверхностей; 
-
коэффициент, учитывающий распределение нагрузки между зубьями при расчете на
прочность их активных поверхностей.
Относительная
ширина колеса:

Коэффициент
zм , учитывающий механические свойства сопряженных зубчатых колес,
принимают в зависимости от материала.
Для
стальных зубчатых колес zм = 190 Н0,5 / мм.
Коэффициент
zн, учитывающий форму сопряженных поверхностей зубьев в полюсе
зацепления, принимают в зависимости от коэффициента смещения X исходного
контура и угла наклона b линии зубьев на делительном цилиндре.
Для
некоррегированных зубчатых передач X = 0.
Принимаем
zн = 2,38.
Коэффициент
Ze, учитывающий суммарную длину контактных линий зубьев, находят по [3,c.9]
с учетом коэффициентов осевого перекрытия eb и
торцового ea.
Для некоррегированных зубчатых передач:

Z
= 0,758.
Действительное
контактное напряжение на активных поверхностях зубьев при фактических
параметрах передачи.

Где:
Ft - окружное усилие, действующее в зубчатом зацеплении,
Н

;

МПа.
Отклонение
действительного контактного напряжения sн от допускаемого [sн]

Недогрузка
составила 
Проверка
контактной прочности зубьев при действии пиковой нагрузки:

; 
;
Где:

-
коэффициент пиковой нагрузки, задан техническим заданием.
Фактическое
значение коэффициента нагрузки при расчете на прочность зубьев при изгибе
,
где
- коэффициент, учитывающий внутреннюю динамическую
нагрузку. Числовое значение находят по зависимости:

; 
-
коэффициент, учитывающий неравномерность распределения нагрузки по длине
контактных линий зубьев при расчете на прочность зубьев при изгибе;
- коэффициент, учитывающий распределение нагрузки
между зубьями при расчете их на изгибную прочность.

.
Проверяют
усталостную прочность зубьев шестерни и колеса по напряжениям изгиба,
сопоставляя местные напряжения изгиба sF1 и sF2 в
опасном сечении на переходной поверхности с допускаемыми напряжениями.


,
где:
YFS1 и YFS2 -
коэффициенты, учитывающие для шестерни и колеса форму их зубьев и концентрацию
напряжений. Численные значения YFS1 и YFS2 находят
с учетом величины коэффициента смещения X исходного контура и эквивалентных
чисел зубьев ZV1 и ZV2:


YFS1 = 4,03 и YFS2 = 3,6; Yb - коэффициент, учитывающий наклон зубьев:

,

Ye - коэффициент,
учитывающий перекрытие зубьев:


; 

.
Проверка
изгибной прочности зубьев шестерни и колеса при действии пиковой нагрузки:

;

.
Основные
геометрические размеры зубчатой передачи (рис. 2).
Делительные
диаметры:

мм,

мм.
Рисунок 2 - Геометрические размеры зубчатой цилиндрической передачи.
Проверка:

мм
Диаметры
вершин зубьев:

мм,

мм.
Диаметры
впадин зубьев:

мм,

мм.
Ширина
зубчатых венцов: 
мм, 
мм.
Усилия,
действующие в зацеплении косозубой цилиндрической передачи:
Окружное
усилие: 
Н.
Радиальное
усилие:

Н.
Осевое
усилие: 
Н.
4. Проектный расчет тихоходной косозубой цилиндрической передачи
.1 Исходные данные
Номинальный вращающий момент на ведомом валу: Т2 = 425,84×103 Н×мм.
Номинальная частота вращения ведущего вала: n2 = 256,25 об/мин.
Номинальная частота вращения ведомого вала: n3 = 64,06 об/мин.
Передаточное
число проектируемой передачи: 
= 4.
Схема передачи (рис. 1.), задана техническим заданием.
Циклограмма нагружения передачи - ТРН-1
Выбор материалов и определение допускаемых напряжений тихоходной передачи
редуктора соответствует быстроходной передачи редуктора.
4.2 Проектный расчет передачи
Предварительное значение межосевого расстояния, а¢ передачи из условия контактной
выносливости рабочей поверхности зубьев

, мм,
Где:

= 1,2 -
предварительное значение коэффициента нагрузки; шba = 0,25
- коэффициент ширины зубчатого колеса.

мм.
Принимают
стандартное межосевое расстояние 
мм.
Назначают
нормальный модуль зацепления m.
Назначают
m=2 мм.
Задаются
предварительным значением угла наклона линии зубьев
на делительном цилиндре: 
.
Определяют
суммарное число зубьев шестерни и колеса по зависимости:

Округляем
расчетное значение
до целого: 
.
С
учетом стандартных значений нормального модуля зацепления m,
межосевого расстояния 
и
принятого суммарного числа зубьев
находят
действительный угол наклона линии зубьев b на делительном
цилиндре
Определяют
ширину b2 и b1 , мм, зубчатого колеса и шестерни
b4 = yba× 
= 0,25×105 = 26,25;
b3= 1.12× b4= 1,12×26,25 = 29,4;
Расчетные
значения округляют до нормальных линейных размеров по ГОСТ 663-69: b4 = 28; b3 = 30.
Находят
коэффициент осевого перекрытия


Вычисляют
числа зубьев шестерни z1 и колеса
z2.


Округляют
полученные значения до целых: 
;
Фактическое
передаточное число передачи

.
Окружная
скорость в зацеплении, м/с.

,
Где:

мм -
делительный диаметр шестерни.

С
учетом рекомендаций назначают степень точности передачи:
Степень
точности по ГОСТ 1643 - 81 -низкая (9).
Фактическое
значение коэффициента нагрузки при расчете по контактным напряжениям
,
где:

-
коэффициент, учитывающий внутреннюю динамическую нагрузку в передаче при
расчете на прочность активных поверхностей зубьев; 
-
коэффициент, учитывающий неравномерность распределения нагрузки по длине
контактных линий зубьев при расчете на прочность их активных поверхностей; 
-
коэффициент, учитывающий распределение нагрузки между зубьями при расчете на
прочность их активных поверхностей.
Относительная
ширина колеса:

Коэффициент
zм, учитывающий механические свойства сопряженных зубчатых колес,
принимают в зависимости от материала.
Для
стальных зубчатых колес zм = 190 Н0,5 / мм.
Коэффициент
zн, учитывающий форму сопряженных поверхностей зубьев в полюсе
зацепления, принимают в зависимости от коэффициента смещения X исходного
контура и угла наклона b линии зубьев на делительном цилиндре.
Для
некоррегированных зубчатых передач X = 0.
Принимаем
zн = 2,38.
Коэффициент
Ze, учитывающий суммарную длину контактных линий зубьев, находят по [3,c.9]
с учетом коэффициентов осевого перекрытия eb и
торцового ea.
Для некоррегированных зубчатых передач:

Z
= 0,79.
Действительное
контактное напряжение на активных поверхностях зубьев при фактических
параметрах передачи.

Где:
Ft - окружное усилие, действующее в зубчатом зацеплении,
Н

;

МПа.
Отклонение
действительного контактного напряжения sн от допускаемого [sн]

Недогрузка
составила 
Проверка
контактной прочности зубьев при действии пиковой нагрузки:

; 
;
Где:

-
коэффициент пиковой нагрузки, задан техническим заданием.
Фактическое
значение коэффициента нагрузки при расчете на прочность зубьев при изгибе
,
где
- коэффициент, учитывающий внутреннюю динамическую
нагрузку. Числовое значение находят по зависимости:

; 
-
коэффициент, учитывающий неравномерность распределения нагрузки по длине
контактных линий зубьев при расчете на прочность зубьев при изгибе;
- коэффициент, учитывающий распределение нагрузки
между зубьями при расчете их на изгибную прочность.

.
Проверяют
усталостную прочность зубьев шестерни и колеса по напряжениям изгиба,
сопоставляя местные напряжения изгиба sF3 и sF4 в
опасном сечении на переходной поверхности с допускаемыми напряжениями.


,
где:
YFS3 и YFS4 -
коэффициенты, учитывающие для шестерни и колеса форму их зубьев и концентрацию
напряжений. Численные значения YFS3 и YFS4 находят
с учетом величины коэффициента смещения X исходного контура и эквивалентных
чисел зубьев ZV3 и ZV4:


YFS3 = 3,92 и YFS4 = 3,6; Yb - коэффициент, учитывающий наклон зубьев:

,

Ye - коэффициент,
учитывающий перекрытие зубьев:


; 

.
Проверка
изгибной прочности зубьев шестерни и колеса при действии пиковой нагрузки:


.
Основные
геометрические размеры зубчатой передачи (рисунок 3).
Делительные
диаметры:

мм,

мм.
Рисунок 3 - Геометрические размеры зубчатой цилиндрической передачи.
Проверка:

мм
Диаметры
вершин зубьев:

мм,

мм.
Диаметры
впадин зубьев:

мм,

мм.
Ширина
зубчатых венцов: 
мм, 
мм.
Усилия,
действующие в зацеплении косозубой цилиндрической передачи:
Окружное
усилие: 
Н.
Радиальное
усилие:

Н.
Осевое
усилие: 
Н.
5. Проектный расчет валов и эскизная компоновка редуктора
.1 Определяем диаметры выходных участков валов
Назначаем диаметр выходного участка 1-го вала:

мм
Исходя
из конструктивных соображений принимаем d1 = 20 мм.
Определяем
наименьшие диаметры валов 2 и 3.
где
[
] = 40
МПа - допускаемое контактное напряжение

мм
Принимаем
d2 = 24 мм.


мм.
Принимаем
d3 = 38 мм.
5.2 Назначаем отдельные диаметры
отдельных участков валов.
Вал №1
Рисунок 4 - быстроходный вал.
Вал №2 - промежуточный вал.
Рисунок 5 - промежуточный вал.
Вал №3 - выходной вал.

Рисунок 6 - тихоходный вал.
5.3
Решают вопрос о сопряжении шестерни 
и 
с валами
Если

, то
шестерню выполняют за одно целое с валом:

-
шестерня
зацело с
валом №1;

-
шестерня
зацело с
валом №2;
5.4 Конструктивные размеры зубчатых колес.
Рисунок 7 - размеры зубчатого колеса.
Зубчатое колесо на втором валу:
Длина ступицы:
Диаметр ступицы:
Толщина обода:
Толщина диска:
Зубчатое колесо на третьем валу:
Длина ступицы:
Диаметр ступицы:
Толщина обода:
Толщина диска:
5.5 Выбор типоразмеров подшипников и схем установки валов на опоры
В редукторах применяют в основном подшипники качения. Выбор типа
подшипника зависит от нагрузок, действующих на вал. Так как на вал действуют
осевая и радиальная силы, то используем радиально-упорные подшипники.
Выбор его типоразмера зависит от диаметра вала под подшипник. Посадочный
диаметр подшипника для быстроходного вала d=dП1, для промежуточного вала d=dП2, для тихоходного вала d=dП3.
Входной вал: шариковый однорядный радиально-упорный подшипник 36204.
Схема установки вала в распор.
Промежуточный вал: шариковый однорядный радиально-упорный подшипник
36206. Схема установки вала в распор.
Выходной вал: шариковый однорядный радиально-упорный подшипник 36209.
Схема установки вала в распор.
Для герметизации подшипниковых узлов редуктора с осевой фиксацией
подшипников применим закладные крышки. Они изготавливаются, из чугуна СЧ 15
двух видов. Размеры крышек определяют в зависимости от диаметра наружного кольца
подшипника D.
Во время работы привода происходит нагрев деталей и масла, что приводит к
линейному удлинению валов редуктора. Для компенсации этого расширения
предусматривают осевой зазор в подшипниковых узлах а = 0,2... 0,5 мм, который
на чертежах общего вида не показывается. Так как применили закладные крышки
регулировка осевого зазора производится с помощью компенсирующих колец, которые
устанавливаются между торцами наружных колец подшипников и крышек.
5.6 Смазка подшипников и зацеплений
Вариант смазывания зацеплений: смазку зубчатых колёс производим
посредством окунания колес в масленую ванну.
Вариант
смазывания зацеплений: так как окружная скорость погруженного в масляную ванну
элемента передачи 
, то
подшипники смазывают пластичными маслами (типа ЦИАТИМ). В этом случае для
исключения вытекания масла из подшипников во внутреннюю полость корпуса их
закрывают мазеудерживающими кольцами.
.7 Конструктивные соотношения элементов корпуса
Корпусная деталь состоит из стенок, ребер, фланцев и других элементов,
соединенных в единое целое.
Толщина стенки основания корпуса редуктора:

;
Исходя из габаритов корпуса принимаем толщину стенки равную 8 мм.
Толщина стенки крышки корпуса редуктора:
Принимаем

Толщина верхнего фланца корпуса:
Толщина нижнего фланца корпуса:
Ширина
фланца: 
Расстояние
от оси болта до стенки корпуса: 
Толщина
фланца крышки:
Диаметр
фундаментального болта: 
;
Диаметр
болтов стягивающих крышку корпуса:

;
Ширина
опорной поверхности нижнего фланца:
Толщина
ребер корпуса :
Минимальный зазор между колесом и корпусом:
6. Расчетные схемы нагружения валов редуктора, определение реакций в
опорах, построение эпюр изгибающих и крутящих моментов
После выполнения эскизной компоновки редуктора проведём проверочные
расчеты валов и подшипников.
Расчет вала проведем на совместное действие изгиба и кручения. К
тихоходному валу прикладываем силы от зубчатой цилиндрической косозубой
передачи. Проверяем правильность расположения сил в плоскостях в соответствии с
кинематической схемой привода. Размеры участков валов получены после эскизной
компоновки редуктора .
Тихоходный вал
Силы в зацеплении Ft=
5018,6 H
Fr=
1916,02H
Fa=
1771,41 H
Расчётные расстояния: l1=0,043м, l2=0,084м; d=0.172м
Рассмотрим горизонтальную плоскость ZOX.
Определим опорные реакции:


Построим
эпюры изгибающих моментов:

H
Рассмотрим
вертикальную плоскость ZOY.
Определим
опорные реакции:


Построим
эпюры изгибающих моментов

H
Вычислим
суммарные изгибающие моменты

;
Рисунок
8 - Схема нагружения выходного вала
7.
проверочный расчёт подшипников
качения выходного вала по динамической грузоподъёмности
Исходные данные: n3 = 64,06 мин-1; d = dп3 = 45 мм.
Подшипники работают при возможных кратковременных перегрузках до 150%
номинальной нагрузки, поэтому Кб = 1,4.
Ожидаемая
температура работы tраб = 80˚С,
поэтому 
.
Требуемый
ресурс работы подшипников 30000 часов.
Осевая
эквивалентная нагрузка 
=1771,41
Н.
Радиальные
нагрузки:
В
опоре А суммарная реакция
Н, равна
В
опоре В суммарная реакция
, H, равна
Используемые подшипники: Шариковые радиально-упорные однорядные
подшипники 36209 ГОСТ 831-75:
Динамическая грузоподъемность Сr = 32300 Н;
Статическая грузоподъемность С0r = 25600 Н;
X=0,45;
Y=1,34;
е = 0,41;
в = 12˚;
V=1.
Выбранный подшипник 36209 проверим на долговечность по наиболее
нагруженной опоре.
Долговечность выбранного радиально-упорного шарикоподшипника Lh,ч, определим по формуле :

Р
- эквивалентная динамическая нагрузка, Н, которая определяется по зависимости

Определяем
отношение:

, поэтому
окончательно принимаем X = 0,45;
Y = 1,34;


Определяем
расчетный ресурс работы подшипников.

часа>[L]=30000
часа
Расчетная
долговечность подшипника показала долговечность подшипника, по сравнению со
сроком службы редуктора.
8. Проверочный расчет выходного вала редуктора на усталостную прочность в
опасном сечении
Цель проверочного расчета состоит в проверке соблюдения следующего
неравенства в опасном сечении вала
где S и [S] - расчетный и допускаемый коэффициент запаса прочности; [s]=2,5.
Опасным будем считать сечение вала, где возникают наибольшие изгибающие и
крутящие моменты.
В рассматриваемом примере таким сечением является сечение под колесом.
Расчетный коэффициент запаса прочности равен:
где
коэффициенты запаса прочности соответственно по
нормальным и касательным напряжениям, рассчитываемые по формулам:
где
-пределы выносливости материала вала при симметричных
циклах изгиба и кручения, МПа.
Материал
вала - сталь 45: 
, 
. Тогда
пределы выносливости материала вала:
-эффективные
коэффициенты концентрации напряжений при изгибе и кручении в опасном сечении.
Для рассматриваемого вала определим соотношение размеров: t/r=3/1=3;
r/d=1/60
0,02.
Учитывая,
что для материала вала 
,
определим коэффициенты
интерполированием:

-
амплитуды циклов напряжений, МПа;
-
средние значения циклов напряжений, МПа;
-
коэффициенты, учитывающие влияние среднего напряжения цикла на коэффициент
запаса прочности.
Hапряжения
изгиба изменяются по симметричному циклу, поэтому амплитуда
и среднее значение цикла
равны.
где
- максимальный изгибающий момент, в опасном сечении
вала;
W - момент
сопротивления сечения, мм3, который для круглого сечения равен:
где
d- диаметр вала в опасном сечении.
Определим
амплитуду цикла
по
нулевому циклу, поэтому амплитуда
, МПа, и
среднее значение цикла
, МПа, равны
где
Тi - крутящий момент в опасном сечении вала, Н·мм; Т3=425836,63
Н·мм
Wp-
полярный момент сопротивления сечения, мм3, который равен:
где
d- диаметр вала, мм, в опасном сечении вала.
Определим
напряжения кручения
Коэффициенты
:
Для
рассматриваемого вала коэффициенты запаса прочности по нормальным и касательным
напряжениям равны:
Расчетный
коэффициент запаса прочности равен
Расчетный
коэффициент запаса прочности больше допускаемого, значит вал работоспособен.
9. Проверочный расчет промежуточного вала редуктора на статическую
прочность в опасном сечении при действии пиковой нагрузки
Согласуя эпюры крутящего и изгибающего моментов на выходном валу и
диаметры участков этого вала, за опасное сечение принимаем сечение под колесом.
9.1 Расчет коэффициента запаса
прочности по пределу текучести
Коэффициент перегрузки:
КП = 2 - коэффициент перегрузки, задан техническим заданием.
Определение нормальных у и касательных ф напряжений в рассматриваемом
сечении вала при действии пиковой нагрузки:
;
,
где
- суммарный изгибающий момент, Н·мм;
- крутящий момент, Н·мм;
- осевая сила, Н; W и WK - моменты сопротивления сечения вала при расчете на изгиб и кручение,
мм3; А - площадь поперечного сечения, мм2.
Определяют
частные коэффициенты запаса прочности по нормальным и касательным напряжениям.
;
,
где

, 
-
пределы текучести.
Определяют
общий коэффициент запаса прочности по пределу текучести.
.

Условие
прочности выполнено, поэтому вал пригоден.
10. Проверочный расчет шпоночных соединений
Рисунок 9 - Эскиз шпоночного соединения
10.1 Расчет шпонки на смятие на
первом входном валу
Исходные данные:

-
вращающий момент на первом валу.

- диаметр
вала.
lр1 = 22мм - рабочая длина шпонки

-
рабочая высота шпонки.
Расчет
напряжений смятия
Допускаемые
напряжения 
Напряжения
смятия в пределах допускаемых.
.2
Расчет шпонки на смятие на третьем выходном валу
Исходные
данные:

-
вращающий момент на втором валу.

- диаметр
вала.
lр3 = 53 мм - рабочая длина шпонки

-
рабочая высота шпонки.
Расчет
напряжений смятия.
Допускаемые
напряжения 
Напряжения
смятия в пределах допускаемых.
Выбор посадок
для сопряжения основных деталей привода
Для
основных видов сопряжения выбирают следующие виды посадок:
а)
упругие муфты: Н7/k6;
б)
зубчатые колеса: H7/s6;
в)
наружные кольца подшипников качения на валы H7/10;
г)
внутренние кольца подшипников качения на валы L0/k6
11. Выбор сорта масла
Для уменьшения потерь мощности на трение и снижения интенсивности износа
трущихся поверхностей, а также для предохранения их от заедания, задиров,
коррозии и лучшего отвода теплоты трущиеся поверхности деталей должны иметь
надежную смазку.
В настоящее время в машиностроении для смазывания передач широко
применяют картерную систему. В корпус редуктора или коробки передач заливают
масло так, чтобы венцы колес были в него погружены. При их вращении масло увлекается
зубьями, разбрызгивается, попадает на внутренние стенки корпуса, откуда стекает
в нижнюю его часть. Внутри корпуса образуется взвесь частиц масла в воздухе,
которая покрывает поверхность расположенных внутри корпуса деталей.
Картерную смазку применяют при окружной скорости зубчатых колес от 0,3 до
12,5 м/с. При более высоких скоростях масло сбрасывается с зубьев центробежной
силой и зацепление работает при недостаточной смазке. Кроме того, заметно
увеличиваются потери мощности на перемешивание масла и повышается его
температура.
Выбор смазочного материала основан на опыте эксплуатации машин. Принцип
назначения сорта масла следующий: чем выше окружная скорость колеса, тем меньше
должна быть вязкость масла, чем выше контактные давления в зубьях, тем большей
вязкостью должно обладать масло. Поэтому требуемую вязкость масла определяют в
зависимости от контактного напряжения и окружной скорости колес.
Смазку зубчатого зацепления осуществляют картерным способом-окунанием
зубчатых колес в масляную ванну.
Кинематическая вязкость масла u40=50
Этой вязкости соответствует масло И-Г-А-68 ГОСТ 1013-76.
12. Перечень использованных стандартов
Стандартизация - установление обязательных норм, называемых стандартами,
которым должны соответствовать определенные виды или отдельные параметры
продукции.
Назначение стандартизации - максимальное упрощение и удешевление
производства путем использования наиболее целесообразных видов изделий их
исполнения, конструирования форм, размеров технических и качественных
характеристик и показателей.
Стандартизация деталей машин упрощает и ускоряет проектирование новых
машин, снижает трудоемкость изготовления деталей и себестоимость продукции,
уменьшает расход материалов и запасных частей, облегчает и ускоряет ремонт
машин. В процессе проектирования были использованы следующие стандарты
ГОСТ 7796-70 болты с шестигранной
головкой
ГОСТ 8789-68 шпонки
призматические
ГОСТ 8338-75 подшипники
ГОСТ 1013-76 масло
ГОСТ 5917-70 гайки шестигранные
ГОСТ 8752-79 манжеты резиновые
армированные
ГОСТ 6402-70 шайбы пружинные
ГОСТ 3128-70 штифты
цилиндрические
Список литературы
1. А.В. Пунтус «Анализ схемы, силовой и кинематический расчет
привода» - Методические указания к выполнению проекта по курсу “Детали машин и
основы конструирования” для студентов специальностей 130503, 140401, 140504,
151001, 151002, 190601, 190603, 190603А, 260601 дневной и заочной форм
обучения.: Краснодар 2009. с.20.
. А.В. Пунтус «Выбор материалов и определение допускаемых
напряжений для зубчатых передач» - Методические указания к выполнению проекта
по курсу “Детали машин и основы конструирования” для студентов механических
специальностей дневной и заочной форм обучения: Краснодар 2002. с.43с ил.
. А.В. Пунтус «Проектный расчёт косозубой цилиндрической
передачи»- Методические указания к выполнению проекта по курсу “Детали машин и
основы конструирования” для студентов механических специальностей дневной и
заочной форм обучения.: Краснодар 2002. с.17с ил.
4. Атлас конструкций узлов и деталей машин: Учеб. пособие /
Б.А. Байков, А.В. Клыпин, И.К. Ганулич и др.; Под ред. О.А. Ряховского. -М.:
Изд-во МГТУ им. Баумана, 2005. -384 с.
5. Проектирование механических передач / С.А. Чернявский,
Г.А. Снесарев, Б.С. Козинцев и др. - М.: Машиностроение, 1984. - 558 с.
. Дунаев П.Ф, Леликов. Конструирование узлов и деталей машин:
Учеб. пособие для техн. спец. вузов.- 6-е изд., исп. - М.: Высш. шк.,2000. -
447 с., ил.