Проект лінії виробництва вінілацетату
Зміст
1. Технології виробництва вінілацетату
1.1 Огляд методів виробництва вінілацетату
1.2 Побічні продукти синтезу вінілацетату та методи їх використання
1.3 Обґрунтування та доцільність обраного методу ректифікації
суміші оцтова кислота - вода у виробництві вінілацетату
2. Вибір та опис технологічного вузла ректифікації
3. Технологічна характеристика основного обладнання вузла
ректифікації
4. Розрахунок ректифікаційної колони
4.1 Технологічний розрахунок
4.1.1 Матеріальний баланс і продуктивність по дистиляту та кубовому
залишку
4.1.2 Побудова ізобар температур кипіння і конденсації та
рівноважної кривої
4.1.3 Визначення мінімального флегмового числа
4.1.4 Визначення оптимального флегмового числа
4.1.5 Середні масові витрати (навантаження, кг/с) по рідині для
верхньої і нижньої частин колони
4.1.6. Середні масові потоки пари у верхній Gв (кг/с) і
нижній Gн (кг/с) частинах колони
4.1.7 Визначення швидкості пари і діаметра колони
4.1.8 Вибір типу і виконання тарілки
4.1.9 Визначення необхідної кількості тарілок в колоні
4.1.10 Визначення висоти колони
4.1.11 Тепловий розрахунок установки
4.2 Конструктивний розрахунок
4.2.1 Розрахунок та вибір основних штуцерів колони
4.2.2 Днище
4.3 Механічний розрахунок
4.3.1 Обичайка
4.3.2 Кришка
4.3.3 Днище
4.3.4 Опора
4.4 Гідравлічний розрахунок
4.4.1 Гідравлічний опір колони
4.4.2 Розрахунок насоса
5. Розрахунок дефлегматора
6. Охорона праці
6.1 Характеристика відділення з точки зору охорони праці, аналіз
шкідливих і небезпечних виробничих факторів
6.2 Виробнича санітарія та гігієна праці
6.3 Техніка безпеки
6.4 Пожежна профілактика
6.5 Вимоги безпеки до виробництва оцтової кислоти
7. Економічна частина
7.1 Визначення комплексного показника якості
7.2 Визначення показників економічної ефективності проектних рішень
7.2.1 Визначення собівартості і ціни спроектованого пристрою
7.2.2 Визначення економічного ефекту в сфері експлуатації
7.3 Висновок про доцільність розробки нового апарату
Висновки
1.
Технології виробництва вінілацетату
1.1
Огляд методів виробництва вінілацетату
Рідкофазний процес синтезу вінілацетату
У першому патенті Клат’є опис процесу дається в
наступному виді: 250 мл безводної оцтової кислоти змішуються з 10 мл
сірчанокислого закису ртуті. Через суміш при температурі 60-100°С при
перемішуванні пропускається ацетилен. Після припинення абсорбції ацетилену
реакційна суміш переганяється під вакуумом. При цьому відганяється дуже
невелика кількість вінілацетату й у залишку перебуває непрореагована оцтова
кислота й етилідендиацетат. Таким чином, у цьому процесі реакція йде головним
чином в бік етилідендиацетату. Таким методом можуть бути отримані етиліденові
ефіри оцтової, моно-, ді- і тріхлороцтової, пропіонової, молочної, бензойної й
іншої кислот.
Рисунок 1. Схема виробництва вінілацетату за рідкофазним
процесом із застосуванням підвищеного тиску
Рисунок 1: 1 (АВ) - автоклав; 2 (СР) - сорочка; 3 (М) -
мішалка; 4 (ТМ) - термометр; 5 (МН) - монометр; 6 (Л) - лаз; 7 (СК) - спускний
кран; 8 (Т) - труба; 9,16 (ТР1,2) - трубопровід; 10 (СТ1) - стовпчик для
фракчіонування; 11 (ХК) - холодильник; 12-14 (П1-3) - приймач; 15 (ВН) -
вакуум-насос.
Основним процесом є автоклав (1) (АВ), футерований склом.
Автоклав з термометром (4) (ТМ), манометром (5) (МН), завантажувальним лазом
(6) (Л), мішалкою (3) (М), сорочкою для охолодження й обігріву (2) (СР),
відвідною трубою (8) (Т), спускним краном (7) (СК) і трубопроводами (9, 16)
(ТР 1,2).
В автоклав завантажується 600 частин оцтової кислоти, 30
частин сірчаної кислої ртуті і 100 частин сірчано-кислого окису заліза. Після
завантаження реакційна суміш прохолоджується шляхом додавання в сорочку
охолодженого розчину, автоклав продувається азотом і при роботі мішалки
нагнітається ацетиленом. Температура підтримується близько 10°С. Протягом 5-6
годин поглинається 142 частин ацетилену, після чого до реакційної суміші
додається 50 частин безводного оцетокислого натрію (для нейтралізації сірчаної
кислоти), надлишок ацетилену відділяється і суміш піддається діленню у вакуумі
за допомогою вакуум-насосу (1) (ВН). Пара проходить через мідний стовпчик для
фракціонування (10) (СТ1) в алюмінієвий холодильник (11) (ХК) і конденсуються.
У приймачах (12-14) (П1-3) відбираються фракції, що відповідають вінілацетату,
оцтовій кислоті й етилідендіацетату. Сірчанокислий натрій і ртутні солі, що
залишається в автоклаві віддаляються при промиванні автоклаву, і ртуть
піддається регенерації.
У результаті виходить 100 частин вінілацетату, близько 5
частин етилідендіацетату і рекуперується 360 частин оцтової кислоти. Вихід
вінілацетату на прореаговану оцтову кислоту становить близько 42 ваг. %.
Основні методи одержання вінілацетату в газовій фазі
зводяться до наступного. Синтез вінілацетату здійснюється шляхом проходження
суміші ацетилену з парою оцтової кислоти через нагрітий каталізатор.
Каталізаторами служать солі цинку й кадмію (оцтові й фосфорнокислі). Як носій
каталізатора застосовуються силікагель або активоване вугілля. Температура
реакції лежить у межах 210-250°.
лінія вінілацетат насос дефлегматор
Газову суміш рекомендується нагрівати до цієї або
трохи вищої температури. Ацетилен застосовується в надлишку роцес теоретичного.
Схема одержання вінілацетату
Ацетилен, що вживався для одержання вінілацетату,
промивався спочатку у вежі водою, насиченої хлором, і потім у другій вежі 3% -м
розчином їдкого натру.
Рисунок 2:
(ВП) - випарник; 2 (ПВ) - підігрівник; 3 (ТБ) -
теплообмінник; 4 (ОБ) - обігрівач; 5,9 (ПС1,2) - пастка; 6 (ПЧ) - піч; 7а, б,8
(ХК1,2,3) - холодильник; 10 (ПД) - повітродувка; 11 (СТ2) - стовпчик.
Після проходження через карбідні сущії для видалення вологи
ацетилен надходив в очисники, завантажена сухою очисною роцес, що складається з
кізельгуру, просоченого хромовою кислотою, і звідси через повітродувку (10)
(ПД) у випарник оцтової кислоти (1) (ВП), у якому підтримувалася температура
120°С. Ацетилен при температурі 90°С, насичений оцтовою кислотою, нагрівався
послідовно в підігрівнику (2) (ПВ) до 120-140° С, у теплообмінника (3) (ТБ) до
165-190° і, нарешті, в електричному обігрівачі (4) (ОБ) до 170-220° С. У пастці
для купрена (5) (ПС1), завантаженої використаним каталізатором і розташованої
перед контактною піччю, газ звільняється від продуктів конденсації ацетилену.
Суміш ацетилен-оцтова кислота входила в контактну піч (6) (ПЧ) і проходила
через каталізатор, що складається з активованого вугілля з нанесеним на нього
ацетатом цинку (20% Zn), що містяться у 785 трубках 3,5 м висоти й діаметром 50
мм. Піч ємністю 5 м3 містить 2100 кг каталізатора. Перетворення
оцтової кислоти досягає 30-40%. Охолодження здійснюється ізофороном (з
температурою кипіння 213-214°С), що входить у піч при температурі на 4°С нижче
температури печі й залишає її при температурі печі. Початкова температура
реакції 175°С і кінцева близько 220°С.
Контатна газова суміш проходить з контактної печі (6) (ПЧ)
через теплообмінник (3) (ТБ) і підігрівник (2) (ПВ) до першого холодильника
(7а) (ХК1), що залишала при температурі 45-50°С, і до другого холодильника (7б)
(ХК2), що залишила при температурі 15°С. У наступному холодильнику (8) (ХК3)
газ охолоджується до 12°С і реціклює через пастку (9) (ПС2), яка промивається
оцтовою кислотою. Конденсат із другого холодильника, з газового холодильника
(8) (ХК3) і пастки проходить до верхньої частини стовпчика (11) (СТ2).
Ацетальдегід й ацетилен відганяються, і залишок, що складається з 40% вінілацетату,
0,6 % ацетальдегіду й 59,2% оцтової кислоти, переганяється послідовно в трьох
колонах Рашига.
Перша дає сирий вінілацетат, що містить ацетальдегід; у
другому стовпчику альдегід й інші домішки відокремлюються: у верхній частині
третього стовпчика виходить чистий вінілацетат (температура кипіння 71°С при
730 мм). Залишок із третього стовпчика, що складає з оцтової кислоти,
вінілацетату й альдегіду, який містить домішки, і другого стовпчика
переганяється періодично на двох інших колонах. Для запобігання утворення
полімеру під час перегонки додається розчин гідрохінону. За 1 годину на 1 л
каталізатора виходить близько 50 м3 вінілацетату. Вихід вінілацетату
становив по ацетилену приблизно 92% і по оцтовій кислоті 96-98%.
Парофазний метод синтезу має істотні переваги перед
рідкофазним. При парофазному методі застосовуються більш дешеві неотруйні
каталізатори, що мають більший термін служби, чим при рідкофазному методі. В
самій сутності роцесс він є безперервним і допускає легке одержання будь-якого
співвідношення компонентів у парогазовій суміші, що дає можливість регулювати
роцесс, створювати практично будь-який надлишок ацетилену й працювати з обраним
відсотком конверсії, що визначається як технічними, так і економічними
міркуваннями (практично застосовані співвідношення оцтової кислоти й ацетилену
лежать у межах від 1: 2 до 1: 10). Застосування парофазного методу, однак,
вимагає використання більше високих температур і здійснення ряду додаткових
заходів пожежної й вибухонебезпечності.
Синтез вінілацетату з етилену
Даний метод полягає у окисному приєднанні оцтової кислоти
до етилену:
2=CH2+CH3COOH+0,5O2→CH2=CH-OCOCH3+H2O
Газофазний синтез вінілацетату здійснюють із гетерогенним
каталізатором (Pd на SiO2, Al2O3 або на
алюмосилікаті з добавкою ацетату натрію), у якому роль мідних солей виконує
носій, що сприяє окисненню Pd у двовалентну форму:
+0,5O2+2CH3-COOH→Pd2+H2O+2CH3-COO2+CH2=CH2+CH3-COOH→Pd+CH2=CH-OCO-CH3+2H+
Процес здійснюють при 170-180 0С і 0,5-1 Мпа,
пропускаючи парогазову суміш реагентів через гетерогенний каталізатор. Щоб
уникнути утворення вибухонебезпечних сумішей, застосовують надлишок етилену і
оцтової кислоти. При цьому не перетворений етилен повертають на окиснення, що
робить обов’язковим використання як окисника не повітря, а кисню. Вихідна суміш
складається з етилену, парів оцтової кислоти і кисню в об’ємному відношенні 8:
4:
. Їх конверсія за один прохід через реактор становить
відповідно 10,20 і 60-70 %. Сеоективність за вінілацетатом досягає 91-92 %, а
основним побічним продуктом є СО2 з утворення тільки 1 % інших
речовин (етилацетат, етилідендиацетат).
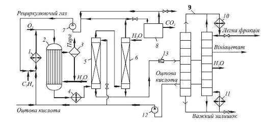
Рис. 3. Технологічна схема синтезу вінілацетату з етилену:
1) паровий нагрівач;
2) 2) реактор;
) 3) парозбірник;
) 4) холодильник;
5,6) скрубери;
) циркуляційний компресор;
) блок карбонатного очищення від СО2;
) система ректифікаційних колон;
) дефлегматор;
) кип’ятильник;
) насос); 13) дросельний вентиль
Суміш свіжих і рециркулюючих етилену і оцтової
кислоти підігрівають у паровому нагрівачі 1, змішують зі свіжим киснем і
подають у трубчастий контактний апарат 2 зі стаціонарним шаром каталізатора, що
перебуває в трубах. Тепло, що виділяється, відводять за рахунок випаровування
(у між трубному просторі) водного конденсату; при цьому виробляють пару, яку
відокремлюють в збірнику 3. Реакційну суміш охолоджують у холодильнику 4 і
промивають газ послідовно в скруберах 5 і 6 рециркулюючою оцтовою кислотою і
водою для вловлювання відповідного вінілацетату та оцтової кислоти. Більшу
частину промитого газу повертають циркуляційним компресором 7 на синтез, але
частина його проходить блок 8 карбонатного очищення від СО2.
Очищений газ здебільшого рециркулює, але деяку його кількість виводять із
системи, щоб уникнути надмірного нагромадження інертних домішок, що містяться в
етилені і кисні. Суміш рідких продуктів з куба скруберів 5 і 6 подають на
розділення у систему ректифікаційних колон 9, де відокремлюється вінілацетат,
вода, оцтова кислота і важкі домішки, що скеровують на спалювання.
1.2
Побічні продукти синтезу вінілацетату та методи їх використання
При проектуванні виробництва вінілацетату великої
потужності необхідно мати на увазі, що такі побічні продукти, як ацетальдегід,
ацетон і кротоновий альдегід є найважливішими продуктами хімічної технології та
їх виділення в якості цільових має практичне значення. У зв'язку з цим при
розробці технологічної схеми процесу ректифікації передбачено виділення цих
побічних компонентів в якості цільових.
. Початковою сировиною для виробництва вінілацетату є
ацетилен, етилен та оцтова кислота. Застосована при виробництві вінілацетату
оцтова кислота (СНзСООН) є прозорою, безбарвною рідиною, що має різкий запах та
небезпечну наривну дію. Утворює з металами солі - ацетати. Плавиться за
16,75°C, кипить за 117,9°C за нормального тиску. Оцтова кислота - один з
базових продуктів промислового органічного синтезу. Більш ніж 65 % світового
виробництва оцтової кислоти іде на виготовлення полімерів
<#"810172.files/image002.gif">
Продовження ланцюга йде в двох напрямках. Перший
напрямок - це взаємодія вгору-бутілпероксіда з н-бутаном
Утворений гідропероксид може розпадатися, причому
отриманий метилетилкетон при подальшому окисленні дає α-кетогідропероксід:
α-Кетогідропероксід,
в свою чергу розпадається з утворенням оцтової кислоти і ацетальдегіду
З метою скорочення індукційного періоду окислення
спочатку процес проводився в присутності солей металів змінної валентності (СО,
N i тощо), останнім часом частіше це досягається за рахунок часткового
повернення продуктів окислення.
Енергія активації при гомогеннокаталптіческом
окисленні вуглеводнів в рідкій фазі становить 50-81 кДж / моль проти 105-147
кДж / моль при термічному пли ініційованому окисненні.
Зниження періоду індукції при додаванні в
сировині незначних кількостей продуктів окислення відбувається за рахунок
більшої їх швидкості окислення і розкладання утворюються гідропероксидів по
реакціях, розглянутим вище.
Критичні температура і тиск для н-бутану
відповідно рівні 152° С і 3,5 МПа. Жидкофазная окислення н-бутану при
температурі, близькій до критичної, малоефективно через невеликій швидкості
реакції. Крім того, дуже важко керувати процесом, тому що потрібно підтримувати
температуру у всьому обсязі реактора в дуже вузьких межах. У зв'язку з цим
окислення н-бутану проводять у розчині.
Найбільш відповідними розчинниками виявилися
оцтова кислота, що отримується в самому процесі, і продукти реакції, які
повертаються в реактор разом з прореагували н-бутаном. Розчин н-бутану в такій
суміші має критичну температуру близько 195° С. Застосування інших розчинників,
наприклад бензолу, менш ефективно.
1.3
Обґрунтування та доцільність обраного методу ректифікації суміші оцтова кислота
- вода у виробництві вінілацетату
Одним з найбільш поширених методів розділення
рідких однорідних сумішей, які складаються з двох чи більше чисел компонентів,
є перегонка (дистиляція і ректифікація).
Ректифікація - масообмінний процес розділу
однорідної суміші летючих компонентів, який здійснюється шляхом протиточної
багаторазової взаємодії парів, які утворюються при перегонці з рідиною, яка
утворюється при конденсації цих парів. Перегонка рідин (дистиляція і
ректифікація) є найбільш поширеним методом розділення гомогенних сумішей і
застосовується дуже давно.
Розділення рідкої суміші базується на різній
летючості речовин. При ректифікації вихідна суміш ділиться на дві частини:
дистилят - суміш, збагачена низькокиплячим компонентом і кубовий залишок -
суміш, збагачена висококиплячим компонентом.
Процес ректифікації здійснюється в ректифікаційній
установці, основним апаратом якої є ректифікаційна колона, в якій пари рідини,
що переганяється, піднімаються знизу, а назустріч їй стікає рідина, яка
подається у вигляді флегми у верхню частину апарату.
Процес ректифікації може протікати при атмосферному
тиску, а також при тиску вищому і нижчому від атмосферного. Атмосферний тиск
застосовують при розділенні сумішей, які мають температуру кипіння від 30 до
350ОС.
Ступінь розподілу суміші рідини на складові
компоненти і чистота отриманого дистиляту і кубового залишку залежить від того
на скільки розвинута поверхня контакту фаз, кількості поданої флегми на
зрошення і конструкції ректифікаційної колони.
Ректифікаційний апарат складається з двох частин
чи ступенів - верхньої і нижньої. В нижній частині вихідна суміш, що підлягає
розділенню, взаємодіє з парою, початковий склад якої рівний складу залишку,
внаслідок цього із суміші вилучається легколетючий компонент. У верхній частині
пара початкового складу, який відповідає складу вихідної суміші, взаємодіє з рідиною,
початковий склад якої рівний складу дистилята, внаслідок цього пара
збагачується легколетючим компонентом, а менш летючий компонент вилучається з
парової фази.
Ректифікація відома з початку ХІХ століття як
один з головних технологічних процесів спиртової і нафтопереробної
промисловостей. В наш час ректифікацію все ширше використовують в різних
областях хімічної технології, де виділення компонентів в чистому виді має
важливе значення (у виробництвах органічного синтезу, ізотопів, полімерів,
напівпровідників і інших речовин високої частоти).
Метою розрахунку процесу ректифікації є
визначення основних розмірів апарату.
2.
Вибір та опис технологічного вузла ректифікації
В промисловості застосовуються тарільчаті,
насадкові, плівкові, трубчаті апарати. Вони розрізняються в основному за
конструкцією внутрішнього влаштування апарату, призначення якого забезпечує
взаємодію рідини і пари. Переважне використання тарільчатих колон в процесах
перегонки пояснюється значно більшою їх продуктивністю, порівняно з насадковими.
При виборі типу ректифікаційної колони слід мати
на увазі, що тарілчаті колони дуже малого діаметру значно дорожчі за
відповідних насадкових колон. Але по мірі збільшення діаметру вартість
насадкових колон зростає значно швидше. Вважається, що вартість насадкових
колон зростає пропорційно квадрату діаметра, а ковпачкової - діаметр в певній
степені. Значить за межею граничного значення діаметра, застосування
тарільчатих колон більш економічне.
Багатий досвід промислової експлуатації
насадкових колон показав доцільність їх використання при діаметрах не більших
0,8 м. При дальшому збільшенні діаметру насадкової колони погіршується
рівномірне розприділення флегми по насадці, утворюються канали, по яких,
переважно, проходить флегма і ефективність колони різко знижується. В
насадкових колонах використовуються насадки різних типів: кільця Рашига,
хаотично розташовані (навалом); кільця з перегородками, правильно впорядковані;
кільця Паля; насадка "Сіренакс”; сідла Берля; хордова насадка.
В промисловості найбільш поширені колони з
кільцями Рашига. Менший гідравлічний опір насадкових колон в порівнянні з
барботажними особливо важливий при ректифікації під вакуумом. Для зменшення
гідравлічного опору вакуумних колон в них застосовують насадки з можливо
більшим вільним об’ємом.
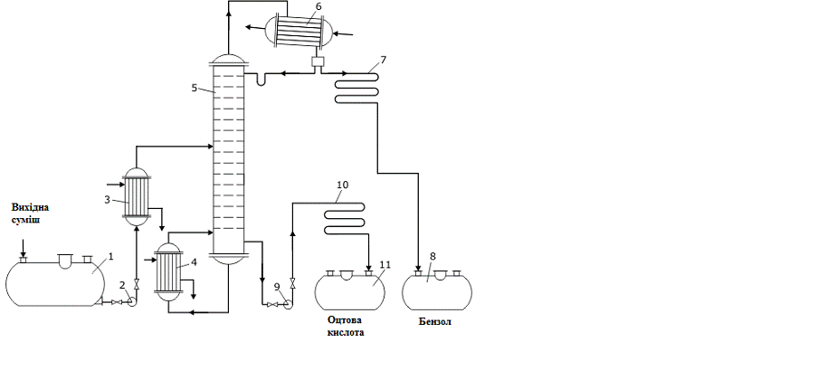
Принципова технологічна схема ректифікаційної
установки
Рис.4. Ректифікаційна установка неперервної дії
для розділення суміші вода - оцтова кислота:
− ємкість сировини, 2 − живильна
помпа, 3 - підігрівач сировини,
− кубовий кип’ятильник, 5 −
ректифікаційна колона, 6 - дефлегматор,
− холодильник, 8 − ємкість - збірник
дистиляту (бензолу), 9 − помпа для відкачування кубового залишку, 10 −
холодильник кубового залишку,
− ємкість - збірник кубового продукту
(оцтової кислоти)
Ректифікаційна установка неперервної дії
складається, як правило, з наступних технологічних вузлів (рис 4):
вузол подачі суміші на розділення,
складається з ємкості сировини 1, живильної помпи 2 та підігрівача 3. В випадку
використання проектованої установки в складі промислового виробництва можливий
варіант відсутності ємності 1 та 3 (якщо в якості такої ємкості
використовується кубова частина попередньої колони, а суміш на розділення
подається уже підігрітою);
- власне ректифікаційна колона 5 з
виносним кубовим кип’ятильником 4 та виносним дефлегматором 6 і конденсатором
7. Варіант використання виносних теплообмінних пристроїв зумовлений високою
корозійною агресивністю оцтової кислоти при температурі кипіння і необхідністю
періодичного контролю за станом теплообмінного обладнання.
розділювачі флегми та кубового залишку,
ємкості - збірники дистиляту 8, та кубового продукту 11 (в випадку наступного
використання отриманих сумішей у інших вузлах можуть бути відсутні) і
холодильника 10.
Вихідну суміш з ємності 1 помпою 2 пропускають
через підігрівач 3, де підігрівають до температури кипіння рідини. Потім
підігріту суміш подають в ректифікаційну колону 5.
Ректифікаційна колона складається з циліндричного
корпусу, всередині якого встановлені контактні пристрої у вигляді насадок.
Вверх рухається пара, яка збирається в дефлегматор 6, а в низ колони рухається
рідка фаза суміші.
В дефлегматорі 6 пара охолоджується водою, і
одержана рідина розділяється в розділювачі на дистилят і флегму, яка направляється
на верх колони. З допомогою флегми в колоні створюється рідкий потік, який
покращує розділення вверху колони.
Дистилят далі охолоджується в
холодильнику-конденсаторі 7 водою і направляється в збірник 8, звідки помпою
відкачується з установки.
Знизу колони відбирається рідка фаза. Частина
рідини через кип’ятильник 4 повертається в колону для створення парової фази.
Основний баланс рідкої фази відбирається з розділювача і в холодильнику 7
охолоджується до певної температури. Потім направляється в ємність 8 і помпою
відкачується з установки.
Визначити доцільність використання тих чи інших
вузлів проектованої установки можливо лише після техніко-економічного аналізу
виробництва, до складу якого ця установка входить.
3.
Технологічна характеристика основного обладнання вузла ректифікації
Конструкція колони
Тарілчастим колонам, які складають основну групу
апаратів з поверхнею контакту, утвореною в процecce руху потоків, властиві
загальні закономірності в структурі потоків на тарілках. У свою чергу від гідродинамічної
структури потоків, що визначають перемішування на тарілках, залежить
ефективність тарілчастих колон.
Тарільчаті, колони виконують у вигляді
вертикальних циліндрів, усередині яких одна під інший розміщено певне число го
- різонтального перегородок - тарілок, що забезпечують можливість зустрічного
течії і контакту рідини і пара * (газу).
Такого типу колони мають діаметр 0,5-8 м і висоту
від 6 до 180 м залежно від виду поділюваних продуктів, продуктивності і т.д. У
колонах встановлюють такі типи тарілок: провальні, ковпачкові, сітчасті,
клапанні, струменеві і т.д.
Деякі конструкції тарілок показані на рис.5.
Рис.5. Конструкції тарілок:
а - з капсульними круглими ковпачками; б - з
тунельними ковпачками;
в - з жолобчастими ковпачками; г - сітчата
тарілка; 7 ~ ковпачок;
-підстава тарілки; 3 - зливний патрубок;
4-патрубок для проходу пара
У ковпачковой тарілці пар (газ) проходить знизу
через парові патрубки і виходить через прорізи ковпачків в рідину, барботуючи
через неї. При цьому на тарілці конденсується пар і одночасно випаровується
рідина.
Відмінною особливістю тарілчастих ковпачкових
колон є наявність перехресного струму між рідиною і газом (паром). Необхідний
рівень рідини на тарілках забезпечується зливними перегородками. Рідина
рухається уздовж тарілки від живильного патрубка до зливної перегородці і
пронизує газом, рухомим з нижньої тарілки на вище розміщених. В якості зливної
перегородки в колонах використовують зливні трубки або спеціальні пороги, висота
виступу яких над тарілкою визначає висоту рівня рідини на ній. У колонах з
провальними тарілками одночасно відбувається барботаж пари або газу через шар
рідини і часткове " провалювання " рідини. Газ (пар) рухається знизу
вгору тільки, через частину отворів пульсуючим потоком. Кількість пропускають
газ або рідина отворів визначається статичним тиском рідини на тарілці.
Конструктивно отвори можуть виконуватися
круглими, у вигляді паралельних щілин, укладанням круглих прутків або трубок в
ряд або у вигляді спіралі. У тарілчастих сітчастих колонах пар (газ) проходить
через отвір в тарілках знизу верх, утримуючи статичним напором рідину на них.
Для зменшення рівня рідини і зменшення ефекту зворотного перемішування
сітчастих тарілки можуть бути виконані уступами (каскадом), по яких протікає
рідина.
Сітчасті тарілки мають отвору діаметром 2-5 мм;
через які проходить пар, барботирує через шар рідини на тарілці. Шар рідини на
тарілці висотою 25-30 див підтримується знизу тиском пару й протікає на
наступну тарілку тільки по переливних трубках. Взаємодія між парою і рідиною
відбувається на деякій відстані від дна тарілки в шарі піни й бризів.
Для нормальної роботи колони із сітчастими
тарілками необхідно, щоб пар мав достатній тиск, необхідне для подолання
гідростатичного опору рідини на тарілці. Якщо тиск пари недостатньо, то рідина
буде стікати через отвори в тарілці й затоплювати колону.
Рис.6 Конструкція ситчастих тарілок
У колонах великого діаметра при плині рідини на
тарілках створюється значна різниця між рівнями рідини при вході й виході її з
тарілки. Внаслідок цього можливий нерівномірний прохід пари через отвори в
різних крапках колони. Щоб усунути це явище, тарілки встановлюють із нахилом
убік плину рідини; при цьому створюється однаковий рівень її на тарілці.
Істотний недолік ситчастих тарілок у тім, що
рідина на них утримується тільки за рахунок тиску пари. Тому при падінні тиску
в колоні рідина провалюється через отвори тарілок.
На рис.6 представлена ситчаста тарілка із двома
циліндричними зливальними склянками. Ситчасті тарілки застосовують як для
чистих рідин, так і для рідин, що містять суспензії. Для перші отвори мають
діаметр 2 - 3 мм, для других - 7 - 8 мм
Основною перевагою ситчастих тарілок перед іншими
є простота конструкції.
Конструкція дефлегматора
Дефлегматор (від грец. phlegma - мокрота, волога)
- апарат, який використовується в промисловості і в лабораторній практиці для
часткової або повної конденсації пари рідин, розділених перегонкою або
ректифікацією. Основне призначення дефлегматора полягає у частковій конденсації
парів, що виходять з ректифікаційної колони, і поверненням конденсату (флегми)
в колону, для більш повного поділу суміші на окремі фракції.
Рис.7. Конструкція дефлегматора
Дефлегматор представляє собою кожухотрубний
теплообмінник з вертикальним розташуванням труб, сполучених з верхньою частиною
ректифікаційної колони і забезпечений каналами підведення і відведення
охолоджуючої води в міжтрубний простір і паровідбірною трубкою, що представляє
собою канал для відбору пари на конденсатор. Такий дефлегматор має фіксовану
площу поверхні, на якій відбувається конденсація флегми. Регулювання флегмового
числа в ректифікаційних установках, забезпечених дефлегматорами такого типу,
виробляється зміною витрати охолоджувальної води, що вимагає приладів для
контролю за витратою і температурою води, а також апаратури для точного
регулювання витрати, причому функціональна залежність між контрольними і
регулювальними параметрами є складною і істотно нелінійної, що ускладнює процес
управління ректифікацією.
Процес ректифікація оцтової кислоти можливий за
умови протитока рідини і пари в колоні. Якщо колона не харчується флегмою, то
пар, що піднімається знизу, за відсутності тепловтрат у навколишнє середовище
не може конденсуватися, тобто на тарілках або насадці, що не буде рідини і
багаторазовий тепло і масообмін між рідиною і парою, що є основою для процесу
ректифікації, виявиться неможливим. Для живлення колони флегмою служить дефлегматор,
в якому здійснюється конденсація спиртових парів, що надходять з колони.
Колонка з атмосферою безпосередньо через дефлегматор не може бути повідомлена,
тому що при цьому спостерігаються великі втрати.
Після дефлегматора зазвичай встановлюється конденсатор
призначений для конденсації частини оцтових парів, що надходять з дефлегматора,
і охолодження сконденсованої оцтової кислоти до мінімальної температури.
Дефлегматор з'єднаний з атмосферою безпосередньо
через спеціальний отвір з штуцером, на який надіта трубка з прозорого
матеріалу. Ще одна відмінність. Так як готовий продукт відбирається не в
паровий, а в рідкій фазі, для його повного охолодження до мінімальної
температури, досить мініатюрного холодильника.
Процес дефлегмації може здійснюватися одноразово
або поступово. При одноразовій дефлегмації сконденсувалася рідина повинна
відразу ж виводитися з теплообмінника. При поступовій дефлегмації утворена
рідина весь час знаходиться в контакті з парою, тобто між ними відбувається
постійний тепло - масо обмін. Поступова дефлегмація має перевагу перед
одноразовою, так як при цьому збільшується тривалість контакту між рідиною і
парою і відповідно отримати більш якісне поділ на фракціі. Такой спосіб
використання дефлегматора найбільш кращий, тому що відбувається без подальшої
ректифікації на колоні. Для ректифікації використовується одноразова
дефлегмація. Пар, сконденсований в дефлегматорі, розділяється на два потоки.
Один з них більший за обсягом у вигляді флегми повертається назад в колону, для
зрошення насадочних елементів, а інша частина у вигляді дистиляту надходить в
холодильник і охолодити, далі в приймальну ємність. Відношення відбираючого
дистиляту до поверненого назад в колону називаєтью флегмовим числом. Зазвичай
при ректифікації це число має бути близько 3. Тобто із загального отриманого
дистиляту, 3 частини повинні повернутися в колону для змочування насадки, а
тільки одну частину ми можемо відібрати у вигляді готового продукту.
4.
Розрахунок ректифікаційної колони
4.1
Технологічний розрахунок
4.1.1
Матеріальний баланс і продуктивність по дистиляту та кубовому залишку
Запишемо рівняння матеріального балансу
F = GD + GW;
,
звідки
W =
;D = GF - GW.
У наведених рівняннях: GF, GD, GW
- відповідно, продуктивність колони по вихідній суміші дистиляту і кубовому
залишку;
кг/с;
,
,
- концентрації в масових частках вихідної
суміші, дистиляту і кубового залишку.
Перерахуємо склад фаз з мольних часток в масові за
співвідношенням:
де МА і МВ - молекулярні маси відповідно
води і оцтової кислоти, кг/кмоль;
х - концентрація легколеткого компонента в мольних частках.
МА=18 кг/кмоль, МВ=60 кг/кмоль;
хF=30% мол., xD=96% мол., xW=2,5%
мол.
кг Н2О/ кг сум;
кг Н2О/ кг сум;
кг Н2О/ кг сум.
Тоді
кг/с;
кг/с; D=0,42-0,37=0,05 кг/с.
4.1.2
Побудова ізобар температур кипіння і конденсації та рівноважної кривої
Будуємо за даними таблиці графіки залежності y= f
(x) та=f (x,y)
Табл. 4.1 Рівноважний склад системи пара-рідина в
мол. % і температури кипіння (t) в ˚С бінарної суміші оцтова кислота -
вода при 760 мм рт. ст.
|
х
|
0
|
5
|
10
|
20
|
30
|
40
|
50
|
60
|
70
|
80
|
90
|
100
|
|
у
|
0
|
9,2
|
16,7
|
30,3
|
42,5
|
53
|
62,6
|
71,6
|
79,5
|
86,4
|
93
|
100
|
|
t
|
118,1
|
115,4
|
113,8
|
110,1
|
107,5
|
105,8
|
104,4
|
103,3
|
102,1
|
101,3
|
100,6
|
100
|
Рис.8. Ізобари кипіння і конденсації суміші вода
- оцтова кислота
З побудованих ізобар кипіння і конденсації
знайдемо температури:
вихідної суміші tF = 107,50С;
дистиляту tD = 100, 20С; кубового залишкуW =116,70С.
Рис.9. Рівноважна залежність системи вода - оцтова кислота.
Робочі лінії і визначення теоретичної кількості тарілок
З р-ня верхньої частини колони

(40%)
нижньої
З р-ня нижньої частини колони
4.1.3
Визначення мінімального флегмового числа
З рівняння робочої лінії укріплюючої частини
колони за умови мінімального флегмового числа (робочі лінії перетинаються на
кривій рівноваги)
мінімальне флегмове число:
,
де концентрація в паровій фазі, рівноважна з концентрацією
вихідної суміші
(знайдена по кривій рівноваги на рис.5).
4.1.4
Визначення оптимального флегмового числа
Робоче флегмове число повинно бути більшим за
мінімальне флегмове число.
,
Де β - коефіцієнт надлишку флегми.
Задаємось декількома значеннями β і за рівнянням робочої лінії
укріплюючої частини колони
при постійній величині ХF=30% моль. розраховуємо
відповідні значення концентрації води у паровій фазі УF:
При β=1,05, R=4,49
кмоль Н2О/кмоль сум;
При β=1,1, R=4,71
кмоль Н2О/кмоль сум;
При β=1,2, R=5,14
кмоль Н2О/кмоль сум;
При β=1,3, R=5,56
кмоль Н2О/кмоль сум;
При β=1,4, R=5,99
кмоль Н2О/кмоль сум;
При β=1,5, R=6,42
кмоль Н2О/кмоль сум.
Одержані дані заносимо в таблицю 4.2.
Табл. 4.2 До визначення кількості теоретичних
тарілок за різного флегмового числа
|
β
|
1,05
|
1,1
|
1,2
|
1,3
|
1,4
|
1,5
|
|
R
|
4,49
|
4,71
|
5,14
|
5,56
|
5,99
|
6,42
|
|
уF
|
0,420
|
0,416
|
0,408
|
0,401
|
0,394
|
0,389
|
Для кожного значення флегмового числа і
відповідної концентрації води у паровій фазі уF будуємо робочі лінії
і графічним методом знаходимо число теоретичних тарілок nн у
вичерпуючій частині колони та nв у зміцнюючій частині колони.
Розраховуємо величини nі=nн+nв
та nі (Rі+1). Заносимо всі отримані величини в
таблицю 4.3.
Табл. 4.3 До визначення оптимального флегмового
числа
|
β
|
1,05
|
1,1
|
1,2
|
1,3
|
1,4
|
1,5
|
|
R
|
4,49
|
4,71
|
5,14
|
5,56
|
5,99
|
6,42
|
|
nн
|
19
|
16
|
13
|
12
|
11
|
11
|
|
nв
|
24
|
20
|
17
|
15
|
15
|
14
|
|
nі
|
43
|
36
|
30
|
27
|
26
|
25
|
|
nі
(Rі + 1)
|
236
|
206
|
184
|
177
|
181
|
185,5
|
Будуємо графік залежності nі (Rі
+ 1) від Rі. Мінімальне значення n (R+1) визначає оптимальне
флегмове число.
З рис.4.5 знаходимо, що оптимальне флегмове число
R = 5,4.
4.1.5
Середні масові витрати (навантаження, кг/с) по рідині для верхньої і нижньої
частин колони
Розраховуємо середній мольний склад рідини
відповідно у верхній і нижній частинах колони:
хс. в = (хD + хF)
/2 = (0,96 + 0,3) /2 = 0,63 кмоль Н2О/кмоль сум;
хс. н = (хF + хW)
/2 = (0,3 + 0,025) = 0,1625 кмоль Н2О/кмоль сум;
хс = (0,63 + 0,1625) /2 = 0,2325 кмоль
Н2О/кмоль сум.
Середні мольні маси рідини у верхній і нижній
частинах колони:
кг/кмоль;
кг/кмоль.
Мольна маса вихідної суміші
МF = МАхF + МВ
(1 - хF) = 18·0,3 + 60 (1-0,3) = 47,7 кг/кмоль.
Середні масові витрати рідини у верхній і нижній частинах
колони, приймаючи, що молекулярна маса дистиляту дорівнює молекулярній масі
води:
в = GDRМв/МD
= 0,05·5,4·33,54/18 = 0,5 кг/с;н= GDRМн/МD+
GFМн/МF = 0,05·5,4·53,18/18+0,42·53,18/47,7=1,27
кг/кмоль.
4.1.6.
Середні масові потоки пари у верхній Gв (кг/с) і нижній Gн
(кг/с) частинах колони
Середні мольні концентрації парів у верхній і
нижній частинах колонита при уD=96%моль., уW=2,5% моль та
їх температури:
ус. в = (уD + уF)
/2 = (0,96 + 0,403) /2 = 0,6815 кмоль Н2О/кмоль сум;
ус. н = (уF + уW)
/2 = (0,403 + 0,025) /2 = 0,214 кмоль Н2О/кмоль сум.
де
кмоль Н2О/кмоль сум.
с. в. = 103,70С;с. н. =
112,50С.
Середні мольні маси парів у верхній і нижній частинах
колони:
Мсер. в. = МАус. в + МВ
(1 - ус. в) = 18·0,6815 + 60 (1-0,6815) = 31,29 кг/кмоль;
Мсер. в. = МАус. н + МВ
(1 - ус. н) = 18·0,214 + 60 (1 - 0,214) = 50,57 кг/кмоль.
Середні масові потоки пари:
в = GD (R + 1) Мсер. в/
МD = 0,05 (5,4 +1) ·31,29/18 = 0,56 кг/с;н = GD
(R + 1) Мсер. н /МD = 0,05 (5,4 + 1) 50,57/18 = 0,9 кг/с.
4.1.7
Визначення швидкості пари і діаметра колони
Попередньо знаходимо густини рідини ρх в, ρх н і пари ρу в, ρу н у верхній і
нижній частинах колони при середніх температурах в них tв і tн.
Середні температури парів визначаємо з діаграмі t - х, у по середніх складах
фаз: tв = 103,70С; tн = 112,50С.
кг/м3;
кг/м3.
Середня густина пари в колоні:
кг/м3.
в = Gв/ρув = 0,56/1,012 = 0,55 м3/с;н
= Gн/ρун
= 0,9/1,6 = 0,56 м3/с.
Табл. 4.4 Густини компонентів при температурах
суміші в дистиляті, вихідній суміші та кубовому залишку відповідно (табл. IV
[6])
|
Речовина
|
tD
=103,70С
|
tF
=107,50С
|
tW
= 116,70С
|
|
Оцтова
кислота
|
958
кг/м3
|
945
кг/м3
|
928
кг/м3
|
|
вода
|
980,5
кг/м3
|
972
кг/м3
|
960
кг/м3
|
Густина рідини:
кг/м3;
кг/м3;
кг/м3.
Середня густина рідини у верхній і нижній частинах колони:
ρхв = (ρхF + ρхD) /2 = (946 + 958) /2 = 952 кг/м3;
ρхн = (ρхW + ρхF) /2 = (928 + 946) /2 = 937 кг/м3.
Средня густина рідини в колоні:
ρх = (952 + 937) /2 = 944,5 кг/м3.
Гранична швидкість пари для сітчастої тарілки:
У верхній частині колони:
м/с.
Приймаємо робочу швидкість на 10% менше:
υв = 1,35 м/с.
У нижній частині колони:
м/с.
Приймаємо робочу швидкість на 10% менше
υн = 1,08 м/с.
З рівняння об’ємних витрат визначаємо діаметр колони:
Верхньої частини:
м.
Нижньої частини:
м.
Приймаємо стандартний діаметр обох частин D = 0,8 м. При
цьому робоча швидкість пари:
м/с;
м/с.
4.1.8
Вибір типу і виконання тарілки
Вибираємо сітчасту тарілку ТС ГОСТ 26-805-73 з
характеристиками:
діаметр отворів dо = 3 мм; робоче
січення F = 0,41 м2; крок між отворами t = 10 мм; відносне вільне
січення тарілки Fв = 8%; січення переливу Fпер= 0,016м2;
периметр зливу Lз= 0,57 м. [5]
Визначаємо швидкість пари в отворах тарілки:
У верхній частині:
υ0в = Vв
/ Sвс = 0,55/0,033 = 16,7 м/с.
У нижній частині:
υ0н = Vн
/ Sвс = 0,56/0,033 = 17 м/с.
де Sвс - вільне січення тарілки
вс = F·Fв = 0,41·0,08 =
0,033 м2.
Розраховуємо висоту шару рідини на тарілці за
рівнянням:
,
де показник степені m = 0,05 - 4,6 hпер; у
наведеній залежності µх - у мПа٠с; σх, σв - поверхневий натяг рідини і води
відповідно в мН/м. hпер - висота переливної перегородки, м
(приймається в межах 30 - 50 мм);- лінійна густина зрошування, м3/
(м٠с), яка дорівнює q = Q/Lз;
Q - об’ємні витрати рідини, м3/с; Lз - периметр зливу
(ширина переливної перегородки), м; w - швидкість пари, віднесена до робочої
площі тарілки, м/с.
Приймемо висоту переливної перегородки hпер = 40
мм.
Висоту шару рідини розраховуємо для верхньої і нижньої
частин колони. Необхідні данні й проміжні розрахунки:
Середня густина суміші ρхв = 952 кг/м3; ρхн
= 937 кг/м3.
Об’ємна витрата рідини у верхній і нижній частинах колони:
в = Lв/ρхв = 0,5/952 = 5,25·10-4м3/с.н
= Lн/ρхн
= 1,27/937 = 1,4·10-3 м3/с.
Лінійна густина зрошування:
в = 5,3·10-4/0,57 = 0,93·10-3
м3/ (м·с).н = 1,4·10-3/0,57 = 2,5·10-3
м3/ (м·с).
Швидкість пари, віднесена до робочої площі тарілки:
в = Vв/F = 0,5/0,41 = 1,34 м/с.н
= Vн/F = 0,56/0,41 = 1,37 м/с.
Величина "m": m =0,05 - 4,6·0,04 = - 0,134.
Для визначення в’язкості рідини знайдемо за t-х, у
діаграмою (рис 4.2) середню температуру у верхній частині колони при середній
мольній концентрації пари усв= 0,6815 кмоль/ (кмоль суміші) tв
= 103,70С; аналогічно для нижньої частини при усн = 0,214
tн = 112,50С.
При температурі 103,70С в’язкість
оцтової кислоти [6, рис. V] µо. к. = 0,42 мПа·с;
води µв = 0,24 мПа·с.
Аналогічно при температурі 112,50С:
µо. к. = 0,38 мПа·с; µв = 0,21
мПа·с.
Поверхневий натяг при 103,70С [6, табл. ХХІV]:
σо. к. = 19,47·10-3 Н/м;
σв = 58,17·10-3 Н/м.
При температурі 112,250С:
σо. к. = 18,7·10-3 Н/м;
σв=56,45·10-3 Н/м
В’язкість рідкої суміші у верхній частині:
мПа·с;
В’язкість рідкої суміші у нижній частині:
мПа·с.
Висота шару рідини на тарілці у верхній частині колони:
0В = 0,787· (0,93·10-3)
0,2·0,040,56·1,34-0,134 [1-0,31ехр
(-0,11·0,24)] · (19,47/58,17) 0,09.0В = 0,019
м.
Висота шару рідини на тарілці у нижній частині:
0Н = 0,787· (2,5·10-3) 0,2·0,040,56·1,37-0,134
[1-0,31ехр (-0,11·0,35)] · (18,7/56,45) 0,090Н
= 0,023 м.
Мінімальна швидкість пари в отворах тарілки:
у верхній частині колони
м/с
у нижній частині колони
м/с.
де ξ = 1,82 - коефіцієнт гідравлічного опору
сухої тарілки.
Таким чином, швидкість пари в отворах тарілки більше
мінімальної.
4.1.9
Визначення необхідної кількості тарілок в колоні
Використаємо для розрахунку кількості тарілок
метод побудови сходинок між робочою і рівноважною лініями, що дає можливість
визначення теоретичної кількості тарілок. З врахуванням коефіцієнта корисної
дії тарілки розрахуємо дійсну необхідну кількість тарілок.
Визначено, що оптимальне флегмове число R =5.4
Побудуємо в координатах у - х робочу і рівноважну лінії (для R = 5.4) і
визначимо теоретичну кількість тарілок. Побудова графіка показана на рис.6.
З наведеного графіка кількість теоретичних
тарілок nт = 27, в тому числі у вичерпуючій частині n1 =
11; в укріплюючій n2 = 16.
Дійсна кількість тарілок:
= nт / η,
де η - коефіцієнт
корисної дії тарілки, який визначимо з діаграми на рис. 4.6.
Рис. 4.6 Діаграма для наближеного визначення коефіцієнта
корисної дії тарілки.
При середній температурі в колоні tср = (tW+tD)
/2= (100,2+116,7) /2 = 108,5оС. Тиск насиченої пари оцтової кислоти
з рис. ХІV [6] Ро. к = 500 мм. рт. ст., тиск насиченої пари води Рв=
1000 мм. рт. ст.
Тоді коефіцієнт летючості α = Рв. /Ро. к
= 1000/500=2.
Розрахуємо в’язкість рідкої суміші живлення при середній
температурі в колоні tср=108,5 оС.
В’язкість води µв = 0,215 мПа·с, в’язкість
води оцтової кислоти µо. к = 0,445 мПа·с (табл. IX [6]).
В’язкість суміші:
мПа·с.
Добуток αµ = 2·0,358 = 0,716
З діаграми на рис.7 η = 0,52.
Таким чином, дійсна кількість тарілок:
вичерпуючої частини нижня n1= 11/0,52 = 21;
укріплюючої частини верхня n2= 16/0,52 = 31.
Загальне число тарілок n = 52.
4.1.10
Визначення висоти колони
Н = (n - 1) h + Нв + Нн,
Де h - відстань між тарілками, м; Нв,
Нн - відстань між верхньою тарілкою і кришкою колони і між нижньою
тарілкою і днищем колони відповідно, м.
Значення Нв й Нн вибираємо
у відповідності з рекомендаціями [5]:
Діаметр колони, мм НвНн
- 10006001500
Відстань між тарілками складається з висоти
барботажного шару (піни) hn і висоти сепараційного простору hc:
= hn + hc
Висоту сепараційного простору розраховуємо,
виходячи з допустимого бризко виносу з тарілки, який приймають 0,1 кг рідини на
1 кг пари для сітчатих тарілок. Допустимий бризко виніс розраховуємо з
рівняння:
е = 0,000077 (73/σ) (w / hс) 3,2,
де w - швидкість пари, віднесена до робочої площі
тарілки, м/с; σ - поверхневий натяг
рідини (низькокиплячого компонента) при середній температурі в колоні, мН/м.
Верхня частина колони:
в = 1,34 м/с (згідно розрахунків);
σ = 58,1 мН/м (при
tв = (tF+tD) /2 = (107,5+100,2) /2=103,90С)
(табл.3.4);
,1 = 0,000077 (73/57,36) · (1,34/hс)
3,2,звідки hс = 0,154 м.
Нижня частина колони:
н = 1,37 м/с (згідно розрахунків);
σ = 56,6 мН/м (при
tв = (tF+tW) /2 =107,5+116,7=112,10С)
(табл.3.4);
,1 = 0,000077 (73/56,6) · (1,37/hс)
3,2,звідки hс = 0,158 м.
Висоту газорідинного шару розраховуємо за
рівнянням:
п = h0/ (1 - ε),
де ε - газовміст
барботажного шару.
,
де Fr = w2/ (gh0).
Висота шару рідини на тарілці у верхній частині колони h0В=
0,019 м;
у нижній частині колони h0Н = 0,023 м (згідно
розрахунків).
Критерій Фруда:
в = 1,342/ (9,81·0,019) =
9,63;н = 1,372/ (9,81·0,023) = 8,32.
Газовміст барботажного шару:
εв = 9,630,5/ (1+9,630,5)
= 0,76;
εн = 8,320,5/ (1+8,320,5)
= 0,74.
Висота газорідинного шару:
пв = 0,019/ (1-0,76) = 0,08 м;пн
= 0,023/ (1-0,74) = 0,088 м.
Отже, відстань між тарілками:
верхня частина колони hв = 0,154 + 0,08 = 0,234;
нижня частина колони hн = 0,158 + 0,088 = 0,246
м.
Приймаємо відстань між тарілками однаковою для всієї
колони= 0,25 м.
Висота колони:
Н = (52 - 1) ·0,25 + 0,6 + 1,5 = 14,85 м.
4.1.11
Тепловий розрахунок установки
Витрату теплоти, що віддається охолоджуючій воді
у дефлегматорі-конденсаторі, знаходимо з рівняння:
д = GD (R + 1) rD,
де rD - середня теплота конденсацій
дистиляту, Дж/кг.
Середню теплоту конденсації дистиляту знаходимо з
рівняння:
rD =
rв + (1-
) rо. к.,
де rв, rо. к. - питомі теплоти
конденсації води і оцтової кислоти відповідо за температури tD=103,7оС,
які становлять 2257,58 та 406,4 кДж/кг відповідно
Таким чином,
D = 0,878·2257,58 + (1-0,878) ·406,4 =
1979,52+49,58=2029,1 кДж/кг.
Охолоджуючій воді у дефлегматорі-конденсаторі віддається:
Вт.
Витрата теплоти, що отримується у кубі-випарнику від
граючої пари, знаходимо з рівняння:
к = Qд + GDсDtD
+ GWсWtW - GFсFtF
+ Qвт,
де Qвт - теплові втрати, Вт; приймаємо у
розмірі 3 % віт тепла, що витрачається
Питомі теплоємності взяті при відповідних температурах з
рис. XI [6] та розраховані наступним чином:
=0,878·4210,95+ (1-0,878) ·2346,4=4149,02
=0,1139·4210,95+ (1-0,1139) ·2388,3=2617,38
=0,0076·4210,95+ (1-0,0076) ·2409,25=2424,38
D = 103,7 оС, відповідно сD
= 414902 Дж/ (кг· оС) - питома теплоємність дистиляту;
tW = 116,5 оС, відповідно сW
= 2424,38 Дж/ (кг· оС) - питома теплоємність кубового залишку;F
= 107,5 оС, відповідно сF = 2617,38 Дж/ (кг· оС)
- питома теплоємність вихідної суміші.
Тоді:
к = 1,03 (649312 + (0,05·4149,02·101,5) +
(0,37·2424,38·116,5) -
(0,42·2617,38·107,5)) =1,03
(649312+21056,28+104502,9-1099,3) =796985,04 Вт.
Витрата теплоти у паровому підігрівачі вихідної суміші:
= 1,05 GFсF (tF - tн)
У даному випадку теплові втрати прийняті у розмірі 5 %
(згідно рекомендацій [5]). Питома теплоємність вихідної суміші
сF =2427,63 Дж/ (кг· оС) (рис. XI
[6]) за середньої температуриср = (107,5 + 18) /2 = 62,75оС.
=0,1139·4200,48+ (1-0,1139) ·2199,75=2427,63
к = 1,05·0,42·2427,63· (107,5 - 18)
=95817,34 Вт.
Витрата теплоти, що віддається охолоджуючій воді у водяному
холодильнику дистиляту:
= GDсD (tD - tк)
= 0,05·3956,39· (101,5-25) = 15133,19 Вт,
де сD =3956,39 Дж/ (кг· оС) питома
теплоємність дистиляту за середньої температури tср = (101,5 + 25)
/2 = 63,25 оС.
=0,878·4200,47+ (1-0,878) ·2199,8=3956,39
Витрата теплоти, що віддається охолоджуючій воді у водяному
холодильнику кубового залишку:
= GWсW (tW - tк)
=0,37·2235,75· (116,5 - 25) =75691,32 Вт,
де сW =2235,75 Дж/ (кг· оС) питома
теплоємкість дистиляту за середньої температури tср = (116,5 + 25)
/2 =70,75 оС.
=0,0076·4200,48+ (1-0,0076) ·2220,7=2235,75
Витрата гріючої пари, що має абсолютний тиск Рабс
= 0,4 МПа і вологість 5 % (згідно завдання):
а) у кубі-випарнику
кг/с;
Де rг. п. - питома теплота пароутворення
насиченої водяної пари за тиску
б) у підігрівачі вихідної суміші
кг/с;
Разом витрата граючої пари:
г. п. =0,39+0,047=0,437 кг/с або 1,57 т/год.
Витрата охолоджуючої води за умови, що вона нагріється на
20 оС:
а) у дефлегматорі
;
б) у водяному холодильнику дистиляту
;
в) у водяному холодильнику кубового залишку
.
Разом витрата охолоджуючої води Vв=0,008+0,0002+0,001=0,0092
м3/с або 33,12 м3/год.
4.2
Конструктивний розрахунок
4.2.1
Розрахунок та вибір основних штуцерів колони
Для під’єднання до апарата трубопроводів
застосовують штуцери. Штуцери складаються з патрубка та фланця. Штуцери
приварюють до апарата.
Діаметр штуцерів визначаємо із рівняння витрати:
де - витрата рідини (пари) в січенні штуцера, кг/с;
r - густина рідини (пару), кг/м3;-
рекомендовані швидкості для рідин (пари) при вільному витіканні з посудини.
Рекомендовані [5] швидкості для рідин при вільному
витіканні з посудини 0,5-1 м/с, приймаємо 0,7 м/с.
Рекомендовані [5] швидкості для пари при вільному витіканні
з посудини 15-25 м/с, приймаємо 20 м/с.
Навантаження верху колони по парі:
п= (R+1) GD= (5,4+1)
0,05=0,32кг/с.
Середня мольна маса пари у верхній частині колони:
Мв. = МАуD + МВ
(1 - уD) = 18·0,964 + 60 (1-0,964) = 19,51 кг/кмоль;
Густина потоку пари зверху колони:
кг/м3.
Витрата флегми на зрошення колони:
R=R·GD=5,4·0,05=0,27кг/с
Вихідної суміші:
Приймаємо діаметр штуцера 32 мм.
Кубового залишку:
Приймаємо діаметр штуцера 32 мм.
Верху колони (пара):
мм
Приймаємо діаметр штуцера 200 мм.
Флегми на зрошення колони:
мм
Приймаємо діаметр штуцера 32 мм.
Фланцеві з’єднання для штуцерів стандартизовані. Тому їх
розміри вибираємо за стандартами в залежності від умовного тиску та
внутрішнього діаметру штуцерів.
Конструктивно вибираємо штуцер у днищі колони (штуцер
відбору кубової суміші на кип’ятильник) та штуцер вводу перегрітої кубової суміші
з кип’ятильника.
y= (0,1…0,2) Dв= (0,1.0,2) ·800
= 80.160 мм
Приймаємо:
Діаметр штуцера відбору кубової суміші на кип’ятильник Dy=
100 мм.
Діаметрдля штуцера вводу перегрітої кубової суміші Dy=
125 мм.
Усі штуцери забезпечуються плоскими приварними фланцями за
ГОСТ 1255-67, конструкція й розміри яких показані нижче з
табл.4.6:
Рис.11. Фланці штуцерів
Табл. 4.6 Розміри приварний фланців (ГОСТ 1255-67)
|
d, мм
|
D, мм
|
D2,
мм
|
D1,
мм
|
h, мм
|
n
|
d1,
мм
|
h1,
мм
|
|
32
|
120
|
90
|
70
|
10
|
4
|
12
|
2
|
|
100
|
205
|
170
|
148
|
11
|
4
|
16
|
3
|
|
125
|
235
|
200
|
178
|
11
|
8
|
16
|
3
|
|
200
|
315
|
280
|
258
|
15
|
8
|
16
|
3
|
4.2.2
Днище
Відповідно до діаметра колони підбираємо днище з
табл. 16.1 [7].
Найбільше поширення в хімічному машинобудуванні
одержали еліптичні відбортовані днища за ГОСТ 6533 - 68, товщина стінки днища d = 8 мм. Маса
днища mд = 32 кг.
Рис. 12. Еліптичне днище
Сполука царги із днищами здійснюється за допомогою плоских
приварних фланців відповідно до ГОСТ 26428-79 (табл.21.12 [7]):
Рис.13. Фланці для днища
4.3
Механічний розрахунок
Проектована колона працює в агресивному
середовищі (основний агресивний компонент - оцтова кислота), здатному
спричиняти корозію конструкційних матеріалів. Тому в якості основного
конструкційного матеріалу треба використати сталь 10Х17Н13М2Т згідно ГОСТ
5632-72, яка поставляється у вигляді листового прокату труб; сталь 10Х17Н13М2Т
можна застосовувати при температурі до 425ОС та тиску до 5 МПа для
агресивного середовища. Зварювання такої сталі слід здійснювати аргоновою
електродуговою зваркою.
Розрахунок на міцність від внутрішнього тиску
проводимо для всіх основних елементів апарата (обичайки, днищ, кришок) згідно
ГОСТ 14249-80. Основним розрахунковим елементом
при цьому є товщина стінки.
4.3.1
Обичайка
Товщину стінки обичайки S колони визначаємо за
формулою:
де D - внутрішній діаметр апарату;
φ - коефіцієнт
міцності поздовжнього зварного шва обичайки в порівнянні з міцністю основного
металу, значення якого приймають в залежності від конструкції шва та умов
зварювання. Коефіцієнт міцності зварних повздовжніх односторонніх швів при
ручній зварці φ=1 (ГОСТ 14249-80);
Ск - прибавка на корозію та ерозію,
яку при проникності матеріалу. Приймаємо рівною 3мм;
р - надлишковий тиск в апараті, р= 0,02 МПа;
[σ] - граничне
напруження для сталі.
За таблицею для сталі 10Х17Н13М2Т допустиме
напруження [σ] =152 Н/мм2
(при 1000С) і [σ] =138 Н/мм2
(при 1500С) з рис.14.2 [7]
Лінійною апроксимацією знаходимо розрахункове
допустиме напруження при робочій температурі:
[σ] = ( (152-138) /
(150-100)) * (150-117) +138 = 144,24 Н/мм2
мм.
Відповідно до рекомендацій приймаємо товщину обичайки δ =
8 мм.
4.3.2
Кришка
Товщина стінки еліптичної кришки дорівнює:
Де φ - коефіцієнт послаблення зумовлений
наявність штуцерів та люків.
мм.
Приймаємо товщину стінки стінки еліптичної кришки Sкр=8мм,
як найближче більше ціле парне число, для якого виконується умова:
,1³ (S-C) /Dв= (8-3) /800=0,0038³0,002
4.3.3
Днище
Товщина стінки еліптичного відбортованого днища
визначаємо за такою ж формулою як для кришки:
мм.
Приймаємо товщину стінки еліптичного відбортованого днища Sдн
= 8мм, як найближче більше ціле парне число, для якого виконується вказана вище
умова: 0,1³
(S-C) /Dв= (8-3) /900=0,0038³0,002
4.3.4
Опора
Апарати вертикального типу із співвідношенням Н/D
> 5, які розташовують на відкритих площадках, оснащують конічними опорами,
конструкція яких показана на рис.4.9.
Рис.4.10. Конічна опора апарата
Розрахуємо орієнтовну масу апарата.
Маса обичайки:
де Dз = 0,816 м - зовнішній діаметр колони; Dв
= 0,8 м - внутрішній діаметр колони;
Нз = 14,85 м - висота циліндричної частини
колони;
ρ = 7900 кг/м3 - густина
сталі.
к=1,1 (mоб+52m1+m2+m3+m4)
де m1 - маса тарілки ТС кг; m2 - маса
пари фланців, кг; m3 - маса днища, кг; m4 - маса кришки,
кг;1 =21 кг; m2=135кг; m3=60кг; m4
=59,4 кг.
к=1,1 (2381+52·21+135+60+59,4) =4210кг.
Загальна вага колони: G=mкg=4210٠9,8=41297Н.
Приймемо внутрішній діаметр опорного кільця D1=0,93
м; зовнішній діаметр опорного кільця D2=1,2м.
Площа опорного кільця
=0,785 (D22 - D12)
=0,785 (1,22-0,932) =0,45 м2.
Питоме навантаження опори на фундамент
σ =G/S=41297/0,45=91771Па=0,091МПа.
Допустиме питоме навантаження на бетоний фундамент
σф=15…25МПа. Таким чином, σ
< σф.
4.4
Гідравлічний розрахунок
4.4.1
Гідравлічний опір колони
Опір однієї тарілки:
ΔРт = ΔРс + ΔРσ + ΔРст,
де ΔРс -
опір сухої тарілки, Па; ΔРσ - опір, обумовлений силами поверхневого натягу,
Па; ΔРст -
статичний опір шару рідини на тарілці, Па.
Розрахунок проводимо окремо для верхньої і
нижньої частини колони.
Верхня частина колони:
Гідравлічний опір сухої тарілки:
ΔРсв =
,
де υ0 - швидкість пари в отворах сітчастої
тарілки, м/с; ζ -
коефіцієнт опору (для сітчастих тарілок ζ=1,82). [5]
∆Рсв = 1,82
= 256,84 Па.
Гідравлічний опір, обумовлений силами поверхневого натягу:
ΔРσв = 4σв/dе = 4·58,1·10-3/0,003
= 77,47 Па.
Статичний тиск шару рідини визначимо з рівняння:
ΔРст = 1,3 (К’hпер
+ Δh
,
де К’ - відносна густина парорідинного шару на
тарілці (приймають 0,4 - 0,6); Δh - величина перевищення рідіни на тарілці;
hпер - висота переливного порогу, м; ρх - густина рідини на тарілці, кг/м3.
Потоку рідини, К≈1.
Без врахування величини перевищення рідини на тарілці:
∆Рст = 1,3
hпер ρхв g = 1,3·0,5·0,04·952·9,81
= 242,82 Па.
Повний гідравлічний опір тарілки:
∆Ртв = 256,84 + 77,47+ 242,82 = 577,13 Па.
Сумарний опір укріплюючої частини колони:
Нижня частина колони:
∆Рсн = 1,82·172·0,5·1,6
= 420,78 Па;
∆Рσн = 4·56,6·10-3/0,003
= 75,47 Па;
∆Рст = 1,3·0,5·0,04·937·9,81
= 238,99 Па;
∆Ртн = 420,78 + 75,47 + 238,99 = 735,24
Па.
Сумарний опір вичерпуючої частини колони:
∆РН = ∆Ртн·n1
= 735,24·21 = 15,44 кПа.
Гідравлічний опір колони:
∆Р = ∆РВ + ∆РН =
17,89 + 15,44 = 33,33 кПа.
4.4.2
Розрахунок насоса
Вибір трубопроводу:
Для всмоктую чого і нагнітального трубопроводу
приймаємо однакову швидкість руху вихідної суміші рівну 2 м/с. Тоді діаметр
трубопроводу рівний:
м
Вибираємо стальну трубу зовнішнім діаметром 0,02м, товщиною
стінки 2мм. Внутрішній діаметр труби d=0,016м.
Фактична швидкість рідини в трубі:
Приймемо, що корозія в трубопроводі незначна.
Визначення втрат напору на тертя і місцеві опори:
Таким чином режим руху турбулентний. Приймемо абсолютну
шорсткість рівною Δ=2·10-4м. Тоді:
е=Δ/d=2·10-4/0,016=0,0125.
Далі отримуємо:
/е=80; 560/0,0125=44800; 10/0,0125=800;>44800.
Таким чином, в трубопроводі має місце зона, автомодельна
щодо Re, тому коефіцієнт тертя розраховуємо:
λ=0,11·е0,25=0,11·0,01250,25=0,037.
Визначимо суму коефіцієнтів місцевих опорів.
Для всмоктуючої лінії:
1) Вхід в трубу (приймаємо з гострими
краями): ξ1=0,5;
2) Прямоточні вентелі: для d=0,016м ξ2=0,9;
) Відводи під кутом 90˚: коефіцієнт
А=1, коефіцієнт В=0, 195; ξ3=0, 195.
Сума коефіцієнтів місцевих опорів на всмоктуючій
лінії:
∑ξ= ξ1+ξ2+2ξ3=0,5+0,9+2·0, 195=1,79.
Втрати напору у всмоктуючій лінії:
.
Для нагнітальної лінії:
1) Відводи під кутом 90˚: коефіцієнт
А=1, коефіцієнт В=0, 195; ξ1=0, 195;
2) Прямоточні вентелі: для d=0,016м ξ2=0,9;
) Вхід в трубний простір теплообмінника і
вихі д знього ξ3=1,5;
) Вихід із труби: ξ4=1;
Сума коефіцієнтів місцевих опорів в нагнітальній
лінії:
∑ξ= 3ξ1+ξ2+2ξ3+ξ4=3·0,
195+0,9+2·1,5+1=5,49.
Втрати напору у нагнітальній лінії:
.
Загальні втрати напору:
в=hв. вс. +hв. нг. =3,29+7,06=10,35м.
. Вибір насоса.
Знаходимо необхідний напір насоса:
де р1 - тиск в апараті, з якого перекачується
рідина; р2 - тиск в апараті, в який подається рідина; Hг
- геометрична висота підйому рідини; hв - сумарні втрати напору на
всмоктуючій та нагнітальній лініях.
.
Такий напір при заданій продуктивності забезпечується
одноступеневий центр обіжний насос.
Корисна потужність насоса:
к=ρgQH=946·9,81·4,44·10-4·27,51=650Вт
Приймаємо ηпер=1, ηн=0,6, тоді потужність на валу двигуна:
= Nк/ (ηпер ηн) =650/ (1·0,6) =1,08кВт.
Визначаємо, що заданій подачі і напору найбільше відповідає
відцентровий насос марки Х2/25, для якого за оптимальних умов роботи Q=4,2·10-4м3/с,
H=25м.
Насос забезпечений електродвигуном типу АОЛ-12-2
номінальною потужністю Nн=1,1кВт. Частота обертання валу n=50с-1.
Визначення граничної висоти всмоктування:
Де р1 - тиск в апараті, з якого перекачується
рідина; р0 - тиск насиченої пари рідини, що перекачується, за
робочої температури; ωвс. - швидкість рідини у всмоктуючому патрубку
насоса; hв. вс. - втрати напору на всмоктуючій лінії; hз. - запас
напору, необхідний для попередження кавітації.
Запас насоса на кавітацію:
з=0,3· (Q·n2) 2/3=0,3·
(4,44·10-4·502) 2/3=0,32м.
За таблицею тиску насиченої пари знаходимо, що при 18˚С
р0=1,5·103Па. Приймемо, що атмосферний тиск рівний р1=105Па,
а діаметр всмоктую чого патрубка рівний діаметру трубопроводу. Тоді гранична
висота всмоктування:
.
5.
Розрахунок дефлегматора
Вибираємо чотирьохтактний
пароводяний теплообмінний апарат. Нагріваюче середовище - вода всередині
латунних трубок, гріючий теплоносій - сухий насичений пар в міжтрубному
просторі. Конструкція апарату - вертикальний протитечія.
Температурна схема процесу
D=103.7 0Свн=17 0Свк=22 0С
Розрахуємо середню рушійну силу теплопередачі
Δtб=tD - tвн = 103.7 -
17 = 86.7
Δtм=tD - tвк = 103.7 -
22 = 81.7
Δtср 
Розрахуємо середню температуру води:
Δt2=tD - tср = 103.7 -
83.184 =20.51
Розрахунок теплофізичних властивостей, для води при
t=100.51C
ρ2=998.1 кг/м3
μ2=1.0155*10-3 Па*с
λ2=59.78*10-2 Вт/м*К
с2=4.19 кДж/м2*К
дистилят при tD=103.7C
Теплова нагрузка апарата:
Витрата охолоджуючої води
Витрата охолоджуючої води при нагріванні на 50С
Приймаємо k=500 Вт/м2К, тоді
Розрахунок площі поперечного перерізу
Розрахунок площі поперечного перерізу трубного простору
одного ходу St, при якому режим течії води буде турбулентним
Приймемо Re=104 и d=25x2 мм тоді
Звідси знайдемо площа поперечного перерізу трубного
простору одного ходу:
Виберемо
за каталогом для уточнюючого розрахунку конденсатор з поверхнею F = Fmax і St
<16.4 * 10-2 м2, таким параметрам задовольняє наступний конденсатор:=820
мм=2 м=25x2 мм
число
ходів = 2
число
труб = 240
число
труб по вертикалі =16=38 м2
Трубний
простір
Розрахунок
швидкості течії в трубному просторі:
Визначення
режиму течії рідини
Так як
Re>104, то критериальне рівняння має вигляд:
Приймаємо
=1, тоді
Знаючи
критерій Нуссельта, визначимо коефіцієнт тепловіддачі за формулою:
Міжтрубний
простір. Приймемо розташування теплообмінника горизонтальним. Розрахуємо
коефіцієнт тепловіддачі при конденсації пари на пучку горизонтальних труб:
ξ -
поправочних множник, що враховує вплив числа труб по вертикалі (ξ=0.56);
ξТ
- поправочна функція (
)
Термічний
опір стінки і забруднень
Як
холодоагент використовуємо воду з середнім забрудненням теплової провідності
забруднень стінок,
а теплова провідність забруднень стінок
органічними парами
Товщину
шару забруднення приймемо рівної 2 мм. В якості матеріалу труб виберемо сталь з
коефіцієнтом теплопровідності
Тоді
термічний опір забруднень труб:
Метод
ітерацій. Задаємось tст=60 0С
Уточнимо α1
Разрахуємо
tст2
Разрахуємо q2
Визначення похибки збіжності теплових потоків
Уточнимо α2 при tст2=30.75
0С
Уточнення коефіцієнта теплопередачі і поверхні
теплопередачі
Потрібно
встановити теплообмінник=600 мм=25x2 мм
число
ходів = 2
число
труб = 240
число
труб по вертикалі = 16=38 м2
Запас
поверхні дорівнює:
6.
Охорона праці
При проектуванні технологічного процесу
ректифікації для розділення суміші вода - оцтова кислота необхідно,
поряд з усім іншим, спланувати заходи по захисту людей зайнятих виробництвом
від шкідливих факторів, які є невід'ємною частиною цього виробництва.
Процес ректифікації здійснюється в
ректифікаційній установці, основним апаратом якої є ректифікаційна колона, в
якій пари рідини, що переганяється, піднімаються знизу, а назустріч їй стікає
рідина, яка подається у вигляді флегми у верхню частину апарату.
6.1
Характеристика відділення з точки зору охорони праці, аналіз шкідливих і
небезпечних виробничих факторів
Відділення ректифікації для розділення суміші
вода - оцтова кислота розташовуємо у виробничому приміщенні з
підвітряного боку до будівель з меншою шкідливістю і побутових приміщень. За
технологічними вимогами склад готових продуктів розташовуємо з санітарним
розривом не менше 50 м до найближчих будівель.
При проектуванні приймаю у відповідності зі СН
181-70 площу виробничих приміщень на кожного працюючого не менше 4,5 м2
і обєм не менше 15 м3; висоту проходів транспортних галерей 1,8 м і
ширину 1 м (при розміщенні трубопроводів і кабелів 0,7 м); висоту пішохідних
тунелів 2,1 м і ширину 1,5 м. Ухил маршів у сходових клітках приймаємо по ДБН
В2.2 - 28: 2010 1: 2 при ширині проступу 0,3 м; нахил маршів у відкритих сходах
1: 1 і ширину не менше 0,7 м.
Стосовно до даної технологічної лінії необхідно
брати до уваги такі шкідливі впливи, як підвищена концентрація шкідливих
речовин, шум і вібрацію, що створює обладнання ректифікації під час роботи.
Тобто необхідно дотримуватись вимог ГОСТ 12.1.005-88 "Загальні санітарно -
гігієнічні вимоги до повітря робочої зони", а також дотримуємось рівня шуму
і вібрації відповідно до СН 2.2.4/2.1.8.566-96.
Конструкція ректифікаційної колони забезпечує
виконання вимог, передбачених за ГОСТ 122.003-74 ССБТ "Обладнання
виробниче. Загальні вимоги безпеки".
Небезпечними факторами в колоні є наявність
нагрітих частин, небезпека отруєння парами оцтової кислоти, опіки відкритих
ділянок шкіри.
6.2
Виробнича санітарія та гігієна праці
Для створення нормальних умов праці в головному
корпусі, в ректифікаційних відділеннях передбачаємо центральне парове опалення
низького тиску, джерелом якого є котельня.
Шкідливим в будівлях технологічного комплексу є
небезпечні випари а також шкідливі частинки пилу. Вентиляцію проектуємо у
вигляді місцевих відсмоктувачів - аспірації. Для боротьби з пилом передбачаємо
кожухи, забезпечені патрубками для відсмоктування. В якості засобів
індивідуального захисту від застосовано аспіратори (пелюсткові, шлангові),
окуляри, спецодяг, фільтруючі промислові протигази марок А і В
У відділенні де розташований дефлегматор шум
відноситься до постійного.
Для шуму створюваного вентиляційними установками
допустимі рівні звукового тиску встановлюємо на 5 дБ нижче зазначених. Для
систем вентиляції застосовуємо спеціальні глушники типу ГСМВ - 5 і типу ГШ - 5.
Для технологічного устаткування - звукоізолюючі кожухи і камери.
Для працюючих передбачаємо різні засоби
індивідуального захисту (антифони, беруші, шумозахисні навушники і шоломи),
виготовлені з пластичних (неопрен, віск) і твердих (гума, ебоніт) матеріалів.
Захист від впливу вібрацій включає технічні,
організаційні заходи та застосування засобів індивідуального захисту.
Для віброізоляції вентиляторні установки
змонтовуємо на прокладки з гуми, і пружини. Організаційні заходи включають
установку певного режиму праці та відпочинку, проведення
лікувально-профілактичних заходів.
У відділенні дефлегматора передбачаємо штучне -
робоче освітлення (не менше 150 лк при люмінесцентних лампах і не менше 75 лк
при лампах), що забезпечує нормальну роботу, прохід людей і рух транспорту;
чергове освітлення передбачаємо в разі відключення робочого освітлення, а також
передбачаємо аварійне освітлення для евакуації людей, де працююче обладнання
становить небезпеку для людей, які знаходяться поблизу нього. Аварійне
освітлення для евакуаційного виведення людей з відділення створює освітленість
на підлозі та основних проходів і на щаблях сходів не менше 0,5 лк.
6.3
Техніка безпеки
У запроектованому відділенні передбачаємо такі
заходи з техніки безпеки:
1.
Достатнє освітлення виробничих і допоміжних будівель і приміщень,
а також освітлення територій, доріг і робочих місць на відкритих майданчиках в
темний час доби.
2.
Конструкція огороджень у машинах і приводах.
3.
Забезпечуємо міцность конструкцій обслуговуваних майданчиків,
містків, переходів, лазів і сходів, забезпечення їх перилами висотою не менше 1
м з перекладиною і суцільною обшивкою по низу поручнів на висоту 0,15 м.
4.
Дотримуємось норм відстанней між машинами і аппаратами, від стін
до габаритів обладнання: мінімальна відстань на основних проходах не менше 1,5
м; при робочих проходах між машинами - не менше 1 м, між стіною і машинами не
менше 0,7 м.
5. Обов'язкова наявність і справність засобів
індивідуального захисту у персоналу.
. Подачу рідких реагентів проводимо на майданчика
по трубопроводах за допомогою насосів.
. Повітродувки розташовуємо в спеціальних
приміщеннях зі звукоізоляцією.
. Забезпечуємо цехи засобами пожежної та
охоронно-пожежної сигналізації, а також установками, обладнанням та інвентарем
пожежогасіння.
Щоб уникнути нещасних випадків необхідно
дотримуватись наступних вимог:
до роботи допускаємо осіб не молодше 18 років,
ознайомлених з конструкцією ректифікаційної колони і котрі пройшли інструктаж з
техніки безпеки;
під час роботи ректифікайної колони (РК)
категорично забороняється проводити будь-які роботи з очищення та ремонту;
категорично забороняється робота РК без засобів
протипожежної безпеки.
під час роботи РК забороняється перебування людей
поблизу нагрітих частин, а також порушення захисту огорожі.
забороняється піддавати РК будь-яким механічним
впливам, як зовні, так і зсередини, тому, що це може призвести до деформації і,
як наслідок, пошкодження РК.
організовуємо надійне заземлення електронасоса і
пускової апаратури за ГОСТ 12.1.030-81 та ПУЕ.
робоча площадка повинна бути освітлена.
Проектована нами освітленість становить не менше 150 лк.
6.4
Пожежна профілактика
Пожежна небезпека процесів ректифікації
визначається пожежонебезпечними властивостями речовин і режимом роботи РК
(температура, тиск). Більшість колон працює під невеликим тиском 0,12.0,7 МПа
Ректифікаційне відділення відноситься до
категорії виробництва "В" пожежонебезпечне і ступеня II - мінімальні
допустимі межі вогнестійкості несучих стін, сходових клітин і колон становить 2
години, а також максимальні допустимі межі поширення вогню не допускаються.
Найбільша відстань при густині людського потоку 3-5 чол/м2 становить
100 метрів, ректифікаційне відділення відповідає цим нормам.
За нормами первинних засобів пожежогасіння
приймаємо 11 ручних вогнегасників типу ОУ - 2, ОУ - 5, ОУ - 8, а також 45 пінних
хімічних вогнегасників та 22 бочки з водою, місткістю не менше 0,2 м3
кожна і 11 відер. Передбачаємо пожежне водопостачання, яке об'єднується з
господарсько питним водопроводом.
Відповідальність за дотримання протипожежного
режиму, за правильне використання протипожежного обладнання та інвентарю,
закріпленого за кожним робочим місцем, покладається на робітника. У період
оформлення на роботу співробітники проходять первинний протипожежний інструктаж
про заходи протипожежної безпеки. Пожежний нагляд здійснюється Державним
пожежним наглядом.
Відділення має телефонний зв'язок з обслуговуючою
пожежною командою і комутатором підприємства.
На майданчиках підприємства спроектований
протипожежний трубопровід. Пожежні гідранти розміщуємо вздовж доріг на відстані
не більше 150 м один від одного, не ближче 5 м від стін будівлі і поблизу
перехресть не далі 2 м від краю проїжджої частини. Дороги виробничого
призначення придатні для проїзду пожежних автомобілів.
6.5
Вимоги безпеки до виробництва оцтової кислоти
Затверджуємо на кожний технологічний процес -
Технологічний регламент, проект якого є складовою частиною проектної
технологічної документації. Працівники дотримуються правил безпеки управління
технологічними процесами відповідно до Технологічного регламенту.
Забезпечуємо постійний контроль за займанням
пожежо-вибухонебезпечних сумішей у повітрі виробничого середовища:
при виробництві оцтової кислоти - у
відділеннях компресії, холодильного блоку, аналізаторної та акумуляторної;
У разі якщо концентрація пожежо-вибухонебезпечної
суміші досягне значення, за якого відбувається її займання, що відповідає
нижній границі вибуховості, персонал об’єкта вживає заходів згідно з ПЛАС.
Забезпечуємо зберігання сировини, матеріалів,
напівфабрикатів та готової хімічної продукції в спеціально обладнаних
складських приміщеннях або на спеціальних майданчиках.
Двері складу, де зберігаються речовини, замикаємо
на замок, пломбуємо й обладнуємо системою сповіщення в разі несанкціонованого
їх відмикання.
Забороняємо виконання виробничих операцій на
складах зберігання сировини, матеріалів, готової продукції, за винятком робіт,
пов'язаних з підготовкою їх до транспортування.
Забезпечуємо вільний доступ для контролю за
станом готової продукції при зберіганні, укладанні, розфасовці готової продукції.
Отже, для попередження нещасних випадків
(отруєнь, опіків і т.д.), а також для попередження хронічних професійних
захворювань обслуговуючий персонал повинен досконало вивчити і суворо
виконувати всі інструкції й норми з техніки безпеки і протипожежної безпеки.
Поряд із вивченням технологічного процесу і фізико-хімічних властивостей
сировини і продуктів, працівники даного виробництва повинні добре знати
фізіологічну дію на організм людини всіх матеріалів, які використовуються в
цеху, дотримуватись правил особистої гігієни, вміти користуватися
індивідуальними засобами захисту і засобами гасіння полум’я, вміти надати першу
медичну допомогу потерпілому, знати і виконувати правила безпечного
користування електрообладнанням.
7.
Економічна частина
В даному економічному розділі обґрунтовується
економічна доцільність розробки і промислового впровадження спроектованої
ректифікаційної колони для розділення бінарної суміші вода - оцтова кислота.
Розділення рідкої суміші базується на різній
летючості речовин. При ректифікації вихідна суміш ділиться на дві частини:
дистилят - суміш, збагачена низькокиплячим компонентом і кубовий залишок -
суміш, збагачена висококиплячим компонентом.
Процес ректифікації здійснюється в
ректифікаційній установці, основним апаратом якої є ректифікаційна колона, в
якій пари рідини, що переганяється, піднімаються знизу, а назустріч їй стікає
рідина, яка подається у вигляді флегми у верхню частину апарату.
Оцтова кислота - один з базових продуктів промислового
органічного синтезу. Більш ніж 65 % світового виробництва оцтової кислоти іде
на виготовлення полімерів
<#"810172.files/image149.gif">
7.2
Визначення показників економічної ефективності проектних рішень
7.2.1
Визначення собівартості і ціни спроектованого пристрою
Таблиця 7.2
Вартість комплектуючих виробів
|
Комплектуючі
вироби
|
Кількість,
шт
|
Вартість
за одиницю, грн.
|
Сума,
грн
|
|
Ситчасті
тарілки
|
256
|
55
|
14080
|
|
Штуцер
|
22
|
40
|
880
|
|
Люк
|
4
|
950
|
3800
|
|
Термометр
ртутний
|
4
|
350
|
1400
|
|
Термометр
опору
|
4
|
450
|
1800
|
|
Манометр
|
1
|
300
|
300
|
|
Теплоізоляція
|
1
|
4250
|
4250
|
|
Кипятильник
|
1
|
1500
|
1500
|
|
Перехідник
конусний
|
2
|
1000
|
2000
|
|
Болти
|
185
|
5
|
925
|
|
Ущільнюващі
|
20
|
25
|
500
|
|
Насоси
|
2
|
2100
|
4200
|
|
Дефлегматор
|
1
|
3250
|
3250
|
|
Царга
|
1
|
1050
|
1050
|
|
Днище
|
1
|
2500
|
2500
|
|
Разом
|
-
|
-
|
40635
|
|
|
|
|
|
Визначення виробничої собівартості спроектованого
апарату здійснюється за питомою вагою у ньому окремих елементів витрат. Питома
вага елементів витрат встановлюється за даними структури собівартості
приладу-аналога.
Свир2 = 100/Ум*М2
де Свир2 - виробнича собівартість
спроектованого приладу, розрахована методом питомих ваг, грн.;
Ум - питома вага вартості основних матеріалів і
комплектуючих виробів у виробничій собівартості аналога (65%);
М2 - вартість основних матеріалів і комплектуючих
виробів спроектованого приладу.
Свир2 = 100/65∙40635=62515 грн
Повна собівартість спроектованого приладу,
необхідна для розрахунку економічного ефекту в умовах виробництва, визначається
із співвідношення:
Сп2 = Свир. у х (1 + О/100)
Сп2 = 62515∙ (1 + 5/100)
=65640,75 грн
Для визначення економічного ефекту в умовах
виробництва знаходимо ціну спроектованого пристрою:
Ц2 = 65640,75 ∙ (1 +30/ 100) = 85332,975
грн.
Вартість аналогу становить 88000 грн.
Отже, економічний ефект у сфері виробництва
становить:
Ев = 88000 - 85332,975 = 2667,025 грн.
7.2.2
Визначення економічного ефекту в сфері експлуатації
Економічний ефект в умовах експлуатації за весь
термін служби приладу визначається за формулою:
Ее = Еер ∙ (1 +r) j
= Еер ∙ (1 +r) Tc2-1 + Еер ∙ (1
+r) jTc2-2 + ⋯ +Еер ∙
(1 +r) Tc2-j +Еер ∙
(1 + r) Tc2-Tc
Де j - номер року, в якому ведеться
розрахунок;
r - банківська депозитна ставка,% / рік (18%
засередньостатистичними даними);
Еер - річний експлуатаційний
ефект від застосування спроектованого приладу, грн. /рік;
Тс2 - термін служби
спроектованого приладу, років:
Еер = Еа + Еен + Езпл + Ер
де, Еа - річний економічний
ефект на амортизації, грн. /рік;
Еен - річний економічний ефект
витрат на енергію, грн. /рік;
Езпл - річний економічний
ефект на заробітній платі, грн. /рік
Ер - річний економічний ефект
на ремонтних витратах, грн. /рік;
Річний економічний ефект на амортизації визначається:
Еа = Н ∙ К ∙
(ЦІ - Ц2 /100
де Н - річна норма амортизації для даної групи
приладів, %/рік,
(Н= 16,7%);
К - коефіцієнт прискорення амортизації
активної частини основних фондів (К = 0,6);
Ц1, Ц2 - оптова ціна аналога та
спроектованого приладу, грн.
Еа = 16,7∙0,6∙ (88000 -
85332,975) /100 = 397,23 (грн. /рік)
Річний економічний ефект на витратах на енергію
визначається:
Еен = (М1 - М2) ∙ Т ∙ а,
де, М1. М2 - споживані потужності
відповідно аналога та спроектованого приладу. а = 1,1 грн - тариф за 1 кВт/год.
Т = 264 ∙ 8 - к-ть робочих годин на
рік (згідно з прийнятим бюджетом
робочого часу на відповідний період);
Еен = (0,55 - 0,4) ∙2112 ∙1,1
= 448,48 грн / рік.
Річний економічний ефект по заробітній платі у
нашому випадку:
Езпл = 0,так як зарплата фахівця з
обслуговування залишилася такою ж.
Оскільки конструкцією камери ремонт не
передбачений, то Ер=0.
Сумарний річний економічний ефект визначається за
формулою:
Еер = 397,23+ 448,48 = 845,71
грн / рік
Термін експлуатації пристрою становить 10 років.
Річний Еер = 845,71 грн /рік.
Тоді сумарний економічний ефект за термін
експлуатації становить:
Ее = 845,71∙3,19 + 845,71∙2,70 +
845,71∙2,29 + 845,71∙1,94 + 845,71∙1,64+ 845,71∙1,39 +
845,71∙1,18 +845,71∙1 = 9279,06 грн.
Загальний економічний ефект:
Ез = Ев + Ее = 9279,06 + 397,23= 9676,29 грн.
Термін окупності спроектованої установки
визначаємо за формулою:
tok=
= 3.1 року
7.3
Висновок про доцільність розробки нового апарату
Проведено розрахунок витрат для виготовлення
проектованої ректифікаційної колони з ситчастими тарілками для розділення
бінарної суміші вода - оцтова кислота, та здійснено оцінку економічної
ефективності проектованого апарату порівнюючи його з аналогом - ректифікаційною
колоною з ковпачковими тарілками, і цим показано, що дане проектне рішення має
переваги в порівнянні з аналогами, зокрема: простота та дешевизна конструкції
апарату, якість вихідного продукту, зручність використання та обслуговування
конструктивних елементів, продуктивність та надійність. Також проведено
визначення показників економічної ефективності проектного рішення.
Відповідно до отриманих показників дане проектне
рішення є конкурентноздатним. В результаті отримано додатній економічний ефект
у розмірі 9546,29грн., тому розробка і впровадження цього проектного
рішення є економічно доцільними.
Висновки
В даній дипломній роботі спроектовано лінію
виробництва вінілацетату. Розраховано обладнання вузла ректифікації оцтова
кислота - вода продуктивністю 5 т/год.
Отримані наступні дані:
Діаметр колони - 800 мм;
Висота колони - 14,85 м;
Витрата дистиляту - 180 кг/год;
Витрата кубового залишку - 1332 кг/год;
Витрата флегми на зрошення - 972 кг/год;
Витрата граючої пари:
а) в кубі-випарнику - 1404 кг/год;
б) в підігрівачі вихідної суміші - 169,2 кг/год;
Всього: 1,57 т/год;
Витрата охолоджуючої води:
а) в дефлегматорі - 28,8 м3/год;
б) в водяному холодильнику дистиляту - 0,72 м3/год;
в) в водяному холодильнику кубового залишку - 3,6
м3/год;
Швидкість пари в колоні - 1,1 м/с;
Кількість тарілок:
Всього - 52, з них верхніх - 31, нижніх - 21;
Вихідну суміш а колону подає відцентровий насос
марки Х2/25,забезпечений електродвигуном типу АОЛ-12-2;
Повний гідравлічний опір колони - 33,33 к/Па;
Питоме навантаження опори на фундамент - 0,04
МПа.