Организация производственного процесса нефтедобывающего предприятия ОАО 'Сургутнефтегаз'

  • Вид работы:
    Отчет по практике
  • Предмет:
    Другое
  • Язык:
    Русский
    ,
    Формат файла:
    MS Word
    3,06 Мб
  • Опубликовано:
    2015-03-06
Вы можете узнать стоимость помощи в написании студенческой работы.
Помощь в написании работы, которую точно примут!

Организация производственного процесса нефтедобывающего предприятия ОАО 'Сургутнефтегаз'

МИНИСТЕРСТВО ОБРАЗОВАНИЯ И НАУКИ РОССИЙСКОЙ ФЕДЕРАЦИИ

Федеральное государственное бюджетное образовательное учреждение высшего профессионального образования

«Тюменский государственный нефтегазовый университет»

Филиал в г. Сургуте

Кафедра Нефтегазовое дело






ОТЧЕТ

ПО ПРОИЗВОДСТВЕННОЙ ПРАКТИКЕ

Организация производственного процесса нефтедобывающего предприятия ОАО «Сургутнефтегаз»










Сургут, 2015 г.

СОДЕРЖАНИЕ

1. Знакомство с предприятием. Вводный инструктаж и инструктаж по технике безопасности на рабочем месте. Противопожарные мероприятия. Меры оказания первой помощи

. Бурение нефтяных и газовых скважин. Система контроля технологических параметров бурения. Конструкция скважин

. Освоение скважин. Технология освоения скважин с применением струйных насосов, пенных систем

. Фонтанная эксплуатация, артезианское и газлифтное фонтанирование. НКТ, типы труб и расчет колонны. Устьевое оборудование. Технологические режимы работы

. Газлифтная эксплуатация. Схемы работы газлифта. Оборудование газлифта. Плунжерный лифт

. УЭЦН отечественные и зарубежного производства. Эксплуатация насосов в осложненных условиях

. Штанговые глубинонасосные установки. Схемы ШСНУ, новые привода плунжерных насосов. Эксплуатация скважин другими методами: ГПН, ЭДН, ЭВН, ШВНУ и др. Состав оборудования. Преимущества и недостатки этих методов добычи

. Поддержание пластового давления. Типы применяемого оборудования. Схема ППД на базе установок «Реда». Типы центробежных насосов на КНС

. Подземный и капитальный ремонт скважин. Виды ремонта, техника и инструмент

. Сбор и подготовка нефти, воды и газа на месторождении. Схемы и оборудование ДНС

. Список использованной литературы

нефтяная скважина насос газлифтное фонтанирование

1. Знакомство с предприятием. Вводный инструктаж и инструктаж по технике безопасности на рабочем месте. Противопожарные мероприятия. Меры оказания первой помощи

История нефтедобывающего предприятия «Сургутнефтегаз» берет свое начало в октябре 1977 года, когда ему был присвоен статус многопрофильного производственного объединения, а в 1993 году оно было преобразовано в акционерное общество открытого типа. В качестве вертикально-интегрированной компании ОАО «Сургутнефтегаз» присутствует на рынке немногим более 20 лет.

У предприятий, входящих в состав Сургутнефтегаза, достаточно богатая история: полувековой опыт добычи нефти, свыше 40 лет работы в сфере нефтепереработки, от 50 до 100 лет деятельности по нефтепродуктообеспечению.

Старейшему нефтегазодобывающему управлению «Сургутнефть» в 2014 году исполняется 50 лет. С его именем связано начало освоения Большой нефти Западной Сибири.

Нефтепромысловое предприятие создавалось практически на пустом месте, единственной артерией, связывавшей Сургут с внешним миром, была река Обь. В регионе не существовало ни одного здания в капитальном исполнении, ни одного километра дорог с твердым покрытием, а самым распространенным средством передвижения до начала 70-х годов здесь являлся вездеход.

Добыча нефти в первые годы разработки месторождений была сезонной - в теплое время года добытую нефть отправляли баржами по реке на Омский нефтеперерабатывающий завод. На зиму скважины останавливались.
 С пуском в 1967 году нефтепровода Усть-Балык - Омск промыслы стали работать круглогодично. Климат и ландшафт не позволяли использовать здесь традиционные способы прокладки дорог, бурения скважин, строительства трубопроводов, обустройства месторождений. Фактически нефтепромысловое управление «Сургутнефть» стало полигоном, где создавались и опробовались способы и методы разработки месторождений в сложных горно-геологических и климатических условиях - и своего рода кузницей кадров для всех нефтегазодобывающих предприятий Западной Сибири.

В конце 70-х годов Сургут стали называть «нефтяной столицей Сибири», он становится центром развития Севера Тюменской области. К этому времени в городе была создана самая мощная в Европе база электроэнергетики - Сургутская ГРЭС-1, работающая на попутном нефтяном газе, основана крупнейшая в регионе база стройиндустрии, проложена железная дорога, автомагистрали, построен аэропорт.

Добывающие мощности компании ОАО «Сургутнефтегаз» сконцентрированы в Ханты-Мансийском, Ямало-Ненецком автономных округах и Республике Саха (Якутия). ОАО «Сургутнефтегаз» имеет в своем составе семь нефтегазодобывающих управлений, которые, по состоянию на 01.05.2013 г., разрабатывают 55 нефтяных, нефтегазовых и нефтегазоконденсатных месторождений.

НГДУ «Нижнесортымскнефть» разрабатывает Нижнесортымское, Алехинское, Камынское, Биттемское, Мурьяунское, Лукъявинское, Тромъеганское, Восточно-Тромъеганское, Айпимское, Хорлорское, Ульяновское, Третьяковское, Западно-Чигоринское, Северо-Лабатъюганское, Юкъяунское, Верхненадымское, Новонадымское, Южно-Соимлорское, Восточно-Мытаяхинское, Ватлорское и Жумажановское месторождения.

Вводный инструктаж.

Все принимаемые на работу лица, а также командированные в структурные подразделения Общества работники и работники сторонних организаций, выполняющие работы на выделенном участке, обучающиеся образовательных учреждений соответствующих уровней, проходящие производственную практику проходят в установленном порядке вводный инструктаж. После прохождения вводного инструктажа и медицинской комиссии работники направляются на работу в производственное подразделение, на участок, бригаду для прохождения инструктажа на рабочем месте.

Инструктажи на рабочем месте.

После прохождения вводного инструктажа все рабочие должны пройти первичный инструктаж на рабочем месте.

Первичный инструктаж

Первичный инструктаж на рабочем месте проводится до начала самостоятельной работы.

При этом в службу охраны труда предоставляются копии документов о прохождении стажировки, первичной и последней проверки знаний требований охраны труда с прежнего места работы.

Цель первичного инструктажа на рабочем месте:

обучение каждого рабочего или обучающегося образовательных учреждений соответствующих уровней, проходящими производственную практику (практические занятия) правильным и безопасным методам и приемам выполнения работ;

основные его обязанности и ответственность за соблюдение требований инструкций по охране труда и других, в том числе локальных, нормативных документов (проектов производства работ, технологических регламентов, инструктивных карт и т.п.);

правила поведения на рабочем месте, на территории структурного подразделения, цеха, общие сведения о производственном процессе и применяемом оборудовании, машинах и механизмах, основные опасные и вредные производственные факторы.

Проведение первичного инструктажа на рабочем месте возлагается на руководителя производственного подразделения в непосредственное подчинение, которого направлен вновь принятый на работу, прошедшего в установленном порядке обучение по охране труда и проверку знаний требований охраны труда. Продолжительность проведения первичного инструктажа на рабочем месте определяется инструктирующим с учетом предъявляемых к персоналу требований безопасности до полного осознанного усвоения им изучаемых материалов.

Инструктирующий по окончании инструктажа должен убедиться в том, что рабочий усвоил безопасные методы и приемы выполнения работы и практически знает и понимает требования инструкций по охране труда, а также требования безопасности, относящиеся к его работе и конкретному рабочему месту.

Рабочий, показавший неудовлетворительные знания, к самостоятельной работе или практическим занятиям не допускается и обязан вновь пройти инструктаж.

Противопожарные мероприятия. Меры оказания первой помощи.

Пожарная профилактика - это совокупность основных противопожарных мероприятий, направленных на исключение возникновения пожара. Мероприятия по пожарной безопасности разделяются на четыре основные группы:

предупреждение пожаров, т.е. исключение причин их возникновения;

ограничение сферы распространения огня;

обеспечение успешной эвакуации людей и материальных ценностей из сферы пожара;

создание условий эффективности тушения пожара.

Обеспечение мер пожарной безопасности достигается выполнением основных мероприятий по предупреждению пожаров:

знание технологического процесса производства и выполнение правил пожарной безопасности;

недопущение применения открытого огня (сварочные работы, разогрев трубопроводов открытым огнем и т.д.) на временных местах без соответствующего оформления наряда-допуска;

разработка подготовительных мероприятий, направленных на недопущение пожаров при проведении огневых работ в пожароопасных и взрывопожароопасных зонах;

применение технологического оборудования, имеющего исправные системы предотвращения и ликвидации пожароопасных ситуаций;

недопущение применения неискробезопасного инструмента и оборудования во взрывопожароопасных зонах;

выполнение требований инструкций о мерах пожарной безопасности как для всего предприятия, так и для отдельных объектов;

организация обучения противопожарного инструктажа и пожарно-технического минимума;

применение исправного электрооборудования и эксплуатация его в соответствии с требованиями технических паспортов, правил устройства электроустановок.

ИОТВ-93. Порядок действий при обнаружении задымления, загорания, пожара на производственном объекте.

Каждый гражданин при обнаружении пожара или признаков горения (задымление, запах гари, повышение температуры и т.п.) обязан:

немедленно сообщить об этом по телефону в пожарную охрану (службу спасения) - 01, 18-1-01 (при этом необходимо назвать адрес объекта, место возникновения пожара, а также сообщить свою фамилию);

включить систему оповещения людей о пожаре (нажав кнопку или повернув ручку ручного пожарного извещателя установленного в здании или на территории);

принять по возможности меры по эвакуации людей, тушению пожара и сохранности материальных ценностей.

Меры оказания первой помощи.

ИОТВ-09. Действия работающего при несчастном случае.

О каждом происшедшем несчастном случае, пострадавший или очевидец должен немедленно сообщить непосредственному руководителю. Состояние рабочего места и оборудования должно оставаться до расследования таким, каким оно было в момент происшествия, если это не угрожает жизни и здоровью окружающих и не ведёт к развитию аварийной ситуации.

ИОТВ-22. Виды кровотечений и их признаки.

Артериальное кровотечение возникает при глубоких рубленных или колотых ранах. Яркая красная (алая) кровь изливается пульсирующей струёй (в такт с сокращениями сердечной мышцы), а иногда бьет фонтанчиком. При ранении крупных артерий (сонной, подключичной, плечевой, бедренной, подколенной) возникает очень сильное кровотечение, а если его вовремя не остановить, пострадавший может погибнуть в течение нескольких минут.

Венозное кровотечение возникает при ранении вен. Кровь вытекает медленно, ровной струёй, имеет темно-вишневый цвет.

Капиллярное кровотечение бывает при повреждении мельчайших кровеносных сосудов (капилляров) при обширных ссадинах и поверхностных ранах. Кровь сочится по всей поверхности раны, вытекает медленно, по каплям. Капиллярное кровотечение легко остановить с помощью стерильной повязки, предварительно смазав кожу вокруг раны йодом, или примочки (повязки) из 3-х % раствора перекиси водорода.

ИОТВ-22 Виды переломов и оказание первой помощи при них.

При открытых переломах вначале останавливают кровотечение и накладывают стерильную повязку. Для иммобилизации (создания покоя) используются стандартные шины или изготовленные из подручных материалов (фанеры, досок, палок и т.п.).

При закрытых переломах не следует снимать с пострадавшего одежду - шину нужно накладывать поверх нее.К месту перелома, для уменьшения боли, необходимо приложить холодный компресс (резиновый пузырь со льдом, снегом, холодной водой или холодные примочки).

ИОТВ-22. Первая помощь пострадавшему при травмах грудной клетки, позвоночника и костей нижнего пояса.

При переломе или вывихе костей конечностей наложением шины следует обеспечить неподвижность двух суставов - одного выше, другого ниже перелома, а при переломе крупных костей - даже трех. Центр шины должен находиться на месте перелома. Шинная повязка не должна сдавливать крупные сосуды, нервы и выступы костей. При отсутствии шины следует прибинтовать поврежденную верхнюю конечность к туловищу, а поврежденную нижнюю конечность - к здоровой.

При переломе или вывихе бедренной кости нужно укрепить больную ногу шиной с наружной стороны так, чтобы один конец шины доходил до подмышки, а другой - достигал пятки. Вторую шину накладывают на внутреннюю сторону ноги от промежности до пятки. Шины следует накладывать по возможности не приподнимая ногу, а придерживая ее на месте и прибинтовывать в нескольких местах, но не рядом и не в месте перелома.

При повреждении позвоночника осторожно, не поднимая пострадавшего, подсунуть под его спину широкую доску, дверь, снятую с петель или повернуть пострадавшего лицом вниз и строго следить, чтобы при переворачивании его туловище не прогибалась (во избежание повреждения спинного мозга).

При переломе ребер необходимо туго забинтовать грудь или стянуть ее полотенцем во время выдоха.

При переломе костей таза под спину пострадавшего необходимо подсунуть широкую доску, уложить его в положение "лягушка", т.е. согнуть ноги в коленях и развести в стороны, а стопы сдвинуть вместе, под колени подложить валик из одежды.

ИОТВ-22. Первая помощь пострадавшему при тепловых ожогах.

При тяжелых ожогах необходимо осторожно снять с пострадавшего одежду и обувь, лучше разрезав их. Нельзя касаться руками обожженного участка кожи или смазать его какими-либо мазями, маслами, вазелином или растворами. Не следует вскрывать пузыри приставшую к обожженному месту мастику или другие смолистые вещества. Нельзя также отрывать обгоревшие и приставшие куски одежды. Обожженную поверхность следует перевязывать также, как и любую рану. Покрыть стерильным материалом или чистой глаженной поверхностью тряпочкой, а сверху положить слой ваты и все закрепить бинтом.

ИОТВ-22. Первая помощь пострадавшему при отравлении метанолом и нефтяными испарениями.

Пары углеводородов (попутный нефтяной газ). При возникновении признаков удушья, немедленно вынести пострадавшего на свежий воздух, освободить от стесняющей дыхание одежды, по возможности произвести ингаляцию кислородом. Пострадавшему дать обильное питье (молоко, вода, сладкий чай). При отравлении метанолом немедленно вынести пострадавшего на свежий воздух, освободить от стесняющей дыхание одежды, произвести ингаляцию кислородом. При попадании в желудок - произвести промывку желудка.

ИОТВ-22. Наружный массаж сердца.

Для проведения наружного массажа сердца необходимо уложить пострадавшего спиной на жесткую поверхность, обнажить грудную клетку. Определив положение нижней трети грудины, оказавший помощь кладет на нее верхний край ладони разогнутой до отказа руки, а затем поверх первой руки кладет вторую руку, и накладывает на грудную клетку пострадавшего, слегка помогая при этом наклоном своего корпуса.

Надавливать на грудину следует примерно один раз в секунду быстрым толчком так, чтобы продвинуть нижнюю часть грудины вниз в сторону позвоночника на 3-4 см, а полных людей 5-6 см. После толчка руки остаются в достигнутом положении примерно одну треть секунды, затем снимают с грудной клетки, давая ей возможность расправиться. Одновременно с массажом сердца должно выполняться искусственное дыхание. Вдувание надо производить в промежутках между надавливаниями или же во время специальной паузы, через каждые 4-6 надавливаний. Если оказавший помощь один, то он обязан чередовать операции: по 2-3 вдувании воздуха должен производить 4-6 надавливаний на грудную клетку. О восстановлении деятельности сердца у пострадавшего судят по появлению у него собственного, не поддерживаемого массажом регулярного пульса. Для проверки пульса на 2-3 секунды прерывают массаж.

2. Бурение нефтяных и газовых скважин. Система контроля технологических параметров бурения. Конструкция скважин

Система контроля технологических параметров бурения. Станция АСПБ. Отличительная особенность АСПБ - параллельное представление информации непрерывно в функции времени и дискретно в функции действующих глубин с постоянным небольшим (0,2-1,0 м) шагом квантования по глубинам, что позволяет прослеживать технологический процесс во времени и по глубине. При этом кажущаяся избыточность информации - необходимое условие детального литологического расчленения разреза, выделения тонкослоистых коллекторов и т.п. В то же время непрерывная регистрация основных технологических параметров в функции времени позволяет решать многие задачи технологии бурения скважин, такие как определения, подклинок и заклинок долота, и другие, даже без специальных датчиков.

На рис. 1 изображена блок-схема одного из вариантов станции АСПБ.

 

Рис. 1 блок-схема одного из вариантов станции АСПБ.

Информация с датчика проходки 1 поступает на панель глубин 11 туда же, поступает сигнал с выключателя 2 «мертвого конца», установленного на неподвижном конце талевой системы. Датчики давления 3, веса инструмента 4, расхода промывочной жидкости на входе в скважину 5 и на выходе из нее 7, уровня промывочной жидкости в приемных емкостях 8, турботахометра 9 связаны каждый со своей измерительной схемой 12-17, а далее с регистраторами 27, 22, 27, 29, 30 и 31 в функции времени. Информация о давлении и весе инструмента на регистраторах 21 и 22 преобразуется с помощью ретрансляторов 23, 24 и параллельно подается на регистраторы тех же параметров 25, 26 в функции глубин. Датчик разницы расходов промывочной жидкости 6 связан с регистратором 28, имеющим встроенную измерительную схему.

Регистратор ДМК 20 связан с панелью глубин 11 и блоком набора времени 19. Устройство 33 служит для анализа отдельных операций процесса бурения. Для связи оператора с бурильщиком предусмотрено переговорное устройство с усилителем 18 и микрофонами-приемниками 10, 32.

Информационно-измерительная система АСПБ изготавливалась в нескольких модификациях; на ней основана служба контроля параметров бурения в западносибирских производственных геофизических объединениях. Модификация проводилась в направлении совмещения представления информации (на одной ленте два-три параметра с использованием всей шкалы), комплексирования АСПБ с АГКС, унификации блоков и измерительных схем, решения схем на новой элементной базе и т.д.

Комплекс средств наземного контроля и управления процессом бурения нефтяных и газовых скважин СКУБ-М1.

Комплекс предназначен для контроля основных параметров процесса вращательного бурения нефтяных и газовых скважин и применяется на буровых установках эксплуатационного и глубокого разведочного бурения стволов нефтяных и газовых скважин на суше. Его выпускали в шести вариантах в зависимости от количества и диапазонов измерения контролируемых параметров. Он используется в макроклиматических районах с умеренным климатом, но для эксплуатации при температурах окружающего воздуха от -50 до 500С. По устойчивости к механическим воздействиям комплекс соответствует виброустойчивому и вибропрочному исполнениям, а по защищенности от воздействия окружающей среды - исполнению, защищенному от попадания внутрь твердых частиц (пыли) и воды. Регистрирующие приборы имеют обыкновенное исполнение.

Составные части комплекса размещаются на буровой: датчики устанавливаются на технологическом оборудовании буровой; блок питания и коммутации, пульт контроля и управления, блок наблюдения - на площадке буровой; устройство регистрации - в помещении бурового мастера.

Комплекс обеспечивает контроль технологических параметров, выдачу выходных управляющих сигналов и сигналов тревоги.

Комплекс СКУБ-М1 представляет собой совокупность технических средств, предназначенных для централизованного контроля процесса бурения скважин, и состоит из следующих основных устройств: ПП - первичных преобразователей; БПК - блока питания и коммутации; БН - блока наблюдения; ПКУ - пульта контроля и управления; УР - устройства регистрации.

Составные части комплекса СКУБ-М1 обеспечивают реализацию функций: контроля - измерение, сбор, обработку сигналов о технологических параметрах бурения; отображения сигналов на показывающих приборах; регистрации сигналов на диаграммной бумаге; обеспечения выхода сигналов на информационно-измерительные системы; сигнализации отклонения от заданных режимов и сигналов тревоги; управления - формирование и выдача управляющих сигналов при достижении контролируемыми параметрами ранее заданных значений.

Первичные преобразователи, устанавливаемые на технологическом оборудовании буровой, подключают к ВПК с помощью соединительных кабелей. БПК обеспечивает питание всего комплекса, обработку сигналов и передачу их к устройствам БН, ПКУ, УР и на контакты разъема «Выходные сигналы», расположенные на УР. БН и ПКУ обеспечивают представление контролируемых параметров бурильщику. Работой комплекса управляют с помощью ПКУ. Контролируемые параметры фиксируются на диаграммной бумаге приборами УР. Назначение управляющих сигналов приведены в таблице 1.

Таблица 1.

Сигнал на пульте

Назначение

Вес

Отключение привода лебедки при перегрузке талевой системы

Тальблок

Отключение привода лебедки при подъеме талевого блока выше заданной высоты

Давление

Отключение привода насосов при превышении допустимого давления

Циркуляция

Наличие давления в манифольде нагнетательной линии

Момент

Отключение привода ротора при превышении допустимого крутящего момента

Момент

Отключение привода машинного ключа при превышении допустимого крутящего момента

Уровень

Отклонение уровня бурового раствора в приемных емкостях от заданного

Плотность

Отклонение плотности бурового раствора от заданной

Перелив

Перелив скважины при доливе в процессе подъема инструмента


Реализация функций осуществляется с помощью совокупности устройств, размещенных в составных частях, представляющих измерительный канал. Каналы формируют по каждому технологическому параметру, контролируемому комплексом. При этом если контролируемый технологический параметр и фактически измеряемая физическая величина совпадают, то канал называется измерительным. Если контролируемый технологический параметр и фактически измеряемая физическая величина не совпадают, то канал называется каналом контроля.

Датчики по функциональному назначению могут быть разделены на:

. Датчики, характеризующие технологический процесс бурения (перемещения талевого блока, он же - проходки, он же - глубиномер; веса инструмента; частоты вращения ротора; момента на роторе; момента на машинном ключе; давления промывочной жидкости; расхода; уровня в емкостях).

. Датчики свойств промывочной жидкости (плотности, вязкости, объемного газосодержания, температуры, минерализации).

. Газоаналитическая аппаратура, к которой относятся дегазаторы промывочной жидкости, суммарные газоанализаторы (индикаторы горючих газов) и хроматографы.

. Аппаратура и оборудование для анализа образцов горных пород, флюидов и промывочной жидкости (геологическая кабина).

Телеметрические забойные системы

В последние годы за рубежом интенсивно развивается новое направление промысловой геофизики - получение информации с забоя непосредственно в процессе бурения с помощью телеметрических забойных систем (ТЗС), в переводной литературе получивших название MWD- и- LWD-систем.

Создаваемые на первом этапе для измерения параметров траектории стволов наклонно-направленных скважин, бурящихся с плавучих буровых установок, в настоящее время ТЗС включают в себя практически весь комплекс ГИС для открытого ствола, а также целый ряд технологических параметров, время их бесперебойной работы доведено до 200 и более часов, дальность передачи информации по каналу связи превышает 6000 м.

ТЗС, объединенные с поверхностными системами ГТИ, образуют сложные компьютеризированные многопроцессорные приборные комплексы, предназначенные для получения комплексной геолого-технологической и геофизической информации в процессе бурения скважин. Созданием как ТЗС, так и комплексных скважинных систем занимаются десятки зарубежных фирм, в том числе и традиционно геофизических, таких как «Шлюмберже», «Халибертон» и др. Добавление ТЗС к комплексу ГТИ принципиально меняет роль промыслово-геофизических исследований и место ГИС в общем комплексе исследования скважин, позволяя уверенно выделять маломощные продуктивные пласты, зачастую при обычной технологии проведения ГИС необнаруживаемые, проводить глубокие наклонно-направленные и горизонтальные скважины всего одним долблением без каких-либо перерывов в бурении с минимальной стоимостью.

В нашей стране ТЗС под шифром «Забой» разрабатываются во ВНИИГИС, однако их освоение началось в 1996 г.

Освоение системы «Забой» в полной конфигурации позволит существенно изменить возможности ГТИ и поэтому является первоочередной задачей.

Понятие о конструкции скважины. Расположение обсадных колонн с указанием их диаметра, глубины установки, высоты подъема закачанного цементного раствора, диаметра долот, которыми ведется бурение под каждую колонну, а иногда и других данных называется конструкцией скважины (рис. 2).

Конструкция скважины должна обеспечить высокое качество строительства скважины как долговременно эксплуатируемого сложного нефтепромыслового объекта, предотвращение аварий и осложнений в процессе бурения и создание условий для снижения затрат времени и материально-технических средств на бурение. Кроме того, конструкция скважины должна обеспечивать:

доведение скважины до проектной глубины; осуществление заданных способов вскрытия продуктивных горизонтов (пластов) и методов их эксплуатации.

Особое внимание должно быть обращено на конструкцию забоя (под конструкцией забоя понимается сочетание элементов конструкции скважины в интервале продуктивного объекта, обеспечивающих устойчивость ствола, разобщение напорных горизонтов, проведение техникотехнологических воздействий на пласт, ремонтно-изоляционные работы, а также длительную эксплуатацию скважины с оптимальным дебитом);

предотвращение осложнений в процессе бурения и условия, позволяющие полностью использовать потенциальные возможности техники и технологических процессов;

минимум затрат на строительство скважины как законченного объекта в целом.

Число обсадных колонн, необходимых для обеспечения перечисленных требований, определяется исходя из несовместимости условий бурения отдельных интервалов скважины. Под несовместимостью условий бурения понимается такое их сочетание, когда заданные параметры технологических процессов бурения нижележащего интервала скважины вызовут осложнения в пробуренном вышележащем интервале, если последний не закреплен обсадной колонной, а проведение дополнительных специальных технологических мероприятий по предотвращению этих осложнений невозможно.

Рис. 2. Конструкция скважин: а - профиль; б - концентрическое расположение колонн в стволе; в - графическое изображение конструкции скважины; г - рабочая схема конструкции скважины.

В конструкции скважины используются следующие типы обсадных колонн:

Направление - для крепления верхнего интервала, сложенного неустойчивыми отложениями. Предназначено для предотвращения размыва устья скважины;

Кондуктор - для крепления верхних неустойчивых интервалов разреза, изоляции водоносных горизонтов от загрязнения, установки на устье противовыбросового оборудования, а также для подвески последующих обсадных колонн;

Промежуточная обсадная колонна - для крепления и изоляции вышележащих зон геологического разреза, несовместимых по условиям бурения с нижележащими. Служит для предотвращения осложнений и аварий в скважине при бурении последующего интервала. В благоприятных условиях промежуточная колонна может быть использована в качестве эксплуатационной;

Эксплуатационная колонна - для крепления и разобщения продуктивных горизонтов и изоляции их от других горизонтов геологического разреза скважины. Предназначена для извлечения нефти или газа на поверхность любыми известными способами.

Промежуточные обсадные колонны могут быть: сплошные, т.е. перекрывающие весь ствол скважины от забоя до устья, независимо от крепления предыдущего интервала; хвостовики - для крепления только необсаженного интервала скважины с перекрытием предыдущей обсадной колонны, не менее чем на 100 м; летучки - специальные промежуточные обсадные колонны, служащие только для ликвидации осложнений и не имеющие связи с предыдущей или последующими обсадными колоннами. Летучки до устья скважины не наращиваются.

Промежуточная колонна-хвостовик может наращиваться до устья скважин или при благоприятных условиях служить в качестве эксплутационной колонны. Когда износ последней промежуточной колонны незначительный, эксплуатационная колонна может быть спущена в виде хвостовика.

При подсчете числа колонн, входящих в конструкцию скважин, направление и кондуктор не учитывают. Конструкцию скважины, состоящую из эксплуатационной и одной промежуточной колонны, называют двухколонной, а из эксплуатационной и двух промежуточных - трехколонной и т.д.

3. Освоение скважин. Технология освоения скважин с применением струйных насосов, пенных систем

Освоение скважины - комплекс работ после окончания бурения, включающих в себя вторичное вскрытие пласта, очистку ствола скважины и призабойной зоны пласта от продуктов бурения и технологических жидкостей, вызов притока жидкости из пласта или опробование нагнетания в пласт рабочего агента в соответствии с ожидаемой продуктивностью (приемистостью) пласта, проведение геофизических или гидродинамических исследований, спуск подземного оборудования.

Комплекс работ по освоению скважины должен предусматривать меры согласно п. 2.9.5 ПБ 08-624-03.

Цель освоения - максимальное восстановление естественной проницаемости коллектора и получение дебита скважины (нефти и газа) или осуществление закачки рабочего агента, соответствующей ее потенциальным возможностям.

Порядок, состав и объем работ при освоении, ожидаемые параметры работы скважины - дебит жидкости, обводненность продукции, дебит нефти и динамический уровень (приемистость, давление нагнетания), определяются в соответствии с проектом геологической службой нефтегазодобывающих управлений ОАО «Сургутнефтегаз» и указываются в плане работ на освоение скважины. В плане работ указывается комплекс исследований, вид и объем которых определяются геологической и технологической службами нефтегазодобывающих управлений ОАО «Сургутнефтегаз».

Нагнетательные скважины, расположенные внутри контура нефтеносности перед запуском под нагнетание рабочего агента, могут отрабатываться на нефть. Решение о целесообразности отработки принимают геологическая и технологическая службы Заказчика с учетом возможности работы погружного оборудования.

Началом освоения скважины является дата монтажа на устье подъемного агрегата бригады освоения Исполнителя.

Окончанием освоения скважины является выполнение всех работ в соответствии с согласованным и утвержденным в установленном порядке планом работ на освоение по испытанию скважины на приток нефти, газа, опробованию нагнетания рабочего агента в пласт.

При недостижении указанного в плане освоения дебита скважины по составу, объему или приемистости комиссией в составе представителей Заказчика, Исполнителя и, при необходимости, Субподрядчика выявляются причины, и определяется комплекс дополнительных работ по скважине.

Работы проводятся по согласованному и утвержденному дополнительному плану.

Мероприятия по вызову притока, определение максимально допустимой депрессии (репрессии) на пласт определяет геологическая служба Заказчика исходя из геологических условий, физико-химических свойств пород пласта-коллектора и насыщающих его флюидов в соответствии с проектом на строительство скважины.

Движение жидкости из пласта к забою скважины происходит при условии, если пластовое давление больше суммы давления в скважине, созданного столбом жидкости и давления, необходимого для преодоления сопротивлений движению жидкостей в призабойной зоне пласта и по подъемным трубам.

Если величина текущего пластового давления выше гидростатического, то скважину отрабатывают фонтанным способом. Режим фонтанирования считается устойчивым, если скважина в течение 96 часов работает характерной продукцией пласта без снижения начальных параметров (давление, дебит).

При невыходе скважины на режим устойчивого фонтанирования вызов притока осуществляют заменой скважинной жидкости жидкостью с меньшей плотностью (воду, товарную нефть).

Замену производят закачкой жидкости в затрубное пространство, т.к. в случае получения притока до окончания полной замены раствора создаются нормальные условия для работы скважины и более полного выноса твердых частиц из интервала перфорации за счет высокой скорости потока жидкости.

В газовых скважинах и в скважинах с высоким газовым фактором нефти при замене жидкости на выкидной линии устанавливают штуцер для регулирования скорости потока и забойного давления. Разница плотности последовательно заменяемых жидкостей не должна быть более 300-400 кг/м3. С целью уменьшения вредного воздействия на призабойную зону в жидкость добавляют поверхностно-активные вещества (далее - ПАВ). Закачиваемая жидкость должна быть химически инертна к горным породам, составляющим коллектор, совместима с пластовыми флюидами и должна исключать необратимую кольматацию пор пласта твердыми частицами. Также закачиваемая жидкость должна обладать низким коррозионным воздействием на скважинное оборудование (скорость коррозии стали не должна превышать 0,10-0,12 мм/год), быть термостабильной при высоких температурах и морозоустойчивой - в зимних условиях.

Технология освоения скважин с применением струйных насосов, пенных систем.

Вызов притока из пласта пенными системами производится в скважинах, промытых до забоя технической водой, и после полного удаления из скважины механических примесей, глинистого раствора и нефтепродуктов. НКТ без пусковых муфт приподнимают на глубину 20 м выше интервала перфорации. На устье скважины устанавливают и опрессовывают фонтанную арматуру.

Закачка пены производится двумя методами: с помощью бустерной

установки УНБ1-160Ч40БК или с помощью компрессора и цементировочного агрегата, при котором сначала компрессором создается давление в 2,0 МПа и запускается насосный агрегат ЦА-320. Одновременно в скважину закачиваются воздух и жидкость (аэрированный раствор).

После достижения заданной депрессии закачка аэрированной жидкости прекращается. Скважину оставляют на самоизлив пены при открытых затрубных и трубных задвижках с продолжительностью до 36 часов.

При появлении фонтанного притока продукция скважин направляется в нефтесборный коллектор.

Вызов притока из пласта пенными системами с применением инертного газа (азота) с помощью установки «Непрерывная труба»

(далее - НТ) производится как при спущенных, так и при поднятых НКТ. Непрерывная труба спускается в НКТ (при поднятых НКТ - в ствол скважины) на глубину, указанную в плане работ.

ПАВ готовится непосредственно перед закачкой в скважину из расчета на 1 м3 воды от 3 до 7 кг (в перерасчете на активное вещество) ПАВ (сульфанол, неонол или других ПАВ) перемешиванием с помощью насосно-компрессорного агрегата в блоке очистки и нагрева технологической жидкости.

Подача аэрированной жидкости в НТ начинается при открытой задвижке фонтанной арматуры на затрубном пространстве скважины, при этом кран высокого давления на тройнике устьевого оборудования закрыт. Преобразованный жидкий азот в газообразный закачивается газификационной установкой в непрерывную трубу через тройник нагнетательной линии.

Закачка газообразного азота производится до создания давления в непрерывной трубе не менее 0,2 МПа, затем включается насосный агрегат, и осуществляется закачка пенообразующей жидкости путем одновременной закачки газообразного азота и пенообразующей жидкости.

При достижении на выходе затрубного пространства пены заданных параметров в соответствии с планом работ открывается кран высокого давления на тройнике устьевого оборудования установки НТ и закрывается задвижка фонтанной арматуры на затрубном пространстве скважины.

Производится закачка аэрированного раствора до выхода пены заданных параметров в соответствии с планом работ через кран высокого давления на тройнике устьевого оборудования установки НТ. Ведется контроль давления в затрубном пространстве скважины.

При наличии притока нефти и газа освоение ведется до получения пластового флюида заданных параметров в соответствии с планом работ.

Продолжительность процесса освоения 10-12 ч. После освоения скважины производится допуск непрерывной трубы до забоя скважины с одновременной закачкой пенообразующей жидкости и газообразного азота для очистки призабойной зоны пласта.

При отсутствии притока пластового флюида после перевода скважины на пену заданных параметров скважина оставляется на ожидание притока.

В процессе ожидания притока контролируются уровни подъема жидкости приборами «Судос», «Миконом». Непрерывная труба поднимается на безопасную высоту, указанную в плане работ, но не менее 300 м от интервала перфорации. При отрицательной температуре окружающей среды производится подъем непрерывной трубы полностью из скважины, установка продувается компрессором. При отсутствии притока по истечении 24 ч принимается решение о дальнейших работах на скважине.

Контроль за процессом освоения ведется по параметрам пены и скважинной жидкости на выходе из скважины. Процесс закачивания двухфазной аэрированной пены контролируется по показателям насосного агрегата и газификационной установки.

Вызов притока методом закачки. После освоения скважины производится допуск непрерывной трубы до забоя скважины с одновременной закачкой пенообразующей жидкости и газообразного азота для очистки призабойной зоны пласта. При отсутствии притока пластового флюида после перевода скважины на пену заданных параметров скважина оставляется на ожидание притока.

В процессе ожидания притока контролируются уровни подъема жидкости приборами «Судос», «Миконом». Непрерывная труба поднимается на безопасную высоту, указанную в плане работ, но не менее 300 м от интервала перфорации. При отрицательной температуре окружающей среды производится подъем непрерывной трубы полностью из скважины, установка продувается компрессором. При отсутствии притока по истечении 24 ч принимается решение о дальнейших работах на скважине.

Контроль за процессом освоения ведется по параметрам пены и скважинной жидкости на выходе из скважины. Процесс закачивания двухфазной аэрированной пены контролируется по показателям насосного агрегата и газификационной установки.

Вызов притока методом закачки в скважину инертного газа (азота) с установкой НТ производят в скважинах, промытых до искусственного забоя и переведенных на технологическую жидкость или нефть. Данная технология используется на месторождениях ОАО «Сургутнефтегаз» при освоении горизонтальных скважин, в том числе скважин с боковыми стволами малого диаметра эксплуатационных колонн и необсаженными участками ствола скважин.

Газификационной установкой жидкий азот преобразуется в газообразный и закачивается в НТ при открытой задвижке фонтанной арматуры на затрубном пространстве скважины, при этом кран высокого давления на тройнике устьевого оборудования установки НТ закрыт.

Не допускается превышение давления в затрубном пространстве выше допустимого давления опрессовки эксплуатационной колонны, указанного в плане работ. При завершении замещения объема жидкости газообразной смесью в затрубном пространстве открывается кран высокого давления на тройнике устьевого оборудования установки НТ.

Продолжается закачка газообразного азота в скважину до прорыва газообразной смеси через кран высокого давления на тройнике устьевого оборудования установки НТ.

При завершении замещения объема жидкости газообразной смесью в трубном пространстве прекращается подача газообразного азота в непрерывную трубу, стравливается давление в скважине в соответствии с планом работ.

По окончании стравливания скважина оставляется на ожидание притока в течение 4-12 ч. В процессе ожидания притока контролируются уровни приборами «Судос» или «Миконом». Результаты притока пластового флюида заносятся в вахтовый журнал. Непрерывная труба поднимается на безопасную высоту, указанную в плане работ, но не менее 300 метров от интервала создания депрессии. При отрицательной температуре окружающей среды непрерывная труба поднимается полностью из скважины и продувается компрессором.

После освоения скважины восстанавливается циркуляция подачей промывочной жидкости через непрерывную трубу, устьевой тройник в желобную емкость. Производится допуск (спуск) непрерывной трубы до забоя скважины с одновременной закачкой промывочной жидкости и газообразного азота для очистки призабойной зоны пласта.

Если после снижения уровня приток жидкости из пласта не получен, то производят очистку призабойной зоны.

Одним из способов снижения давления на забой является свабирование (поршневание).

Сваб - поршень, снабженный клапаном, который спускают на канате в колонну НКТ. Клапан при ходе поршня вниз открывается, а при ходе вверх закрывается. Уплотнение сваба достигается за счет резиновых манжет, укрепленных на металлическом стержне. Уровень жидкости в скважине при свабировании снижается постепенно, что способствует плавному запуску скважины. В связи с разбуриванием пластов с низкими коллекторскими свойствами на месторождениях ОАО «Сургутнефтегаз» свабирование практически не применяется.

Вызов притока с помощью струйных насосов применяется для пластов с давлением ниже гидростатического и ограниченной депрессией, в том числе и на горизонтальных скважинах, где применение других способов приводит к поглощениям. В данном случае струйный насос спускается в скважину на глубину 100-300 м, т.к. максимальная депрессия ограничивается на 1,0-3,0 МПа.

Глубинный манометр устанавливается в хвостовике в районе пакера

Воздействие на ПЗП с помощью струйных насосов.

Способ воздействия на ПЗП с помощью струйных насосов применим для создания полного диапазона управляемых депрессий на пласт и более качественной очистки забоя и трещин от твердых частиц и продуктов распада технологических жидкостей ГРП до спуска в скважину подземного оборудования.

Применяется для вызова притока в скважинах с низким пластовым давлением и в осложненных скважинных условиях - пескопроявлением, высоким газовым фактором, обводненностью, с ухудшенными фильтрационными свойствами коллектора. Позволяет производить гидродинамические исследования пласта в подпакерной зоне. Дает возможность подбора оптимального типоразмера скважинного оборудования.

Также применяется для создания высоких депрессий (вплоть до создания на забое давления в 5,0 МПа) в скважинах с целым и герметичным цементным кольцом. Водонасыщенные и газонасыщенные интервалы пласта должны быть разобщены с нефтенасыщенным перемычкой, обеспечивающей удержание перепада давления в 2,0 МПа. Применяются насосы, извлекаемые из НКТ канатной техникой или обратной промывкой.

4. Фонтанная эксплуатация, артезианское и газлифтное фонтанирование. НКТ, типы труб и расчет колонны. Устьевое оборудование. Технологические режимы работы

Фонтанный способ применяется, если пластовое давление велико. В этом случае нефть фонтанирует, поднимаясь на поверхность по насосно-компрессорным трубам за счет пластовой энергии. Условием фонтанирования является превышение пластового давления над гидростатическим давлением столба жидкости, заполняющей скважину.

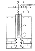
Устройство скважины для фонтанной добычи нефти показано на рис. 3.

Рис. 3 Устройство скважины для фонтанной добычи нефти: 1 - эксплуатационная колонна, 2 - насосно-компрессорные трубы, 3 - башмак, 4 - фланец, 5 - фонтанная арматура, 6 - штуцер.

Нефть поступает в нее из пласта через отверстия в колонне эксплуатационных труб 1. Внутри эксплуатационной колонны находятся насосно-компрессорные трубы 2. Нефть поступает в них через башмак 3. Верхний конец насосно-компрессорных труб через фланец 4 соединяется с фонтанной арматурой 5. Фонтанная арматура представляет собой систему труб с задвижками. К этой системе присоединен штуцер 6, представляющий собой стальную болванку с цилиндрическим каналом малого сечения. Назначение штуцера заключается в ограничении притока нефти в скважину путем дросселирования давления на выходе из нее. Установка штуцера позволяет обеспечить длительную и бесперебойную работу скважины в фонтанном режиме. Кроме того, благодаря низким скоростям притока нефти, уменьшается загрязнение скважины частицами породы. Из штуцера пластовая нефть попадает в сепаратор (или трап), где происходит ее разделение на нефть и нефтяной газ.

Фонтанный способ эксплуатации нефтяных скважин применяется на начальном этапе разработки месторождений.

Все газовые скважины эксплуатируются фонтанным способом. Газ поступает на поверхность за счет пластового давления.

Виды фонтанирования.

Первый тип - артезианское фонтанирование: рЗН,, р2≥рН, т. е. фонтанирование происходит за счет гидростатического напора (рис. 4 а). В скважине наблюдается обычный перелив жидкости, движется негазированная (без свободного газа) жидкость (аналогично артезианским водяным скважинам). В затрубном пространстве между насосно-компрессорными трубами 1 и обсадной эксплуатационной колонной 2 находится жидкость, в чем можно убедиться, открыв, например, трехходовый кран под манометром, показывающим затрубное давление рЗАТР. Газ выделяется из нефти за пределами скважины в выкидной трубе.

Рис. 4 Типы фонтанных скважин и виды фонтанирования: а - артезианское; б - газлнфтное с началом выделения газа в скважине; в - газлифтное с началом выделения газа в пласте.

Второй тип - газлифтное фонтанирование с началом выделения газа в стволе скважины: рЗ≥рН, р2Н (рис. 4, б). В пласте движется негазированная жидкость, а в скважине - газожидкостная смесь (на рисунке показано установившееся состояние). При давлении у башмака НКТ p1≥pH. в затрубном пространстве на устье находится газ и рЗАТР обычно небольшое (0,1-0,5 МПа). Так как р1≥рН2, то по мере подъема нефти давление снижается, увеличивается количество свободного газа, происходит расширение газа, растет газосодержание потока, т. е. фонтанирование осуществляется по принципу работы газожидкостного подъема.

Третий тип - газлифтное фонтанирование с началом выделения газа в пласте: рЗН,, р2Н (рис. 4 в). В пласте движется газированная жидкость, на забой и к башмаку НКТ поступает газожидкостная смесь. После начала притока основная масса газа увлекается потоком жидкости и поступает в НКТ. Часть газа отделяется (сепарируется) и поступает в затрубное пространство, где газ барботирует в относительно неподвижной жидкости. В затрубном пространстве накапливается газ, уровень жидкости снижается и достигает башмака НКТ. Со временем наступает стабилизация и при p3<pH уровень всегда устанавливается у башмака НКТ. Затрудное давление газа, как правило, высокое, почти достигает значений р1 и р3. При утечках газа из затрубного пространства (через негерметичности в резьбовых соединениях НКТ, обсадной колонне, устьевом оборудовании) уровень будет находиться выше башмака НКТ. Чем меньше расход и вязкость жидкости, больше расход газа у башмака, зазор между НКТ и эксплуатационной колонной, тем больше газа сепарируется в затрубное пространство.

НКТ, типы труб и расчет колонны.

Насосно-компрессорные трубы (НКТ) служат для извлечения на поверхность поступающих в скважину при эксплуатации пластовых жидкостей нефти и газа, для нагнетания в пласты воды в нагнетательных скважинах, для проведения различных работ при освоении и испытании скважин.

Отечественной промышленностью изготавливаются насосно-компрессорные трубы следующих конструкций:

муфтовые гладкие с конической резьбой треугольного профиля (ГОСТ 633-80);

муфтовые гладкие высокогерметичные с конической резьбой трапецеидального профиля (тип НКМ по ГОСТ 633-80);

муфтовые гладкие с конической резьбой треугольного профиля с повышенной пластичностью и хладостойкостью (ТУ 14-3-1282-84).

Импортные насосно-компрессорные трубы изготавливаются, как правило, в соответствии со стандартами американского нефтяного института (АНИ) и по технической документации фирм.

Трубы и муфты к ним изготавливаются из стандартизированных сталей марок Н-40, J-55, N-80, L-80, С-90, С-95, Р-110 (стандарт 5СТ АНИ).

Трубы по стандартам АНИ изготавливаются с муфтовыми резьбовыми соединениями как гладкими, так и с высаженными наружу концами. Эти трубы имеют резьбу треугольного профиля и могут быть свинчены с трубами по ГОСТ 633-80 без применения переводников.

Перед спуском трубы должны быть сложены на мостках муфтами к

скважине (резьбу трубы и муфты защищают соответствующие защитные детали).

Комплект труб, спускаемый в одну скважину, как правило, должен состоять из труб одной марки. Для обеспечения герметичности резьбовые соединения НКТ должны быть очищены от грязи, смазаны графитовой смазкой и надежно закреплены, с крутящим моментом.

Расчет колонны.

Колонна НКТ может быть одноступенчатой, состоящей из труб одного диаметра, и многоступенчатой, состоящей из труб нескольких диаметров. Каждая ступень может включать несколько секций.

Диаметр муфты и длину колонны НКТ определяют из условий эксплуатации.

Оптимальный внутренний диаметр колонны НКТ определяется из выражения по формуле (1):


где r- плотность ГЖС, кг/м3; L - глубина спуска колонны НКТ (подъемных труб), м; р1 - для фонтанных скважин принимается как давление на забое рзаб, Па, для газлифтных скважин как пусковое давление рп, Па; ру - давление на устье, Па; Qж - дебит жидкости, добываемой из скважины, м3/сут.

После вычисления по формуле (1) выбираются по стандарту трубы ближайшего большего диаметра. В случае ступенчатой конструкции НКТ первая секция должна составляться из труб ближайшего к расчетному диаметра, а последующие секции - из труб большего диаметра.

Пример. Определить диаметр колонны НКТ, свободно подвешенной без пакера, при следующих условиях: плотность жидкости, закачиваемой в скважину при освоении r=820 кг/м3; длина колонны НКТ L=3100 м; давление на забое рзаб=25 МПа; давление на устье (буфере) ру=3,5 МПа; предполагаемый отбор (дебит) жидкости из скважины Qж =73 м3/сут.

Решение. Оптимальный внутренний диаметр колонны НКТ определяется по формуле (1):


По таблице по справочнику принимается ближайший больший стандартный внутренний диаметр труб 59 мм и соответственно трубы 73х7-D по ГОСТ 633-80.

Колонну НКТ рассчитывают на прочность при растяжении, на сопротивляемость смятию избыточным наружным давлением, на сопротивляемость разрыву избыточным внутренним давлением.

Предельные осевые растягивающие нагрузки Рстр (Н), при которых в резьбовом соединении гладких труб напряжения достигают предела текучести, определяют по формуле Яковлева-Шумилова. Предельное растягивающее усилие Рт (Н), при котором в теле труб с высаженными наружу концами и безмуфтовых труб с высаженными наружу концами (НКБ) возникает напряжение, равное пределу текучести, находят из выражения (2):

Значения предельных страгивающей и растягивающей нагрузок для НКТ приведены в таблице по справочнику.

Допустимая растягивающая нагрузка [Р]р, действующая на верхнюю трубу каждой секции (ступени) должна составлять:

для труб с гладкими концами и труб НКМ формула (3):


для труб с высаженными наружу концами и труб НКБ формула (4):


где k1 - нормативный коэффициент запаса прочности (КЗП), для вертикальных скважин k1=1,3.

В искривленных скважинах КЗП определяют по формуле (5):

где k1 - нормативный КЗП, k1=1,3; С0 - коэффициент, учитывающий прочные характеристики материала труб,

 

iθ- интенсивность искривления, градус/10 м; Е - модуль упругости, Е=2,1.1011 Па

Значения коэффициента запаса прочности k1 приведены в справочнике.

При испытании колонны на герметичность или установке гидравлического пакера осевую растягивающую нагрузку Рр (Н) в верхней части произвольной колонны НКТ находят из выражения (7):


При извлечении пакера (8):


В формулах (7) и (8) i - порядковый номер секции; n - число секций; qi - масса 1 м трубы i-й секции, м; Sв - площадь проходного канала трубы, м2; ри.в - внутреннее избыточное давление, Па; ΔР - осевая растягивающая нагрузка при извлечении пакера, Н.

Значение ри.в определяется техническими характеристиками пакера и якоря, а максимальное значение ΔР должно составлять 125 кН.

Осевая сжимающая нагрузка при установке механического или гидромеханического пакеров:

Рсжраз, (9)

где Рраз - разгрузка части веса труб на пакер, Н.

Значение Рраз определяется технической характеристикой пакера.

Осевую нагрузку на колонну с пакером под влиянием давлений, собственного веса труб и температуры жидкости в скважине в процессе эксплуатации рассчитывают по формулам (10) и (11):


где Р0 - дополнительная растягивающая (сжимающая) нагрузка, Н; рпак

давление рабочее на пакере, Па; μ=0,3 - коэффициент Пуассона;


r'н, r'в - плотность жидкости снаружи и внутри колонны НКТ после ее спуска в скважину, кг/м3; lпак - глубина установки пакера от устья скважины, м; Рt - осевая нагрузка от температурных изменений, Н,


а - коэффициент линейного расширения, для стали а=12.10-6; Δt - средняя температура жидкости в скважине, 0С (при нагреве принимается со знаком "+"; при охлаждении - со знаком "-");

t1, t2 - температура в скважине соответственно на устье и на глубине lпак до начала эксплуатации, 0С; t3, t4 - температура в скважине соответственно на устье и на глубине lпак во время эксплуатации, 0С.

При эксплуатации скважин на колонну НКТ действуют дополнительные нагрузки, вызванные внутренним и наружным давлениями. Схемы конструкции двух- и однорядных лифтовых колонн с пакером и без пакера показаны на рис. 5 и рис. 6 соответственно.

Наружное избыточное давление (Па) определяют из выражения (12):


где р0 - давление на устье при освоении, Па; rн =r0 - плотность жидкости, закачиваемой в скважину при освоении, кг/м3.

На однорядную колонну НКТ без пакера в процессе эксплуатации действует наружное избыточное давление (Па), вычисляемое по формуле (13):


где рзаб - забойное давление, Па; rж=rв - rн - плотность жидкости в скважине, кг/м3; рбуф - буферное устьевое давление, Па.

При расчете колонны НКТ, на которую действует внутреннее избыточное или наружное избыточное давление, верхнюю трубу каждой секции проверяют на прочность. Внутреннее избыточное давление рт (Па), при котором наибольшее напряжение в трубах достигает предела текучести, определяют по формуле Барлоу:

Внутреннее избыточное давление не должно превышать допускаемого значения (14):


где k2 - нормативный КЗП.

Наружное избыточное давление ркр (Па), при котором наибольшие напряжения в трубе достигают предела текучести, определяют по формуле Г.М. Саркисова.

Рис. 5. Конструкции двухрядных лифтовых колонн (подъемников) с пакером (а) и без бакера (б), а также кольцевая (в) и центральная (г) системы: 1, 2 - номера рядов.

Значения рт и ркр, рассчитанные по формулам, приведены в справочнике. Избыточное наружное давление не должно превышать допускаемого значения (15):

где k3=1,15 - КЗП.

При совместном действии растягивающей осевой нагрузки и наружного давления на свободно подвешенную колонну условие прочности трубы описывается выражением (16):


где Рр - растягивающая нагрузка, Н; ри.н z - наружное избыточное давление, Па; D - наружный диаметр трубы, мм; S - площадь поперечного сечения трубы, м2; k1 =1,3.

Рис. 6. Конструкция однорядных лифтовых колонн без пакера (а), с пакером (б), а также кольцевая (в) и центральная (г) системы.

В процессе установки пакера (механического или гидромеханического) нижняя часть колонны НКТ находится в изогнутом состоянии. Условие прочности этого участка записывается в следующем виде:

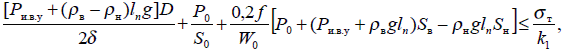
где Рсж - осевая сжимающая нагрузка (разгрузка на пакер), Н; S0 - площадь опасного сечения труб (для гладких труб по основной плос- кости), м2; f - зазор между обсадной колонной и колонной НКТ, м; W0 - осевой момент сопротивления опасного сечения труб, м3.

Значения S0 и W0, как и другие геометрические характеристики НКТ, приведены в справочнике.

Критическая сжимающая нагрузка (Н), при которой колонна НКТ подвергается продольному изгибу, определяется по формуле (18):


где EI - жесткость трубы, Н.м2; q - масса 1 м труб в воздухе, кг/м.

Нижняя часть колонны НКТ над пакером может принять изогнутую форму не только при установке пакера, но и в процессе эксплуатации скважины под действием осевых сжимающих нагрузок, связанных с влиянием давлений и температуры. Условие прочности при этом записывается в следующем виде:


где Р0 - определяют по формуле (11), Н; значения S0, W0, Sв, Sн берут справочника. Для каждой секции колонны НКТ надо определять КЗП по следующим формулам: для гладких труб и труб типа НКМ (20):


для труб с высаженными наружу концами и типа НКБ (21):


где Рр(n) - определяют по формуле (10).

КЗП можно вычислить также по формуле (22):


Длину первой секции (м) свободно подвешенной колонны (рис. 6, а, в, г) рассчитывают по формуле (23):


где Рстр - страгивающая нагрузка для труб с гладкими концами или растягивающая нагрузка Рт для труб с высаженными наружу концами и труб типов НКМ и НКБ, Н; k1 - КЗП на растяжение; q1 - теоретическая масса 1 м колонны НКТ, кг/м.

Предельные глубины спуска одноступенчатой колонны, составленной из труб по ГОСТ 633- 80 одной группы прочности при k1=1,3 приведены в справочнике. Длины второй и последующих секций находят по формуле (24):


где Рстр(n) - страгивающая нагрузка для труб n-й секции, Н; li и qi - длина (м) и масса (кг/м) труб i-й секции.

Можно также воспользоваться выражением (25):


Длину первой секции колонны, устанавливаемой с гидравлическим (гидромеханическим) пакером, или колонны, подвергаемой испытанию на герметичность, определяют из выражения (26):


Длина второй и последующих секций (n≥2) составит (27):


где Рдоп - дополнительная нагрузка, действующая на колонну от избыточного устьевого давления или от напряжения колонны при освобождении пакера, Н.

В расчетах принимается большее из значений Рдоп, полученных по формулам (28):


где Sв - площадь проходного канала труб, м2; рпак - рабочее давление пакера, Па; ΔР - усилие натяжения колонны при освобождении пакера, Н.

Оборудование устья скважин. Оборудование устья скважин всех типов предназначено для герметизации затрубного пространства, отвода продукции скважины, а также для проведения технологических операций, ремонтных и исследовательских работ. Оно комплектуется в зависимости от способа эксплуатации скважин.

При фонтанном, компрессорном и бескомпрессорном способах добычи нефти оборудование устья составляется из одинаковых деталей и узлов по подобным схемам.

Рис. 7. Схема оборудования устья скважины крестовой арматурой: 1 - кондуктор; 2 - эксплуатационная колонна; 3 - фонтанная колонна; 4 - манометр; 5 - отвод от межколонного пространства; 6 - задвижка ручного привода; 7 - манометр затрубный; 8 - отвод от затрубья; 9 - линия задавочная; 10 - подвеска фонтанных труб; 11 - коренная задвижка; 12 - задвижка с пневмоприводом; 13 - крестовина; 14 - задвижка резервная; 15 - катушка для подключения контрольно-измерительных приборов; 16 - задвижка рабочая; 17 - штуцер регулируемый; 18 - задвижка буферная; 19 - буфер и буферный манометр; 20 - блок пневмоуправления; 21 - прискважинная установка для подачи в затрубье ингибиторов и ПАВ; 22 - отвод рабочий; 23 - шлейф, 24 - задвижки фекельной линии; 25 - амбар земляной.

На устье скважин (рис. 7) монтируются колонная головка (ГК) и фонтанная арматура (ФА), состоящая, в свою очередь, из трубной головки (ГТ) и фонтанной елки (Е).

Колонная головка предназначена для соединения верхних концов обсадных колонн (кондуктора, технических и обсадных труб), герметизации межтрубных пространств и служит опорой для фонтанной арматуры.

Трубная головка служит для обвязки одного или двух рядов фонтанных труб, герметизации межтрубного пространства между эксплуатационной колонной и фонтанными трубами, а также для проведения технологических операций при освоении, эксплуатации и ремонте скважины. Обычно трубная головка представляет собой крестовину с двумя боковыми отводами и трубной подвеской. Боковые отводы 8 позволяют закачивать в межтрубное пространство воду и глинистый раствор при глушении скважины, ингибиторы гидратообразования и коррозии, измерять затрубное давление (манометром 7), а также отбирать газ из него. Трубная головка монтируется непосредственно на колонной головке.

Фонтанная елка предназначена для управления потоком продукции скважины и регулирования его параметров, а также для установки манометров, термометров и приспособлений, служащих для спуска и подъема глубинных приборов. Елка состоит из вертикального ствола и боковых отводов-выкидов (струн). На каждом отводе устанавливают по две задвижки: рабочую 16 и резервную (ближайшую к стволу) 14. На стволе установлены коренная (главная, центральная) 11 и буферная 18 задвижки. На отводах имеются «карманы» для термометров и штуцеры для манометров, а также для регулирования расхода 17. Ствол заканчивается буфером с манометром 19.

Фонтанные елки по конструкции делятся на крестовые и тройниковые. В состав ствола крестовой елки входит крестовина 13, к которой и крепятся отводы-выкиды. Каждый из них может быть рабочим. Тогда второй является резервным. В конструкцию ствола тройниковой елки (рис. 8) входят тройники 3, 13, к которым присоединяются выкидные линии - верхняя, которая является рабочей, и нижняя, являющаяся резервной. Такое распределение «ролей» связано с тем, что тройниковая арматура, как правило, применяется в скважинах, в продукции которых содержится песок или ил. При абразивном разрушении верхнего тройника скважина может быть переведена на работу через нижний отвод.

Для этого закрывается задвижка (или кран), расположенная между тройниками; верхний тройник и отвод в это время подвергаются ремонту. Ремонт крестовой арматуры значительно более затруднен. В то же время крестовая арматура компактнее, имеет меньшую высоту, ее проще обслуживать.

Фонтанная арматура рассчитана на рабочее давление 7, 14, 21, 35, 70 и 105 МПа, имеет диаметр проходного сечения ствола от 50 до 150 мм.

Манифольд - система труб и отводов с задвижками или кранами - служит для соединения фонтанной арматуры с трубопроводом, по которому продукция скважины поступает на групповую замерную установку (ГЗУ).

Рис. 8. Фонтанная арматура тройниковая: 1 - крестовик; 2,4 - переводные втулки; 3 - тройник; 5 - переводная катушка; 6 - центральная задвижка; 7 - задвижки; 8 - штуцеры; 9 - буферная заглушка; 10 - манометр; 11 - промежуточная задвижка; 12 - задвижка; 13 - тройники; 14 - буферная задвижка.

Простейшая схема манифольда крестовой фонтанной арматуры показана на рис. 9. Она предусматривает наличие двух практически идентичных обвязок (рабочая и резервная), в каждой из которых есть регулируемый штуцер 1, вентили 2 для отбора проб жидкости и газа, запорное устройство 3 для сброса продукции на факел или в земляной амбар и предохранительный клапан 6. Элементы схемы собираются в одно целое с помощью фланцевых соединений 7. Узлы, очерченные четырехугольниками (№ 1, 2, 3), собираются на заводе.

Технологические режимы работы. На начальных этапах разработки фонтанные высокопродуктивные скважины определяют возможности нефтегазодобывающего предприятия. Исследованию, регулированию и наблюдению за их работой уделяется повышенное внимание. Кроме того, фонтанное оборудование позволяет сравнительно просто проводить глубинные исследования, отбор глубинных проб, снятие профилей притока и прочее. Для установления обоснованного режима эксплуатации фонтанной скважины важно знать результаты ее работы на различных опытных режимах. Режимы работы фонтанной скважины изменяют сменой штуцера. Признаками установившегося режима скважин являются постоянство основных параметров работы скважины - дебит, давление устьевое и затрубное.


Рис. 9. Схема обвязки крестовой фонтанной арматуры: 1 - ругулируемый штуцер; 2 - вентили; 3 - запорное устройство для сброса продукции на факел или в земляной амбар; 4 тройник; 5 - крестовина; 6 - предохранительный клапан; 7 - фланцевое соединение; ГЗУ - групповая замерная установка.

На устье скважины производят замер дебита, обводненности продукции, содержание песка и твердых частиц в продукции скважины, газовый фактор, устьевое и затрубное давление, отмечают характер работы скважины: наличие пульсации, ее ритмичность и амплитуду, вибрацию арматуры и манифольдов. По полученным данным строят зависимости измеренных показателей от диаметра штуцера. Результаты служат одним из оснований для установления технологической нормы добычи из данной скважины и режима ее постоянной работы, например:

недопущение забойного давления ниже давления насыщения или некоторой его доли РС > 0,75РНАС;

установление режима, соответствующего минимальному газовому фактору или его значению, не превышающему определенной величины;

установление режима, соответствующего недопущению резкого увеличения количества выносимого песка для предотвращения образования каверны в пласте за фильтром скважины;

установление режима, соответствующего недопущению резкого увеличения процентного содержания воды в продукции скважины;

недопущение на забое скважины такого давления, при котором может произойти смятие обсадной колонны;

недопущение режима, при котором давление на буфере или в межтрубном пространстве достигнет опасных значений с точки зрения прочности и надежности работы арматуры и поверхностного оборудования вообще;

недопущение режима, при котором давление на буфере скважины может стать ниже давления в выкидном манифольде системы нефтегазосбора;

недопущение такого режима работы скважины, при котором могут возникать пульсации, приводящие к срыву непрерывного процесса фонтанирования;

установление такого режима, при котором активным процессом дренирования охватывается наибольшая толщина пласта или наибольшее число продуктивных пропластков.

О нарушении нормальной работы скважин судят по аномальным изменениям буферного и затрубного давления, изменению дебита нефти и обводненности, количеству песка и пр. Например, падение буферного давления при одновременном повышении межтрубного может указать на опасные пределы отложения парафина или минеральных солей на внутренних стенках НКТ. Одновременное снижение буферного и межтрубного давления свидетельствует об образовании на забое скважины песчаной пробки или накоплении тяжелой минерализованной пластовой воды в промежутке между забоем и башмаком НКТ. Малая скорость восходящего потока в этом промежутке может при определенных условиях привести к увеличению давления на забое. Падение давления на буфере при одновременном увеличении дебита указывает на разъедание штуцера и необходимость его замены. Засорение штуцера или отложение парафина в манифольде и выкидном шлейфе при одновременном уменьшении дебита приводит к росту буферного и межтрубного давления.

5. Газлифтная эксплуатация. Схемы работы газлифта. Оборудование газлифта. Плунжерный лифт

Логическим продолжением фонтанной эксплуатации является газлифтная эксплуатация, при которой недостающее количество газа для подъема жидкости закачивают в скважину с поверхности. Газ в нефтяную скважину можно подать под давлением без его дополнительной компрессии из газовых пластов. Такой способ называют бескомпрессорным.

Газлифт характеризуется высокой технико-экономической эффективностью, отсутствием в скважинах механизмов и трущихся деталей, простотой обслуживания скважин и регулирования работы.

В скважину опускают два ряда насосных труб. По затрубному пространству между наружной и внутренней трубами подают под давлением газ или воздух. Наружную трубу называют воздушной. Внутреннюю трубу, по которой нефть в смеси с газом или воздухом поднимается на поверхность, называют подъемной. Подъемная труба имеет меньшую длину по сравнению с воздушной. До закачки газа жидкость в подъемной и воздушной трубах находится на одном уровне. Этот уровень называют статическим. В этом случае давление жидкости на забое соответствует пластовому давлению.

По воздушной трубе (затрубному пространству) в скважину под давлением этого газа жидкость полностью вытесняется в подъемную трубу, после этого газ проникает в подъемную трубу и перемешивается с жидкостью. Плотность газированной жидкости уменьшается и по мере ее насыщения газом достигается разность в плотности газированной и негазированной жидкостей.

Вследствие этого более плотная (негазированная) жидкость будет вытеснять из подъемной трубы газированную жидкость. Если газ подавать в скважину непрерывно, то газированная жидкость будет подниматься и выходить из скважины в систему сбора. При этом в затрубном пространстве подъемной трубы устанавливается новый уровень жидкости, называемый динамической высотой или динамическим уровнем. Использование газлифтного способа эксплуатации скважин в общем виде определяется его преимуществами.

. Возможность отбора больших объемов жидкости практически при всех диаметрах эксплуатационных колонн и форсированного отбора сильнообводненных скважин.

. Эксплуатация скважин с большим газовым фактором, т.е. использование энергии пластового газа, в том числе и скважин с забойным давлением ниже давления насыщения.

. Малое влияние профиля ствола скважины на эффективность работы газлифта, что особенно важно для наклонно направленных скважин, т.е. для условий морских месторождений и районов освоения Севера и Сибири.

. Отсутствие влияния высоких давлений и температуры продукции скважин, а также наличия в ней мехпримесей (песка) на работу скважин.

. Гибкость и сравнительная простота регулирования режима работы скважин по дебиту.

. Простота обслуживания и ремонта газлифтных скважин и большой межремонтный период их работы при использовании современного оборудования.

. Возможность применения одновременной раздельной эксплуатации, эффективной борьбы с коррозией, отложениями солей и парафина, а также простота исследования скважин.

Указанным преимуществам могут быть противопоставлены недостатки.

. Большие начальные капитальные вложения в строительство компрессорных станций.

. Сравнительно низкий коэффициент полезного действия (КПД) газлифтной системы.

. Возможность образования стойких эмульсий в процессе подъема продукции скважин. Исходя из указанного выше, газлифтный (компрессорный) способ эксплуатации скважин, в первую очередь, выгодно использовать на крупных месторождениях при наличии скважин с большими дебитами и высокими забойными давлениями после периода фонтанирования. Далее он может быть применен в наклонно направленных скважинах и скважинах с большим содержанием мехпримесей в продукции, т.е. в условиях, когда за основу рациональной эксплуатации принимается межремонтный период (МРП) работы скважин.

При наличии вблизи газовых месторождений (или скважин) с достаточными запасами и необходимым давлением используют бескомпрессорный газлифт для добычи нефти.

Эта система может быть временной мерой - до окончания строительства компрессорной станции. В данном случае система газлифта остается практически одинаковой с компрессорным газлифтом и отличается только иным источником газа высокого давления.

Газлифтная эксплуатация может быть непрерывной или периодической. Периодический газлифт применяется на скважинах с дебитами до 40-60 т/сут или с низкими пластовыми давлениями. Высота подъема жидкости при газлифте зависит от возможного давления ввода газа и глубины погружения колонны НКТ под уровень жидкости.

В среднем диапазон применяемых значений давления ввода газа составляет 4,0 - 14,0 МПа. Диапазон производительности газлифтных скважин при непрерывном газлифте 60 - 2000 т/сут.

Технико-экономический анализ, проведенный при выборе способа эксплуатации, может определить приоритет использования газлифта в различных регионах страны с учетом местных условий. Так, большой МРП работы газлифтных скважин, сравнительная простота ремонта и возможность автоматизации предопределили создание больших газлифтных комплексов на Самотлорском, Федоровском, Правдинском месторождениях в Западной Сибири. Это дало возможность снизить необходимые трудовые ресурсы региона и создать необходимые инфрасфуктуры (жилье и т.д.) для рационального их использования. При определенных условиях, когда пластовой энергии недостаточно для подъема нефти с забоя на поверхность, скважины прекращают фонтанировать. Однако фонтанирование можно искусственно продлить за счет подачи в скважину по НКТ сжатого газа или воздуха. Для сжатия газа до необходимого давления применяются компрессоры. В этом случае эксплуатация скважин называется компрессорным газлифтом.

В настоящее время в качестве рабочего агента воздух использовать запрещено, т.к. при определенном соотношении углеводородных газов и воздуха образуется взрывчатая смесь (гремучий газ), которая взрывоопасна и пожароопасна.

Газлифт (эрлифт) - система, состоящая из эксплуатационной (обсадной) колонны труб и опущенных в нее НКТ, в которой подъем жидкости осуществляется с помощью сжатого газа (воздуха). Иногда эту систему называют газовый (воздушный) подъемник. Способ эксплуатации скважин при этом называется газлифтным.

По схеме подачи от вида источника рабочего агента - газа (воздуха) различают компрессорный и бескомпрессорный газлифт, а по схеме действия - непрерывный и периодический газлифт.

Рисунок 10. Схема конструкций газлифтных подъемников: а - однорядный подъемник кольцевой системы; б - однорядный подъемник центральной системы; в - двухрядный подъемник кольцевой системы; г - двухрядный подъемник центральной системы; д - двухрядный ступенчатый подъемник кольцевой системы.

Схема работы газлифтного подъемника показана на рис. 10. В затрубное пространство нагнетают газ высокого давления, в результате чего уровень жидкости в нем будет понижаться, а в НКТ - повышаться. Когда уровень жидкости понизится до нижнего конца НКТ, сжатый газ начнет поступать в НКТ и перемешиваться с жидкостью. В результате плотность такой газожидкостной смеси становится ниже плотности жидкости, поступающей из пласта, а уровень в НКТ будет повышаться. Чем больше будет введено газа, тем меньше будет плотность смеси и тем на большую высоту она поднимется. При непрерывной подаче газа в скважину жидкость (смесь) поднимается до устья и изливается на поверхность, а из пласта постоянно поступает в скважину новая порция жидкости. Дебит газлифтной скважины зависит от количества и давления нагнетания газа, глубины погружения НКТ в жидкость, их диаметра, вязкости жидкости и т.п.

Конструкции газлифтных подъемников определяются в зависимости от числа рядов насосно-компрессорных труб, спускаемых в скважину, и направления движения сжатого газа. По числу спускаемых рядов труб подъемники бывают одно- и двухрядными, а по направлению нагнетания газа - кольцевыми и центральными (см. рис. 10).

При однорядном подъемнике в скважину спускают один ряд НКТ. Сжатый газ нагнетается в кольцевое пространство между обсадной колонной и насосно-компрессорными трубами, а газожидкостная смесь поднимается по НКТ, или газ нагнетается по насосно-компрессорным трубам, а газожидкостная смесь поднимается по кольцевому пространству.

В первом случае имеем однорядный подъемник кольцевой системы (см. рисунок 10 а), во втором - однорядный подъемник центральной системы (см. рисунок 10 б). При двухрядном подъемнике в скважину спускают два ряда концентрически расположенных труб. Если сжатый газ направляется в кольцевое пространство между двумя колоннами НКТ, а газожидкостная смесь поднимается по внутренним подъемным трубам, то такой подъемник называется двухрядным кольцевой системы (см. рис. 10 в). Наружный ряд насосно-компрессорных труб обычно спускают до фильтра скважины.

При двухрядном ступенчатом подъемнике кольцевой системы в скважину спускают два ряда насосно-компрессорных труб, один из которых (наружный ряд) ступенчатый; в верхней части - трубы большего диаметра, а в нижней - меньшего диаметра. Сжатый газ нагнетают в кольцевое пространство между внутренним и наружным рядами НКТ, а газожидкостная смесь поднимается по внутреннему ряду (см. рисунок 10 д).

Если сжатый газ подается по внутренним НКТ, а газожидкостная смесь поднимается по кольцевому пространству между двумя рядами насосно-компрессорных труб, то такой подъемник называется двухрядным центральной системы (см. рисунок 10 г).

Недостатком кольцевой системы является возможность абразивного износа соединительных труб колонн при наличии в продукции скважины механических примесей (песок).

Кроме того, возможны отложения парафина и солей в затрубном пространстве, борьба с которыми в нем затруднительна.

Преимущество двухрядного подъемника перед однорядным в том, что его работа происходит более плавно и с более интенсивным выносом песка из скважины. Недостатком двухрядного подъемника является необходимость спуска двух рядов труб, что увеличивает металлоемкость процесса добычи. Поэтому в практике нефтедобывающих предприятий более широко распространен третий вариант кольцевой системы - полутора - рядный подъемник, который имеет преимущества двухрядного при меньшей его стоимости.

Оборудование газлифтных скважин.Оборудование газлифтных скважин аналогично оборудованию фонтанных. На устье устанавливается упрощенная фонтанная арматура, обвязка которой позволяет подавать газ в затрубное пространство и НКТ.

В настоящее время используются комплектные газлифтные установки для непрерывного компрессорного газлифта типа Л и для наклонно направленных скважин типа ЛН. Например, Л-60Б-210, где 60 - условный диаметр колонны подъемных труб, мм (60; 73; 89 мм); Б - условный наружный диаметр газлифтных клапанов (А, Б, В - соответственно диаметры 38, 25 и 20 мм); 210 - рабочее давление, умноженное на 0,1 МПа. Эти установки обеспечивают автоматический пуск и освоение скважин, стабильную работу в заданном режиме, возможность перехода с фонтанной эксплуатации на газлифтную без подъема НКТ и возможность спуска в НКТ до забоя любого технологического оборудования (манометры и др.).

Установки типа Л включают: а) устьевое оборудование - фонтанную арматуру АФК За-65-210; б) скважинное оборудование- НКТ (один ряд); скважинные газлифтные камеры типа К; газлифтные клапаны типа Г с фиксаторами; гидромеханический пакер ПН-ЯГМ и приемный клапан. В установках типа ЛН смонтированы другие скважинные камеры (типа КТ). Для уплотнения клапана предусмотрены в кармане верхняя и нижняя посадочные поверхности, а для входа закачиваемого газа - перепускные отверстия. При ремонтных работах в кармане устанавливается циркуляционная пробка, а при необходимости заглушить перепускные отверстия - глухая пробка. В камере клапан фиксируется в расточке кармана кулачковым фиксатором, подпружиненной втулкой или фиксирующей цангой, предусмотренной в самом клапане. Широко применяются сильфонные газлифтные клапаны типа Г, например, Г-38, Г-38Р, где цифра указывает условный наружный диаметр клапана (в мм), буква Р - рабочий клапан (без буквы Р - пусковой). Для регулирования режима закачки газа предусмотрены сменные дроссели, а для герметизации клапана в кармане - манжеты. Газлифтный клапан включает в себя обратный клапан, предназначенный для предотвращения перетока жидкости из подъемных труб в затрубное пространство. Эти клапаны извлекают из скважины и устанавливают без ее глушения набором инструментов канатной техники.

Эффективность работы газлифтной скважины тем выше, чем меньше относительная скорость газа или чем выше дисперсность газа в жидкости. На месторождениях Западной Сибири для дробления газовой фазы нашли применение диспергаторы. Диспергатор состоит из набора штуцеров для дробления газа, стопорного устройства для установки его канатным методом в муфтовом соединении НКТ на любой глубине и спускного снаряда. Применение диспергатора уменьшает удельный расход газа в среднем на 35 %.

Нормальная работа газлифтных скважин может нарушаться в результате отложения парафина, солей, образования песчаных пробок и металлических сальников. Отметим, что при газлифтной эксплуатации имеется возможность ввода ингибиторов отложения солей и парафина в поток закачиваемого газа.

Плунжерный и гидропакерный лифты.

К периодической газлифтной эксплуатации относят также плунжерный и гидропакерный лифты, работа которых основана на использовании только пластового газа (без подачи газа в скважину). Их следует рассматривать как переходящие к механизированным способам эксплуатации, когда внедрение последних запаздывает или газ срывает работу насосов. Для их применения в основном используют следующие скважины: слабо фонтанирующие с малым устьевым давлением; периодически фонтанирующие; недавно прекратившие фонтанирование, т. е. скважины с удельным расходом пластового газа, достаточным для проявления неустойчивого фонтанирования.

Установка плунжерного лифта состоит из одноразмерной колонны подъемных труб с нижним пружинным амортизатором, устьевой арматуры с верхним пружинным амортизатором и плунжера, который имеет клапан, закрывающийся снизу вверх. Выкид скважины постоянно открыт в сборную линию. Плунжер представлен пустотелым цилиндром длиною 0,5-0,6 м и массой около 6 кг. Существует множество различных конструкций плунжеров (с расширяющимся уплотнением и др.). Зазор между плунжером и внутренней стенкой НКТ составляет всего 1,5- 2 мм (перед спуском НКТ тщательно шаблонируют). Плунжер выполняет роль подвижной перегородки между жидкостью и газом и тем самым уменьшает скольжение газа. Плунжер при открытом клапане падает в НКТ. Шток клапана плунжера, ударяясь об нижний амортизатор, закрывает клапан. Потоком газа из затрубного пространства плунжер выталкивается вверх вместе со, столбом жидкости над ним. После выброса жидкости давление под плунжером уменьшается и за счет большего давления над плунжером открывается клапан. Регулирующее устройство на устье (типа соленоидов) задерживает плунжер ^регулирование цикла). Затем цикл повторяется. Плунжерный лифт может работать также с периодической подкачкой газа в затрубное пространство. Вследствие большой трудоемкости работ по подготовке НКТ и частых неполадок плунжерный лифт не нашел применения.

Отличительной особенностью гидропакерного лифта (лифта со свободным поршнем или с гидропакерным автоматическим поршнем, периодического газлифта с перекрытым выкидом) является то, что выкид скважины перекрыт (рис. 11 г), плунжер размещается с большим зазором в трубах и при желании может быть заменен поршнем 12 (без клапана). Установка работоспособна и без поршня (плунжера).

Работа установки при использовании поршня и регулятора циклов, действующего от затрубного давления (возможны и другие принципы его работы), заключается в следующем. После перекрытия выкидного клапана поток газа в подъемных трубах практически прекращается, и поршень падает на нижний амортизатор 13. Поступающий из пласта газ в основном идет в затрубное пространство, а жидкость - в подъемные трубы 3. Когда давление газа в затрубном пространстве достигнет заданного значения, регулятор цикла 1 открывает выкидной клапан 11. Газ из НКТ быстро сбрасывается в сборную систему, а газ из затрубного пространства поднимает поршень 12 со столбом жидкости над ним до устья. При подходе поршня к устью автомат закрывает выкидной клапан и выброс прекращается. Цикл снова повторяется. Для успешной работы установки пластовое давление должно быть больше 3 МПа.

Рис. 11 Установки периодического газлифта: 1) регулятор циклов, 2) автомат газоподачи, 3) насосно-компрессорные трубы, 4) скважинная газлифтная камера, 5) рабочий газлифтный клапан, 6) пакер, 7) обратный клапан, 8) камера замещения, 9) разрядный клапан, 10) верхний амортизатор, 11) выкидной клапан, 12) поршень (плунжер), 13) нижний амортизатор.

Известны также других видов периодические газлифты, сочетающие в различной комбинации отличительные элементы (перекрытие выкида, использование автомата газоподачи, поршня или плунжера).

6. УЭЦН отечественные и зарубежного производства. Эксплуатация насосов в осложненных условиях

Установка ЭЦН состоит из погружного маслозаполненного короткозамкнутого трехфазного асинхронного электродвигателя ПЭД с гидрозащитой, центробежного многоступенчатого насоса ЭЦН, кабельной линии с муфтой, присоединяемой к токовводу ПЭД, наземного электрооборудования -станции управления (ШГС), трансформатора повышенного напряжения (ТМПН) и трансформаторной подстанции (ТП).

По заказу УЭЦН дополнительно комплектуется газосепаратором для отделения свободного газа на приеме насоса и системами контроля температуры, давления и вибрации в зоне подвески установки.

УЭЦН опускается в скважину на колонне НКТ, которая подвешивается на головке эксплуатационной колонны с помощью устьевого оборудования, электроэнергия от промысловой сети через трансформатор и станцию управления по кабелю, прикрепленному к наружной поверхности НКТ хомутами, подается на электродвигатель (ПЭД), который приводит во вращение центробежный насос (ЭЦН), который подает жидкость по НКТ на поверхность.

Комплектующие узлы УЭЦН отечественного производства.

Электроцентробежный насос. Погружной электроцентробежный насос многоступенчатый, вертикального исполнения, модульный, состоит из входного модуля и модулей секций. Модули- секции представляют собой сборочные единицы, из которых можно собирать насосы с различными напорами, используя входной модуль и модули секции необходимого количества. Каждая секция насоса представляет собой металлический корпус, изготовленный из стальной трубы длиной до 5,5м. Длина насоса определяется количеством рабочих ступеней и секций, число которых зависит от параметров насоса - подачи и напора. В корпус насоса вставляется пакет ступеней, представляющий собой собранные на валу рабочие колеса и направляющие аппараты. Рабочие колеса устанавливаются на валу на продольной призматической шпонке, предотвращающей проворот их относительно вала, по ходовой посадке и могут перемещаться в осевом направлении. Направляющие аппараты зажаты в корпусе между основанием и верхним подшипником (ниппелем). Затяжка ниппеля создает у торцов направляющих аппаратов трение, предотвращающее вращение аппаратов при работе насоса. В верхней части насоса находится ловильная головка, в которую вворачивается переходной патрубок для соединения с НКТ. В собранном насосе втулка рабочего колеса вращается в отверстии направляющего аппарата как в подшипнике, а само колесо упирается в бурт направляющего аппарата. Для уменьшения силы трения, между опорной поверхностью рабочего колеса и буртом направляющего аппарата, обусловленной действующим на колесо осевым усилием, которое при нормальном режиме работы насоса направлено сверху вниз, в расточку нижнего диска колеса запрессована шайба из антифрикционного материала. По мере ее износа, рабочее колесо перемещается вдоль вала, оставаясь, всегда прижатым вниз (иногда возможен подъем колес).

Рабочие ступени насоса (направляющие аппараты и рабочие колеса) обыкновенного исполнения, завод-изготовитель “Алнас”, изготовляются из чугуна-отливкой, защитные втулки вала - из латуни, сам вал - из стали, опорные шайбы рабочих колес из текстолита. В насосе износостойкого исполнения, завод-изготовитель “Новомет”, рабочие ступени и защитные втулки изготовляются с помощью порошковой металлургии, подпятники узла пяты из карбид-кремния.

Рис. 12 Типовая конструкия скважины оборудованной УЭЦН.

Выше насоса, на 3-5 НКТ, в зависимости от газового фактора, устанавливается обратный клапан, а над обратным клапаном, через одну НКТ, сбивной клапан. Обратный клапан предназначен для предотвращения лавинообразного стока жидкости из НКТ через насос, вызывающего турбинное вращение ротора насоса, и облегченного запуска УЭЦН, после ее остановки. Сбивной клапан предназначен для слива жидкости из колонны НКТ при подъеме насосного агрегата из скважины.

Входной модуль имеет корпус с отверстиями для прохода жидкости и защитную сетку. Внутри входного модуля расположен вал с радиальными подшипниками. Верхняя часть входного модуля при помощи фланцев соединяется с основанием модуля-секции или газосепаратора, нижняя часть входного модуля, также при помощи фланцев, соединяется с протектором. Валы модуль - секций между собой соединяются при помощи шлицевых муфт.

Газосепаратор обычно используют в скважинах с большим газовым фактором. Газовый сепаратор работает аналогично центрифуге. Вал с лопатками (шнек), обычно изготавливается как единое целое, вращающийся с частотой 3000 об/мин, вытесняет более тяжелые жидкости на перифирию через переходной канал вверх в насос, тогда как более легкая жидкость (пар) остается около центра и выходит по выпускному каналу обратно в скважину.

Основным показателем работы газосепаратора является коэффициент полезного действия (к.п.д.). К.П.Д. отечественных газосепараторов очень низок и составляет всего чуть больше 20%.

Погружной электродвигатель - ПЭД.

Важнейшим узлом насосной установки является маслозаполненный погружной асинхронный трехфазный электродвигатель переменного тока с короткозамкнутым ротором вертикального исполнения типа ПЭД.

Двигатель состоит из статора, ротора, вала, головки и основания. Корпус статора изготавливается из стальной трубы с резьбой на концах для подсоединения головки и основания двигателя.

Двигатель заполняется специальным маловязким с высокой диэлектрической прочностью маслом типа МАПЭД-8, для охлаждения и смазки.

Статор собирается из активных и немагнитных шихтованных жестей с пазами, в которых располагается обмотка. Она может быть однослойной протяжной катушечной или двухслойной стержневой петлевой. Фазы обмотки соединены в “звезду”. Выводные концы обмотки статора соединяют с кабелем через специальную изоляционную штепсельную колодку токоввода.

Короткозамкнутый ротор двигателя набран из магнитных сердечников, чередующихся с подшипниками скольжения, имеющими механическую фиксацию от проворота и сохраняющие возможность легкого перемещения вдоль оси вала. Вал ротора выполнен из пустотелой калиброванной стали, сердечники - из электротехнической. В пазы сердечников уложены медные стержни, сваренные по торцам с короткозамыкающими кольцами. Сердечники набирают на вал, чередуя с радиальными подшипниками, и соединяют с ним шпонками. Весь набор сердечников на валу затянут в осевом направлении гайками или турбинкой.

Турбинка обеспечивает принудительную циркуляцию масла для выравнивания температуры двигателя на длине статора. В головке размещен упорный подшипник, состоящий из подпятника и пяты, и установлена колодка токоввода. Основание двигателя служит для размещения фильтра, перепускного клапана и клапана для закачки масла в двигатель.

Отечественные электродвигатели имеют диаметры корпусов 103, 117, 123 мм. Двигатели больших мощностей выполняются секционными. Частота вращения двигателей всех типоразмеров одинакова и равна 3000 оборотов в минуту при частоте тока 50Гц. Двигатель рассчитан на работу при температуре окружающей среды, не превышающей 900С.

Противополетный якорь - ППЯ. Якорь служит для предотвращения полета УЭЦН на забой скважины в случае обрыва труб НКТ, а также в случае расчленения узлов УЭЦН при работе из-за вибрации. При спуске УЭЦН ППЯ не позволяет превышать скорость спуска, выше допустимой (0,25м/сек, а в особо искривленных местах 0,1м/сек). В случае превышения скорости спуска происходит “заклинивание” сухарей в обсадной колонне.

ППЯ состоит из корпуса, в котором расположены основные рабочие органы противополетного якоря: поршень и четыре сухаря, с помощью которых и происходит удержание УЭЦН в обсадной колонне в случае “полета”. Вторая часть противополетного якоря - это патрубок. С помощью резьбового соединения противополетный якорь вворачивается в зависимости от модификации двигателя в компенсатор или непосредственно в двигатель.

Гидрозащита.

Гидрозащита предназначена для предохранения внутренней полости двигателя от попадания пластовой жидкости, а также для компенсации температурных изменений объема и расхода масла. Гидрозащита также выравнивает давление внутри электродвигателя с давлением в скважине на уровне его подвески и передает крутящий момент от электродвигателя к насосу. Она состоит из протектора и компенсатора.

Протектор защищает полость электродвигателя от попадания пластовой жидкости. Он имеет две камеры, заполненые маслом МАПЭД-8. Камеры разделены эластичным элементом - резиновой диафрагмой. Вал протектора вращается в трех подшипниках и опирается на гидродинамическую пяту, которая воспринимает осевые нагрузки. Для предотвращения попадания пластовой жидкости по валу, в протекторе имеются два торцовых уплотнения - верхнее и нижнее.

Компенсатор служит для пополнения запаса жидкого масла вследствие утечек через торцовые уплотнения и температурных изменений объема масла в системе «электродвигатель-гидрозащита». Компенсатор состоит из камеры, образуемой эластичным элементом - резиновой диафрагмой, заполняемой маслом МАПЭД-8. Полость за диафрагмой сообщается со скважиной отверстиями. Диафрагма защищена от повреждений стальным корпусом. Полость диафрагмы сообщается с полостью электродвигателя.

Кабельная линия.

Кабельная линия, обеспечивающая подвод электроэнергии к электродвигателю погружного центробежного электронасоса, состоит из основного питающего кабеля, сращенного с ним плоского кабеля и муфты кабельного ввода для соединения с электродвигателем. С поверхности до погружного агрегата протягивают питающий, бронированный кабель любого типа КПБП или КПБК, а в пределах погружного агрегата - только плоский кабель типа КПБП. Кабель КПБП или КПБК состоит из медных однопроволочных жил, изолированных в два слоя полиэтиленом высокой плотности и уложенных в одной плоскости или скрученных между собой. Сверху полиэтилена идет оплетка и броня.

Условия работы для кабелей: допустимое давление пластовой жидкости 19,6 МПа; газовый фактор-180 куб.м/т; температура воздуха от -600С до 450С, пластовой жидкости 900С - в статическом положении. На расстоянии 250-300 мм выше и ниже каждой муфты НКТ и каждого сростка кабель крепится стальными поясами (клямсами). Не допускается при этом слабина кабеля внутри скважины. Клямсы затягиваются до момента начальной деформации брони. Пряжка клямсы располагается в свободном пространстве между НКТ и кабелем, но, ни в коем случае не на поверхности кабеля, загнутый конец клямсы плотно прижимается к пряжке. Для крепления кабеля УЭЦН «REDA» используются клямсы фирмы REDA.

Технические характеристики силовых электрических кабелей марки КПБК и КПБП для погружных электронасосов: 1) максимальное рабочее напряжение 3300 В; 2) рабочая температура 900С; 3) конструкция жил медная; 4) изоляция 2 слоя полиэтилена толщиной 3 мм; 5) оплетка защитная пленка из прорезиненной ткани; 6) броня стальная лента.

Технические характеристики силовых электрических кабелей марки КППБПТ теплостойкий для погружных электронасосов: 1) максимальное рабочее напряжение 3300 В; 2) рабочая температура 1200С; 3) конструкция жил медная; 4) изоляция 1 слой из сшитого полиэтилена высокой плотности толщиной 1,3 мм, второй слой из сополимера пропилена толщиной 1 мм; 5) оплетка защитная лента из прорезиненной ткани; 6) броня стальная оцинкованная лента.

Станция управления и комплектное устройство.

Станция управления ШГС 5805 предназначена для управления и защиты погружных электродвигателей серии ПЭД мощностью от 14 до 100 кВт и напряжением до 2300 В переменного тока, а комплектное устройство КУПНА - для установок с электродвигателями мощностью свыше 100 кВт (125 кВт,180 кВт,250 кВт,700 кВт)

Станция управления ШГС 5805 располагается в металлическом шкафу одностороннего обслуживания с отсеком высокого напряжения. ШГС 5805 обеспечивает включение и отключение установки при автоматическом периодическом режиме, самозапуск после появления исчезнувшего напряжения и аварийное отключение (при «перегрузе» или «недогрузе» УЭЦН, коротком замыкании).

Трансформаторы масляные повышенного напряжения.

Трансформаторы серии (ТМПН) мощностью от 40 до 400 кВ·А служат для преобразования напряжения промысловой сети до величины, обеспечивающей оптимальное напряжение погружного электродвигателя в зависимости от длины кабеля, загрузки электродвигателя и напряжения сети. Для этого на высокой стороне обмоток трансформатора имеется 5-10 ответвлений (отпаек). Переключение отпаек производится при полностью отключенном трансформаторе. У трансформаторов предусмотрено масляное охлаждение. Они предназначены для работы на открытом воздухе.

Трансформатор состоит из магнитопровода, обмоток высокого напряжения ВН и низкого напряжения НН, бака, крышки с вводами и расширителя с воздухоосушителем.

Бак трансформатора заполняется трансформаторным маслом, имеющим пробивное напряжение не ниже 40кВ.

На трансформаторах мощностью 160-200 кВ·А установлен термосифонный фильтр для очистки трансформаторного масла от продуктов старения.

На крышке бака смонтирован привод переключателя ответвлений обмоток ВН (один или два); ртутный термометр для измерения температуры верхних слоев масла; съемные вводы ВН и НН, допускающие замену изоляторов без подъема извлекаемой части; расширитель с маслоуказателем и воздухоосушителем; металлический короб для предохранения вводов от попадания пыли и влаги.

Воздухоосушитель с масляным затвором предназначается для удаления влаги и очистки от промышленных загрязнений воздуха, поступающего в трансформатор при температурных колебаниях уровня масла.

Трансформаторные подстанции.

Трансформаторные подстанции серии КТППН и КТППНКС предназначены для питания, управления и защиты погружных электродвигателей серии ПЭД мощностью от 16 до 125 кВт. Подстанции КТППНКС рассчитаны на питание, управление и защиту 4 погружных электродвигателей в условиях Крайнего Севера и Западной Сибири.

Подстанции комплектуются трансформаторами серии ТМПН мощностью от 100 до 400 кВ*А.

Конструктивные отличия УЭЦН фирмы «REDA»

Электроцентробежный насос.

Корпус насоса выполнен из толстостенной, бесшовной низкоуглеродистой стали, т.е. материала, аналогичного при изготовлении обсадных колонн скважин. В скважинах с высокой коррозийной активностью используются корпуса из ферритной стали (Redalloy). Также для повышения коррозийной стойкости корпуса могут иметь монелевое покрытие.  Рабочие ступени (направляющие аппараты и рабочие колеса) могут изготовляться из NI-RESIST (сплав железа с никелем) или из RYTON (полифенеленсульфида). В связи с высокой пластовой температурой на многих месторождениях, ОАО «СНГ» закупает в основном насосы, рабочие ступени которых изготовлены из NI-RESIST. Вал и соединительные муфты - из монеля, который очень хорош от коррозии и очень крепкий материал. Рабочие колеса и защитные втулки вала изготовлены как единое целое. В головке насоса отсутствует осевой подшипник, но зато имеется радиальный, который устанавливается в месте концентрации вибрации. Щлицевая муфта между секциями насоса превратилась во втулку подшипника, что позволило обеспечить лучшую соосность соединения, поддержку консульных частей вала.

Насосы могут быть износостойкого исполнения типа ARZ (абразивно-стойкий цирконий), когда все рабочие ступени изготовлены из него или типа ES, когда по всей длине модуль - секции рабочие ступени из абразивно-стойкого циркония устанавливаются только в трех местах: в начале, в середине и в конце.

Входной модуль может быть стандартного или износостойкого исполнения типа ARZ (абразивно-стойкий цирконий). В стандартных входных модулях используется никелевая стойкая втулка. Во входных модулях типа ARZ используются циркониевые опоры и муфты, обеспечивающие повышенную защиту от абразивного износа и поперечных вибраций.

Газосепаратор.

В газосепараторе типа CRS, поставляемого фирмой «REDA» используются цирконевые опоры, упрочненные материалы и некоторые усовершенствования гидравлического характера. Принцип работы такой же, как и отечественных газосепараторов. Основными характеристиками газосепаратора является эффективность сепарации и процент всасывания газа. Эффективность сепарации определяется по формуле (29):

(29)

Процент всасывания газа - это количественный показатель того, сколько свободного газа, присутствующего у входного модуля, должно поступить в насос. Обычно это включает и естественную сепарацию газа.

С учетом количества задействованных переменных спрогнозировать эффективность сепарации довольно сложно. Одна только естественная сепарация может составлять от 5 - 70%, в зависимости от состава жидкости, скорости потока жидкости, режима течения, габаритов оборудования и т. д. Обычно приходится пользоваться грубыми оценками, которые определяются опытным путем.

Для газосепаратора фирмы «REDA» типа CRS:

Эффективность сепарации 80-95%

Процент всасывания газа 5 - 20%

Погружной электродвигатель.

Погружной электродвигатель существенных конструктивных отличий не имеет, также состоит из статора, ротора, головки и основания, но в головке отсутствует колодка токоввода. Присоединение кабельной линии к двигателю осуществляется с помощью кабельной муфты и выводных концов двигателя, посредством сочленения наконечников кабельной муфты с гильзами выводных концов двигателя. Места соединения обматывают специальной изоляционной лентой, выдерживающей высокую температуру. В связи с плохими климатическими условиями (низкая температура воздуха зимой) фирма “REDA” стала поставлять электродвигатели с колодкой токоввода, имеющей существенное отличие от колодки токоввода ПЭД отечественного производства. Существенное отличие заключается в следующем: за счет большей площади соприкосновения гильз выводных концов с наконечниками кабельной муфты осуществляется лучший контакт, что практически не приводит к прогару колодки. Сама колодка токоввода как бы «утоплена» в головке двигателя, тем самым, исключая вероятность повреждения колодки при сочленении кабельной линии с двигателем. Крепление колодки токоввода в отверстии головки двигателя осуществляется с помощью стопорного кольца.

Масло, закачиваемое в полость двигателя, обладает высокой текучестью, высокой смазывающей способностью, высокой диэлектрической прочностью, не смешивается с водой, обеспечивает хорошее охлаждение двигателя.

Погружные электродвигатели выпускаются стандартного (температура откачиваемой жидкости 121˚С) и промежуточного (температура откачиваемой жидкости 150˚С) исполнения.

Вращение вала двигателя УЭЦН «REDA» против часовой стрелки.

Гидрозащита.

Гидрозащита выполняет те же функции, что и отечественная, за исключением того, что состоит только из протектора.

Протекторы, поставляемые фирмой «REDA» двух видов:и BSL. Протектор получает наименование в соответствии с типом (типами) используемых камер уплотнений и способа соединения этих камер т.е. «последовательный» или «параллельный». Обозначение способов соединения камер: L - лабиринт, B - резервуар, P - параллельное соединение, S - последовательное соединение.

В отличии от отечественных протекторов, которые имеют два торцовых уплотнения, протектора имеют три торцовых уплотнения. Резервуар (диафрагма) изготовлен из материала AFLAS, выдерживающего температуру 204˚С.

Протектор LSLSL можно применять в скважинах с агрессивной средой, а также где пластовая температура достигает 140˚С, но нежелательно в скважинах с большой кривизной. Протектор BSL можно использовать в скважинах с большой кривизной, но нежелательно использовать в скважинах с агрессивной средой и пластовой температурой свыше 120˚С.

В отличие от отечественных УЭЦН, где усилие, развиваемое насосом, воспринимает подшипник, расположенный в головке двигателя, в УЭЦН «REDA» эту нагрузку воспринимает упорный подшипник, расположенный в протекторе.

Датчики давления и температуры.

В отличие от отечественных УЭЦН, УЭЦН «REDA» может комплектоваться датчиком давления и температуры, с помощью которых можно постоянно контролировать изменение давления над приемом насоса, а также снимать показания температуры пластовой жидкости на уровне подвески УЭЦН. Датчики поставляются двух типов: PSI и DMT.

Кабельная линия.

Кабельная линия состоит также из удлинителя, на конце которого имеется металлическая кабельная муфта и основной длины кабеля.

Удлинитель типа KELTB-LP:

Рабочая температура: 121 - 232˚С

Материал жил: Медь с покрытием из сплава.

Материал изоляции: EPDM (этилен-пропилен-диен-метилен)

Защитный материал: Свинец, поверх которого наложена лента и оплетка, усиливающие прочность конструкции.

Броня: Оцинкованная сталь, возможно из монель-металла.

Кабель Redalead.

Рабочая температура: 203 - 232˚С.

Материал жил: Медь с покрытием из сплава.

Материал изоляции: EPDM (этилен-пропилен-диен-метилен).

Защитный материал: Свинец, поверх которого наложена оплетка, усиливающая прочность конструкции.

Броня: Оцинкованная сталь, возможно из монель-металла.

Свинец обеспечивает оптимальную защиту изоляции от проникновения газов и жидкостей.

Второй тип кабельной линии, поставляемой фирмой «REDA», также состоит из удлинителя типа KELTB, с металлической кабельной муфтой и основной длины кабеля типа Redalene:

Рабочая температура: 96˚С

Материал жил: Медь с покрытием из сплава.

Материал изоляции: Полипропилен-этилен.

Защитный материал: Нитриловый шланг, защищенный с помощью ленты и оплетки.

Броня: Оцинкованная сталь, возможно из монель-металла.

Для крепления удлинителя по УЭЦН применяются специальные протектолайзеры или кожуха, которые крепятся с помощью клямс фирмы «REDA». По НКТ кабель крепится протекторами «Lassal». Конструкция данных протекторов не позволяет потянуть кабель при спуске, а также защищает кабель от мех. повреждений при СПО.

Станции управления.

Все станции управления, поставляемые фирмой «REDA» имеют модификацию MDFH. Данные станции управления комплектуются контроллерами электродвигателя типа Keltronics К889 или Keltronics K095.

Контроллер погружного электродвигателя Keltronics К889 - включает цифровой дисплей, который показывает фазные токи, установки по перегрузке и недогрузке, время, оставшееся до автоматического повторного включения, а также причину последнего отключения.

К889 непрерывно контролирует токи двигателя, токи питания контрольной цепи и состояние наружных контактов, обеспечивающих отключение двигателя при неблагоприятных условиях. Автоматическое повторное включение может быть произведено в случае недогрузки по току, перерыва электроснабжения, наружной блокировки давления, перегрузке по току, нарушения токового баланса, изменения направления вращения из-за изменения фазировки. Контроллер погружного электродвигателя Keltronics К095(КЭД) предназначен для защиты и управления электродвигателями погружных насосов. Экран «L095 WELKOM» (ЭВ) обеспечивает обслуживающему персоналу информацию о режиме работы.

Контроллер следит за рабочими параметрами электродвигателя, электропитанием, внешними выключателями, аналоговыми измерительными приборами и командами дистанционного терминала SCADA. Он защищает насосную систему от повреждений путем отключения после обнаружения неисправностей и предотвращения запуска до тех пор, пока это не станет безопасным.

Дисплей L095 необходим для настройки контроллера К095 для работы.

Обозначение УЭЦН отечественного производства.

УЭЦН в зависимости от поперечного диаметра двигателя условно делятся на 3 группы: УЭЦН5 (103 мм), УЭЦН5А (117 мм), УЭЦН6 (123 мм). Наружный диаметр УЭЦН позволяет спускать их в скважины с минимальным внутренним диаметром эксплуатационной колонны: УЭЦН5 - 121,7 мм; УЭЦН5А - 130 мм; УЭЦН6 - 144,3 мм.

Условное обозначение насоса (обычного исполнения) - ЭЦНМ5 50-1300, где

Э-привод от погружного двигателя; Ц-центробежный; Н-насос; М-модульный; 5 - группа насоса (условный диаметр скважины в дюймах); 50 - подача, м3/сут; 1300 - напор, м.

Для насосов коррозионостойкого исполнения перед обозначением группы насоса добавляется буква «К». Для насосов износостойкого исполнения перед обозначением группы насоса добавляется буква «И».

Условное обозначение двигателя ПЭДУ 45(117), где П - погружной; ЭД - электродвигатель; У - универсальный; 45 - мощность в кВт; 117 - наружный диаметр, в мм.

Для двухсекционных двигателей после буквы «У» добавляется буква «С»

Условное обозначение гидрозащиты: Протектор 1Г-51, компенсатор ГД-51, где Г - гидрозащита; Д - диафрагменная.

Обозначение УЭЦН «REDA»

Условное обозначение насоса (обычного исполнения) DN-440 (268 ступеней).

Серия 387, где DN- рабочие органы из NI-RESIST (сплав железа с никелем); 440 - подача в баррелях/сутки; 268 - количество рабочих ступеней; 387 - наружный диаметр корпуса в дюймах.

Для насосов износостойкого исполнения после величины подачи ARZ (абразивностойкий цирконий).

Условное обозначение электродвигателя 42 Л.С. - мощность в лошадиных силах; 1129 - номинальное напряжение в вольтах; 23 - номинальный ток в амперах; серия 456 - наружний диаметр корпуса в дюймах. Условное обозначение гидрозащиты: LSLSL и BSL. L - лабиринт; B - резервуар; P - параллельное соединение; S - последовательное соединение.

Причины отказов отечественных УЭЦН.

В НГДУ «Нижнесортымскнефть» больше половины (52%) эксплуатационного фонда и 54,7% дающего продукцию фонда скважин с УЭЦН приходится на Битемское месторождение.

По НГДУ, включая Камынское, Ульяновское, Битемское, Мурьяунское, Северо-Лабатьюганское и другие месторождения, за 2013 год произошло 989 отказов УЭЦН отечественного производства.

Наработка на отказ в процентном соотношении составляет:

от 30 до 180 суток - 331 отказ УЭЦН (91%)

свыше 180 суток - 20 отказов УЭЦН (5,5%)

свыше года- 12 отказов УЭЦН (3,5%).

Таблица 2. Причины отказов отечественных УЭЦН выраженные в процентном соотношении.

Причина отказа

Количество отказов

Процентное отношение

нарушение СПО негерметичность НКТ недоспуск УЭЦН недостаточный приток некачественный ремонт ГЗ некачественный ремонт ПЭД некачественный вывод на режим некачественная комплектация УЭЦН некачественный монтаж УЭЦН некачественная подготовка скважин некачественная эксплуатация скважин необоснованный подъём нестабильное электроснабжение брак при изготовлении кабельной муфты большой газовый фактор некачественный ремонт ГЗ конструктивный недостаток ЭЦН механические повреждения кабеля механические примеси некачественный раствор глушения некачественная эксплуатация в периодическом режиме отложение солей повышенное содержание КВЧ снижение изоляции кабеля превышение кривизны некачественный ремонт ГЗ снижение изоляции ПЭД

2 10 7 18 9 1 23 2 1 3 8 2 2 8 4 2 7 6 25 2 20 29 23 70 3 7

0.64 3.8 2.3 5.7 2.8 0.31 7.32 0.64 0.31 0.95 2.54 0.64 0.64 2.8 1.2 0.64 2.22 1.91 8.7 0.64 6.59 9.55 7.32 23.3 0.95 2.3


На Камынском, Ульяновском, Битемском, Мурьяунском, Северо-Лабатьюганском и других месторождениях погружные электроцентробежные насосы фирмы «REDA» начали внедрять в мае 1995 года. В настоящее время на 01.01.2013г фонд нефтяных скважин, оборудованных УЭЦН «REDA» по Камынскому, Ульяновскому, Битемскому, Мурьяунскому, Северо-Лабатьюганскому и других месторождениях составляет:

эксплуатационный фонд - 735 скважин

действующий фонд - 558 скважин

фонд, дающий продукцию - 473 скважины

простаивающий фонд - 2 скважины

бездействующий фонд - 2 скважин

В процентном отношении это выглядит следующим образом:

неработающий фонд - 0,85%

простаивающий фонд - 0,85%

бездействующий фонд - 0,85%

Глубина спуска насосов составляет от 1700 до 2500 метров. ДН-1750 эксплуатируются с дебитами 155...250 м3/сутки, с динамическими уровнями 1700..2000 метров, ДН-1300 эксплуатируются с дебитами 127...220 м3/сутки, с динамическими уровнями 1750...2000 метров, ДН-1000 эксплуатируются с дебитами 77...150 м3/сутки, с динамическими уровнями 1800...2100 метров,

ДН-800 с дебитами 52...120 м3/сутки, с динамическими уровнями 1850...2110 метров, ДН-675 с дебитами 42...100 м3/сутки, с динамическими уровнями 1900...2150 метров, ДН-610 с дебитами 45...100 м3/сутки, с динамическими уровнями 1900...2100 метров, ДН-440 с дебитами 17...37 м3/сутки, с динамическими уровнями 1900...2200 метров.

Температура в зоне подвески УЭЦН 90...125 градусов Цельсия. Обводненность продукции скважин 0...70%.

Причины отказов УЭЦН «REDA».

Таблица 3. Причины отказов УЭЦН «REDA» выраженные в процентном соотношении.

Причины ремонта скважин

Число отказов по конкретной причине, % от общего кол-ва

Износ рабочих органов (КВЧ)

6

Заклинивание отложениями солей

35

Снижение сопротивления изоляции кабеля

9,5

Снижение сопротивления изоляции двигателя

4,6

Механические повреждения кабеля

13,3

Отказы по ГТМ

4,5

Негерметичность НКТ

11,5

Недостаточный приток

9

Брак сбивного клапана

2,2

Заводской брак датчика

2,2

Некачественный монтаж

2,2


Краткий анализ причин отказов УЭЦН «REDA».

Первое место по причинам повторных ремонтов УЭЦН «REDA» занимает заклинивание отложениями солей, что составляет 35% числа всех ремонтов. Большая чувствительность к забиванию солями установок обуславливается их конструктивными особенностями. Очевидно, рабочие колеса имеют меньший зазор и большую центробежную кривизну. Это, по-видимому, способствует и ускоряет процесс солеотложения.

Механические повреждение кабеля можно объяснить только браком работы бригад ПРС при спускоподъемных операциях. Все отказы по этой причине - преждевременные.

Негерметичность НКТ по причине некачественной поставки трубы заводом-изготовителем.

Снижение сопротивления изоляции кабеля - в сростке кабеля (прогар), там, где был использован не освинцованный кабель REDALENE.

Снижение притока объясняется понижением пластового давления.

На шестом месте стоят отказы по причине повышенного КВЧ, но это не говорит о том, что УЭЦН «REDA» не боятся механических примесей. Объясняется это тем, что такие установки ЭЦН эксплуатируются в скважинах с допустимой концентрацией механических примесей, другими словами, работают в «тепличных условиях», т.к. стоимость установок REDA очень высока (превышает отечественные установки более чем в 5 раз).

Снижение сопротивления изоляции двигателя - электрический пробой обмотки статора из-за перегрева двигателя или попадания в полость двигателя пластовой жидкости.

Остановки по геолого-техническим мероприятиям ГТМ (перевод в ППД, под ГРП и т. д.)

Высоконапорные установки, работавшие с низкими динамическими уровнями обозначили проблему выделения газа практически в условиях пласта, что отрицательно повлияло на работу УЭЦН (кстати, что подтверждает и эксплуатация высоконапорных отечественных УЭЦН), поэтому в дальнейшем от спуска высоконапорных УЭЦН на месторождениях НГДУ «НСН» отказываются. Ведутся работы в настоящее время по испытанию кожухов обратного потока. О результатах испытаний говорить еще рано. Технологические службы стали шире использовать применение штуцеров. В заключении хочется отметить, что УЭЦН импортного производства намного более устойчивы для работы в осложненных условиях. Это четко выражено по результатам сравнения УЭЦН отечественного и импортного производства. Причем и те и другие имеют свои достоинства и недостатки.

7. Штанговые глубинонасосные установки. Схемы ШСНУ, новые привода плунжерных насосов. Эксплуатация скважин другими методами: ГПН, ЭДН, ЭВН, ШВНУ и др. Состав оборудования. Преимущества и недостатки этих методов добычи

Одним из распространенных сегодня способов механизированной добычи нефти является штанговый насосный способ, в основе которого лежит использование скважинной штанговой насосной установки (УСШН) для подъема жидкости из нефтяных скважин.  УСШН (рис.13) состоит из станка-качалки, оборудования устья, колонны НКТ, подвешенных на планшайбе, колонны насосных штанг, штангового глубинного насоса (ШГН) вставного или невставного типа.  Скважинный насос приводится в действие от станка-качалки. Вращательное движение, получаемое от двигателя при помощи редуктора, кривошипно-шатунного механизма и балансира, преобразуется в нем в возвратно-поступательное движение, передаваемое плунжеру скважинного насоса, подвешенного на штангах. Это обеспечивает подъем жидкости из скважины на поверхность.

Принцип работы

Обычные глубинные насосы по принципу действия относятся к плунжерным насосам простого действия. Ниже приводится схема процесса откачки глубинным насосом (рис. 14). Исходная ситуация: насос и насосно-компрессорная труба заполнены жидкостью. Плунжер находится в верхней мертвой точке О.Т.; плунжерный клапан закрыт. Нагрузку столба жидкости над насосом принимают на себя насосные штанги. При прекращении потока жидкости снизу, через всасывающий клапан, данный клапан закрывается под действием силы тяжести. Цилиндр полностью или частично заполнен жидкостью. При погружении плунжера в эту жидкость плунжерный клапан открывается и вся нагрузка жидкости падает на всасывающий клапан и, следовательно, на НКТ (рис.14а).

При дальнейшем ходе плунжера вниз (рис. 14б) верхняя штанга погружается в столб жидкости, вытесняя соответствующий ее объем, который подается в трубопровод. В случае применения плунжеров, диаметр которых равен диаметру верхней штанги или меньше его, подача жидкости в трубопровод производится только во время хода плунжера вниз, в то время как при ходе плунжера вверх вновь набирается столб жидкости. Как только плунжер начинает двигаться вверх, плунжерный клапан закрывается; нагрузка жидкости снова передается на насосные штанги. Если пластовое давление превышает давление в цилиндре, всасывающий клапан открывается в момент отхода плунжера от нижней мертвой точки U.T. (рис. 14в). Поступление жидкости из пласта в освобожденный от давления цилиндр продолжается, пока ход плунжера вверх не закончится в позиции О.Т. (рис.14г). Одновременно с поднятием столба жидкости над плунжером происходит всасывание равного количества жидкости. На практике, однако, рабочий цикл насоса обычно сложнее, чем указано на этой упрощенной схеме. Работа насоса зависит в значительной мере от размера вредного пространства, отношения «газ - жидкость» и от вязкости откачиваемой среды.

Кроме того, вибрации колонны насосно-компрессорных труб и насосных штанг, возникающие в результате непрерывной перемены нагрузки столба жидкости, и вибрации клапанов также влияют на цикл откачки.

Типы исполнения насосов

Выпускаются следующие типы глубинных насосов:

трубные;

вставные.

Изготовляются также специальные модели, предназначенные для применения в нестандартных условиях эксплуатации (например: большой дебит, высоковязкая среда, большое содержание песка).

В пределах отдельных рядов типоразмеров возможны многочисленные варианты исполнения и комбинации деталей.

Рис. 13. Схема скважинной штанговой насосной установки

Поскольку у трубных насосов цилиндр насоса является неотъемлемой частью колонны НКТ, он должен быть встроен вместе с насосно-компрессорными трубами. Плунжер и всасывающий клапан могут быть смонтированы на насосных штангах (рис. 14).

Рис. 14 Схема процесса откачки

Трубные насосы.

Всасывающий клапан устанавливается в нижней части насоса при помощи соответствующих устройств. Для разборки всасывающий клапан может быть захвачен и извлечен, в результате чего насосно-компрессорные трубы опорожняются. Всасывающие клапаны изготовляются также в не извлекаемом исполнении. В таком случае допускается их исполнение в более крупных размерах, что имеет немаловажное значение при высоких дебитах. При применении неподвижно встроенного всасывающего клапана рекомендуется предусмотреть дополнительный дренажный клапан (сбивной палец). Ввиду того что плунжер имеет точно обработанную поверхность, не рекомендуется его вводить в длинную, необработанную внутри колонну насосно-компрессорных труб. С тех пор как появились надежные съемные соединители, на практике чаще всего сначала встраивают плунжер вместе с насосом, а соединение его с насосными штангами производится позже при помощи автосцепа. Плунжер извлекается вместе с цилиндром насоса по колонне НКТ. Описанный выше принцип действия позволяет применять глубинные насосы, номинальный диаметр которых больше номинального диаметра НКТ. При одинаковом размере НКТ подача трубного насоса всегда будет больше подачи вставного глубинного насоса в результате более крупного диаметра цилиндра. Следовательно, трубные насосы применяются преимущественно для более крупных дебитов с небольшой глубины. Ограниченность глубины отбора обусловлена максимальной предельной нагрузкой на колонну НКТ и насосных штанг. Как правило, срок службы трубного насоса больше, чем срок службы вставного насоса, в результате больших размеров изнашивающихся деталей. Помимо ограниченности глубины отбора дополнительный недостаток заключается в том, что при каждой замене насоса необходимо извлекать всю колонну НКТ.

Вставные насосы

Вставные насосы характеризуются тем, что монтаж комплектного насоса в колонну НКТ, а также демонтаж его осуществляется вместе с насосными штангами; при установке насос находится в замковой опоре (якорном башмаке) колонны насосно-компрессорных труб (рис. 16). Благодаря разнообразию типов и многочисленным вариантам материалов, используемых для изготовления элементов насоса, вставные насосы могут быть оптимально адаптированы к условиям скважины. При одинаковом размере НКТ у вставных насосов диаметр плунжера, проходное сечение и, следовательно, объем подачи меньше, чем у трубных насосов.

Различные виды исполнения вставных насосов отличаются:

а) по типу крепления (замка):

насосы с замком в нижней части насоса;

насосы с замком в верхней части насоса;

б) по типу рабочего цилиндра и плунжера:

применяются тонкостенные и толстостенные цилиндры с металлическими плунжерами.

Рис. 15. Схема трубного насоса: 1 - клетка; 2 - грязесъемник; 3 - переходник; 4 - держатель седла; 5 - мембрана; 6 - муфта соединительная; 7 - плунжер; 8 - цилиндр; 9 - корпус клапана; 10 - муфта соединительная; 11 - шарик; 12 - седло; 13 - держатель седла; 14 - удлинитель; 15 - корпус клапана; 16 - шарик; 17 - седло; 18 - муфта соединительная; 19 - наконечник

Основные узлы ШГН

Цилиндр

Цилиндры глубинных насосов могут быть выполнены в различных конструкциях. Толстостенные цилиндры для всех длин хода изготовляются из холоднотянутых бесшовных труб различных материалов. Благодаря большой толщине стенок они почти не деформируются, но их внутренний диаметр меньше, чем у тонкостенных цилиндров, что отрицательно сказывается на эффективной площади плунжера. Тонкостенные цилиндры изготовляются из цельнотянутых труб или сварных труб с продольным швом. Из-за небольшой устойчивости к деформации длина цилиндров ограничена. Кроме того, этот вид исполнения - с тонкой стенкой чувствителен - в отношении высоких перепадов давления. Для повышения износостойкости рекомендуется закалка или твердое хромирование рабочих поверхностей.

Рис. 16. Схема вставного насоса:  1 - шток; 2 - плунжер; 3 - цилиндр

Рабочие цилиндры трубных насосов

Для трубных насосов применяются рабочие цилиндры следующих видов исполнения: - толстостенный прецизионно хонингованный цилиндр (ТН). Цилиндр интегрирован в колонну НКТ. Внутренняя (рабочая) поверхность цилиндра точно хонин гована, потому что для металлического плунжера желательно иметь минимальные допуски.

Рабочие цилиндры вставных насосов

Для вставных насосов применяются:

толстостенные прецизионно хонингованные цилиндры (RH).

На торцах резьб цилиндр имеет металлическую уплотняющую поверхность. Длину хода плунжера можно увеличить при помощи навинчиваемых удлинителей;

тонкостенные прецизионно хонингованные цилиндры (RW).

В данных цилиндрах работают плунжеры максимального диаметра, чем достигается максимальный дебит. Но малая толщина стенки ограничивает глубину посадки насоса. Цилиндр имеет внутренние цилиндрические резьбы.

Плунжер

Плунжеры глубинных насосов металлические, они выполняют уплотняющую функцию без дополнительных уплотняющих элементов - за счет выбора минимальных зазоров между плунжером и цилиндром.

Плунжеры выпускаются:

- ниппельного типа;

муфтового типа с гладкой или желобковой поверхностью.

Скопление жидкости в кольцевых пазах желобчатых плунжеров служит для улучшения смазки плунжера. Наличие кольцевых пазов не влияет на уплотняющую функцию. При осаждении в пазах значительных количеств песка или металлических частиц, не уносимых смазывающей откачиваемой нефтью, имеет место повышенный износ или - в аварийных случаях - заклинивание плунжера.

Зазор между плунжером и рабочим цилиндром выбирается в зависимости от свойств откачиваемой среды.

Клапаны

Клапаны глубинных насосов выполнены в виде шариковых клапанов.

В зависимости от откачиваемой среды применяются клапаны из различных комбинаций материалов, различных классов твердости.

Корпуса клапанов

По виду исполнения различают «открытые» и «закрытые» корпуса.

«Открытый» корпус обозначает, что жидкость всасывается в открытый сбоку корпус и затем вытекает через эти же отверстия, в то время как при «закрытом» корпусе жидкость выходит из корпуса не сбоку, а сверху. Корпуса клапанов стандартного исполнения изготовляются цельнометаллическими; для абразивных условий эксплуатации имеются резиновые направляющие шарика или коррозионно-стойкие вставки.

Седла клапанов и шарики:

седла и шарики из нержавеющей стали SS;

седла и шарики из кобальтового сплава (стеллит) ST;

седла и шарики из вольфрамкарбида ТС.

Установка электропогружного винтового насоса УЭВН.

Установка винтового погружного электронасоса состоит из электродвигателя, гидрозащиты, насоса, кабеля, оборудования устья скважины, автотрансформатора и станции управления. Установка винтового погружного насоса состоит из тех же узлов, что и установка погружного центробежного насоса. Вместо центробежного насоса здесь используется винтовой насос. В установках погружных винтовых электронасосов (УЭВН) применяются четырехполюсные погружные электродвигатели с частотой вращения 1500 об/мин.

Погружной винтовой насос (рис. 17) состоит из следующих основных узлов и деталей: пусковой муфты 1, с помощью которой вал насоса через вал протектора соединяется с валом погружного электродвигателя; эксцентриковых муфт 2 и 5; правых и левых обойм 3 и 6 с винтами 4 и 7; предохранительного клапана 8 и трубы 9. Рабочими органами винтового насоса являются однозаходные стальные винты и резинометаллические обоймы, внутренняя полость которых представляет собой двухзаходную винтовую поверхность с шагом, в 2 раза большим шага винта. Жидкость на прием насоса поступает через фильтровые сетки. Винты соединены между собой эксцентриковой муфтой. Между винтом и обоймой образуются свободные полости, или камеры. При вращении винта они заполняются перекачиваемой жидкостью, которая при последующем вращении винта герметически замыкается и поступает вдоль оси винта в насосно-компрессорные трубы. При вращении винта непрерывно открываются и замыкаются полости, образуемые винтом и обоймой.

Во время работы насоса винт совершает сложное движение. Винтовой насос объемного действия, и его теоретическая подача прямо пропорциональна частоте вращения винта. При условии, что винт, вращаясь в осевом направлении, не перемещается, жидкость, заполняющая впадины винтовой полости обоймы, будет поступать из одной впадины в другую в соответствии с шагом винта. За один оборот винт два раза перекроет камеры в обойме, т.е. вытеснит из нее две определенные порции жидкости. На промыслах погружные винтовые насосы применяются для скважин со 146 мм и 168 мм обсадными колоннами производительностью 40, 80 и 100 м3/сут.

Один и тот же погружной винтовой насос позволяет эффективно эксплуатировать скважину при различных динамических уровнях.

Погружной винтовой электронасос, сочетая в себе положительные качества центробежного и поршневого насосов, обеспечивает плавную, непрерывную подачу жидкости без пульсации, с постоянным высоким к.п.д. при большом диапазоне изменения давления. Особенностью винтовых насосов является значительное улучшение параметров с увеличением вязкости перекачиваемой жидкости. Эти насосы наиболее эффективны при добыче вязкой нефти.

Большим преимуществом винтового насоса является то, что он обеспечивает стабильные параметры при добыче нефти с высоким газовым фактором и попадание свободного газа на прием насоса не приводит к срыву подачи насоса.

При работе погружного винтового насоса не происходит интенсивного эмульгирования жидкости.

Установка гидропоршневого насоса (ГПНУ).

Установка гидропоршневого насоса (рис. 18) состоит из погружного оборудования и силового насоса 2, емкости для отстоя жидкости 1 и трапа 3 для очистки. Погружное оборудование состоит из насосной установки, представляющей собой гидравлический двигатель и насос 6, поршни которого жестко соединены штоком. Для эксплуатации скважины гидропоршневым насосом в нее спускают два ряда концентрически расположенных насосно-компрессорных труб 4 и 5 диаметрами 63 и 102 мм, на концах которых находится седло, плотно посаженное в посадочный конус 7.

Насос спускают в трубу диаметром 63 мм, прижимают к посадочному седлу струей жидкости, нагнетаемой сверху силовым насосом, и приводят в действие при помощи золотникового устройства, расположенного между двигателем и самим насосом. Вместе с поршнем двигателя возвратно-поступательное движение совершает поршень насоса и откачивает жидкость из скважины, которая вместе с рабочей жидкостью по кольцевому пространству поднимается на поверхность.

Смена погружного агрегата производится без подъема насосно-компрессорных труб. Поднимают агрегат из скважины под действием рабочей жидкости, которая подается в кольцевое пространство под агрегат и выдавливает его, поднимая до устьевой головки, где его захватывает ловитель. С помощью гидропоршневого насоса можно поднимать жидкость с больших глубин (до 4000 м) с дебитом до 20 м3/сут. К.п.д. гидропоршневой установки достигает 0,6.  К недостаткам гидропоршневых установок относится необходимость около каждой скважины устанавливать емкости для рабочей жидкости и специального силового насоса.

Рис. 17. Схема установки гидропоршневого насоса

Рис. 18. Схема установки гидропоршневого насоса

8. Поддержание пластового давления. Типы применяемого оборудования. Схема ППД на базе установок «Реда». Типы центробежных насосов на КНС

Методы поддержания пластового давления

Нефтяные месторождения разрабатываются высокими темпами, достигающими 6-8% отбора нефти в год от промышленных запасов. Однако если при этом не восполнять израсходованный запас пластовой энергии, происходит быстрое падение пластового давления. При падении давления ниже давления насыщения из нефти выделяется газ, увеличивается газовый фактор, напорный режим работы залежей переходит в режим растворенного газа, дебиты скважин резко снижаются. В результате не обеспечивается полнота отбора нефти из залежи и на многие годы затягивается ее разработка.

Наиболее эффективное мероприятие по обеспечению высоких коэффициентов нефтеотдачи при высоких темпах отбора нефти и газа из залежей - искусственное поддержание пластовой энергии путем закачки воды в продуктивные пласты.

В настоящее время это наиболее интенсивный и экономически эффективный способ воздействия, позволяющий значительно уменьшить количество добывающих скважин, увеличить их дебит, снизить затраты на 1 т добываемой нефти.

Чтобы не допустить падения пластового давления ниже давления насыщения, с самого начала разработки залежи применяют различные методы поддержания пластового давления, которые характеризуются определенным размещением нагнетательных скважин, соответствующие геолого-физическим особенностям залежей нефти. В зависимости от расположения нагнетательных скважин по отношению к залежи нефти различают следующие методы заводнения:

законтурное;

приконтурное;

внутриконтурное.

Законтурное заводнение применяют на сравнительно небольших по размерам залежах с однородными коллекторами и хорошей проницаемостью их в законтурных частях. Нагнетательные скважины располагают за контуром нефтеносности на расстоянии 200-500 м от внешнего ряда добывающих скважин.

Добывающие скважины располагают внутри контура нефтеносности параллельно внешнему контуру нефтеносности. Одновременно можно эксплуатировать 2-3 ряда добывающих скважин. Если эксплуатировать одновременно большее число рядов таких скважин, энергия напора краевых и нагнетаемых вод будет экранироваться первыми рядами добывающих скважин, а скважины, расположенные во внутренних рядах, будут эксплуатироваться при режиме растворенного газа.

При низкой проницаемости пород продуктивного пласта нагнетательные скважины размещают на небольшом расстоянии от контура нефтеносности или непосредственно на этом контуре в более проницаемых частях залежи. Такой вариант называется приконтурным заводнением.

При разработке значительных по размерам нефтяных залежей применяют внутриконтурное заводнение, сущность которого заключается в том, что площадь залежи разрезается рядами нагнетательных скважин на отдельные участки, которые затем разрабатываются как самостоятельные залежи. При закачке воды на линии нагнетательных скважин образуется зона повышенного давления, которая препятствует перетокам нефти из одной площади в другую. Очаги воды, сформировавшиеся вокруг каждой нагнетательной скважины, со временем увеличиваются, в результате чего они сливаются, образуя единый фронт воды, продвижение которого можно регулировать, также как и при законтурном заводнении. Добывающие скважины располагают рядами, параллельными рядам нагнетательных скважин. Расстояние между рядами, а также между отдельными скважинами определяют в зависимости от геолого-физической характеристики залежи. В результате используют различные комбинации метода поддержания пластового давления: центрального, осевого, кольцевого, очагового, блокового, избирательного.

В качестве рабочего агента для закачки в пласт применяются три типа воды: вода альб-сеноманского горизонта (добываемая при помощи водозаборных скважин), сточная вода (получаемая при первичном отделении нефти от попутной воды) и пресная (добываемая из открытых водоемов - рек, озер). На основании проведенных анализов можно сделать выводы о совместимости той или иной воды, используемой для нужд ППД.

Хорошая совместимость у сеноманской и сточной воды, плохо совместимы пресная и сеноманская вода - в связи с наличием в пресной воде свободного кислорода, который способствует окислению содержащихся в сеномане компонентов, в результате чего образуются агрессивные среды (кислоты) и нерастворимые осадки. На поздней стадии разработки месторождений с целью улучшения выработки неоднородного пласта за счет более полного использования капиллярных и гидродинамических сил применяется циклическое воздействие на пласт, которое включает в себя периодическое изменение объемов закачки рабочего агента в пласт во времени. Применение системы ППД на месторождениях нефти и газа в начальной стадии эксплуатации позволяет рационально вести процесс разработки, достичь конечного коэффициента нефтеотдачи.

Принципиальная схема системы ППД

Система ППД представляет собой комплекс технологического оборудования, необходимый для подготовки, транспортировки, закачки рабочего агента в пласт нефтяного месторождения с целью поддержания пластового давления и достижения максимальных показателей отбора нефти из пласта.

Система ППД должна обеспечивать:

необходимые объемы закачки воды в пласт и давления ее нагнетания по скважинам, объектам разработки и месторождению в целом в соответствии с проектными документами;

подготовку закачиваемой воды до кондиций (по составу, физико-химическим свойствам, содержанию мехпримесей, кислорода, микроорганизмов), удовлетворяющих требованиям проектных документов;

проведение контроля качества воды системы ППД, замеров приемистости скважин, учета закачки воды как по каждой скважине, так и по группам, пластам и объектам разработки и месторождению в целом:

герметичность и надежность эксплуатации системы промысловых водоводов, применение замкнутого цикла водоподготовки и заводнения пластов с использованием сточных вод;

возможность изменения режимов закачки воды в скважины, проведения ОПЗ нагнетательных скважин с целью повышения приемистости пластов, охвата пластов воздействием заводнения, регулирование процесса вытеснения нефти к забоям добывающих скважин.

Рис. 1.9 Состав системы поддержания пластового давления

В состав системы ППД входят (рис. 19):

) источники поставки воды - поверхностные воды из открытых водоемов (водозабор), сеноманские воды (водозаборные скважины), сточные (пластовая) воды с УПСВ ДНС;

) специальные водоочистные установки для подготовки воды;

) система низконапорных водоводов с давлением до 3,0 МПа;

) кустовые насосные станции по закачке агента (КНС);

) система высоконапорных водоводов и распределительных блоков (ВРБ) с давлением до 20 МПа;

) фонд нагнетательных скважин.

Особенности конструкций водозаборных скважин.

В настоящее время для добычи воды сеноманского горизонта применяются конструкции водозаборных скважин, представленные в таблице 4.

Таблица 4 Конструкции водозаборных скважин

Название колонны

Интервал спуска по вертикали, м

Примечание

1

Направление

324

0-30

Применяются фильтры ФВС-168/6000 с установкой 2-х центраторов ЦЦ-2 168/216 на каждый фильтр


Кондуктор

245

0-600



Эксплуатационная колонна - хвостовик

146/168

550-1850


2

Направление

630

0-30

Применение щелевых фильтров и фильтров тонкой очистки (проволочная сетка, дарнит)


Кондуктор

426

0-400



Эксплуатационная колонна - хвостовик

168

380-2105



Для второго варианта направление и кондуктор цементируются до устья. Эксплуатационная колонна-хвостовик не цементируется. Для первого варианта направление и кондуктор цементируются до устья. С целью недопущения попадания цемента в интервал установки фильтров эксплуатационная колонна оборудуется пакером ПДМ-168 (кровля сеномана), который отсекает нижнюю часть колонны. Верхняя часть эксплуатационной колонны цементируется через цементировочную муфту, расположенную выше пакера, до опорного кольца.

Особенности конструкций нагнетательных скважин

Рис. 20. Принципиальная схема обвязки водозаборных скважин: 1 - устья водозаборных скважин с ОВС-324-100-16 или ОВС-168; 2 - регулятор расхода ДР-65-21-4Ф; 3 - обратный клапан Ду-100, Ру-16; 4 - задвижки ЗКЛ2-100-16; 5 - водовод Ду-100 (труба 114-10); 6 - водовод Ду-250 (труба 273-8)

В ОАО «Сургутнефтегаз» применяются в основном следующие конструкции нагнетательных скважин: направление (d = 324 мм) спускается на глубину 30-60 м, кондуктор (d = 245 мм) - на глубину 700-750 м, эксплуатационная колонна (d = 146 мм) - на глубину от 0 до 2 590 м. Направление и кондуктор цементируется до устья, эксплуатационная колонна - на 100 м выше башмака кондуктора.

Спуск кондуктора до глубины 700-750 м обусловлен тем, что в данном интервале глубин залегают люлинворские и чеганские глины, создающие динамически напряженные зоны, а также для разобщения водоносных горизонтов и перекрытия зон обваливающихся пород.

Этот момент, а также давление опрессовки эксплуатационных колонн 150-210 атм, является отличительной особенностью. В добывающих скважинах кондуктор спускается до глубины 400 м и спрессовывается на 110-125 атм.

Устьевое оборудование и обвязка водозаборных скважин

На устье водозаборных скважин с кондуктором диаметром 426 мм устанавливается колонная головка 426х100х16, где 426 мм - диаметр кондуктора, 100 мм - диметр выкидной линии, 16 кг/см2 - рабочее давление.

Подземное оборудование водозаборных скважин.

Погружные установки центробежных электронасосов типа УЭЦП и УЭЦПК предназначены для подачи поверхностных или пластовых вод на кустовые насосные станции при содержании в жидкости механических примесей не более 0,1 г/л и температурой не выше 60 °C.

Установка состоит из погружного электродвигателя с насосом, кабеля, оборудования устья скважины, трансформатора и станции управления.

Выпускаются установки по II группе надежности ОСТ 26-06-1204-82.

Погружные установки спускаются на НКТ d = 102, 114 мм на глубину 300-400 м. Установка немецкой фирмы «Плойгер» PN-83 аналогична отечественной установке ЭЦВ 10-120-160 и отличается лишь тем, что ее резиновый силовой кабель не имеет брони.

Таблица 5 Технические характеристики

Установка

Подача, м3/сут

Напор,м

Число ступеней

Внутренний d колонны обсадных труб

Плотность перекачиваемой жидкости, кг/м3

Температура, оС

У2ЭЦШ4-1000-1200

1000

200

45

359

1000

25

УЭЦП16-2000-1400

2000

360

30

396

1000

40

УЭЦПК16-2000-1400

2000

360

30

396

1200

40

ЭЦПК16-3000-1000

3000

930

16

396

1200

60

УЭЦПК16-3000-160

3000

160

3

396

1200

60

УЭЦПК16-2000-120

3000

120

5

396

1200

60

УЭЦВ 10-120-100

2800

100


250

1200

25

УЭЦВ 10-120-120

2800

120


250

1200

25

УЭЦВ 10-120-160

2800

160


250

1200

25

PN-83 (Плойгер)

2000

200


250


40


Поэтому при спуске PN-83 в водозаборные скважины для предотвращения нарушения изоляции кабеля на него надевается кусок шланга ∅= 32 мм и длиной 15 см, после чего крепится к НКТ металлическими поясами крепления (клямсами).

9. Подземный и капитальный ремонт скважин. Виды ремонта, техника и инструмент

Неотъемлемой частью процесса поддержания стабильного уровня нефтедобычи является проведение подземного ремонта скважин. Подземный ремонт скважин подразделяется на текущий и капитальный:

• текущий ремонт обеспечивает замену или ревизию подземного и устьевого оборудования скважин с помощью подъемного агрегата;

• капитальный ремонт предусматривает реализацию комплекса геолого-технических мероприятий, направленных на повышение нефтеотдачи пласта и устранение аварий подземного оборудования, произошедших в процессе эксплуатации скважин.

Текущий ремонт скважин - комплекс работ, направленных на восстановление работоспособности скважинного и устьевого оборудования, и работ по изменению режима эксплуатации скважин, а также по очистке подъемной колонны и забоя от парафино-смолистых отложений, солей и песчаных пробок бригадой ТРС.

Текущий ремонт скважин обеспечивает замену или ревизию подземного и устьевого оборудования скважин с помощью подъемного агрегата. ТРС подразделяют на планово-предупредительный и восстановительный.

Планово-предупредительный ТРС - ремонт, проводимый с целью профилактического осмотра, выявления и устранения отдельных нарушений в работе скважины, пока не заявивших о себе.

Восстановительный ТРС - проводимый с целью устранения отказа глубинно-насосного оборудования.

К категории ТРС относятся:

• оснащение скважин глубинно-насосным оборудованием при вводе в эксплуатацию;

• перевод скважин на другой способ эксплуатации;

• оптимизация режима эксплуатации заменой типоразмера насоса и глубины спуска;

• ремонт скважин, оборудованных ШГН, ЭЦН;

• ремонт фонтанных и газлифтных скважин;

• очистка, промывка забоя скважин.

По характеру и последовательности проведения операций ТРС подразделяют на комплексы подготовительных, основных и заключительных работ.

К комплексу подготовительных относятся следующие работы:

• прием скважины из эксплуатации;

• глушение скважины;

• передислокация ремонтного оборудования;

• планировка территории рабочей зоны;

• монтаж подъемной установки;

• демонтаж устьевого оборудования.

Основными работами при производстве ТРС считаются:

• спуск и подъем скважинного оборудования;

• шаблонировка эксплуатационной колонны скважины;

• очистка забоя, промывка скважины;

• работы по ловле оборвавшихся, отвернувшихся штанг;

• ревизия лифта НКТ, штанг (при необходимости - замена);

• внедрение, извлечение клапанов-отсекателей и пакеров;

• работы по ремонту оборудования устья скважины;

• проведение некоторых видов исследовательских работ.

Комплекс заключительных работ включает себя:

• сборку устьевой эксплуатационной арматуры;

• очистку арматуры, ремонтного оборудования и инструмента от накопленных отложений;

• пуск и освоение скважины;

• демонтаж комплекса оборудования;

• очистку и планировку территории рабочей зоны;

• сдачу скважины в эксплуатацию.

Работа бригад ТРС (текущего ремонта скважин) планируется еженедельно с составлением плана-графика движения бригад. Текущий ремонт скважин производится под руководством мастера текущего ремонта скважин по плану, утвержденному начальниками цехов ПРС (ПКРС) и ЦДНГ или уполномоченными на это лицами приказами по НГДУ.

При текущем ремонте скважин I категории и эксплуатирующих пласты АС4-8 план утверждается главным инженером и главным геологом НГДУ.

Все скважины, включаемые в план-график текущего ремонта, рассматриваются заместителем главного инженера по технологии, главным технологом и заместителем ЦПРС на основании предоставленных ЦДНГ планов-заказов на производство ТРС.

В плане-заказе, составленном ведущим технологом и ведущим геологом ЦДНГ, должно быть отражено:

• наличие резервного объема задавочной жидкости, соответствующего удельного веса исходя из категории по опасности НГП, конкретных геологических и других условий; вид противовыбросового оборудования;

• категория скважины;

• газовый фактор скважины;

• пластовое давление и дата его замера, который производится не реже 1 раза в 3 месяца;

• информация о ранее проведенных исследованиях;

• наличие подземного оборудования;

• цель и последовательность выполняемых работ.

Ремонт скважин II и III категорий согласовывается с начальником ЦПРС и утверждается начальником ЦДНГ.

Капитальный ремонт скважин - комплекс работ, связанных с восстановлением работоспособности обсадных колонн, цементного кольца, призабойной зоны, с ликвидацией аварий, спуском и подъемом оборудования при раздельной эксплуатации и закачке. Скважино-операцией ремонтных работ по повышению нефтеотдачи пластов является комплекс работ в скважине по введению в пласт агентов, инициирующих протекание в недрах пласта физических, химических или биологических процессов, направленных на повышение коэффициента конечного нефтевытеснения на данном участке залежи.

Единицей ремонтных работ перечисленных направлений (ремонт, скважино-операция) является комплекс подготовительных, основных и заключительных работ, проведенных бригадами текущего, капитального ремонта скважин или звеном по интенсификации, от передачи им скважины заказчиком до окончания работ, предусмотренных планом и принимаемых по акту.

Если после окончания работ скважина не отработала 48 часов гарантированного срока или не вышла на установленный режим в связи с некачественным проведением работ запланированного комплекса по вине бригады КРС или звена по интенсификации, то независимо от того, какая бригада будет осуществлять дополнительные работы на скважине, считать их продолжением выполненных работ без оформления на них второго ремонта или скважино-операции.

КРС обладает большой напряженностью, сложностью, требует использования разнофункциональной техники, оборудования и инструмента.

К категории КРС относятся:

• ремонтно-изоляционные работы;

• работы по устранению негерметичности эксплуатационной колонны;

• устранение аварий, допущенных в процессе эксплуатации или ремонта;

• переход на другие горизонты и приобщение пластов;

• комплекс подземных работ, связанных с бурением, в т.ч. забуривание боковых стволов;

• все виды воздействия на ПЗП с целью увеличения притока нефти;

• исследования и перевод скважин по другому назначению.

Работа бригад КРС (капитального ремонта скважин) планируется ежемесячно с составлением плана-графика движения бригад.

Все скважины, включаемые в план-график капитального ремонта, рассматриваются геологической службой нефтегазодобывающего управления, геологами ЦДНГ и ведущим геологом ЦКРС на основании предоставленных заказов на производство КРС. В заказе, составленном старшим геологом ЦДНГ, должна быть отражена геолого-техническая характеристика скважины и, дополнительно:

• категория скважины;

• газовый фактор скважины;

• пластовые давления и дата их замера (замер должен производиться не реже 1 раза в 3 месяца);

• информация о ранее проведенных геофизических и гидродинамических исследованиях.

Капитальный ремонт скважин производится под руководством мастера бригады КРС в соответствии с планом, составленным ЦКРС и утвержденным главным инженером и заместителем начальника по геологии НГДУ.

При выполнении КРС бригадой УПНПиКРС (УКРСиПНП) план работ согласовывают главный инженер и главный геолог НГДУ, утверждают главный инженер и главный геолог УПНПиКРС (УКРСиПНП). В плане работ обязательно должно быть отражено:

• наличие резервного объема задавочной жидкости соответствующего удельного веса до окончания ремонтных работ исходя из категории по опасности НГП, конкретных геологических и других условий;

• вид противовыбросового оборудования;

• категория скважины;

• газовый фактор скважины;

• информация о ранее проведенных исследованиях;

• наличие подземного оборудования;

• цель ремонта, порядок проведения работ и ответственные за их выполнение.

Основные виды оборудования и инструмента, применяемые при текущем и капитальном ремонте скважин.

Подъемные агрегаты

В бригадах текущего ремонта скважин используются подъемные агрегаты грузоподъемностью до 50 т: Азинмаш-37А, АР-32/40, АПРС-32/40, АР-50 на шасси автомобилей КрАЗ или Урал.

В бригадах капитального ремонта скважин используются подъемные агрегаты грузоподъемностью 60 т и более: А-50М, ТR-38 на шасси автомобиля КрАЗ, А-60/80 на шасси МАЗ; подъемные агрегаты импортного производства фирмы Cooper LTO-250, Cardwell KB-210, National Oilwell NOI-150, предназначенные для спуско-подъемных операций с бурильными трубами свечами с установкой их за «палец» площадки верхового рабочего. Бригады КРС Сургутского УПНПиКРС при проведении капитальных ремонтов скважин используют установки с непрерывной трубой фирмы Hydra Rig. В УКРСиПНП эксплуатируются 4 комплекса «Непрерывная труба» фирмы National Oilwell для углубления стволов скважин на депрессии.

Оборудование и инструмент, применяемые при спуско-подъемных операциях

Для захвата и удержания на весу колонны труб и штанг, а также СПО применяются соответствующие инструменты и оборудование:

без применения механизмов для свинчивания и развинчивания труб используются двуштропные трубные элеваторы ЭХЛ (для НКТ и бурильных труб с наружным диаметром от 60 до 114 мм) грузоподъемностью от 15 до 40 т, корпусные элеваторы КМ (для труб от 60 до 114 мм) грузоподъемностью до 125 т;

при применении механизмов для свинчивания и развинчивания используются одноштропные трубные элеваторы ЭТА-60БН (для труб от 60 до 89 мм) грузоподъемностью 60 т; корпусные элеваторы КМ (для труб от 60 до 114 мм) грузоподъемностью до 125 т и аналогичные элеваторы зарубежного производства грузоподъемностью до 136 т.

Элеватор трубный ЭТА предназначен для захвата под муфту и удержания на весу колонны насосно-компрессорных и бурильных труб в процессе спуско-подъемных операций при освоении, текущем и капитальном ремонте скважин.

Элеватор может быть использован как при механическом свинчивании и развинчивании труб, так и при ручном с применением спайдера. Наличие сменных захватов позволяет одним элеватором производить спуско-подъемные операции с трубами нескольких типоразмеров:

при ремонте скважин, оборудованных установками ШГН, используются штанговые элеваторы грузоподъемностью 5, 10, 15 и 20 т;

спайдеры отечественного производства и зарубежных фирм Oil Country и Cavins грузоподъемностью от 50 до 136 т - для труб диаметром от 60 до 114 мм.

Гидравлические ключи

Для обеспечения быстрого и безопасного свинчивания и развинчивания муфтовых и замковых соединений труб диаметром от 60 мм до 114 мм при выполнении СПО бригады по текущему и капитальному ремонту скважин ОАО «Сургутнефтегаз» используют подвесные гидравлические ключи фирмы Oil Country моделей 45000 (бригады ТРС) и 56801 (бригады КРС) и фирмы Eckel (только бригады КРС) моделей 4 1/2" UHT и 5 1/2" Hydra Shift (VS).

Принцип действия гидравлического ключа заключается в передаче гидравлической энергии к гидравлическому мотору, при этом гидравлическая энергия преобразовывается в ротационную механическую мощность, которая приводит в действие зубчатую передачу ключа. Источником гидравлической энергии является гидравлическая система подъемного агрегата. Перед проведением СПО ключ подвешивается к элементам мачты подъемного агрегата. В процессе проведения СПО ключ, с открытой предохранительной заслонкой, подводится к зафиксированной (разгруженной) на спайдере подвеске труб, затем предохранительная заслонка закрывается. Челюсти и втулки (головки) ключа захватывают ниппельную или замковую часть верхней трубы; стопорное устройство при этом захватывает и удерживает от проворота муфту или замковую часть нижней трубы, закрепленной в спайдере. При перемещении рукояток управления ключа в определенное положение обеспечивается автоматическое свинчивание или развинчивание резьбовых соединений подвески труб с необходимыми параметрами крутящего момента (крутящий момент ключа устанавливается предварительно для каждого типоразмера труб вручную).

Ловильный инструмент Особое место в капитальном ремонте скважин занимают работы по ликвидации аварий с подземным оборудованием (КР-3). Для выполнения этих задач используются различный по назначению и принципу действия ловильный инструмент.

Колокола ловильные

Колокола относятся к ловильному инструменту врезного типа. Предназначены для извлечения оставшейся в скважине колонны бурильных или насосно-компрессорных труб путем захвата их за наружную поверхность. По конструкции они подразделяются на сквозные и несквозные. Сквозные колокола обеспечивают возможность пропуска сквозь корпус колокола сломанного или безмуфтового конца трубы с последующим захватом путем нарезания резьбы на наружной поверхности замков и муфты.

Аналогичны по принципу действия овершоты отечественного и зарубежного производства, отличие - принцип захвата (использование спирального или цангового захвата за тело аварийного оборудования).

Метчики

Метчики относятся к ловильным инструментам нарезного типа. Предназначены для извлечения из скважины оборвавшихся или отвернувшихся бурильных, насосно-компрессорных и обсадных труб. Метчики, вводимые в трубу и врезающиеся в ее тело, называются универсальными. К ним относятся метчики типов МЭУ, МБУ. Метчики, ввинчиваемые в имеющуюся резьбу муфты трубы или трубного замка, называются специальными. К ним относятся метчики МЭС, МСЗ.

Труболовки.

Труболовками называют ловильный инструмент для извлечения из скважины труб и других объектов цилиндрической формы, имеющий захватные устройства клинового типа. Они подразделяются по виду захвата на внутренние и наружные, по возможности освобождения от захваченного объекта - на освобождающиеся и неосвобождающиеся, по конструкции захватного устройства - на цанговые, спиральные, плашечные, комбинированные.

Рис. 22. Виды труболовок: 1 - труболовки наружные; 2 - труболовки внутренние.

Рис. 23. Виды фрезеров: 1 - фрезер пилотный ФП; 2 - фрезер магнитный ФМ; 3 - фрезер-райбер типа ФРЛ; 4 - фрезер типа ФЗ

Фрезеры

Фрезеры являются инструментами для разрушения труб и различных предметов в скважине, придания им формы, удобной для захвата ловильным инструментом, выпрямления смятых обсадных труб и вырезания «окна» при забуривании бокового ствола. По конструкции фрезеры можно подразделить на кольцевые, цилиндрические, ступенчатые, конусные, с направляющим устройством, с захватным устройством, с выдвижными режущими органами и др. По материалу армирования режущих элементов фрезеры бывают армированные твердосплавными пластинами и армированные композиционными сплавами.

Механические, гидравлические ясы

Ясы - это инструменты, предназначенные для создания ударов и вибраций, используются в основном для освобождения прихваченных в скважине труб и заклиненного оборудования. Механические ясы предназначены для ликвидации заклинившего оборудования и инструмента небольшой длины ударами, направленными вверх. Гидравлические ясы предназначены для создания ударных нагрузок, направленных вверх и вниз с целью освобождения прихваченных труб или заклиненных инструментов и оборудования.

Пакерно-якорное оборудование

Для разобщения пластов, изоляции обсадных колонн от воздействия рабочей среды в процессе проведения ремонтно-профилактических работ и ликвидации поглощений на скважинах применяются пакеры различных конструкций. Они используются для проведения технологических операций по гидроразрыву, кислотной и термической обработкам продуктивного пласта, для выполнения изоляционных работ, гидропескоструйной перфорации, установки проволочных фильтров и клапанов отсекателей, очистки забоев скважин, газлифтной эксплуатации и т.д. Пакеры спускают в скважину на колонне труб, извлекаемых после спуска или вместе с трубами. Проходное отверстие пакера должно позволять беспрепятственно спускать инструмент и оборудование для проведения необходимых операций освоения и эксплуатации скважин, для ликвидации осложнений или выполнения необходимых технологических операций. Пакер должен выдерживать максимально необходимый перепад давления, действующий на него в экстремальных условиях (рабочее давление).

Пакеры подразделяются на следующие типы:

ПВ - пакер, воспринимающий усилия от перепада давления, направленного вверх;

ПН - направленного вниз;

ПД - направленного как вниз, так и вверх.

Герметичное разобщение пространства эксплуатационной или промежуточной обсадной колонны обеспечивается подбором диаметра пакера в соответствии с внутренним диаметром труб, создающим оптимальный зазор между пакером и стенкой колонны труб. Восприятие усилия от перепада давления, действующего на пакер в одном или двух направлениях, происходит за счет соответствующего заякоривающего устройства (якоря), наличие которого в шифре типоразмера пакера обозначается буквой «Я». Пакеры по способу посадки подразделяются на гидравлические (Г), механические (М) и гидромеханические (ГМ). Пакеры, способные воспринимать усилие от перепада давления, направленного как вниз, так и вверх, могут выполнять в скважине свои функции и без колонны подъемных труб, которую извлекают после посадки пакера. В этом случае для отсоединения колонны труб от пакера и поворотного соединения с ним используются разъединители колонн, которые устанавливаются над пакером.

Для подготовки стенок обсадной колонны труб под посадку пакера и якоря с целью обеспечения их надежной работы применяются скважинные инструменты - скреперы типа СК и инструмент колонный типа 2НК.

При капитальном ремонте скважин, для предотвращения загрязнения продуктивного пласта тампонажными растворами, во время ремонтно-изоляционных работ, а также для временного разобщения пластов и ствола эксплуатационной колонны скважины применяются разбуриваемые пакеры типа ПВРМ, ПРГ, ПРГМ, взрыв-пакеры типа ВП и др. Установка разбуриваемых в скважине пакеров производится с помощью установочного устройства, спускаемого на трубах бригадой капитального ремонта скважин. Взрыв-пакеры спускает и устанавливает в скважине на геофизическом кабеле перфорационная партия.

Рис. 24. Пакеры: 1 - ПРО-ЯМО2; 2 - ПРО-ЯМО3; 3 - П-Г-ЯГ; 4 - ПРО-ЯДЖ-О с клапаном-отсекателем; 5 - ПРЗ-118

10. Сбор и подготовка нефти, воды и газа на месторождении. Схемы и оборудование ДНС

В настоящее время обустройство нефтяных месторождений осуществляется с применением напорных герметизированных систем сбора и подготовки нефти, основными элементами которых являются добывающие скважины, автоматизированные групповые замерные установки (АГЗУ), дожимные насосные станции (ДНС) или сепарационные установки с насосной откачкой, установки предварительного сброса воды, а также центральный пункт сбора и подготовки нефти, газа и воды (ЦППН). Элементы системы связаны между собой с помощью трубопроводов: от добывающих скважин к АГЗУ газожидкостная смесь подается по выкидным линиям, дальнейшая транспортировка продукции осуществляется по нефтесборным и напорным коллекторам.

Известны следующие системы промыслового сбора: самотечная двухтрубная, высоконапорная однотрубная и напорная.

При самотечной двухтрубной системе сбора продукция скважин сначала разделяется при давлении 0,6 МПа. Выделяющийся при этом газ под собственным давлением транспортируется до компрессорной станции или сразу поступает на газоперерабатывающий завод (ГПЗ). Жидкая фаза направляется на вторую ступень сепарации. Нефть с водой самотеком (за счет разности высот) поступает в резервуары сборного пункта, откуда подается насосом в резервуары ЦППН.

Применение высоконапорной однотрубной системы позволяет отказаться от сооружения участковых сборных пунктов и перенести операции по сепарации нефти на ЦППН. Благодаря этому достигается максимальная концентрация технологического оборудования, укрупнение и централизация сборных пунктов, сокращается металлоемкость нефтегазосборной сети, исключается необходимость строительства насосных и компрессорных станций на территории промысла, обеспечивается возможность утилизации попутного нефтяного газа с самого начала разработки месторождений.

Напорная система сбора предусматривает однотрубный транспорт нефти и газа на бригадные сепарационные установки, расположенные на расстоянии до 10 км от скважин, и транспорт газонасыщенных нефтей в однофазном состоянии - до ЦППН, на расстояние 100 км и более.

На месторождениях ОАО «Сургутнефтегаз» применяется напорная герметизированная система сбора и подготовки продукции скважин, почти полностью исключающая потери углеводородов.

Кустовое размещение устьев скважин в процессе бурения

В процессе бурения устья группы скважин располагаются на одной кустовой площадке. Это делается с целью экономии затрат при строительстве скважин, их обустройстве и дальнейшей эксплуатации, что особенно актуально в условиях северной части Западной Сибири.

Количество скважин на кусте зависит от плотности сетки размещения забоев скважин, принятой для данного месторождения, и максимально допустимых углов наклона стволов скважин, позволяющих вести безаварийную эксплуатацию и ремонт внутрискважинного оборудования в течение всего периода добычи нефти из скважины. Устья скважин размещаются на кустовой площадке по прямой линии, группируются в позиции по 2-5 скважин. Расстояние между скважинами в позиции - 5 метров. Расстояние между позициями должно составлять не менее 15 метров.

Устья добывающих и нагнетательных скважин оборудованы фонтанной арматурой, включающей в себя элементы запорной арматуры и приспособления для проведения исследовательских работ. Автоматизированная групповая замерная установка предназначена для замера дебита жидкости, а при наличии дополнительного оборудования возможен замер дебита нефти, воды и газа. Дренажная емкость предназначена для дренирования сепарационных емкостей и трубопроводов АГЗУ, а также для дренирования выкидных коллекторов добывающих скважин при проведении регламентных и аварийных работ.

Рис. 25. Схема внутрикустового сбора нефтегазоводяной смеси

Обустройство куста скважин, обеспечивающее добычу и сбор скважинной продукции, применяемое оборудование и его характеристики

Блок распределения воды предназначен для распределения воды, поступающей с КНС, по нагнетательным скважинам. Блок дозировки реагента предназначен для доставки всевозможных химических реагентов в нефтесборный коллектор. Также возможно использование дозировочных насосов для подачи реагентов на устье скважины по дополнительному трубопроводу.

Блок местной автоматики предназначен для управления АГЗУ, сбора информации с СУ УЭЦН и УШГН и передачи собранной информации в систему телемеханики.

Кустовой трансформатор предназначен для понижения напряжения до величины, необходимой для питания электропотребителей, расположенных на кустовой площадке. Трансформатор станции управления УЭЦН предназначен для повышения напряжения с целью компенсации его потерь в кабельной линии, питающей электродвигатель УЭЦН. Станция управления УЭЦН предназначена для управления установкой ЭЦН и защиты электропогружного оборудования.

Принципиальная схема внутрипромыслового сбора нефтегазоводяной смеси.

Предварительная подготовка нефти на комплексе сооружений ДНС-УПСВ-КНС.

Комплекс сооружений ДНС (дожимная насосная станция) - УПСВ (установка предварительного сброса воды) - КНС (кустовая насосная станция) предназначен для:

сбора продукции с добывающих скважин, размещенных на кустовых площадках месторождений, и ее сепарации;

предварительного сброса пластовой воды с применением реагентов-деэмульгаторов и температурного подогрева;

учета и транспортировки предварительно обезвоженной нефти на ЦПС;

очистки попутного нефтяного газа от капельной жидкости, учета и подачи его на собственные нужды ДНС - УПСВ и в газопровод на ГТЭС, ГПЭС, КС;

подготовки пластовой воды, учета и подачи ее с очистных сооружений на КНС с последующей закачкой в пласт.

Состав комплекса:

Узел сепарации нефти:

сепаратор первой ступени сепарации;

сепараторы-буферы;

газосепараторы.

При большом содержании газа в добываемой жидкости для обеспечения полной сепарации дополнительно устанавливаются на входе ДНС предварительные сепараторы. Установка предварительного сброса воды (в состав входят трехфазные сепараторы «Хитер-Тритер» или следующее оборудование):

печи трубчатые блочные (ПТБ);

сепараторы горячей сепарации (СГ);

отстойники (ОГ).

Площадка подготовки пластовой воды:

резервуары очищенных стоков (ОРВС);

емкость сбора нефти с полупогружным насосом.

Резервуар аварийный:

аварийный резервуар (АРВС).

Установка подготовки топливного газа:

сепаратор центробежный вертикальный.

Система факельная:

сепаратор факельный;

факел аварийного сжигания газа;

емкость сбора конденсата;

нефтенасосная;

насосы перекачки нефти.

Станция насосная откачки стоков:

насосы откачки пластовой воды.

Площадка ввода реагентов:

блочная установка дозирования реагентов (БДР).

Площадка дренажных емкостей:

емкости дренажные.

Узлы учета:

узел учета нефти (УУН);

узел учета газа (УУГ);

узел учета воды (УУВ).

Технологические трубопроводы.

Противопожарное оборудование:

противопожарная насосная с насосами подачи воды;

блок-бокс противопожарного инвентаря;

резервуары противопожарного запаса воды;

емкости хранения запаса пенообразователя;

пожарные гидранты.

Кустовая насосная станция.

Принципиальная схема сооружений.

Рис. 27. Схема предварительной подготовки нефти на комплексе сооружений ДНС - УПСВ - КНС: 1 - предварительный сепаратор; 2 - сепаратор первой ступени; 3 - газосепаратор; 4 - трехфазный сепаратор «Хитер-Тритер»; 5 - сепаратор-буфер; 6 - ОРВС; 7 - емкость сбора нефти с насосом; 8 - АРВС; 9 - нефтенасосная; 10 - УУН; 11 - станция насосная откачки стоков; 12 - УУВ; 13 - сепаратор центробежный вертикальный; 14 - сепаратор факельный; 15 - факел аварийного сжигания газа; 16 - емкость сбора конденсата; 17 - УУГ; 18 - БДР; 19 - КНС; 20 - резервуар противопожарного запаса воды; 21 - противопожарная насосная; 22 - емкость хранения пенообразователя; I - продукция с кустов скважин; II - нефть на ЦПС; III - нефть в емкость сбора нефти; IV - нефть в сепараторы-буферы; V - нефть в (из) АРВС; VI - газовый конденсат в емкость сбора конденсата; VII - конденсат на вход насосов перекачки нефти; VIII - газ на ГТЭС, ГПЭС, КС; IX - газ на собственные нужды; X - газ на факел; XI - подтоварная вода в ОРВС; XII - подтоварная вода на вход насосов откачки стоков; XIII - подтоварная вода на кусты скважин; XIV - реагент-деэмульгатор во входной трубопровод на ДНС.

Рис. 28. Схема предварительной подготовки нефти на ДНС - УПСВ с предварительными сепараторами и печами ПТБ: 1 - предварительный сепаратор; 2 - сепаратор первой ступени; 3 - газосепаратор; 4 - ПТБ; 5 - сепаратор горячей ступени; 6 - ОГ; 7 - сепаратор-буфер; 8 - ОРВС; 9 - емкость сбора нефти с насосом; 10 - АРВС; 11 - нефтенасосная; 12 - УУН; 13 - станция насосная откачки стоков; 14 - УУВ; 15 - сепаратор центробежный вертикальный; 16 - сепаратор факельный; 17 - факел аварийного сжигания газа; 18 - емкость сбора конденсата; 19 - УУГ; 20 - БДР; 21 - КНС; 22 - резервуар противопожарного запаса воды; 23 - противопожарная насосная; 24 - емкость хранения пенообразователя; I - продукция с кустов скважин; II - нефть на ЦПС; III - нефть в емкость сбора нефти; IV - нефть в сепараторы-буферы; V - нефть в (из) АРВС; VI - газовый конденсат в емкость сбора конденсата; VII - конденсат на вход насосов перекачки нефти; VIII - газ на ГТЭС, ГПЭС, КС; IX - газ на собственные нужды; X - газ на факел; XI - подтоварная вода в ОРВС; XII - подтоварная вода на вход насосов откачки стоков; XIII - подтоварная вода на кусты скважин; XIV - реагент-деэмульгатор во входной трубопровод на ДНС.

Продукция скважин с кустовых площадок поступает в предварительные сепараторы и далее, в сепараторы I ступени, где происходит первичная сепарация газа. Уровень жидкости в сепараторах I ступени поддерживается регулирующими клапанами, установленными на трубопроводах выхода жидкости из сепараторов.

Частично разгазированная нефтегазоводяная смесь поступает в трехфазные сепараторы типа «Хитер-Тритер» через входной штуцер в верхней части аппарата во входную секцию установки, где происходит первичное отделение газа от жидкости. С 2009 года начали использоваться установки со смонтированным внутри аппарата входным распределителем потока. Он представляет собой заглушенную с одной стороны трубу с отверстиями, расположенными напротив межтрубного пространства жаровых труб для удаления из него осаждающегося твердого осадка. Отделенный газ поднимается вверх установки и через экстрактор влаги поступает к выпускному газовому патрубку. В экстракторе влаги вся жидкость, содержащаяся в газе, коагулируется и сливается с жидкой фазой. Далее газ проходит через клапан обратного давления, который регулирует рабочее давление в аппарате. Эмульсия, нефть и подтоварная вода спускаются по стенкам жаровых труб и переливаются через перегородку, предотвращающую образование каналообразного потока нефти или эмульсии. Подтоварная вода собирается на дне аппарата под жаровыми трубами в отстойной секции. Нагревание эмульсии при ее прохождении вокруг жаровых труб вызывает быстрое коагулирование капель воды и разбивание эмульсии. Капли влаги, выделившейся из эмульсии, оседают на дне емкости и соединяются со свободной водой, осевшей без подогрева. Кроме того, нефть и эмульсия, проходя над жаровыми трубами, вымывают образовавшиеся на них осадки и накипь. Температура в жаровых трубах или топке поддерживается путем сжигания газа, выделившегося из потока входящей продукции. Если этого газа недостаточно для поддержания необходимой температуры, то в топки подается газ с узла сепарации ДНС. Аппарат оснащен регуляторами и приборами, обеспечивающими контроль пламени и температуры.

Нефть поднимается через отстойный отсек, где за счет гравитации из нее выходит вся оставшаяся вода. Оставшаяся водонефтяная эмульсия протекает через пластинчатый отсек аппарата (коалесцер), который состоит из множества расположенных друг над другом рифленых полипропиленовых пластин. В условиях ламинарного потока капли нефти поднимаются и скапливаются на пластинах. Затем эти капли коагулируются и образуют нефтяную пленку на поверхности полипропиленовых пластин. Таким образом, близко расположенные рифленые пластины создают большую площадь для коагуляции, где собираются капельки нефти, и этот отсек способствует большему столкновению капель. Отделенная нефть поднимается вверх и поступает в сборный отсек. Нефть выводится из аппарата через выпускной клапан-регулятор. Вода, оседающая за счет гравитации, соединяется со свободной водой на дне емкости и выводится из аппарата через клапаны-регуляторы.

Подогретая частично обезвоженная нефть из трехфазного сепаратора поступает в сепараторы-буферы, где происходит дальнейшее разгазирование нефти. В нормальном режиме нефть из сепараторов-буферов поступает на прием насосов откачки нефти ДНС. При работе в этом режиме газ из сепараторов-буферов поступает на топливные нужды.

В аварийном режиме нефть из сепараторов-буферов поступает в аварийный резервуар. В этом режиме газ полностью сбрасывается на факел.

Уровень жидкости в сепараторах-буферах поддерживается регулирующими клапанами либо системой автоматического управления с частотно-регулируемыми электроприводами регулированием скорости электродвигателей насосных агрегатов. С выхода насосов нефть поступает на узел учета нефти и далее, по напорному нефтепроводу на ЦПС.

Отвод газа.

Нефтяной попутный газ, выделившийся в предварительных сепараторах и сепараторах I ступени, поступает в горизонтальные газосепараторы для очистки от капельной жидкости и далее, через узел учета газа в систему газопроводов, для транспортировки на ГТЭС, ГПЭС, КС и на собственные нужды. Газ, используемый в качестве топлива (собственные нужды), подается на площадку подготовки топливного газа в центробежный вертикальный газосепаратор, где происходит дополнительная очистка от капельной жидкости.

Газ, выделившийся в трехфазных сепараторах «Хитер-Тритер», поступает в сепараторы-буферы. Все сепараторы снабжены предохранительными клапанами (СППК). В случае срабатывания СППК газ по газопроводу подается на факел аварийного сжигания газа.

Сброс пластовой воды

Подтоварная вода из аппаратов «Хитер-Тритер» поступает на очистные сооружения (ОРВС), где происходит очистка воды от нефтепродуктов. Для улучшения качества воды используются два ОРВС, работающих последовательно.

После динамического отстоя очищенная пластовая вода из резервуаров самотеком поступает в насосную очищенных стоков на вход насосов, с выхода которых через узел учета воды поступает на прием насосов КНС. Уловленная нефть из ОРВС поступает на прием насосов откачки нефти и откачивается на ЦПС через узел учета нефти.

Использование подтоварной воды

Подтоварная вода из аппаратов «Хитер-Тритер» либо из отстойников поступает на очистные сооружения (ОРВС), где происходит очистка воды от нефтепродуктов. Для улучшения качества воды используются два ОРВС, работающих последовательно. После динамического отстоя очищенная пластовая вода из резервуаров самотеком поступает в насосную очищенных стоков и насосами откачивается на КНС или в низконапорный водовод. Насосами КНС подтоварная вода по высоконапорным водоводам подается на кусты скважин для закачки в целях поддержания пластового давления.

Товарная подготовка нефти на ЦППН. Общие понятия о процессах, происходящих в ЦППН. Описание технологической схемы подготовки нефти.

Рис. 10. Принципиальная технологическая схема подготовки нефти на КСП НГДУ: 1 - нагреватели первой ступени; 2 - электростатические аппараты «Хитер-Тритер»; 3 - отстойники первой ступени; 4 - нагреватели второй ступени; 5 - сепаратор горячей ступени; 6 - электродегидраторы; 7 - концевые сепараторы; 8 -технологические резервуары; 9 - товарные резервуары; 10 - насосная внешней откачки; 11 - узел учета нефти; 12 -очистные резервуары; 13 - насосная откачки подтоварной воды; 14 - узел учета воды; 15 - насосы откачки уловленной нефти; 16 - сепаратор центробежный вертикальный; 17 - сепаратор факельный; 18 - факел аварийного сжигания газа; 19 - емкость сбора конденсата; 20 - узел учета газа; 21 - блочная установка дозирования реагентов; 22 - резервуар противопожарного запаса воды; 23 - противопожарная насосная; 24 - емкость хранения пенообразователя; Iа - нефть с ДНС-УПСВ (первый поток); Iб - нефть с ДНС-УПСВ (второй поток); II - нефть на ФКСУ; III - нефть с очистных резервуаров; IV - вода с отстойников и электродегидраторов; V - вода с установок «Хитер-Тритер»; VI - вода с технологических и товарных резервуаров; VII - вода в систему ППД; VIII - газ с сепараторов горячей ступени и установок «Хитер-Тритер»; IX - газ на компрессорную; X - газ на факел; XI - газ с компрессорной на топливные нужды.

Обводненная нефть с содержанием воды до 10% по трубопроводам при давлении до 6 кгс/см2 поступает в ЦППН и делится на два потока. По первому потоку (на принципиальной схеме - поток Iа) нефть попадает в нагреватели нефти первой ступени нагрева ПТБ-10, где нагревается до 25-45 °C. В приемный коллектор нагревателей подается реагент-деэмульгатор. Нагретая нефть направляется в параллельно работающие отстойники ОГ-200, где при давлении 3-6 кгс/см2 осуществляется предварительный сброс до содержания воды не более 5%. Дальше частично обезвоженная нефть подается на вторую ступень нагрева печи ПТБ-10. Перед нагревателями второй ступени также подается реагент-деэмульгатор. Далее нагретая нефть (не более 60 °C) направляется в сепараторы горячей ступени, в которых при давлении до 4,5 кгс/см2 отделяется газ. Газ отбирается с верхнего штуцера аппарата и направляется на концевые сепараторы. Сепарированная и горячая нефть из сепараторов горячей ступени с температурой до 60 °C поступает в электродегидраторы, где происходит окончательное обезвоживание нефти под воздействием электрического поля. В электродегидраторах поддерживается уровень раздела фаз в пределах 0,4-0,8 м. Подтоварная вода из электродегидраторов отбирается с нижнего уровня по маточному коллектору и направляется в очистные резервуары - для очистки воды от наличия остаточных нефтепродуктов методом отстоя. Очищенная подтоварная вода с содержанием нефтепродуктов не более 60 мг/л и механических примесей не более 40 мг/л отбирается с низа резервуара по распределительному коллектору и насосами откачивается в систему ППД. Нефтяная пленка отбирается через переточный стояк и насосами подается во входной трубопровод на ЦППН для повторной подготовки.

Подготовленная в электродегидраторах нефть разгазируется в концевых сепараторах. Нефть с концевых сепараторов поступает в технологические резервуары, затем через переточный стояк перетекает в товарные резервуары. Оттуда обессоленная, обезвоженная, стабилизированная нефть (по ГОСТ Р 51858-2002) по коллектору внешней перекачки поступает на прием насосной внешней откачки и через узел учета нефти перекачивается на ФКСУ по нефтепроводу внешнего транспорта. Выделяющийся газ идет на компрессорную станцию низких ступеней и подается для дальнейшего транспорта в систему сбора газа УВСИНГ.

В качестве топлива в нагревателях ПТБ-10 и аппаратах «Хитер-Тритер» используется осушенный газ с газокомпрессорной станции. По второму потоку (на принципиальной схеме - поток Iб) поступает в электростатические аппараты «Хитер-Тритер» ТИП-II производства компании «СИВАЛС». Установки представляют собой горизонтальные аппараты «Хитер-Тритер» типа II, в которых происходит нагрев до 60 °C, разгазирование, отстой и окончательное обезвоживание нефтяной эмульсии в электрическом поле высокого напряжения.

Нефтяная эмульсия, попутный газ входят в верхнюю часть аппарата. Жидкая фаза попадает во входную секцию установки, где происходит первичное отделение газа от жидкости. Отделенный газ поднимается вверх и через выходной штуцер газа поступает к клапану-регулятору, контролирующему рабочее давление в аппарате. Нефтяная эмульсия направляется вниз, под жаровые трубы. Свободная вода, имеющаяся в жидкости, собирается на дне аппарата под жаровыми трубами, а нефть и эмульсия направляются вверх, омывая жаровые трубы, в отстойный карман аппарата. Капли воды, выделившиеся из эмульсии в результате нагрева, оседают на дне емкости и соединяются со свободной водой, которая осела без нагрева. Кроме того, нефть и эмульсия, проходя вокруг жаровых труб, вымывают образовавшиеся на них осадки и накипь.

Нефть поднимается снизу через слой эмульсии, где за счет гравитации из нее выделяется вся оставшаяся вода, затем поступает к секции коагуляции установки, где создается электрическое поле высокого напряжения. Электрическое поле способствует коагуляции остаточных капель воды, захваченных нефтью. Капли воды увеличиваются в размере и оседают за счет гравитации на нижнюю часть аппарата, соединяясь с основной массой воды. Чистая, обезвоженная нефть собирается в специальный отсек и далее направляется к выходу из аппарата через нефтяной контрольный клапан. Подготовленная нефть с аппаратов попадает в концевые сепараторы и дальше, в резервуарный парк с последующей перекачкой насосами на ФКСУ. Вода, отделившаяся от эмульсии в секции жаровых труб, соединяется со свободной водой в нижней части аппарата и проходит под распределяющий наконечник к секции с решетками. Весь объем воды протекает вдоль нижней части емкости к патрубкам выхода воды из аппарата и далее, через водяной клапан в приемный трубопровод очистных резервуаров с последующей откачкой в систему ППД.

Газ, выделившийся на аппаратах, поступает в концевые сепараторы и оттуда направляется по газопроводу на компрессорную низких ступеней.

11. Список использованной литературы

2. Вадецкий Ю.В. Бурение нефтяных и газовых скважин. - М.: Издательский центр «Академия», 2003. - 352 с.

. Лукьянов Э. Е., Стрельченко В. В. Геолого-технические исследования в процессе бурения. - М.: Нефть и газ. 1997 г. 688 с.

. Ф.Ю.Алдакимов, В.Р.Байрамов, Д.А.Баталов, А.А.Болотин, О.А.Вишнёв, Н.М.Воробьев, Ю.П.Данькин, М.А.Дюсюнгалиев, М.Н.Ибатов, И.А.Камышин, В.А.Коваленко, А.Н.Куюкин, О.Г.Маслов, В.М.Мешков, А.С.Назаренко, В.Р.Сабиров, А.А.Сапунов, Е.Н.Сорокина, Г.В.Теплов, Я.Р.Фединишин, А.А.Шевадуцкий, Ф.Р.Яхшибеков «Справочник супервайзера»: Справочное пособие. Книга в двух томах. Т. 1. - Сургут: рекламно-издательский информационный центр «Нефть Приобья» ОАО «Сургутнефтегаз», 2011. - 296 с., 112 илл.

. Р. А. Ганджумян, А. Г. Калинин, Н. И. Сердюк Расчеты в бурении/Справочное пособие/ Под редакцией А. Г. Калинина, - М.: РГГРУ, 2007 г. - 688 с.

. Калинин А.Г., Левицкий А.З., Мессер А.Г., Соловьев Н.В. Практическое руководство по технологии бурения скважин на жидкие и газообразные полезные ископаемые: Справочное пособие/Под ред. А.Г. Калинина.. М.: ООО "Недра-Бизнесцентр", 2001. . 450 с.: ил.

. Справочник мастера по добыче нефти, газа и конденсата. Том 1. Сургут: рекламно-издательский информационный центр «Нефть Приобья» ОАО «Сургутнефтегаз», 2010. - 352 с.

. Справочник мастера по добыче нефти, газа и конденсата. Том 2. Сургут: рекламно-издательский информационный центр «Нефть Приобья» ОАО «Сургутнефтегаз», 2010. - 384 с.

. Памятка оператору по добыче нефти и газа. 2010 г. Справочное пособие. - Сургут: рекламно-издательский информационный центр «Нефть Приобья» ОАО «Сургутнефтегаз», 2010. - 148 с., 51 илл.

. Кудинов В.И. Основы нефтегазопромыслового дела, том 1. Москва - Ижевск. - 2005. - 720 с.

. Лысенко В.Д. Разработка нефтяных месторождений, том 1. - М: Недра. - 2009.

. Руководящие документы и стандарты ОАО «Сургутнефтегаз».

. Методическое руководство по оценке технологической эффективности геолого-технических мероприятий. - Тюмень. - 2008 г.

. Андреев В.В., Уразаков К.Р., Данилов В.У. Справочник по добыче нефти / Под редакцией Уразакова К.Р. - М.: ООО «Недра-Бизнесцентр». - 2000. - 374 с.

. Основы нефтепромыслового дела: Справочное пособие / Под редакцией Матвеева С.Н. - Сургут: Нефть Приобья. - 2004.

. Правила ведения ремонтных работ в скважинах РД 153-39-023-97.

. Технические условия на ведение монтажных работ при текущем, капитальном ремонте, освоении и испытании cкважин после бурения. Утверждены главным инженером ОАО «Сургутнефтегаз». - 2008.

. ГОСТ 12.0.004-90 ССБТ. Организация обучения безопасности труда. Общие положения.

. Федеральный закон от 21.11.95 №170-ФЗ «О пожарной безопасности».

. Федеральный закон от 21.07.97 №116-ФЗ «О промышленной безопасности опасных производственных объектов».

21. Официальный сайт компании ОАО «Сургутнефтегаз» www.surgutneftegas.ru <http://www.surgutneftegas.ru/>.

Похожие работы на - Организация производственного процесса нефтедобывающего предприятия ОАО 'Сургутнефтегаз'

 

Не нашли материал для своей работы?
Поможем написать уникальную работу
Без плагиата!
Без нейросетей!