Коробка скоростей вертикально-фрезерного станка со структурной формулой К=3х(1+1х3)=12

  • Вид работы:
    Курсовая работа (т)
  • Предмет:
    Другое
  • Язык:
    Русский
    ,
    Формат файла:
    MS Word
    264,35 Кб
  • Опубликовано:
    2014-08-17
Вы можете узнать стоимость помощи в написании студенческой работы.
Помощь в написании работы, которую точно примут!

Коробка скоростей вертикально-фрезерного станка со структурной формулой К=3х(1+1х3)=12

Федеральное агентство по образованию

Государственное образовательное учреждение высшего профессионального образования

«НИЖЕГОРОДСКИЙ ГОСУДАРСТВЕННЫЙ ТЕХНИЧЕСКИЙ

УНИВЕРСИТЕТ имени Р.Е. АЛЕКСЕЕВА»

Кафедра «Компьютерное проектирование металлорежущих и инструментальных систем»






КОРОБКА СКОРОСТЕЙ ВЕРТИКАЛЬНО-ФРЕЗЕРНОГО СТАНКА СО СТРУКТУРНОЙ ФОРМУЛОЙ К = 3х(1+1х3) = 12

ПОЯСНИТЕЛЬНАЯ ЗАПИСКА

к курсовому проекту по дисциплине «Металлорежущие станки»

КП - НГТУ -1201ПФ - (08-ТМв)

РУКОВОДИТЕЛЬ

_________________ Устинов Б.В.

ЗАДАНИЕ КС- ВФ-12-ЖСС-500×500 _________________

СТУДЕНТ

_________________ _Беляковой А.В.

Павлово

год

Содержание

ВВЕДЕНИЕ

. Обоснование основных технических характеристик проектируемого станка

.1 Диапазон регулирования частоты вращения шпинделя

.2 Диапазон регулирования подач

.3 Мощность электродвигателя привода главного движения

.4 Тяговое усилие подачи и мощность двигателя подачи

. Кинематический расчёт привода главного движения

.1 Построение графика частот вращения шпинделя

.2 Выбор кинематической схемы привода главного движения

.3 Определение чисел зубьев и модулей зубчатых колёс

.4 Определение окружных скоростей зацепления колёс

.5 Аналитическая проверка точности кинематического расчёта

. Силовые расчёты элементов спроектированного узла

.1 Механическая N-M-n характеристика привода главного движения

.2 Расчёт наиболее нагруженной зубчатой передачи на выносливость при изгибе

.3 Расчёт наиболее нагруженной передачи на контактную выносливость

.4 Определение диаметров валов. Расчёт наиболее нагруженного вала на усталостную прочность

. Автоматизация загрузки станка

. Особенности работы спроектированного узла

ЗАКЛЮЧЕНИЕ

Список использованной литературы

ПРИЛОЖЕНИЯ

Введение

Создание современных, точных и высокопроизводительных металлорежущих станков обуславливает повышенные требования к их основным узлам. В частности, к приводам главного движения и подач предъявляются требования: по увеличению жёсткости, повышению точности вращения валов, шпиндельных узлов. Станки должны обеспечивать возможность высокопроизводительного изготовления без ручной последующей доводки деталей, удовлетворяющих современным непрерывно возрастающим требованиям к точности.

Универсальный вертикальный консольно-фрезерный станок предназначен для выполнения различных фрезерных работ в условиях индивидуального производства.

Фрезерные станки общего назначения предназначены для фрезерования разнообразных изделий из черных и цветных металлов.

На вертикальных консольно-фрезерных станках при наличии делительной головки, наряду с выполнением других работ, можно также производить фрезерование зубчатых колес.

Данные станки можно применять для изготовления штампов, металлических моделей, пресс - форм, шаблонов, кулачков и т.п.

Обработка на станках может производиться цилиндрическими, пальцевыми, торцевыми и специальными фрезами.

Для обработки поверхностей различного вида шпиндельная головка может поворачиваться в вертикальной плоскости. В этом случае ось шпинделя можно устанавливать под углом к плоскости рабочего стола. У некоторых станков головка вместе со шпинделем может перемещаться в вертикальной плоскости.

Технологические возможности станков могут быть расширены с применением делительной головки поворотного круглого стола и других приспособлений.

Техническая характеристика и жесткость станка позволяют полностью использовать возможности быстрорежущего и твердосплавного инструментов.

Для обработки на станках деталей машин с разными размерами и режущим инструментом, с различными режущими свойствами, при большом числе технологических операций для получения оптимальных режимов резания необходимо изменять частоты вращения шпинделя в пределах от nmin до nmax.

Для рассматриваемого станка в качестве привода главного движения применяем коробку передач со ступенчатым регулированием частоты вращения, соединённую с асинхронным электродвигателем. К приводу главного движения предъявляем следующие требования: обеспечение необходимой мощности резания, сохранение постоянства мощности резания в коробках скоростей и крутящего момента, обеспечение заданного диапазона регулирования скорости, высокий КПД, надёжность, простота обслуживания и малые размеры.

Ступенчатое регулирование даёт возможность установить ограниченное число частот вращения в заданных пределах. По этой причине величина регулирования не всегда может быть установлена оптимальной. Механизмы со ступенчатым регулированием компактны, просты и имеют более высокий КПД по сравнению с бесступенчатым регулированием.

1. Обоснование основных технических характеристик проектируемого станка

 

.1 Диапазон регулирования частоты вращения шпинделя


В качестве станка - прототипа, согласно заданию, принимаем станок универсальный консольный. Для универсальных станков определяем предельные частоты вращения по следующим формулам [2, стр. 192]:

, (1.1)

, (1.2)

где: Vmin и Vmax - предельные скорости резания, определяемые по справочнику режимов

резания, м/мин;

Dmax и dmin - предельные диаметры обработки; мм.

Предельные диаметры обработки определяем по торцовому фрезерованию, имеющему большую величину диаметров обработки относительно цилиндрического фрезерования, по следующим формулам:

Dmax = (1,25…1,6) b; (1.3)

dmin = 0,25Dmax (1.4)

где: b - ширина фрезерования, определяемая по формуле:

b = (0,3…0,4)B; (1.5)

где: В - ширина стола, В = 500 мм.

b = (0,3…0,4) . 500 = 150…200 мм.

Принимаем b = 170 мм.

Dmax = (1,25…1,6) . 170 = 212,5…272 мм.

Принимаем Dmax = 250 мм.

dmin = 0,25 . 250 = 62,5 мм.

По справочнику [1, стр. 85] в зависимости от материала режущей части (быстрорежущие стали и твердые сплавы), принимая глубины резания t1 =3 мм (черновая обработка), t2 = 0,3 мм (чистовая обработка) и среднюю твердость инструмента 229-287 НВ, определяем подачу на зуб фрезы SZ, мм/зуб. Результаты заносим в таблицу 1.

Таблица 1

Подача на зуб для различных режимов резания, мм/зуб

Материал режущей части

Глубина резания


0,3 мм

3 мм

Торцовое фрезерование

Быстрорежущая сталь

0,2…0,3

0,12…0,2


Твердый сплав

0,15…0,2

0,08…0,12

Цилиндрическое фрезерование

0,2…0,3

0,1…0,2


По найденному значению подачи на зуб в зависимости от глубины резания по справочнику [1, стр. 99] определяем табличные скорости резания Vтабл, м/мин, для каждого режима резания. Результаты сводим в таблицу 2.

Таблица 2

Скорости резания для различных режимов резания, м/мин

Материал режущей части

Глубина резания


0,3 мм

3 мм

Торцовое фрезерование

Быстрорежущая сталь

34…38

40…46


Твердый сплав

240…270

260…300

Цилиндрическое фрезерование

28…34

33…40


Найденные табличные значения скоростей резания необходимо умножить на поправочные коэффициенты:

, (1.6)

где: К1 - коэффициент, зависящий от размеров обработки, по справочнику [1, стр.96]

принимаем К1 = 1;

К2 - коэффициент, зависящий от состояния обрабатываемой поверхности и её твердости.

По справочнику [1, стр.100] принимаем:

фреза из быстрорежущей стали К2 = 0,75;

фреза из твердого сплава К2 = 0,85.

К3 - коэффициент, зависящий от стойкости и материала инструмента. По справочнику [1, стр.100-101] принимаем:

фреза из быстрорежущей стали:

цилиндрическое фрезерование К3 = 0,75…1,2 при стойкости инструмента

TР = 60…280;

торцовое фрезерование К3 = 0,9…1,15 при стойкости инструмента TР = 60…130;

фреза из твердого сплава К3 = 0,8 при стойкости инструмента TР = 120;

С целью увеличения срока службы инструмента, в дальнейших расчетах принимаем минимальные найденные значения поправочных коэффициентов и, подставляя их в формулу (1.6) рассчитываем скорости резания для различных режимов резания с учетом поправочных коэффициентов. Результаты заносим в таблицу 3.

Таблица 3

Скорости резания для различных режимов резания с учетом поправок, м/мин

Материал режущей части

Глубина резания


0,3 мм

3 мм

Торцовое фрезерование

Быстрорежущая сталь

23…27

27…33


Твердый сплав

163…183

177…204

Цилиндрическое фрезерование

16…19

19…22,5

вертикальный фрезерный станок передача

Выбираем максимальное и минимальное значение скорости резания из найденных значений. Получаем следующие предельные скорости резания:

Vтабл min = 20 м/мин;

Vтабл max = 204 м/мин.

С целью уменьшения диапазона частот вращения принимаем в дальнейших расчетах наиболее характерные скорости резания для режущей части, изготовленной из бысторежущей стали, увеличив максимальную скорость резания с 33 м/мин до 60 м/мин с целью увеличения производительности при применении твердых сплавов. Окончательно получаем:

Vmin = 20 м/мин;

Vmax = 60 м/мин.

Подставляя найденные значения скоростей резания в формулы (1.1) и (1.2) получаем:

об/мин;

об/мин.

Определяем диапазон частот вращения по формуле:

1.2 Диапазон регулирования подач


При расчете диапазона регулирования подач учитываем, что цепь подач фрезерного станка приводится в движение от самостоятельного электродвигателя для получения минутной подачи Sm, мм/мин.

Минутную подачу определяем по следующей формуле:

 (1.6)

где: SZ - подача на зуб, мм/зуб;

Zфр - число зубьев фрезы, принимаем Zфр =6;

n - частота вращения, об/мин.

Подачи на зуб определены в таблице 1. По ним в таблице 2 определены значения

скорости резания для различных режимов резания. Подставляя значения скоростей резания в формулы (1.1) и (1.2) определяем значения частот вращения для каждого режима резания. Для фрез из твердого сплава принимаем максимальную расчетную скорость резания Vmax = 60 м/мин для всех режимов т.к. табличные значения значительно больше принятого. Значение подачи на зуб в данном случае равно SZ = 0,9 мм/зуб.

Результаты расчетов сводим в таблицу 4.

Таблица 4

Частоты вращения для различных режимов резания, мин-1

Материал режущей части

Глубина резания


0,3 мм

3 мм


Диаметр фрезы


Dmax

dmin

Dmax

dmin

Торцовое фрезерование

Быстрорежущая сталь

73

344

86

420


Твердый сплав

191

764

191

764

Цилиндрическое фрезерование

51

242

60

286

Подставляя найденные значения подач на зуб и значения частот вращения в формулу (1.6) определяем значения минутных подач для различных режимов резания. Результаты сводим в таблицу 3.

Таблица 5.

Значения минутных подач для различных режимов резания, мм/мин

Материал режущей части

Глубина резания


0,3 мм

3 мм


Диаметр фрезы


Dmax

dmin

Dmax

dmin

Торцовое фрезерование

Быстрорежущая сталь

131

619

103

504


Твердый сплав

229

916

137

550

Цилиндрическое фрезерование

92

435

72

343


Выбираем из найденных значений минутных подач минимальное и максимальное значения и по ним определяем диапазон регулирования подач по формуле:

 

1.3 Мощность электродвигателя привода главного движения


Предварительную мощность электродвигателя привода главного движения, кВт, определяем по формуле:

, (1.7)

где: Nэфф. - полезная мощность резания для наиболее эффективного режима резания, кВт. В качестве эффективного режима резания принимается черновой режим.

 - к.п.д., = 0,8.

Для универсальных станков допускаются кратковременные перегрузки двигателя на 25 %, которые необходимо учитывать при расчете мощности. Тогда формула (1.7) примет вид:

, (1.8)

Эффективную мощность резания для торцового фрезерования определяем по формуле:

, (1.9)

Эффективную мощность резания для цилиндрического фрезерования определяем по формуле:

 (1.10)

где: V - скорость резания, принимаемая по таблице 3, м/мин;

Е - эмпирический коэффициент, определяемый по справочнику [1, стр. 101];

t - глубина резания, t = 3 мм;

Z - число зубьев фрезы, Z = 6;

b - ширина фрезерования, b = 70 мм;

К1 - коэффициент, зависящий от обрабатываемого материала, определяемый по справочнику [1, стр. 101];

К2 - коэффициент, зависящий от типа фрезы и скорости резания, определяемый по справочнику [1, стр. 101].

Подставляя значения вышеуказанных параметров в формулы (1.9) и (1.10) определяем значения эффективных мощностей резания для различных видов фрезерования.

Для торцового фрезерования фрезой из быстрорежущей стали:

кВт

Для торцового фрезерования фрезой из твердого сплава:

кВт

Для цилиндрического фрезерования:

кВт

Для расчета мощности электродвигателя принимаем максимальную рассчитанную эффективную мощность:

кВт.

По справочнику [3, стр. ] для привода главного движения принимаем асинхронный двигатель серии 4А, округляя рассчитанную мощность двигателя до ближайшего большего значения. При этом для уменьшения стоимости и габаритов двигателя, а также снижения уровня шума во время работы станка принимаем двигатель со средней частотой вращения 1500 об/мин.

Выбираем двигатель модели 4А112М4У3.

1.4 Тяговое усилие подачи и мощность двигателя подачи


Для стола фрезерного станка принимаем прямоугольную (плоскую) форму направляющих. Для данного типа направляющих тяговая сила, Qтяг, Н, (рис.1), определяем по формуле:

, (1.11)

где: К - коэффициент, характеризующий действие опрокидывающего момента, К = 1,1…1,4;

f - коэффициент трения, f = 0,15…0,2;

РZ - составляющая силы резания, прижимающая стол к направляющим, Н (рис.1);

РX - составляющая силы резания, противоположная направлению подачи, Н (рис.1);

РY - составляющая силы резания, отрывающая стол от направляющих, Н (рис.1);

G - вес стола, Н, (рис.1), определяемый по формуле:

 (1.12)

где: m - масса стола, кг. Принимаем m = 250 кг;

g - величина ускорения свободного падения, g = 9,81 м/с2.

Н

Величину составляющей силы резания PZ определяем по формуле:

Н

Недостающие значения составляющих силы резания определяем, согласно следующему соотношению:


Подставляем найденные значения в формулу (1.12), получаем:

Н

Т.к. привод подачи выполнен от отдельного двигателя, то необходимо определить мощность двигателя подачи по формуле:

, (1.13)

где:  - к.п.д. двигателя,  = 0,15…0,65;

Smmax - максимальное значение минутной подачи по таблице 5, мм/мин.

кВт

Рис. 1. Силы, действующие на стол фрезерного станка

2. Кинематический расчет привода главного движения

 

.1 Построение графика частот вращения шпинделя


При проектировании коробок скоростей пользуемся графиком частот вращения, на котором наглядно видны: число валов, пути передачи движения от вала к валу, частоты вращения каждого вала и передаточные числа каждой пары колес. Для удобства частоты вращения на графике откладываем по логарифмической шкале т.к. для геометрического ряда расстояние между соседними частотами вращения равно т.е. можно в произвольном масштабе через равные расстояния проводить линии скоростей.

Принимаем знаменатель числа оборотов φ =1,26.

Для построения графика частот вращения необходимо определить количество горизонтальных и вертикальных линий сетки.

Число горизонтальных линий определяем по формуле:

, (2.1)

где: n1 - минимальная частота вращения шпинделя (1-ая скорость), мин-1;

nэ.д. - паспортная частота вращения электродвигателя, мин-1.


Каждой линии на графике выписываем из стандартного ряда по ГОСТ 8032-56 значения частот вращения, начиная от n1 = 40 мин-1 до nэ.д. = 1500 мин-1.

Число вертикальных линий определяем по формуле:

, (2.2)

где: UСР - значение среднего передаточного отношения между валами, принимаем U=2,5.


Число вертикальных линий на графике равно числу валов в коробке скоростей.

Значения частот вращения всех ступеней коробки скоростей определяем по формуле:

, (2.3)

Подставив необходимые значения в формулу (2.3) получим следующие частоты вращения на ступенях коробки скоростей:

мин-1;

 мин-1;

 мин-1;

 мин-1;

 мин-1;

 мин-1;

 мин-1;

 мин-1;

 мин-1;

 мин-1;

 мин-1;

 мин-1;

Для расчета задана следующая структурная формула:

К = 3 × (1 + 1 × 3) = 12

График частот вращения строим, исходя из следующих соображений:

между электродвигателем и первым валом коробки скоростей ставим понижающую передачу до n = 800…630 об/мин с целью исключения повышенного шума на быстроходном валу;

наибольшее ускорение д.б. меньше 2:1. При φ =1,26 ускорение не должно превышать 3-х ступеней по графику частот вращения из-за опасности заклинивания;

наибольшее замедление д.б. больше 1:4. При φ =1,26 замедление не должно превышать 6-и ступеней по графику частот вращения из-за опасности заклинивания;

для обеспечения эффекта маховика на шпинделе применяем зубчатое колесо большого диаметра, используя максимальное замедление (6 ступеней по графику);

Наибольшее число зубчатых колес размещаем в зоне высоких скоростей, т.е. максимальные замедления частот вращения по графику применяем на валах, расположенных ближе к шпинделю.

На рисунке 2 строим график частот вращения, удовлетворяющий всем условиям:

Рис. 2. График частот вращения шпинделя для структурной формулы К = 3 × (1 + 1 × 3) = 12

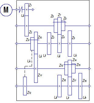
2.2 Выбор кинематической схемы привода главного движения


По построенному графику частот вращения определяем порядок передачи частот вращения с первых валов на последующие валы.

Согласно графику строим кинематическую схему коробки скоростей привода главного движения, назначаем номера для шестерен и зубчатых колес для последующего расчета чисел зубьев и передаточных отношений.

Кинематическая схема представлена на рисунке 3.

Рис. 3. Кинематическая схема привода главного движения

2.3 Определение чисел зубьев и модулей зубчатых колес


Числа зубьев шестерен и зубчатых колес коробки скоростей определяем, исходя из следующих соображений:

минимальное число зубьев д.б. больше 20 ( Zmin ≥ 20);

для обеспечения постоянства межосевого расстояния суммы чисел зубьев сопряженных колес должны быть равными. По кинематической схеме:


Числа зубьев определяем по формулам:

, (2.4)

, (2.5)

Для расчета чисел зубьев необходимо определить передаточные отношения:

По формулам (2.4) и (2.5), задаваясь суммой зубьев ΣZ и, зная значения передаточных отношений, определяем числа зубьев шестерен и зубчатых колес на каждом валу.

Результаты расчета чисел зубьев заносим в таблицу 6.

Таблица 6

Числа зубьев коробки скоростей

Передаточное число U

Сумма чисел зубьев ΣZ

Число зубьев колеса ZК

Число зубьев шестерни ZШ

U0 = 0,53

90

60

30

U1 = 0,78

90

50

40

U2 = 0,625

90

55

35

U3 = 0,4

90

65

U4 = 1

100

50

50

U5 = 0,5

100

65

35

U6 = 0,5

100

65

35

U7 = 1

100

50

50

U8 = 0,25

100

80

20


На предварительном этапе модуль определяем при помощи статистического метода в зависимости от мощности двигателя привода главного движения. Выбираем модуль для двигателей до 10 кВт: m = 2,5…3. Ввиду того, что двигатель имеет мощность 5,5 кВт, то выбираем меньшее значение модуля. Окончательно имеем:

m = 2,5

2.4 Определение окружных скоростей зацепления колес


Для колес средней точности окружная скорость зацепления определяется по формуле:

, (2.6)

При этом должно выполняться условие:

м/мин

Для передаточного отношения U0 окружная скорость зацепления равна:

м/мин м/мин

Для передаточного отношения U1 окружная скорость зацепления равна:

м/мин м/мин

Для передаточного отношения U2 окружная скорость зацепления равна:

м/мин м/мин

Для передаточного отношения U3 окружная скорость зацепления равна:

м/мин м/мин

Для передаточного отношения U4 окружная скорость зацепления равна:

м/мин

м/мин

м/мин

Для передаточного отношения U5 окружная скорость зацепления равна:

м/мин м/мин

м/мин м/мин

м/мин м/мин

Для передаточного отношения U6 окружная скорость зацепления равна:

м/мин м/мин

м/мин м/мин

м/мин м/мин

Для передаточного отношения U7 окружная скорость зацепления равна:

м/мин

м/мин

м/мин

Для передаточного отношения U8 окружная скорость зацепления равна:

м/мин м/мин

м/мин м/мин

м/мин м/мин

По результатам расчетов средние окружные скорости шестерен и зубчатых колес удовлетворяют условию.

2.4    Аналитическая проверка точности кинематического расчета


Определение фактической частоты вращения для каждой ступени производим по следующей формуле:

, (2.7)

Взамен значений передаточных отношений в формулу (2.7) подставляем отношение чисел зубьев шестерни и зубчатого колеса для соответствующего передаточного отношения.

мин-1;

 мин-1;

 мин-1;

 мин-1;

 мин-1;

 мин-1;

 мин-1;

 мин-1;

 мин-1;

 мин-1;

 мин-1;

 мин-1;

Отклонение от нормальных частот вращения определяем по формуле:

, (2.8)

При этом должно выполняться следующее условие:


Для всех рассчитанных частот вращения условие выполняется.

3. Силовые расчеты элементов спроектированного узла

 

.1 Механическая характеристика привода главного движения


Механические характеристики показывают, как изменяются мощность N и крутящий момент M с изменением частоты вращения шпинделя n.

При работе на станках целесообразно использовать привод главного движения на максимальную мощность, чтоб обеспечить наиболее эффективный (производительный) режим работы. Для универсальных станков с широким диапазоном регулирования, Rn, установленная максимальная мощность двигателя используется полностью, начиная с некоторого номинального числа оборотов (на низких частотах трудно подобрать режим, на котором привод работал бы с максимальной мощностью из-за возможных поломок инструмента), следовательно, для универсальных станков характерна механическая характеристика, представленная на рис. 4.

Рис. 4. Механическая характеристика универсального станка

Из рис. 4. следует, что для универсальных станков наиболее напряженным является номинальный режим работы и все дальнейшие силовые расчеты выполняем для этого режима.

Номинальную частоту вращения приблизительно можно определить по формуле:

, (3.1)

где: к - количество ступеней коробки передач, к = 12.

мин-1

3.2 Расчет наиболее нагруженной зубчатой передачи на выносливость при изгибе


Наиболее нагруженной является передача, один из элементов которой вращается в номинальном режиме. С частотой вращения 80 мин-1 вращается зубчатое колесо Z16. С данным зубчатым колесом сопряжена шестерня Z13. Следовательно, зубчатая передача U6 c элементами Z13 - Z16 является наиболее нагруженной.

Согласно расчету по формуле (3.1) номинальная частота вращения равна 80 мин-1. С данной частотой вращается зубчатое колесо Z16. Для шестерни Z13 частоту вращения определяем по структурной схеме. Итого имеем:

мин-1;

 мин-1.

Крутящий момент на элементах зубчатой передачи определяем по формуле:

, (3.2)

где: nэл - частота вращения шестерни или зубчатого колеса наиболее нагруженной передачи.

кгс/м

кгс/м

Определим межосевое расстояние по формуле:

мм

Определяем диаметр начальной окружности шестерни по формуле:

, (3.3)

где: U - передаточное отношение наиболее нагруженной передачи, U = U6 = 0,5.

мм

Определяем рабочую ширину венца зубчатого колеса по формуле:

, (3.4)

где:  - коэффициент ширины шестерни, = 0,3…0,6. Принимаем =0,5 мм.

мм

Усилие, действующие на единицу ширины зуба определяется по формуле:

, (3.5)

Где: К - коэффициент, учитывающий неравномерность распределения нагрузки между зубьями по ширине зуба, К = 1,5…2. Принимаем К = 1,75.

Подставив в формулу (3.5) выражения (3.2) и (3.3) получаем формулу для определения усилия, действующего одновременно на единицу ширины зуба шестерни и зубчатого колеса:

, (3.6)

кгс/мм

Согласно формуле (3.6), усилие, действующее на единицу ширины зуба, возрастает с увеличением передаваемой мощности и передаточного числа и уменьшается с увеличением частоты вращения, межосевого расстояния и рабочей ширины зуба. Это усилие вызывает изгиб зуба, его поломку и выкрашивание в зоне контакта.

Таким образом, необходимо произвести расчет зубьев зубчатой передачи на выносливость при изгибе. Зуб рассчитываем на изгиб как консольную балку переменного сечения, нагруженную сосредоточенной силой F, определяемой по формуле:

, (3.7)

Максимальные напряжения в основании зуба определяем по формуле:

, (3.8)

где:  - изгибающий момент, определяемый по формуле:

, (3.9)

 - момент сопротивления сечения зуба в основании, определяемый по формуле:

, (3.10)

где: S1 - толщина зуба в опасном сечении, мм;

- коэффициент концентрации напряжений в переходной части, .

Действие сосредоточенной силы F на зуб показано ни рисунке 5.

Рис. 5. Действие сосредоточенной силы на зуб

Подставив выражения (3.9) и (3.10) в формулу (3.8) получим:

, (3.11)

Формула (3.11) также имеет следующий вид:

, (3.12)

где: - коэффициент, учитывающий форму зуба, определяемый по формуле:

, (3.13)

Величина - безразмерная величина и приблизительно равна 3,7. Подставив данное значение в формулу (3.13) имеем:

кгс/мм2

При этом должно выполняться условие выносливости при изгибе:


где:  - допускаемое напряжение при изгибе, определяемое по формуле:

, (3.14)

где: SF - коэффициент безопасности (запас прочности), SF = 2,5;

 - предел выносливости материала зебьев при пульсирующем цикле. Значение

изменяется от 40 кгс/мм2 для сырых зубьев до 100 кгс/мм2 для закаленных ТВЧ зубьев.

Принимаем  = 100 кгс/мм2

 кгс/мм2

,6 кгс/мм2 40 кгс/мм2

Условие выносливости зубьев при изгибе выполняется.

Из формулы (3.12) видно, что напряжение изгиба в зубе возрастает с увеличением удельной окружной силы и убывает с увеличением модуля.

3.3 Расчет наиболее нагруженной зубчатой передачи на контактную выносливость


Среднее контактное напряжение, возникающее в местах контакта зубчатых колес, определяем по формуле:

, (3.15)

кгс/мм2

При этом должно выполняться условие контактной выносливости:

,

где:  - допускаемое контактное напряжение, определяемое по формуле:

, (3.16)

где:  - предел выносливости, зависящий от твердости зубьев и устанавливаемый по экспериментальным данным. Для рассматриваемых зубчатых колес принимаем закалку ТВЧ до твердости HRC 40…50 единиц. В этом случае предел выносливости определяется по формуле:

 кгс/мм2

 - запас прочности из формулы (3.14).

 кгс/мм2

Из формулы (3.15) можно сделать вывод, что контактное напряжение уменьшается с увеличением межосевого расстояния и увеличивается с увеличением передаточного числа и удельной окружной силы. Из условия контактной выносливости зубьев делаем вывод, что минимально нет необходимости изменять допустимую величину межосевого расстояния т.е. габариты передачи.

3.4 Определение диаметров валов. Расчет наиболее нагруженного вала на усталостную прочность


Внешние нагрузки на валы передаются от сопряженных деталей (колес, муфт, шкивов и т.д.). Силы, действующие на валы через сопряженные детали, представлены на рисунке 6.

Рис. 6. Силы, действующие на валы коробки скоростей

Для прямозубых колес окружная сила, F, Н, действующая на вал определяется по формуле:

, (3.17)

Распорная сила определяется по формуле:

, (3.18)

где:  - угол зацепления, = 200.

В итоге общая результирующая нагрузка на вал получается равной:

, (3.19)

С целью снижения результирующей силы R, действующей на вал при сопряжении его с двумя соседними валами, их стремятся разместить как показано на рисунке 7.

Рис. 7. Наиболее оптимальное размещение валов в коробке скоростей

Согласно данному рисунку, промежуточный вал получается практически разгружен. Следовательно, для расчета на усталостную прочность исключаются все промежуточные валы. Т.к. первый вал вращается с высокой скоростью, то нагрузка него невелика. Исходя из этого, на усталостную прочность рассчитываем вал, стоящий перед шпинделем, т.е. № 4.

Необходимые значения длин на 4-ом валу определяем по чертежу развертки коробки скоростей. Подставив их в формулы (3.17) и (3.18) определяем значения сил, действующих на 4-й вал коробки скоростей:

Н Н

Н Н

Для 4-го вала определим реакции опор по известным зависимостям.

Для вертикальной плоскости:



Н



Н

 - верно.

Для горизонтальной плоскости:


Н



 - верно.

Н

Н

Изгибающие моменты определяем эскизно. На основе расчетов реакций опор на рисунке 8 строим эпюры изгибающих моментов.

Расчет вала на усталостную прочность производим по следующей формуле:

, (3.20)

где: К1 и К2 - коэффициенты, учитывающие концентрацию напряжений в опасном сечении,

К1 = К2 = 1,5;

S-1 - коэффициент запаса прочности для валов механизма станков, S-1 = 2;

 - предел выносливости при знакопеременном цикле, равный:


 - предел прочности;

W - момент сопротивления, равный:


где: d - диаметр вала, см.

Тогда имеем:

, (3.21)

Рис.8. Эпюры моментов, действующих на вал

Из формулы (3.21) выражаем диаметр вала:

, (3.22)

Определяем по рис. 8. значения крутящего и изгибающих моментов и подставляем их в формулу (3.21). Получаем:

м

Округляем полученное значение до ближайшего большего по ГОСТ 6636-69 и получаем значение диаметра 4-го вала:

d4 = 36 мм.

Т.к. на наиболее нагруженном участке вала установлено зубчатое колесо и занимает меньшую часть вала, то для участка с расположенном на нем тройным блоком шестерен принимаем уменьшенный диаметр вала до 32 мм.

Диаметры остальных валов коробки скоростей определяем из следующих соотношений:


мм

С учетом того, что на первый вал устанавливается упругая муфта, с целью подбора одного типа полумуфт принимаем больший диаметр вала d1 = 36 мм.

мм.

Принимаем d2 = 36 мм.

мм.

Принимаем d3 = 46 мм.

мм

Принимаем d4 = 60 мм.

4. Автоматизация работы станка

Для облегчения обслуживания фрезерного станка при смене инструмента применяем автоматический способ смены инструмента.

Механизм смены инструмента выполнен отдельным узлом и состоит из автооператора, редуктора, перегружателя, руки, втулки, механизма контроля и магазина инструментов барабанного типа емкостью на 12 инструментов.

Выбор инструмента производится в любой последовательности.

Автооператор осуществляет подачу из магазина в шпиндель и возврат отработанного инструмента из шпинделя в магазин.

В процессе смены инструмента автооператор обеспечивает отвод его за пределы рабочей зоны станка, что способствует сокращению максимального рабочего пространства и исключает возможность попадания стружки на рабочие поверхности инструментальных оправок.

Весь механизм смены инструментов расположен в зоне, удобной для обслуживания станка.

Магазин представляет собой корпус, закрепленный на специальной стойке, стоящей отдельно от станка. В корпусе расположен электродвигатель вращения магазина, который вращает барабан с инструментом.

Барабан представляет собой диск большого диаметра, на периферии которого расположены пазы для инструмента. При получении команды барабан начинает вращаться, поиск требуемого инструмента осуществляется вращающимся трансформатором. При подходе к заданной позиции инструмента, барабан уменьшает частоту вращения, а затем останавливается. После этого начинает работать перегружатель. Он переносит втулку с инструментов из гнезда магазина к руке автооператора и обратно.

Перегружатель представляет собой редуктор, на быстроходном валу которого закреплены клещи. У магазина клещи находятся в открытом состоянии.

При движении к автооператору под воздействием тарельчатых пружин клещи зажимают втулку и переносят её с инструментом к автооператору.

Автооператор снабжен двухзахватной рукой, которая непосредственно осуществляет захват инструмента во втулке и шпинделе, и меняет их местами. При этом в шпиндель устанавливается новый инструмент, а во втулку - отработанный.

Смена инструмента осуществляется в начале осевым движением руки от шпинделя, поворотом её на 1800, а затем, обратным осевым перемещением в сторону шпинделя.

Величина осевого смещения рассчитана так, чтобы инструмент полностью вышел из шпинделя и втулки, а при обратном движении - полностью установился на свои места в шпинделе и втулке.

Осевое перемещение руки осуществляется при движении каретки автооператора от кривошипно - шатунного механизма. Поворот руки осуществляется мальтийским механизмом. После установки инструмента в соответствующее ему гнездо барабана, клещи перегружателя под воздействием жесткого упора раскрываются, барабан начинает вращаться и против перегружателя устанавливается инструмент, необходимый для следующей операции.

Перегружатель забирает его и несет к автооператору. После окончания предыдущей операции происходит смена инструмента. Таким образом, вся подготовка к смене инструмента происходит во время работы станка, что значительно снижает время самой смены.

5. Особенности работы спроектированного узла


Коробка скоростей смонтирована непосредственно в корпусе станины станка и управляется вручную при помощи рукояток переключения скоростей.

Движение на первый вал коробки скоростей передается непосредственно от двигателя привода главного движения, смонтированного в задней части на корпусе станины. Передача движения производится при помощи упругой втулочно - пальцевой муфты, которая компенсирует погрешности установки двигателя относительно коробки скоростей, несоосность валов и снижает возникающую вследствие этого вибрацию.

Дальнейшая передача движения на шпиндель происходит через цилиндрические прямозубые зубчатые колеса и блоки зубчатых колес. Спроектированная коробка скоростей передает движение не непосредственно на шпиндель, а при помощи конической и прямозубой цилиндрической передач с низким передаточным отношением.

Все валы коробки скоростей, кроме последнего вала, смонтированы на шариковых подшипниках легкой серии. Последний вал смонтирован на одном конце вала на двух конических роликовых подшипниках, установленных враспор, на другом конце - на шариковом двухрядном подшипнике. Подшипники передних концов всех валов коробки скоростей жестко закреплены в корпусе при помощи стандартных стопорных колец, а задние концы «плавающие», что предотвращает коробление валов.

Переключение скоростей производится вручную соответствующими рукоятками при заторможенном шпинделе. Торможение шпинделя производится также вручную при помощи рукоятки.

Для смазки подшипников валов коробки скоростей применяется масло индустриальное 20. Уровень масла контролируется по маслоуказателю. Масло сливают через соответствующее отверстие и меняют один раз в три месяца. От гидравлического привода, куда масло поступает из бака через предохранительный клапан гидросистемы, масло централизованно поступает по трубке на смазку механизмов коробки скоростей. После смазки масло сливается по трубке обратно в бак.

Заключение


При выполнении данного курсового проекта поставленная цель была выдержана, а именно: расчёт кинематики коробки скоростей универсального консольного вертикально - фрезерного станка.

Спроектированная коробка скоростей данного станка отвечает всем требованиям техники безопасности при работе станка, его обслуживании, ремонте и эксплуатации.

Диапазон частот вращения привода главного движения соответствует данному типу станка, а также заданной структурной формуле.

Мощность привода главного движения рассчитана таким образом, что обеспечивает на всех частотах вращения шпинделя необходимые режимы резания и методы обработки деталей.

Построение графика частот вращения сделано строго согласно заданию, с учетом всех рекомендаций, изложенных в методических указаниях и справочной литературе.

Определение передаточных отношения и чисел зубьев, зубчатых передач рассчитаны согласно соответствующим стандартам в станкостроении.

Кинематическая схема коробки скоростей выполнена с учетом межосевых расстояний между валами и разработана таким образом, что предотвращает возникновение «кинематических замков».

Окружные скорости зацепления колес не превышают допустимого значения для выбранного типа прямозубых цилиндрических колес.

Аналитическая проверка точности кинематического расчета показывает, что рассчитанные фактические частоты вращения лежат в допустимых пределах от нормальных частот вращения.

Силовые расчеты зубчатых колес спроектированной коробки скоростей удовлетворяют рассчитанным условиям выносливости поверхностей зубьев при изгибе и условиям контактной выносливости для данного типа материала зубчатых колес.

Из расчета наиболее нагруженного вала на усталостную прочность определяется диаметр соответствующего вала, значения диаметров остальных валов определяются конструктивно и по известным эмпирическим формулам.

Загрузка станка автоматизирована при помощи промышленного робота, который обеспечивает подачу заготовки в рабочую зону станка.

Список используемой литературы


1. «Режимы резания металлов. Справочник» / Под. ред. Барановского Ю.В. - М.: Машиностроение. 1972г., 408 с.

. «Металлорежущие станки: Учебник для машиностроительных вузов» / Под. ред. В.Э.Пуша. - М.: Машиностроение, 1985 г., 256 с.

. «Металлорежущие станки» / Тепинкичиев В.К., Красниченко Л.В, Тихонов А.А., Колев Н.С. - М.:Машиностроение, 1970 г., 464 с.

. «Производственное оборудование и его эксплуатация: комплекс учебно - методических материалов» / Ю.Н.Гондин, Б.В.Устинов; НГТУ, Ч.1. - Н.Новгород, 2007 г., 114 с.

. «Производственное оборудование и его эксплуатация: комплекс учебно - методических материалов» / Ю.Н.Гондин, Б.В.Устинов; НГТУ, Ч.2. - Н.Новгород, 2007 г., 100 с.

. Дунаев П.Ф. Конструирование узлов и деталей машин : Учеб. Пособие для техн. спец. Вузов. - 5-е издание перераб. и доп. - М.: Высшая школа, 1998. - 447 с., ил.

Похожие работы на - Коробка скоростей вертикально-фрезерного станка со структурной формулой К=3х(1+1х3)=12

 

Не нашли материал для своей работы?
Поможем написать уникальную работу
Без плагиата!
Без нейросетей!