Проектирование привода главного движения резания для вертикально-фрезерного станка

  • Вид работы:
    Дипломная (ВКР)
  • Предмет:
    Другое
  • Язык:
    Русский
    ,
    Формат файла:
    MS Word
    58,59 kb
  • Опубликовано:
    2012-03-25
Вы можете узнать стоимость помощи в написании студенческой работы.
Помощь в написании работы, которую точно примут!

Проектирование привода главного движения резания для вертикально-фрезерного станка

Задание

Спроектировать привод главного движения от электродвигателя до рабочего органа вертикально-фрезерного станка.

Дано:

Максимальный диаметр фрезы dmax=175мм

Материал заготовки - Чугун

Инструментальный материал - ВК-6

Скорость резания максимальная vmax=110 м/мин

Скорость резания минимальная vmin=20 м/мин

Характеристика поверхности- Плоскость.

Введение

Общие сведения о вертикально-фрезерных станках

§ Назначение и типы фрезерных станков

Для фрезерных станков характерны исполнительное движение формообразования, состоящее из непрерывного вращательного движения инструмента, определяющего скорость резания, и прямолинейного, кругового или винтового движения подачи. При этом движение подачи сообщается заготовке, реже, инструменту.

На фрезерных станках обрабатывают плоскости, фасонные поверхности, поверхности вращения, наружные и внутренние резьбы, винтовые поверхности различного профиля и др.

Фрезерные станки можно разбить по назначению на следующие основные группы: станки общего назначения; специализированные и специальные. Последние предназначены для выполнения одной или нескольких определённых фрезерных операций на конкретных деталях и применяются в условиях массового и крупносерийного производства.

$ Вертикально-фрезерные станки

Отличительная особенность станков этого типа - вертикальное положение оси шпиндельного вала (относительно плоскости стола) и наличие подвижной консоли, на которой расположены салазки и стол. Стол, на котором закрепляют обрабатываемую заготовку, имеет продольное перемещение по направляющим салазок. Салазки перемещаются вместе со столом в поперечном направлении по направляющим консоли, которая, в свою очередь, перемещается по направляющим станины. Заготовка может таким образом перемещаться в трёх взаимно перпендикулярных направлениях. Коробка подач смонтирована в консоли.

Обработка деталей на станке в основном производится торцовыми, хвостовыми, пальцевыми фрезами и фрезерными головками в условиях индивидуального и серийного производства.

Инструмент устанавливают либо на оправках с коническим хвостовиком, закрепляемом в шпинделе, либо в цанговых патронах. На вертикально-фрезерных станках выполняется встречное фрезерование, при наличии устройства, компенсирующего зазор между винтом и гайкой механизма продольной подачи, возможно и попутное фрезерование.

§ Движения в вертикально-фрезерном станке

Движение резания - вращательное движение шпиндельного вала с фрезой. Движения подач - прямолинейные поступательные перемещения стола в продольном, поперечном и вертикальном направлениях. Вспомогательными движениями являются все указанные перемещения стола, выполняемые на быстром ходу или вручную, ручное перемещение шпиндельной гильзы вдоль оси шпинделя поворот шпиндельной головки.

Расчет

1.  Определяем предельные частоты вращения шпинделя nmax и nmin


vmax и vmin - предельные скорости резания (м/мин )

vmax = 110 м/мин и vmin = 20 м/мин

dmax и dmin - предельные диаметры обработки, мм.

При чем принимаем отношение диаметров равное 4.

 = dmax / dmin ≤ 4

Следовательно в целях экономичности использования станков принимаем значения диаметров

dmax = 175мм и dmin = dmax / 4 = 175 / 4 = 37,5 мм

Рассчитываем частоты вращения шпинделя:


Из ряда предпочтительных чисел принимаем значения

nmax = 1400 об/мин и nmin = 63 об/мин

Находим диапазон регулирования:


Отсюда следует, что диапазон регулирования частот вращения шпинделя зависит только от отношения предельных скоростей и предельных диаметров обработки.

Зная диапазон регулирования частот вращения шпинделя Rn и задаваясь значением φ, можно определить число ступеней частот вращения шпинделя.


где φ выбираем 1,58 - рекомендуемое значение.


округляем до большего целого значения, принимаем значение

z = 8

Число ступеней расписываем в структурную форму:

z = 2(1)*2(2)*2(4) = 8

Для выбора промежуточных частот вращения шпинделя должны быть известны предельные частоты вращения шпинделя nmax и nmin, число ступеней скорости z и знаменатель ряда φ.

= nmin * φN-1= nmin = 63 об/мин2 = nmin * φ2-1 = 63*1.581 = 100 об/мин

n3 = nmin * φ3-1 = 63*1.582 = 150 об/мин

n4 = nmin * φ4-1 = 63*1.583 = 250 об/мин

n5 = nmin * φ5-1 = 63*1.584 = 400 об/мин

n6 = nmin * φ6-1 = 63*1.585 = 620 об/мин

n7 = nmin * φ7-1 = 63*1.586 = 980 об/мин

n8 = nmin * φ8-1 = 63*1.587 = 1500 об/мин

Выбор электродвигателя

Правильный выбор электродвигателя, особенно по мощности, правильная его установка имеют важное значение для нормальной работы станка. Если мощность электродвигателя занижена, то возможности станка не будут полностью использованы, возможны значительное сокращение срока службы и аварии электродвигателя. Завышение мощности ведет к систематической перегрузке электродвигателя и соответственно к понижению его КПД.

Необходимая скорость резания получается с помощью электродвигателя и соответствующих механических передач.

При больших частотах вращения шпинделя, электродвигатель соединяют непосредственно со шпинделем станка. При низких частотах вращения шпинделя часто нецелесообразно применять электродвигатель с пониженной максимальной частотой вращения, так как возрастает масса, размеры электродвигателя. В таких случаях целесообразно применять электродвигатель с относительно высокой частотой вращения и механические передачи для последующего ее понижения. Для приводов главного движения не следует применять электродвигатели с большой частотой вращения, так как уровень шума станка возрастает.

Рассчитываем потребляемую мощность электродвигателя:

. Определяем эффективную мощность станка по формуле:

Nэф = Pz * V / 61200 , кВт

где Pz - тангенциальная составляющая усилия резания, Н

V - скорость резания, м/мин.

. Определим скорость резания по формуле:

V = ( Cv * Dq/ (Tm * tx * Sy * Bu * zp) ) * Kv ,м/мин

где T - стойкость фрезы, мин табл. 40 [1]

C - коэффициент и показатели степеней в табл. 39 [1]

D - диаметр обрабатываемой заготовки

B - ширина фрезы


Kv = Kmv * Knv * Kиv ;

где Kmv - коэффициент учитывающий качество обрабатываемого материала

Knv - коэффициент учитывающий состояние поверхности заготовки, табл.5 [1]

Kиv - коэффициент учитывающий материал инструмента, табл.6 [1]

Подставляем полученные значения:

Kv = 1 * 1 * 0.9 = 0.9

V = ( 700 * 1000.17) / (2000.33 * 30.38 * 0.180.4 * 1600.08 * 260.1) * 0.9 = 152 м/мин

. Определим частоту вращения шпинделя по формуле:

n = 1000V / pdmax ,об/мин

где dmax - максимальный диаметр заготовки.

n = 1000 * 152 / 3,14 * 150 = 484 об/мин

Ближайшее стандартное значение из ряда чисел оборотов - 500 об/мин.

Согласно полученной частоте вращения уточняем скорость резания:

V = p * 150* 500 / 1000 = 157 м/мин

. Определим составляющую силы резания - окружную силу по формуле:

Pz = (10Cp * tx * Szy * Bu * z / (Dq * nw )) * Kmp , H

где значение всех коэффициентов и Cp - табл.41 [1]

Kmp - поправочный коэффициент, табл. 9 [1] = 1

Pz = 10 * 101 * 30.88 * 0.180.75 * 160 * 26 / (1750.87 * 5000) * 1 = 116 H

. Найдем крутящий момент на шпинделе станка по формуле:

Mкр = Pz * D / z * 100 = 116 * 175 / 200 = 59 H

Подставим вычисленные значения в формулу эффективной мощности:

Ne = 116 * 152 / 1020 * 60 = 0,26 кВт

. Определяем расчетный КПД привода главного движения и привода подач.

hp = hзуб * hвчс ,

где h - КПД передач и подшипников качения.

hp = 0.99 * 0.9 = 0.891

. Определим мощность электродвигателя.


По таблице 248[3] выбираем электродвигатель .

При выборе электродвигателя, места и способа его установки надо учитывать определенные параметры и условия:

1.           Мощность, частота вращения, способ регулирования скорости (ступенчатое или бесступенчатое), необходимость реверсирования, габаритные размеры и исполнение электродвигателя (фланцевое, на лапках), стоимость и т. д.

2.       Нельзя допускать попадание на электродвигатель капель масел и эмульсии.

.         Места ввода и присоединения проводов должны быть защищены специальными кожухами.

.         В случае установки электродвигателя внутри станины необходимо обеспечить: свободный доступ к электродвигателю для его установки и снятия, осмотра ремонта, достаточный для вентиляции электродвигателя приток воздуха.

Построение структурной сетки

1.       На равных расстояниях проводят горизонтальные (или вертикальные) линии, на одну больше чем число групповых передач, поле между двумя горизонтальными линиями отводится для одной групповой передачи.

2.       на равных расстояниях проводят столько вертикальных (или горизонтальных) линий, сколько скоростей имеет привод; расстояние между вертикальными линиями равно lg φ, так как для геометрического ряда nz = nz-1 φ и после логарифмирования

lgnz = lgnz-1 + lg φ.

3.       из каждой полученной точки на второй и последующих горизонталях (вертикалях) проводят лучи для второй, третьей и т. д. групповых подач.

z = 2(1) * 2(2) * 2(4) φ = 1,58







1 ; i2 ; = φ = 1,58

i4 ; i5 = φ2 = 2,5

i6 ; i7 = φ4 = 6,2

График частот вращения

Структурная сетка не дает фактических значений частот вращения и передаточных отношений передач в группах.

Для определения этих величин строят второй график - график частот вращения. Для его построения должны быть известны:

1.        φ = 1,58

2.       фактические частоты вращения от n1 = 63 до n8 =1500

.         частота вращения выбранного электродвигателя nэд = 484 об/мин

.         полная кинематическая схема привода, которая кроме групповых передач может иметь и одиночные передачи

Порядок построения графика частот следующий:

1.      на равных расстояниях проводят столько горизонтальных (или вертикальных) линий, сколько валов в проектируемой коробке скоростей

2.       на равных расстояниях проводят столько вертикальных (или горизонтальных) линий, и присваивают им слева на право (или снизу вверх) порядковые частоты вращения начиная с n1.

.         намечают цепь передач для снижения частот вращения с n8 до n1.

Дальнейшее построение ведут в соответствии с принятым вариантом структурной сетки. Линия, соединяющая на графике две точки валов, обозначает передачу с передаточным отношением i = φm, где m - число интервалов перекрываемых лучом. Если луч отклоняется влево (или вниз), то передача понижающая и m < 0, если вправо (или вверх) - повышающая и m > 0. Для вертикального (горизонтального) луча m = 0.

График частот вращения


i1 = φm = φ-1 = 1.58-1 = 0.63 = φ0 = 1.580 = 1 = φ-1 = 1.58-1 = 0.63 = φ1 = 1.581 = 1.58 = φ-3 = 1.58-3 = 1.26 = φ1 = 1.581 = 1.58р.п = φ1,6 = 1.581,6 = 0,69

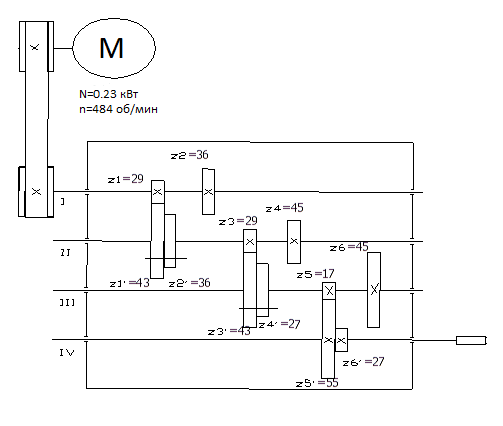
Расчет чисел зубьев

Существует много способов определения чисел зубьев прямозубых колес при одинаковых модулях передач одной группы.

Выбираем способ в котором исходят из постоянства межосевого рас стояния и числа зубьев определяют по следующим формулам:

фрезерный станок вращение заготовка

 

 

где: zx и zx’ - числа зубьев ведущего и ведомого колес;

z0 - сумма чисел зубьев сопряженных колес;

fx - числитель передаточного отношения;

qx - знаменатель передаточного отношения

К - наименьшее кратное сумм (fx + qx);

Zдоп - 17 - минимальное число зубьев;

Порядок определения чисел зубьев колес следующий:

1.      Определяем наименьшее кратное К сумм (fx + qx), для чего передаточные отношения выражают в виде простых дробей с числителем fx и знаменателем qx, причем так чтобы (fx + qx) были числа разлагающиеся на простые множители. Для этого, при необходимости, можно вместо вычисленных точных передаточных отношений брать их приближенные значения, допуская некоторую погрешность.

Передаточные отношения:


Следовательно,

;

;


Отсюда наименьшее кратное сумм (fx + qx) будет К = 3*3 = 9.

2.      Определяем Еmin для минимального передаточного отношения i1.


Полученное значение округляем до целого числа: Е = 8.

3.      Сумма чисел зубьев сопряженных колес 2z0 = KE = 8*9 = 72. Полученную сумму уточняют при известном модуле по нормали

Н21-5 (приложения).

4.      Определяем числа зубьев сопряженных колес:


5.      Делаем проверку, сумма зубьев каждой пары сопряженных колес должна быть одинакова.

z1+z1’ = z2+z2’ = z3+z3’ = z4+z4’ = z5+z5’ = z6+z6’ = z7+z7’ =29+43=36+36=29+43=45+27=17+55=45+27=72.

Кинематическая схема привода

График чисел оборотов

Список использованных источников

1.                А.С. Проников «Расчет и конструирование металлорежущих станков». - М.: 1967 г.

2.       В.Э. Пуш «Металлорежущие станки». - М.: Машиностроение, 1985 г.

.         А.Г. Косилова «Справочник технолога машиностроителя». - М.: Машиностроение-1, 2003 г.

Похожие работы на - Проектирование привода главного движения резания для вертикально-фрезерного станка

 

Не нашли материал для своей работы?
Поможем написать уникальную работу
Без плагиата!
Без нейросетей!