|
Показатель
|
Установленная мощность
|
Располагаемая мощность
|
Примечание
|
|
Электрическая мощность, МВт
|
480
|
475,8
|
По данным годового отчета
за 2006г.
|
|
Тепловая мощность отборов
турбоустановок, Гкал/ч
|
956
|
817
|
Недостаточная пропускная
способность паропровода II очереди
|
|
Тепловая мощность
водогрейных котлов, Гкал/ч
|
300
|
300
|
-
|
|
Тепловая мощность пиковых
котлов, Гкал/ч
|
500
|
420
|
Непроектное топливо пиковых
котлов
|
|
Общая тепловая мощность,
Гкал/ч
|
1756
|
1537
|
По данным годового отчета
за 2006г.
|
|
Паровая мощность
энергетических котлов, т/ч
|
2520
|
2520
|
-
|
Причины, вызвавшие ограничения электрической мощности в 2006г.:
Повышенные присосы в топку и конвективную часть котлоагрегатов;
Ограничение пропускной способности паропровода II очереди;
Неудовлетворительное состояние трубок конденсаторов и повышенные присосы
в вакуумную систему турбин;
Отсутствие ПВД на ТГ ст. № 5.
Причины ограничений тепловой мощности:
- Непроектное топливо пиковых котлов ПТВМ-100- 4х20=80 Гкал/ч;
- Недостаточная пропускная способность паропровода II очереди - 139
Гкал/ч.
2.3 Анализ существующего состояния энергоснабжения
потребителей Курганской энергосистемы
· Курганская энергосистема
территориально расположена в юго-восточной части ОЭС Урала и по электрическим
сетям 110, 220, 500 кВ связана с Тюменской, Свердловской, Челябинской
энергосистемами и ЕЭС Казахстана.
В настоящее время электроснабжение потребителей Курганской энергосистемы
осуществляется от Курганской ТЭЦ, ПС 500/220 кВ Курган (2x501 МВ.А) и четырех
подстанций 220/110 кВ Высокая (2x125 МВ.А), Шумиха (125+200 МВ.А), Промышленная
(2x200 МВ.А) и Макушино (1x200 МВ.А).
Основными питающими линиями электропередачи являются ВЛ 500 кВ Иртыш -
Курган (418 км), ВЛ 500 кВ Аврора (ЕЭС Казахстана) - Курган (276 км), ВЛ 220 кВ
Курган - Промышленная - Шумиха (185 км), Козырево - Шумиха (108 км), Курган -
Высокая - Каменская (286 км), Аврора - Макушино (185 км).
Подстанции 220 кВ Курганской энергосистемы объединены сетью 110 кВ,
которая наибольшее развитие получила вдоль электрифицированных железнодорожных
магистралей, в г.Кургане, а также в сельской местности.
В зимний максимум 2003 г электрическая нагрузка Курганской энергосистемы
составила 814 МВт (100 %). При этом Курганская ТЭЦ (единственный генерирующий
источник в Курганской энергосистеме) участвовала в покрытии мощностью 189 МВт
(23 %).
Дефицит мощности энергосистемы в объеме 625 МВт (77 %) в основном
покрывался приемами мощности из ОАО «Тюменьэнерго» величиной 335 МВт (41 %) и
из ЕЭС Казахстана 170 МВт (21 %).
Прием мощности из Свердловской и Челябинской энергосистем (соответственно
45 и 75 МВт) не превышал 6-9 % от нагрузки Курганской энергосистемы.
Анализ режимов работы электрических сетей 110 кВ и выше Курганской
энергосистемы в зимний максимум 2003 г выявил следующие "узкие места"
существующей схемы:
· увеличение приема мощности из ЕЭС
Казахстана с 75 до 255 МВт (в 3 раза) в послеаварийном режиме при отключении ВЛ
500 кВ Иртыш-Курган;
· предельная загрузка в нормальном
режиме 2003 г ВЛ 220 кВ Курган - Промышленная до 349 МВ.А (101 % от допустимой
мощности по нагреву проводов) приводит к вынужденному секционированию
транзитной сети 220 кВ Курган - Промышленная - Шумиха - Козырево с отключением
участка Промышленная - Шумиха;
· высокая загрузка двух
автотрансформаторов 220/110 кВ (2x200 МВ.А) подстанции Промышленная в
нормальном режиме 2003 г (286 МВ.А или 72 % от номинальной мощности), что
приводит в послеаварийных режимах отключения одного автотрансформатора к
перегрузке оставшегося в работе (251 МВ.А или 126 % от номинальной мощности);
· высокая загрузка (118 % от допустимой
длительной мощности ВЛ 110 кВ ТЭЦ - Промышленная (3, 4 цепь) в послеаварийном
режиме при отключении одной цепи;
несоответствие отключающей способности выключателей 110 кВ Курганской ТЭЦ
уровням токов короткого замыкания, приводящее к необходимости секционирования
сети 110 кВ ТЭЦ - Промышленная.
Таким образом, основными недостатками существующей схемы электроснабжения
потребителей Курганской энергосистемы являются:
· полная зависимость спроса на
электроэнергию от поставок из смежных энергосистем ОЭС Урала (Тюменской,
Свердловской, Челябинской) и из ЕЭС Казахстана;
· недостаточное развитие собственной
генерации;
· недостаточное развитие питающих сетей
220, 500 кВ;
· низкая ремонтопригодность
электрических сетей 220, 500 кВ.
3. СИСТЕМЫ ВОЗБУЖДЕНИЯ, ИХ ДОСТОИНСТВА И НЕДОСТАТКИ
Система возбуждения предназначена для питания обмотки возбуждения
синхронной машины постоянным током и соответствующего регулирования тока
возбуждения.
Систему возбуждения принято характеризовать номинальным напряжением
возбуждения Uf ном на выводах обмотки возбуждения и
номинальным током If
ном в обмотке
возбуждения, которые соответствуют номинальному режиму работы электрической
машины; номинальной мощностью возбуждения Pf ном= Uf ном· If ном которая обычно составляет 0,2-0,6%
номинальной мощности машины; форсировочной способностью (кратностью
форсировки); быстродействием системы возбуждения во время аварий в
энергосистеме и быстротой развозбуждения генератора в случаях его повреждений.
Выбор номинального напряжения возбуждения определяется: мощностью
возбуждения; предельными токами, которые могут быть пропущены через контактные
кольца и щетки; предельными напряжениями, при которых возбудители работают
надежно, и т.д. Номинальное напряжение возбуждения современных генераторов
составляет 80-600 В.
Нижний предел относится к генераторам мощностью несколько мегаватт,
верхний - к генераторам большой мощности.
Номинальный ток возбуждения так же зависит от мощности генератора.
Для генераторов небольшой мощности он составляет несколько десятков или
сотен ампер, а для генераторов мощностью более 200 МВт достигает 2000-8000А.
Под форсировочной способностью по напряжению понимают отношение
наибольшего установившегося напряжения (потолка) Uf п.у возбудителя (присоединенного к
обмотке возбуждения генератора) к номинальному значению напряжения возбудителя Uf ном , а под форсировочной способностью
по току понимают отношение предельного (наибольшего допускаемого по нагреву
обмотки ротора) тока возбуждения If п , обеспечиваемого возбудителем в режиме форсировки, к номинальному току
возбуждения If ном .
Быстродействие системы возбуждения в процессе форсировки напряжения при
авариях в энергосистемах характеризуют номинальной скоростью нарастания
напряжения возбудителя, 1/с, которая определяется по формуле:
,
где
Ufп -
предельное напряжение возбудителя (для электромашинных возбудителей Ufп= Uf п.у , для
выпрямительных систем Ufп> Uf п.у ); t1
- время, в течении которого
напряжение возбудителя возрастает до значения:
Uf =
=Ufном +
0,632(Ufп - Ufном).
Для
систем возбуждения, у которых кривая uf = f(t)
может быть представлена экспонентой uf = Ufп-(Ufп - Ufном)exp(-1/Те),
время t1= Те
(рис. 1.1). Постоянная времени подъема напряжения возбудителя Те
определяется параметрами возбудителя, кратностью форсировки и быстродействием
автоматического регулятора возбуждения, а при электромашинной системе
возбуждения так же и частотой вращения возбудителя. Скорость нарастания напряжения
тем выше, чем больше потолок возбуждения и чем меньше постоянная времени Те.
К
системе возбуждения синхронных машин предъявляются высокие требования. Она
должна обеспечивать:
надежное
питание обмотки возбуждения в нормальных и аварийных режимах;
устойчивое
регулирование тока возбуждения при изменении нагрузки генератора от нуля до
номинальной;
потолочное
возбуждение в течение определенного времени, необходимого для восстановления
режима после ликвидации аварии.
Кроме
того, она должна быть достаточно быстродействующей и иметь кратность форсировки
по напряжению не менее 2,0 (часто ее увеличивают до 3 - 4 и более).
Кратность
форсировки по напряжению и соответственно предельное напряжение возбудителя
ограничиваютсся испытательным напряжением изоляции обмотки ротора, а при
наличии коллекторного возбудителя - и опасностью появления кругового огня на
коллекторных пластинах. Предельный ток возбуждения и длительность работы с
таким током ограничиваются допустимым нагревом ротора и зависят от типа системы
охлаждения.
Номинальная
скорость нарастания напряжения возбуждения должна быть не менее 2 (1/с), а для
генераторов, к которым предъявляются повышенные требования в отношении
устойчивости, она может быть значительно выше (более 7-9 1/с).
В
зависимости от источника энергии, используемого для возбуждения синхронной
машины, все системы возбуждения можно подразделить на три основные группы:
1) системы возбуждения, в которых источником энергии является
генератор постоянного тока (возбудитель);
2) системы возбуждения, в которых источником энергии является
генератор переменного тока (возбудитель). Переменный ток этого генератора
преобразуется в постоянный с помощью полупроводниковых управляемых или
неуправляемых выпрямителей;
3) системы возбуждения, в которых используется энергия самой
возбуждаемой машины (самовозбуждение). Эта энергия преобразуется с помощью
специальных трансформаторов и полупроводниковых выпрямителей.
Системы возбуждения первой группы являются независимыми от напряжения
возбуждаемой машины, если возбудитель приводится во вращение от ее вала или от
электродвигателя, который подключен к воспомогательному генератору,
расположенному на одном валу с возбуждаемой машиной. Вторая система также
является независимой, а третья - зависимой от напряжения возбуждаемой машины.
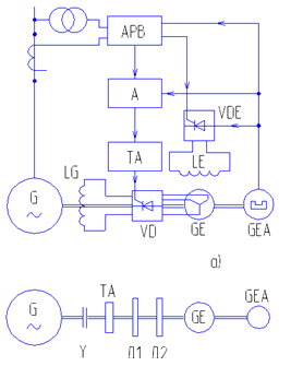
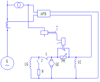
3.1 Электромашинные системы возбуждения с возбудителем
постоянного тока
Рисунок 3.1 Электромашинная система возбуждения с генератором постоянного
тока, работающего по схеме самовозбуждения: GE-возбудитель; LG-обмотка
возбуждения генератора; LE-обмотка
возбуждения возбудителя; PR-шунтовой
реостат; АРВ-автоматический регулятор возбужденный; R-разрядный резистор
Здесь возбудителем служит генератор постоянного тока, который в
зависимости от схемы питания его обмотки возбуждения работает или по схеме
самовозбуждения (рис.3.1), или по схеме независимого возбуждения. В последнем
случае устанавливают вторую машину постоянного тока - подвозбудитель. Для
возбуждения синхронных генераторов большее распространение получила схема с
самовозбуждением возбудителя как более простая и обеспечивающая большую надежность
в эксплуатации. Регулирование тока возбуждения генератора осуществляет
автоматический регулятор возбуждения путем изменения тока возбуждения
возбудителя.
Электромашинную систему возбуждения, в которой возбудитель
непосредственно сочленен валом возбуждаемой машины, принято называть прямой, а
электромашинную систему возбуждения, в который привод возбудителя
осуществляется от электродвигателя (независимо от источника его питания),-
косвенной.
При прямом возбуждении (рис.3.2, а) возбудитель приводится во вращение
непосредственно от вала генератора. Такая система возбуждения имеет ряд
достоинств: ввиду большой инерции агрегата турбина - генератор частота вращения
возбудителя при КЗ практически остается неизменной; система содержит небольшое
количество оборудования и поэтому обладает достаточной надежностью и небольшой
стоимостью. Однако ремонт и ревизия возбудителя возможны только при
остановленном генераторе. Кроме того, эта система возбуждения не может быть
использована для возбуждения мощных генераторов. По условиям надежной
коммутации и механической прочности коллектора предельная мощность
электромашинных возбудителей постоянного тока при частоте вращения 750 об/мин
составляет 2500-3600 кВт, а при частоте 3000 об/мин снижается до 300-500 кВт,
что соответствует мощности возбуждения турбогенератора 110-160 МВт. Предельная
мощность тихоходных возбудителей ограничена размерами возбудителя и скоростью
нарастания напряжения.
По указанным причинам нельзя создать мощные возбудители, предназначенные
для непосредственного соединения с валом крупных быстроходных турбогенераторов
и тихоходных гидрогенераторов. Поэтому прямая электромашинная система
возбуждения нашла применение только для турбо- и гидрогенераторов небольшой
мощности.
Рисунок 3.2. Электромашинная система возбуждения с возбудителем
постоянного тока:
а - независимое прямое возбуждение; б - независимое косвенное
возбуждение; в - зависимое косвенное возбуждение; М - двигатель; GA - вспомогательный генератор; Y - соединительная муфта.
При косвенном возбуждении возбудитель приводится во вращение двигателем,
который может быть подключен или к вспомогательному синхронному генератору,
установленному вместе со своим возбудителем на общем валу с генератором (рис.
3.2, б), или к шинам системы СН (рис. 3.2, в). В первом случае систему часто
называют независимой, во втором - зависимой. Установка отдельного двигателя
позволяет выбрать рациональную частоту вращения возбудителя, при которой может
быть изготовлен возбудитель требуемой мощности и размеров. Однако такая система
возбуждения сложнее прямой системы, поэтому обладает меньшей надежностью, а при
присоединении электродвигателя к шинам СН она оказывается чувствительной к
изменениям напряжения во внешней сети. При кратковременных снижениях напряжения
(продолжительность определяется временем отключения места повреждения) возможно
поддержать частоту вращения и соответственно напряжение возбудителя в нужных
пределах путем установки маховика, повышающего механическую постоянную времени
агрегата двигатель - возбудитель. Косвенная независимая система возбуждения
применена в основном только для тихоходных гидрогенераторов небольшой мощности,
а косвенная зависимая система возбуждения с маховиком - для возбуждения
синхронных компенсаторов, капсульных генераторов, а также для резервного
возбуждения генераторов.
Электромашинная система возбуждения с возбудителем постоянного тока
характеризуется большими постоянными времени Те (0,3 - 0,6 с),
небольшими потолками по напряжению (не более 2Ufном) и соответственно небольшими
скоростями подъема возбуждения. Учитывая также указанные ранее недостатки, в
настоящее время ее заменяют более совершенными системами, которые приводятся
ниже.
3.2 Системы возбуждения с возбудителем переменного тока и
полупроводниковыми выпрямителями
Система возбуждения с возбудителем повышенной частоты и неподвижными
полупроводниковыми выпрямителями.
Эту систему обычно называют «высокочастотной», так как для уменьшения
размеров возбудителя и магнитных усилителей системы регулирования возбудитель
переменного тока выполняют высокочастотным (обычно 500 Гц). Высокочастотная
система (рис.3.3) была установлена на некоторых турбогенераторах мощностью 160
- 320 МВт. По своему быстродействию она эквивалентна электромашинной системе возбуждения.
Поэтому в дальнейшем предполагается замена этой системы более
быстродействующими системами (см. ниже).
резервный возбуждение генератор проектирование
Рисунок 3.3 Высокочастотная система возбуждения:
FV -
разрядник; R - разрядный резистор; АГП - автомат
гашения поля; КМ - контакты контактора; LG - обмотка возбуждения генератора; LE - обмотка возбуждения возбудителя; GEA - подвозбудитель; А - магнитный усилитель.
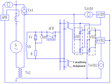
Система возбуждения с возбудителем 50Гц и статическими выпрямителями
(статическая тиристорная система независимого возбуждения).
В этой системе возбуждения (рис.3.4) группа статических выпрямителей
преобразует переменный ток возбудителя GE с частотой 50Гц в постоянный. Возбудителем является
синхронный генератор, расположенный на одном валу с возбуждаемым генератором
(независимое возбуждение). Статическая выпрямительная установка состоит из
управляемых полупроводниковых кремниевых выпрямителей - тиристоров.
Если необходимы небольшие потолки возбуждения (порядка 2Ufном), возможно применение одной группы
тиристоров. В системах возбуждения с высокими потолками возбуждения (более 2Ufном) и одной группой тиристоров после
коммутации тока с одного вентиля на другой возникает большой скачок напряжения
на погасшем тиристоре. Это увеличивает вероятность пробоя
Рисунок 3.4 Статическая тиристорная система независимого возбуждения:ТА1
- трансформатор, питающий системы управления вентилями рабочей группы AVD1 и форсировочной группы AVD2; ТА2 - трансформатор
самовозбуждения возбудителя; VD -
вентили системы возбуждения возбудителя
тиристоров, искривляет форму кривой выпрямленного напряжения и создает
перенапряжения в обмотке ротора. Поэтому при высоких потолках возбуждения
обычно применяют две группы тиристоров - рабочую VD1 и форсировочную VD2. Обе группы соединяют паралельно по трехфазной мостовой схеме. За счет
коммутации тиристора одной группы на тиристор другой группы обратное напряжение
тиристоров рабочей группы уменьшается. Рабочая группа тиристоров обеспечивает
основное возбуждение генератора в нормальном режиме, форсировочная группа -
форсировку и гашение поля генератора в аварийных режимах, поэтому в нормальном
режиме она работает с небольшими токами (20 - 30 % номинального тока ротора);
при при форсировке форсировочная группа (полностью либо частично) открывается и
обеспечивает весь ток форсировки, а рабочая группа тиристоров запирается более
высоким напряжением форсировочной группы.
Для питания двух групп тиристоров обмотку каждой фазы возбудителя
выполняют из двух частей: части низкого напряжения, сечение проводников которой
рассчитано на длительное прохождение рабочего тока, и части высокого
напряжения, сечение проводников которой рассчитано на кратковременное
прохождения тока форсировки. К первой подключены тиристоры рабочей группы, а ко
второй - форсировочной группы.
Независимая система возбуждения с возбудителем переменного тока и
статическими преобразователями обладает высоким быстродействием (υ
≈ 50 1/с), так как
она имеет высокие потолки возбуждения (до 4Ufном) и, вследствие безинерционности
тиристоров, малые постоянные времени (Те <0,02 с). Кроме того,
система позволяет производить замену вышедших из строя тиристоров без останова
генератора и осуществлять гашение поля генератора путем перевода тиристоров в
инверторный режим. К недостаткам этой системы возбуждения следует отнести
наличие возбудителя переменного тока, который усложняет эксплутацию и
увеличивает стоимость всей системы возбуждения (по сравнению с системой самовозбуждения,
рассмотренной ниже), а также наличие скользящих контактов (в ней сохраняются
контактные кольца и щетки ротора). Эта система целесообразна для возбуждения
гидро- и турбогенераторов мощностью 250 - 300 МВт и более, если генераторы
работают на длинные линии электропередач или расположены вблизи потребителей, у
которых вследствие работы дуговых печей, прокатных станов резко колеблется
напряжение.
Система возбуждения с возбудителем 50 Гц и вращающимися выпрямителями
(бесщеточная система).
В этой системе (рис.3.5,а) в качестве возбудителя GE используется синхронный генератор
частотой 50 Гц особой конструкции: его обмотка возбуждения LE расположена на неподвижном статоре,
а трехфазная обмотка переменного тока - на вращающемся роторе. Обмотка LE получает питание через выпрямители VDE от подвозбудителя GEA индукторного типа с постоянными
магнитами. Переменный ток трехфазной обмотки якоря возбудителя выпрямляется с
помощью вращающихся с той же частотой вращения выпрямителей, в качестве которых
используют неуправляемые полупроводниковые (кремниевые) выпрямители - диоды и
управляемые - тиристоры.
Рисунок 3.5 Бесщеточная система возбуждения: а - принципиальная схема; б
- схема взаимного расположения основного оборудования
На рис. 3.5, б показана бесщеточная система с тиристорами VD, которые смонтированы на дисках Д1,
расположенных на валу между возбудителем и соединительной муфтой Y. В том же месте на других дисках Д2
расположены делители напряжения, выравнивающие распределение напряжения на
тиристорах, и плавкие предохранители, отключающие пробитые тиристоры.
Количество тиристоров выбрано с таким расчетом, чтобы при выходе из работы
части их (около 20 %) оставшиеся в работе могли обеспечить возбуждение в режиме
форсировки. Поскольку обмотка переменного тока возбудителя, тиристоры и обмотка
возбуждения генератора вращаются с одной частотой вращения, то их можно
соединить между собой жестким токопроводом без применения контактных колец и
щеток. Регулирование тока возбуждения возбуждаемой машины осуществляется от АРВ
путем воздействия на тиристоры через импульсное устройство А и вращающийся
трансформатор ТА.
Достоинством бесщеточной системы возбуждения является отсутствие
коллекторов, контактных колец и щеток, благодаря чему значительно повышается
надежность ее работы и облегчается эксплутация. Недостатком этой системы
возбуждения является необходимость останова машины для подключения резервного
возбуждения и замены вышедших из строя выпрямителей и перегоревших предохранителей.
Бесщеточная система используется для возбуждения синхронных компенсаторов
мощностью 50 МВ·А и более и турбогенераторов мощностью 800 МВт и более.
3.3
Системы самовозбуждения со статическими выпрямителями
Эти системы являются быстродействующими. На рис.3.6 показана одна из
таких систем - статическая тиристорная система самовозбуждения.
Рисунок 3.6 Статическая тиристорная система самовозбуждения
В последней использованы тиристоры, на которые подается напряжение от
статора генератора через специальный трансформатор ТА1, подключенный к выводам
обмотки статора, и последовательный трансформатор ТА2, первичная обмотка
которого включена последовательно в цепь статора со стороны нулевых выводов
генератора. Применяются также схемы только с одним выпрямительным
трансформатором. Выпрямительная установка состоит из двух групп тиристоров:
рабочей группы VD1, которая
обеспечивает основное возбуждение в нормальном режиме, и форсировочной группы VD2, которая обеспечивает возбуждение
синхронной машины при форсировке. Рабочие тиристоры подключены к низковольтной
части обмотки выпрямительного трансформатора, а форсировочные - через
последовательный трансформатор - к высоковольтной части обмотки выпрямительного
трансформатора. Управление тиристорами осуществляется от систем управления AVD1 и AVD2 через трансформаторы собственных нужд TAVD1 и TAVD2. Начальное возбуждение генератор получает от
резервного возбудителя.
Достоинством схемы только с выпрямительным трансформатором является ее
простота. Однако при КЗ вблизи генератора напряжение на его выводах снижается,
что приводит к снижению напряжения на тиристорах. Последовательный
трансформатор обеспечивает более надежное возбуждение при близких КЗ. Наличие
только статических элементов обуславливает высокую надежность систем
самовозбуждения. Система без последовательного трансформатора применяется для
возбуждения турбогенераторов мощностью до 220 МВт и гидрогенераторов до 300 МВт
включительно; система с выпрямительным и последовательным трансформаторами -
для турбогенераторов мощностью 320 - 800 МВт и гидрогенераторов мощностью до
400 МВт.
4. ВЫБОР СИСТЕМЫ РЕЗЕРВНОГО ВОЗБУЖДЕНИЯ
.1 Влияние регулирования возбуждения на устойчивость
генераторов
Регулирование возбуждения современных турбогенераторов оказывает
значительное влияние на устойчивость работы генераторов и на энергосистему в
целом, поэтому актуальным является вопрос о замене устаревших систем
автоматического регулирования возбуждения пропоционального действия (АРВ ПД) на
быстродействующие системы сильного действия (АРВ СД). В качестве обоснования
данного положения ниже приведено исследование устойчивости генератора с точки
зрения электромеханических процессов в генераторе.
В реальной электрической системе считается достаточным с точки зрения
поддержания требуемой точности напряжения генератора иметь коэффициент усиления
KU=50. Однако ее неустойчивость наступает при KU<10 и при таких значениях
коэффициента усиления АРВ ПД можно говорить лишь о поддержании переходной ЭДС
генератора Е', приложенной за его переходным сопротивлением x'd. Добиться же
требуемой точности поддержания напряжения генератора Uг при одновременном
обеспечении его устойчивости можно применив АРВ сильного действия (АРВ СД).
В отличие от АРВ ПД, АРВ СД осуществляет регулирование не только по
отклонению напряжения генератора, но и по его скорости, путем формирования
управляющего воздействия пропорционального не только отклонению Uг, но
и скорости U'г. На рисунке 4.1 приведена функциональная схема системы с АРВ СД.
Из сказанного вытекает закон регулирования, реализующий АРВ СД,
аналитическая форма записи которого имеет вид
г = - KU Uг - KU' U'г ,
где KU' -коэффициент усиления регулятора по скорости изменения напряжения
генератора U'г, определяющий степень принудительного производимого изменения
ЭДС генератора при появлении скорости изменения напряжения генератора U'г.
Работа генератора с АРВ СД в переходном режиме, обусловленная наличием
канала регулирования по отклонению напряжения генератора Uг происходит
описанной выше работе генератора с АРВ ПД. Наличие же канала регулирования по
скорости изменения напряжения генератора U’г приводит к появлению
дополнительного электромагнитного момента генератора M'p, стремящегося
как и ранее рассмотренные моменты M и Mp вернуть генератор в
состояние равномерного вращательного движения. Но так как сигнал
пропорциональный скорости изменения напряжения генератора опережает по фазе на
900 сигнал пропорциональный самому этому напряжению, то и момент M'p
опережает по фазе на 900 действие момента Mp. Поэтом, если момент Mp
запаздывает в действии по отношению к избыточному моменту M, то момент M'p
опережает в действии последний. Это, в свою очередь, означает, что в отличие от
момента Mp момент M'p за период колебаний совершает работу,
уменьшающую энергию колебательной системы. Тем самым появляется возможность,
влияя на величину момента Mp путем изменения коэффициента усиления KU',
принудительно влиять на интенсивность вывода энергии из колебательной системы.
Так, если система неустойчива по причине увеличения ее энергии от периода
к периоду колебаний, то можно, выбрав определенный коэффициент усиления KU'
больше некоторого минимально допустимого значения KU'min, обеспечить наряду с
потерями дополнительный вывод энергии из системы, причем такой, что полная энергия
системы от периода к периоду будет убывать, колебания будут затухающими, а
система устойчивой.
Установив В АРВ СД еще больший коэффициент усиления KU', можно получить
апериодический закон восстановления напряжения генератора. При увеличении
коэффициента усиления KU', по аналогии с увеличением коэффициента KU,
происходит увеличение запаздывания в действии момента M'p. Это ведет к
уменьшению принудительно выводимой энергии из колебательной системы и при
коэффициенте усиления более значения KU’max ее может выводиться больше чем
закачиваться при совершении работы моментом Mp. В результате энергия
системы от периода к периоду будет увеличиваться, амплитуда колебаний
возрастать, а система будет неустойчивой.
Поэтому во избежание неустойчивости системы при применении АРВ СД
коэффициент усиления KU’ в нем следует устанавливать не менее KU’min и не более
KU'max.
Применение АРВ СД дает возможность одновременно обеспечивать требуемую
точность поддержания напряжения Uг генератора путем установки соответствующего
значения коэффициента усиления KU (обычно KU=50) и его статическую устойчивость
путем установки коэффициента усиления KU'min < KU' < KU'max. Причем
нижняя граница этого интервала KU'min будет больше, а верхняя граница KU'max
меньше при большем установленном коэффициенте усиления KU. Это обусловлено
необходимостью большего вывода энергии из системы при совершении работы
моментом M'p, вызванного увеличение закачиваемой энергии в систему при
совершении работы моментом Mp. Графически область допустимых с точки
зрения статической устойчивости генератора коэффициентов усиления KU и KU'
может быть представлена в виде заштрихованной части площади первого квадрата
системы координат, по осям которой отложены значения коэффициентов усиления KU
и KU' (рисунок 4.2).
Координаты KUт и KU'т точки А, лежащей внутри допустимой области,
означают, что если в АРВ ПД генератора установить коэффициент усиления KU=KUт и
KU’=KU'т, то генератор будет статически устойчив. При этом, если коэффициент
усиления KUт выбирается из условия обеспечения требуемой точности поддержания
напряжения Uг генератора, то коэффициент усиления KU'т - из условия обеспечения
требуемого качества (времени, степени затухания и т.п.) переходного процесса.
На современных генераторах с целью более оптимального обеспечения условий
устойчивости и качества протекания переходных процессов устанавливают АРВ СД,
осуществляющие регулирование не только по отклонению Uг напряжения
генератора и его скорости U'г, но и по отклонению от синхронной его частоты
вращения f и скорости ее изменения f', а также по скорости изменения
тока возбуждения I'f.
Так как с помощью АРВ СД обеспечивается требуемая точность поддержания
напряжения генератора, то при расчетах статической устойчивости такой генератор
в схеме замещения можно учитывать его напряжением Uг и нулевым сопротивлением.
4.2 Общие положения
Проанализировав ранее рассмотренные варианты систем возбуждения
турбогенераторов, приходим к выводу, что оптимальной системой резервного
возбуждения по критериям быстродействия и надежности является система,
основанная на базе тиристорной система самовозбуждения. Она отвечает всем
современным требованиям, легка в монтаже и настройке; при работе такой системы
резервного возбуждения совместно с автоматическим регулятором сильного действия
возможно более полное использовать возможностей турбогенераторов для
поддержания напряжения на заданном уровне.
Для замены системы резервного возбуждения выберем систему тиристорную
систему производства ПО «Уралэлектротяжмаш» с естественным воздушным
охлаждением тиристоров. Системы выполнены по одногрупповой схеме параллельного
самовозбуждения без вольтодобавочных трансформаторов. В систему входят два
тиристорных преобразователя, включенных параллельно. Вентильное плечо
трехфазного мостового преобразователя содержит в зависимости от номинального
тока системы от двух до пяти параллельных блоков тиристора с 630 - амперным
тиристором в каждом. Ток возбуждения регулируется полупроводниковым
автоматическим регулятором АРВ - СДП. Аппаратура системы возбуждения
поставляется заводом - изготовителем смонтированной в шкафах с двусторонним
обслуживанием [2].
Минимальный вариант комплекта поставки включает в себя:
преобразовательную установку, которая состоит из двух тиристорных преобразователей
(каждый - в отдельном шкафу), шкафа силового ввода ШСВ-1, смонтированного между
преобразователями на одной с ним несущей раме, и шкафа силового ввода ШСВ-2 .
В шкафу ШСВ-1 установлены разъединители ввода преобразователей по
переменному и постоянному току, два трансформатора собственных нужд системы
возбуждения, устройство начального возбуждения и элементы групповых
демпфирующих и защитных цепей преобразователей.
В шкафу ШСВ-2 установлены автомат гашения поля, тиристорный разрядник и
контактор самосинхронизации. Шкафы силового ввода имеют 4 модификации (ШСВ - 11
- ШСВ - 14 и ШСВ - 21 - ШСВ - 24). Номер модификации зависит от номинальных
параметров силовой коммутационной аппаратуры, установленной в шкафу;
шкаф управления, защит и сигнализации ШУЗС, в котором смонтирован
автоматический регулятор возбуждения АРВ - СДП, блок дистанционного управления
БДУ, выполняющий функции резервного регулятора возбуждения, электронный блок
контроля БК, диагностирующий тиристорные преобразователи, вспомогательная
аппаратура для электронных блоков и релейная аппаратура управления, защит и
сигнализации системы возбуждения [2].
Резервная система возбуждения обеспечивает следующие режимы работы
генератора:
1) режим холостого хода и работу генератора в энергосистеме с нагрузками
от холостого хода до номинальной, работу в пределах диаграммы мощности
генератора, а также с перегрузками, соответствующими ГОСТ 183 - 74 , ГОСТ 533 -
85 и ГОСТ 5616 - 89;
2) перевод возбуждения генератора с резервной системы возбуждения на
рабочий возбудитель и обратно без перерыва питания обмотки возбуждения;
) автоматическое и ручное управление системой возбуждения в
режимах пуска и останова генератора;
) выдерживает без повреждений аварийные режимы генератора
(короткие замыкания, набросы и сбросы нагрузки).
Система резервного возбуждения в режиме автоматического регулирования
возбуждения обеспечивает:
1) форсировку возбуждения с заданной кратностью и развозбуждение
при нарушениях в энергосистеме;
2) развозбуждение и гашение поля при нормальном останове генератора
при переводом тиристорных преобразователей в инверторный режим;
) гашение поля в аварийных режимах автоматом гашения поля;
) все режимы работы и параметры возбуждения генератора при полном
числе и при выходе из строя одной параллельной ветви в любом или каждом
суммарном одноименном плече параллельно включенных преобразователей;
) ток возбуждения при работе генератора с номинальной нагрузкой и
коэффициентом мощности равном единице при выходе из строя двух параллельных
ветвей в любом или каждом суммарном одноименном плече параллельно включенных
преобразователей при отключении одного из двух параллельно включенных
преобразователей при полном числе параллельных ветвей оставшегося в работе
преобразователя. При этом автоматически осуществляется запрет режима форсировки
;
) полное открытие тиристоров при внезапных коротких замыканиях в
сети, вызывающих заданное снижение напряжения прямой последовательности на
входе АРВ;
) регулирование тока возбуждения по отклонению и производной
напряжения генератора, по отклонению и производной частоты, по производной тока
возбуждения;
) устойчивое регулирование возбуждения в пределах от 40 %
напряжения возбуждения холостого хода до 110 % номинального напряжения
возбуждения при работе генератора на сеть на холостом ходу;
) дистанционное изменение уставки напряжения генератора в пределах
от 80 до 110 % номинального значение;
) ограничение тока возбуждения генератора двукратной величиной по
отношению к номинальному току возбуждения без выдержки времени, а также ограничения
перегрузки по току возбуждения по время - зависимой характеристике ;
) ограничение минимального тока возбуждения с уставкой, зависящей от
величины активной мощности генератора, в режиме потребления реактивной мощности
из сети;
) работу генератора в системе группового регулирования реактивной
мощности.
.3 Выбор выключателя для резервной системы возбуждения
Расчетный рабочий ток нормального режима:
Расчетный
ток утяжеленного режима:
К
установке принимаем выключатель вакуумный типа ВБЭ-10-31,5/2500 с собственным
временем отключения 
.
Расчетное
значение периодической составляющей тока короткого замыкания:
Расчетное
время:
Апериодическая
составляющая тока короткого замыкания для ветви энергосистемы:
.
Таблица
4.3.1 Выбор выключателя
|
Расчётные данные
|
Каталожные данные
|
|
Выключатель
ВБЭ-10-31,5/2500
|
|

|
|
|

|
|
|

|
|
|

|
|
|
Полный ток КЗ: 
|
|
|

|
|
|

|
|
Где
,
- время
действия основной защиты трансформатора, равное 0,1 с,
- полное
время отключения выключателя ВБЭ-10-31,5/2500, равное 0,08с.
4.4
Выбор токоведущих частей
Турбогенераторы,
преобразовательный трансформатор и помещение возбуждения удалены друг от друга
на достаточно большое расстояние. Для их соединения применяются шинопроводы .
Для
соединения преобразовательного трансформатора с шинами генераторного напряжения
применим шинопровод. Он должен выдерживать неограниченное время номинальный ток
трансформатора и должен выдерживать токи короткого замыкания на выпрямительной
обмотке преобразовательного трансформатора.
;
Экономическая
плотность тока для алюминиевых проводников q=1,5 А/мм2
, тогда:
Sпр=IНОМ∙q;
(3.6)
Sпр=138∙1,5=207 мм2
Выбираем
неизолированные алюминиевые шины ШАТ с размерами: а=10 мм; b=25
мм.
Соединение
преобразовательного трансформатора с тиристорным выпрямителем выполняется
алюминиевыми шинами. Шины должны выдерживать длительный номинальный ток
выпрямительного трансформатора на стороне вентильной обмотки IВ.НОМ=2040 А.
По
формуле (3.6) определим сечение шины:
Sпрв=2040∙1,5=3060 мм2.
Выбираем
алюминиевый шинопровод АДО с размерами: а=40 мм; b=100 мм.
.5
Перевод с резервного возбуждения на рабочее
В
настоящее время, перевод с резервного возбуждения осуществляется в ручную. А
так как проектируемая тиристорная система возбуждения имеет возможность
подгонки уставки напряжения, то я предлагаю в цепь управления выключателями
ввода резервного возбуждения включить цепь, в которой будет находиться ключ
управления, реле времени и промежуточное реле. Это позволит автоматизировать
процесс перевода генератора с резервного возбуждения на рабочее.
При
повороте ключа в положение «1», будет осуществляется подгонка уставки
напряжения на рабочем возбудителе под резервный, уставка реле времени
выбирается таким образом, что за время срабатывания реле времени уставки
напряжения на рабочем и резервном возбудителе синхронизировались. После замыкания
контактов реле времени, срабатывает промежуточное реле. Контакты которого при
замыкании подают сигнал на ГЩУ о том, что подгонка уставки окончена. Эти же
контакты действуют на цепь отключения выключателя резервного возбудителя и на
включение рабочего возбудителя турбогенератора. Далее ключ управления
необходимо вернуть в нейтральное положение. На этом перевод генератора с
резервного возбуждения на рабочее окончен.
При
работе генератора на рабочем возбудителе, для перевода его на резервное
возбуждение следует повернуть ключ управление в положение «2», после чего
автоматически будет производиться подгонка уставки напряжения на резервном
возбудителе под рабочий. Далее срабатывает сигнал на ГЩУ об окончании подгонки
уставки, затем идет сигнал на отключение рабочего возбудителя и включение
резервного. По окончании перевода, ключ управления необходимо вернуть в
нейтральное положение.
Графически
это показано на схеме 140211-08-СХ.02 Э2.
5.
РАСЧЕТ ПАРАМЕТРОВ НАСТРОЙКИ АППАРАТУРЫ СИСТЕМЫ РЕЗЕРВНОГО ВОЗБУЖДЕНИЯ
.1
Расчет уставок защит преобразовательного трансформатора
.1.1
Описание защит преобразовательного трансформатора
Преобразовательный трансформатор ТСЗП-2500/15 снабжается максимальной
токовой защитой (МТЗ) и токовой отсечкой (ТО) [2]. Защиты воздействуют на
выключатель, и отключают его от сети в случаях коротких замыканий внутри
трансформатора либо на стороне вентильной обмотки. Защиты не должны реагировать
на токи перегрузки, вызванные отказом устройств ограничения тока ротора (в том
числе, при неуправляемой форсировке тиристорных преобразователей), - для этих
целей предусмотрены защиты тиристорного возбудителя.
Расчетная схема приведена на рисунке 5.1.
Рисунок 5.1 - Схема для расчета защит преобразовательного трансформатора
5.1.2 Расчет токов короткого замыкания
Данные для расчета:
кВ;
кВ;
кА;
кА;
А;
А;
кВ·А;
%.
Схема
соединения обмоток трансформатора -
.
Максимальное
значение тока трехфазного КЗ за трансформатором (точка К2), протекающего по
стороне генераторного напряжения:
;
А.
А.
Расчет
максимальной токовой защиты
Уставка МТЗ по току отстраивается от максимального значения тока
форсировки возбуждения, за которое целесообразно принять 2,5 - кратное значение
номинального тока тиристорного возбудителя. Чувствительность МТЗ, определяемая
как отношение тока двухфазного КЗ за трансформатором к току уставки, должна
быть не ниже 1,5 [2, 4, 32].
Определим минимальное значение тока уставки реле МТЗ:
IМТЗ,мин=
; IМТЗ,мин=
А,
где
Кн - коэффициент надежности защиты (1,2);
Кф
- коэффициент форсировки ТВ (2,5);
Iтв.ном - номинальное значение выпрямленного тока
тиристорного возбудителя (паспортное значение);
Ксх
- коэффициент схемы трехфазного шестипульсного выпрямления, определяющий
отношение эффективного значения фазного тока на стороне переменного тока
преобразователя к среднему значению выпрямленного тока.
Ксх=
=0,816;
КВ
- минимально допустимое значение коэффициента возврата токового реле (0,8);
КТТ
- коэффициент трансформации трансформатора тока (600/5);
КТП
- коэффициент трансформации преобразовательного трансформатора.
Выбираем
удобное для настройки значение тока уставки реле МТЗ, равное или большее
полученного минимального значения:
IМТЗ = 7,2 А.
Определяется
чувствительность защиты, коэффициент чувствительности:
;
;
.
Выдержка
времени МТЗ отстраивается от времени перегорания предохранителей тиристорных
преобразователей и составляет
ТМТЗ
= 0,4 с.
5.1.3
Расчет токовой отсечки
Уставка ТО отстраивается от максимального значения тока трехфазного КЗ на
стороне вентильной обмотки ТП, при этом отсечка не должна реагировать на бросок
тока намагничивания, достигающего пятикратного значения номинального.
Чувствительность отсечки, определяемая как отношение минимального тока КЗ на
стороне генераторного напряжения к току уставки, должна быть не менее 2 [2, 4, 32].
Последовательность расчета уставки следующая:
1 Определяем минимальное значение тока установки ТО
;
А.
где КН - минимальное значение коэффициента надежности для ТО
(1,4).
2 Определяем максимальное значение тока намагничивания ТП:
;
А.
3 Уставка реле ТО принимается равной или больше максимального из двух
полученных значений
А.
4 Определяем коэффициент чувствительности ТО:
;
;
.
5.2
Определение уставок реле защит, автоматики и сигнализации тиристорного
возбудителя
5.2.1
Общие положения
Все
описываемые модификации систем СТС комплектуются стандартным набором релейных
защит и схем автоматики и управления, основная часть которых смонтирована в
шкафу ШУЗС. Поскольку наименования реле однотипных схем в различных
модификациях ШУЗС неодинаковы, уставки реле определяются в общем виде и
иллюстрируются примерами для реле шкафа ШУЗС-8.
При
определении уставок защит в расчетных формулах использованы следующие
коэффициенты:
КСХ
- коэффициент схемы трехфазного шестипульсного выпрямления (схемы Ларионова).
Численное значение
КСХ=
0,816.
КТТ
- коэффициент трансформации трансформатора тока;
КТН
- коэффициент трансформации трансформатора напряжения;
КВ
- коэффициент возврата реле;
КН
- коэффициент надежности защиты, учитывающий погрешность расчетов и
разброс
технологических параметров элементов защиты.
5.2.2
Расчет защиты от потери возбуждения
Защита
от потери возбуждения выполнена на реле минимального тока и реле времени. За
уставку защиты по току принимается величина, равная 10% номинального тока
возбуждения СГ [2, 4, 32]:
Iуст = 0,1·
.
Реле минимального тока настраивается по замыканию размыкающих контактов.
Воздействие защиты производится на контактор, шунтирующий ротор СГ через
резистор самосинхронизации. Реле времени обеспечивает задержку воздействия,
необходимую при начальном возбуждении СГ и для предотвращения излишних срабатываний
контактора при кратковременных провалах тока возбуждения (что возможно, в
частности, при синхронизации СГ с сетью или в режимах ОМВ при малых нагрузках
СГ). В данном случае определяющим является время начального возбуждения
генератора, рекомендуемая уставка реле времени:
Туст = 3 с.
В ШУЗС-8 защита выполнена на реле КА1 , КТ3. Определение уставок реле:
Iуст КА1 = 0,1·
Туст
КТ3 = 3 с.
5.2.3
Расчет защиты ротора от перегрузки неограниченным током форсировки
Защита ротора от перегрузки неограниченным током форсировки резервирует
устройство ограничения двойного тока ротора - блок БОР АРВ, отключая регулятор,
а также контролирует исправность тиристорных преобразователей, отключая АГП и
СГ от сети в случае неуправляемого процесса форсировки [2, 4, 32].
По току защита отстраивается от уставки БОР на 15%:
Iуст = 1,15·
.
В шкафу ШУЗС-8 защита составлена из реле максимального тока КА2 и реле
времени КТ4:
Iуст КА2 = 1,15·
.
Реле КТ4 мгновенными контактами отключает АРВ. Время задержки воздействия
защиты на выходное реле защит ТВ (уставка упорного контакта КТ4) составляет:
Туст КТ4 = 0,6 с.
5.2.4 Расчет защиты ротора от длительной двукратной
форсировки
Защита ротора от длительной двукратной форсировки резервирует устройства
ограничения времени перегрузки блок измерения перегрузки автоматического
регулятора возбуждения и реле РЗР - 1М .
Уставка реле фиксации двукратного тока принимается равной 90 % двойного
тока ротора:
Задержка воздействия защиты отстраивается от максимально допустимого
времени перегрузки синхронного генератора двукратным током ротора .
В шкафу ШУЗС - 8 защита выполнена на базе реле максимального тока КА3 и
реле времени КТ10.
.
При максимально допустимом времени двукратной перегрузки турбогенератора
ТВФ - 120 , равном 20 с , уставка реле КТ10 составляет
Туст КТ10 = 18 с.
5.2.5 Расчет релейной сигнализации о перегрузке ротора током
возбуждения
Релейная сигнализация о перегрузке ротора током возбуждения выполнена на
реле максимального тока КА4 и реле времени КТ11 [2, 4, 32].
При выборе уставки токового реле следует исходить из того, что в случае
прекращения перегрузки и снижения тока ротора до номинального значения реле
должно возвращаться в исходное состояние:
Коэффициент
надежности принимаем равным:
Кн
= 1,05.
Для достижения максимальной чувствительности схемы необходимо реле с
высоким коэффициентом возврата. Реле РТ40/10, входящее в комплект поставки,
непригодно для работы в данной схеме.
Задержка сигнала, необходимая для выявления режима устойчивой перегрузки,
составляет:
Туст КТ11 = 9 с.
5.2.6 Расчет защиты статора от повышения напряжения
Защита статора от повышения напряжения осуществляет в случае повышении
напряжения на статоре при работе синхронного генератора в режиме холостого хода
мгновенное отключение автоматического регулятора возбуждения и развозбуждение
синхронного генератора инвертированием преобразователей, а в случае неуспешного
развозбуждения воздействует на отключение АГП [2, 4, 32]. Уставка защиты по напряжению отстраивается
от допустимого перенапряжения статора синхронного генератора или блочного
трансформатора. В качестве коэффициента перенапряжения КП
принимается меньшая из величин:
Время задержки на отключение автомата гашения поля определяется
наименьшим временем допустимого перенапряжения синхронного генератора или
трансформатора.
Защита в ШУЗС - 8 выполнена на реле максимального напряжения KV1 и реле времени КТ2.
5.2.7
Расчет защиты тиристорного возбудителя от пониженной частоты напряжения питания
Защита тиристорного возбудителя от пониженной частоты напряжения питания
предотвращает насыщение магнитопроводов синхронного генератора и
трансформаторов, а также возникновение режима форсировки тиристорного
возбудителя в результате частотного дрейфа опорных напряжений систем управления
тиристорным преобразователем [2, 4, 32]. Во всех модификациях систем тиристорного самовозбуждения
(СТС) защита выполнена на реле частоты KF1. Уставка реле принимается равной:
Fуст KF1 = 45 - 46 Гц.
5.2.8 Расчет параметров схемы контроля завершения начального
возбуждения
Схема контроля завершения начального возбуждения воздействует на
устройство начального возбуждения (УНВ) при достижении напряжением статора
значения, свидетельствующее о протекания процесса самовозбуждения. В противном
случае устройство начального возбуждения отключает реле времени через время,
которое достаточно для начального возбуждения. Схема состоит из реле контроля
напряжения статора и реле контроля времени начального возбуждения [2, 4, 32].
Уставка реле напряжения выбирается в центре диапазона между максимальным
напряжением статора синхронного генератора при питании ротора от устройства
начального возбуждения (то есть при неуспешном начальном возбуждении на
холодный ротор), что составляет 20 % номинального значения, и минимальным
напряжением статора в процессе программного пуска синхронного генератора с
автоматическим регулятором возбуждения, составляющим 30 % номинального
значения.
Таким образом, уставка реле равна 25 % номинального напряжения статора
синхронного генератора:

Время
начального возбуждения ограничивается термической устойчивостью устройства
начального возбуждения. Рекомендуемое значение
(Для
обеспечения работоспособности схемы требуется заменить реле KV2
на реле РН53/60Д).
5.3
Определение характеристик тиристорных преобразователей
5.3.1
Общие положения
В данном разделе приведены расчеты основных характеристик тиристорных
преобразователей, входящих в состав системы СТС - 370 - 2500 [2, 3, 7, 8].
Расчет включает в себя определение рабочего угла управления («рабочей точки»)
и угла инвертирования тиристорного преобразователя, диапазона углов управления
при работе синхронного генератора на холостом ходу и в сети, а также
регулировочных характеристик тиристорного преобразователя в названных режимах
работы генератора. Результаты расчета используются для настройки рабочих точек
преобразователя, коэффициентов усиления АРВ и блока дистанционного управления
по каналу напряжения и устройств ограничения тока ротора генератора.
Расчет должен обладать высокой точностью в связи с тем, что система
управления тиристорами (СУТ) и блок дистанционного управления тиристорных
систем самовозбуждения не имеют элементов оперативной подстройки своих
параметров и их коррекция при проведении эксплутационных испытаний
нежелательна.
Погрешность расчета не должна превышать 5 %. Для достижения таких
результатов необходимо решение системы нелинейных уравнений, нелинейность
которых обусловлена зависимостью угла коммутации тиристорного преобразователя
от тока возбуждения.
5.3.2.Соотношения для расчета характеристик тиристорных
преобразователей
Расчет характеристик тиристорного преобразователя проводится на основании
следующих соотношений [8]:
Ud =
(4.1)
где Ud - среднее за период выпрямленное напряжение тиристорного
преобразователя;
Ud -
действующее значение линейного напряжения питания тиристорного преобразователя;
Iв - ток нагрузки тиристорного преобразователя;
ха
- реактивность коммутации на стороне переменного тока тиристорного
преобразователя, приведенная к напряжению питания преобразователя;
Rа - активное сопротивление на стороне переменного тока
тиристорного преобразователя, приведенное к напряжению питания преобразователя;
∆U
- прямое падение напряжения на плече тиристорного преобразователя;
α - угол управления тиристорного преобразователя (эл.град.);
γ - угол коммутации тиристорного преобразователя (эл.град.)
В
первом уравнении системы (4.1) первое слагаемое определяет напряжение на
стороне постоянного тока тиристорного преобразователя как функцию напряжения
питания и угла управления. Последующие слагаемые определяют снижение
выпрямленного напряжения : в процессе коммутации тока с вентиля на вентиль -
второе слагаемое, при протекании тока по активному сопротивлению на стороне
переменного тока тиристорного преобразователя - третье слагаемое и в результате
падения напряжения на вентилях тиристорного преобразователя - четвертое
слагаемое.
Второе
уравнение в системе (4.1) определяет угол коммутации как функцию тока
преобразователя и угла управления.
Ток
нагрузки тиристорного преобразователя определяется из уравнения
Iв =
. (4.2)
где Rв - активная составляющая сопротивления току нагрузки,
включающая в себя сопротивление обмотки ротора Rf и сопротивление связи ротора и
тиристорного преобразователя - Rc.
RB = Rf + Rc. (4.3)
Рабочие углы управления преобразователями, в том числе и «рабочая точка»
тиристорного преобразователя, определяются из совместного решения (4.1) и (4.2)
при заданных значениях тока нагрузки тиристорного преобразователя :
. (4.4)
Напряжение смещения «рабочей точки» системы управления тиристорами
вычисляется по формуле
Uсм = -UОП·cosαу.о . (4.5)
где UОП - амплитудное значение опорного
напряжения системы управления тиристорами;
αу.о - «рабочая точка» тиристорного
преобразователя, угол управления, соответствующий фиксированному значению тока
нагрузки тиристорного преобразователя при отсутствии сигнала управления.
Определяется из (4.4).
Формула (4.5) представляет собой частный случай характеристики
фазосмещения системы управления тиристорами
(4.6)
где
UУ -
напряжение сигнала управления системы управления тиристорами, выходное
напряжение АРВ или блока дистанционного управления.
Выражение
для определения углов инвертирования имеет вид :
αи = 180 - γ
- δ. (4.7)
где γ - угол коммутации, определяемый из (4.1) для режима,
предшествующего инвертированию;
δ - угол запаса, учитывающий асимметрию
импульсов управления тиристорного преобразователя, индуктивностей коммутации
фаз преобразовательного трансформатора и время включения вентилей тиристорного
преобразователя.
5.4 Выбор защиты от дуговых
перекрытий в силовом преобразователе
Защиту от дуговых перекрытий в силовом преобразователе
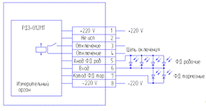
предлагается выполнить на реле дуговой защиты типа РДЗ - 012МТ [4].
Рисунок 5.2 - Схема подключения реле РДЗ - 012МТ
Реле предназначено для установки на вертикальную плоскость заземленной
металлоконструкции. Монтаж и наладка реле должны обеспечиваться в обесточенном
состоянии. Реле не нуждается в регулировке, поэтому для включения реле в работу
достаточно подключить фотодатчики, контакты выходного реле и цепи постоянного
оперативного тока.
Предусматривается установка четырех рабочих фотодатчиков (по два на
каждый преобразователь) и двух тормозных. На каждый шкаф с тиристорным
преобразователем устанавливается по два рабочих фотодатчика, расположить их
требуется так, чтоб обеспечить наиболее широкий «обзор» каждому фотодатчику.
Тормозной фотодатчик устанавливается в том месте, в котором помехоустойчивость
и чувствительность к дуговым перекрытиям стала бы максимальной. Ориентируются
тормозные фотодатчики в сторону наиболее вероятной помехи. С целью снижения
электромагнитных помех рекомендуется соединение фотодатчиков и реле
проводниками в металлизированной оплетке.
6. БЕЗОПАСНОСТЬ И
ЭКОЛОГИЧНОСТЬ ПРОЕКТА
.1 Условия эксплуатации
оборудования и характеристика санитарно-гигиенических условий труда обслуживающего
персонала
Курганская ТЭЦ является производителем тепловой и электрической энергии
большой мощности. Электрическая мощность станции 480 МВт, и при производстве
таких мощностей, естественно возникают потенциальные угрозы, как для окружающей
среды, так и для живущих поблизости людей, а особенно для людей, которые
непосредственно принимают участие в производстве электроэнергии на ТЭЦ.
ТЭЦ являются одним из основных загрязнителей атмосферы твёрдыми частицами
золы, окислами серы азота, другими веществами, оказывая вредное воздействие на
здоровье людей, а также углекислым газом, способствующим возникновению
«парникового эффекта». Процесс накопления углекислого газа в атмосфере будет
усиливать нежелательную тенденцию в сторону повышения среднегодовой температуры
на планете.
Для рабочего персонала, непосредственно участвующего в производстве,
самую большую опасность для жизни и здоровья представляет тепловое
оборудование. При сжигании топлива продукты сгорания направляются в
теплообменник, где отдают свою энергию пару; часть пара в свою очередь по
системе трубопроводов поступает к турбинам, приводящим в движение
турбогенераторы, другая часть идет на обеспечение нужд в тепловой энергии
предприятий и жилищно-коммунальное хозяйство. Вся эта система является источником
потенциальных угроз (ожоги, отравление продуктами сгорания), так как пар и
продукты сгорания находятся под высоким давлением.
Электрическое оборудование также представляет серьезную опасность, как с
точки зрения непосредственного поражения электрическим током, так и с точки
зрения вредного воздействия электромагнитного полей. На станции эксплуатируется
как закрытое распределительное устройство на стороне 10,5 кВ (генераторное
напряжение), так и открытое распределительное устройство на стороне 110 кВ. Для
связи станции с системой используются трансформаторы связи. Также для
обеспечения ТЭЦ электроэнергией применяются трансформаторы собственных нужд.
Силовые трансформаторы и турбогенераторы являются источниками сильных
электромагнитных полей, что требует определенных мер защиты людей.
Кроме воздействий электрического и теплового оборудования существует так
же ряд других факторов, которые вносят существенный вклад в общую картину
санитарно - гигиенических условий труда. Турбогенератор и паровая турбина вращаются
со скоростью 3000 об/мин, это обуславливает высокий уровень шума и вибраций в
машинном зале.
Помимо этого возникают опасности, которые определяются конструкцией ТЭЦ:
для доступа к ремонту и обслуживанию оборудования электростанции используется
система лестниц, различных дорожек и подъемников, которые при невнимательности
персонала могут привести к травме (падения, вывихи и т.д.)
Пожаро - и взрывоопасность в машинном зале в большей своей части
обуславливается применением водорода для охлаждения генераторов. Водород при
смешивании с кислородом воздуха в определенных концентрациях образует так
называемую «гремучую смесь», для воспламенения которой достаточно малейшей
искры. Утечка водорода опасна и до образования «гремучей смеси», так как при
возгорании струи может возникнуть пожар.
Для питания током ротора турбогенератора используются системы
возбуждения, которые установлены в машинном зале и работают с автоматическим
регулятором возбуждения. На Курганской ТЭЦ используются электромашинные системы
независимого самовозбуждения и статические тиристорные системы возбуждения.
Электромашинные системы являются источником шума, вибраций, содержат
вращающиеся части, что содержит в себе потенциальную угрозу и усложняет условия
труда для персонала. Статическая тиристорная система опасна только с точки
зрения поражения электрическим током и пожароопасности. Отсутствие вращающихся
частей в системе устраняет необходимость монтажа защитных кожухов.
6.2 Правила охраны труда
при обслуживании проектируемого оборудования
В помещении возбуждения находятся преобразовательные агрегаты. Согласно
Правил устройства электроустановок (ПУЭ) [13] преобразовательным агрегатом
называется комплект оборудования, состоящий из одного или нескольких
полупроводниковых преобразователей, трансформатора, а также приборов и
аппаратуры, необходимых для пуска и работы агрегата. Полупроводниковым
преобразователем называется комплект полупроводниковых вентилей, смонтированных
на рамах или в шкафах, с системой воздушного или водяного охлаждения, а также
приборов и аппаратуры, необходимых для пуска и работы преобразователя.
В помещении возбуждения установлено распределительное устройство
напряжением выше 1000 В. Правила технической эксплуатации
электроустановок предъявляют следующие требования к помещению и установленному
в нем оборудованию [14]:
- Кабельные каналы РУ закрываются съёмными несгораемыми плитами и
содержатся в чистоте.
- Токоведущие части пускорегулирующих и защитных аппаратов должны
быть защищены от случайных прикосновений.
На наружных дверях РУ указываются их наименования. Все провода,
шины, кабели, контрольные зажимы и предохранители маркируются по единой
системе. На дверях РУ вывешиваются предупреждающие плакаты в соответствии с
требованиями правил техники безопасности.
На всех ключах, кнопках и рукоятках управления должны быть
надписи, указывающие операцию, для которой они предназначены.
На сигнальных лампах и других сигнальных аппаратах должны быть
надписи, указывающие характер сигнала.
Осмотр и чистка распределительных устройств, щитов, сборок,
щитков от пыли и загрязнения проводятся не реже 1 раза в 3 месяца.
Профилактические проверки, измерения и испытания распределительных
устройств проводятся в объёмах и в сроки, предусмотренные Нормами испытания
электрооборудования.
Для обеспечения безопасной работы в помещении возбуждения необходимо
[14]: оформить работу нарядом - допуском, распоряжением или перечнем работ,
выполняемых в порядке текущей эксплуатации; допуск к работе; надзор во время
работы. По наряду могут производиться работы: со снятием напряжения; без снятия
напряжения на токоведущих частях и вблизи них;
При подготовке к работе со снятием напряжения необходимо [13]:
- произвести необходимые отключения, и приняты меры для
предотвращения ошибочного или самопроизвольного включения коммутационной
аппаратуры;
- проверено отсутствие напряжения на токоведущих частях, на
которых должно быть наложено заземление для защиты людей от поражения
электрическим током;
вывешены предупреждающие и предписывающие плакаты.
Одним из способов обеспечения безопасности обслуживающего персонала и
посторонних лиц является применение защитных средств. К электрозащитным
средствам относятся: изолирующие и измерительные клещи, указатели напряжения,
диэлектрические перчатки, боты, галоши, ковры, изолирующие накладки и т. д.
Для безопасной работы в помещении возбуждения необходимо наличие:
изолирующая штанга (ГОСТ 20494-90) - 2 шт., указатель напряжения (ГОСТ
20493-2001) - 2 шт., диэлектрические перчатки (ГОСТ 12.4.183-91, ТУ
38.306-5-63-97) не менее 2 пар, диэлектрические боты (ГОСТ 13385-78) -1
пара, переносные заземления (ГОСТ Р 51853-2001) не менее 2 шт.,
переносные заграждения (щиты) не менее 2 шт., защитные очки 2
шт., а также переносные плакаты и знаки безопасности (ПОТ РМ-016-2001 РД
153-34.0-03.150-00).
Для обеспечения должного уровня безопасности и наглядности при
обслуживании электроустановок, токоведущие части маркируются и окрашиваются. На
переменном токе: шины фазы А - желтым цветом, фазы В - зеленым, фазы С -
красным. Шины постоянного тока: положительная - красная, отрицательная - синим.
Шины окрашиваются по всей длине для более интенсивного охлаждения и для
антикоррозийной защиты.
Перед началом работ со снятием напряжения необходимо проверить отсутствие
напряжения. Проверка отсутствия напряжения между всеми фазами на отключенной
части электроустановки должна быть проведена допускающим, после вывешивания
предупреждающих плакатов. Проверять отсутствие напряжения необходимо указателем
напряжения заводского изготовления, в диэлектрических перчатках.
Для измерения распределения токов между параллельными ветвями плеча
преобразователя используются электроизмерительные клещи. В правилах техники
безопасности [14] изложены требования по использовании этого прибора. Измерения
электроизмерительными клещами должны производить два лица, одно из которых
должно иметь группу по электробезопастности не ниже IV, а второе - не ниже III. Для измерений применяются клещи с амперметром,
установленным на их рабочей части. Использование клещей с вынесенным
амперметром не допускается. Во время измерений запрещается нагибаться к
амперметру для отсчета показаний, касаться приборов, проводов. Измерения
следует производить в диэлектрических перчатках, защитных очках, стоя на
изолирующем основании.
Пожаробезопасность устройств и аппаратуры системы возбуждения должна быть
обеспечена:
максимально возможным применением негорючих и трудногорючих материалов;
соответствующим выбором расстояний между разнопотенциальными
токоведущими элементами, а также между токоведущими элементами и корпусом
с использованием в необходимых случаях изоляционных негорючих перегородок;
средствами защиты, обеспечивающими быстрое обесточивание токоведущих
частей при возникновении дугового перекрытия между ними.
6.3 Расчет вентиляции
Для минимизации влияния запыленности окружающего воздуха и охлаждения
тиристорных преобразователей применим систему кондиционирования воздуха с
рециркуляцией.
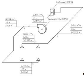
Рисунок 6.1 - Схема вентиляционной сети
1 - воздуховод, соединяющий кондиционер и вентилятор; 2 и 5 -
воздуховоды, подводящие и подающие очищенный и охлажденный воздух на тиристоры;
4 и 3 - воздуховоды, забирающие нагретый и загрязненный воздух и отводящие его
на очистку и охлаждение в кондиционер.
Предварительный расчет расхода возуха в системе произведем по формуле
[15]
L=3600∙F∙Vтр,
где F- площадь поперечного сечения
трубопровода, м2;
Vтр- транспортная скорость перемещения
смеси воздуха и пыли, м/с, определяемая из соотношения:
Vтр
≥ 2,5∙
Vв,
где Vтр- скорость витания частиц пыли.
L=3600∙0,1225
∙1,5=661,5 м3/ч.
Так как в системе два одинаковых преобразователя, то результирующий
расход воздуха будет равен
Lоб=2∙ L,
Lоб=2∙662=1324 м3/ч.
По рекомендациям, приведенным в [16], определяем размеры воздуховодов на
различных участках и заполняем таблицу 6.1.
Таблица 6.1 - Параметры участков воздуховодов
|
Участок
|
Vтр, м/с
|
Расход воздуха, м3/ч
|
|
1
|
2,83
|
1324
|
|
2
|
2,17
|
1324
|
|
3
|
2,17
|
1324
|
|
4
|
1,42
|
662
|
|
5
|
1,08
|
662
|
По таблицам [16] определяем удельные потери на трение
∆ртр=∆рR∙l,
(6.1)
где l- длина участка воздухопровода, м.
По таблицам [16] определем коэффициенты местного сопротивления в участках
ζ
и вычисляем их сумму Σζ.
Определяем динамическое давление в потоках рд в различных
сечениях по формуле:
рд= Vтр2∙ ρ/2 , (6.2)
где ρ - плотность воздуха (1,29 кг/м3).
Определяем потери давления на преодоление местных сопротивлений ∆рз
на каждом участке по формуле
∆рз=рд∙Σζ , (6.3)
Находим потерю давления в участке воздухопровода как сумму потерь
давления на трение и на преодоление местных сопртивлений:
∆р=∆ртр+∆рз.
Полученные результаты сводим в таблицу 6.2.
Таблица 6.2 - Параметры воздуховода
|
№ участка
|
Расход воздуха, м3/ч
|
Высота воздуховода h,м
|
Ширина воздуховода b,м
|
Длина воздуховода l,
м
|
Скорость движения воздуха Vтр ,м/с
|
Динамическое давление
воздуха рд , Па
|
Потери давления на трение
|
Коэффициент местного
сопротивления ζ
|
Потери давления на местные
сопротивления ∆рз ,Па
|
Общие потери давления на
участке ∆р, Па
|
|
|
|
|
|
|
|
Удельные ∆рR , Па
|
По всему участку ∆рR∙l, Па
|
|
|
|
|
1
|
1324
|
0,35
|
0,5
|
3
|
2,83
|
5,17
|
0,26
|
0,78
|
2,89
|
14,9
|
15,68
|
|
2
|
1324
|
0,4
|
0,4
|
6
|
2,17
|
3,04
|
0,13
|
0,78
|
7,47
|
22,7
|
23,48
|
|
3
|
1324
|
0,45
|
0,45
|
9
|
2,53
|
4,12
|
0,19
|
1,71
|
5,32
|
21,5
|
23,21
|
|
4
|
662
|
0,35
|
0,35
|
1,5
|
1,42
|
1,3
|
0,09
|
0,14
|
0,99
|
1,29
|
1,43
|
|
5
|
662
|
0,4
|
0,4
|
1,5
|
1,08
|
0,75
|
0,04
|
0,06
|
0,84
|
0,63
|
0,69
|
|
|
|
|
|
|
|
|
|
|
|
64,5
|
Каждый участок разделим на составляющие элементы, определим коэффициент
местного сопротивления ζ и найдем общие потери давления на каждом участке.
Таблица 6.3 - Расчет сопротивлений на участке 1
|
Элементы воздухопровода
|
Параметр воздухопровода
|
Коэффициент местного
сопротивления
|
Потери давления ∆рз,Па
|
|
Колено прямоугольного
сечения
|
φ=90º,
h/b=0,35/0,5=0,7 К=1,56
|
1,716
|
8,87
|
|
Колено квадратного сечения
|
φ=90º
|
1,1
|
5,69
|
|
Диффузор пирамидальный
|
φ=10º, F0/F=0,09/0,175=0,514
|
0,07
|
0,36
|
|
|
2,89
|
14,9
|
Таблица 6.4 - Расчет сопротивлений на участке 2
|
Элементы воздухопровода
|
Параметр воздухопровода
|
Коэффициент местного
сопротивления
|
Потери давления ∆рз,Па
|
|
Колено квадратного сечения
|
φ=90º
|
1,1
|
3,34
|
|
Колено квадратного сечения
|
φ=90º
|
1,1
|
3,34
|
|
Колено квадратного сечения
|
φ=90º
|
1,1
|
3,34
|
|
Колено квадратного сечения
|
φ=90º
|
1,1
|
3,34
|
|
Диффузор пирамидальный с
отводом 90º
за вентилятором
|
F0/F=0,048/0,16=0,3
|
2
|
6,08
|
F0/F=0,0289/0,16=0,18
|
0,64
|
1,95
|
|
Приточный насадок
|
|
0,434
|
1,32
|
|
|
7,47
|
22,7
|
Таблица 6.5 - Расчет сопротивлений на участке 3
|
Элементы воздухопровода
|
Параметр воздухопровода
|
Коэффициент местного
сопротивления
|
Потери давления ∆рз,Па
|
|
Колено квадратного сечения
|
φ=90º
|
1,1
|
4,53
|
|
Колено квадратного сечения
|
φ=90º
|
1,1
|
4,53
|
|
Колено квадратного сечения
|
φ=90º
|
1,1
|
4,53
|
|
Колено квадратного сечения
|
φ=90º
|
1,1
|
4,53
|
|
Изменение поперечного
сечения
|
F0/F=0,0289/0,2025=0,14
|
0,49
|
2,02
|
|
Вытяжной насадок
|
|
0,434
|
1,32
|
|
|
5,32
|
21,46
|
Таблица 6.6 - Расчет сопротивлений на участке 4
|
Элементы воздухопровода
|
Параметр воздухопровода
|
Коэффициент местного
сопротивления
|
Потери давления ∆рз,Па
|
|
Диффузор пирамидальный
|
φ=16º, F0/F=0,1225/0,16=0,77
|
0,07
|
0,091
|
|
Изменение поперечного
сечения
|
F0/F=0,0289/0,16=0,18
|
0,64
|
0,83
|
|
Вытяжной насадок
|
|
0,284
|
0,37
|
|
|
0,99
|
1,29
|
Таблица 6.7 - Расчет сопротивлений на участке 5
|
Элементы воздухопровода
|
Параметр воздухопровода
|
Коэффициент местного
сопротивления
|
Потери давления ∆рз,Па
|
|
Диффузор пирамидальный
|
φ=16º, F0/F=0,1225/0,16=0,77
|
0.07
|
0,05
|
|
Изменение поперечного
сечения
|
F0/F=0,0289/0,16=0,18
|
0,64
|
0,48
|
|
Приточный насадок
|
φ=60º,
l0/D=0,075/0,17=0,44
|
0,13
|
0,1
|
|
|
0,84
|
0,63
|
Выбираем вентилятор по общему расходу воздуха Lс
Lс=1,1∙L, Lс=1,1∙1324=1455,3 м3/ч.
По каталогам [16] выбираем вентилятор Ц4-70 №3,2 с производительностью
1500 м3/ч с двигателем 4А71А2 мощностью 1,5 кВт и частотой вращения
2860 об/мин. Полное давление, развиваемое вентилятором составляет 1500 Па.
Для охлаждения воздуха применяем кондиционер, выбор ведем по
производительности по холоду. Из расчетов, произведенных в основной части
пояснительной записки было определено, что тепловые потери в тиристорном
преобразователе составляют 10 кВт в номинальном режиме. Из [16] выбираем
кондиционер КСИ-12 с характеристиками:
производительность по циркуляционному и наружному воздуху 3000/1500 м3/ч;
производительность по холоду 14 кВт;
предельная температура окружающей среды +60º.
Таблица 6.9 - Технические данные кондиционера КСИ-12А
|
Производительность по
циркуляционному и наружному воздуху, м3/ч
|
3000/1500
|
|
Холопроизводительность,
ккал/ч (Вт), при температуре испарения 10º С и конденсации 50º С
|
12000(14000)
|
|
Температура окружающей
среды, ºС
|
60
|
|
Температура обработанного
воздуха, ºС
|
20-32
|
|
Свободный напор
вентилятора, кгс/м2(Па)
|
25(250)
|
|
Холодильный агент
|
Фреон-12
|
|
Напряжение силовой сети, В
|
380
|
|
Напряжение сети управления,
В
|
220
|
|
Мощность электродвигателя
вентилятора, кВт
|
2,2
|
|
Мощность электродвигателя,
встроенного в компрессор, кВт
|
5
|
|
Расход воды, охлаждающей
конденсатор, л/ч
|
2400
|
|
Масса кондиционера (сухая),
кг
|
900
|
Компоновка вентиляционного оборудования показана в графической части
проекта (140211-08-СХ.07). Использованы преимущественно воздухопроводы
квадратного сечения, площадью, 0,16 м2 (сторона - 0,4м). Отбор
наружного воздуха ведется по воздухопроводу, вмонтированному в окно.
Обработанный компрессором воздух с помощью вентилятора подается в нижнюю
часть шкафа с тиристорными преобразователями. Рециркуляционный воздух подается
обратно в кондиционер, где отчищается и приобретает заданные тепловлажностные
параметры.
6.4 Вывод
В экологическом разделе дипломного проекта были проанализированы
потенциальные опасности для рабочего персонала, обслуживающего систему; были
приведены правила проведения работ и даны рекомендации персоналу по безопасной
работе с системой.
Для охлаждения силовых элементов тиристорного преобразователя и очистки
воздуха от загрязняющих элементов окружающей среды было предложено применить в
помещении систему кондиционирования воздуха.
Для системы кондиционирования были выбраны воздухопроводы, фасонные
элементы к ним, вентилятор и кондиционер, спроектирована компоновка
вентиляционного оборудования.
Данный комплекс мер повысит комфорт и безопасность обслуживания системы.
7 ОРГАНИЗАЦИОННО-ЭКОНОМИЧЕСКАЯ ЧАСТЬ
.1 Общие положения
Функциональная модель (ФМ) - это логико-графическое изображение состава и
взаимосвязей функций объекта, получаемое с помощью их формулировки и
установления порядка подчинения.
В ФСА под функцией понимают внешнее проявление свойств какого-либо
объекта в данной системе отношений.
ФМ должна строиться на основе техники систематизированного анализа
функций (FAST).
При этом необходимо руководствоваться следующими правилами:
а) линии критического пути ФМ должны соответствовать тем функциям,
которые должны быть выполнены обязательно для реализации главной функции
системы;
б) соответствие выделяемой функции как частным целям данной составляющей
объекта, так и общим целям, ради которых создается объект;
в) четкая определенность специфики действий, обуславливающих содержание
выделяемой функции;
г) соблюдение строгой согласованности целей и задач, определивших
выделение данной функции, с действиями, составляющими ее содержание;
д) функции верхнего уровня должны являться отражением целей для функций
нижестоящего уровня;
е) сигналом к завершению построения ФМ должна являться невозможность
дальнейшей дифференциации функций без перехода от функций к предметной форме их
исполнения.
Функционально-стоимостная модель (ФСМ) системы пригодна для выявления
ненужных функций и элементов (бесполезных и вредных); определения
функциональной достаточности и полезности элементов объекта; распределения
затрат по функциям; оценки качества исполнения функций; выявления дефектных
функциональных зон в объекте; определения уровня функционально-структурной
организации изделия.
Построение ФСМ осуществляется путем совмещения ФМ и СМ объекта.
Оценка значимости функции ведется последовательно по уровням ФМ (сверху
вниз), начиная с первого. Для главной и второстепенной, т.е. для внешних
функций объекта, при оценке их значимости исходным является распределение
требований потребителей (показателей качества, параметров, свойств) по
значимости (важности).
Нормирующим условием для функции является следующее:
где
rij - значимость jой функции, принадлежащей данному iому
уровню ФМ (определяется экспертным
путем);
j=1,2,…,n;
n - количество
функций, расположенных на одном уровне ФМ и относящихся к общему объекту
вышестоящего уровня.
Для
внутренних функций определение значимости ведется исходя из их роли в
обеспечении функций вышестоящего уровня.
Учитывая
многоступенчатую структуру ФМ, наряду с оценкой значимости функций по отношению
к ближайшей вышестоящей функции, определяется показатель относительной важности
функции любого i-го уровня Rij по отношению к изделию в целом:
,
где G - количество уровней ФМ.
В случае, если одна функция участвует одновременно в обеспечении
нескольких функций верхнего уровня ФМ, ее значимость определяется для каждой из
них отдельно, а относительная важность функции для объекта в целом
рассчитывается как сумма значений Rij по каждой ветви ФМ (от iго уровня до первого), проходящей через эту функцию.
Оценка качества исполнения функций (Q)
Обобщенный (комплексный) показатель качества варианта исполнения функций
оценивается по формуле:
, (7.1)
где
- относительная значимость n-го
потребительского свойства;
-
степень удовлетворения n-го свойства в V-ом варианте;
m - количество
свойств.
Выражение
качества выполнения функций будет иметь вид:
(7.2)
Определение
абсолютной стоимости функций
Функционально необходимые затраты - минимально возможные затраты на
реализацию комплекса функций системы при соблюдении заданных требований
потребителей (параметров качества) в условиях производства и применения
(эксплуатации), организационно-технический уровень которых соответствует уровню
сложности спроектированного объекта.
Абсолютная стоимость реализации функций Sабс определяется по формуле:
(7.3)
где
Sизг -
затраты, связанные с изготовлением (приобретением) материального носителя
функции. В состав этих затрат входят: затраты на проектирование, изготовление
(модернизацию), пуско-наладочные работы, обучение персонала;
Sэкспл - эксплуатационные затраты;
Sтр - затраты, связанные с трудоемкостью реализации
функции;
Sэн - энергозатраты на реализацию функции;
Sпроч - прочие затраты на реализацию функции.
Определение
относительной стоимости реализации функций
Относительная
стоимость реализации функций SотнF
определяется по формуле:
(7.4)
где
SSабс - суммарная абсолютная стоимость функционирования
объекта, определяется путем суммирования значений абсолютных стоимостей
реализации функций;
SабсFij - абсолютная стоимость реализации jой функции iго уровня ФМ.
Функционально-стоимостные диаграммы (ФСД) и диаграммы качества исполнения
функций (КИФ) строятся для базового и проектного варианта исследуемой системы.
Они имеют целью выявление зон диспропорции, т.е. зон избыточной затратности
реализации функции, а также определение зон функциональной недостаточности
(низкого качества исполнения функций).
Диаграммы ФСД и КИФ строятся для базового варианта (до принятия и
реализации проектного решения) и проектного варианта.
На основании сравнения этих диаграмм можно судить о степени полезности и
экономической целесообразности курсового проекта.
7.2 Построение функциональной и структурной модели объекта
проектирования
F1 - обеспечить возбуждение генератора
;
f11 - обеспечить надежность возбуждения
;
f12 - обеспечить управляемость
возбуждения;
f13 - обеспечить простоту в обслуживании
и ремонте системы возбуждения;
f14 - обеспечение безопасности в работе;
f111 - применение резервирования систем;
f112 - быстродействующая система ;
f113 - применение современной
полупроводниковой базы;
f114 - обеспечение высокой перегрузочной
способности;
f121 - возможность широкого регулирования
напряжения;
f122 - глубокая автоматизация процесса
регулирования;
f123 - обеспечение возбуждения при вводе
генератора в работу;
f124 - обеспечение быстрого вывода
генератора из работы;
f131 - использование блочной системы;
f132 - легкость настройки и ввода в эксплуатацию;
f133 - легкость монтажа;
f134 - простота контроля параметров;
f141 - ограничение доступа к системе;
f142 - применение негорючих материалов;
f143 - использование пожарозащиты;
f1111 - резервирования каналов управления;
f1112 - резервирование силовой части;
7.3 Функционально - стоимостной анализ базового
варианта
Для примера рассчитаем параметры для функции f11 (обеспечение надежности возбуждения генератора).
Относительная значимость данной функции r=0,4; степень удовлетворения свойства в базовом варианте
Р=0,8.
Тогда, по формуле (7.1) определим качество исполнения функции:
Q=
0,4·0,8=0,32.
Абсолютная стоимость реализации данной функции Sабс складывается из
нескольких составляющих (7.3):
абс =1070+10+10+1+1=1092 тысяч рублей.
Относительная стоимость реализации функции Sотн определяется из (7.4):
отн =3610/1092=0,3.
Таблица 7.1 Расчет затрат для базового варианта
|
Индекс функции
|
r
|
P
|
Q
|
Sизг
|
Sэкспл
|
Sтрудоемк
|
Sэнерг
|
Sпроч
|
Sабс
|
Sотн
|
|
1
|
2
|
3
|
4
|
5
|
6
|
7
|
8
|
9
|
10
|
11
|
|
f11
|
0,4
|
0,4
|
0,16
|
1070
|
10
|
10
|
1
|
1
|
1092
|
0,30503
|
|
f12
|
0,4
|
0,6
|
0,24
|
110
|
10
|
12
|
1
|
1
|
134
|
0,03743
|
|
f13
|
0,1
|
0,6
|
0,06
|
130
|
10
|
15
|
1
|
1
|
157
|
0,04385
|
|
f14
|
0,1
|
0,3
|
0,03
|
30
|
10
|
16
|
1
|
1
|
58
|
0,01620
|
|
f111
|
0,4
|
0,5
|
0,2
|
520
|
10
|
4
|
1
|
1
|
536
|
0,14972
|
|
f112
|
0,3
|
0,3
|
0,09
|
200
|
10
|
3
|
1
|
1
|
215
|
0,06006
|
|
f113
|
0,2
|
0,3
|
0,06
|
50
|
10
|
8
|
1
|
1
|
70
|
0,01955
|
|
f114
|
0,1
|
0,7
|
0,07
|
300
|
10
|
5
|
1
|
1
|
317
|
0,08855
|
|
f121
|
0,3
|
0,7
|
0,21
|
20
|
10
|
1
|
1
|
1
|
33
|
0,00922
|
|
f122
|
0,3
|
0,5
|
0,15
|
50
|
10
|
6
|
1
|
1
|
68
|
0,01899
|
|
f123
|
0,1
|
0,7
|
0,07
|
20
|
10
|
4
|
1
|
1
|
36
|
0,01006
|
|
f124
|
0,3
|
0,7
|
0,21
|
20
|
10
|
4
|
1
|
1
|
36
|
|
f131
|
0,4
|
0,3
|
0,12
|
50
|
10
|
4
|
1
|
1
|
66
|
0,01844
|
|
f132
|
0,2
|
0,2
|
0,04
|
10
|
10
|
2
|
1
|
1
|
24
|
0,00670
|
|
f133
|
0,2
|
0,3
|
0,06
|
60
|
10
|
2
|
1
|
1
|
74
|
0,02067
|
|
f134
|
0,2
|
0,6
|
0,12
|
10
|
10
|
14
|
1
|
1
|
36
|
0,01006
|
|
f141
|
0,2
|
0,7
|
0,14
|
10
|
10
|
7
|
1
|
1
|
29
|
0,00810
|
|
f142
|
0,5
|
0,6
|
0,3
|
10
|
10
|
5
|
1
|
1
|
27
|
0,00754
|
|
f143
|
0,3
|
0,5
|
0,15
|
10
|
10
|
3
|
1
|
1
|
25
|
0,00698
|
|
f1111
|
0,5
|
0,6
|
0,3
|
10
|
10
|
5
|
1
|
1
|
27
|
0,00754
|
|
f1112
|
0,5
|
0,2
|
0,1
|
500
|
10
|
8
|
1
|
1
|
520
|
0,14525
|
|
|
|
|
2,88
|
|
|
|
|
|
3580
|
1
|
Таблица 7.2 Функционально - стоимостная модель для базового варианта
|
Индекс функции
|
Наименование функции
|
Значимость функции , r
|
Относительная важность
функции , R
|
Качество исполнения функции
, Q
|
Абсолютная стоимость
реализации функции , Sабс
|
Относительная стоимость
реализации функции , Sотн
|
|
1
|
2
|
3
|
4
|
5
|
6
|
7
|
|
f11
|
обеспечить надежность
возбуждения
|
0,4
|
0,4
|
0,16
|
1092
|
0,30503
|
|
f12
|
обеспечить управляемость
возбуждения
|
0,4
|
0,4
|
0,24
|
134
|
0,03743
|
|
f13
|
обеспечить простоту в
обслуживании и ремонте системы возбуждения
|
0,1
|
0,1
|
0,06
|
157
|
0,04385
|
|
f14
|
обеспечение безопасности в
работе
|
0,1
|
0,1
|
0,06
|
58
|
0,01620
|
|
f111
|
применение резервирования
систем
|
0,4
|
0,16
|
0,36
|
536
|
0,14972
|
|
f112
|
быстродействующая система
|
0,3
|
0,12
|
0,09
|
215
|
0,06006
|
|
f113
|
применение современной
полупроводниковой базы
|
0,2
|
0,08
|
0,06
|
70
|
0,01955
|
|
f114
|
обеспечение высокой
перегрузочной способности
|
0,1
|
0,04
|
0,1
|
317
|
0,08855
|
|
f121
|
возможность широкого
регулирования напряжения
|
0,3
|
0,12
|
0,21
|
33
|
0,00922
|
|
f122
|
глубокая автоматизация
процесса регулирования
|
0,3
|
0,12
|
0,15
|
68
|
0,01899
|
|
f123
|
обеспечение возбуждения при
вводе генератора в работу
|
0,1
|
0,04
|
0,07
|
36
|
0,01006
|
|
f124
|
обеспечение быстрого вывода
генератора из работы
|
0,3
|
0,12
|
0,21
|
36
|
0,01006
|
|
f131
|
использование блочной
системы
|
0,4
|
0,04
|
0,4
|
66
|
0,01844
|
|
f132
|
легкость настройки и ввода
в эксплуатацию
|
0,2
|
0,02
|
0,2
|
24
|
0,00670
|
|
f133
|
легкость монтажа
|
0,2
|
0,02
|
0,06
|
74
|
0,02067
|
|
f134
|
простота контроля
параметров
|
0,2
|
0,02
|
0,12
|
36
|
0,01006
|
|
f141
|
ограничение доступа к
системе
|
0,2
|
0,02
|
0,14
|
29
|
0,00810
|
|
f142
|
применение негорючих
материалов
|
0,5
|
0,05
|
0,3
|
27
|
0,00754
|
|
f143
|
использование пожарозащиты
|
0,3
|
0,03
|
0,15
|
25
|
0,00698
|
|
f1111
|
резервирования каналов
управления
|
0,5
|
0,08
|
0,24
|
27
|
0,00754
|
|
f1112
|
резервирование силовой
части
|
0,5
|
0,08
|
0,06
|
520
|
0,14525
|
|
|
|
|
|
3580
|
1
|
Рисунок 7.3 Функционально - стоимостная диаграмма базового варианта
Рисунок 7.4 Диаграмма качества исполнения функций базового варианта
7.4 Функционально - стоимостной анализ
проектируемого варианта
Таблица 7.3 Расчет затрат для проектируемого варианта
|
Индекс функции
|
r
|
P
|
Q
|
Sизг
|
Sэкспл
|
Sтрудоемк
|
Sэнерг
|
Sпроч
|
Sабс
|
Sотн
|
|
1
|
2
|
3
|
4
|
5
|
6
|
7
|
8
|
9
|
10
|
11
|
|
f11
|
0,4
|
0,9
|
0,36
|
470
|
10
|
10
|
1
|
1
|
492
|
0,297281
|
|
f12
|
0,4
|
1
|
0,4
|
50
|
10
|
12
|
1
|
1
|
74
|
0,044713
|
|
f13
|
0,1
|
1
|
0,1
|
30
|
10
|
15
|
1
|
1
|
57
|
0,034441
|
|
f14
|
0,1
|
0,6
|
0,06
|
20
|
10
|
16
|
1
|
1
|
48
|
0,029003
|
|
f111
|
0,4
|
1
|
0,4
|
10
|
4
|
1
|
1
|
156
|
0,09426
|
|
f112
|
0,3
|
1
|
0,3
|
200
|
10
|
3
|
1
|
1
|
215
|
0,129909
|
|
f113
|
0,2
|
0,9
|
0,18
|
10
|
10
|
8
|
1
|
1
|
30
|
0,018127
|
|
f114
|
0,1
|
0,8
|
0,08
|
120
|
10
|
5
|
1
|
1
|
137
|
0,082779
|
|
f121
|
0,3
|
0,7
|
0,21
|
10
|
10
|
1
|
1
|
1
|
23
|
0,013897
|
|
f122
|
0,3
|
0,9
|
0,27
|
30
|
10
|
6
|
1
|
1
|
48
|
0,029003
|
|
f123
|
0,1
|
0,8
|
0,08
|
5
|
10
|
4
|
1
|
1
|
21
|
0,012689
|
|
f124
|
0,3
|
1
|
0,3
|
5
|
10
|
4
|
1
|
1
|
21
|
0,012689
|
|
f131
|
0,4
|
1
|
0,4
|
10
|
10
|
4
|
1
|
1
|
26
|
0,01571
|
|
f132
|
0,2
|
1
|
0,2
|
5
|
10
|
2
|
1
|
1
|
19
|
0,01148
|
|
f133
|
0,2
|
1
|
0,2
|
10
|
10
|
2
|
1
|
1
|
24
|
0,014502
|
|
f134
|
0,2
|
0,9
|
0,18
|
5
|
10
|
14
|
1
|
1
|
31
|
0,018731
|
|
f141
|
0,2
|
0,7
|
0,14
|
5
|
10
|
7
|
1
|
1
|
24
|
0,014502
|
|
f142
|
0,5
|
1
|
0,5
|
5
|
10
|
5
|
1
|
1
|
22
|
0,013293
|
|
f143
|
0,3
|
0,9
|
0,27
|
5
|
10
|
3
|
1
|
1
|
20
|
0,012085
|
|
f1111
|
0,5
|
1
|
0,5
|
10
|
10
|
5
|
1
|
1
|
27
|
0,016314
|
|
f1112
|
0,5
|
0,7
|
0,35
|
120
|
10
|
8
|
1
|
1
|
140
|
0,084592
|
|
|
|
|
5,48
|
|
|
|
|
|
1655
|
1
|
Таблица 7.4 Функционально - стоимостная модель для проектируемого
варианта
|
Индекс функции
|
Наименование функции
|
Значимость функции , r
|
Относительная важность
функции , R
|
Качество исполнения функции
, Q
|
Абсолютная стоимость
реализации функции , Sабс
|
Относительная стоимость
реализации функции , Sотн
|
|
1
|
2
|
3
|
4
|
5
|
6
|
7
|
|
f11
|
обеспечить надежность
возбуждения
|
0,4
|
0,4
|
0,36
|
492
|
0,29728
|
|
f12
|
обеспечить управляемость
возбуждения
|
0,4
|
0,4
|
0,4
|
74
|
0,04471
|
|
f13
|
обеспечить простоту в
обслуживании и ремонте системы возбуждения
|
0,1
|
0,1
|
0,1
|
57
|
0,03444
|
|
f14
|
обеспечение безопасности в работе
|
0,1
|
0,1
|
0,06
|
48
|
0,02900
|
|
f111
|
применение резервирования
систем
|
0,4
|
0,16
|
0,4
|
156
|
0,09426
|
|
f112
|
быстродействующая система
|
0,3
|
0,12
|
0,3
|
215
|
0,12991
|
|
f113
|
применение современной
полупроводниковой базы
|
0,2
|
0,08
|
0,18
|
30
|
0,01813
|
|
f114
|
обеспечение высокой
перегрузочной способности
|
0,1
|
0,04
|
0,08
|
137
|
0,08278
|
|
f121
|
возможность широкого
регулирования напряжения
|
0,3
|
0,12
|
0,21
|
23
|
0,01390
|
|
f122
|
глубокая автоматизация
процесса регулирования
|
0,3
|
0,12
|
0,27
|
48
|
0,02900
|
|
f123
|
обеспечение возбуждения при
вводе генератора в работу
|
0,1
|
0,04
|
0,08
|
21
|
0,01269
|
|
f124
|
обеспечение быстрого вывода
генератора из работы
|
0,3
|
0,12
|
0,3
|
21
|
0,01269
|
|
f131
|
использование блочной
системы
|
0,4
|
0,04
|
0,4
|
26
|
0,01571
|
|
f132
|
легкость настройки и ввода
в эксплуатацию
|
0,2
|
0,02
|
0,2
|
19
|
0,01148
|
|
f133
|
легкость монтажа
|
0,2
|
0,02
|
0,2
|
24
|
0,01450
|
|
f134
|
простота контроля
параметров
|
0,2
|
0,02
|
0,18
|
31
|
0,01873
|
|
f141
|
ограничение доступа к
системе
|
0,2
|
0,02
|
0,14
|
24
|
0,01450
|
|
f142
|
применение негорючих
материалов
|
0,5
|
0,05
|
0,5
|
22
|
0,01329
|
|
f143
|
использование пожарозащиты
|
0,3
|
0,03
|
0,27
|
20
|
0,01209
|
|
f1111
|
резервирования каналов
управления
|
0,3
|
0,048
|
0,3
|
27
|
0,01631
|
|
f1112
|
резервирование силовой
части
|
0,048
|
0,21
|
140
|
0,08459
|
|
|
|
|
|
|
1685
|
1
|
Рисунок 7.5 Функционально - стоимостная диаграмма проектируемого варианта
Рисунок 7.6 Диаграмма качества исполнения функций проектируемого варианта
7.5 Технико-экономическое обоснование надежности
Надежность является важнейшим свойством электроснабжения в силу
особенностей процесса производства и распределения энергии. Отсутствие
возможностей создания запасов электроэнергии, быстротечность протекающих
процессов, высокая зависимость народного хозяйства от своевременной подачи
электроэнергии могут привести к значительному экономическому ущербу при
нарушении надежности электроснабжения.
Для обеспечения надежности энергоснабжения используются такие методы, как
повышение надежности элементов системы, недогрузка работающего оборудования,
дублирование элементов, резервирование систем. Каждый из этих путей требует
дополнительных затрат в систему электроснабжения и позволяет снизить ущерб,
возникающий при нарушении надежности электроснабжения. Соизмерение затрат и
результатов дает ответ о целесообразных методах и уровне обеспечиваемой
надежности.
(7.5)
где
- повышение приведенных затрат в обеспечение
надежности;
,
-
повышение соответственно единовременных и ежегодных расходов, определяемых
уровнем надежности R;
-
коэффициент эффективности дополнительных капиталовложений;
- математическое ожидание снижения ущерба при
надежности R.
При
дублировании элементов или резервировании систем вероятность отказа технической
системы вычисляют по формуле
,
(7.6)
где
- вероятность отказа iго элемента или
системы.
При
одинаковых элементах расчетная формула имеет вид
,
(7.7)
где
n - число резервных элементов (систем), подключенных
параллельно.
В
системах с последовательно соединенными элементами надежность вычисляется по
формуле
,
где
j - номер последовательно включенного элемента
(системы).
Ущерб
в системах электроснабжения может быть сложной функцией времени, глубины и
характера повреждения, свойств потребителей электроэнергии. Упрощенный расчет
ущерба выполняют по зависимости
,
(7.8)
где
- средняя величина ущерба по группе потребителей при недоотпуске
1 кВт*ч электроэнергии;
- математическое ожидание недоотпуска электроэнергии
при нарушении надежности электроснабжения.
,
(6.9)
где
- соответственно максимальная (расчетная) нагрузка
потребителя и возможный резерв мощности из другого (резервного) источника
энергии;
- число часов использования максимальной нагрузки.
Ненадежность
отдельных элементов системы электроснабжения можно приближенно оценить по
формуле:
,
(7.10)
где
- среднее число отказов элементов;
- среднее время восстановления оборудования после
отказа.
Капиталовложения,
связанные с дублированием или резервированием, определяют по такой зависимости:
,
(7.11)
где
- капиталовложения в один элемент (систему);
- число дублирующих (резервирующих) элементов или
систем. Показатель
можно рассчитать по формулам, для оценки стоимости
основных фондов элементов энергетики.
Ежегодные
затраты, обусловленные обеспечением определенного уровня надежности путем
резервирования или дублирования, можно рассчитать по формуле

,
(7.12)
где
- амортизационные отчисления по системе с учетом
резервных элементов;
- ежегодные затраты на ремонт и обслуживание системы;
- стоимость потерь электроэнергии в системе
электроснабжения.
,
(7.13)
где
- удельные замыкающие затраты на компенсацию потерь
электроэнергии;
- потери электроэнергии в системе электроснабжения с
учетом резервных элементов.
Приблизительный
уровень ненадежности системы возбуждения при
=2 и
=25 по формуле (6.10):
Q=2·25/8760=0,0057.
Оценим приближённо недоотпущенную мощность потребителям при аварии. При
аварии в системе резервного возбуждения происходит отключение блока и ввод
резервного генератора. Это время составляет до 0.5 часа и необходимо для того,
что бы собрать схему резервного питания. Недоотпуск электроэнергии определим по
выражению:
, где
- мощность блока;
- время
простоя;
Таблица
7.5 Капитальные вложения в систему
|
Наименование
|
Кол-во , штук
|
Тип
|
Цена, тыс. руб.
|
|
Тиристорный преобразователь
|
2
|
360,0
|
|
|
Преобразовательный
трансформатор
|
1
|
ТСЗП-2500/15
|
580,0
|
|
АВР
|
1
|
АРВ-СДП1
|
140,0
|
|
Соединительный кабель
|
1
|
|
100,0
|
|
Выключатель
|
1
|
ВБЭ-10-31,5/2500
|
250
|
|
Итого:
|
1430
|
МВт.
Математическое ожидание недоотпуска электроэнергии при нарушении
надежности электроснабжения.
кВт*ч.
Средняя
величина ущерба по группе потребителей при недоотпуске 1 кВт·ч электроэнергии
=2,3 рубля, тогда ущерб приблизительно будет равен :
рублей.
Превышение
единовременных расходов (из таблицы 7.5)
=575
тысяч рублей.
По
формуле (6.5) делаем оценку целесообразности модернизации:
Повышения
ежегодных расходов не требуется, так как тиристорная система возбуждения
гораздо менее прихотлива в работе, чем существующая электромашинная. Тогда,
соизмеряя затраты и результат от модернизации, можно сделать вывод о
целесообразности замены существующей системы резервного возбуждения на
тиристорную.
7.6 Экономический эффект при модернизации системы
Для повышения надежности предлагается заменить существующую
электромашинную систему резервного возбуждения на статическую тиристорную,
обладающую множеством преимуществ: более высокая надежность, простота в
обслуживании и монтаже, повышенная безопасность для персонала.
Расчет проведем по приведенным затратам для одного и другого типа. Расчет
проведем в ценах одного года, так как целью расчета является сравнение, а
пропорции приблизительно останутся такими же, то следовательно, можно на него
опираться при выборе.
Приведенные затраты находим по формуле
З=a×К+И, (7.14)
где a= 0,25 -
нормативный коэффициент;
К
- капиталовложения;
И
- издержки.
Для электромашинной системы капиталовложения определяем по формуле
К = Ц + 0,12×Ц + 0,03×Ц ;
К1 = 1350000+162000+40500=1552500 р.
При определении издержек учитываем необходимую заработную плату рабочим
обслуживающим систему возбуждения, и стоимость материалов.
И1=(З1+З2)×12+ИМ +ИП;
И1 =(7000+5900)×12+56025+45000=255825 рублей,
где З1 =7000 р. - заработная плата одного рабочего;
З2×=5900 р. - заработная плата второго рабочего;
ИМ = СМ ×mМ ×n ;
ИМ = 415×7,5×18=56025
р,
где СМ =415 р/кг - стоимость масла, основная составляющая
стоимости материалов, необходимых для ремонта;
mМ =7,5 кг - масса масла в возбудителе;
n =18
- количество ремонтов
ИП=2∙СП∙n,
ИП=2∙1250∙18=45000,
где СП =1250 р - стоимость подшипников качения возбудителя
Тогда приведенные затраты находим по формуле (7.14)
З1=0,25×1552500+255825=643950 р.
Аналогично рассчитаем капитальные затраты для тиристорной системы
возбуждения по формуле (4.1):
З2 =0,25×1380000+84000=429000 р.
Для тиристорной системы возбуждения капиталовложения, включая демонтаж и
монтаж, определяем по формуле
К=Ц + 0,12×Ц + 0,03×Ц+ СД;
К2= 1430000+171600+42900+108000=1752500 р,
где СД = 0,08Ц1 - стоимость демонтажа.
Так как тиристорная система возбуждения является статической, то замены
масла и подшипников не требуется и необходимо проводить только осмотры, то на
их обслуживание достаточно выделить меньшее число человеко-часов.
И=З1×12+ИМ ;
И2 =7000×12=84000 р,
где З1 =7000 р. - заработная плата рабочего 3 разряда;
Из этих рассчетов видно, что тиристорная система возбуждения превосходит
по всем показателям существующую высокочастотную.
Разница ежегодных издержек базового и проектируемого варианта и составит
ежегодный эффект от модернизации системы.
∆И=И1-И2,
∆И=255825-84000=171825 р.
Шаг расчета принимаем 1 год, инвестирование осуществляется за счет
собственных средств, капитал вносится единовременно.
Результаты расчета представлены в таблице 7.6.
Из расчетов видно, что чистый дисконтированный доход за 12 лет составит
203767,4 р. Срок окупаемости проекта - 11 лет.
Рисунок 7.7 Окупаемость проекта по годам
7.7 Вывод
В результате исследования функций системы резервного возбуждения с помощью
финансово-стоимостного анализа были выявлены избыточные затраты на функции и
низкое качество их исполнения у базового варианта. При установке тиристорной
системы резервного возбуждения существенно уменьшается расход на обслуживание
системы, исключаются затраты на замену масла и подшипников, что и составляет
значительную часть эффекта от модернизации. Кроме того повышается надежность
системы за счет повышенной ремонтопригодности и исключения вращающихся частей.
Перевод системы резервного возбуждения с электромашинного на тиристорную
считаю целесообразным как экономически, так и технически и содержание данного
дипломного проекта может найти свое отражение на практике.
ЗАКЛЮЧЕНИЕ
В дипломном проекте рассматривался вопрос о модернизации системы
резервного возбуждения генераторов третьей очереди Курганской ТЭЦ. Была
произведена замена морально и физически устаревшей электромашинной системы
резервного возбуждения на статическую тиристорную.
Был произведен выбор оборудования, необходимого для замены системы резервного
возбуждения. Были рассчитаны токи короткого замыкания преобразовательного
трансформатора и по ним выбраны уставки защит МТЗ и ТО. Были рассчитаны защиты
тиристорного возбудителя: защита от потери возбуждения; защита ротора от
перегрузки двойным током форсировки; защита ротора от длительной двукратной
форсировки; защита статора от повышения; расчет тиристорного возбудителя от
пониженной частоты напряжения. Была выбрана защита от дуговых перекрытий в
тиристорном преобразователе.
В экологическом разделе дипломного проекта были проанализированы
потенциальные опасности для персонала, была спроектирована система
кондиционирования воздуха.
Целесообразность проекта потвердил эконимеский анализ проекта. В
экономической части были определены капитальные затраты на модернизацию и срок
окупаемости проекта, который составляет 11 лет.
В целом, при модернизации системы происходит повышение надежности
системы, увеличивается быстродействие, уменьшается трудоемкость в обслуживании.
Данная тема является достаточно актуальной и некоторые рассмотренные вопросы
могут иметь практическое применение.
СПИСОК ИСПОЛЬЗОВАННЫХ ИСТОЧНИКОВ
1. Рожкова
Л.Д., Козулин В.С. Электрооборудование станций и подстанций. - М.:
Энергоатомиздат, 1987. - 648 с.
2. Методические
указания по наладке тиристорной системы самовозбуждения серии СТС для турбо- и
гидрогенераторов. - М.: СПО ОРГРЭС, 1992.
3. Отчёт о научно-исследовательской работе по теме: Т01.6110
“Исследование и разработка унифицированных высокоэффективных статических систем
возбуждения турбогенераторов и гидрогенераторов”. Ленинград, 1977 г. - 447с.
4. Андреев
В.А. Релейная защита и автоматика систем электроснабжения: - 3-е изд., - М.:
Высшая школа., 1991. - 496 с.
5. Справочник
по проектированию электроснабжения, под редакцией Ю.Г. Барыбина и др. - М.:
Энергоатомиздат, 1990. - 576с.
6. ТУ
16-522.107.74
7. Чаки
Ф., Герман И. Ипшич И., и др. Силовая электроника: Примеры и расчёты. Пер. с
англ. - М.: Энергоиздат, 1982. -384 с.
. Беркович
Е. И., Ковалёв В. Н., Ковалёв Ф. И. и др. Полупроводниковые выпрямители. - М.:
Энергия, 1978. - 448 с.
. Костелянец
В. С., Элиасберг Г. Б. Расчёт цепей ограничения коммутационных перенапряжений в
тиристорных преобразователях с естественной коммутацией // ЭТП.
Преобразовательная техника. 1983. вып. 9(155), с. 3-5
10. Анализ
коммутационных перенапряжений в преобразователях системы возбуждения
турбогенератора блока №1 ЧТЭЦ-3. Раздел 2. Отчет по НИР по теме: №99197, 2000
г.
11. О. Г.
Чебовский, А. А. Сафонов, Л. А. Братушева. Тиристоры триодные, не проводящие в
обратном направлении, типа Т353-800. 05.11.10-86. -М.; Информэлектро, 1986. -12
с.
. О.
А. Кузнецов, Я. И. Стиоп. Полупроводниковые выпрямители. М.-Л., Энергия, 1966.
-272 с.
13. Правила
устройства электроустановок.- М.: Энергоатомиздат, 1985. - 640 с.
14. Правила
технической эксплуатации электроустановок потребителей и Правила техники
безопасности при эксплуатации электроустановок потребителей. - М.:
Энергоатомиздат, 1986. - 424 с.
15. Средства
защиты в машиностроении. Расчет и проектирование: Справочник /Под ред.
С.В.Белова - М.: Машиностроение, 1989. - 368с.
16. Рысин
С.А., Вентялиционные установки машиностроительных заводов (справочник), Машгиз,
1964.
17. Путин
В. А., Сидоров А. И. Охрана труда: Учебное пособие, часть IV. - ЧПИ, 1985.
18. ГОСТ 12.1.009-76
(1999) ССБТ. Электробезопасность. Термины и определения
. ГОСТ
12.1.019-79 (2001) ССБТ. Электробезопасность. Общие требования и номенклатура
видов защиты
. ГОСТ
12.1.030-81 (2001) ССБТ. Электробезопасность. Защитное заземление. Зануление
21. ГОСТ
12.1.038-82 (2001) ССБТ. Электробезопасность. Предельно допустимые значения
напряжений прикосновения и токов
22. ГОСТ
12.1.051-90 (2001) ССБТ. Электробезопасность. Расстояния безопасности в
охранной зоне линий электропередачи напряжением свыше 1000 В
. ГОСТ
12.2.007.2-75 (2001) ССБТ. Трансформаторы силовые и реакторы электрические.
Требования безопасности
. ГОСТ
12.3.032-84 (2001) ССБТ. Работы электромонтажные. Общие требования безопасности
. ГОСТ
12.4.154-85 ССБТ. Устройства экранирующие для защиты от электрических полей
промышленной частоты. Общие технические требования, основные параметры и
размеры
. ГОСТ
12.4.155-85 ССБТ. Устройства защитного отключения. Классификация. Общие
технические требования
. НПБ 243-97
(с изм. 1 2001) Устройства защитного отключения. Требования пожарной
безопасности. Методы испытаний
. ППБ 01-93
(1998, с изм. 1999) Правила пожарной безопасности в Российской Федерации
29. Правила пожарной безопасности для энергетических
предприятий. - М.: Изд-во НЦ ЭНАС, 2002.- 64с.
30. ГОСТ Р 12.0.006-2002
ССБТ. Общие требования к управлению охраной труда в организации
31.Мокин Б.И., Выговский Ю.Ф. Автоматические регуляторы в
электриче-ских сетях. - Киев: Техника, 1985. - 103 с.
.Федосеев A.M. Релейная защита электроэнергетических систем:
Релейная защита сетей. - М.: Энергоатомиздат, 1984. - 520 с.
.Чернобровов Н.Б. Релейная защита. - М.: Энергия, 1980. - 520
с.