Дослідження технології очищення води методом озонування, розрахунок матеріального балансу процесу
Реферат
Дипломна робота: ___, 11 табл., 7 рис., 13
посилань
Об'єктом роботи є метод озонування, який
призначений для знезараження води.
Метою роботи є дослідження технології очищення
води методом озонування, розрахунок матеріального балансу процесу.
У пояснювальній записці наведено літературний
огляд, описана фізико-хімічні основи процесу, описана технологічна схема
очищення з обґрунтуванням вибору основного обладнання, принцип дії апаратів, а
також розрахунок апарату.
Питна вода, озонування, окислення, озон,
озонатор, імпульсний бар’єрний розряд, установка "імпульс", реакційна
колона, аератор, електророзрядний блок, напірний фільтр
Abstract
Diploma thesis: ___, 11 table, 7 pic., 13
referencesobject of work is the method of ozone, which is intended for disinfection
of water.aim is to study the technology of water treatment by ozone treatment,
material balance calculation process.
Іn the explanatory note is given an analytical
review of the literature describes the physical and chemical bases of the
processes is described flowsheet cleaning with justification of choice of major
equipment, the principle of the apparatus and the calculation unit.water, ozone
treatment, oxidation, ozone, ozonizer, pulsed barrier discharge, installation
of "impulse", a reactionary column, aerator, electric discharge unit,
pressure filter
Зміст
Вступ
1. Аналітичний огляд
2. Фізіко-хімічні основи технологічного процесу
3. Вибір і опис технологічної схеми
4. Обгрунтування вибору основного технологічного устаткування
5. Матеріальний баланс технологічного процесу
6. Алгоритм конструктивного розрахунку апарата
7. Вибір схеми автоматичного контролю і регулювання технологічного
процесу
8. Аналітичний контроль
9. Правила безпечної експлуатації апарата й охорона праці
9.1 Потенційні небезпеки
9.2 Пожежна безпека
10.Еколого-економічне обгрунтування впровадження нового
устаткування
10.1 Загальна характеристика пропонованого варіанту устаткування
10.2 Дані про споживані ресурси
10.3 Очікувані еколого-економічні та соціальні ефекти від провадження
нового устаткування
10.4 Відвернений економічний збиток в результаті природоохоронної
діяльності
Висновки
Перелік посилань
Вступ
Очищення води - найгостріша проблема
сьогоднішнього дня. Об'єм забрудненої води постійно збільшується, і навіть та,
що використовується для водопостачання, часто не може похвалитися
по-справжньому високою якістю. Близько 90 % всіх використовуваних водних
ресурсів потребують постійного очищення, а існуючі джерела прісної води не
справляються з потребами, які пред'являють мільярди людей в цілому, так і
окремі міста, організації і землевласники.
Реальними практичними методами, що володіють
необхідним потенціалом знезараження води і пройшли перевірку на діючих
великомасштабних спорудах водопідготовки, сьогодні є хлорування, озонування та
ін. Хлорування - найбільш поширений спосіб обробки питної води.
Альтернативою процесу хлорування води є її
знезараження за допомогою озону. Процес озонування, як і процес хлорування,
здійснюється просто шляхом контакту води з газом. Озон - дуже сильний
окислювач, що руйнує бактерії і віруси. На відміну від хлорування, при якому
хлор може з'єднуватися з вуглеводнями, що містяться у воді, при озонуванні
хлорованих вуглеводнів не утворюється; навпаки, озон може руйнувати присутні у
воді вуглеводні шляхом їх окислення. Більш того, озон сам по собі ефективний
при знебарвленні води і не створює стороннього присмаку і запаху.
Для дослідження у дипломній роботі було обрано
очищення вод методом озонування.
очищення вода метод озонування
1.
Аналітичний огляд
З числа відомих методів очищення води багато з
них перебувають поки на стадії чисто наукових розробок (до них відносяться,
наприклад, пропускання постійного, змінного або імпульсного струму, кавітація,
радіаційне опромінення рентгеном, гамма-квантами або прискореними електронами).
Реальними практичними технологіями є хлорування, озонування та ультрафіолетове
(УФ) опромінення. Кожна з цих технологій має переваги і недоліки по
оптимальності в технологічному процесі, характер впливу на воду і його наслідків,
економічна ефективність, можливості і витрати на впровадження технології в
існуючі системи водоочищення. Вибір конкретної технології повинен ґрунтуватися
на комплексному аналізі цих переваг і недоліків з гігієнічної,
техніко-експлуатаційної та економічної точок зору.
Найбільш поширений спосіб знезараження питної
води - хлорування, заснований на здатності вільного хлору та його сполук
"пригнічувати" ферментні системи мікробів, що каталізують
окислювально-відновні процеси. Для знезараження питної води застосовують хлор,
двоокис хлору, хлорамін і хлорне вапно. Широкому розповсюдженню хлору у
технологіях водопідготовки сприяє його ефективність при знезараженні природних
вод і здатність консервувати вже очищену воду тривалий час. Крім того,
попереднє хлорування води дозволяє знизити кольоровість води, усунути її запах
і присмак, зменшити витрату коагулянтів, а також підтримувати задовільний
санітарний стан очисних споруд станцій водопідготовки.
Хлорування процес знезараження води із
застосуванням хлорвмісних агентів, які вступають в реакцію з водою або
розчиненими в ній солями. Внаслідок взаємодії хлорвмісних агентів з протеїнами
і аміносполуками, які містяться в оболонці бактерій і їх внутрішньоклітинному
речовині, відбуваються окислювальні процеси, хімічні зміни внутрішньоклітинної
речовини, розпад структури клітин і загибель бактерій та інших мікроорганізмів.
Сильним окислювальною і дезинфікуючою дією володіють наступні сполуки хлору:
вільний хлор (Cl2), гіпохлорит-аніон (ОCl-),
хлорнуватиста кислота (HОCl), хлораміни (речовини, при розчиненні у воді яких
утворюється монохлорамін NH2Cl, діхлорамін NHCl2,
тріхлорамін NCl3). Сумарний вміст цих сполук називають терміном
"активний хлор".
Речовини, що містять активний хлор поділяються на
дві групи: сильні окислювачі - хлор, гіпохлорити натрію і кальцію і
хлорнуватиста кислота - містять так званий "вільний активний хлор", і
менш сильні окислювачі - хлораміни - "пов'язаний активний хлор".
Завдяки сильним окислювальним властивостям сполуки, що мають активний хлор
використовують для дезінфекції питної води та води в басейнах, а також для
хімічної очистки деяких стічних вод.
Найбільш широке поширення в якості сильного
окислювача і знезаражувального агента отримав молекулярний хлор та його
модифікації (гіпохлорити натрію і кальцію, хлористий амоній) [1].
Для станцій великої продуктивності використовують
хлор-газ, що доставляється і зберігається в зрідженому стані в стандартних
сталевих балонах місткістю від 25 до 69 кг. Для дозування у воду хлору
використовують спеціальні апарати - хлоратори. Вільний хлор при розчиненні у
воді диспропорціонує з утворенням соляної і хлорнуватистої кислот по реакції:
2 + H2O = HCl + HOCl (1.1)
Потім відбувається дисоціація хлорнуватистої
кислоти з утворенням гіпохлорит - іона:
НОCl = H++ OCl - (1.2)
Не диссоційовані молекули хлорнуватистої кислоти
володіють великою бактерицидною дією, ніж гіпохлорит іони. При величині рН =
5-6 хлор присутній у воді головним чином у вигляді хлорнуватистої кислоти. З
підвищенням величини рН концентрація гіпохлорит іонів поступово зростає,
досягаючи 97 % при рН = 9.
Якщо у хлорованій воді міститься природний аміак
або азотовмісні органічні сполуки (наприклад, амінокислоти), то вільний
активний хлор вступає з ними в хімічну взаємодію і утворює хлораміни та інші
хлорпохідні, так званий пов'язаний активний хлор.
У схемі освітлювальної обробки повинно бути
передбачене подвійне хлорування води: прехлорювання (до освітлення) і
постхлорування (після освітлення).
Знезараження води хлором або препаратами, які
містять хлор здійснюється такими дозами, щоб після повного окислення органічних
речовин у воді залишався надлишок хлору, так званий залишковий хлор. Саме він
надає воді антибактеріальну стабільність протягом певного (2-4 год) часу.
Недотача хлору може призвести до не повного знезараженню природних або стічних
вод, а надлишок - до потрапляння в питну воду або у водойму вільного хлору. Для
видалення надлишкового хлору зазвичай використовують реагенти - відновники
(гідросульфіт натрію, сірчистий ангідрид).
При нормальному хлоруванні питної води з подачею
хлору після фільтрування і перед резервуаром чистої води дози становлять 2-3 мг
/ дм3 для води поверхневих вододжерел і 0,7-1 мг / дм3
для підземних вод. Контроль ефективності дезінфекції ведуть за залишковим
хлором після 30 хвилинного контакту води з дозованим реагентом. У питній воді
вміст залишкового хлору встановлено на рівні 0,3-0,5 мг / дм3 у
вільному вигляді і на рівні 0,8-1,2 мг / дм3 у зв'язаному вигляді.
Активний хлор у зазначених концентраціях присутній у воді нетривалий час (не
більше кількох десятків хвилин) і остачі видаляється навіть при короткочасному
кип'ятінні води.
При хлоруванні стічних вод через мінливість їх
хімічного складу сувора дозування хлору утруднена. У природній воді вміст
активного хлору не допускається. Доза хлору повинна в кожному конкретному
випадку встановлюватися експериментально в результаті пробного хлорування.
Вибір апаратури й устаткування для знезараження
води залежить від виду знезаражувального агента. При знезараженні води хлором
основне призначення апаратури та обладнання - дозувати хлорреагент і
забезпечити контакт води з хлором. Для знезараження води розчинами хлорного
вапна або гіпохлоритов найбільшого поширення набула бочкова система, яка
зображена на рисунку 1.1.
- затворний бак; 2 - розчинні баки, 3 - дозуючий бачок, 4 -
трубопровід, 5 - воронка
Рисунок 1.1 - Установка для знезараження води хлорним
вапном
Ефективність, доступність і помірна вартість, а так само
великий досвід роботи з цим реагентом забезпечили хлору виняткову роль - більше
90% водопровідних станцій у світі знезаражують і знебарвлюють воду хлором,
витрачаючи до 2 млн. тон цього рідкого реагенту на рік.
Однак хлор як реагент водопідготовки має суттєві недоліки.
Наприклад, хлор і хлорвміщуючі сполуки володіють високою токсичністю, що
вимагає суворого дотримання підвищених вимог техніки безпеки. Ці сполуки за
даними численних досліджень по відношенню до людини мають високу токсичність,
мутагенність і канцерогенність. Хлорування стічних вод перед скиданням у
водойми призводить до того, що хлорпохідні і залишковий хлор, потрапляючи в
природні водойми, мають негативний вплив на різні водні організми, викликаючи у
них серйозні фізіологічні зміни і навіть їх загибель. Крім того, хлорорганічні
сполуки є і забруднювачами питної води, так як, мають високу стійкість,
викликають забруднення річок на значних відстанях вниз за течією, практично не
видаляючись в процесі водо підготовки [2].
Вважається, що озонування є більш екологічно чистою
технологією. Озонування, як засіб для знезараження, вперше було випробувано в
1886 р. у Франції. З 1905 р. в Росії почала діяти експериментальна установка
для озонування води при Петропавловській лікарні. У 1911 р. в Петербурзі була
введена в дію найбільша в світі виробнича установка озонування, обробляти 44
500 м3 води на добу. У світі на сьогоднішній день працює безліч
систем водопідготовки, що використовують озонування: у Франції, Канаді,
Швейцарії, Італії, Німеччини, Саудівської Аравії та ін.
Озонування води широко використовується, наприклад, при
очищенні води з підземних та поверхневих джерел, оборотної води басейнів,
очищення та стерилізації стічних вод, застосовується для знезараження води,
призначеної для бутилювання, видаляючи з води всі неприємні присмаки і запахи,
використовується для дезодорації повітря, очищення вентиляційних викидів і т.д.
Очищення питної води озонуванням - дуже затребувана
процедура. Проведення озонування для отримання питної води дає такі результати:
а) знижується кольоровість і поліпшується прозорість
рідини;
б) видаляються запахи і присмаки;
в) видаляється марганець і залізо;
г) окислюються і розкладаються сполуки азоту (аміак),
ціаніди, сірководень і фенольні сполуки;
д) окислюються нафтопродукти;
е) відбувається дезінфекція та стерилізація.
У озонованої питної води є, як корисні властивості, так і
недоліки. При розпаді цього газу утворюється кисень у великій кількості, від
чого поліпшуються лікувальні та смакові властивості рідини. Також озон володіє
знезаражувальним властивістю, вбиваючи всі шкідливі мікроби і віруси, при цьому
pH склад залишається без змін. Якщо говорити про мінуси застосування цього
методу очищення, то варто бути обережнішими при тривалому вдиханні газу - він
може надати шкідливий вплив на легені і дихальні шляхи.
Однією з переваг озону з гігієнічної точки зору є
нездатність, на відміну від хлору, до реакцій заміщення, у воду не вносяться
сторонні домішки і не виникають шкідливі для людини сполуки. Особливістю озону
є і його швидке розкладання у воді з утворенням кисню, тобто озон володіє
повною екологічною безпекою. Час "життя" озону у воді - 10-15 хв.
Озон деколи використовують у поєднанні з іншими методами: хлоруванням,
флотацією, електрохімічної обробкою і ультразвуком. В результаті, при застосуванні
цієї технології не утворюються такі хлорвміщуючі речовини, як діоксин.
У таблиці 1.1 показана ефективність дії озону в порівнянні
з іншими окислювачами на результати обробки води.
Таблиця 1.1 - Ефективність дії озону
|
Дія
|
Озон
|
Хлор
|
Окис хлору
|
Пермангант
|
Повітря
|
|
Залізо
|
+++
|
++
|
++
|
+
|
++
|
|
Марганець
|
+++
|
+
|
++
|
+++
|
0
|
|
Кольоровість
|
++
|
+
|
+
|
0
|
0
|
|
Запах
|
+++
|
-
|
+
|
0
|
+
|
|
Присмак
|
+++
|
+
|
+
|
+
|
+
|
|
Амоній
|
0
|
+
|
0
|
0
|
0
|
|
Органика
|
+
|
+
|
+
|
0
|
0
|
|
Відновлювальні
|
++
|
++
|
++
|
+
|
0
|
|
Біоокисляючи
|
++
|
-
|
-
|
0
|
0
|
|
0 Знезаражуваючи
|
++
|
++
|
++
|
+
|
0
|
де +++ - висока дія;
++ - задовільна дія;
+ - мала дія;
- не діє.
Установки озонування води містять такі основні
апарати як генератор озону; систему введення озону в воду і його змішування;
реактор - ємність, в якій за рахунок перемішування і витримки забезпечується
необхідний час реакції озону з водою; деструктор озону для видалення
залишкового озону,що не прореагував; прилади контролю озону у воді і повітрі.
Існує декілька способів отримання озону, серед яких найбільш поширеними є:
електролітичний, фотохімічний та електросинтез в плазмі газового розряду. У
більшості випадків озон одержують електросинтезом в спеціальних апаратах -
генераторах озону. Повітря попередньо очищають від пилу за допомогою фільтрів і
осушують. Далі повітря пропускають через простір між електродами, на які
подається висока напруга. Кисень, що входить до складу повітря іонізується і
утворюється озон. Після озоногенератора газ надходить в реактор, де
відбувається взаємодія газу і рідини, що очищається. У складі будь-якого
обладнання присутня деструктор, який забезпечує видалення зайвого, озону, який
не прореагував. Відповідна установка розміщується в окремому приміщенні, де
присутня ефективна вентиляція. Очищена вода надходить в резервуар чистої води
по трубі. Таким чином, ми отримуємо ідеально очищену питну воду, збагачену
киснем, в якій залишилися всі необхідні людині мінеральні солі.
Необхідна доза озону при знезаражування питних
вод становить 0,6- 3,5 мг/дм3. Концентрація залишкового озону після
камер змішування підтримується на рівні 0,1 - 0,3 мг/дм3. Дози озону
для знезараження стічних вод складають 6 - 10 мг/дм3. Тривалість
контакту 8-20 хв.
Досвід використання озонування на сучасному
етапі, накопичений для систем різної продуктивності, говорить те, що цю
технологію можна і потрібно застосовувати не тільки на потужних водопровідних
станціях, що відповідають за постачання водою великих міст, але й у системах
водопідготовки малої і середньої продуктивності.
Безсумнівно, що якість води при водопідготовці з
використанням озонування буде значно вище, ніж при інших технологіях. Ще однією
перевагою використання озонування є те, що при відносно високій вартості
первинних капітальних витрат експлуатаційні витрати пов'язані тільки зі
споживанням електроенергії (в середньому 0,05 - 0,07 кВт на 1 г озону) [3].
2.
Фізіко-хімічні основи технологічного процесу
Озон - О3, алотропна форма кисню, що є
потужним окислювачем хімічних і інших забруднюючих речовин, які руйнуються при
контакті. На відміну від молекули кисню, молекула озону складається з трьох
атомів і має довші зв'язки між атомами кисню. За своєю реакційної здатності
озон займає друге місце, поступаючись лише фтору. Озон може існувати у всіх
трьох агрегатних станах. При нормальних умовах озон - газ голубуватого кольору.
Фізико-хімічні властивості озону наведено у таблиці 2.1.
Таблиця 2.1 - Основні фізико-хімічні властивості
озону
|
Найменування параметру
|
Значення
|
|
Молекулярна вага
|
48 г/моль
|
|
Температура кипіння (при 1 атм)
|
-111,9 0С
|
|
Температура плавлення (при 1 атм)
|
-192,7 0С
|
|
Густина газу (при 0 0С)
|
2,144 г/л
|
|
Розчинність у воді (от 0 до 30 0С)
|
в 13 разів вище, ніж у кисня
|
|
Коефіцієнт розчинності у воді (при
температурі 0 0С) 20 0С
|
0,49 0,29
|
У штучних умовах озон отримують різними методами,
але завжди розчиненим у повітрі або кисні. У виробничих процесах отримання
озону для очищення води озоноповітряну суміш отримують за допомогою
"тихого" електричного розряду в озонаторах. Реакція отримання озону
характерна отриманням з кисню повітря при його збудженні не тільки озону, але й
атомарного кисню:
О3 = 3О2 + Q, (2.1)
де Q - тепловий ефект реакції, кДж.
Як зазначалося вище, озон має високий
окислювально-відновний потенціал, що є головною причиною його активності по
відношенню до різного роду забруднень води, включаючи мікроорганізми. При
диспергуванні озону в воду здійснюють два основних процеси - окислення і
дезінфекція. Крім того, відбувається значне збагачення води розчиненим киснем.
Окислювальна дія озону може проявлятися в
наступних формах: пряме окислення, окислення радикалами (непряме окислення),
озоноліз, каталіз.
Прямі реакції окислення озоном розчинених речовин
описують у вигляді:
речовина + О3 = оксид речовини (2.2)
Прикладом таких реакцій може служити окислення
ряду органічних і мінеральних речовин (Fe 2+, Mn2+), які
після озонування осаджуються у формі нерозчинних гідроксидів або переводяться в
діоксиди і перманганати, що видаляються наступним очищенням на фільтрах.
Кінетика прямих реакцій може бути виражена
рівнянням:

, (2.3)
де 
,
- начальна и кінцева концентрації речовини, мг/дм3;-
константа швидкості реакції, дм3/ (моль·с);

- середня концентрація озону під час прохождения реакції, мг/дм3;-
тривалість озонування, с.
Непряме окислювання здійснюється великим числом активних
радикалів, що утворюються в результаті переходу озону з газової фази в рідину і
його саморозкладу. Інтенсивність непрямого окислення прямо пропорційна
кількості розклалася озону і обернено пропорційна концентрації присутніх у воді
забруднювачів. Деякі речовини піддаються лише прямому окисленню, інші (наприклад,
органічні кислоти з малою молекулярною вагою) - окисленню радикалами. Нерідко
спостерігаються процеси окислення якої-небудь речовини спільним або послідовним
впливом прямого окислення і окислення радикалами. Озоноліз являє собою процес
фіксації озону на подвійний або потрійний вуглецевого зв'язку з подальшим її
розривом і утворенням озонідів, які, так само як озон, є нестійкими сполуками і
швидко розкладаються.
Каталітичний вплив озонування полягає в посиленні їм
окислювальної здатності кисню, який присутній в озонованому повітрі.
Перераховуючи можливі форми окислюючого впливу озону, не
можна не відзначити того факту, що в порівнянні з іншими окислювачами озон
швидше вступає в реакції і в меншій дозі.
Як відомо, вода транспортуючим середовищем для мікроорганізмів:
сапрофітних і патогенних бактерій, різних вірусів, водоростей, грибів і т.д.
Озон є сильним бактерицидним і віруліцидним агентом, але на сьогоднішній день
механізми інактивації окремих груп мікроорганізмів ще точно не визначені.
Згідно з останніми уявленнями про бактерицидним впливі озону, дезінфектант
робить безпосередній вплив на цитоплазму і ядерну структуру клітини бактерії,
викликаючи припинення активності складних органічних речовин білкової природи -
ензимів. Віруси знищуються при повному окисленні їх матерії, що складається з
білка і однією з нуклеїнових кислот. Інактивація бактерій і вірусів
розглядається не тільки як наслідок прямого впливу озону, але і як вплив ряду
інших окислювачів, що утворюються при дифузії дезінфектанту в воду, зокрема
вільних радикалів.
Реакція озону з неорганічними речовинами. Хлор окиснюється
озоном дуже повільно з утворенням хлорнуватистої кислоти. Ця кислота потім
окислюється в хлорат з частковим утворенням хлору. Можна вважати, що хлор
стабільний у розчині при умовах постозонування.
Бром спочатку окислюється в гіпоброміт. Окислення в
броматні з'єднання йде дуже ефективно, паралельно з взаємодією органічних
сполук з гіпобромітом.
Йод реагує з озоном дуже швидко з утворенням йодноватистої
кислоти та йодату.
Хлорит-іон. Загальна схема може бути записана наступним
чином:
2 + O3 = ClO3 - +
O2 (2.4)
Ціаніди легко окислюються озоном в цианати, які потім самі
окислюються, але дуже повільно:
- + O3 = CNO - + O2
(2.5)
Сульфіти і сірка є відновниками і реагують з озоном з
утворенням сульфату.
Іони заліза і марганцю швидко окислюються озоном до
гідроксилу і діоксиду марганцю. Процес окислення двовалентного заліза може бути
представлений схемою:
+2 + O3 + H2O →
Fe+3 + 2OH-, (2.6)+3 + 3H2O →
Fe (OH) 3↓ + 3 H+. (2.7)
Окислення марганцю - процес більш складний. В області рН
від 5 до 7 має місце утворення чотирьохвалентної окису марганцю, який
малорозчинен у воді:
+2 + O3 + H2O = Mn4
- + O2 + 2ОH-, (2.8)+4 + 4OН - =
MnO2↓ + 2Н2О. (2.9)
Одночасно з цим відбувається окислення вихідного розчинного
двовалентного марганцю до більш високого ступеня окислення з утворенням
перманганату, розчинного у воді:
Mn+2 + 5O3 + 3H2O = 2MnO4
- + 5O2 + 6H+ (2.10)
Реакція озону з органічними речовинами:
насичені алкільні сполуки реагують з озоном дуже повільно.
Більшість хлорованих вуглеводнів і навіть ненасичені вуглеводні не реагують
прямо з озоном через радикал ОН-. Бензол окиснюється озоном дуже
повільно, а поліциклічні вуглеводні швидше;
час реакції озону з фенольними сполуками становить кілька
секунд;
карбоксильні кислоти, кетонові кислоти і ряд подібних
сполук представляють собою кінцеві стабільні продукти процесу окислення
органічних речовин озоном;
аміни при нейтральних значеннях рН реагують досить повільно
з озоном, при рН > 8 реакції окиснення відбуваються швидше. Однак в
основному реакції окислення амінів йдуть через ОН - радикали.
Четвертинні аміни реагують з озоном швидше;
спирти можуть взаємодіяти з озоном, утворюючи в якості
проміжних сполук гідропероксиди. При цьому вони окислюються до карбоксильних
кислот, в той час як вторинні спирти - до кетонів;
серед пестицидів, що містять ефіри фосфорної кислоти,
найбільш відомим є паратіон. Озонування цього з'єднання призводить до появи
параоксона, який більш токсичний, ніж паратіон [3].
На відміну від хлору, який пасивний по відношенню до деяких
типів бактерій, озону відводиться роль універсального окислювача, що здійснює
майже миттєву інактивацію. Однак деякі бактерії і віруси чинять сильний опір
озону. У колі дослідників немає єдиної думки про те, чому ті чи інші типи груп
мікроорганізмів дуже швидко знищуються озоном, а, наприклад, спороносні форми
бактерій роблять значний опір. Залишається сподіватися, що буде знайдена і
зведена в систему закономірність, яка пояснює прояв різної чутливості
мікроорганізмів до озону.
Сукупність усіх форм окислюючої і дезинфікуючої дії озону
дозволяє широко використовувати його в техніці водопідготовки на різних стадіях
обробки води. Так, якщо переслідується мета дезінфекції, озон вводиться на
завершальному етапі очищення (постозонування). Що стосується реакцій окислення,
то вони проявляються при дифузії озону як на початку технологічної схеми
очищення, так і на будь-якому її етапі в залежності від того, який інгредієнт
забруднень слід видалити. Важко провести чітку грань місця і часу проходження
кожної з реакцій, так як переважання тієї чи іншої форми окисного впливу
знаходиться в залежності від якості води, що очищається і місця введення озону
в технологічну схему обробки. Прямі реакції окислення характерні для видалення
металів (Fe, Mn), нерідко входять у складні органо-мінеральні комплекси. При
спільній дії озонолізу і окислення радикалами можуть бути видалені колоїдні
речовини, токсичні мікрозабруднення, розчинені органічні речовини природного та
штучного походження, які надають воді кольоровість, запах і присмак. Насичення
води киснем в ході озонування сприяє підвищенню ступеня окислення речовин, а
також найбільш повному видаленню розчинених органічних забруднень біологічним
шляхом, якщо озонування здійснюється перед фільтрацією, і т.д.
Розчинність озону у воді залежить від температури, активної
реакції середовища і її сольового складу. При зниженні температури і підвищення
рН розчинність озону зростає, основні солі знижують його розчинність, а
нейтральні підвищують. Розчинність озону у воді може бути виражена або у
вигляді так званого коефіцієнта Бунзена - β, що показує відношення обсягу
розчиненого озону, приведеного до нормальних умов, до об'єму води (VО3/Vв),
або в абсолютних значеннях розчиненого озону (г / дм3). При цьому
вважається, що процес розчинення підкоряється закону Генрі, згідно з яким
кількість розчиненого озону пропорційно тиску газоподібного озону над розчином.
Цей закон може бути записаний у вигляді:
Сстац = βМРг, (2.4)
де Сстац - розчинність озону, г/дм3;
β - коефіцієнт Бунзена;
М - густина озону, г/дм3, М = 2,14 г/дм3;
Рг - парціальний тиск озону, Па.
Розчинність озону підвищується з пониженням температури
води. При цьому спостерігається великий розкид в експериментальних даних різних
авторів, представлених в табл. 2.2.
Таблиця 2.2 - Розчинність озону у воді
|
Т, 0С
|
β, (л О3/
дм3 Н2О)
|
Розчинність, г/дм3
|
|
0
|
0,64
|
1,37
|
|
5
|
0,50
|
1,07
|
|
10
|
0,39
|
0,83
|
|
15
|
0,31
|
0,66
|
|
20
|
0,24
|
0,51
|
|
25
|
0, 19
|
0,41
|
|
30
|
0,15
|
0,32
|
|
35
|
0,12
|
0,25
|
Дані, наведені в таблиці, відносяться до 100%
озону при атмосферному тиску [4].
3.
Вибір і опис технологічної схеми
Вибір технологічної схеми озонування залежить від
багатьох факторів: складу і кількості оброблюваної стічної води, дози озону,
швидкості взаємодії озону з окислювальними домішками та ін. Беручи до уваги
високу вартість отримання озону, його токсичність і пожежонебезпеку, важливим
показником ефективності роботи установок озонування води є коефіцієнт
використання озону. Тому при розробці технології застосування озону, поряд з
його високою реакційною здатністю, слід враховувати і необхідність максимально
повного використання безпосередньо в контакті зі стічною водою.
Існує велика кількість технологічних схем
очищення води із застосуванням озону. Розглянуто три технологічні схеми, які
наведені нижче.
Водоочисної комплекс "Аерозон"
призначений для очищення води з підземних та поверхневих джерел, а також
доочистки води центрального водопостачання.
У комплексі використовується сучасна технологія
очищення та знезараження природними окислювачами - киснем повітря і озоном. Для
ефективного використання озону застосовується двоступінчаста схема очистки -
аерація і озонування.
Технічні характеристики комплексу
"Аерозон" приведені в таблиці 3.1.
Таблиця 3.1 - Технічні характеристики комплексу
|
Характеристика
|
Величина
|
|
Продуктівність комплексу, м3/час
|
3
|
5
|
10
|
20
|
50
|
|
Площа, м2
|
24
|
24
|
30
|
36
|
120
|
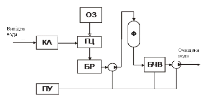
Функціональна схема представлена на рисунку 3.1.
КА - аераційна колона; ОЗ - озонатор; ГЦ -
гідроциклон-змішувач; БР - бак-реактор; Ф - фільтр; БЧВ - бак чистої води; ПУ -
пульт управління
Рисунок 3.1 - Схема комплексу "Аерозон"
Комплекс складається з аераційної колони першого
ступеня очищення, озонатора, гідроциклона-змішувача ступені озонування,
бака-реактора, перекачувальної і мережевої насосних станцій, освітлювального
фільтра, бака чистої води і пульта управління.
Водоочистний комплекс "Імпульс". Схема
очищення води базується на найсучаснішій екологічно чистої технології -
сумісному впливі електрообробки озону та ультрафіолетового опромінення.
У роботі водоочисних комплексів
"Імпульс" використані технології,що наведено на рисунку 3.2, технічні
характеристики наведені у таблиці 3.2.
Рисунок 3.2 - Схема установки "Імпульс"
Таблиця 3.2 - Технічні характеристики комплексу
"Імпульс"
|
Продуктивність, м3/ч
|
5
|
10
|
20
|
40
|
|
Площа, м2
|
18
|
22
|
50
|
60
|
Процес заснований на спільній дії природних
окислювачів (озону, атомарного кисню, радикалів ОН та інших активних частинок)
і УФ-випромінювання, що генеруються в водоповітряної потоці імпульсним
електричним розрядом. При цьому відтворюються явища, що відбуваються в природі
під час грозової діяльності. Зберігаються природні властивості води, так як
електричні розряди розвиваються в газовій фазі поблизу поверхні крапель.
Оброблена за такою технологією вода освітлюється механічними фільтрами з
зернистої завантаженням з недорогих доступних природних мінералів. У
конструкцію комплексу при необхідності легко вбудовуються додаткові
технологічні операції з коригування рН, пом'якшення і т.д.
Установки озонування Р6 призначені для
озоно-сорбційної очистки води, а так само для доочищення питної води,
використовуваної в питних цілях, бутилювання, виробництва якісних напоїв та
отримання на виході з установки води, що відповідає вимогам до якості питної
води.
Установки Р6 складаються з комплекту
устаткування, змонтованого на одній рамі. Установки працюють на накопичувальну
ємність, що забезпечує постійну витрату. За спеціальним замовленням
виготовляються в блочно-модульному виконанні. В залежності від вододжерела
установка включає блок озонування, сорбційний вугільний або піщаний фільтр. З
урахуванням конкретних умов до складу установки можуть одночасно входити
піщаний і вугільний фільтри, а також вони можуть бути дообладнати вузлами
реагентної обробки з використанням коагулювання води і заключного знезараження
із застосуванням УФ-опромінення. Продуктивність установки складає 12 м3/год.
Схема установки Р6 наведена на рисунку 3.3.
- насоси першого підйому; 2 - компресор; 3 -
озонатор; 4 - апарат обробки води озоном; 5 - дегазатор; 6 - сигналізатор
рівня; 7 - насоси другого підйому; 8 - регульований електропривод; 9 - реле
протоку; 10 - фільтр; 11 - витратомір води; 12 - манометр; 13 - пульт
управління
Рисунок 3.3 - Схема установки Р6
З наведених технологічних схем найбільш ефективна
установка "Імпульс". Відмінні особливості і конкурентні переваги цієї
технологічної схеми: а) генерація окислювачів безпосередньо в зоні обробки води
дозволяє використовувати в процесі окислення не тільки озон, але й більш
активні короткоживучі частинки; б) суміщення процесу аерації, генерації
окислювачів і оброблюваної води в одному реакторі підвищує ефективність обробки
води та знижує вартість комплексу; в) відсутність хімічних реагентів та
витратних матеріалів знижує експлуатаційні витрати і забезпечує екологічну
безпеку технології; г) модульний варіант дозволяє з мінімальними витратами скомпонувати
комплекс різної продуктивності і розмістити його при необхідності на існуючих
площах; д) відтворення природних процесів забезпечує високі смакові якості
води; е) низьке енергоспоживання установки.
Водоочисний комплекс "Імпульс"
призначений для очищення води з підземних джерел і додання воді смакових
якостей, відповідних кращим природним водам гірських річок, може
використовуватись для доочищення і знезараження річної води і попередньо
очищених стоків. Оскільки озон виробляється там, де витрачається, безпосередньо
в водоповітряної середовищі, то відпадає необхідність його транспортування і
перемішування з водою. Ефективність виробництва та використання озону в
розробленій системі у багато разів вище, ніж в існуючих системах озонування,
включаючи і закордонні. Система автоматично відстежує кількість виробленого
озону. Чим більше озону потребляється водою, тим більше його і проводиться.
Немає необхідності і в системі підготовки повітря для виробництва озону.
УФ-опромінення також виробляється в усьому обсязі оброблюваної води, внаслідок
чого ефективність цієї обробки підвищується багаторазово. Енергоспоживання
процесу електрообробки води не перевищує 0,05 кВт·год/м. Принципова схема
електророзрядної установки "Імпульс" наведена на рисунку 3.4.
- аератор; 2 - електророзрядний блок; 3 - джерело
живлення; 4 - реакційна колона; 5 - бак-реактор; 6 - насос; 7 - фільтр
Рисунок 3.4 - Схема установки "Імпульс"
Схема електророзрядної установки включає в себе
наступні стадії обробки води:
а) аерація водо-повітряної суміші киснем повітря;
б) обробка аерованої води імпульсами електричних
розрядів;
в) фільтрація обробленої води.
Система аерації призначена для окислення киснем
повітря легко окислюються домішок і видалення з води розчинених газів:
вуглекислого, сірководню і т.д.
В якості аератора (1) використовується
противоточна вентиляторна градирня. Вхідна вода розпорошується ежектором і по
хордової насадці аератора стікає зверху вниз. Повітря вентилятором подається
назустріч потоку води знизу вгору. Ежектор одночасно є першим ступенем
озонування. Для поліпшення перемішування води і повітря аератор заповнений
дерев'яними гратами. Аерована вода у вигляді диспергованого потоку далі
надходить у електророзрядний блок.
Електророзрядний блок - друга ступінь озонування
- являє собою "озонатор", в якому, як і у відомих промислових
озонаторах, використовується бар'єрний розряд в газі. Але "озонатор",
використовуваний у роботі, виконаний на основі імпульсного бар'єрного розряду,
здатний працювати в повітрі з вологістю до 100%. Ця відмінність дозволило
розмістити "озонатор" безпосередньо в водо-повітряному потоці і
використовувати для обробки води не тільки довгоживучий озон, але й
УФ-випромінювання, що супроводжує газовий розряд, і короткоживучі атомарний
кисень і радикал ОН. При такому підході вдалося реалізувати найбільш
перспективний технологічний процес - спільне вплив УФ-випромінювання і
найсильніших природних окислювачів. Концентрація озону в електророзрядних блоці
обробки води підтримується в діапазоні всього 1,5 - 2,0 г/м3.
Параметром регулювання є частота проходження імпульсів. Електророзрядний блок
(2) являє собою систему електродів, розміщених у нижній частині аераційної
колони. Електроди приєднані до високовольтного імпульсного джерела живлення
(3). У електророзрядному блоці відбувається окислення важко окислюються домішок
за рахунок дії хімічно активних часток, що утворюються при електричному розряді
в водо-повітряному середовищі. Аератор та електророзрядний блок об'єднані в
реакційну колону (4), встановлену на баку реакторі (5).
Оброблена таким чином вода з бака-реактора
насосом (6) подається в систему фільтрації. Для фільтрації води застосовується
напірний фільтр (7) з фільтруючою завантаженням, у якості якої використовується
природний мінерал "Горіла порода" (рожевий пісок). Промивка фільтрів
проводиться зворотним струмом чистої води [3].
У таблиці 3.3 наведені технічні характеристики
установки "Імпульс" продуктивністю 5 м3/год.
Таблиця 3.3 Технічні характеристики
|
Потужність джерела живлення, кВт
|
0,5
|
|
Витрата повітря, м3/год
|
30
|
|
Діаметр фільтра, м
|
1,0
|
|
Висота шару загрузки, м
|
1,0
|
4.
Обгрунтування вибору основного технологічного устаткування
Основним апаратом установки "Імпульс" є
реакційна колона, яка складається з аератора і електророзрядного блоку. У цьому
блоці розташований озонатор, який являє собою систему електродів, приєднаних до
високовольтного джерела живлення. Високовольтні електроди виконані з бічними
виступами, направленими в один бік. З метою підвищення швидкості очищення
шляхом створення інтенсивної циркуляції води в пристрої заземлений електрод
виконаний секціонованим з направленими в один бік виступами на бічній поверхні
кожної секції.
Електродна система установки виконана з декількох
електродів, зібраних у вигляді двох гребінок. Електроди однієї гребінки
з'єднані з генератором високовольтних імпульсів, а електроди іншого -
заземлені. На електроди надіті електроізоляційні бар'єри у вигляді трубок із
кварцового скла. У гребінках електроди можуть займати горизонтальне або
вертикальне положення і розташовуватися на одному або декількох рівнях по
вертикалі. Відстань між високовольтними і заземленими електродами
встановлюється в межах 1-15 мм. Оптимальним є відстань між електродами 4-10 мм.
Електроди можуть мати різну форму. Дослідним шляхом встановлено, що найбільш
ефективні циліндричні і пластинчасті (плоскі) електроди. Всі електроди
забезпечені електричними бар'єрами. Бар'єр являє собою шар електроізоляційного
матеріалу певної товщини d, нанесений на поверхню електрода, або розташований
на деякій відстані від поверхні електрода. Відстань між бар'єром і електродом
має бути мінімально можливим. Проте в будь-яких умовах ця відстань має бути
менше 0,5 S-d, де S - міжелектродна відстань, мм, d - товщина електричного
бар'єру, мм.
У даній установці оброблена вода після реакційної
колони надходить на напірний фільтр. Усередині корпусу фільтра з можливістю
вертикального переміщення відносно один одного встановлені циліндричні
обичайки. У центрі обичайок мається циліндрична перфорована труба. Вона
виконана телескопічною рознімної, її верхній кінець закріплений на конічної
частини верхньої обичайки і через центральний отвір в обичайці і сильфон
з'єднаний з вузлом підведення вихідної води і відведення промивної води. Нижній
кінець перфорованої труби жорстко закріплений на конусної частини нижньої
обичайки. Фільтруюча завантаження з щільністю менше щільності води розташована
між перфорованої трубою і бічними циліндричними поверхнями, виконаними теж
перфорованими [5], [6].
5.
Матеріальний баланс технологічного процесу
Основні розрахункові
дані:
а) доза озону ДО3 =
2 г/м3;
є) продуктивність
установки 5 м3/год;
в) вміст іонів Fе+2
С Fе+2 = 0,362 мг/дм3= 0,000362 кг/м3;
г) вміст іонів Mn+2
С Mn+2 = 0,215 мг/дм3 = 0,000215 кг/м3;
д) ступінь очищення від
Fе+2 η = 0,98;
е) ступінь очищення від
Mn+2 η = 0,94;
є) витрата повітря 30 м3/год.
Складемо матеріальний
баланс реакційної колони.
Знайдемо кількість
повітря, яке необхідно для процесу озонування:

, (5.1)
де 
- об’єм повітря, м3/год;

- молярна маса повітря, г/моль;

- молярний об’єм газу, дм3/моль.
Кількість кисню в повітрі складає:
Кількість азоту в повітрі складає:
Кількість домішок в повітрі складає:
Знайдемо кількість озону, що утворився:
О2 → 2О3 (5.1)
кг/год
З урахуванням того, що тільки 80% кисню перетворилось
в озон:
Розрахуємо кількість речовин mi, які
надходять з вихідною водою:
(5.2)
де Сі - вміст кожного забруднюючої речовини, яка
міститься у воді, кг/м3; Q - продуктивність установки, м3/год.
Для Fe+2:
Для Мn+2:
Кількість вилучених речовин:

(5.3)
де 
- ступінь вилучення і-ї речовини.
Залишилось:

Результати розрахунків наведено у таблиці 5.1.
Таблиця 5.1 - Матеріальний баланс реакційної колони
|
Прихід
|
Витрата
|
|
Стаття
|
кг/год
|
Стаття
|
кг/год
|
|
1
|
2
|
3
|
4
|
|
1. Вода у т. ч. Fe+2 Mn+2
|
5000 0,0081 0,0011
|
1. Вода після очищення у т. ч. Fe+2
Mn+2
|
5000 0,0002 0,0001
|
|
2. Повітря у т. ч. О2 N2
домішки
|
38,84 8,16 30,29 0,39
|
2. Повітря у т. ч. О2 N2
домішки О3
|
38,84 1,63 30,29 0,39 6,53
|
|
Усього
|
5038,84
|
Усього
|
5038,84
|
Складемо матеріальний баланс напірного фільтру.
Знайдемо кількість шламу:
mшл=
де, φ-вологість осаду.
Кількість води на виході з фільтру становить:
=5000 - 0,0006 = 4999,99 кг/год.
Результати розрахунків наведено у таблиці 5.1.
Таблиця 5.2 - Матеріальний баланс напірного фільтру
|
Прихід
|
Витрата
|
|
Стаття
|
кг/год
|
Стаття
|
кг/год
|
|
1. Вода у т. ч. Fe+2 Mn+2
|
5000 0,0002 0,0001
|
1. Вода після очищення 2. Шлам
|
4999,99 0,0006
|
|
Усього
|
5000
|
Усього
|
50000
|
Схема балансових потоків зображена на рисунку
5.1.
6.
Алгоритм конструктивного розрахунку апарата
Компонування і розрахунок блоку озонаторів.
Приймають озонатор певної конструкції продуктивністю Gоз.
Розраховують необхідну кількість робочих озонаторів для озонувальної установки:

(6.1)
Активна потужність розряду озонатора U є функцією
напруження і частоти струму і може бути визначена за формулою проф. Ю.В.
Філіппова:

де uр - напруга в розрядному проміжку, В; ω -
кругова частота струму, Гц; Cе і Cп - електрична ємність
електродів і разрядного проміжку, Ф; ua - робоча напруга, що
підводиться до озонатори, В.
Для певного озонатора при встановлених робочих умовах
величини Cе, Cп і uр мають постійні значення
незалежно від напруги або частоти струму. Тому витрата електроенергії
пропорційний частоті струму ω і максимальному напруженню струму uа.
Напруга струму в озонатори приймається за дослідними даними. Продуктивність
озонатора збільшується з підвищенням частоти струму ω, але разом з тим зростає витрата
електроенергії трансформатором і перетворювачем частоти. Значення Cе і
Cп визначаються за звичайними формулами для розрахунку ємності
плоского конденсатора; їх величини невеликі і виражаються в мікрофарадах. Слід
розрізняти активну потужність озонатора U в кВт і вольтамперну потужність Uа,
виражену в кВА. Їх відношення називається ємнісним коефіцієнтом потужності:
Основною деталлю розглянутого озонатора є стеклянні
діелектричні трубки, заплавлені з одного кінця і мають на внутрішній поверхні
графітові покриття. У сталеві трубки внутрішнім діаметром d1
вставлені скляні трубки внутрішнім діаметром d2. Концентричний зазор
між трубками шириною служить розрядним проміжком. Площа поперечного перерізу
кільцевого розрядного проміжку, мм:

(6.4)
Швидкість проходу сухого повітря через кільцевий розрядний
проміжок в цілях найбільшої економії витрат електроенергії рекомендується в
межах υв
= 0,15 - 0,2м/с. Кількість скляних діелектричних трубок в одному озонаторі:
птр = Qв /qв, (6.5)
де Qв - витрата повітря, необхідного для
електросинтезу, м3/год; qв - витрата повітря крізь одну
трубку озонатора, м3/год. Площа поперечного перерізу циліндричного
корпусу озонатора повинна бути більше на 35%, тобто:
к=l,35·∑fтр, (6.6)
де fтр - сумарна площа поперечного перерізу
трубок, м2.
Внутрішній діаметр корпусу озонатора буде, м [7]:

(6.7)
7.
Вибір схеми автоматичного контролю і регулювання технологічного процесу
Технологічний контроль за роботою схеми включає
визначення і контроль наступних параметрів: вимірювання витрати повітря, яке
надходить реакційну колону; вимірювання витрати води; сигналізація розрядження
в ежекторі; регулювання та сигналізація рівня води баку [8], [9].
Положення приладів та апаратів наведено на
рисунку 7.1 Зведення про вибрані засоби контролю та автоматизації наведені в
таблиці 7.1.
Рисунок 7.1 - Положення приладів та апаратів
8.
Аналітичний контроль
Аналітичний контроль якості води процесу
озонування здійснюється за такими показниками: вміст озону в очищеній воді,
вміст озону в водоповітряній суміші, вміст озону в робочому приміщенні,
представлено у таблиці 8.1 [10].
9.
Правила безпечної експлуатації апарата й охорона праці
9.1
Потенційні небезпеки
Температура робочого приміщення повітряпідготовки
- до +5 0С, озонаторної та чергового оператора - не менше +15 0С.
Категорія електропостачання озонаторної установки (за ПУЕ) залежить від
категорії електропостачання станції водозабору і може бути 2-й (живлення від
двох незалежних джерел електропостачання) або 3-й (живлення від одного джерела
електропостачання). Електрообладнання загальнопромислового виконання може мати
різні ступені захисту від зіткнення персоналу з обертовими частинами, від
попадання всередину електрообладнання твердих частинок і води. Ступені захисту
електрообладнання, забезпечуються оболонками, регламентуються ГОСТ 14254-96
визначає рейтинг для електричних, що характеризує здатність техніки протистояти
проникненню твердих або рідких тіл. Даний стандарт захисту був прийнятий
комісією IEC IP-рейтинг складається з двох цифр. Апарати, які не потребують
регулювання частоти обертання внутрішніх пристроїв, повинні комплектуватися
синхронними і асинхронними електродвигунами з короткозамкненим ротором.
Споживачі, що знаходяться в приміщеннях
повітряпідготовки і чергового оператора, працюють під напругою до 1000 В.
Споживачі в озонаторної - понад 1000 В (за ПУЕ).
Приміщення повітряпідготовки - категорії
"Д", озонаторної і оператора - категорії "Г", ступінь
вогнестійкості 2. Характеристика середовища приміщення для електрообладнання
(за ПУЕ) - нормальна.
Реакція перетворення озону в кисень є
екзотермічною, чим пояснюється вибуховість озону. Проте ніякого вибуху не
відбувається, якщо концентрація озону в озоно-повітряної суміші не перевищує
10% за вагою. Практично доводиться мати справу з вельми низькими концентраціями
- від 0,85 до 1,7% за вагою. Такі суміші абсолютно безпечні навіть при тиску в
кілька атмосфер і при будь-яких діях (тобто нагріванні, ударі та ін.)
Озон є отруйною речовиною дратівної дії.
Властивий йому гострий запах є кращим індикатором його присутності. Для безпеки
обслуговуючого персоналу вміст озону в приміщенні повинен бути не більше 0,0001
мг / дм3. При концентрації озону в повітрі 0,001 мг / дм3
може бути допущено тільки короткочасне перебування людини в приміщенні. Доза
озону 0,018 мг / дм3 викликає задуху.
Тому при влаштуванні озонуючої установки важливо
забезпечити:
а) скорочення шляху руху суміші озону з повітрям
від генератора до контактної колони;
б) газонепроникність трубопроводів, що підводять
озон.
Крім того, випуск повітря з контактної колони
після сепарації його від озону треба робити через спеціальну витяжну трубу з
дотриманням певних умов [7].
9.2
Пожежна безпека
Пожежна небезпека полягає
в наявності силового електрообладнання, застосування гасу для промивання
деталей редукторів, насосів, наявності лакофарбових матеріалів для фарбування
обладнання і трубопроводів, мастильних матеріалів.
Причиною пожежі може бути
не дотримання заходів пожежної безпеки, коротке замикання в електромережі та
електрообладнання.
Для попередження
розповсюдження пожежі з одного будинку на інший між ними влаштовують
протипожежні розриви. При визначенні протипожежних розривів виходять з того, що
найбільшу небезпеку відносно можливого займання сусідніх будівель і споруд
представляє теплове випромінювання від вогнища пожежі. Кількістю прийнятої
теплоти сусіднім з палаючим об'єктом будівлею залежить від властивостей горючих
матеріалів і температури полум'я, величини випромінюючої поверхні, площі
світлових прорізів, групи займистості огороджувальних конструкцій, наявності
протипожежних перешкод, взаємного розташування будівель, метеорологічних умов і
т.д. До них відносять стіни, перегородки, перекриття, двері, ворота, люки, тамбур-шлюзи
і вікна.
Протипожежні стіни
повинні бути виконані з негорючих матеріалів, мати межу вогнестійкості не менше
2,5 годин і спиратися на фундаменти. Протипожежні стіни розраховують на
стійкість з урахуванням можливості одностороннього обвалення перекриттів і
інших конструкцій при пожежі. Протипожежні двері, вікна і ворота в
протипожежних стінах повинні мати межу вогнестійкості не менше 1,2 години, а
протипожежні перекриття не менше 1 години. Такі перекриття не повинні мати
отворів і отворів, через які можуть проникати продукти горіння при пожежі.
При проектуванні будинків
необхідно передбачити безпечну евакуацію людей на випадок виникнення пожежі.
При виникненні пожежі люди повинні покинути будівлю протягом мінімального часу,
який визначається найкоротшим відстанню від місця їх знаходження до виходу
назовні.
Число евакуаційних
виходів з будівель, приміщень і з кожного поверху будівель визначається
розрахунком, але має становити не менше двох. Евакуаційні виходи повинні
розташовуватися розосереджено. При цьому ліфти та інші механічні засоби
транспортування людей при розрахунках не враховують. Ширина ділянок шляхів
евакуації повинна бути не менше 1 м, а дверей на шляхах евакуації не менше 0,8
м. Ширина зовнішніх дверей сходових кліток повинна бути не менше ширини маршу
сходів, висота проходу на шляхах евакуації - не менше 2 м.
При проектуванні будинків
і споруд для евакуації людей повинні передбачатися наступні види сходових
клітин та сходів: незадимлювані сходові клітини (сполучені з зовнішньої
повітряної зоною або обладнані технічними пристроями для підпору повітря);
закриті клітини з природним освітленням через вікна в зовнішніх стінах; закриті
сходові клітини без природного освітлення; внутрішні відкриті сходи (без
огороджувальних внутрішніх стін); зовнішні відкриті сходи. Для будівель з
перепадами висот слід передбачати пожежні сходи [11].
10.Еколого-економічне
обгрунтування впровадження нового устаткування
10.1
Загальна характеристика пропонованого варіанту устаткування
Все обладнання установки "Імпульс" для
очищення методом озонування буде розташовуватися на спеціально підібраних
вільних площах.
При створенні водоочисного комплексу
"Імпульс" в першу чергу були проведені підготовчі роботи: на
спеціально відведеному місці пробурені дві артезіанські свердловини
підготовлено пальове поле. Комплекс має у своєму складі: 2 артезіанські
свердловини, ємність для чистої води. Насос для накачування води на водоочисний
комплекс опущений на 75 м. Продуктивність комплексу 5 м3/рік.
У штаті цеху очистки працює 10 осіб: 4 ІТП
(начальний станції, два майстри і технолог); 2 лаборанта; робітники (4 чоловік
- коригувальники, апаратники і т.д.). Начальник цеху очистки знаходиться в
безпосередньому підпорядкуванні у заступника начальника енергоцеху по
водоспоживанню та водовідведення. У його обов'язки входить забезпечити
безперебійну роботу цеху і необхідну ступінь очищення води. Технолог стежить за
дотриманням технології очищення.
В обов'язки коректувальників входить контроль за
умовами роботи в апараті (концентрація, температура).
Кількість робочих днів у році - 365 днів. Робота
здійснюється у три зміни (тривалість зміни - 8 год).
Водоочисної комплекс "Імпульс"
унікальний за своєю конструкцією, ефективний і простий в експлуатації, крім
того "Імпульс" економічний. Наприклад, на один куб оброблюваної води
споживається всього 40 Вт електроенергії, тоді як у всьому світі ця цифра
збільшена в 5,6 раз.
10.2
Дані про споживані ресурси
Джерелом водопостачання
прийнятий міський існуючий водопровід,. передбачені мережі: господарсько-питний
і протипожежний водопровід.
Господарсько-питний і протипожежний водопровід
призначений для підведення питної води до санітарно-технічних приладів,
пожежним кранам, для заповнення й підживлення системи опалення, для готування
гарячої води, для первісного заповнення системи оборотного водопостачання мийки
автомобілів й її підживлення за допомогою подачі води на ополіскування
автомашин.
Витрата води на зовнішнє
пожежогасіння прийнятий рівним 20 дм3/с, від проектованого пожежного
гідранта, при прокладці рукавних ліній по дорогах із твердим покриттям. На
стіні будинку передбачений флуоресцентний покажчик місцезнаходження пожежного
гідранта.
10.3
Очікувані еколого-економічні та соціальні ефекти від провадження нового
устаткування
Очікувані еколого-економічні та соціальні ефекти
від провадження нового устаткування представлені у таблиці 9.1.
Таблиця 10.1 - Очікувані еколого-економічні та
соціальні ефекти від провадження нового устаткування
|
Економічні ефекти
|
Екологічні ефекти
|
Соціальні ефекти
|
|
1
|
2
|
3
|
|
Зниження собівартості продукції
|
Очищення та повторне використання
стічних вод
|
Створення додаткових робочих місць
|
|
Зниження матеріаломісткості продукції
|
Можливість вилучення цінних матеріалів з
відходів очищення води
|
-
|
|
Розширення виробництва
|
Впровадження ресурсозберігаючої техніки
і технології
|
Поліпшення умов і техніки безпеки праці
|
|
Автоматизація та комп'ютеризація
|
-
|
Зниження частки важкої ручної праці
|
|
Збільшення прибутку на підприємстві
|
-
|
Вільні матеріальні, трудові і фінансові
ресурси
|
Впровадження нової техніки і технології,
вдосконалення організації виробництва і праці на підприємстві призводять до
економічного ефекту у вигляді збільшення випуску продукції, поліпшення її
якості, підвищення продуктивності праці, зниження матеріаломісткості продукції,
підвищення фондовіддачі та іншим позитивним економічним явищам, а в кінцевому
підсумку всі вони викликають зниження собівартості продукції і збільшення
прибутку на підприємстві.
Прискорення НТП призводить до вивільнення на
підприємстві матеріальних, трудових і фінансових ресурсів. Як правило, це
досягається за рахунок автоматизації виробництва та впровадження
ресурсозберігаючої техніки і технології.
10.4
Відвернений економічний збиток в результаті природоохоронної діяльності
При експлуатації підприємства можливе скидання
брудної використаної води. Об’єм скидної води, у рік становить 43800 м3.
Регіональний (басейновий) коефіцієнт дорівнює
2,2, що відповідає ріці Кальміус [12].
У використаній воді втримуються такі забруднюючі
речовини, такі як залізо, марганець, для яких норматив збору за 1 тонну
дорівнює 1376 грн.
Розрахунок розміру економічного збитку робимо
відповідно до Постанови Кабінету міністрів України від 01.03.99 р. № 303.
Для визначення економічного збитку використаємо
формулу:
(9.1)
де У1 - величина економічного збитку, що має
місце до здійснення природоохоронного заходу, грн.;
М - маса відходів, які розміщаються в навколишнім
природному середовищі до природоохоронних заходів, т;
Нб - нормативний коефіцієнт збору за 1 т
забруднюючої речовини, грн/т;
Крб - регіональний (басейновий) коригувальний
коефіцієнт, що враховує територіальні екологічні особливості, а також
еколого-економічні умови функціонування водного господарства.
Зробимо розрахунок:
У1 = 43800·1376·2,2 = 132591360 грн.
Отже, величина економічного збитку, що має місце до
здійснення природоохоронного заходу становить 132591360 грн.
Визначаємо величину економічного збитку, що має місце після
здійснення природоохоронного заходу.
Об’єм води, після очищення становить 43712,4 м3.
У використаній воді втримуються такі забруднюючі речовини,
такі як хром, для яких норматив збору за 1 тонну дорівнює 1431 грн/т.
Регіональний (басейновий) коефіцієнт дорівнює 2,2, що
відповідає ріці Кальміус. Розрахунок розміру економічного збитку робимо
відповідно до Постанови Кабінету міністрів України від 01.03.99 р. № 303.
Для визначення економічного збитку використаємо формулу:
, (9.2)
де У2 - величина економічного збитку, що має
місце після здійснення природоохоронного заходу, грн.;
Зробимо розрахунок:
У2 = 43712,4 ·1376·2,2 = 132326177 грн.
Отже, величина економічного збитку, що має місце після
здійснення природоохоронного заходу становить грн.
Визначаємо величину відверненого економічного збитку в
результаті природоохоронної діяльності.
Для розрахунку даної величини використаємо формулу [13]:
П=У1-У2, (9.3)
де У1 - величина економічного збитку, що має
місце до здійснення природоохоронного заходу, грн.;
У2 - величина економічного збитку, що має місце
після здійснення природоохоронного заходу, грн.
П = 132591360 - 132326177 = 265183 грн.
Отже, величина відверненого економічного збитку в
результаті природоохоронної діяльності становить 265183 грн.
Висновки
У роботі розглянута тема "Підготовка питної
води методом озонування". В аналітичному огляді літератури розглянуті такі
основні реагентні методи очищення вод, як хлорування і озонування, приведені
недоліки і переваги цих методів. Як основний і найбільш перспективний метод
дослідження очищення води був обраний метод озонування.
Було вивчено фізико-хімічні основи технологічного
процесу озонування, зокрема: суть методу, кінетика процесу, лімітуючи стадії та
ін.
У наступному розділі приведено три технологічні
схеми озонування води. В результаті їх порівняння була вибрана технологічна
схема установки "Імпульс" для очищення води з підземних і надземних
природних джерел.
Також було обґрунтовано вибір основного
обладнання установки "Імпульс" та розраховано матеріальний баланс процесу
озонування.
У роботі представлено алгоритм конструктивного
розрахунку основного апарату - озонатора.
Розглянуто аналітичний контроль показників якості
води, приведені відомості про вибрані засоби контролю та автоматизації.
Наступний розділ
"Правила безпечної експлуатації апарата й охорона праці" включає в
себе розглянуті потенційні небезпеки при експлуатації обладнання, вимоги до
освітлення виробничих приміщень та відомості про пожежну безпеку.
Еколого - економічне
обгрунтування впровадження нового устаткування представлено у останньому
розділі, де розглянуто загальна характеристика пропонованого варіанту
устаткування, дані про споживані ресурси, очікувані еколого-економічна та
соціальні ефекти від провадження нового устаткування, відвернений економічний
збиток в результаті природоохоронної діяльності.
Перелік
посилань
1. Воронов, Ю.В. Водоотведение и очистка сточных вод:
Учебник для вузов / Ю.В. Воронов, С.В. Яковлев. - М.: Издат-во Ассоциации
строительных вузов, 2006 - 704 с.
2. Сартакова О.Ю. Чистая вода: традиции и новации:
Учебное пособие / О.Ю. Сартакова, О.М. Горелова. - Барнаул: Издат-во Алт ГТУ,
2002. - 178 с.
. Драгинский В.Л. Озонирование в процессах очистки
воды / В.Л. Драгинский, Л.П. Алексеева, В.Г. Самойлович. - М.: ДеЛи принт,
2007. - 400 с.
. Орлов В.А. Озонирование воды / В.А. Орлов. - М.:
Стройиздат, 1984. - 88 с.
. Пат.2136600 Рос. Федерация: МПК6 С 02 F 1/46,
C 02 А 7/00. Реактор и способ очистки воды / С.Г. Боев; заявитель и
патентообладатель Научно - исследовательский институт высоких напряжений при
Томском политехническом университете. - № 97121032/25; Заявл.16.12.97:
Опубл.10.09.99. Бул. № 45 - 4с.
. Пат. 2004500 Рос. Федерация: МПК5 С 02 F 1/46,
В 03 С 5/00. Способ очистки воды и устройство для его осуществления /Є.А.
Зобов; заявитель и патентообладатель Товарищество с ограниченной
ответственностью "Гера LтD. - № 04952901; Заявл.28.06.1991:
Опубл.15.12.93. Бул. № 35 - 4с.
. Кожинов В.Ф. Очистка питевой технической вод.
Примеры и расчеты: Учебное пособие / В.Ф. Кожинов 4-е изд. - М.: ООО
"БАСТЕТ", 2008. - 304 с.
. Шкатов E.Ф. Технологические измерения и КИП на
предприятиях химической промышленности / E.Ф. Шкатов - М.: Химия, 1986. - 320
с.
. ГОСТ 21.404-85 Автоматизация технологических процессов.
Обозначения условные приборов и средств автоматизации в схемах - введ.
1966-01-01. - М.: Изд-во стандартов, 1985. - 12 с.
. ДСанПіН 2.2.4-171-10. Державні санітарні норми та
правила. Гігієнічні вимоги до води питної, призначеної для споживання
людиною" - Чинний від 2010-05-12 - К., 2010.
. ГОСТ 12.1.004-91 Система стандартов безопасности труда.
Пожарная безопасность. Общие требования - Взамен ГОСТ 12.1.004-85; введ.
1992-07-01 - М.: Изд-во стандартов, 1985. - 12 с.
12. Наказ
Про затвердження Методики розрахунку розмірів відшкодування збитків, заподіяних
державі внаслідок порушення законодавства про охорону та раціональне
використання водних ресурсів Із змінами, внесеними згідно з Наказом
Міністерства екології та природних ресурсів N 220 від 30.06.2011 [Електронний
ресурс]. - Режим доступу: <http://waste.ua/law/nakaz200709-389.html>
. Наказ
Міністерства екології та природних ресурсів України від 15 травня 2001 року N
181 Про затвердження Тимчасової методики визначення очікуваних збитків від
забруднення довкілля при транспортуванні небезпечних речовин та відходів
[Електронний ресурс]. - Режим доступу:
http://www.mns.gov.ua/laws/laws/nuclear/255. htm
<http://www.mns.gov.ua/laws/laws/nuclear/255.htm>