Расчет подогревателя воды выхлопными газами ГТД
МИНИСТЕРСТВО
ОБРАЗОВАНИЯ И НАУКИ РОССИЙСКОЙ ФЕДЕРАЦИИ
ФЕДЕРАЛЬНОЕ
ГОСУДАРСТВЕННОЕ БЮДЖЕТНОЕ ОБРАЗОВАТЕЛЬНОЕ УЧРЕЖДЕНИЕ ВЫСШЕГО ПРОФЕССИОНАЛЬНОГО
ОБРАЗОВАНИЯ
УФИМСКИЙ
ГОСУДАРСТВЕННЫЙ АВИАЦИОННЫЙ ТЕХНИЧЕСКИЙ УНИВЕРСИТЕТ
Факультет
авиационных двигателей
Кафедра
авиационной теплотехники и теплоэнергетики
Расчетно-графическая
работа
Расчет
подогревателя воды выхлопными газами ГТД
Группа ТЭМ-505
Студент Азнабаева А.З.
Уфа 2014
1. Расчет подогревателя воды выхлопными газами
ГТД
Исходные данные:
= 5,267 кг/с - расход газа в
межтрубном пространстве;
= 624 K (351оC) -
температура газа на входе в теплообменник;
= 113000 Па - давление на срезе
сопла на входе в теплообменник;
= 116,3 - скорость газа на срезе
сопла
;
Fc = 0,062 м2
(Ǿ = 0,28 м) - площадь сопла на срезе;
= 101325 Па - давление за
теплообменником;
= 327 К (54оC) -
температура газа за теплообменником;
= 4·105 Па - давление
воды (температура кипения Тк =143оС);
= 10оС - температура воды
на входе в теплообменник;
= 110оС - температура
воды на выходе из теплообменника;
= 0,09 м/с - скорость воды в
трубках;
= 0,0148 м - наружный диаметр
трубок;
= 0,0002 м - толщина металла стенки
трубок;
= 0,00025 м - толщина стального
листа оребрения трубок;
= 0,001 м - зазор между ребрами;
=0,001+0,00025=0,00125 м - шаг
оребрения;
λметалла
= 16 Вт/(м×К) - коэффициент теплопроводности
металла.
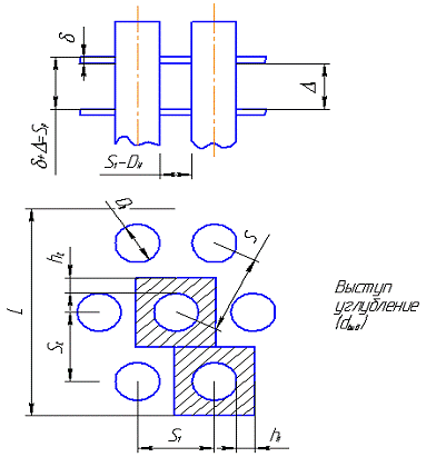
2. Схема теплообменника
Расположение трубок шахматное.
число ходов воды, принято
=2,
число ходов
газа, принято
= 1.
Рис. 1. Схема ходов теплоносителей
Расчет геометрии пучка трубок
Задаемся: диагональным шагом трубок
и параметром
.
Шаг трубок поперечный:
= 1,7·0,0148=0,02516 м.
Шаг трубок продольный
=
м.
Высота ребра по ходу газа
=
=0,00635 м.
Высота ребра поперечная
=
= 0,00518 м.
Примем среднюю высоту ребра как
=0,00559 м.
Осредненный диаметр выдавок в
оребрении для обеспечения зазора
между пластинами
.
Коэффициент загромождения фронта
теплообменника трубками и оребрением (штыри - выдавки вне узких сечений)
=
0,329.
Рис. 2. Геометрия пучка труб и
оребрения
3. Расчет передаваемой теплоты в
теплообменнике по падению температуры газа
=5,267·1051,4·(624-327)=1644704 Вт,
где
=1004,8·(1+0,000229·(351+54)/2)=
=1051,4 Дж/(кгК).
Требуемая эффективность теплообменника
по исходным параметрам (по минимальному водяному эквиваленту
- теплоемкости секундного
расхода)
=
=
=0,871.
Потребный расход воды
=
=3,928 кг/с.
Средняя температура воды
=
= 333 К (60 оС).
Средняя температура газа
=
=475,5 К (202,5 оС).
Рис. 3. Противоточная схема течения
теплоносителей
Среднелогарифмический температурный
напор для чистой противоточной схемы
=115,8 оС.
Для выбранной схемы теплообменника
вводится поправка
,
где
=
=2,97,
=
=0,29 .
Рис. 4. Зависимость поправки Ψ от
параметров P и R и от схемы
течения теплоносителей
Точное значение Ψ
рассчитывается по формуле

=
=
=0,93.
Среднелогарифмический температурный
напор перекрестной схемы
=115,8·0,93= 107,7 оС.
Число Рейнольдса в трубках
=2776,9,
где
принимаем из таблиц, либо по формуле
(при tв=60 оС)
= 4,667·10-7 м2/с,
где
=
=0,06.
Таблица 1 Зависимость
теплофизических свойств воды от температуры
|
 Pr
|
|
|
|
|
0
|
-0,0852
|
13,0
|
0,569
|
|
10
|
0,0823
|
9,28
|
0,587
|
|
20
|
0,2067
|
6,94
|
0,604
|
|
30
|
0,3056
|
5,39
|
0,618
|
|
40
|
0,389
|
4,3
|
0,632
|
|
50
|
0,4623
|
3,54
|
0,643
|
|
60
|
0,5288
|
2,96
|
0,654
|
|
70
|
0,59
|
2,53
|
0,662
|
|
80
|
0,6473
|
2,2
|
0,670
|
|
90
|
0,7018
|
1,94
|
0,676
|
|
100
|
0,752
|
1,75
|
0,683
|
|
110
|
0,808
|
1,6
|
0,685
|
|
120
|
0,864
|
1,47
|
0,686
|
|
130
|
0,919
|
1,37
|
0,686
|
0,972
|
1,26
|
0,685
|
Число Нуссельта в трубах
=
=23,1
где
выбираем из таблицы в зависимости
от температуры воды tв (при tв =60 оС
значение
=2,96);
выбирается
из таблицы в зависимости от температуры стенки трубки tw (в первом
приближении
=
=131,25оС,
тогда значение
=1,36).
Коэффициент теплоотдачи в трубах
=
=1049,1
,
где
=0,654
выбирается
из таблицы по температуре воды;
=0,0144 м - внутренний диаметр
трубок.
Для определения общей длины трубок
в первом
приближении примем температуру стенки трубки
-5=
131,25-5=126,25оС
(за счет оребрения), тогда из формулы для теплового потока через общую площадь
внутри трубок
в виде
получим
выражение для площади внутри трубок
=
=23,66м2,
где
=126,25оС.
Общая длина трубок внутренним
диаметром
=0,0146 м
=
=523 м.
По расходу воды
и ее
скорости определим число трубок на вход воды (площадь сечения одной трубки
)
=
=268,1(принято 270 трубок).
Длина изогнутой трубки от входа к
выходу на
=2 (
- число ходов)
=
= 1,94 м.
Высота теплообменника при 2 ходах
трубок (
=2)
=
=0,97 м.
Число трубок в 1 ряду фронта при
числе рядов по ходу газа m (в первом приближении принято m=6)
=
=45.
Ширина теплообменника по фронту
,
=45·0,02516=1,1 м2.
Площадь фронта
,
=0,97 ·1,1=1,067 м2.
Площадь проходных ячеек во фронте
,
=1,067·0,329=0,351 м2.
Скорость в ячейках в узком сечении
межтрубного пространства
=
= 19,1 м/с,
где плотность газа при этой температуре
ρ
=pсреднее/RTсреднее= =0,5(
+
)/(287·(202,5+273))=
0,785 кг/м3.
Коэффициент теплоотдачи в ячейках
([1], с.137)
=
=
=
=114,3
,
где для газа
=
=0,04
.
Prг = 0,7;
г =
= 34·10-6
м2/с .
Проверка
по формуле
для течения в щели
Число Рейнольдса в щели
=
=1127,3 ,
где зависимость динамической
вязкости от температуры
μ = 20,92·10-6 (1+0,00135·t).
При средней температуре газа 202,5 оС
μ = 20,92·10-6
(1+0,00135·202,5)= 2,66·10-5 Па·с
(
< 2300, следовательно, течение
ламинарное).
Среднее число Нуссельта при
ламинарном течении в канале определится по формуле ([2], c. 80)
=
=
=3,6
Коэффициент теплоотдачи
=
=72
.
Проверка
по формуле
обтекания пучка трубок в щели
Число Рейнольдса по диаметру трубок
в щели
=
8342,2
Для шахматного пучка труб при ReD > 1000
число Нуссельта определяется по формуле ( [2] c. 101)
=0,35·8342,20,6=79
Коэффициент теплоотдачи
=
=213,5
.
Принимается значение коэффициента
теплоотдачи со стороны газа как среднеарифметическое от
и
=0,5·(
+
) = 0,5·(114,3+213,5) = 163,9
.
Коэффициент оребрения трубок
=
=
=18,1
теплообменник оребрение
гидросопротивление
4. Расчет эффективности ребра
Параметр ребра
=
=286,3,
где u - периметр сечения ребра; f - площадь сечения ребра (рис.
5).

Для тонкого пластинчатого ребра
шириной l и толщиной δ периметр
равен u=2(l+δ), а площадь f = l·δ . Так как
l>>δ, то
величиной
δ можем
пренебречь, тогда под корнем
.
Определяется произведение параметра
на высоту
ребра
(где высота
ребра
вычислена
ранее по
и
)
=286,3·0,0056=1,6.
Отношение наружного радиуса круглого
ребра к его внутреннему (прямоугольник со сторонами
и
, внутри
которого окружность с наружным диаметром трубки
, заменен эквивалентным кольцом с
внешним диаметром
+2·
)
определится как (рис. 6)
=
Рис. 6
По произведению параметров ребра (
)=1,6 и
отношению
=1,76 из
графиков [3] (рис. 7) определяется эффективность ребра
≈ 0,5
Рис. 7. Графики зависимости
эффективности круглого ребра от наружного и внутреннего его радиусов
Эффективный коэффициент теплоотдачи
в межтрубном пространстве [4]
=163,9·18,1·0,5=1483,3
.
При оребрении из стали Я1Т
коэффициент теплопроводности
, тогда коэффициент теплопередачи (в
пренебрежении кривизной тонкостенной трубки) определится по формуле [4]

=610
.
Передаваемое количество теплоты
через теплообменник со стальным оребрением в первом приближении
=610·107,7·23,66=1554391Вт ,
что несколько не соответствует
потребному Q=1644704 Вт.
При таком
осредненная
температура трубок будет равна
=
=123оС.
Необходимая площадь трубок для
передачи необходимого
=1644704 Вт
=
= 24,9 м2.
Общая необходимая длина трубок
=
=550м.
Отношение необходимой общей длины
трубок
=550 м к
предварительно рассчитанной длине LΣ=523 м
определится как
=
=1,05.
Зная величину θ, можно найти
необходимое число рядов трубок по ходу газа mнеобх вместо
принятого ранее m= 6
=6·1,05=6,3.
Принято mнеобх=7.
Тогда суммарная площадь трубок при
принятом mнеобх =7 станет
равной
=23,66·
=27,6м2.
Площадь проходного сечения трубок
для похода воды при переходе от 6 рядов к 7 рядам увеличится в 7/6=1,166 раз, а
скорость воды уменьшится в 1,166 раз и станет равной 0,077 м/с. Соответственно
уменьшится число Reв в трубках
до значения
=
=2380.
Число
для воды уменьшится до значения
=
=
=20,5.
Коэффициент теплоотдачи от воды
уменьшится
до значения

=931
.
и коэффициент теплопередачи k станет
равным
=
=568
.
Необходимо проверить, соответствует
ли мощность
теплообменника
потребной мощности
=568·107,7·27,6=1688391 Вт - соответствует.
. Оценка гидросопротивлений
. Коэффициент сопротивления
пучка трубок из z =
·nВ=7·2=14
рядов трубок, где
=7 - число рядов трубок по
направлению движения газа для одного хода воды, а nВ =2 - число
ходов воды.
=
=
(1+14)· 8342,1-0,27=5,2,
где
=1,9 - коэффициент, зависящий от
= 1,7;
= 1,05 - коэффициент, зависящий от
=1,9
(выбираются по рис. 8 [1]).
Рис. 8. Зависимость коэффициентов
и
от
геометрии пучка трубок
Потери давления от обтекания пучка
трубок
= 5,2·0,785·19,12/2=737
Па.
. От трения газа о ребра с зазором
между ними Δ
= 0,001
м
=
=10,65.
3. Коэффициент сопротивления для
внезапного сужения
=0,45, а для
внезапного расширения
=0,45
(выбираются по коэффициенту загромождения фронта трубками и оребрением
=
=0,329)
Рис. 9. Зависимость коэффициентов
внезапного сужения и внезапного расширения от отношения меньшей площади
к большей
Сумма коэффициентов сопротивлений от
всех факторов
=5,2+10,65+0,45+0,45=16,75
Общее падение давления в
теплообменнике от входа к выходу
=16,75·0,785·19,12/2=2398
Па.
. Проверка эффективности
теплообменника методом ε-Ntu
По графикам для двухходового для
воды и одноходового для газа перекрестного теплообменника [3] (с. 43) находим
отношение теплоемкостей секундных расходов (водяных эквивалентов) CR
CR =
=
=
=0,337.
Число единиц переноса теплоты Ntu
=
Схема теплообменника перекрестного
тока
Рис. 10. Зависимость e от Ntu и CR для
теплообменников перекрестного тока
Из графика рис. 10 по СR =
=0,337 и
параметру
=2,66
определяется эффективность
=0,85 (близко к рассчитанному ранее
= 0,871).
Список литературы
. Михеев М.А., Михеева И.М. Основы
теплопередачи. М.: Энергия, 1973. 320 с.
. Кейс В.М., Лондон А.Л. Компактные
теплообменники (перевод с английского). М.: Энергия, 1967. 223 с.
. Исаченко В.П., Осипова В.А.,
Сукомел А.С. Теплопередача. Учебное пособие для вузов. М.: Энергоиздат, 1981.
416 с.