Расчет подогревателя воды выхлопными газами ГТД
МИНИСТЕРСТВООБРАЗОВАНИЯ И НАУКИ РОССИСКОЙ ФЕДЕРАЦИИ
ГОСУДАРСТВЕННОЕ ОБРАЗОВАТЕЛЬНОЕ УЧРЕЖДЕНИЕ
ВЫСШЕГО ПРОФЕССИОНАЛЬНОГО ОБРАЗОВАНИЯ
УФИМСКИЙ ГОСУДАРСТВЕННЫЙ АВИАЦИОННЫЙ ТЕХНИЧЕСКИЙ
УНИВЕРСИТЕТ
Факультет авиационных двигателей
Кафедра авиационной теплотехники и теплоэнергетики
Расчетно-графическая работа
Расчет подогревателя воды выхлопными газами ГТД
Группа
ТЭМ-502
Студент
Брайцев
П.О.
Принял
Цирельман
Н.М.
Уфа
2011г.
Расчет подогревателя воды выхлопными газами ГТД
Исходные данные:
- расход газа в
межтрубном пространстве;
(351
)
- температура газа на входе в теплообменник;
(54
)
- температура газа на выходе из теплообменника;
- давление газа на
входе в теплообменник;
- давление газа на
выходе из теплообменника;
давление воды на
входе в теплообменник (
);
температура воды на
входе в теплообменник;
температура воды на
выходе из теплообменника;
скорость воды в
трубках;
наружный диаметр
трубок;
толщина стенки
трубки;
толщина ребра на
трубке;
зазор между ребрами
на трубке;
шаг оребрения;
коэффициент
теплопроводности материала трубки и ребер (из Я1Т).
Решение
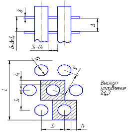
Расчет геометрии пучка трубок:
Задаемся диагональным шагом
.
Параметр для определения поперечного шага трубок
и
продольного
:
Поперечный шаг трубок
,
.
Продольный шаг трубок:
=
Высота ребра по ходу газа продольная
Высота ребра поперечная
Коэффициент загромождения фронта теплообменника
трубками и оребрениями
Расчет передаваемой теплоты по падению
температуры газа
,
где
теплоёмкость газа
при
Потребный расход воды
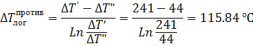
Температурный напор на входе газа
Температурный напор на выходе газа
Средне логарифмический температурный напор для
противотока
Поправочный коэффициент

где n=2
- число ходов воды.
Среднелогарифмический температурный напор для
противоточной схемы
Число Рейнольдса в трубках
где:
-
коэффициент вязкости при средней температуре воды
.
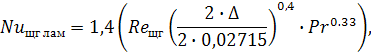
Число Нуссельта в трубках
Где
-
число Прандтля при средней температуре воды
,
- число Прандтля
при температуре стенки трубки
.
Коэффициент теплоотдачи в трубках
Где
-
коэффициент теплопроводности при средней температуре воды
.
Где
=0,654
находим
по
.
Общая длина трубок определяется по теплоте
Потребная площадь внутри трубок
Потребная длина трубок
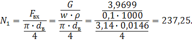
По расходу воды и её скорости определяют число
трубок на вход воды
Принимаем N1=240
.
Длина одной трубки от входа к выходу на n
ходов
Высота теплообменника при n
пучках
Где n
- число ходов воды.
Число рядов на первый вход:
m=6.
Число трубок на один раз
Ширина теплообменника по фронту
труба ребро теплообменник
Площадь фронта
Площадь проходных ячеек во фронте
Скорость в ячейках межтрубного пространства
Коэффициент теплоотдачи в ячейках межтрубного
пространства
Коэффициент теплопроводности для газа
Число Прандтля для газа
Кинематическая вязкость газа
-определяется по
средней температуре газа.
Коэффициент оребрения
Коэффициент теплоотдачи в ячейках межтрубного
пространства
Проверка αГ
по формуле для течения в щели
течение ламинарное.
Теплоотдача на оребрении при ламинарном течении
Теплоотдача при турбулентном течении

Проверка αГ
по формуле для обтекания шахматного пучка труб
Теплоотдача на трубках шахматного пучка
Принимается
среднеарефметическое.
Расчет эффективности ребра:
(для нержавеющей
стали Я1Т)
Порядок расчета:
Параметр m
для ребра

Где u-периметр
сечения;
f- площадь сечения ;
,но так как
,то
величиной
можем пренебречь.
Произведение
на
h ребра
Эффективный коэффициент теплоотдачи в межтрубном
пространстве
Где Принимается
Коэффициент теплопередачи от газа к воде
Мощность теплообменника
Соответствует потребному.
Определяем температуру металла трубки.
Средняя температура стенки трубки
Близко к принятому.
Необходимая площадь
Общая длина трубок
При входе по N1вход
трубкам общей длинной L∑необх
,при
длине одной трубки Lтр.1,число
рядов m вместо 6 будет
Полученное значение округляем до mнеобх.=1.
Площадь проходного сечения трубок для воды
увеличится на величину
,
скорость
упадёт.
Число Re
внутри трубок упадёт на величин
,следовательно,
α , к и Q
изменятся.
Оценка гидросопротиивлений пучка труб
- число рядов по
ходу горячего газа.
= 12
Коэффициент гидросопротивлений от трения о
пластинки оребрения.
Принимается
Общие потери давления
Проверка эффективности теплообменника методом NTU
