Разработка электропривода производственного механизма
Содержание
Введение
Выбор типа электропривода
.1 Построение диаграммы скорости и
нагрузочной диаграммы производственного механизма
.2 Расчет мощности электродвигателя
и предварительный его выбор по каталогу
.3 Определение оптимального, по
условию минимизации, времени пуска передаточного отношения редуктора
Расчет характеристик работы
двигателя
.1 Расчет механических и
электромеханических характеристик для двигательного и тормозного режимов
.2 Расчет и выбор пусковых,
тормозных и регулировочных сопротивлений
.3 Расчет переходных характеристик
за цикл работы
Схема управления электродвигателем и
его проверка по нагреву и перегрузке
.1 Проверка двигателя по нагреву и
перегрузке
.2 Схема управления электроприводом
Заключение
Список литературы
Введение
В данной курсовой работе разработаем
электропривод производственного механизма, который будет удовлетворять
поставленные требования. Для этого выберем тип двигателя по мощности и
рассчитаем статические и динамические характеристики электродвигателя
постоянного тока независимого возбуждения. Исходными данными для курсовой
работы будут являться диаграммы скорости и нагрузочные диаграммы
производственных механизмов, сведения о технологических процессах, показатели
производительности, кинематика механизмов.
Глава 1. Выбор типа электропривода
производственный
механизм электродвигатель
Основными факторами, определяющими род тока, тип
и конструктивное исполнение двигателя, являются:
· показатели регулирования скорости
(диапазон, плавность, стабильность скорости и т.д.);
· режим работы производственного
механизма;
· производительность и надежность
установки;
· основные затраты и эксплуатационные
расходы на электрооборудование.
В данной работе расчет электропривода
производится с двигателем
постоянного тока независимого возбуждения без
учета технико-экономических показателей, на основании технического задания.
.1 Построение диаграммы скорости и
нагрузочной диаграммы производственного механизма
Для построения диаграммы скорости и нагрузочной
диаграммы рассчитаем время полного цикла работы электропривода и угловые
скорости производственного механизма.
Время цикла работы механизма:

(1)
где tp1-время
работы с частотой вращения n1 = 10 об/мин;
tp2 - время
работы с частотой вращения n2 = 110 об/мин;
tпауз
- время
паузы.
Произведем пересчет частот вращения ni рабочего
органа производственного механизма на угловые скорости ωi в
соответствии с выражением:
(2)
Первая технологическая скорость
механизма:
Вторая технологическая скорость
механизма:
По данным расчетов произведем
построение диаграммы скорости и нагрузочной диаграммы производственного
механизма, результаты построений приведены на рис. 1.1 и рис. 1.2.
Рис. 1.1 - Диаграмма скорости
производственного механизма
Рис. 1.2 - Нагрузочная диаграмма
производственного механизма для активной нагрузки
1.2 Расчет мощности электродвигателя и
предварительный его выбор по каталогу
Анализ диаграммы скорости и нагрузочной
диаграммы производственного механизма показывает, что рассматриваемый
электропривод работает в повторно-кратковременном режиме работы.
Для повторно-кратковременного режима работы
электродвигателя последовательность выбора двигателя по мощности следующая:
По нагрузочной диаграмме механизма (нагрузки
отнесены к валу механизма) определяется среднеквадратичное значение мощности за
время работы с помощью формулы (3):
(3)
где m - число рабочих участков в цикле;-
мощность на i -м интервале;рi - продолжительность i-го интервала;
βi - коэффициент
ухудшения теплоотдачи на i-м интервале, соответствующий значению угловой
скорости ωiна этом интервале;
ωmax - максимальная
скорость производственного механизма.
При найденных угловых скоростях ω1,
ω2 и
заданном моменте Mi производственного механизма определяем мощность при работе
на каждой технологической скорости:

, кВт; (4)

кВт

кВт
Приближенно зависимость коэффициента
ухудшения теплоотдачи от угловой скорости можно считать линейной:
(5)
где β0 - коэффициент
ухудшения теплоотдачи при неподвижном якоре равный 0,5.
Для каждой из технологических
скоростей:
Среднеквадратичное значение мощности
за время работы:
Найдем расчетную продолжительность
включения:
(6)
где tр - продолжительность i-го
интервала времени работы в цикле;- число рабочих интервалов в цикле;пj -
продолжительность j-го интервала времени паузы в цикле;- число пауз в цикле.
В данном случае n = 1, тогда:
Пересчитаем среднеквадратичную
мощность на ближайшую каталожную продолжительность включения:
(7)
где ПВ - ближайшая к расчетной
каталожная продолжительность включения.Каталожная продолжительность включения
выбирается из ряда номинальных значений: 15%, 25%, 40%, 60%, 100%.
Проводим расчеты для ПВк1= 40% и
ПВк2 = 60%.
Каталожные мощности:
Определяем расчетную мощность
двигателя:
(8)
где kз- коэффициент запаса
(принимаем kз = 1,1);
ƞп - коэффициент полезного
действия передачи (0,97).
По каталогу выбираем несколько
электродвигателей ближайшей большей мощности с различными номинальными
частотами вращения:
Таблица 1
|
Тип
|
ПВ,
%
|
Uн
|
Pн, кВт
|
nн,об/мин
|
Iн, А
|
Rя+Rдп при
+15°С, Ом
|
Jдм, кг·м2
|
|
МП-51
|
25
|
220
|
23
|
600
|
120
|
0,0845
|
2,35
|
|
ДП-41
|
40
|
220
|
23
|
1120
|
120
|
0,0125
|
0,8
|
.3 Определение оптимального, по условию
минимизации, времени пуска передаточного отношения редуктора
Для каждого двигателя вычислим расчетное
передаточное отношение (число) редуктора:
(9)
где ωнд
- номинальная скорость двигателя;
ωmax м- максимальная
скорость производственного механизма.
Номинальные скорости двигателя:
Для каждого из выбранных двигателей вычислим
расчетное передаточное отношение (число) редуктора:
Промышленность выпускает одно-, двух- и
трехступенчатые редукторы с передаточным числом из стандартного ряда: 1,0;
1,12; 1,25; 1,4; 1,6; 1,8; 2,0; 2,24; 2,5; 2,8; 3,15; 3,55; 4,0; 4,5; 5,0; 5,6;
6,3; 7,1; 8,0; 9,0.
Необходимое стандартное передаточное отношение
редуктора можно найти следующим образом:
(10)
где iст i- стандартное передаточное число
редуктора;
х - целое число.
Стандартное передаточное отношение редуктора
выбирается ближайшее меньшее к расчетному, поэтому стандартные передаточные
отношения редукторов составят:
iст р1= 5,6;
iст р2= 9,0.
Для каждого двигателя найдем оптимальное по
условию минимизации времени пуска передаточное отношение редуктора:
(11)
где Jм - момент инерции производственного
механизма;дв - момент инерции ротора двигателя;- коэффициент, учитывающий
момент инерции редуктора. Принимаем k=1,1:
Для каждого двигателя найдем отношение
стандартного передаточного отношения редуктора к оптимальному передаточному
отношению:
Двигатель с Θi , наиболее
приближенной к единице, принимается в качестве приводного. Исходя из полученных
данных, для дальнейших расчетов выбираем двигательДП-41, ПВ=40%.
Глава 2. Расчет характеристик работы двигателя
.1 Расчет механических и электромеханических
характеристик для двигательного и тормозного режимов
Для построения электромеханической
характеристики двигателя независимого возбуждения, естественной или реостатной,
достаточно знать лишь две ее точки, поскольку все электромеханические
характеристики теоретически представляют собой прямые линии. Эти две точки для
каждой характеристики могут быть любыми, однако построение каждой из рабочих
электромеханических характеристик удобно производить по точкам, одна из которых
соответствует статическому току двигателя и технологической скорости (I=Iст и ω=ωст1),
другая - скорости идеального холостого хода при токе якоря, равном нулю (I=0 и ω=ω0).
Рассчитаем сопротивление якорной цепи электродвигателя
в нагретом состояний (при температуре двигателя, равной 75°С):
где τ - перегрев
обмоток двигателя относительно начальной температуры в 15°С
Определим номинальную скорость двигателя:
Найдем коэффициент ЭДС и электромагнитного
момента (конструктивная постоянная двигателя) в номинальном режиме работы:
(12)
где ω - номинальная
угловая скорость двигателя, рад/сек;н - номинальное напряжение обмотки якоря,
В;н - номинальный ток обмотки якоря, А.
Рассчитаем номинальный электромагнитный момент
двигателя и номинальный механический момент, развиваемый двигателем на валу:
Вычислим момент потерь двигателя в номинальном
режиме:
Примем допущение, что момент потерь двигателя
остается постоянным во всем рабочем диапазоне частот вращения двигателя.
Для определения статического тока необходимо
рассчитать статический момент механизма, приведенный к валу двигателя. При
активном характере нагрузки в двигательном режиме (I квадрант) момент
статический определяется по выражению:
(13)
где Mмех - момент механизма, Н·м;пот - момент
потерь, Н·м;ст.р- стандартное передаточное число редуктора;
ηп - КПД передачи
при максимальной частоте вращения.
В генераторном режиме работы (рекуперация,
противовключение, IV квадрант), момент статический определяется согласно
выражению:
(14)
Вычислим статические моменты для первой и второй
рабочей точек:
Для определения значения статического тока якоря
двигателя выполним промежуточные вычисления.
Определим статический ток якоря двигателя,
соответствующий нагрузке на первой ступени в двигательном режиме:
Определим статический ток якоря двигателя,
соответствующий нагрузке на второй рабочей ступени в генераторном режиме:
Найдем скорость идеального холостого хода:
Определим технологические скорости вращения
двигателя:
.2 Расчет и выбор пусковых, тормозных и
регулировочных сопротивлений
Для двигателей постоянного тока пуск, реверс,
торможение, а также регулирование скорости должно осуществляться при наложенных
на ток и момент ограничениях. В электроприводах постоянного тока с
релейно-контакторной схемой управления ток якоря ограничивают введением на
время пуска в цепь обмотки якоря двигателя добавочных сопротивлений.
Максимальный ток якоря двигателяIдв.maxследует
ограничить из условия удовлетворительной коммутации на коллекторе на уровне
(15)
где λI
- коэффициент допустимой перегрузки двигателя по току.Обычно принимают λI
= 2,2.
Найдем максимально допустимый ток якоря
выбранного двигателя:
Построим график электромеханических
характеристик электродвигателя:
Рис. 2.1 - Электромеханические характеристики
электродвигателя:
- естественная электромеханическая
характеристика;
- первая технологическая электромеханическая
характеристика;
- первая пусковая электромеханическая характеристика
электропривода;
- вторая пусковая электромеханическая
характеристика электропривода
Замыкание второго пускового сопротивления Rд2
также необходимо производить при токе переключения Iпер.
Необходимо обратить внимание, чтобы на
заключительном этапе разгона двигателя при переходе с последней пусковой
характеристики на первую рабочую характеристику, бросок тока не превышал
допустимый ток двигателя Iдвmax.Если
это требование не выполняется, то ток переключения Iпернеобходимо поменять,
несколько увеличив или уменьшив его.
Из уравнения электромеханической характеристики
по заданным ωpi, Ii
и известным Iдв.гор, Cн,
Uн найдем добавочные сопротивления Ri для каждой из технологических
характеристик:
(16)
где ωpi
- угловая скорость двигателя на i-ой характеристике;сi - статический ток
двигателя на i-ой характеристике.
Из уравнения электромеханической характеристики по
известным Rдв.гор, cн,Uн
и ω=0
найдем
пусковое сопротивление Rп3 для первой пусковой характеристики 3, рис. 2.1, а
также угловую скорость ωпер1, по
достижении которой необходимо осуществить переход на вторую пусковую
характеристику:
Далее, по известным Rдв.гор,
cн,Uн и ωпер1
найдем пусковое сопротивление Rп4 для второй пусковой характеристики 4, рис.
2.1, а также угловую скорость ωпер2,
по достижении которой необходимо осуществить переход на другую характеристику:
Добавочное сопротивление для третьей пусковой
характеристики определяется по следующему выражению:
Очевидно, что при правильно подобранном токе
переключения Iпер, номинал добавочного сопротивления для третьей пусковой
характеристики Rп5 совпадает с номиналом добавочного сопротивления для работы
на первой рабочей ступени R1. Поэтому дальнейший разгон двигателя будем осуществлять
по электромеханической характеристике 1, рис. 2.1 первой рабочей ступени, то
есть с введением в цепь якоря сопротивления Rп5=R1=0,4 Ом.
Таким образом, добавочные сопротивления для
технологических и пусковых характеристик найдены.
Переход с первой рабочей точки во вторую рабочую
точку будем осуществлять с помощью динамического торможения двигателя.
Динамическое торможение осуществляется путем отключения якорной цепи двигателя
от питающей сети и подключения к ней нагрузочного сопротивления. Схема динамического
торможения двигателя постоянного тока независимого возбуждения приведена на рис
2.2.
Рис. 2.2 - Схема включения двигателя постоянного
тока независимого возбуждения в режиме динамического торможения
Уравнение электромеханической характеристики
электропривода в режиме динамического торможения:
(17)
где Rяц.дт=Rдв.гор+Rдт
- сопротивление якорной цепи двигателя в режиме динамического торможения;
Rдт - сопротивление
динамического торможения.
Так как динамическое торможение должно
происходить при наложенных на момент и ток двигателя ограничениях(I≤Iдв.max),
а торможение производится с технологической скорости ωp1=94,2
рад/сек,то выражение для расчета сопротивления динамического торможения
приобретает следующий вид:
Как следует из расчетов, сопротивление
динамического торможенияRдт=1,62
Ом.
После работы на второй рабочей ступени,
необходимо затормозить электропривод. Применим торможение противовключением
(характеристика 6) с последующим наложением механического тормоза при
достижении угловой скорости, равной нулю. Рассчитаем добавочное сопротивление в
якорной цепи для организации торможения противовключением:
При достижении нулевой скорости ω
= 0 ток
в якорной цепи составит:
Результаты проведенных расчетов сведем в табл.
2.
Таблица 2
|
Первая
пусковая электромеханическая характеристика,Rп3=0,8145
Ом
|
|
I, А
|
0
|
Iпер=184,4
|
Iдв.max=264
|
|
ω, рад/сек
|
118,28
|
35,82
|
0
|
|
Вторая
пусковая электромеханическая характеристика,Rп4=0,581
Ом
|
|
I, А
|
0
|
Iпер=184,4
|
Iдв.max=264
|
|
ω, рад/сек
|
118,28
|
59,14
|
35,82
|
|
Первая
технологическая электромеханическая характеристика,R1=0,4 Ом
|
|
I, А
|
0
|
Ic1=106,89
|
Iдв.max=264
|
|
ω, рад/сек
|
118,28
|
94,2
|
59,14
|
|
Динамическое
торможение, характеристика,Rдт=1,62 Ом
|
|
I, А
|
0
|
Ic2=72,4
|
-Iдв.max=-264
|
|
ω, рад/сек
|
0
|
-32,97
|
94,2
|
|
Вторая
технологическая электромеханическая характеристика,R2=3,87 Ом
|
|
I, А
|
0
|
Ic2=72,4
|
-
|
|
ω, рад/сек
|
118,28
|
-32,97
|
-
|
|
Торможение
противовключением, характеристика,Rпрот=1,05
Ом
|
|
I, А
|
0
|
Iкон=206,48
|
Iдв.max=264
|
|
ω, рад/сек
|
118,28
|
0
|
-32,97
|
По данным таблицы 2 построим электромеханические
характеристики электропривода за полный рабочий цикл, приведенные на рис. 2.3.
Рис. 2.3 - Электромеханические характеристики
электропривода за полный рабочий цикл:
- естественная электромеханическая
характеристика;
- первая технологическая электромеханическая
характеристика;
- вторая технологическая электромеханическая
характеристика;
- первая пусковая характеристика электропривода;
- вторая пусковая характеристика электропривода;
- электромеханическая характеристика
динамического торможения для перехода во вторую рабочую точку;
6 - электромеханическая характеристика
торможения противовключением.
Схема силовой цепи для пуска двигателя
постоянного тока приведена на рис. 2.4.
Рис. 2.4 - Схема силовой цепи для пуска
электропривода постоянного тока
Определим сопротивления резисторов Rдоб1 ,
Rдоб2, Rдоб3, Rдоб4, Rдоб5 и Rдоб6 непосредственно включаемых в якорную цепь
двигателя.Очевидно, они будут отличаться от сопротивлений якорной цепи
двигателя Rп3, Rп4, R1, R2 и Rпрот, используемых для расчета
электромеханических характеристик электропривода, т.к. физические резисторы,
используемые для построения схемы электропривода, набираются из отдельных
резисторов.
Так, для работы на второй электромеханической
характеристике 2, рис. 2.3 с технологической скоростью ωp2
в
цепь якоря двигателя должно быть введено максимальное сопротивление R2 = 3,87
Ом, полученное путем сложения сопротивлений всех резисторов, включенных
последовательно в якорную цепь двигателя:
При пуске, на первых двух пусковых характеристиках,
а затем на первой рабочей характеристике необходимо иметь в якорной цепи
следующие сопротивления:
Из приведенных соотношений можно определить:
Для режима динамического торможения
(характеристика 5, рис. 2.3) нам требуется сопротивлениеRдт=1,62
Ом. Очевидно, что оно может быть получено путем добавления Rдоб3 к цепочке
резисторов Rп4:
Теперь можно определить величину сопротивления
Rдоб4:
Аналогично определяем величины сопротивлений
Rдоб5 и Rдоб6:
Таким образом, все сопротивления резисторов
якорной цепи для организации полного рабочего цикла электропривода найдены.
Принципиальная схема силовых цепей
электропривода для полного цикла работы приведена на рис. 2.5. Рассмотрим по
ней каждый режим работы электропривода.
Рис. 2.5 - Схема силовых цепей электропривода
для полного цикла работы
При пуске двигателя по первой пусковой
характеристике 3, рис. 2.3 замкнуты контакты пускателей КМ, КМ3 и КМ4, а
остальные контакты разомкнуты. Далее, при переходе на вторую пусковую
характеристику 4, рис. 2.3 дополнительно замыкается контакт КМ1, исключающий из
цепи реостаты Rдоб3 и Rдоб4. При дальнейшем разгоне дополнительно к уже
замкнутым контактам КМ, КМ3, КМ4, КМ1 замыкаются контакты пускателя КМ2 и
двигатель переходит на разгон по первой рабочей характеристике 1, рис. 2.3 до
скорости ωp1 и работает на ней
отведенное время - 15 с.
После работы на первой рабочей ступени,
необходимо по характеристике динамического торможения 5, рис. 2.3 перейти на
вторую рабочую ступень. Это осуществляется путем размыкания контактов пускателя
КМ1 и замыканием контактов пускателя КМ5. По завершении переходного процесса,
схема переключается для работы на второй рабочей ступени.
При работе на второй технологической
характеристике 2, рис. 2.3 со скоростью ωp2 в
силовой якорной цепи (см. рис. 2.5) замкнут контакт пускателя КМ, а контакты
КМ1, КМ2, КМ3, КМ4, КМ5 разомкнуты. После работы на второй технологической
ступени в течение 18 с. электродвигатель необходимо затормозить.
В режиме торможения противовключением
срабатывает контактор КМ6 и своими контактами изменяет полярность питающего
напряжения якорной цепи. Наряду с контактами КМ6, должен быть замкнут контакт
КМ4, а остальные контакты должны быть разомкнуты. Особое внимание следует
обратить на отключение контактов КМ, так как при их одновременном включении с
контактами КМ6 произойдет короткое замыкание.
.3 Расчет переходных характеристик за цикл
работы
Переходным, или динамическим, режимом
электропривода называется режим работы при переходе из одного установившегося
состояния привода к другому, происходящему во время пуска, торможения,
реверсирования и резкого приложения нагрузки на валу. Эти режимы
характеризуются изменениями ЭДС, угловой скорости, момента и тока. Переходные
процессы тока и скорости электропривода постоянного тока независимого
возбуждения при линейных статических характеристиках двигателя и
производственного механизма можно рассчитать по формулам:
(18)
где Iнач - начальное значение тока двигателя,
А;уст - установившееся значение тока двигателя при моменте нагрузки Mс = Муст,
А;
ωуст -
установившаяся угловая скорость двигателя при моменте нагрузки Mс = Муст,
рад/сек;
ωнач - начальное
значение угловой скорости, рад/сек;
Тм - электромеханическая постоянная времени
электропривода, с.
Расчет электромеханических постоянных времени
Тмi для каждой из реостатных характеристик осуществляется в соответствии с
выражением:
(19)
где Rяц- суммарное сопротивление якорной цепи на
соответствующей характеристике, Ом;н - коэффициент ЭДС, В×с/
рад;∑ - суммарный момент инерции, приведенный к валу двигателя, кг·м2;
(20)
где k = (1,05÷1,3) -
коэффициент,
учитывающий момент инерции редуктора;дв - момент инерции двигателя, кг·м2; Jдв
= 0,8;м - момент инерции производственного механизма, кг·м2;Jм = 60;ст.р -
стандартное передаточное отношение редуктора; iст.р =9.
Учитывая, что моменты инерции двигателя Jдв и
производственного механизма Jм за цикл работы электропривода не
изменяются,найдем суммарный момент электропривода, приняв значение коэффициента
k = 1,1. Тогда
Время tппi работы двигателя на i-ой
характеристике, при изменении момента в пределах от Мнач до Мкон , определяется
по формуле:
(21)
где Mнач и Mкон - значения моментов в начале и
конце рассматриваемого переходного процесса;уст - установившийся момент
двигателя.
Учитывая, что электромагнитный момент двигателя
постоянного тока пропорционален току обмотки якоря, уравнение для расчета
времени переходного процесса работы двигателя на произвольной характеристике
можно преобразовать к виду:
(22)
где Iнач и Iкон - значения токов двигателя,
взятые из графика электромеханической характеристики в начале и конце
рассматриваемого переходного процесса;уст - установившийся ток якоря двигателя.
Первая пусковая характеристика (характеристика 3
на рис. 2.3, 2.10).
Сопротивление якорной цепи:
Электромеханическая постоянная времени:
Время переходного процесса пуска двигателя на
первой пусковой характеристике:
(23)
где Iнач3 - максимально допустимый ток якоря
двигателя, Iдв.max = 264 А;кон3- ток переключения, Iпер = 184,4 А;уст3 -
установившееся значение тока двигателя, Iуст3 = Ic1 = 106,89 А.
Уравнение для расчета переходного процесса тока
якоря:
(24)
где Iнач3 - начальное значение тока якоря,
равное допустимому току двигателя, Iнач3 = Iдв.max = 264 А;уст3 -
установившееся значение тока двигателя, Iуст3 = Ic1 = 106,89 А.
После подстановки численных значений параметров:
Уравнение для расчета переходного процесса
скорости пуска по первой пусковой характеристике 3, рис. 2.3:
(25)
ωнач3 = 0, рад/сек;
ωуст3 -
установившаяся угловая скорость двигателя, определяется по первой пусковой
характеристике при статическом токе двигателя,
После подстановки численных значений параметров:
Расчет переходных процессов произведем в
программной среде MathCAD, а численные значения параметров снимем с помощью
трассировщика.
Графики переходных процессов скорости ω
= f(t) и
тока I = f(t)
пуска двигателя по первой пусковой характеристике 3 приведены на рис. 2.6.
Рис. 2.6 - Графики переходных процессов скорости
ω
= f(t) и
тока I = f(t)
пуска двигателя по первой пусковой характеристике
Расчетные значения тока и скорости в переходных
процессах на первой пусковой характеристике 3, рис. 2.6 сведем в табл. 3.
Таблица 3
|
t, c
|
0
|
0,2
|
0,4
|
0,6
|
0,8
|
1
|
1,2
|
1,4
|
1,6
|
1,8
|
1,99
|
|
I, А
|
264
|
253,24
|
243,22
|
233,89
|
225,19
|
217,09
|
209,55
|
202,52
|
195,97
|
189,87
|
184,47
|
|
ω, рад/сек
|
0
|
1,663
|
3,2122
|
4,6553
|
5,9996
|
7,2519
|
8,4184
|
9,505
|
10,517
|
11,46
|
12,296
|
Вторая пусковая характеристика (характеристика 4
на рис. 2.10).
Сопротивление якорной цепи:
Электромеханическая постоянная времени:
Время переходного процесса пуска двигателя на
второй пусковой характеристике:
(26)
где Iнач4 - максимально допустимый ток якоря
двигателя, Iдв.max = 264 А;кон4- ток переключения, Iпер = 184,4 А;уст4 -
установившееся значение тока двигателя, Iуст3 = Ic1 = 106,89 А.
Уравнение для расчета переходного процесса тока
якоря:
(27)
где Iнач4 - начальное значение тока якоря,
равное допустимому току двигателя, Iнач4 = Iдв.max = 264 А;уст4 - установившееся
значение тока двигателя, Iуст4 = Ic1 = 106,89 А.
После подстановки численных значений параметров:
Уравнение для расчета переходного процесса
скорости при пуске по второй пусковой характеристике 4, рис. 2.10:
(28)
где ωнач4
- начальное значение угловой скорости;
ωуст4 -
установившаяся угловая скорость двигателя.
Начальное значение угловой скорости ωнач4второй
пусковой характеристики найдем при максимально допустимом токе двигателя Iдв.max
= 264 А из выражения:
Установившуюся угловую скорость двигателя ωуст4
определим по второй пусковой характеристике 4, рис. 7.10 при статическом токе
двигателяIуст4 = Ic1 = 106,89 А:
После подстановки численных значений параметров:
Графики переходных процессов скорости ω
= f(t) и
тока I = f(t)
пуска двигателя по второй пусковой характеристике 4 приведены на рис. 2.7.
Рис. 2.7 - Графики переходных процессов скорости
ω
= f(t) и
тока I = f(t)
пуска двигателя по второй пусковой характеристике
Расчетные значения тока и скорости в переходных
процессах по второй пусковой характеристике 4, рис. 2.10 сведем в табл. 4.
Таблица 4
|
t, c
|
0
|
0,1
|
0,2
|
0,3
|
0,4
|
0,5
|
0,6
|
0,7
|
0,8
|
0,82
|
|
I, А
|
264
|
256,79
|
249,92
|
243,36
|
237,1
|
231,13
|
225,43
|
219,99
|
214,81
|
213,8
|
|
ω, рад/сек
|
-57.08
|
-52.29
|
-47.73
|
-43.37
|
-39.21
|
-35.25
|
-31.46
|
-27.85
|
-24.4
|
-23.73
|
Первая технологическая характеристика
(характеристика 1 на рис. 2.10)
Сопротивление якорной цепи:
Электромеханическая постоянная времени:
Время переходного процесса пуска двигателя на
первую технологическую характеристику:
Уравнение для расчета переходного процесса тока
якоря:
(29)
где Iнач1 - начальное значение тока якоря,
равное допустимому току двигателя, Iнач1 = Iдв.max = 264 А;уст1 -
установившееся значение тока двигателя, Iуст1 = Ic1 = 106,89 А.
После подстановки численных значений параметров:
Уравнение для расчета переходного процесса
скорости пуска по первой технологической характеристике:
(30)
где ωнач1
- начальное значение угловой скорости;
ωуст1 -
установившаяся угловая скорость двигателя;
ωуст1 =ωр1
= 94,2 рад/сек.
Начальное значение угловой скорости ωнач1
первой технологической характеристики найдем при максимально допустимом токе
двигателя Iдв.max = 264 А из выражения:
После подстановки численных значений параметров:
Графики переходных процессов скорости ω
= f(t) и
тока I = f(t)
пуска двигателя дляпервой технологической характеристики1 приведены на рис.
2.8.
Рис. 2.8 - Графики переходных процессов скорости
ω
= f(t) и
тока I = f(t)
разгона двигателя по первой технологической характеристике
Расчетные значения тока и скорости в переходных
режимах характеристики 1, рис. 2.10 сведем в табл. 5.
Таблица 5
|
t, c
|
0
|
1
|
2
|
3
|
4
|
5
|
5,46
|
|
I, А
|
264
|
197.58
|
159.24
|
137.11
|
124.34
|
116.96
|
114.71
|
|
ω, рад/сек
|
-31.39
|
21.701
|
52.349
|
70.041
|
80.254
|
86.149
|
87.947
|
Время работы на первой технологической
характеристикеtp1 = 15 сек.
Характеристика динамического торможения при
переходе на вторую технологическую характеристику (характеристика 5 на рис.
2.10)
Вычислим сопротивление якорной цепи для режима
динамического торможения двигателя:
Электромеханическая постоянная времени:
Необходимо обратить внимание, что для расчета
времени переходного процесса динамического торможения двигателя при переходе на
вторую технологическую характеристику, требуется разбить характеристику 5 рис.
2.3на два участка - первый участок5_1 для ω ≥
0и второй участок5_2 для ω ≤ 0на
рис. 2.10.
Вычислим время переходного процесса на участке
5_1 электромеханической характеристики 5, рис. 2.10:
(31)
где Iнач5_1 - максимально допустимый ток якоря
двигателя,нач5_1 = -Iдв.max = -264 А;кон5_1= 0- конечное значение тока
якоря;уст5_1 - установившееся значение тока двигателя,уст5_1 = Ic1 = 106,89 А.
Уравнение для расчета переходного процесса тока
якоря на участке 5_1 электромеханической характеристики 5, рис. 2.10:
(32)
где Iнач5_1 - начальное значение тока якоря,
равное допустимому току двигателя, Iнач5_1 = -Iдв.max = -264 А;уст5_1 -
установившееся значение тока двигателя,уст5_1 = Ic1 = 106,89 А.
После подстановки численных значений параметров:
Уравнение для расчета переходного процесса
скорости электродвигателя на участке 5_1 электромеханической характеристики 5,
рис. 2.10:
(33)
где ωнач5_1
- начальное значение угловой скорости;
ωнач5_1 =ωр1
= 94,2 рад/сек.;
ωуст5_1 -
установившаяся угловая скорость двигателя,
После подстановки численных значений параметров:
Графики переходных процессов скорости ω
= f(t) и
тока I = f(t)для
участка 5_1, рис. 2.10 приведены на рис. 2.9.
Рис. 2.9 - Графики переходных процессов скорости
ω
= f(t) и
тока I = f(t)
участка 5_1 характеристики 5 режима динамического торможения двигателя при
переходе на вторую технологическую характеристику 2
Расчетные значения тока и скорости режима динамического
торможения двигателя для первого участка характеристики 5 сведем в табл.
Таблица 6
|
t, c
|
0
|
0,4
|
0,8
|
1,2
|
1,6
|
2
|
2,4
|
2,8
|
3,2
|
3,51
|
|
I, А
|
-264
|
-215
|
-172.4
|
-135.5
|
-103.4
|
-75.6
|
-51.47
|
-30.52
|
-12.35
|
0.062
|
|
ω, рад/сек
|
94.2
|
69.313
|
47.717
|
28.978
|
12.716
|
-1.395
|
-13.64
|
-24.27
|
-33.49
|
-39.79
|
Далее вычислим время переходного процесса на
участке 5_2 электромеханической характеристики 5, рис. 2.10:
Найдем суммарное время переходного процесса
перехода двигателя с первой рабочей точки на вторую рабочую точку по
характеристике 5:
Уравнение для расчета переходного процесса тока
якоря на участке 5_2 электромеханической характеристики 5, рис. 2.10:
(34)
где Iнач5_2 = 0 - начальное значение тока
якоря;уст5_2 - установившееся значение тока двигателя,уст5_2 = Ic2 = 72,4 А.
После подстановки численных значений параметров:
Рис. 2.10 - Электромеханические характеристики
электропривода за полный рабочий цикл с обозначением некоторых установившихся
скоростей вращения якоря:
- естественная электромеханическая
характеристика;
- первая технологическая электромеханическая
характеристика;
- вторая технологическая электромеханическая
характеристика;
- первая пусковая характеристика электропривода;
- вторая пусковая характеристика электропривода;
_1 - первый участок электромеханической
характеристики 5 динамического торможения;
_2 - второй участок электромеханической
характеристики 5 динамического торможения для перехода во вторую рабочую точку;
- электромеханическая характеристика торможения
противовключением.
Уравнение для расчета переходного процесса
скорости электродвигателя на участке 5_2 электромеханической характеристики 5:
(35)
где ωнач5_2
= 0- начальное значение угловой скорости;
ωуст5_2 - установившаяся
угловая скорость двигателя при токе Iс2,
ωуст5_2 = ωр2
= -32,97 рад/сек.
После подстановки численных значений параметров:
Графики переходных процессов скорости ω
= f(t) и
тока I = f(t)для
участка 5_2, рис. 2.10 приведены на рис. 2.11.
Рис. 2.11 - Графики переходных процессов
скорости ω = f(t) и тока I = f(t)
участка 5_2 характеристики 5 режима динамического торможения двигателя при
переходе на вторую технологическую характеристику 2
Расчетные значения тока и скорости режима
динамического торможения двигателя для второго участка характеристики 5, рис.
2.10 сведем в табл. 7.
Таблица 7
|
t, c
|
0
|
1
|
2
|
3
|
4
|
5
|
6
|
7
|
8
|
8,46
|
|
I, А
|
0
|
21.615
|
36.777
|
47.412
|
54.873
|
60.105
|
63.776
|
66.351
|
68.157
|
68.795
|
|
ω, рад/сек
|
0
|
-9.843
|
-16.75
|
-21.59
|
-24.99
|
-27.37
|
-29.04
|
-30.22
|
-31.04
|
-31.33
|
Время работы на второй технологической характеристикеtp2
= 18 сек.
Характеристика торможения противовключением
(характеристика 6 на рис. 2.10)
Торможение начинается с угловой скорости ωнач
= ωp2
- угловой
скорости двигателя во второй рабочей точке. Под установившейся скоростью
принимается фиктивная скорость ωуст6
, определяемая пересечением электромеханической характеристики режима
торможения противовключением и статического тока Iс2 . При достижении скорости,
равной нулю, необходимо остановить электропривод путем отключения двигателя от
сети и наложением электромеханического тормоза. Начальным значением тока режима
динамического торможения являетсядопустимый ток двигателя Iдв.max.
Установившимся значением тока является статический ток Iс2.
Сопротивление якорной цепи режима торможения
противовключением:
Электромеханическая постоянная времени:
Уравнение для расчета переходного процесса
торможения противовключением (характеристика 6, рис. 2.10) для тока якоря:
(36)
где Iнач6 - начальное значение тока якоря,
равное допустимому току двигателя, Iнач6 = Iдв.max = 264 А;уст6 -
установившееся значение тока двигателя,уст6 = Ic2 = 72,4 А.
После подстановки численных значений параметров:
При достижении нулевой скорости ω
= 0 ток
в якорной цепи составит:
Время торможения до полной остановки, когда ω
= 0 , может
быть определено из уравнения:
(37)
где Iнач6 - максимально допустимый ток якоря
двигателя,нач6 = Iдв.max = 264 А;кон6- ток в якорной цепи при ω
= 0, Iкон6
= 206,48уст6 - установившееся значение тока двигателя,уст6 = Ic2 = 72,4 А.
Уравнение для расчета переходного процесса
скорости режима торможения противовключением (характеристика 6, рис. 2.10):
(38)
где ωнач6
- начальное значение угловой скорости,
ωуст6 = ωр2
= -32,97 рад/сек;
ωуст6 - установившаяся
угловая скорость двигателя; определяется по характеристике торможения
противовключением при статическом токе двигателя Iс2:
После подстановки численных значений параметров:
Графики переходных процессов скорости ω
= f(t) и
тока I = f(t)торможения
двигателя противовключением характеристики 6 приведены на рис. 2.12.
Рис. 2.12 - Графики переходных процессов
скорости ω = f(t) и тока I = f(t)
режима торможения двигателя противовключением (характеристика 6)
Расчетные значения тока и скорости в процессе
торможения двигателя противовключением (характеристика 6, рис. 2.10) сведем в
табл. 8.
Таблица 8
|
t, c
|
0
|
0,2
|
0,4
|
0,6
|
0,8
|
1
|
1,2
|
1,4
|
1,6
|
1,8
|
1,83
|
|
I, А
|
264
|
244.16
|
226.38
|
210.44
|
196.15
|
183.34
|
171.85
|
161.56
|
152.33
|
144.05
|
142.89
|
|
ω, рад/сек
|
-33
|
-21.61
|
-11.42
|
-2.282
|
5.907
|
13.25
|
19.83
|
25.73
|
31.02
|
35.76
|
Графики переходных процессов скорости ω
= f(t) и
тока I = f(t)
для полного цикла работы электропривода приведены на рисунках 2.13 и 2.14
соответственно.
Рис. 2.13 - График переходных процессов скорости
ω
= f(t) для
полного цикла работы электропривода
Рис. 2.14 - График переходных процессов тока I =
f(t)
для полного цикла работы электропривода
Глава 3. Схема управления электродвигателем и
его проверка по нагреву и перегрузке
.1 Проверка двигателя по нагреву и перегрузке
Потери энергии в двигателе вызывают нагрев его
отдельных частей. Допустимый нагрев двигателя определяется нагревостойкостью
применяемых изоляционных материалов. Чем больше нагревостойкость, тем при той
же мощности меньше размеры двигателя или при тех же размерах можно увеличить
его мощность.
Проверка двигателя постоянного тока по нагреву
производится на основе рассчитанных графиков переходных процессов тока для
полного цикла работы электропривода и его режима работы. Обычно применяются
методы эквивалентного (среднеквадратичного) тока.
В общем виде эквивалентный ток двигателя за
рабочий цикл можно вычислить по следующему уравнению:
(39)
где Iэ - искомое значение эквивалентной величины
тока, А;
∑tр-
суммарное время работы за цикл, с;
∑tпп-
суммарное время переходных процессов за цикл, с;i
- время работы на i-ом участке, с;
βi
- коэффициент ухудшения теплоотдачи на i-ом участке.
Определив по таблицам 3 - 8 эквивалентный ток
двигателя для каждого переходного режима двигателя, а также используя
вычисленные величины тока в рабочих точках Ic1,
Ic2, вычислим
выражение:
Далее вычислим величину коэффициента,
учитывающего ухудшение теплоотдачи двигателя в переходных режимах:
Суммарное время переходных процессов за рабочий
цикл составит:
Использую вычисленные значения, найдем
эквивалентный ток двигателя за цикл работы:
При повторно-кратковременном режиме работы
эквивалентные величины пересчитываются на каталожные значения продолжительности
включения и длительности работы.
Определим относительную продолжительность
включения с учетом переходных режимов двигателя:
(40)
При подстановке численных значений параметров
получим:
Пересчитаем эквивалентное значение тока на
стандартное значение:
Пересчитанная величина тока Iк сопоставляется с
номинальной величиной тока Iн выбранного двигателя. При этом должно выполняться
условие:к ≤Iн,
где Iк - пересчитанная на каталожную
эквивалентная величина тока, А;н - номинальное значение тока, Iн = 120 А;
,99 ≤ 120 А
Условие проверки двигателя на нагрев
выполняется, следовательно электродвигатель выбран правильно.
На перегрузочную способность двигатель
постоянного тока независимого возбуждения можно не проверять, т.к. условия
перегрузки учитывались при построении пусковых электромеханических
характеристик.
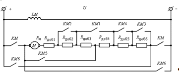
.2 Схема управления электроприводом
Схема силовой якорной цепи электропривода
приведена на рис. 3.1. Схема подключается к напряжению постоянного тока U через
автоматические выключатели QF1 и предохранители FU1. Она включает в себя
обмотку якоря двигателя M, резисторы Rдоб1 -Rдоб6 , которые в разные моменты
времени задействованы как пусковые, регулировочные и тормозные. Силовые
контакты схемыKM6.2 и KM6.3 обеспечивают торможение противовключением на
завершающем этапе рабочего цикла при разомкнутых контактахKM0.4 иKM0.5. В
силовую якорную цепь включена обмотка реле максимального тока KA1.
Рис. 3.1 - Схема силовой якорной цепи
электропривода
Релейно-контакторная схема управления
электроприводом приведена на рис. 3.2. Электропривод работает следующим
образом. Перед пуском электропривода включают автоматыQF1 и QF2. На схему
силовых цепей и схему управления подается напряжение U. В схемеуправления
электроприводом запитывается обмотка возбуждения электродвигателя LM,
срабатывает реле обрыва поля KA2, замыкая свои контакты KA2.1 и KA2.2 в цепях контакторов
KM0 и KM6. Через размыкающие контакты KM0.1, КM1.1, KM2.1, KM5.3 и
KM6.4запитываются реле времени KT1, KT2 и KT3. Реле времени KT1, KT2,
включившись, размыкают свои контакты KT1 и KT2 в цепях схемы управления. Реле
времени KT3 при включении замыкает свои контакты KT3.1, KT3.2, KT3.4, KT3.5 и
размыкает контакт KT3.3. Через замкнутый контакт KT3.4 получает питание реле
времени KT4 и, в свою очередь, замыкает контакты KT4.1 -KT4.4, запитывая реле
времени KT5 и контакторы KM3, KM4, а также размыкает контакт KT4.5. Контакторы
KM3 и KM4, своими контактами шунтируют добавочные сопротивления Rдоб5 и Rдоб6.
Реле времени KT5, включившись, размыкает свои замыкающие контакты KT5.1, KT5.2
и KT5.4, а также замыкает размыкающие контакты KT5.3 и KT5.5. Через контакт
KT5.3 получает питание реле времени KT6 и замыкает контакты KT6.1, KT6.2. Реле
времени KT7 не подключено, поэтому его контакт в цепи питания схемы управления
замкнут. Схема подготовлена к включению.
Пуск двигателя осуществляется нажатием кнопки
SB1: если реле максимального тока KA1 находится в выключенном состоянии, а реле
обрыва поля KA2 включено, то срабатывает контактор KM0, подключая обмотку якоря
M двигателя к сети напряжения постоянного тока U, и двигатель начинает
разгоняться по первой пусковой характеристике 3, рис. 2.10 с введенными
сопротивлениями Rдоб1 -Rдоб4, рис. 3.1. Контакт KM0.2 осуществляет
самоблокировку контактора KM0, контакт KM0.3запитывает обмотку
электромагнитного растормаживателяLB, а контакт KM0.1 размыкается и снимает
питание с реле времени KT1. Реле времени KT1, потеряв питание, начинает отсчет
выдержки времени разгона по первой пусковой характеристике до скорости ωпер1.
По истечении времени выдержки размыкающий контакт KT1 замкнется и включится
контактор KM1. Контактор KM1, включившись, закорачивает контактом KM1.2
резисторы Rдоб3 и Rдоб4, рис. 3.1, а также одновременно контактом KM1.1
отключает катушку реле времени KT2 и оно начинает отсчитывать время разгона по
второй пусковой характеристике 4, рис. 2.10 до скорости ωпер2.
По истечении времени выдержки размыкающий контакт KT2 замкнется и включится
контактор KM2. Контактор KM2, включившись, закорачивает контактом KM2.2
резистор Rдоб2, рис. 3.1, а контактом KM2.1 отключает реле времени KT3 и оно
начинает отсчитывать время разгона до первой рабочейскорости ωp1
плюс
время работы в первой рабочей точке- 15 с. После работы на первой
технологической характеристике 1, рис. 2.10 реле времени KT3 размыкает свои
контакты KT3.1, KT3.2, KT3.4, KT3.5 и тем самым отключает контакторы KM0, KM1,
KM2, реле времени KT4, а контактом KT3.3запитывает контактор KM5. Двигатель
переходит в режим динамического торможения (характеристика 5, рис. 2.10) для
перехода во вторую рабочую точку. В якорную цепь двигателя включены
сопротивления Rдоб1 - Rдоб3, рис. 3.1, которые и формируют сопротивление
динамического торможения. По истечении времени задержки размыкаются контакты
KT4.1 -KT4.4 и отключают контакторы KM5, KM3, KM4 и реле времени KT5.
Рис. 3.2 - Схема управления электроприводом
Одновременно контакт KT4.5 реле времени KT4
замыкается и включает контактор KM0, после чего двигатель начинает работу во
второй рабочей точке со скоростью ωp2. Через
18 с. реле времени KT5 размыкает контакты KT5.3 и KT5.5, тем самым включает
отсчет реле времени KT6 и отключает контактор KM0. Одновременно путем замыкания
контактов KT5.1, KT5.2 и KT5.4 включаются контакторы KM4, KM6, а также реле
времени KT7 и двигатель переходит в режим торможения противовключением
(характеристика 6, рис. 2.10). По истечении времени торможения
противовключением размыкающий контакт KT6.1 разомкнется и отключит контактор
KM6, который силовыми контактами KM6.1 -KM6.3 обесточит якорную цепь двигателя,
а также электромагнитный растормаживательLB. Механизм остановлен.
Одновременно с этим, размыкающий контакт KT6.2
отключает питание реле времени KT7, оно разрывает свой контакт, снимая питание
со всей схемы управления и начинает отсчет времени паузы. Повторное включение
двигателя должно произойти через интервал времени паузы - 45 с. Контакт KT7
замыкается, напряжение U вновь поступает на схему управления, производится
подготовка к включению, описанная выше, и схема опять готова к выполнению
нового технологического цикла, запуск которого начнется либо по нажатию кнопки SB1,
либо замыканием контакта какого-либо внешнего устройства, подключенного
параллельно контакту кнопки SB1.
Следует отметить, что приведенная схема является
лишь одним вариантом реализации системы управления. Возможно добавление
дополнительных защит и блокировок, а также применение принципа управления не по
времени, а по скорости.
Также возможны менее трудоемкие варианты
построения схемы управления рассмотренным технологическим циклом на базе
регулируемых командоаппаратов, например КА4000, КА4600 или на базе
программируемых многоканальных реле, например ПР110.
Заключение
В ходе выполнения курсовой работы были
рассмотрены вопросы выбора двигателя по мощности, построена диаграмма
производственного механизма, а так же диаграмма скорости и нагрузочная диаграмма
производственного механизма. Произведены расчеты электродвигателя и выбор его
по каталогу, пусковых и регулировочных резисторов электропривода, параметров и
характеристик режима динамического торможения асинхронного двигателя,
переходных процессов скорости, момента и тока за цикл работы электропривода.
Построены естественные механические и электромеханические характеристики
электродвигателя, схема управления электроприводом, а так же проведена проверка
двигателя по нагреву и перегрузке.
Список литературы
1. Чиликин М.Г., Сандлер А.С. Общий
курс электропривода: учебник для вузов. - М.: Энергоиздат, 2001. - 576 с.
. Москаленко В.В. Автоматизированный
электропривод: учебник для вузов. - М.: Энергоатомиздат, 2006. - 416 с.
. Приводы машин: справочник / В.В. Длоугий,
Т.И. Муха, А.П. Цупиков, Б.В. Януш; под общ.ред. В.В. Длоугого. - 2-е изд.,
перераб. и доп. - Л.: Машиностроение, Ленингр. Отд-ние, 2002. - 383 с.
. Справочник по электрическим
машинам: в 2 т.; под общ.ред. И.П. Копылова, Б.К. Клокова. - М.: Энергоатомиздат,
1989. - 688 с.: ил.
. Вешеневский С.Н. Характеристики
двигателей в электроприводе. - М.: Энергия, 2007. - 432 с.
. Башарин А.В., Голубев Ф.Н.,
Кепперман В.Г. Примеры расчетов автоматизированного электропривода. - Л.,
Энергия, 2001. - 440 с.
. Асинхронные двигатели серии 4А.
Справочник / А.Э. Кравчик, М.М. Шлаф, В.И. Афонин, Е.А. Соболевская. - М.:
Энергоатомиздат, 2002. - 380 с.
. Мощинский Ю.А., Беспалов В.Я.,
Кирякин А.А. Определение параметров схемы замещения асинхронной машины по
каталожным данным // Электричество. - 2008. - № 4. - С. 39-42.