Электромеханический привод ленточного транспортера
МИНИСТЕРСТВО СВЯЗИ И ИНФОРМАТИЗАЦИИ
РЕСПУБЛИКИ БЕЛАРУСЬ
Учреждение образования
«ВЫСШИЙ ГОСУДАРСТВЕННЫЙ КОЛЛЕДЖ
СВЯЗИ»
ФАКУЛЬТЕТ ЗАОЧНОГО ОБРАЗОВАНИЯ
КАФЕДРА ОРГАНИЗАЦИИ И ТЕХНОЛОГИИ
ПОЧТОВОЙ СВЯЗИ
ЭЛЕКТРОМЕХАНИЧЕСКИЙ ПРИВОД ЛЕНТОЧНОГО
ТРАНСПОРТЕРА
Пояснительная записка
к курсовой работе
по дисциплине
«ЭЛЕКТРОМЕХАНИЧЕСКИЕ СИСТЕМЫ
ПОЧТООБРАБАТЫВАЮЩЕГО ОБОРУДОВАНИЯ»
Выполнила студентка гр. ПС 161 Д.Д. Одинцова
Проверил В.М. Сурин
Минск 2013
ВВЕДЕНИЕ
привод двигатель редуктор электромеханический
Электромеханическая система состоит из электродвигателя, передаточного
механизма и при необходимости управляющих устройств. Электромеханический привод
(ЭМП) (электродвигатель и передаточный механизм) обеспечивает требуемое
движение почтообрабатывающего оборудования. Передаточный механизм (редуктор)
связывает электродвигатель с исполнительным механизмом. Исполнительный механизм
создает нагрузку на выходном валу редуктора.
В зависимости от характера работы ЭМП бывает нерегулируемый и
регулируемый или следящий. Нерегулируемый привод обеспечивает требуемое
движение устройств, для которых характерен продолжительный режим работы при
номинальных характеристиках.
Регулируемый или следящий ЭМП предназначен для работы в автоматических
системах. Для него характерны повторно-кратковременные режимы работы, большая
частота пусков и реверсов, наличие управляющих устройств.
Основные вопросы, относящиеся к проектированию ЭМП, являются общими для
разных видов приводов. При проектировании ЭМП необходимо решить следующие
задачи:
¾ правильно выбрать двигатель, рассчитав его необходимую
мощность;
¾ найти общее передаточное отношение редуктора и разбить его по
ступеням;
¾ рассчитать параметры кинематической схемы редуктора;
рассчитать время разгона и останова ЭМП.
1. ОПИСАНИЕ РАБОТЫ ПРИВОДА ЛЕНТОЧНОГО ТРАНСПОРТЕРА
Приводная станция ленточного конвейера предназначена для приведения в
движение ленты, которая перемещает штучные почтовые грузы при их обработке.
Электродвигатель с редуктором, соединенные между собой двумя полумуфтами,
составляют муфту и образуют моторную группу приводной станции, закрепленную на
плите при помощи крепежных изделий. Плита посредством таких же крепежных
изделий устанавливается внутри рамы. На валы редуктора и барабана насажены
звездочки, соединенные цепью. Барабан установлен на шарикоподшипники в корпусе.
Ролики, служащие для предотвращения провисания и облегчения движения ленты,
устанавливается в прорези кронштейнов, прикрепленных к раме. В целях исключения
контакта с вращающимися механизмами лиц, работающих на конвейерах, рама
заключена в обшивку, удерживаемую винтами. Дверки обеспечивают доступ
обслуживающего персонала внутрь узла при проведении планово-предупредительных и
аварийных ремонтов.
Через муфту, соединяющую вал электродвигателя и вал-червяк редуктора,
вращательное движение придается ведомому валу последнего. Далее вращение
передается на вал барабана с помощью цепи, надетой на звездочки валов.
Вращающийся барабан приводит конвейер в рабочее состояние.
Необходимое сцепление транспортерной ленты с приводным барабаном для
перемещения грузов обеспечивает натяжной барабан, расположенный в натяжной
станции. Для приведения в движение электродвигателя приводной станции имеется
шкаф управления с расположенной в нем аппаратурой - автоматическим выключателем,
магнитными пускателями, тепловым реле и кнопками управления.
2. ВЫБОР ЭЛЕКТРОДВИГАТЕЛЯ
Электродвигатели по назначению делят на общего назначения и
исполнительные. Электродвигатели общего назначения (силовые) предназначены для
работы в нерегулируемом ЭМП. В эту группу входят двигатели различного типа:
переменного тока асинхронные и синхронные, постоянного тока. Наибольшее
применение получили асинхронные двигатели с короткозамкнутым ротором благодаря
ряду достоинств:
─ простота конструкции и обслуживания;
─ надежность;
─ низкая стоимость.
Их недостатки - невысокий cosц,
особенно при холостом ходе и малых нагрузках, невозможность простого и
экономичного регулирования скорости вращения, относительно малый пусковой
момент и большой пусковой ток.
Синхронная скорость вращения электродвигателя - число оборотов в минуту
вращающегося магнитного поля в статоре двигателя, независимое от нагрузки на
валу и скорости вращения ротора, определяемое только частотой переменного тока
и числом полюсов двигателя. Передача энергии с неподвижного статора на
вращающийся ротор возможна только при отставании (скольжении) скорости ротора
от скорости вращения магнитного поля.
Исполнительные электродвигатели предназначены для работы в следящем
приводе. Они преобразуют подводимый к ним сигнал (напряжение управления) в
угловое перемещение или в величину скорости выходного вала.
Исходными данными для выбора двигателя является его расчетная мощность Рд.
Если ЭМП работает при постоянной нагрузке Мн, мощность двигателя определяют по
формуле
, (1)
где Мн - момент нагрузки на выходном валу редуктора в Н·м;
щвых - угловая скорость выходного вала редуктора, рад/с;
k -
коэффициент запаса, учитывающий необходимость преодоления динамических нагрузок
в момент разгона, (k= 1,05…1,1);
зо - суммарный коэффициент полезного действия редуктора и
муфты 2.
Скорость выходного вала редуктора находится через заданную скорость V движения ленты транспортера, так как
вал приводного барабана транспортера имеет ту же угловую скорость, что и
выходной вал редуктора.
, (2)
где dб - диаметр приводного барабана транспортера, м.;
V - скорость движения ленты
транспортера, м/с.
Скорость выходного вала редуктора в об/мин соответственно равна
, (3)
Суммарный
коэффициент полезного действия привода вала барабана ленточного транспортера
равен
, (4)
где
зР - коэффициент полезного действия редуктора, учитывающий потери
мощности в опорах и местах передачи движения (зубчатых зацеплениях);
зМ - коэффициент полезного действия муфты 2.
Привод с червячно-цилиндрическим редуктором по нашему заданию перемещает
ленту транспортера со скоростью V=0,3
м/с; момент нагрузки на выходном валу Мн=60 Н·м; диаметр приводного
барабана транспортера dб=0,32 м; синхронная скорость вращения
двигателя - 3000 об/мин.
Скорость выходного вала (вала III) редуктора равна
или
Суммарный
коэффициент полезного действия ЭМП по формуле (4) равен
,
где
зМ - коэффициент полезного действия муфты;
зР - коэффициент полезного действия редуктора;
зП - коэффициент полезного действия пары подшипников качения
(три вала в редукторе I, II, III - три пары подшипников зп3);
зЧ - коэффициент полезного действия червячной передачи
редуктора;
зЦ - коэффициент полезного действия цилиндрической зубчатой
передачи редуктора.
Соответственно КПД редуктора равен зР =0,993·0,7·0,97=0,66,
а общий КПД привода - зо =0,97·0,64=0,64
Расчетную мощность двигателя определяем по формуле (1)
Выбираем
асинхронный двигатель с синхронной скоростью вращения 3000 об/мин по ближайшей
большей мощности. Это двигатель АИР56В2/2700, имеющий номинальную мощность
Р=0,25 кВт; номинальную скорость вращения nном=2700 об/мин.
3. КИНЕМАТИЧЕСКИЙ РАСЧЕТ РЕДУКТОРА
Кинематический расчет - разбивка общего передаточного
отношения по ступеням. Учитывая, что тип передачи выбран, выбор кинематической
схемы механизма состоит в определении числа ступеней.
Передаточное отношение привода равно отношению скорости двигателя nном к скорости барабана транспортера,
т.е. nвых. Для понижения скорости двигателя до
требуемой скорости приводного барабана устанавливаем зубчатый редуктор
Общее
передаточное отношение привода разбивают по отдельным ступеням (оно равно
произведению передаточных отношений отдельных ступеней).
(6)
где
- передаточное отношение первой (второй) ступени.
Для
червячно-цилиндрического редуктора (задание №3) это червячная и цилиндрическая
зубчатая передачи, т.е.
(7)
где iЧ, iЗ -
соответственно передаточное отношение червячной и цилиндрической зубчатой
передач.
По формуле (5) рассчитаем передаточное отношение привода
Принимаем
iЧ = 25;
соответственно число заходов червяка z1 = 2; число зубьев червячного колеса равно 50; q =
12,5.
Тогда
для цилиндрической зубчатой передачи
Соответственно
принимаем число зубьев шестерни zШ=zЗ=17.
Определяем
число зубьев цилиндрического зубчатого колеса
.
Универсальных
рекомендаций по разбивке передаточного отношения по ступеням двухступенчатых
цилиндрических зубчатых редукторов не существует. Выбор способа разбивки
передаточного отношения зависит от конкретных требований, которым должна
отвечать конструкция: обеспечение минимальных габаритов редуктора, минимальной
массы зубчатых колес, минимальной погрешности и др.
4. ГЕОМЕТРИЧЕСКИЙ РАСЧЕТ РЕДУКТОРА
4.1 Вращающие (крутящие) моменты на валах редуктора
Коэффициент полезного действия редуктора равен
(8)
где
Рвых, Р1 - мощность в Вт на выходном и ведущем валах
редуктора;
щвых, щном - соответственно угловые скорости в рад/с выходного и
ведущего вала (вала I) редуктора;
Мн,
Т1 - соответственно момент нагрузки (крутящий момент на выходном
валу) и крутящий момент на ведущем валу в Н·м.
Из
формулы (8) имеем с учетом (5) вращающий момент на валу I редуктора
(9)
где
- соответственно КПД и передаточное отношение
редуктора.
Для
пары зубчатых колес (для одной ступени), передающей движение между валами I и II,
соотношение передаваемых моментов на валах
(10)
где
Т1, Т2 - крутящие моменты на валах I и II;
i1,2,
-
соответственно передаточное отношение и КПД ступени.
Для
рассматриваемого примера:
крутящий
момент на выходном валу равен моменту нагрузки, т. е. ТЙЙЙ = Мн = 60
H·м;
крутящий
момент на валу II ТЙЙ = Мн/( i3·
) = 60/(6·0,97 )= 10,3 Н·м;
крутящий
момент на валу I ТЙ= Мн/( iр·
) = 60/(150·0,66) = 40,6 Н·м.
4.2 Параметры цилиндрических зубчатых передач
Зубчатые колеса ступени, находящиеся в зацеплении, имеют одинаковый
модуль m, который определяют из расчетов на прочность. Расчет модуля для
прямозубой и косозубой цилиндрической передачи производят исходя из условия
прочности зубьев наиболее нагруженного колеса (меньшего колеса - шестерни). Размеры
модуля стандартизированы.
Определенный модуль зацепления должен быть округлен до ближайшего
большего стандартного значения. Величины рекомендуемого ГОСТом модуля
зацепления (в мм) приведены ниже
-й ряд 0,5; 0,6; 0,8; 1,0; 1,25; 1,5; 2; 2,5; 3; 4; 5; 6; 8.
-й ряд 0,55; 0,7; 0,9; 1,125; 1,375; 1,75; 2,25; 2,75; 3,5; 4,5; 5,5;
7,9.
й
ряд следует предпочитать 2-му.
Длительный диаметр для прямозубого колеса
(11)
Межосевое расстояние цилиндрической зубчатой передачи равно полусумме
делительных диаметров колеса dк и шестерни dш.
(12)
Ширина
венца в цилиндрического зубчатого колеса определяется по формуле
(13)
где
коэффициент ширины зубчатого венца колеса
относительно межосевого расстояния принимают в зависимости от положения колес
относительно опор: при несимметричном расположении
= (0,25…0,4).
Диаметры
вершин dа и
впадин df зубьев цилиндрических зубчатых колес
(14)
(15)
где
hа -
высота головки зуба (hа = m);
h f - высота
ножки зуба (при m
1,0 h f = 1,25m; при m<1.0 h f =
1.35m).
Цилиндрическая зубчатая передача передает движение между валами II и III редуктора. Шестерня (колесо с меньшим числом зубьев)
этой передачи расположена на валу II, число зубьев шестерни принимаем zЗ = 17, момент на этом валу Т2 = 10,3 Н∙м.
Принимаем в качестве материала шестерни сталь45. Так как размеры зубьев и их
прочность зависят от величины модуля, принимаем для цилиндрической передачи m=1,5.
Делительные диаметры зубчатых колёс:
─ шестерни dЗ
= m∙ zЗ = 1,5∙17 = 25,5 мм
─ колеса d4
= m∙ z4 = 1,5∙102 = 153 мм
Межосевое расстояние между валами II и III
(между валами цилиндрической зубчатой передачи) по формуле (12)
ац = 0,5·(25,5+153) = 89,25 мм
Ширина венца цилиндрических зубчатых колес в соответствии с зависимостью
(13) при шаа = 0,3
b3 = b4 = 0,3∙89,25 = 26,8 мм
Наружные диаметры (диаметры вершин) зубчатых колес согласно выражению
(14) равны:
─ шестерни dа3
= 28,5 мм
─ колеса dа4
= 156 мм
4.3 Параметры червячных передач
Червячные передачи применяют, когда оси ведущего и ведомого валов
перекрещиваются под углом 90°. Ведущим звеном является червяк, имеющий форму
винта с соответствующим количеством ниток (заходов) z1 резьбы, ведомым - сопряженное с червяком червячное колесо,
зубья которого имеют дугообразную форму.
Достоинством червячных передач по сравнению с зубчатыми является
возможность получить большие передаточные отношения (числа) в одной ступени (до
80). Червячным редукторам присуща высокая плавность зацепления, бесшумность в
работе, компактность, надежность и простота конструкции.
Недостатки червячных передач - большое относительное скольжение
сопряженных поверхностей в зацеплении, большие потери на трение, малый КПД,
значительный нагрев зацепляющихся элементов, что требует специальных мер для
дополнительного охлаждения, высокие сложность и точность изготовления и сборки.
Наиболее распространены червячные передачи с цилиндрическими червяками. В
сечении, проходящим через ось червяка и среднюю плоскость червячного колеса,
зацепление червячной передачи представляет собой зацепление зубчатого колеса с
зубчатой рейкой, наиболее чаще без смещения.
Червяки выполняются конструктивно как одно целое с валом (вал-червяк) или
отдельно с последующей установкой на валу. Изготавливают червяки из
конструкционных углеродистых или легированных сталей 40, 45, 50 ,40Х,
термически обработанных до высокой твердости.
Чтобы понизить тепловыделение для зубьев червячных колес применяют
материалы с низкими значениями коэффициента трения скольжения: бронзы Бр0Ф10-1,
БрАЖ 9-4, текстолит и др. Червячные колеса чаще делают сборными. Стальная
ступица колеса и обод из материала с низким коэффициентом трения скольжения
соединяются, нарезание зубьев таких колес производят после сборки.
Исходными величинами для геометрического расчета элементов червяка и
червячного колеса являются: модуль зацепления m, передаточное отношение (число) i (U),
число заходов z1 червяка и коэффициент q диаметра червяка.
В осевом сечении витки червяка имеют форму зубчатой рейки со стандартным
модулем m. Для нормальной работы необходимо,
чтобы осевой шаг червяка и окружной шаг червячного колеса были равны.
Основные геометрические параметры червячной передачи без смещения
следующие.
Геометрические размеры червяка:
диаметр вершин витков - da1 = d1+2ha = d1+2m;
высота головки винта - ha1 = m;
диаметр впадин витков - df1 = d1-2hf = d1-2,4m;
высота ножки витков - hf1 = 1,2m;
высота витка - h1
= 2,2m;
-
длина нарезанной части червяка - b1
(11+0,06z2)m.
Червячное
колесо имеет вогнутую форму и охватывает червяк, как гайка винт по дуге с углом
охвата 60°…110°. Минимальное число зубьев червячного колеса определяется из
условия отсутствия подрезания и рекомендуется принимать z2min
28.
Размеры червячного колеса следующие:
диаметр
делительной окружности в средней по ширине венца плоскости d2
= mz2;
диаметр
вершин зубьев - da2 = d2+2ha =
d2+2m;
высота
головки зуба - ha2 = m;
диаметр
впадин зубьев - df2 = d2-2hf =
d2-2,4m;
высота
ножки зуба - hf2 = 1,2m;
высота
зуба - h2 = 2,2m;
ширина
венца колеса при числе заходов червяка - z1 = 1,2 равна
;
межосевое
расстояние червячной передачи - a = 0.5(d1+d2) = 0.5(q+z2)m.
Червячная
передача в рассматриваемом примере передает движение между валами II и III
редуктора. Червяк расположен на валу I, червячное колесо - на валу II.
Червяк изготавливают из стали, зубья червячного колеса из материала с низким
коэффициентом трения, принимаем материал колеса - бронзу Бр0Ф10-1. Модуль
передачи определяют из расчета на прочность наиболее слабого звена передачи
(червячного колеса). Определяем, что модуль червячной передачи при передаваемом
моменте (Т2=10,3 Н∙м) и выбранном материале обода колеса m =
1,4 мм.
Геометрические
размеры червяка:
─ делительный диаметр d1 = m∙q = 1,4∙12,5 = 17,5 мм,
─ диаметр вершин зубьев dа1 = 17,5+2∙1,4 = 20,3 мм;
─ диаметр впадин зубьев d f1 = 17,5 -2.4∙1,4 =
14,14 мм;
─ длину нарезанной части принимаем с учетом рассмотренных
рекомендаций
b1
= 20 мм.
Геометрические размеры червячного колеса:
─ делительный диаметр d2 = 1,4∙50 = 70 мм;
─ диаметр вершин dа2 = 70+2∙1,4
= 72,8 мм;
─ ширина венца b2≤0.75∙20,3 = 15,2 мм.
Межосевое расстояние между валами I и II
червячной передачи
ач = 0,5∙(17,5+70) = 43,8 мм
4.4 Расчет диаметров валов
На начальной стадии проектирования расположение плоскостей действия нагрузок
неизвестно, поскольку неизвестны осевые размеры ступиц зубчатых колес,
подшипников, зависящие от диаметра вала. Известен только крутящий момент. Он
максимален на выходящем валу и равен моменту нагрузки, минимален на входном и
определяется по формуле (5.2), на промежуточных валах его можно определить по
формуле (5.3).
Расчет диаметра вала производится из условия прочности только на кручение
по пониженному допускаемому напряжению с тем, чтобы компенсировать влияние
изгибных напряжений, переменность режима нагружения и концентрацию напряжений.
Диаметры выходных концов вала определяют по уравнению
(16)
где
Т - крутящий момент Н·мм; [
] -
допускаемое напряжение материала вала на кручение в МПа. Для выходных концов
валов, изготовленных из сталь45, [
]=20…25Мпа,
причем для быстроходных валов значения [
]
понижают. Диаметры входного и выходного концов валов необходимо согласовывать с
посадочными диаметрами электродвигателей, стандартных муфт. При соединении
стандартной муфтой вала двигателя с концом быстроходного вала редуктора
рекомендуется принимать диаметр последнего не менее 0,8 диаметра вала
двигателя.
Для
рассматриваемого примера в соответствии с зависимостью (16)
─ диаметр
вала I
─ диаметр
вала II
─ диаметр
вала III
Кинематический и геометрический расчеты редуктора представляют в
уточненной кинематической схеме привода.
5. УТОЧНЕННАЯ КИНЕМАТИЧЕСКАЯ СХЕМА ПРИВОДА С ЧЕРВЯЧНО-ЦИЛИНДРИЧЕСКИМ
РЕДУКТОРОМ
Кинематический и геометрический расчеты редуктора представляют в
уточненной кинематической схеме привода.
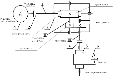
Рисунок 1 - Уточненная кинематическая схема привода с
червячно-цилиндрическим редуктором (1 - электродвигатель; 2 - муфта; 3 -
редуктор (I, II, III - валы); 4 -
муфта; 5 - барабан приводной; 6 - лента транспортера).
6. ВЫБОР ПОДШИПНИКОВ КАЧЕНИЯ
Подбор подшипников можно произвести ориентировочно по диаметрам валов.
Внутренние диаметры подшипников принимают не менее рассчитанных диаметров
валов. Выбор типа (радиальный, радиально-упорный и т. д.) производят исходя из
кинематической схемы редуктора.
Шарикоподшипники радиально-упорные однорядные предназначены для
восприятия комбинированных: радиальных и осевых нагрузок (косозубые, конические
и червячные передачи), действующих на вал. Одинарный радиально-упорный
подшипник может воспринимать осевую нагрузку, действующую в одном направлении.
Подшипники, смонтированные попарно, воспринимают осевые усилия, действующие в
обоих направлениях.
Рисунок 1
По данным для вала I
можно принять радиально-упорные подшипники с внутренним диаметром 7 мм. Для
валов II и III можно принять также радиально-упорные подшипники с внутренним
диаметром 15 мм и 30 мм.
7. КОМПОНОВОЧНАЯ СХЕМА ЧЕРВЯЧНО-ЦИЛИНДРИЧЕСКОГО РЕДУКТОРА
8. РАСЧЕТ ВРЕМЕНИ РАЗГОНА И ОСТАНОВА ПРИВОДА
Рассматриваемая система состоит из: электродвигателя; муфты, соединяющей
валы двигателя и редуктора; редуктора и ленточного транспортера. Инерционные
параметры узлов системы - это моменты инерции: двигателя IД; муфты IМ; редуктора IР и транспортера (нагрузки) IН, приведенного к выходному валу редуктора. Момент инерции
системы, приведенный к валу электродвигателя, равен
(17)
где
IР -
приведенный к входному валу момент инерции редуктора;
щвых,
щном- скорость вращения выходного и входного вала редуктора.
Составляющие
уравнения (17) заданы через величину IР, которую нужно определить с учетом рассчитанных и
выбранных размеров вращающихся деталей (валов, зубчатых колес) редуктора.
Рассмотрим
редуктор, состоящий из трех валов с установленными на них зубчатыми колесами
(цилиндрический двухступенчатый; червячно-цилиндрический). Момент инерции
редуктора, приведенный к валу электродвигателя равен
(18)
где
- момент инерции входного вала редуктора с учетом
момента инерции установленного на нем червяка (зубчатого колеса);
- момент
инерции промежуточного вала редуктора с учетом моментов инерции установленных
на нем зубчатых колес;
I3 - момент инерции выходного вала редуктора с учетом
момента инерции установленного на нем зубчатого колеса;

-
соответственно передаточное отношение между входным и промежуточным, входным и
выходным валами редуктора.
Моменты
инерции вращающихся симметричных тел, типа валов, зубчатых колес относительно
своей оси симметрии определяются по формуле
(19)
где
M, r - соответственно масса, радиус тела.
Масса
вращающего симметричного тела радиусом r и длиной l
равна
(20)
где
- плотность материала тела (для стали
=7,8·103
).
При
определении момента инерции любого вала редуктора, его рассчитывают (если
поперечные размеры вала и зубчатых колес, установленных на валу сильно
отличаются) как сумму моментов инерции самого вала и зубчатого колеса (колес).
Например, для входного вала редуктора
(21)
где
,
-
соответственно моменты инерции самого входного вала I и зубчатого
колеса (с числом зубьев Z1)
установленного на этом валу.
Рассчитав
для редуктора по формуле (18) его момент инерции, определяют по (17)
приведенный момент инерции всей системы привода ленточного транспортера,
учитывая задаваемые условия задания (IН = 10∙IР; IД = 0,1∙IР; IМ = 0,05∙IР).
(22)
где
- электромеханическая постоянная системы,
определяемая по формуле
(23)
где
- приведенный момент инерции системы |кг·м2|;
щном-
номинальная скорость двигателя |с-1|;
Мп,
Мном - соответственно пусковой и номинальный моменты выбранного
электродвигателя |Н·м|, |кг·м2/ с2|;
номинальный момент равен
(24)
где
Р - мощность электродвигателя в Вт;
щном
- номинальная скорость электродвигателя в рад/с.
Время
останова системы (при отключении электродвигателя) равно
(25)
где
Мн.пр = Мн/(iр∙з0) - приведенный к валу
электродвигателя момент нагрузки;
- момент
нагрузки на выходном валу редуктора;
-
передаточное отношение редуктора;
з0-
общий КПД привода (системы).
Используя
формулы приведенные в данном разделе мы получили:
Для
I вала: МI = 0,02147 кг; II =0,000000097
кг.м2; I1 =
0.000000193 кг.м2.
Для
II вала: MII =0,065
кг; III =
0,00000183 кг.м2; Mколеса = 0,45604 кг; Iz3
= 0,000279 кг.м2;
I2 =
0,002808 кг.м2.
Для
III вала: MIII =
0,5132 кг; IIII =
0,000039 кг.м2; Mколеса = 3,8 кг; Iz4 = 0,011119 кг.м2;
I3 = 0,011158 кг.м2.
Момент инерции редуктора, приведенный к валу электродвигателя равен
Ip = 0,0000056 кг.м2.
Момент инерции системы, приведенный к валу электродвигателя, равен
Iпр
= 0,0000064 кг.м2.
Электромеханическая постоянная системы Тм = 0,003 с.
Номинальный момент равен Мном = 0,73 Н.м.
Время разгона системы tp =0,012 c.
Приведенный к валу электродвигателя момент нагрузки Мн.пр.=0,625
Н.м.
Время останова системы tо=0,003 с.
9. ВЫБОР И ОПИСАНИЕ СХЕМЫ УПРАВЛЕНИЯ ЭЛЕКТРОДВИГАТЕЛЯ
Для управления электродвигателями применяют различные аппараты:
контакторы; автоматы; кнопочные станции.
Каждый из этих аппаратов состоит из ряда элементов: электромагнитной
системы, создающей необходимое тяговое усилие; главных и вспомогательных
контактов и других элементов.
В схемах управления электрические цепи делят на две категории: цепи
главного тока; вспомогательные цепи. К цепям главного тока относят силовые цепи
двигателей (на схемах изображают толстыми линиями). Вспомогательные цепи
включают в себя цепи управления, где присоединяются катушки реле, контакторов,
контактные реле, элементы цепей защиты и сигнализации (на схемах изображают
тонкими линиями).
Различают для облегчения чтения схем принципиальные схемы, а при
выполнении монтажных и ремонтных работ - монтажную схему.
Принципиальная схема содержит изображение элементов всех аппаратов.
Расположение элементов на схеме дается так как удобно для чтения схемы, а не по
действительному пространственному расположению аппаратов.
Каждый элемент имеет в принципиальной схеме свое условное графическое
изображение, и каждому аппарату в схеме присваивается буквенное обозначение,
указывающее на функцию данного аппарата и сохраняющееся одинаковым для всех
элементов аппарата.
Схема пуска состоит из: контактора; кнопочной станции.
Типовая схема пуска и останова асинхронного двигателя
В силовой цепи последовательно в каждую фазу включены главные контакты
контактора и далее обмотка двигателя (С1, С2, С3).
В цепь управления, которая подключается на линейное напряжение питающей цепи
входят последовательно кнопки пуск и стоп и катушка контактора. При нажатии
кнопки «Пуск» образуется цепь управления, при этом главные контакты контакторов
замыкаются и на обмотки двигателя подается трехфазное напряжение. Чтобы
двигатель не останавливался при отпускании кнопки «Пуск», параллельно ей
подключены блокировочные контакты КЛ2. Остановка двигателя выполняется нажатием
кнопки «Стоп», то есть размыканием цепи управления. Тепловая защита
встраивается в контактор и устанавливается на каждую фазу электродвигателя как
отдельный элемент.
Типовая схема включения асинхронного двигателя при его реверсировании
(применяют два контактора и трехкнопочную станцию).
При одновременном нажатии кнопок «Пуск вперед» и «Пуск назад» ни один
контактор не сработает.
ЛИТЕРАТУРА
1. Сурин В.М. Прикладная механика: учебн.
пособие/ - Мн.: “Новое знание”., 2008, - 388c.
2. Вышинский Н.В. Техническая механика: Курсовое
проектирование: Учебн. пособие/ - Мн.: “Бестпринт”., 2001, - 164c.
. Скойбеда А.Т., Кузьмин А.В., Макейчик Н.Н. Детали
машин и основы конструирования. Учебн. Под общ. ред. А.Т. Скойбеды - Мн.:Выш.шк.
2000,-584с.
. Левитан Ю.В., Обморнов В.П., Васильев В.И. Червячные
редукторы. - Л. Машиностроение. Ленингр. отд.-е, 1985, -168с.