Электрические аппараты тепловозов

  • Вид работы:
    Реферат
  • Предмет:
    Транспорт, грузоперевозки
  • Язык:
    Русский
    ,
    Формат файла:
    MS Word
    1,67 Мб
  • Опубликовано:
    2015-03-26
Вы можете узнать стоимость помощи в написании студенческой работы.
Помощь в написании работы, которую точно примут!

Электрические аппараты тепловозов

Содержание

Введение

. Назначение, классификация и общие сведения об электрических аппаратах

. Основные элементы электрических аппаратов тепловоза, их строение, назначение и принцип действия

.1 Электропневматические контакторы

.2Реверсоры

2.3Контроллеры машиниста

.4 Реле управления

.5 Электропневматические вентили

.6 Резисторы

.7 Контрольно-измерительные приборы

.8 Регулятор напряжения

Заключение

Список литературы

Введение

Управление тепловозом в процессе работы осуществляется, переключениями в электрических цепях: в силовых цепях генераторов и тяговых двигателей, цепях их возбуждения, в цепях вспомогательных механизмов и системах управления, регулирования и защиты. Эти переключения выполняются специальными устройствами - электрическими аппаратами[1].

Предмет исследования: Электрические аппараты тепловозов

Цель:Ознакомится с электрическими аппаратами тепловозов

Задачи:

Изучить назначение, классификацию и общие сведения об электрических аппаратах тепловозов

Рассмотреть основные элементы электрических аппаратов тепловоза, их строение, назначение и принцип действия

Написать заключение

1. Назначение, классификация и общие сведения об электрических аппаратах

Электрические аппараты, устанавливаемые на тепловозе, можно разделить по функциональному назначению на несколько групп: коммутационные, регулирования, управления, защиты, контроля и вспомогательные.

К коммутационным аппаратам относятся поездные контакторы, реверсоры, тормозной переключатель, контакторы ослабления возбуждения, выключатель батареи и другие. Коммутационные аппараты предназначены для выполнения переключений в силовых электрических цепях.

Аппараты управления осуществляют различные функции управления электрическими цепями передач тепловозов. К аппаратам управления относятся реле, регуляторы, контроллеры, кнопочные выключатели и другие.

Аппаратура регулирования включает в себя ряд аппаратов, основное назначение которых- создание гиперболической характеристики. а также ограничение напряжения и тока тягового генератора.

На современных тепловозах система регулирования тягового генератора предусматривает систему замкнутого автоматического регулирования мощности, тока и напряжения. Основными элементами системы являются амплистат, трансформаторы постоянного тока и напряжения, селективный узел, в котором используются полупроводниковые кремниевые выпрямители, индуктивный датчик.

На тепловозах с электрической передачей переменно-постоянного тока в системе регулирования нашли применение блоки с использованием тиристоров, магнитных и транзисторных элементов.

Аппараты защиты и контроля реагируют на предельные значения каких-либо параметров или режимов работы (реле заземления, максимального тока, предохранители и др.).

Электрические вспомогательные аппараты (зажимы, соединения. арматура и др ).

На подвижном составе электрические аппараты работают в очень тяжелых условиях, так как испытывают вибрации и тряску, значительные колебания температуры, воздействия влаги, пыли, масла. Эти условия работы требуют от конструкции аппаратов высокой степени надежности, исключения самопроизвольного срабатывания аппаратов, высоких антикоррозионных свойств всех элементов электрических аппаратов.

Для уменьшения вредных воздействий на аппараты их устанавливают в специальные шкафы (аппаратные камеры), некоторые аппараты устанавливают на амортизаторах, наиболее точные и чувствительные закрывают кожухами, детали из меди или медных сплавов покрывают оловом, красят эмалями и лаками.

Детали, изготовленные из черных металлов, оцинковывают или окрашивают.

Электрическим контактом называется место перехода тока из одной детали в другую, а сами детали называются контактами. Контакты делятся на подвижные и неподвижные. К неподвижным контактным соединениям относятся такие, которые в процессе работы не разъединяются (соединение шин, кабельных наконечников, проводов на зажимах и др.). К подвижным контактным соединениям относятся контакты аппаратов, которые в процессе работы разъединяются.

По назначению контакты делятся на силовые (главные), которые замыкая или размыкая цепь, управляют протеканием в них тока, и на вспомогательные.

Вспомогательные контакты служат для обеспечения необходимой последовательности включений или выключений других аппаратов и цепей, а также для сигнализации о выключении или включении цепей. По способу действия контакты делятся на замыкающие и размыкающие.

При обесточенной катушке аппарата замыкающие контакты разомкнуты, размыкающие - замкнуты. По форме соприкасающихся поверхностей различают контакты:

точечные, у которых соприкосновение происходит в одной точке или поверхностями малого радиуса ;

линейные, соприкасающиеся по прямой линии или практически по очень узкой поверхности;

-поверхностные

В аппаратах тепловозов применяют различные контакты. Клиновые контакты применяют в рубильниках, переключателей и в держателях плавких предохранителей. Линейные Г-образные контакты применяют для замыкания и размыкания цепей под нагрузкой. Нажимные контакты мостикового типа с двумя разрывами цепи и переключающего типа с одним разрывом применяют в реле, штепсельные - для соединения цепей управления тепловозов, работающих по системе многих единиц.

Основными параметрами, характеризующими работу подвижного контактного соединения, являются: контактное сопротивление, начальное нажатие, конечное нажатие, раствор (разрыв), провал, притирание. Состояние контактного соединения оценивается контактным сопротивлением, которое определяется переходным сопротивлением в сопротивлением поверхностных пленок.

Переходное сопротивление определяется физическими свойствами материала контактов, состоянием поверхности (микро- геометрией) формой контакта и давлением На значение сопротивления поверхностных пленок влияет отношение материала контактов к химическим реакциям, при которых под воздействием температуры. состава атмосферы, вида замыкания образуются поверхностные пленки

Контактное сопротивление определяет значение допустимого тока. При токе, большем допустимого значения, контакты нагреваются. Контактное сопротивление резко возрастает, что может привести к оплавлению или свариванию контактов.

Усилие, создаваемое контактной пружиной, в точке первоначального сопротивления контактов называется начальным нажатием. Усилие, создаваемое контактной пружиной, в точке конечного касания (при полностью включенном контакторе) называется конечным нажатием. Конечное и начальное нажатия определяют значение контактного сопротивления к начале и в конце замыкания контактов. Малое начальное нажатие приводит к увеличению контактного сопротивления в момент касания контактов, что приводит к нагреву и оплавлению контактов, большое начальное нажатие может привести к застреванию подвижного контакта в промежуточном положении.

Конечное нажатие определяет значение контактного сопротивления контактов в замкнутом состоянии, а следовательно, его значение будет определять температуру нагрева контактов.

Раствор - кратчайшее расстояние между контактными поверхностями подвижного и неподвижного контактов в разомкнутом состоянии. Раствор создает необходимый изоляционный промежуток между контактами. Малый раствор может вызвать перекрытие между контактами, большой-увеличивает время срабатывания и может не обеспечить требуемого нажатия.

В процессе включения контактов происходит их относительное скольжение и перекатывание. Это разрушает поверхностные пленки и переносит рабочую точку контактов от места включения и выключения. Процесс совместного скольжения и перекатывания контактов от точки соприкосновения до конечного рабочего положения называется притиранием контактов. Притирание контактов обеспечивается провалом. Провал - это расстояние, которое мог бы пройти подвижной контакт от момента соприкосновении с неподвижным, если убрать неподвижный контакт.

В контактах аппаратов силовых цепей при разрыве цепи возникает электрическая дуга. Дуга - это направленное движение электронов. следовательно, вокруг дуги будет магнитное поле. Это поле взаимодействует с полем, создаваемым дугогасительной катушкой так, что дуга выталкивается по направлению к дугогасительным рогам. При выталкивании дуга удлиняется до тех пор, пока не произойдет ее разрыв. Направление выталкивания дуги определяется по правилу левой руки Чтобы ускорить гашение дуги, в дугогасительных камерах тепловозных контакторов созданы продольные перегородки. Перегородки расщепляют дугу на несколько параллельных пучков, которые, соприкасаясь с холодными перегородками, дополнительно охлаждаются.

Дугогасительная камера препятствует перебросу электрической дуги в близко расположенные металлические части. Их изготовляют из асбоцемента. который обладает высокой теплостойкостью и хорошими изолирующими свойствами[2].

2. Основные элементы электрических аппаратов тепловоза, их строение, назначение и принцип действия

.1 Электропневматические контакторы

Электропневматические контакторы предназначены для подсоединения тяговых электродвигателей к тяговому генератору.

На панели 1 электропневматического контактора крепится литой кронштейн 2.

Рисунок 1 - Электропневматический контактор [2,c.95]

На кронштейне установлена дугогасительная катушка 3 и неподвижный контакт 4. В нижней части панели крепится цилиндр 16 электропневматического привода. В цилиндре помешается поршень 15 со штоком 13, поршень отжимается в левое крайнее положение выключающей пружиной 14. Шток привода связан шарнирно с фигурным рычагом 9, к которому крепится изоляционная колодка 10 с подвижными вспомогательными контактами. Подвижной контакт 5 вместе с притирающей пружиной 8 шарнирно связан с рычагом 9. Силовые контакты подвижной и неподвижный закрыты дугогасительной камерой 7 с полюсами б. Фиксирующая дугогасительную камеру пружинная планка оканчивается дугогасительным рогом. При подаче напряжения на катушку электропневматического вентиля он срабатывает, и сжатый воздух из резервуара управления поступает в цилиндр. Под действием сжатого воздуха поршень 15, преодолевая усилие пружины 14, перемещается вместе со штоком 13 вправо. Конец штока при этом поворачивает фигурный рычаг 9 с укрепленным на нем подвижным контактом 5. Как только силовые контакты сомкнутся, держатель подвижного контакта сжимает притирающую пружину 8 и. поворачиваясь на собственном валике, притирает контактные поверхности. При вращении рычага 9 перемещается и укрепленная на нем колодка с подвижными контактами (пластинами). которые замыкают вспомогательные контакты 11.

При разрыве цепи катушки вентиля его впускной клапан закрывается, а выпускной открывается и сообщает цилиндр с атмосферой. Под действием выключающей пружины поршень со штоком возвращаются в исходное положение, а главные и вспомогательные контакты разрываются[2,c.93-94].

.2 Реверсоры

Реверсоры служат для изменения направления движения тепловоза за счет изменения направления тока в обмотках возбуждения тяговых двигателей

Реверсор состоит из следующих сборочных единиц: диафрагменного привода 1 с электропневматическим вентилем 4, сегментного барабана 6. укрепленного на шестигранном валу, неподвижных силовых контактов 8 с левой и правой стороны барабана б и барабана 5 вспомогательных контактов, расположенного между приводом и главным барабаном. Силовые неподвижные контакты выполнены в виде медных пальцев 8. шарнирно установленных по 4 шт. на стальных пальцедержателях12, закрепленных на изолированных шестигранных стойках. Контактный палец опирается на пальцедержатель штифтом 11. Нажатие контактных пальцев создается пружиной 10, опирающейся на скобу 15. Регулировочный винт 16 от самоотвинчивания предохраняется шплинтом. Отвод тока от контактных пальцев к контактным зажимам выполняется гибким соединением 14 и медной планкой 13.

Рисунок 2 - Реверсор [2,c.98]

Силовые подвижные контакты 7 изготовлены из латуни в виде фигурных сегментов, смонтированных попарно в группы и закрепленных на изолированном шестигранном валу. Правая часть сегмента в каждой паре отделяется от левой соседнего сегмента фибровой прокладкой. Вал сегментного барабана устанавливается в верхнем и нижнем подшипниках скольжения, снабженных масленками 2 для смазки.

Подвижные вспомогательные контакты изготовлены из медных пластинок 23 и укреплены шурупами на пропитанных изолирующим составом деревянных сегментах 20, в свою очередь укрепленных винтами на литом стальном сегментодержателе 21 с шестигранным отверстием. Сегментодержатель гранями шестигранного отверстия прижат болтами к граням шестигранного вала 22. Неподвижные вспомогательные контакты выполнены в виде контактных пальцев 18 из пружинной стали н укреплены стальной плести и кой 17 на деревянной колодке 19, пропитанной изолирующим составом.

Электропневматический привод реверсора состоит из корпуса 24. между фланцами которого и крышками 30 установлены резинотканевые диафрагмы. Между диафрагмами в корпусе установлен шток 27 с двумя упорными шайбами 28. К штоку крепится планка 26, в отверстие которой заведена сферическая головка.

На тепловозах применяются два вида реверсоров: кулачковые и барабанные[2,c.96-97].

.3Контроллеры машиниста

Контроллеры машиниста служат для дистанционного управления электрической передачей тепловоза: изменения направления движения и регулирования мощности дизель-генераторной установки по позициям. По виду контроллеры делятся на контроллеры с ручным управлением и контроллеры с ручным и электропневматическим управлением.

Рисунок 3 - Контроллер машиниста[2,c.102]

Верхняя крышка 9 и дно корпуса 1 контроллера жестко связаны между собой двумя угольниками 4. В корпусе 3 установлен главный вал 6, один конец которого опирается на дно 1 второй проходит через крышку 9. На верхнем конце вала насажена главная рукоятка 11. На нижней части вала, имеющей квадрат сечение, размещен главный барабан 2. состоящий из набора пласт, массовых шайб с вырезами по окружности На верхней части вала 6 свободно надет реверсивный барабан 14, состоящий из втулки и жестко насаженных на нее двух шайб.

Реверсивный барабан свободно вращается на главном валу и переводится посредством рычага 5 и тяги 13 от реверсивного вала 8. Верхний конец реверсивного вала выведен над крышкой. На него надета головка реверсивного вала, в пазы которого вставляется реверсивная рукоятка 10. Нижний конец реверсивного вала вращается в отверстии кронштейна 7. неподвижно закрепленного на корпусе контроллера Главная рукоятка 11 имеет девять положений: холостой ход и восемь рабочих, она может поворачивать только шайбы главного барабана и служит для изменения частоты вращения вала дизеля. Угол поворота главной рукоятки из нулевого положения на 1-е равен 17 градусов. а на последующее - 10 градусов.

Реверсивная рукоятка 10 имеет положение «Вперед». Назад» и нейтральное Она предназначена для изменения направления движения тепловоза. Угол поворота реверсивной рукоятки от нейтрального положения в положение «Вперед» или «Назад» составляет 30 градусов. С левой и правой сторон от барабанов установлены изоляционные стойки 12. На левой стойке укреплены неподвижные контакты, состоящие из стальной планки и серебряной пластины 18. Подвижные контакты правой стойки состоят из угольника 29 и шарнирно укрепленного на нем рычага 31, на конце которого укреплен контакт 16 с серебряной пластиной 17. В средней части рычага на оси установлен ролик 20. Рычаг 31 под действием пружины 32 прижимается роликом к шайбе 28 барабана 2. Отвод тока от подвижного контакта выполняется с помощью гибкого соединения 30 на контактный винт угольника 29. При повороте рукоятки ролик 20 перекатывается по профилю шайбы 28. Если ролик находится не на вырезанной части шайбы, то контакты разомкнуты и подвижной контакт 16 пружиной 15 прижат к рычагу 31. При попадании ролика в вырез шайбы рычаг 31 пружиной 32 прижимается к угольнику 29, подвижной контакт 16 соприкасается с неподвижным 19 и отжимается от рычага 31. Нажатие на контакт осуществляется притирающей пружиной 15.

Последовательность замыкания контактов главного барабана при перемещении главной рукоятки зависит от расположения вырезов на шайбах, которые определяются схемой тепловоза. Контакты одной шайбы реверсивного барабана замыкаются только в положении «Вперед», второй - только в положении «Назад». Фиксация главного барабана на каждом положении осуществляется посредством храповика 25 главного вала 6. во впадины которого заходят стальные ролики 24, укрепленные на двух рычагах 26, поворачивающихся на неподвижной оси. Рычаги 26 при помощи пружин 27 прижимают ролики 24 во впадины храповика 25.

Фиксация реверсивного барабана выполняется храповиком 22, укрепленным на реверсивном валу 8. и фиксатором 23. прижимаемым пружиной 21. На каждом из трех положений реверсивной рукоятки зуб фиксатора 23 входит во впадину храповика 22. В нейтральном положении реверсивной рукоятки зуб фиксатора входит в среднюю впадину храповика, имеющую меньшую глубину, вследствие чего выступ фиксатора 23 при нулевом положении главного барабана входит в вырез храповика 25, и передвижение главной рукоятки оказывается невозможным.

На положениях реверсивной рукоятки «Вперед» или «Назад» зуб фиксатора 23 попадает в одну из крайних более глубоких впадин храповика 22, выходит из выреза в храповике 25 и не препятствует повороту главного барабана 2. После перевода главной рукоятки из нулевого положения в одно из рабочих вырез храповика 25 смещается и фиксатор 23 не может выйти из впадины храповика 22, так как выступ фиксатора упирается в цилиндрическую поверхность храповика 25. В »том случае поворот реверсивной рукоятки невозможен. Таким образом, осуществляется механическая блокировка, не позволяющая повернуть главную рукоятку при нейтральном положении реверсивной и реверсивную рукоятку при всех положениях главной рукоятки, кроме нулевой Кроме того. на крышке контроллера предусмотрены специальные выступы, позволяющие вынуть реверсивную рукоятку только на нейтральном положении и не позволяющие снять реверсивную рукоятку в положении «Вперед» или «Назад»[2,c.101-104].

.4 Реле управления

Реле выполняют на тепловозах самые различные функции в цепях управления, защиты, измерительных и т. д. Их можно разделить на реле токовые, напряжения, тепловые ит.д по назначению: управления, защиты,автоматики, реле-датчики, реле-регуляторы,специальные.

Реле управления. . Реле состоит из магнитной системы клапанного типа, контактов пальцевого 7 и мостикового 8, установленных на панели 1. К магнитной системе реле относится ярмо 2, сердечник с катушкой 3 и подвижной якорь 4[2,c.108].

Рисунок 4 - Реле управления[2,c.73]

Дифференциальное реле - автоматически управляет контакторами ослабления возбуждения тяговых злектродвигателей в зависимости от тока и напряжения на зажимах тягового генератора или выпрямительной установки.

Рисунок 5 - Дифференциальное реле[2,c.111]

Магнитная система реле состоит из ярма 2, выполненного в виде скобы, сердечников 4, 7 и якоря 5, поворачивающегося вокруг оси 9, установленной на стойке 19. Якорь при обесточенных катушках пружиной 23 прижимается к упорному винту контактодержателя 21. На нижней полке ярма установлена катушка напряжения 3, на верхней - токовая 8. На токовую катушку подается сигнал, пропорциональный току тягового генератора, а на катушку напряжения -сигнал, пропорциональный напряжению тягового генератора. Реле имеет один замыкающий контакт с двойным разрывом, подвижные контакты 15 установлены на якоре, неподвижные 14 - на изоляционной колодке 13. Контактная система закрыта прозрачным кожухом 12. Реле срабатывает под воздействием электромагнитного усилия, создаваемого катушкой напряжения, которому противодействует усилие токовой катушки и пружины. Соответственно при уменьшении тока в катушке напряжении и увеличении тока в токовой катушке до определенных значений якорь 5 отпадает, и контакты размыкаются[2,c.108].

Реле ограничения тока. Устанавливается на маневровых тепловозах и служит для ограничения тока тягового генератора.

Рисунок 6 - Реле ограничения тока[2,c.112]

На изоляционной панели 7 установлено электромагнитное реле с высоким коэффициентом возврата и резистор 18 с двумя ступенями. Реле имеет две катушки: напряжения 4 и токовую 5, надетые на сердечник. Катушка напряжения крепится непосредственно к панели. Токовая катушка выполнена в виде одного витка из медной шины, концы которого припаяны к массивным медным выводам 1, укрепленным на изоляционной планке 2.

Подвижная система реле состоят из облегченного рычага 13 с немагнитной планкой 14 и плунжерного якоря. Реле имеет жесткий двусторонний подвижной контакт. Для облегчения работы контактов применен дугогасительный контур, состоящий из резистора и двух конденсаторов. При наибольшем токе тягового генератора ток в токовой катушке наибольший, и ее усилие, преодолевая усилие пружины 15. поворачивает рычаг вокруг неподвижной оси, размыкая контакты. В зависимости от соотношения токов в катушках реле подвижной контакт занимает одно из пяти возможных положений. чем регулируется ток возбуждения[2,c.112].

Реле боксования. Реле боксовання предназначены автоматически защищать тяговые электродвигатели тепловоза от разносного боксования[2,c.112].

Реле времени. В электрических цепях тепловозов применяются пневматические, электромагнитные и полупроводниковые реле времени.

Принцип действия реле основан на получении выдержки времени за счет замедленного поступления воздуха через регулировочное отверстие из одной воздушной полости в другую- При подаче напряжения на катушку II (см. рис. 77) якорь 4, преодолевая усилие возвратной пружины 13. притягивается к ярму 3 магнитной системы. Рычаг 10, нажимая на штифт микровыключателя 12. переключает его контакты мгновенного действия. Одновременно якорь освобождает шток 14. и он под действием собственной массы и пружины 17 начинает опускаться вниз вместе с жестко связанной с ним диафрагмой 15. Движению подвижной системы препятствует возникающее в полости Б разрежение. Разрежение в полости Б компенсируется поступлением воздуха из полости А через регулируемое отверстие. За счет изменения открытия входного отверстия регулировочным винтом 7 изменяется скорость поступления воздуха из полости А в полость Б. т. е. время выдержки реле времени. Через определенное время после подачи напряжения на катушку диафрагма вместе со штоком опускается вниз на такую величину, что рычаг 9 нажмет на штифт микровыключателя 8 переключая его контакты.

Когда напряжение с катушки будет снято, якорь 4 под действием возвратной пружины 13 занимает верхнее положение, отжимая шток и диафрагму в крайнее верхнее положение, при этом воздух из полости Б в полость А свободно выходит через клапан 16.

Для задержки отключения поездных контактов после снятия возбуждения возбудителя и тягового генератора, для ступенчатого восстановления нагрузки тягового генератора после прекращения боксования для обеспечения последовательности срабатывания реле переходов применяют электромагнитные реле времени

Выдержка времени создается за счет наведения э.д.с. самоиндукции в алюминиевых демпфере и основании. Выключение катушки приводит к появлению вихревых потоков в них и задерживает спадание магнитного потока в магнитопроводе. Это приводит к задержке отпадания якоря. Все узлы реле смонтированы на алюминиевом основании 21. имеющем два отверстия для крепления к корпусу аппаратной камеры. Неподвижная часть магнитопровода состоят из сердечника 1 и скобы 6.

Рисунок 7 - Реле времени[2,c.116]

На сердечник надета катушка 22. на скобу -демпфер 19. выполненный в виде гильзы. На скобе укреплены угольник 18 и пластина 7. образуя опору якоря 5. вокруг которой осуществляется его вращение. На якоре укреплена планка 9. несущая изоляционную пластмассовую колодку 10 с подвижными контактами 11. Пластинки неподвижных контактов 13 закреплены шпильками 12 на изоляционной пластмассовой колодке 14, которая укреплена на основании 21 планкой 15.

Возврат якоря 5 в отключенное состояние осуществляется пружиной 16, опирающейся на угольник 18. Регулировку выдержки времени производят изменением толщины немагнитной прокладки 2 (грубая) и затяжкой отжимной пружины 3 (плавная) при помощи гайки 4. Контактный узел реле позволяет путем переборки деталей получить любую комбинацию контактов в пределах существующего количества[2,c.114-116].

Реле давления воздуха- предназначено для автоматического управления пуском компрессора в зависимости от давления сжатого воздуха в тормозной магистрали.

Рисунок 8 - Реле давления воздуха[2,c.118]

Реле давления воздуха исключает возможность включения нагрузки при недостаточном давлении воздуха в тормозной магистрали. Под действием давления мембрана 10, изготовленная из листовой морозостойкой резины, прогибается давит на шток 3, который, преодолевая усилие сжатой пружины 2, перемешает рычаг 4. Поворачиваясь вокруг оси, рычаг 4 и пружина 6 перебрасывают планку с подвижным контактом 7 от неподвижного контакта на винт-контакт 5, т. е. произойдет размыкание контактов. При снижении давления воздуха в тормозной магистрали усилием пружи- мы шток возвращается в исходное положение, вновь замыкая контакты. Давление замыкания регулируется винтом /, а давление размыкания -винтом 5. при этом раствор контактов должен быть в пределах 6-12 мм. Перепад давления, т. е. разница давления размыкания и замыкания, составляет 0.15-0.18 МПа[2,c.118-119].

Реле уровня воды служит для контроля нижнего уровня воды в расширительном баке системы охлаждения дизеля.

Рисунок 9 - Реле уровня воды[2,c.119]

Принцип работы реле основан не изменении положения поплавка 2 под воздействием выталкивающей силы воды в расширительном баке. При снижении уровня воды поплавок 2 опускается, и рычаг 16 освобождает кнопку микровыключателя 11. Контакты микровыключателя переключаются и замыкают цель сигнальной лампы, установленной на пульте управления машиниста. При повышении уровня воды поплавок поднимется, и рычаг 16 нажмет на кнопку микровыключателя 11, контакты микровыключателя разомкнутся и разорвут цепь сигнальной лампы. Уровень срабатывания реле регулируют болтом 13, ввернутым в рычаг поплавка. Для настройки необходимо опустить поплавок вниз так. чтобы рычаг 16 уперся в верхний срез кронштейна 15, затем, вворачивая болт 13. добиться переключения контактов микропереключателя, после чего довернуть болт еще на 1/3 оборота и в этом положении болт зафиксировать контргайкой[2,c.119].

.5 Электропневматические вентили

электрический тепловоз контактор реле

Электропневматичсские вентили служат для дистанционного управления пневматическими приводами жалюзи, муфты включения вентилятора холодильника, автосцепки, песочниц, реверсора, груповых контакторов ослабления возбуждения тяговых электродвигателей, поездных контакторов, ускорителя пуска дизеля и отклю- чателя ряда топливных насосов.

Вентили всех типов являются включающими, т. е. при обесточенной катушке проход воздуха через вентиль закрыт, а при включенном вентиле - открыт. Электропневматический вентиль состоит из двух основных узлов: электромагнитного механизма и клапанной системы. К электромагнитному механизму относится скоба, катушка 4, сердечник 5 и якорь 3. Клапанная система вентиля состоит из корпуса 9. впускного клапана 7, выпускного клапана 6 и пружины 8.

Рисунок 10 - Электропневматический вентиль[2,c.121]

При обесточенной катушке пружина впускного клапана прижимает впускной клапан к втулке, тем самым перекрывается доступ воздуха к механизму. Верхний (выпускной) клапан открывает верхнее отверстие, и воздушный объем управляемого механизма соединяется с атмосферой. При подаче напряжения на катушку якорь 3 притягивается к сердечнику 5, передвигает вниз выпускной клапан,который закроет атмосферное отверстие. Одновременно нижний (впускной) клапан откроет впускное отверстие, и сжатый воздух поступает к управляемому механизму. После снятия напряжения с катушки под действием пружины впускной клапан закроет впуск- нос отверстие, а выпускной, поднявшись вверх, соединит объем управляемого механизма с атмосферой[2,c.120-122].

2.6 Резисторы

На тепловозах в зависимости от значений рассеиваемой мощности применяют ленточные и проволочные резисторы.

Ленточные резисторы ставят в цепи ослабления возбуждения тяговых электродвигателей и в цепи заряда аккумуляторной батареи.

Ленточные резисторы (рис. 87) выполнены иэ фехралевой ленты 2. навитой на фарфоровые изоляторы 3, которые крепятся на держателе 4. Ребра изоляторов имеют винтовую канавку, в которой расположена лента. Элемент крепится на стальных скобах (стойках) изолированными шпильками и круглыми изоляторами.

Рисунок 11 - Ленточный возбудитель[2,c.123]

Проволочные резисторы применяются в цепи обмотки возбуждения возбудителя в качестве резистором регулятора напряжения, реле заземления, прожектора, в цепи реле боксования, целях блока задания и управления, цепи управления трансформатора постоянного напряжения.

Элемент резистора представляет собой фарфоровый изолятор 7, на поверхности которого имеются полукруглые канавки для размещения в них обмотки 3. выполненной из фехралевой или иихромовой проволоки. Концы обмотки закреплены на изоляторах проволочными бандажами 6 из стальной проволоки. Для подключения проходящих проводов к обмотке латунным припоем припаяны медные выводы .

Рисунок 12 - Проволочный резистор[2,c.124]

Цилиндры (изоляторы) имеют две лыски. на которых канавки отсутствуют и поэтому в этих местах проволока выступает на поверхность цилиндра. Это сделано для улучшения контакта между регулировочным хомутом 4 и обмоткой. Шпилькой 8 к торцам цилиндра прижаты штампованные стойки 2, при помощи которых несколько элементов резистора устанавливаются на одной панели.

Проволочные резисторы применяют в цепях тепловозов, в которых не требуется рассеивания значительной мощности. Это цепи реле переходов, боксования пожарной сигнализации и.т.д[2,c.122-124].

.7 Контрольно-измерительные приборы

Для контроля режима работы тяговых электрических машин и аккумуляторной батареи, контроля температуры волы и масла, давления масла, топлива и воздуха, а также для включения и выключения цепей управления и освещения в кабинах тепловозов устанавливаются пульты управления. На панели пульта размещены аппараты: вольтметры, дистанционные электрические термометры и манометры, автоматические выключатели, тумблеры, кнопочные выключатели, световая (ламповая) сигнализация и другое оборудование.

Планировку пульта управления выполняют таким образом, что машинист может вести наблюдение за окружающей обстановкой и хорошо просматривать путь, управлять тепловозом, использовать средства внутренней сигнализации и связи, контролировать работу основного оборудования.

Оптимальная рабочая зона горизонтальной панели пульта определяется нормальными радиусами действия рук человека и эффективным углом зрения, равным 30°. Пульт скомплектован так, что имеется возможность управлять тепловозом как сидя, так и стоя.

Панель с контрольно-измерительными приборами размешают под углом 30-45* к вертикальной оси. Приборы, кнопки, сигнальные лампы на пульте группируются по принципу важности, частоты использования и взаимосвязанности при работе. Рукоятка (штурвал) контроллера машиниста располагается слева впереди машиниста на высоте 750-900 мм от пола, устройства управления тормозами-впереди справа. Не допускается установка на пульте управления агрегатов и устройств, издающих в процессе работы шум.

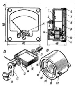
Амперметры и вольтметры. Для измерения напряжения и тока на тепловозах применяют приборы магнитоэлектрической системы. Принцип действия этих приборов основан на взаимодействии измеряемого тока, проходящего по проводникам подвижной рамки, с магнитным потоком постоянного магнита, в который эта рамка помещена. Вращающий момент, действующий на рамку, уравновешивается противодействующим моментом спиральных пружин.

Приборы магнитоэлектрической системы наиболее точны, шкала у них равномерная, что позволяет на всем протяжении шкалы иметь одинаковую чувствительность и с одинаковой точностью отсчитывать показания. Достоинство магнитоэлектрических приборов еще и в том. что они имеют высокую устойчивость к перегрузкам, небольшое собственное потребление мощности, большой вращающий момент (высокую чувствительность).

Магнитоэлектрические приборы, предназначенные для измерения тока (амперметры) и напряжения (вольтметры), имеют по существу одинаковые измерительные механизмы (рамка, вращающаяся в поле постоянного магнита). Отличие состоит в способах включения приборов. Амперметр включают в цепь последовательно.

т. е. так. чтобы через него прошел весь измеряемый ток. Собственное сопротивление амперметра должно быть достаточно малым, чтобы на нем было возможно меньшее падение напряжения.

Измерительный механизм 3 амперметра расположен внутри пластмассового корпуса /. закрытого крышкой 6. В крышке имеется отверстие со стеклом 8 для наблюдения за показаниями прибора. Стрелка 9 перемещается вдоль циферблата 7. В крайних положениях стрелки установлены упоры 4.

Рисунок 13 - Амперметр[2,c.128]

Похожие работы на - Электрические аппараты тепловозов

 

Не нашли материал для своей работы?
Поможем написать уникальную работу
Без плагиата!
Без нейросетей!