Проектирование цехового электроснабжения

  • Вид работы:
    Контрольная работа
  • Предмет:
    Физика
  • Язык:
    Русский
    ,
    Формат файла:
    MS Word
    107,93 Кб
  • Опубликовано:
    2015-05-18
Вы можете узнать стоимость помощи в написании студенческой работы.
Помощь в написании работы, которую точно примут!

Проектирование цехового электроснабжения

ВВЕДЕНИЕ

Расчет токов короткого замыкания (КЗ) производят для выбора и проверки параметров электрооборудования, а также для выбора и проверки уставок релейной защиты и автоматики.

КЗ, возникающие в трехфазной сети, могут быть симметричные и несимметричные. К симметричным относятся трехфазные КЗ, когда все фазы электрической сети оказываются в одинаковых условиях. К несимметричным двухфазные, однофазные и двухфазные на землю КЗ, когда фазы сети находятся в разных условиях, поэтому векторные диаграммы токов и напряжений искажены. Обычно вид короткого замыкания указывают в скобках над символом, обозначающим какой-либо параметр КЗ (например, I(2)п,0, I(1)п,0, I(1,1)п,0 - соответственно обозначения начальных значений периодических составляющих токов при двухфазном, однофазном и двухфазном КЗ на землю).

1. РАСЧЕТ ТОКОВ КОРОТКОГО ЗАМЫКАНИЯ

1.1 Исходные данные и задание

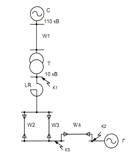
Рисунок 1.1 - Расчетная схема

Исходные данные (вариант 3):

Воздушная линия: F = 95 мм2, l = 90 км.

Трансформатор: Sном = 6,3 МВА, uк = 10,5%, ΔPк = 44 кВт.

Реактор: Iном. = 0,5 кА, Хр. = 4%.

Кабельная линия: W2,W3 F = 95 мм2, l = 2 км.

W4 F = 70 мм2, l = 0.7 км.

Генератор: Sн. = 6 МВА, X"d, = 0,16 о.е. соsφ = 0,83.

Точки короткого замыкания: К1, К3.

Система - источник неограниченной мощности.

Определить:

Периодическую составляющую тока КЗ в начальный момент времени;

Ударный ток КЗ;

Периодическую составляющую тока КЗ в момент времени t = 0,3 с.

1.2 Расчет токов короткого замыкания

Расчет выполняется в именованных единицах.

Базовые условия:

За базовое напряжение удобно принимать соответствующее среднее напряжение той ступени, где находится точка К1. Uб = 10,5 кВ.

Схема замещения (рисунок 1.2):




Рисунок 1.2 - Схема замещения

Найдем сопротивления всех элементов схемы.

Сопротивление ЛЭП W1.

                                                                            (1.1)

Где x0 - индуктивное сопротивление линии на 1 км длины, Ом/км;

Uср - среднее напряжение в месте установки данного элемента, кВ.

 Ом.

Сопротивление трансформатора.

,                                                                        (1.2)

Где uк - напряжение КЗ трансформатора.

 Ом.

Сопротивление реактора.

                                                                       (1.3)

 Ом.

Линии W1 и W2 одинаковы, соответственно их сопротивления тоже.

,                                                                   (1.4)

 Ом.

Сопротивление линии W4.

,                                                                         (1.5)

 Ом.

Сопротивление генератора.

                                                                             (1.6)

 Ом.

Найдем ЭДС системы.

,                                                                                     (1.7)

 кВ.

Найдем ЭДС генератора.

 ,                                                              (1.7)

 кВ.

Вычислив результирующие сопротивления элементов схемы и сделаем их преобразование (рисунок 1.3).



Рисунок 1.3 - Преобразованная схема замещения

Сопротивления x1, x2 и x3, х6, х7 соединены последовательно,х4 и х5 параллельно.

Найдем результирующие сопротивления до и после точки К1 путем их сложения.

                                                                              (1.8)

 Ом,

Сопротивления линий х 4 и х 5 соединены параллельно, находим их результирующее сопротивление по формуле:

  ,                                                                          (1.9)

 Ом.

Складываем результирующее сопротивление х9 и x3, х6, х7 , как последовательно соединенные:

                                                                 (1.10)

 Ом.

Объединим источники питания и найдем эквивалентное ЭДС источников Е1 и Е2:

,                                                              (1.11)

 кВ.

Объединим и сопротивления х8 и х10 , соединенные параллельно, находим их результирующее сопротивление:

,                                                                         (1.12)

 Ом.

Нарисуем схему с определенным результирующим сопротивлением от источника питания до точки К1 (рисунок 1.4)




Рисунок 1.4 - Конечная схема замещения для точки К1

Найдём периодическую составляющую тока короткого замыкания:

                                                                          (1.13)

 кА.

Найдем ударный ток:

                                                                     (1.14)

Где kуд - ударный коэффициент.

кА.

Находим периодическую составляющую тока трехфазного КЗ в момент времени t = 0,3с .

Номинальный ток генератора:

,                                                                        (1.15)

кА.

,                                                                       (1.16)

кА.

.

По кривой Iп, t, г / Iп, 0, г = f(t), соответствующей найденному значению отношения Iп,0,г / I′ном, для t = 0,3 с найдем отношение токов Iп,t,г / Iп,0,г = 0,64.

Получим:

                                                                    (1.17)

кА.

1.3 Расчет токов короткого замыкания для точки К3

Расчет выполняется в именованных единицах.

Базовые условия:

За базовое напряжение удобно принимать соответствующее среднее напряжение той ступени, где находится точка КЗ. Uб = 10,5 кВ.

Нарисуем схема замещения для точки К3 (рисунок 1.5):





Рисунок 1.5 - Схема замещения элементов сопротивлениями

Сопротивление элементов, ЭДС генератора и системы не меняются. Они уже рассчитаны в предыдущем расчете для точки короткого замыкания К1. Возьмем их для расчета тока короткого замыкания в точке К3.

Значения элементов: х1 = 0.326 Ом, х2 = 1.838 Ом, х3 = 0.462 Ом, х4= 0.166 Ом, х5 =0.166 Ом, х6= 0.06 Ом, Е1 = 11.34 кВ, Е2 = 11.44 кВ.

Вычисляем результирующие значения элементов схемы и преобразуем её, (рисунок 1.6).



Рисунок 1.6 - Преобразованная схема замещения для точки К3.

Сопротивления x1, x2 , x3 и, х 6, х 7 соединены последовательно, х4 и х5 параллельно. Найдем результирующие сопротивления до и после точки К3 путем их сложения.

 Ом.

,                                                                (1.18)

 Ом.

,                                                                            (1.19)

 Ом.

Находим эквивалентное ЭДС источников Е1 и Е2.

,                                                              (1.20)

кВ.

Найдем результирующее сопротивление сложив сопротивления х11 и х12 соединенные параллельно:

 Ом.

Нарисуем схему с определенным результирующим сопротивлением от источника питания до точки К3(рисунок 1.7)



Рисунок 1.7 - Преобразованная схема замещения для точки К3

Периодическая составляющая тока короткого замыкания:

,                                                                        (1.21)

 кА.

Находим ударный ток:

 кА.

Периодическая составляющая тока трехфазного КЗ в момент времени t = 0,3с .

Номинальный ток генератора:


,                                                                        (1.22)

 кА.

.

По кривой Iп, t, г / Iп, 0, г = f(t), соответствующей найденному значению отношения Iп,0,г / I′ном, для t = 0,3 с найдем отношение токов Iп,t,г / Iп,0,г = 0,59.

Тогда:

,                                                                   (1.23)

 кА.

трансформатор релейный ток короткий

2. ПРОЕКТИРОВАНИЕ ЦЕХОВОГО ЭЛЕКТРОСНАБЖЕНИЯ

2.1 Исходные данные и задание

Технологическое оборудование находится в шести отделениях (механическом, слесарно-сборочном, электроремонтном, гальваническом, кузнечном, термическом). В цехах находятся так же вспомогательные помещения (инструментальная, склад, бытовые помещения).

Основным технологическим оборудованием в механическом, слесарном и электроремонтном отделениях являются металлорежущие станки, которые работают в длительном, кратковременном и повторно - кратковременном режимах.

По требованиям к бесперебойности электроснабжения согласно ПУЭ потребители во всех отделениях относятся ко 2-й и 3-й категориям надежности. Потребители электрической энергии во всех отделениях питаются от трехфазной сети с частотой 50 Гц.

Под электрооборудование отводится площадь в зависимости от мощности.

Задание:

) Характеристика потребителей электроэнергии;

) Расчет силовой и осветительной нагрузок цеха;

) Выбор числа и мощности силовых трансформаторов КТП.

2.2 Характеристика потребителей электроэнергии

По категории надежности часть приёмников цеха являются потребителями II категории - 75%, а все остальные - потребители III категории. Питание электроприемников обеспечивается от двух независимых, взаимно резервирующих, источников питания.

Все потребители электрической энергии являются потребителями трехфазного напряжения 380В переменного тока с частотой 50Гц.

Потребители имеют разные режимы работы.

Вся осветительная нагрузка цеха однофазная.

Таблица 2.1

№ п/п

Наименование оборудования

n, шт

Uном В

Pном, кВт

Ки

cosφ

Режим работы

1. Механическое отделение Н=6м

1.

Токарные станки

3

380

16,2

0,16

0,6

КР



2

380

12,5

0,16

0,6

КР



4

380

5,5

0,16

0,6

КР



3

380

4,8

0,16

0,6

КР

2.

Строгальные станки

2

380

12,0

0,16

0,6

КР



4

380

4,2

0,16

0,6

КР



1

380

3,1

0,16

0,6

КР

3.

Фрезерные станки

2

380

12,5

0,16

0,6

КР



3

380

7,1

0,16

0,6

КР



3

380

4,5

0,16

0,6

КР



3

380

1,5

0,16

0,6

КР

4.

Карусельные станки

1

380

35,5

0,16

0,6

КР



2

380

28,5

0,16

0,6

КР

5.

Сверлильные станки

1

380

7,5

0,16

0,6

КР



1

380

2,9

0,16

0,6

КР



3

380

0,8

0,16

0,6

КР

№ по рисунку

Наименование потребителя

n, шт

Uном, В

Pном, кВт

Ки

cosφ

Режим работы

6.

Шлифовальные станки

4

380

21,5

0,16

0,6

КР



3

380

13,6

0,16

0,6

КР

2. Слесарно-сборочное отделение Н=12 м

1.

Обрезные станки

2

380

2,5

0,14

0,5

КР

2.

Ножницы

3

380

7,0

0,14

0,5

КР

3.

Пресс

1

380

17,0

0,25

0,65

ДР

4.

Обдирочно-шлифовальные станки

2

380

3,5

0,16

0,6

КР

5.

Трубоотрезные станки

2

380

3,1

0,14

0,5

КР

6.

Трубогибочные станки

1

380

7,0

0,14

0,5

КР

7.

Преобразователь сварочный

3

380

28,0

0,3

0,6

КР

8.

Трансформатор сварочный

2

380

35,0

0,3

0,6

КР

9.

1

380

29,0

0,06

0,5

ПКР

10.

Машины электросварочные

1

380

25,0

0,3

0,6

КР

3. Электроремонтное отделение Н=6 м

1.

Строгальные станки

1

380

5,6

0,16

0,6

КР

2.

Точильные станки

3

380

4,5

0,16

0,6

КР

3.

Сушильные шкафы

2

380

4,0

0,5

0,95

ДР

4.

Токарные станки

3

380

15,1

0,16

0,6

КР

5.

Обдирочные станки

3

380

4,5

0,16

0,6

КР

6.

Машины электросварочные

2

380

20,5

0,3

0,6

КР

4. Гальваническое отделение Н=6м

1.

Выпрямители

2

380

22,0

0,5

0,8

ДР

2.

Сушильные шкафы

3

380

10,0

0,5

0,95

ДР



1

380

6,0

0,5

0,95

ДР

3.

Полировочные станки

3

380

3,2

0,3

0,6

КР

5. Кузнечное отделение Н=12 м

1.

Молоты

3

380

15,0

0,2

0,65

КР

2.

Горны

2

380

1,0

0,5

0,95

ДР

3.

Печи сопротивления

4

380

45,8

0,5

0,95

ДР

4.

Тельферы ПВ=25%

1

380

15,0

0,06

0,5

ПКР

№ по рисунку

Наименование потребителя

n, шт

Uном, В

Pном, кВт

Ки

cosφ

Режим работы

6. Термическое отделение Н=6м

1.

Печи сопротивления

2

380

35,0

0,5

0,95

ДР



3

380

24,0

0,5

0,95

ДР



3

380

22,0

0,5

0,95

ДР



1

380

19,0

0,5

0,95

ДР



1

380

15,0

0,5

0,95

ДР



2

380

2,2

0,5

0,95

ДР



3

380

1,1

0,5

0,95

ДР

2.

Вентиляторы

3

380

5,0

0,7

0,7

ДР

7. Инструментальная. Площадь 30 м2 (5х6), Руд=6 кВт/м2

8. Склад. Площадь 100м2 (10х10), Руд=0,4 кВт/м2

9. Бытовые помещения. Площадь 100 м2 (10х10), Руд=0,3 кВт/м2


2.3 Расчет силовой и осветительной нагрузок

.3.1 Расчет силовой нагрузки

Определение среднесменной активной нагрузки Рсм. группы потребителей, подключенных к узлу питания напряжением до 1 кВ с помощью коэффициента использования:

Рсм. = u,i·PH,i                                                               (2.1)

Где PH,i - активная номинальная мощность i-го приемника (кВт);

ku,i - коэффициент использования активной мощности.

Для потребителей, работающих в повторно - кратковременном режиме:

Рн = Pп·                                                                        (2.2)

Где Pп - паспортная мощность;

ПВ - продолжительность включения, в долях единиц.

Разделяем потребители на группы:

·        1 группа Кu = 0,16; cosφ= 0,6; tgφ = 1,33, КР;

·        2 группа Кu = 0,14; cosφ = 0,5; tgφ = 1,73; КР;

·        3 группа Кu = 0,25; cosφ = 0,65; tgφ = 1,17; ДР;

·        4 группа Кu = 0,3; cosφ = 0,6; tgφ = 1,33; КР;

·        5 группа ПВ=25%, Кu = 0,06; cosφ= 0,5; tg= 1,73; ПВ;

·        6 группа Кu = 0,5; cosφ = 0,95; tgφ = 0,33; ДР;

·        7 группа Кu = 0,5; cosφ = 0,8; tgφ = 0,75; ДР;

·        8 группа Кu = 0,2; cosφ = 0,65; tgφ = 1,17; КР;

·        9 группа Кu = 0,7; cosφ = 0,7; tgφ = 1,02; ДР.

Определяем среднесменную активную нагрузку:

Рсм1. = 0,16·(16,2·3 + 12,5·2 + 5,5·4 + 4,8·3 + 12·2 + 4,2·4 +3,1·1 + 12,5·2 + 7,1·3 + 4,5·3 + 1,5·3 + 35,5·1 + 28,5·2 + 7,5·1 + 2,9·1 + 0,8·3 + 21,5·4 + 13,6·3 + 5,6·1 + 4,5·3 + 15,1·3 + 4,5·3 ) = 0,16·528,2 = 84,5 кВт,

Рсм2. = 0,14·(2,5·2 + 7·3 + 3,1·2 + 7·1)= 0,14·39,2 = 5,5 кВт,

Рсм3. = 0,25·17·1 = 4,3 кВт,

Рсм4. = 0,3·(28·3 + 35·2 + 25·1 + 20,5·2 + 3,2·3)= 0,3·229,6 = 68,9 кВт,

Рсм5. = 0,06··(29·1 + 15·1) = 1,3 кВт,

Рсм6. = 0,5·(4·2 + 10·3 + 6·1 + 1·2 + 45,8·4 + 35·2 + 24·3 + 22·3 + 19 + 15 + 2,2·2 + 1,1·3) = 0,5·478,9 = 239,5 кВт,

Рсм7. = 0,5·22·2 = 22 кВт,

Рсм8. = 0,2·15·3 = 9 кВт,

Рсм9. = 0,7·5·3 = 10,5 кВт.

Определяем эффективное число ЭП (n эф) (такое число однородных по режиму работы электроприемников одинаковой мощности, которое обуславливает те же значения расчетной нагрузки, что и группа различных по мощности ЭП).

nэф. =                                                                     (2.3)

где Рн.max - номинальная мощность наиболее мощного приемника в группе.

В случае, когда Рн.max / Рн.min ≤ 3, принимают nэф. равным n - действительному числу приемников электроэнергии. Рн.min - номинальная мощность наименее мощного ЭП.

nэф1. = = 37 шт.,

nэф2. = n2 = 8 шт. т.к. Рн.max2 / Рн.min2 = 7/2,5 = 2,8 < 3,

nэф4. = = 13 шт.,

nэф5. = n5 = 2 шт. т.к. Рн.max2 / Рн.min2 = 29/15 = 1,9 < 3,

nэф8. = n8 = 3 шт. т.к. Рн.max2 / Рн.min2 = 15/15 = 1 < 3,

nэф2., nэф6., nэф7., nэф9. не определяем т.к. для электроприемников работающих в длительном режиме Рсм = Рр.

Определяем расчетный коэффициент kр :

nэф1. = 37 шт.; Кu1 = 0,16; kр1 = 1,16;

nэф2. = 8 шт.; Кu2 = 0,14; kр2 = 1,78;

nэф4. = 13 шт.; Кu4 = 0,3; kр4 = 1,06;

nэф5. = 2 шт.; Кu5 = 0,06; kр5 = 8;

nэф8. = 3 шт.; Кu8 = 0,2; kр8 = 2,31.

Определяем расчетную активную нагрузку:

Рр = kр∙ Рсм.                                                                        (2.4)

Для электроприемников, работающих в длительном режиме:

Рр = Рсм                                                                               (2.5)

Рр1 = 1,16·84,5 = 98 кВт,

Рр2 = 1,78·5,5 = 9,79 кВт,

Рр3 = 4,3 кВт,

Рр4 = 1,06·68,9 = 73 кВт,

Рр5 = 8·1,3 = 10,4 кВт,

Рр6 = 239,5 кВт,

Рр7 = 22 кВт,

Рр8 = 2,31·9= 20,79 кВт,

Рр9 = 10,5 кВт.

Активная нагрузка инструментальной, склада и бытовых помещений:

Рр = F∙ Руд.                                                                                   (2.6)

Рри = 30·6 = 180 кВт,

Ррс = 100·0,4 = 40 кВт,

Ррб = 100·0,3 = 30 кВт.

Суммарная расчетная активная нагрузка:

Рр = 738,3 кВт.

Определяем расчетную реактивную нагрузку в зависимости от эффективного числа приемников n эф.

при nэф. ≤ 10: Qр = 1,1·Рсм.·tgφ                                         (2.7)

при nэф. > 10: Qр = Рсм.·tgφ                                                        (2.8)

Qр1 = 84,5·1,33 = 112,4 квар,

Qр2 = 1,1·5,5·1,73 = 10,6 квар,

Qр3 = 1,1·4,3·1,17 = 5,6 квар,

Qр4 = 68,9·1,33 = 91,6 квар,

Qр5 = 1,1·1,3·1,73 = 2,5 квар,

Qр6 = 239,5·0,33 = 79 квар,

Qр7 = 1,1·22·0,75 = 18,2 квар,

Qр8 = 1,1·9·1,17 = 11,6 квар,

Qр9 = 1,1·10,5·1,02 = 11,8 квар.

Реактивная нагрузка инструментальной, склада и бытовых помещений:

Qр = Рр·tgφ.                                                                         (2.9)

Qри = 180·0,8 = 144 квар,

Qрс = 40·0,8 = 32 квар,

Qрб = 30·0,8 = 24 квар.

Суммарная реактивная нагрузка:

Qр = 543,3 квар.

Определяем полную расчетную мощность:

Sp =                                                                      (2.10)

Sp = = 916,6 кВ·А

2.3.2 Расчет осветительной нагрузки

Расчет осветительных нагрузок выполняем методом удельных мощностей.

По справочным материалам в зависимости от разряда зрительных работ, контраста объекта и фона, характеристики фона, типа источника света и принятой системы освещения определяется норма освещенности Ен.

Определяем площадь освещенного помещения цеха:

F =                                                                                   (2.11)

Где Sp - полная расчетная нагрузка (кВА);

σ - удельная мощность силовой нагрузки на 1 м2 площади промышленного здания.

σ = 300 Вт/м 2.

F = = 3055,5 м2.

Определяем установленную мощность источника света в соответствии с методом удельных мощностей по формуле:

Руст. = руд. F                                                                       (2.12)

где руд. - удельная мощность осветительных установок (Вт/м2). Удельная мощность является справочной величиной.

Руст. = 4,9·3055,5 = 15 кВт.

Определяем расчетную активную нагрузку Рр,о осветительных установок:

Рр.о. = Руст. Кс КПРА                                                                  (2.13)

Где Кс - коэффициент спроса;

КПРА - коэффициент, учитывающий потери мощности в пускорегулирующей аппаратуре.

Кс = 0,95 для производственных зданий, состоящих из отдельных крупных пролетов.

КПРА = 1,1 для ламп ДРЛ.

Рр.о. = 15·0,95·1,1 = 15,6 кВт.

Определяем расчетную реактивную нагрузку осветительных установок:

Qр,о = Рр,о·tgφ                                                                    (2.14)

где tgφ соответствует cosφ осветительных установок (cosφ для ДРЛ = 0,5…0,65)

Qр,о = 15,6·1,33 = 20,8 квар.

Определяем расчетную полную нагрузку осветительных установок:

Sp= = 26 кВт.

2.4 Выбор цеховых трансформаторов

.4.1 Расчет числа и мощности цеховых трансформаторов

При выборе числа и мощности трансформаторов учитывается категория надёжности электроснабжения потребителей и их коэффициент загрузки, который зависит от системы охлаждения трансформатора:

I категория -  (сухие) и  (масляные),категория -  (сухие) и  (масляные),категория -  (сухие) и  (масляные).

Принимаем .

Найдём суммарную мощность, потребляемую цехом с учётом осветительной нагрузки:

                                                                         (2.15)

                                                                       (2.16)

SpΣ =                                                                (2.17)

кВт,

квар,

SpΣ =кВА.

Количество трансформаторов определяется по выражению:

                                                                         (2.18)

где - номинальная мощность трансформатора.

Рассмотрим возможность применения КТП с силовыми трансформаторами типа ТМ-400/10/0,4 или ТМ-630/10/0,4

Определение числа трансформаторов:

шт,

 шт.

Реактивная мощность, передаваемая через трансформаторы из сети ВН в сеть НН:

                                              (2.19)

квар,

квар.

Реактивная мощность, которую необходимо скомпенсировать:

                                                                        (2.20)

квар,

квар.

Т.к.  то в выборе компенсирующих устройств нет необходимости.

Уточнение коэффициента загрузки трансформатора в нормальном режиме:

                                                                      (2.21)

,

.

Уточнение коэффициента загрузки трансформатора в аварийном режиме:

                                                                 \(2.22)


.

Т.к. во втором случае коэффициент загрузки не удовлетворяет условиям ПУЭ, в аварийном режиме необходимо отключить 25% потребителей 3-й категории.

.

При пересчете второго случая коэффициент нагрузки не превышает установленного значения.

Для окончательного выбора числа и мощности трансформаторов производится технико-экономический расчет.

2.4.2 Технико-экономический расчет

Суммарные затраты определяются:

                     (2.23)

где E - норма дисконта, ;

 - полные капитальные затраты с учётом стоимости оборудования и монтажных работ, тыс. руб.;

- затраты на обслуживание ремонт и амортизацию.

                                                       (2.24)

Где  - удельные потери в компенсирующем устройстве (Вт/квар).

                 (2.25)

где  - стоимость электроэнергии (руб/кВт·ч на октябрь 2014 г.);

 - годовое число часов работы трансформатора, ;

 - потери холостого хода,  кВт,  кВт;

 - потери короткого замыкания,  кВт,  кВт;

 - время максимальных потерь,  ч.

                                            (2.26)

где  - цена КТП, тыс. руб( Ц1=596 тыс. руб. Ц2=487 тыс.руб. Цены согласно прайс-листа на оборудование ОАО «Вологодский электромеханический завод» на ноябрь 2014 года. #"806620.files/image119.gif"> - индекс цен на оборудование, (I=1);

 - коэффициент, учитывающий транспортно заготовительные расходы, связанные с приобретением оборудования (- для оборудования с массой более 1 тонны; - для оборудования с небольшой массой);

 - коэффициент учитывающий затраты на строительные работы (в зависимости от массы и сложности оборудования );

- коэффициент учитывающий затраты на монтаж и отладку оборудования (от оптовой цены на оборудование).

                                               (2.27)

где  норма амортизационных отчислений;

 - норма обслуживания оборудования;

 - норма ремонта оборудования.

Полные капитальные затраты с учётом стоимости оборудования и монтажных работ:

тыс.руб.,

тыс.руб.

Стоимость потерь в трансформаторах:

 тыс.руб.,

 тыс.руб.

Затраты на обслуживание ремонт и амортизацию:

тыс.руб.,

тыс.руб.

Суммарные затраты:

тыс.руб.,

тыс.руб.

Вариант КТП с двумя трансформаторами мощностью Sн = 630 кВА наиболее выгодный, следовательно его и принимаем за основной.

ЗАКЛЮЧЕНИЕ

В ходе выполнения данной контрольной работы в первой части были рассчитаны два случая симметричного короткого замыкания. Во второй части контрольной работы была дана характеристика потребителей электроэнергии, рассчитана силовая и осветительная нагрузки, а так же произведен выбор силовых трансформаторов для проекта цеховой сети.

СПИСОК ИСПОЛЬЗУЕМОЙ ЛИТЕРАТУРЫ

1.   Л.Е. Старкова. Проектирование цехового электроснабжения: Учебное пособие / Старкова Л.Е., Орлов В.В. - Вологда: ВоГТУ, 2001. 172 с.

2.      Внутризаводское электроснабжение: Методические указания для выполнения контрольных работ. Часть 3 / Сергиевская И.Ю., Немировский А.Е. - Вологда: ВоГТУ, 2003. 40 с.

.        Внутризаводское электроснабжение и режимы: методические указания к курсовому проекту / Сергиевская И.Ю., Ударатин А.В. - Вологда: ВоГТУ, 2006. - 16 с.

.        Внутризаводское электроснабжение: Методические указания для выполнения контрольных работ. Часть 1 / Сергиевская И.Ю., Немировский А.Е. - Вологда: ВоГТУ, 2003. 47 с.

Похожие работы на - Проектирование цехового электроснабжения

 

Не нашли материал для своей работы?
Поможем написать уникальную работу
Без плагиата!
Без нейросетей!