Проектирование системы внешнего электроснабжения фабрики
Содержание
Введение
1. Описание
технологического процесса
. Расчет электрических нагрузок
.1 Выбор и размещение БСК
.2 Построение картограммы нагрузок и
определение центра электрических нагрузок
3. Технико-экономический расчет
4. Проектирование системы внешнего
электроснабжения фабрики
.1 Выбор рационального напряжения
питания
.2 Выбор трансформаторов на ПГВ
.3 Выбор схемы распредустройства
высокого напряжения
.4 Выбор сечения питающей линии
электропередач
. Система распределения
электроэнергии на предприятии
.1 Выбор напряжения распределения
электроэнергии
.2 Выбор схемы распредустройства
низкого напряжения
.3 Определение мощности и количества
цеховых трансформаторных подстанций
.4 Выбор способа канализации
электроэнергии, схемы распределения и сечений кабельных линий
. Расчет токов короткого замыкания в
СЭС
. Выбор и проверка элементов
электроснабжения
. Релейная защита
.1 Расчет параметров схемы замещения
.2 Расчет токов короткого замыкания
.3 Расчет параметров
дифференциальной токовой защиты трансформатора на основе реле РНТ - 565
.4 Расчет параметров срабатывания
дифференциальной токовой защиты трансформатора на основе реле ДЗТ - 11
.5 Расчет параметров срабатывания
максимальной токовой защиты трансформатора
.6 Расчет параметров срабатывания
МТЗ трансформатора с пуском по напряжению
.7 Расчет МТО питающей линии
.8 Расчет комбинированной ТО
питающей линии
.9 Расчет максимальной токовой
защиты питающей линии
. Безопасность жизнедеятельности
Заключение
Библиографический список
Введение
В условиях роста Российской экономики возросли
объемы производства, но для успешно развивающейся организации, да и не только,
проблема рационализации применения электрической энергии, бесспорно, актуальна
во всех отраслях промышленного производства.
Сотрудники проектных организаций, занимающиеся
проблемами электрификации и электроэнергетики, решают следующие задачи:
· создание экономичных, надежных систем
электроснабжения промышленных предприятий;
· создание автоматизированных систем
управления электроприводами, освещением и технологическими процессами;
· внедрение микропроцессорной техники.
Сотрудникам необходимо помнить, что решение
проблем может быть получено различными технологическими средствами. Данная
многовариантность решений задач систем электроснабжения промышленных
предприятий обуславливает проведение технико-экономических расчетов (ТЭР),
целью которых является экономическое обоснование выбранного технического
решения.
Выполненная система электроснабжения
промышленного предприятия должна быть надежной, экономичной и обеспечивать
надежность качества электроэнергии. Только в этом случае систему можно назвать
рациональной.
Необходимо отметить, что система должна быть
гибкой - т.е. обеспечивать возможность расширения при развитии предприятия без
существенного усложнения и удорожания первоначального варианта. При этом нужно
по возможности принимать решения, требующие минимальных расходов цветных
металлов и электроэнергии.
Более того, при построении системы
электроснабжения промышленного предприятия необходимо учитывать многочисленные
факторы: потребляемая мощность и категория надежности, размещение электрических
нагрузок и т.п.
Задачей данного дипломного проекта является
разработка надежной и целесообразной в технико-экономическом отношении системы
внешнего и внутреннего электроснабжения фабрики.
1. Описание
технологического процесса
Текстильные фабрики - это предприятия легкой
промышленности, осуществляющие производство текстильных тканей - полотен,
полученных на ткацком станке путем переплетения основных (продольных) и уточных
(поперечных) нитей, перпендикулярных друг другу.
Сырьем для получения продукции в процессе
ткачества служат хлопковые, шелковые, льняные, шерстяные, джутовые, пеньковые
нити, а также нити, полученные из искусственных и синтетических волокон.
Технология изготовления тканей - это
совокупность нескольких процессов, включающих в себя:
· подготовительные операции:
подготовку основы (размотку нитей, т.е.
перемотку их на одну бабину);
сновку, т.е. соединение большого числа нитей в
одну основу, их параллельное расположение относительно друг друга и одинаковое
натяжение на общем сновальном валике;
шлихтовку - укрепление нитей путем их пропитки
шлихтой (крахмальным клейстером);
проборку - продевание нитей в определенные
детали ткацкого станка);
подготовку утка (размотку, т.е. перемотку нитей
на шпули);
· собственно ткачество;
· заключительные операции (измерение
длины конечной продукции; чистку и стрижку тканей, контроль их качества,
укладку продукции).
В соответствии с технологическим процессом
изготовления тканей в структуре ткацкого производства выделяют:
) приготовительный цех, оснащенный мотальными,
сновальными, шлихтовальными, шпульно-мотальными машинами, проборными станками;
) ткацкий цех с основными машинами производства
- ткацкими станками, которые бывают:
механическими, полумеханическими,
автоматическими;
по принципу прокладки утка - многочелночными,
бесчелночными (пневматическими, гидравлическими, рапирными, пневмо-рапирными,
станками с микропрокладчиками);
по конструкции - плоскими и круглыми;
узкими и широкими;
для производства легких, средних, тяжелых
тканей;
эксцентриковыми (для выпуска тканей с простым
переплетением); кареточными (для производства тканей с мелким узором);
жаккардовыми (для производства тканей со сложным и крупным узором);
) браковочный отдел, осуществляющий все операции
на поточных линиях с помощью мерительных и браковочных машин.
Классификация конечной продукции ткацких фабрик
- тканей - весьма разнообразна.
По типу сырья ткани бывают:
натуральными (из растительного сырья -
хлопковые, льняные, джутовые и др.;
из сырья животного происхождения - шерстяные,
шелковые);
искусственными (вискозные, ацетатные и др.);
синтетическими (полиамидные, полиэстеры,
полипропиленовые, поливиниловые);
По составу сырья выделяют ткани:
однородные (из нитей одного вида или с примесью
других нитей, не превышающей 10%);
смешанные (из разных видов нитей: например, 70%
- шерсть, 30% - синтетическое волокно).
По назначению ткани бывают:
бытовыми (одежными - бельевыми, платьевыми,
костюмными, платочными и др.;
декоративными - мебельными,
портьерными и т.д.;
влаговпитывающими - полотенечными, салфеточными;
техническими.
2. Расчет
электрических нагрузок
Создание каждого промышленного объекта,
начинается с его проектирования. Определения расчетных значений электрических
нагрузок является первым и основополагающим этапом проектирования систем
электроснабжения (СЭС) промышленных предприятий (ПП). Необходимость определения
расчетных нагрузок ПП вызвана неполной загрузкой некоторых электроприёмников
(ЭП), неодновременностью их работы, случайным характером включения и отключения
ЭП, зависящим от особенностей технологического процесса. От этого расчета
зависят исходные данные для выбора всех элементов СЭС ПП и денежные затраты при
монтаже и эксплуатации выбранного электрооборудования.
Правильное определение расчетных электрических
нагрузок цехов является основной для всего комплекса электроснабжения
текстильной фабрики. Расчетная нагрузка цехов формируется из двух составляющих:
силовой нагрузки и нагрузки освещения. Силовая расчетная нагрузка определяется
в данном проекте методом коэффициента спроса.
Исходные данные для расчетов представлены в
ведомости электрических нагрузок, представленной в таблице 2.1.
Таблица 2.1 - Ведомость электрических нагрузок
фабрики.
|
№
На плане
|
Наименование
цеха
|
Pном,
кВт
|
Кс
|
cos
φ
|
tg
φ
|
σ, Вт/м2
|
Кагория
по надежности
|
|
1
|
Гараж
|
550
|
0,4
|
0,85
|
0,62
|
3,25
|
III
|
|
2
|
Насосная
|
3400
|
0,8
|
0,85
|
0,62
|
3,18
|
I
|
|
3
|
Прядильный
цех
|
2800
|
0,81
|
0,8
|
0,75
|
5,51
|
II
|
|
4
|
Ткацкий
цех
|
3950
|
0,84
|
0,75
|
0,88
|
3,9
|
II
|
|
5
|
Красильный
цех
|
2870
|
0,78
|
0,8
|
0,75
|
3,84
|
II
|
|
6
|
Лаборатории
(ЦЗЛ)
|
1250
|
0,5
|
0,7
|
1,02
|
5,17
|
II
|
|
7
|
Склад
готовой продукции
|
270
|
0,3
|
0,85
|
0,62
|
3,38
|
II
|
|
8
|
Управление
фабрики
|
580
|
0,45
|
0,8
|
0,75
|
5,17
|
II
|
|
9
|
Механический
цех
|
2600
|
0,45
|
0,7
|
1,02
|
3,9
|
II
|
|
10
|
Столярный
цех
|
2300
|
0,5
|
0,75
|
0,88
|
3,81
|
II
|
|
11
|
Электроремонтный
цех
|
2360
|
0,45
|
0,65
|
1,17
|
3,84
|
II
|
|
12
|
Склад
угля
|
400
|
0,4
|
0,85
|
0,62
|
3,25
|
II
|
|
13
|
Склад
оборудования и запасных частей
|
300
|
0,4
|
0,85
|
0,62
|
3,25
|
II
|
|
14
|
Ремонтно-механический
цех
|
700
|
0,5
|
0,75
|
0,88
|
3,81
|
II
|
|
15
|
Магазин
|
80
|
0.5
|
0.8
|
0.75
|
5.17
|
III
|
|
16
|
Блок
подсобных цехов
|
970
|
0,45
|
0,8
|
0,75
|
5,17
|
II
|
|
17
|
Склад
декоративных тканей
|
250
|
0,4
|
0,85
|
0,62
|
3,25
|
II
|
|
18
|
Столовая
|
315
|
0.5
|
0.8
|
0.75
|
5.17
|
II
|
|
19
|
Медпункт
|
70
|
0,45
|
0,8
|
0,75
|
5,51
|
III
|
|
20
|
Проходная
|
10
|
0,4
|
0,9
|
0,48
|
5,51
|
III
|
Общие расчетные активная, реактивная и полная
мощности цеха определяются по формулам:
где:
активная расчетная цеховая мощность;
активная силовая расчетная
мощность;
активная расчетная мощность освещения;
где:
реактивная расчетная цеховая
мощность;
силовая расчётная реактивная
мощность;
расчётная реактивная мощность
освещения;
где:
полная расчетная цеховая мощность.
Расчет нагрузок покажем на примере прядильного
цеха:
В данном проекте для освещения цехов
применяются люминесцентные источники света с коэффициентом мощности cosφ=0,8.
Площади цехов определяем по генеральному плану текстильной фабрики (рисунок 2.1).
Таким образом, мощность осветительной нагрузки составляет:
tgφ=tg(arcos(cosφ))=
tg(arcos(0,8))=0,75
Результаты расчета нагрузок остальных цехов
текстильной фабрики представлены в таблице 2.2.
Расчет нагрузки цехов с учетом потерь в
трансформаторе
При определении расчетной мощности необходимо
учесть наличие потерь мощности в цеховых трансформаторах. Так как конкретные
марки трансформаторов на данном этапе расчета неизвестны, то потери
определяются приближенно:
где:
потери активной мощности в
трансформаторе;
полная расчетная цеховая мощность
учётом потерь в трансформаторе;
Рисунок 2.1 - Площади цехов на
генеральном плане фабрики
Таблица 2.2 - Результаты расчетов
|
№
|
Наименование
цеха
|
Pном, кВт
|
Кс
|
cos
φ
|
tg
φ
|
σ,
Вт/м2
|
F,
м²
|
Ррс,
кВт
|
Qрс,
кВАр
|
Рро,
кВт
|
Qро,
кВАр
|
Ррц,
кВт
|
Qрц,
кВАр
|
Sрц,
кВА
|
|
1
|
Гараж
|
550
|
0,4
|
0,85
|
0,62
|
3,25
|
4394,5
|
220
|
136,34
|
14,28
|
10,71
|
234,28
|
147,06
|
276,61
|
|
2
|
Насосная
|
3400
|
0,8
|
0,85
|
0,62
|
3,18
|
34,81
|
2720
|
1685,70
|
0,11
|
0,08
|
2720,11
|
1685,79
|
3200,14
|
|
3
|
Прядильный
цех
|
2800
|
0,81
|
0,8
|
0,75
|
5,51
|
370
|
2268
|
1701,00
|
2,04
|
1,53
|
2270,04
|
1702,53
|
2837,55
|
|
4
|
Ткацкий
цех
|
3950
|
0,84
|
0,75
|
0,882
|
3,9
|
3318
|
2926,20
|
1,21
|
0,91
|
3319,21
|
2927,11
|
4425,51
|
|
5
|
Красильный
цех
|
2870
|
0,78
|
0,8
|
0,75
|
3,84
|
382,2
|
2238,6
|
1678,95
|
1,47
|
1,10
|
2240,07
|
1680,05
|
2800,08
|
|
6
|
Лаборатории
(ЦЗЛ)
|
1250
|
0,5
|
0,7
|
1,02
|
5,17
|
188,5
|
625
|
637,63
|
0,97
|
0,73
|
625,97
|
638,36
|
894,06
|
|
7
|
Склад
готовой продукции
|
270
|
0,3
|
0,85
|
0,62
|
3,38
|
412,8
|
81
|
50,20
|
1,40
|
1,05
|
82,40
|
51,25
|
97,03
|
|
8
|
Управление
фабрики
|
580
|
0,45
|
0,8
|
0,75
|
5,17
|
251,16
|
261
|
195,75
|
1,30
|
0,97
|
262,30
|
196,72
|
327,87
|
|
9
|
Механический
цех
|
2600
|
0,45
|
0,7
|
1,02
|
3,9
|
252,54
|
1170
|
1193,64
|
0,98
|
0,74
|
1170,98
|
1194,38
|
1672,65
|
|
10
|
Столярный
цех
|
2300
|
0,5
|
0,75
|
0,882
|
3,81
|
203,74
|
1150
|
1014,20
|
0,78
|
0,58
|
1150,78
|
1014,79
|
1534,30
|
|
11
|
Электроремонтный
цех
|
2360
|
0,45
|
0,65
|
1,169
|
3,84
|
264,13
|
1062
|
1241,62
|
1,01
|
0,76
|
1063,01
|
1242,38
|
1635,08
|
|
12
|
Склад
угля
|
400
|
0,4
|
0,85
|
0,62
|
3,25
|
292,8
|
160
|
99,16
|
0,95
|
0,71
|
160,95
|
99,87
|
189,42
|
|
13
|
Склад
оборудования и запасных частей
|
300
|
0,4
|
0,85
|
0,62
|
3,25
|
212,978
|
120
|
74,37
|
0,69
|
0,52
|
120,69
|
74,89
|
142,04
|
|
14
|
Ремонтно-механический
цех
|
700
|
0,5
|
0,75
|
0,882
|
3,81
|
331,165
|
350
|
308,67
|
1,26
|
0,95
|
351,26
|
309,62
|
468,24
|
|
15
|
Магазин
|
80
|
0,45
|
0,75
|
0,882
|
5,17
|
34,81
|
36
|
31,75
|
0,18
|
0,13
|
36,18
|
31,88
|
48,22
|
|
16
|
Блок
подсобных цехов
|
970
|
0,45
|
0,8
|
0,75
|
5,17
|
292,8
|
436,5
|
327,38
|
1,51
|
1,14
|
438,01
|
328,51
|
547,52
|
|
17
|
Склад
декоративных тканей
|
250
|
0,4
|
0,85
|
0,62
|
3,25
|
113,789
|
100
|
61,97
|
0,37
|
0,28
|
100,37
|
62,25
|
118,11
|
|
18
|
Столовая
|
315
|
0,45
|
0,75
|
0,882
|
5,17
|
112,968
|
141,75
|
125,01
|
0,58
|
0,44
|
142,33
|
125,45
|
189,73
|
|
19
|
Медпункт
|
70
|
0,45
|
0,8
|
0,75
|
5,51
|
34,81
|
31,5
|
23,63
|
0,19
|
0,14
|
31,69
|
23,77
|
39,61
|
|
20
|
Проходная
|
10
|
0,4
|
0,9
|
0,484
|
5,51
|
34,81
|
4
|
1,94
|
0,19
|
0,14
|
4,19
|
2,08
|
4,68
|
где:
потери реактивной мощности в
трансформаторе;
полная расчетная цеховая мощность
учётом потерь в трансформаторе;
Расчетная мощность с учетом потерь в
трансформаторах:
где:
активная расчетная цеховая мощность
с учётом потерь в трансформаторе;
где:
реактивная расчетная цеховая
мощность учётом потерь в трансформаторе;
Произведем расчеты мощности с учетом
потерь в трансформаторах на примере прядильного цеха:
Результаты расчетов приведены в
таблице 2.3.
Таблица 2.3 - Результат расчета
мощности цехов с учетом потерь в трансформаторах
|
№
На плане
|
Наименование
цеха
|
ΔPтр кВт
|
ΔQтр кВАр
|
Ррц1,
кВт
|
Qрц1,
кВАр
|
Sрц1,
кВА
|
|
1
|
Гараж
|
5,53221
|
27,6611
|
239,81
|
174,72
|
296,71
|
|
2
|
Насосная
|
64,0028
|
320,014
|
2784,11
|
2005,80
|
3431,4
|
|
3
|
Прядильный
цех
|
56,751
|
283,755
|
2326,79
|
1986,28
|
3059,29
|
|
4
|
Ткацкий
цех
|
88,5101
|
442,551
|
3407,72
|
3369,66
|
4792,41
|
|
5
|
Красильный
цех
|
56,0017
|
280,008
|
2296,07
|
1960,06
|
3018,9
|
|
6
|
Лаборатории
(ЦЗЛ)
|
17,8812
|
89,4061
|
643,86
|
727,76
|
971,695
|
|
7
|
Склад
готовой продукции
|
1,94063
|
9,70315
|
84,34
|
60,95
|
104,054
|
|
8
|
Управление
фабрики
|
6,55746
|
32,7873
|
268,86
|
229,51
|
353,495
|
|
9
|
Механический
цех
|
33,4529
|
167,265
|
1204,44
|
1361,64
|
1817,89
|
|
10
|
Столярный
цех
|
30,686
|
153,43
|
1181,46
|
1168,22
|
1661,5
|
|
11
|
Электроремонтный
цех
|
32,7017
|
163,508
|
1095,72
|
1405,88
|
1782,44
|
|
12
|
Склад
угля
|
18,942
|
164,74
|
118,81
|
203,116
|
|
13
|
Склад
оборудования и запасных частей
|
2,84077
|
14,2038
|
123,53
|
89,09
|
152,308
|
|
14
|
Ремонтно-механический
цех
|
9,36478
|
46,8239
|
360,63
|
356,44
|
507,052
|
|
15
|
Магазин
|
0,96449
|
4,82243
|
37,14
|
36,71
|
52,2214
|
|
16
|
Блок
подсобных цехов
|
10,9503
|
54,7517
|
448,96
|
383,26
|
590,304
|
|
17
|
Склад
декоративных тканей
|
2,36215
|
11,8108
|
102,73
|
74,06
|
126,646
|
|
18
|
Столовая
|
3,79456
|
18,9728
|
146,13
|
144,42
|
205,454
|
|
19
|
Медпункт
|
0,7923
|
3,96148
|
32,48
|
27,73
|
42,7105
|
|
20
|
Проходная
|
0,0936
|
0,468
|
4,29
|
2,55
|
4,98626
|
Определение расчетных нагрузок текстильной
фабрики
Расчетная полная мощность фабрики определяется
по расчетным активным и реактивным нагрузкам цехов (до и выше 1000 В) с учетом
осветительной нагрузки территории фабрики и его цехов, потерь мощностей в трансформаторных
подстанциях и ГПП, компенсации реактивной мощности. Расчетная мощность
освещения территории определяется по удельной нагрузке по формулам:
где:
активная расчётная мощность
освещения территории.
σот
- удельная плотность освещения территории, Вт/м2;
Fт
- площадь территории фабрики не занятой цехами, м2;
где:
реактивная расчётная мощность
освещения территории.
tgφот
- определяется по cosφот.
Освещение территории осуществляется
светильниками с лампами ДРЛ, которые имеют cosφот=0,5
tgφот=1,73.
Удельная плотность освещения территории принимаем σот
= 0,04 Вт/м2.
Площадь территории фабрики не занятой цехами,
которую необходимо осветить, определяется из выражения:
где: Fз
- общая площадь фабрики;
- суммарная площадь всех цехов.
Расчетная мощность предприятия в
целом определяется с учетом коэффициента разновременности максимума Крм,
который принимается в диапазоне 0,9 - 0,95. Примем Крм = 0,95.
Расчетная активная и реактивная
мощности текстильной фабрики:
где:
активная расчётная мощность
освещения территории;
- активная расчетная цеховая
мощность с учётом потерь в трансформаторе;
где:
реактивная расчётная мощность
освещения территории.
-реактивная расчетная цеховая
мощность с учётом потерь в трансформаторе;
Полная мощность фабрики:
2.1 Выбор
и размещение БСК в электрической сети предприятия
Экономическая величина реактивной мощности в
часы максимальных (активных) нагрузок системы, передаваемой в сеть потребителя:
Далее определяется мощность компенсирующих
устройств, которую необходимо установить у потребителя:
В данном случае Qку>0,
поэтому требуется устанавливать БСК.
Определяем величину мощности БСК для прядильного
цеха по формуле:
Исходя из полученного значения,
выбираем для установки в цехе 4 батареи мощностью 200 кВАр. Марка батареи
УКЛН-0,38-600-150 У3.
С учетом компенсации расчетная
реактивная мощность цеха будет равна:
Полная расчетная мощность цеха:
,
Произведем расчет и распределение источников
реактивной мощности в других цехах. Полученные результаты расчетов и
стандартные значения БСК сведем в таблицу 2.4.
Таблица 2.4 - Результаты расчетов размещения БСК
в сети.
|
№
|
Наименование
цеха
|
Qрц1,
кВАр
|
QБСК
кВАр
|
Nбат шт
|
Qномбат
кВАр
|
Qкуст
кВАр
|
Q'рц
кВАр
|
S’рц кВА
|
Тип
компенсирующего устройства
|
|
1
|
Гараж
|
174,72
|
104,124
|
1
|
100
|
100
|
74,72
|
251,184
|
УКЛН-0,38-600-150У3
|
|
2
|
Насосная
|
2005,80
|
1193,64
|
4
|
300
|
1200
|
805,80
|
2898,38
|
УКЛН-0,38-300-150У3
|
|
3
|
Прядильный
цех
|
1986,28
|
1205,49
|
4
|
300
|
1200
|
786,28
|
2456,05
|
УКЛН-0,38-300-150У3
|
|
4
|
Ткацкий
цех
|
3369,66
|
2072,57
|
7
|
300
|
2100
|
1269,66
|
3636,56
|
УКЛН-0,38-300-150У3
|
|
5
|
Красильный
цех
|
1960,06
|
1189,58
|
4
|
300
|
1200
|
760,06
|
2418,6
|
УКЛН-0,38-300-150У3
|
|
6
|
Лаборатории
(ЦЗЛ)
|
727,76
|
451,996
|
4
|
100
|
400
|
327,76
|
722,482
|
УКЛН-0,38-100-150У3
|
|
7
|
Склад
готовой продукции
|
60,95
|
36,285
|
Не
устанавливается
|
60,95
|
104,054
|
-
|
|
8
|
Управление
фабрики
|
229,51
|
139,292
|
1
|
100
|
100
|
129,51
|
298,424
|
УКЛН-0,38-100-150У3
|
|
9
|
Механический
цех
|
1361,64
|
845,69
|
2
|
450
|
900
|
461,64
|
1289,88
|
УКЛН-0,38-450-150У3
|
|
10
|
Столярный
цех
|
1168,22
|
718,529
|
7
|
100
|
700
|
468,22
|
1270,86
|
УКЛН-0,38-100-150У3
|
|
11
|
Электроремонтный
цех
|
1405,88
|
879,676
|
2
|
450
|
900
|
505,88
|
1206,86
|
УКЛН-0,38-450-150У3
|
|
12
|
Склад
угля
|
118,81
|
70,7158
|
1
|
100
|
100
|
18,81
|
165,811
|
УКЛН-0,38-100-150У3
|
|
13
|
Склад
оборудования и запасных частей
|
89,09
|
53,0255
|
Не
устанавливается
|
89,09
|
152,308
|
-
|
|
14
|
Ремонтно-механический
цех
|
356,44
|
219,227
|
2
|
100
|
200
|
156,44
|
393,097
|
УКЛН-0,38-100-150У3
|
|
15
|
Магазин
|
36,71
|
22,5758
|
Не
устанавливается
|
36,71
|
52,2214
|
-
|
|
16
|
Блок
подсобных цехов
|
383,26
|
232,605
|
2
|
100
|
200
|
183,26
|
484,927
|
УКЛН-0,38-100-150У3
|
|
17
|
Склад
декоративных тканей
|
74,06
|
44,078
|
Не
устанавливается
|
74,06
|
126,646
|
-
|
|
18
|
Столовая
|
144,42
|
88,8259
|
1
|
100
|
100
|
44,42
|
152,732
|
УКЛН-0,38-100-150У3
|
|
19
|
Медпункт
|
27,73
|
16,8298
|
Не
устанавливается
|
27,73
|
42,7105
|
-
|
|
20
|
Проходная
|
2,55
|
1,47357
|
Не
устанавливается
|
2,55
|
4,98626
|
-
|
Суммарная мощность БСК должна удовлетворять выражению:
В данном случае 9586,281 кВАр >
9400 кВАр, условие выполняется.
2.2 Построение
картограммы нагрузок и определение центра электрических нагрузок
При проектировании современных систем
электроснабжения приходится сталкиваться с разнообразными по содержанию и
сложности задачами (определение числа, расположения источников питания,
распределения приемников электроэнергии по источникам питания и др.), разрешать
которые становиться все труднее. Это объясняется тем, что проектировщикам при
решении этих задач приходится оперировать с большим количеством исходных
данных, объем которых постоянно увеличивается. Большой объем данных и
постоянный рост привели к широкому внедрению вычислительной техники в проектную
практику, что потребовало разработки иных подходов к проектированию.
В настоящее время имеется достаточное количество
материалов, подтверждающих, что для перечисленных выше задач с помощью
вычислительной техники необходим специальный подход, который позволил бы
анализировать и описывать структуру распределения нагрузок и геометрию
взаимного расположения приемников электроэнергии. Первое представление о
характере распределения нагрузок по территории объекта получают с помощью
картограммы нагрузок.
Картограммой нагрузок называют план, на котором
изображена картина, средней интенсивности распределения нагрузок приёмников
электроэнергии.
Картограмму нагрузок строят как на плане
расположения приёмников электроэнергии в цехах, так и на генеральном плане
всего промышленного предприятия, то в качестве приёмников электроэнергии
рассматривают сами цехи.
Картограмма активных нагрузок необходима для
выбора рационального места расположения подстанций и распределительных пунктов.
Поскольку при проектировании систем промышленного электроснабжения решают
задачу определения расположения источников питания реактивных нагрузок, для
повышения надежности рекомендуется иметь 2 картограммы: 1 для активных, а 2.
Радиус круга, характеризующий активную мощность цеха, определяется по формуле:
где:
радиус круга;
постоянная.
При наличии в цехе силовых нагрузок
до и выше 1000 В они изображаются разными окружностями. При определении ЦЭН
цехов считаем, что нагрузка по площади цеха распределена равномерно.
Осветительная нагрузка каждого цеха изображается в виде сектора круга. Угол
сектора (α)
определяется
из формулы:
Результаты расчетов сведем в таблицу 2.5.
Таблица 2.5 - расчетные данные для картограммы
нагрузок.
|
№
|
Наименование
цеха
|
Рро
кВт
|
Ррц1
кВт
|
R
см
|
Α град
|
|
1
|
Гараж
|
14,28
|
239,81
|
76,374
|
21,4398
|
|
2
|
Насосная
|
0,11
|
2784,11
|
886,66
|
0,01431
|
|
3
|
Прядильный
цех
|
2,04
|
2326,79
|
741,016
|
0,31543
|
|
4
|
Ткацкий
цех
|
1,21
|
3407,72
|
1085,26
|
0,12772
|
|
5
|
Красильный
цех
|
1,47
|
2296,07
|
731,232
|
|
6
|
Лаборатории
(ЦЗЛ)
|
0,97
|
643,86
|
205,05
|
0,5449
|
|
7
|
Склад
готовой продукции
|
1,40
|
84,34
|
26,8586
|
5,95589
|
|
8
|
Управление
фабрики
|
1,30
|
268,86
|
85,6229
|
1,7387
|
|
9
|
Механический
цех
|
0,98
|
1204,44
|
383,579
|
0,29438
|
|
10
|
Столярный
цех
|
0,78
|
1181,46
|
376,262
|
0,23653
|
|
11
|
Электроремонтный
цех
|
1,01
|
1095,72
|
348,954
|
0,33324
|
|
12
|
Склад
угля
|
0,95
|
164,74
|
52,465
|
2,07949
|
|
13
|
Склад
оборудования и запасных частей
|
0,69
|
123,53
|
39,3417
|
2,01714
|
|
14
|
Ремонтно-механический
цех
|
1,26
|
360,63
|
114,849
|
1,25955
|
|
15
|
Магазин
|
0,18
|
37,14
|
11,8294
|
1,74423
|
|
16
|
Блок
подсобных цехов
|
1,51
|
448,96
|
142,982
|
1,21381
|
|
17
|
Склад
декоративных тканей
|
0,37
|
102,73
|
32,7172
|
1,29592
|
|
18
|
Столовая
|
0,58
|
146,13
|
46,5378
|
1,43884
|
|
19
|
Медпункт
|
0,19
|
32,48
|
10,3453
|
2,12563
|
|
20
|
Проходная
|
0,19
|
4,29
|
1,36478
|
16,1126
|
Координаты ЦЭН при предположении, что нагрузка в
цехах распределена равномерно можно определить из следующих выражений:
Ордината ЦЭН:
Абсцисса ЦЭН:
Таблица 2.6 - Значения координат цехов фабрики.
|
№
|
Наименование
цеха
|
Ррц1
кВт
|
Xрц
мм
|
Yрц
мм
|
Xрц∙Pрц
|
Yрц∙Pрц
|
|
1
|
Гараж
|
239,81
|
94,17
|
145,38
|
22583,3
|
34864,2
|
|
2
|
Насосная
|
2784,11
|
94,67
|
127,73
|
263572
|
355615
|
|
3
|
Прядильный
цех
|
2326,79
|
92,75
|
77,6
|
215810
|
180559
|
|
4
|
Ткацкий
цех
|
3407,72
|
92,9
|
38,3
|
316577
|
130516
|
|
5
|
Красильный
цех
|
2296,07
|
79,7
|
17,45
|
182997
|
40066,4
|
|
6
|
Лаборатории
(ЦЗЛ)
|
643,86
|
68,05
|
39,95
|
43814,4
|
25722
|
|
7
|
Склад
готовой продукции
|
84,34
|
66,73
|
81,28
|
5627,73
|
6854,82
|
|
8
|
Управление
фабрики
|
268,86
|
60,87
|
143,1
|
16365,3
|
38473,3
|
|
9
|
Механический
цех
|
1204,44
|
39,95
|
108,75
|
48117,3
|
130983
|
|
10
|
Столярный
цех
|
1181,46
|
39,95
|
90,05
|
47199,4
|
106391
|
|
11
|
Электроремонтный
цех
|
1095,72
|
39,95
|
70,8
|
43773,9
|
77576,7
|
|
12
|
Склад
угля
|
164,74
|
40,05
|
40,2
|
6597,84
|
6622,55
|
|
13
|
Склад
оборудования и запасных частей
|
123,53
|
14,4
|
89,1
|
1778,87
|
11006,8
|
|
14
|
Ремонтно-механический
цех
|
360,63
|
13,25
|
40,6
|
4778,3
|
14641,4
|
|
15
|
Магазин
|
37,14
|
88,95
|
147,1
|
3304
|
5463,95
|
|
16
|
Блок
подсобных цехов
|
448,96
|
40,05
|
16,25
|
17981
|
7295,67
|
|
17
|
Склад
декоративных тканей
|
102,73
|
21,7
|
82,6
|
2229,28
|
8485,66
|
|
18
|
Столовая
|
146,13
|
14,4
|
120,7
|
2104,25
|
17637,7
|
|
19
|
Медпункт
|
32,48
|
77,55
|
147,05
|
2519,14
|
4776,79
|
|
20
|
Проходная
|
4,29
|
83,2
|
147,05
|
356,546
|
630,169
|
Таким образом, ЦЭН находится в точке с
координатами:
ХЦЭН = 73,62 мм; YЦЭН
=83,23 мм.
Картограмма нагрузок предприятия с ЦЭН
представлена на рисунке 2.2.
Рисунок 2.2 - Картограмма
электрических нагрузок фабрики.
3. Технико-экономический расчет
Выбор рационального напряжения
питания.
При технико-экономическом сравнении
сопоставляются только допустимые по техническим требованиям варианты, т.е.
такие, в которых потребитель получает необходимое количество электроэнергии
заданного качества при заданной степени надежности. На первом этапе
технико-экономического сравнения выбирают допустимые по техническим требованиям
варианты, а на втором этапе из них выбирают оптимальный по
технико-экономическим показателям.
Определяем рациональное напряжение питания по
формуле:
где: L
- длина линии (км.);
- активная мощность фабрики (кВт.).
Необходимо провести
технико-экономическое сравнение двух вариантов: со стандартными уровнями
напряжения 35 кВ, 110 кВ и 220 кВ.
Экономическим критерием, по которому определяют
наиболее выгодный вариант, является минимум приведенных затрат (руб/год),
вычисляемых по следующей формуле:
З = Ен ∙К + И+У
где: К - капитальные вложения (руб.),
необходимые для сооружения сети, причем, предполагается, что строительство ее
продолжается в течение одного года;
И - ежегодные эксплуатационные расходы (руб),
предполагаемые неизменными в течение всего рассматриваемого периода
эксплуатации;
Ен - нормативный коэффициент
сравнительной эффективности капитальных вложений, Ен = 0,12;
У - возможный ежегодный народнохозяйственный
ущерб от недоотпуска электроэнергии потребителям из-за перерывов
электроснабжения, (руб).
Капиталовложения в каждом варианте сети можно
разделить на капитальные затраты на сооружение линии (Кл),
подстанции (Кп) и на установку дополнительной мощности на
электростанции для покрытия потерь электроэнергии в проектируемой сети (Кдоп):
К = Кл + Кп + Кдоп
Эти составляющие капитальных затрат с
достаточной точностью можно определить с помощью укрупненных показателей
стоимости (УПС) отдельных элементов электрической системы, составленных для
средних условий строительства.
Величина Кл определяется из
выражения:
где: L
- длина линии (км);
куд - удельная стоимость одного
километра линии, которая зависит от номинального напряжения сети, вида и
материала опор, сечений проводов и района по гололеду (тыс. руб/км).
Капиталовложения в строительство подстанции
включают стоимость силовых трансформаторов Ктр, стоимость ячеек
открытых распределительных устройств (ОРУ) и закрытых распределительных
устройств (ЗРУ), Кору, Кзру, постоянные затраты на
строительство подстанции (Кпост), зависящие в основном от напряжения
и общего количества выключателей на подстанции и стоимость КУ (Кку):
Величина Кдоп, зависящая
от потерь мощности, может быть вычислена через удельную стоимость 1 кВт
оборудования, необходимого для компенсации этих потерь (куд):
где: DРå
- суммарные потери мощности в элементах проектируемой сети.
Ежегодные эксплуатационные расходы (издержки)
рассчитывают по формуле:
И = Ил + Ип/ст + ИDw
где: Ил - ежегодные эксплуатационные
издержки на линии электропередачи (тыс. руб.);
Ип/ст - ежегодные эксплуатационные
издержки на оборудование подстанции (тыс.руб.);
ИDw
- стоимость годовых потерь электроэнергии в рассматриваемом варианте сети
(тыс.руб.).
Ежегодные издержки на эксплуатацию сети включают
амортизационные отчисления (предназначены для капитального ремонта оборудования
и сооружений и для полной замены основных фондов после их износа a')
и расходы на обслуживание сети (текущий ремонт, зарплата персонала, общесетевые
расходы - a").
Амортизационные отчисления определяются для
каждого года по сумме капиталовложений предшествующих лет. Ежегодные расходы на
обслуживание электрических сетей могут приближенно быть оценены пропорционально
стоимости основных фондов (капиталовложениям).
При учебном проектировании достаточно для
определения ежегодных издержек пользоваться средними нормами затрат на
обслуживание элементов электрических сетей, рекомендуемых для
технико-экономических расчетов, а также суммарными ежегодными издержками,
включающими амортизационные отчисления.
В этом случае издержки определяются по формулам:
где:
,
- средние нормы ежегодных затрат на
амортизационные отчисления соответственно для линии и подстанции;
,
- средние нормы затрат на
обслуживание линии и подстанции.
Издержки, связанные с потерями
электроэнергии
,
определяются по формуле:
где:
- удельные приведённые затраты на
возмещение потерь электроэнергии;
- суммарные потери энергии.
Значение
приводится
в справочнике и зависит от времени максимальных потерь t и от региона.
Для трех вариантов общими являются следующие
условия:
- питание осуществляется по двухцепной линии от
одного источника;
воздушные линии длинной L=5
км выполнены сталеалюминиевыми проводами марки АС на железобетонных опорах;
район по гололеду принимаем II.
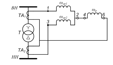
В качестве схемы распределительного устройства
на стороне высокого напряжения принимаем «два блока с выключателями и
неавтоматической перемычкой со стороны линии»:
Рисунок 3.1 - Схема распределительного
устройства
Применяем трансформаторы с номинальной мощностью
Sном=16
МВА.
Расчётная мощность фабрики Sрз=18128,8
кВА.
Время использования максимальной нагрузки,
определено по годовому графику нагрузки: Тмах=6122,5 ч.
Время максимальных потерь τ
определяется
по формуле:
Удельные приведённые затраты на
возмещение потерь электроэнергии:
Экономическая плотность тока для
неизолированных алюминиевых проводов jэк=1,0 А/мм2
(при Тмах>5000 ч)
Порядок определения приведенных
затрат по каждому из сопоставляемых вариантов:
) Определяются капитальные вложения.
При этом можно не учитывать одни и те же элементы, повторяющиеся в обоих вариантах,
а именно КЗРУ. Капитальные вложения подсчитываются по укрупненным
показателям, однако для сопоставимости затраты по обоим вариантам определяются
по одному источнику с учётом повышающего коэффициента kпов=28.
Устройства компенсации потерь
мощности в обоих вариантах отсутствуют, в связи с этим принимаем равными нулю
элементы ККУ и куд (Кдоп).
) Определяются ежегодные издержки на
амортизацию и обслуживание сети. При этом для линии суммарный коэффициент aл=2,8%, а для
подстанции - aпс=9,4%
(определено по справочникам).
) Вычисляются ежегодные затраты на
возмещение потерь электроэнергии.
) Определяются приведенные затраты
по выражению без учёта элемента У, полагая, что оба варианта обладают
одинаковой надежностью электроснабжения.
Оптимальным по экономическим
показателям будет являться вариант, характеризующийся минимальными приведенными
затратами.
Расчёт приведённых затрат при Uсети=35 кВ.
Ток в одной линии в нормальном и
послеаварийном режиме:

Сечение линии (экономическое):
где: jэк=1,0
А/мм2 - Экономическая плотность тока для неизолированных алюминиевых
проводов (при Тмах>5000 ч)
Принимаем стандартное сечение провода 185/29 мм2.
По ПУЭ длительно допустимый ток при таком сечении равен 510 А, т.е. Iдоп
>
Iпар.
Однако для проводов такого сечения не
предусмотрены опоры на напряжение 35 кВ, поэтому используем опоры на напряжение
110 кВ.
При данном сечении удельная стоимость линии
составит:
Куд=66∙28=1848 т.р/км.
Тогда капитальные вложения на сооружение линии:
Кл=1884∙5=9420 тыс.руб.
Стоимость двух трансформаторов:
Ктр=
=6160
тыс.руб.
Стоимость выбранной схемы РУ ВН:
Кору=
=1120
тыс.руб.
Постоянная часть затрат по
подстанции:
Кпост=
=5600
тыс.руб.
Капиталовложения в строительство
подстанции:
Кп=6160+1120+5600=12880
тыс.руб.
Общие капиталовложения
К=9420+12880=22300 тыс.руб.
Издержки на амортизацию и ремонт линии и
подстанции:
Ил=
/100=263,76
тыс.руб.
Ип=
/100=1210,72
тыс.руб.
Суммарные потери энергии
складываются из постоянных потерь в линии и потерь в трансформаторе (постоянных
и нагрузочных):
Основные параметры трансформатора:
ТДНС-16000/35:
=18 кВт;
Sтр.ном.=16 МВА;
Uн =35 кВ;
=0,45 Ом.
Основные параметры трансформатора и
линии:
r0=0,159 Ом/км
Активное сопротивление линии
электропередач:
Rл=5∙0,159=
0,795 Ом
Потери активной энергии в
трансформаторе:
;
Потери активной энергии в линии
электропередач:
.
Расчёт ведём для максимального
режима, полагая, что в линии и в трансформаторе протекает мощность Sнагр= Sрз=18128,8
кВА, тогда:
Издержки, связанные с потерями
энергии:
Итого, ежегодные издержки на
эксплуатацию будут равны:
И=263,76+1210,72+1440,929=2915,409тыс.руб.
Приведенные затраты:
З=
Расчёт приведённых затрат при Uсети=110
кВ.
Ток в одной линии в нормальном и послеаварийном
режиме:

Сечение линии (экономическое):
Принимаем стандартное сечение
провода 70 мм2. По ПУЭ длительно допустимый ток при таком сечении
равен 265 А, т.е. Iдоп > Iпар.
При данном сечении удельная
стоимость линии составит:
куд=
=1596
тыс.руб./км.
Тогда капитальные вложения на
сооружение линии:
Кл=1596∙5=7980
тыс.руб.
Стоимость двух трансформаторов:
Ктр=
=9632
тыс.руб.
Стоимость выбранной схемы РУ ВН:
Кору=
=5544
тыс.руб.
Постоянная часть затрат по
подстанции:
Кпост=
=10080
тыс.руб.
Капиталовложения в строительство
подстанции:
Кп=9632+5544+10080=25256
тыс.руб.
Общие капиталовложения:
К=7980+25256=33236 тыс.руб.
Издержки на амортизацию и ремонт линии и
подстанции:
Ил=
/100=223,44
тыс.руб.
Ип=
/100=2374,06
тыс.руб.
Суммарные потери энергии
складываются из постоянных потерь в линии и потерь в трансформаторе (постоянных
и нагрузочных):
Основные параметры трансформатора:
ТДН-16000/110:
=19 кВт,
Sтр.ном.=16 МВА,
Uн =110 кВ,
=4,38 Ом.
Основные параметры линии
электропередач:
АС-70/11:
r0=0,428
Ом/км,
Активное сопротивление линии
электропередач:
Rл=
Потери активной энергии в
трансформаторе:
Потери активной энергии в линии
электропередач:
Расчёт ведём для максимального
режима, полагая, что в линии и в трансформаторе протекает мощность Sнагр= Sрз=18128,8
кВА, тогда:
Издержки, связанные с потерями
энергии:
Итого, ежегодные издержки на
эксплуатацию будут равны:
И=223,44+2374,06+979,349=3576,849тыс.руб.
Приведенные затраты:
З=
Относительная разница приведённых затрат по двум
вариантам равна:
Поскольку приведенные затраты
отличаются более чем на 15%, следует за основной принимать вариант с меньшим
значением приведенных затрат.
4. Проектирование
системы внешнего электроснабжения фабрики
.1 Выбор рационального напряжения питания
После построения графиков нагрузки по типовым
таблицам для машиностроительной отрасли, определяем рациональное напряжение
питания по формуле
где: Р - значение расчетной нагрузки
предприятия, МВт;
l - расстояние от
подстанции энергосистемы до фабрики, км.
Напряжение питания выбираем исходя из
технико-экономического расчета на напряжение 35 и 110 кВ.
Исходя из технико-экономического расчета,
следует выбрать напряжение питания равное 35 кВ, но при таких мощностях не
существует понижающих трансформаторов. Таким образом, напряжение питания
принимаем равным 110 кВ.
.2 Выбор трансформаторов на ПГВ
Произведем выбор трансформаторов. Так как на
предприятии имеются потребители 1-й категории, то устанавливаем
двухтрансформаторную подстанцию, выберем и проверим трансформаторы в следующей
последовательности.
Выбор трансформаторов определяется, исходя из
среднеквадратичной мощности фабрики. Ниже приведен суточный график нагрузки для
текстильной промышленности, взятый из справочной литературы.
Рисунок 4.1 - Суточный график
нагрузки.
Для построения суточного графика в
единицах мощности, рассчитаем значения активной и реактивной мощности для
фабрики, исходя из ее максимальной нагрузки.
Рассчитаем значения активной,
реактивной и полной мощности в точке 1 час, данные расчета занесем в таблицу.
Таблица 4.1 - Значения расчетов суточного
графика.
|
Время
|
P%
|
P,
кВт
|
Q%
|
Q
|
S
|
|
1
|
37,5
|
6357,6779
|
10
|
628,36
|
6388,65
|
|
2
|
35
|
5933,8327
|
8
|
502,69
|
5955,09
|
|
3
|
35
|
5933,8327
|
8
|
502,69
|
5955,09
|
|
4
|
35
|
5933,8327
|
6
|
377,01
|
5945,8
|
|
5
|
32,5
|
5509,9875
|
4
|
251,34
|
5515,72
|
|
6
|
35
|
5933,8327
|
4
|
251,34
|
5939,15
|
|
7
|
50
|
8476,9038
|
8
|
502,69
|
8491,8
|
|
8
|
87,5
|
14834,582
|
35
|
2199,2
|
14996,7
|
|
9
|
100
|
16953,808
|
48
|
3016,1
|
17220
|
|
10
|
100
|
16953,808
|
45
|
2827,6
|
17188
|
|
11
|
95
|
16106,117
|
42
|
2639,1
|
16320,9
|
|
12
|
90
|
15258,427
|
40
|
2513,4
|
15464,1
|
|
13
|
95
|
16106,117
|
50
|
3141,8
|
16409,7
|
|
14
|
95
|
16106,117
|
48
|
3016,1
|
16386,1
|
|
15
|
90
|
15258,427
|
40
|
2513,4
|
15464,1
|
|
16
|
92,5
|
15682,272
|
46
|
2890,4
|
15946,4
|
|
17
|
95
|
16106,117
|
46
|
2890,4
|
16363,4
|
|
18
|
95
|
16106,117
|
42
|
2639,1
|
16320,9
|
|
19
|
87,5
|
14834,582
|
38
|
2387,8
|
15025,5
|
|
20
|
95
|
16106,117
|
40
|
2513,4
|
16301,1
|
|
21
|
90
|
15258,427
|
43
|
2701,9
|
15495,8
|
|
22
|
75
|
12715,356
|
38
|
2387,8
|
12937,6
|
|
23
|
45
|
7629,2134
|
20
|
1256,7
|
7732,03
|
|
24
|
42,5
|
7205,3683
|
10
|
628,36
|
7232,71
|
Мощность трансформаторов определяем по суточному
графику нагрузки. Для этого рассчитаем среднеквадратичную мощность по формуле:
Определяем мощность одного
трансформатора:
Выбираем трансформатор ТДН-16000/110 со
следующими параметрами:ном - 16000 кВА;вн = 115 кВ;нн = 6,6 кВ;
ΔPх = 18 кВт;
ΔPк =85 кВт;к(В-Н)
= 10,5%;х =0,7%.
Выбранный трансформатор проверим на
перегрузочную способность. Для этого определим участки суточного графика полной
мощности фабрики, выходящие за пределы значения среднеквадратичной мощности
(рисунок 4.2).
Коэффициент предварительной загрузки К1,
определяется по полной мощности, которая ниже среднеквадратичной: Si
< Sср.кв
в период времени ∆t:
Рисунок 4.2 - Графики полной среднеквадратичной
и полной сточной мощности фабрики.
Коэффициент перегрузки в ПАР К2,
определяется по полной мощности, которая больше среднеквадратичной: Si
> Sср.кв
в период времени ∆t:
;
Из справочника по времени перегрузки и
коэффициенту К1 выбираем Кmax=1,4
и сравниваем его с К2.
,005 < 1,5
К2 < Кmax,
т.е. выполняется условие по перегрузочной
способности для трансформатора в послеаварийном режиме, следовательно,
принимаем трансформатор ТДН-16000/110.
.3 Выбор схемы распредустройства высокого
напряжения
Выбор варианта схемы производим с учетом местных
и категории электроснабжения потребителей. Так как на фабрике монтажного
оборудования присутствуют потребители I-ой
категории электроснабжения, то принимаем схему для тупиковых подстанций с
автоматикой в перемычке.
Рисунок 4.3 - Схема РУ ВН с двумя трансформаторами
4.4 Выбор сечения питающей линии электропередач
Питание из системы происходит по воздушным
линиям электропередач. Проведем выбор провода для линии 110кВ в следующей
последовательности:
Определяем ток в линии в нормальном и
послеаварийном режимах:
где: Sз
-мощность предприятии, кВА;
n - количество
линий;
Uс - напряжение
питающей сети,кВ.
Сечение провода рассчитываем по экономической
плотности тока:
где: Jэ - экономическая плотность
тока выбирается исходя из времени максимальных нагрузок. При Тмах > 5000ч
Jэ=1А/
;э -
экономическое сечение провода(
).
По полученному сечению выбираем алюминиевый
провод со стальным сердечником марки AC
- 70/11.
Проверяем сечение провода по условию допустимого
нагрева. По ПУЭ допустимый предельный ток для провода на 110 кВ сечением 70/11
мм2 равен 265А, следовательно:
Iпар
= 95,151 < Iд
= 265А
Сечение по данному условию подходит.
Проверяем сечение провода по падению напряжения
в линии, в нормальном и послеаварийном режимах:
По условию падения напряжения данный
провод разрешается использовать.
По условию коронного разряда и
уровню радиопомех провод такого сечения разрешается использовать.
Питание из системы происходит по
воздушным линиям электропередач.
Окончательно выбираем две ВЛЭП на металлических
опорах, провод марки АС-70.
5. Система распределения электроэнергии на
предприятии
.1 Выбор напряжения распределения электропередач
Рациональное напряжение распределения
электроэнергии в основном зависит от наличия и значения мощности
электроприёмников напряжением 6 и 10 кВ, наличие собственной ТЭЦ и величины её
генераторного напряжения. Для определения рационального напряжения необходимо
произвести технико-экономический расчёт. Технико-экономический расчёт не
проводится в случаях, если:
·
суммарная
мощность электроприемников 6 кВ равна или превышает 40% общей мощности
предприятия, тогда напряжение распределения принимается 6 кВ;
·
суммарная
мощность электроприемников 6 кВ не превышает 15% общей мощности предприятия,
тогда напряжение распределения принимается 10 кВ.
На фабрике исполнительных механизмов потребители
напряжением 6 кВ отсутствуют, значит напряжения распределения фабрики выбираем
10 кВ.
.2 Выбор схемы распредустройства низкого
напряжения
По мощности трансформаторов выбираем схему
распределительного устройства на стороне низкого напряжения:
Рисунок 5.1 - Схема распределения низкого
напряжения
5.3 Определение мощности и количества цеховых
трансформаторных подстанций
Потребители 1-й категории должны иметь двух
трансформаторные подстанции и запитываться по радиальной схеме от разных секций
ГПП или СП. Потребители 2-й и 3-й категорий могут запитываться по магистральным
схемам. Все цеховые РП, КТП и РЩ запитываются по кабельным линиям с прокладкой
кабеля на эстакадах, причём кабели разных вводов потребителей 1-й категории
прокладываются на разных эстакадах.
Предварительный выбор числа и мощности
трансформаторов на КТП производится на основании требуемой степени надёжности
электроснабжения. Для потребителей 2-й категории на КТП устанавливаются два
трансформатора работающих раздельно в нормальном режиме - в целях уменьшения
токов КЗ. Номинальная мощность цеховых трансформаторов выбирается по средней
мощности за наиболее загруженную смену исходя из условий экономичной работы
трансформаторов. Для двухтрансформаторных КТП коэффициент загрузки одного
трансформатора 0,7 - 0,75, для однотрансформаторной КТП при наличии
резервирования по вторичным цепям - 0,85 - 0,9 и для однотрансформаторного КТП
- 0,9 - 1,0. Допустимая перегрузка в послеаварийном режиме - 40%.
Если нагрузка в цехе потребителей 2-й и 3-й
категорий не превышает 200 кВА, то в данном цехе КТП не устанавливается, ЭП
цеха запитываются от ближайшей КТП кабельными линиями 0,4 кВ.
Число КТП, число и мощность трансформаторов
определяем по следующим условиям:
· Sуд
≤ 0,2 кВА/м2 - не рекомендуется применять трансформаторы
мощностью больше 1000 кВА;
· 0,2 < Sуд
< 0,3 кВА/м2 - больше 1600 кВА;
· Sуд
≥ 0,3 кВА/м2 - больше 2500 кВА;
· Sуд
≥ 0,4 кВА/м2 - устанавливаются двухтрансформаторные КТП не
зависимо от категории.
Порядок выбора и расчет потерь мощности в
трансформаторах рассмотрим на примере прядильного цеха.
Удельная нагрузка цеха:
т.к. рассчитанное значение превышает 0,4 кВА/м2,
устанавливаем две трансформаторные подстанции с трансформаторами ТМ-2500/10,
при расчёте коэффициентов загрузки мощность прядильного цеха делим на два
трансформатора:
Теперь данные трансформаторы обеспечивают
резервирование.
Потери в трансформаторе:
Результаты расчетов сведем в таблицу
5.1.
При известных потерях в питающих
трансформаторах, вычисли мощности цехов:
Таблица 5.1 - Результаты расчетов
|
№
|
Наименование
цеха
|
Sрц'1,
кВА
|
Sуд
кВА
|
Тип
|
Sнт
кВА
|
Кз.нр
|
Кз.пар
|
ΔРхх кВт
|
ΔРкз кВт
|
Uкз
%
|
Iхх
%
|
ΔРт кВт
|
ΔQхх кВАр
|
ΔQкз кВАр
|
ΔQт кВАр
|
|
1
|
Гараж
|
251,184
|
-
|
-
|
-
|
-
|
-
|
-
|
-
|
-
|
-
|
-
|
-
|
-
|
|
2
|
Насосная
|
2898,38
|
83,2628
|
ТМ-4000/10
|
4000
|
0,3623
|
0,72459
|
5,3
|
33,5
|
7,5
|
0,9
|
9,69719
|
36
|
300
|
75,3778
|
|
3
|
Прядильный
цех
|
2456,05
|
6,63798
|
ТМ-2500/10
|
2500
|
0,49121
|
0,98242
|
3,9
|
23,5
|
6,5
|
1
|
9,57026
|
25
|
162,5
|
64,2093
|
|
4
|
Ткацкий
цех
|
3636,56
|
11,7308
|
ТМ-4000/10
|
4000
|
0,45457
|
0,90914
|
5,3
|
33,5
|
7,5
|
0,9
|
12,2222
|
36
|
300
|
97,9902
|
|
5
|
Красильный
цех
|
2418,6
|
6,3281
|
ТМ-2500/10
|
2500
|
0,48372
|
0,96744
|
3,9
|
23,5
|
6,5
|
1
|
9,39865
|
25
|
162,5
|
63,0226
|
|
6
|
Лаборатории
(ЦЗЛ)
|
722,482
|
3,83279
|
ТМ-1000/10
|
1000
|
0,36124
|
0,72248
|
2
|
11,6
|
6,5
|
1,4
|
3,51374
|
14
|
65
|
22,4822
|
|
7
|
Склад
продукции
|
104,054
|
0,25207
|
ТМ-630/10
|
630
|
0,16517
|
0,16517
|
6,3
|
7,6
|
6,5
|
2
|
6,50733
|
12,6
|
40,95
|
13,7171
|
|
8
|
Управление
фабрики
|
298,424
|
1,18818
|
ТМ-630/10
|
630
|
0,23684
|
0,47369
|
6,3
|
7,6
|
6,5
|
2
|
6,72632
|
12,6
|
40,95
|
14,8971
|
|
9
|
Механический
цех
|
1289,88
|
5,10762
|
ТМ-1600/10
|
1600
|
0,40309
|
0,80617
|
2,75
|
16,5
|
6,5
|
1,3
|
5,4309
|
20,8
|
104
|
37,6978
|
|
10
|
Столярный
цех
|
1270,86
|
6,23765
|
ТМ-1600/10
|
1600
|
0,39714
|
0,79429
|
2,75
|
16,5
|
6,5
|
1,3
|
5,35242
|
20,8
|
104
|
37,2032
|
|
11
|
Электроремонтный
цех
|
1206,86
|
4,56919
|
ТМ-1600/10
|
1600
|
0,37714
|
0,75429
|
2,75
|
16,5
|
6,5
|
1,3
|
5,09692
|
20,8
|
104
|
35,5927
|
|
12
|
Склад
угля
|
165,811
|
0,56629
|
ТМ-630/10
|
630
|
0,1316
|
0,26319
|
6,3
|
7,6
|
6,5
|
2
|
6,43161
|
12,6
|
40,95
|
13,3092
|
|
13
|
Склад
оборудования и запасных частей
|
152,308
|
0,71514
|
ТМ-630/10
|
630
|
0,12088
|
0,24176
|
6,3
|
7,6
|
6,5
|
2
|
6,41105
|
12,6
|
40,95
|
13,1984
|
|
14
|
РММ
|
393,097
|
1,18701
|
ТМ-630/10
|
630
|
0,31198
|
0,62396
|
6,3
|
7,6
|
6,5
|
2
|
7,03973
|
12,6
|
40,95
|
16,5858
|
|
15
|
Магазин
|
52,2214
|
1,50018
|
ТМ-630/10
|
630
|
0,04145
|
0,08289
|
6,3
|
7,6
|
6,5
|
2
|
6,31305
|
12,6
|
40,95
|
12,6703
|
|
16
|
Блок
подсобных цехов
|
484,927
|
1,65617
|
ТМ-630/10
|
630
|
0,38486
|
0,76972
|
6,3
|
7,6
|
6,5
|
2
|
7,4257
|
12,6
|
40,95
|
18,6655
|
|
17
|
Склад
декор. тканей
|
126,646
|
1,11299
|
ТМ-630/10
|
630
|
0,10051
|
0,20102
|
6,3
|
7,6
|
6,5
|
2
|
6,37678
|
12,6
|
40,95
|
13,0137
|
|
18
|
Столовая
|
152,732
|
1,352
|
ТМ-630/10
|
630
|
0,12122
|
0,24243
|
6,3
|
7,6
|
6,5
|
2
|
6,41167
|
12,6
|
40,95
|
13,2017
|
|
19
|
Медпункт
|
42,7105
|
1,22696
|
ТМ-630/10
|
630
|
0,0339
|
0,06779
|
6,3
|
7,6
|
6,5
|
2
|
6,30873
|
12,6
|
40,95
|
12,6471
|
|
20
|
Проходная
|
4,98626
|
-
|
-
|
-
|
-
|
-
|
-
|
-
|
-
|
-
|
-
|
-
|
-
|
-
|
Таблица 5.2 - Расчет мощностей цехов с учетом
потерь в трансформаторе
|
№
|
Наименование
цеха
|
Ррц1,
кВт
|
Q'рц,
кВр
|
ΔРт, кВт
|
ΔQт, кВр
|
P"рц,
кВт
|
Q"рц,
кВАр
|
S"рц,
кВА
|
|
2
|
Насосная
|
2784,11
|
805,80
|
9,69719
|
75,3778
|
2784,11
|
881,18
|
2929,48
|
|
3
|
Прядильный
цех
|
2326,79
|
786,28
|
9,57026
|
64,2093
|
2326,79
|
850,49
|
2486,35
|
|
4
|
Ткацкий
цех
|
3407,72
|
1269,66
|
12,2222
|
97,9902
|
3407,72
|
1367,65
|
3683,27
|
Красильный
цех
|
2296,07
|
760,06
|
9,39865
|
63,0226
|
2296,07
|
823,08
|
2447,99
|
|
6
|
Лаборатории
(ЦЗЛ)
|
643,86
|
327,76
|
3,51374
|
22,4822
|
643,86
|
350,25
|
736,044
|
|
7
|
Склад
готовой продукции
|
84,34
|
60,95
|
6,50733
|
13,7171
|
84,34
|
74,67
|
117,59
|
|
8
|
Управление
фабрики
|
268,86
|
129,51
|
6,72632
|
14,8971
|
268,86
|
144,41
|
311,126
|
|
9
|
Механический
цех
|
1204,44
|
461,64
|
5,4309
|
37,6978
|
1204,44
|
499,34
|
1308,86
|
|
10
|
Столярный
цех
|
1181,46
|
468,22
|
5,35242
|
37,2032
|
1181,46
|
505,42
|
1289,95
|
|
11
|
Электроремонтный
цех
|
1095,72
|
505,88
|
5,09692
|
35,5927
|
1095,72
|
541,48
|
1226,78
|
|
12
|
Склад
угля
|
164,74
|
18,81
|
6,43161
|
13,3092
|
164,74
|
32,12
|
174,16
|
|
13
|
Склад
оборудования и запасных частей
|
123,53
|
89,09
|
6,41105
|
13,1984
|
123,53
|
102,29
|
165,375
|
|
14
|
Ремонтно-механический
цех
|
360,63
|
156,44
|
7,03973
|
16,5858
|
360,63
|
173,03
|
406,346
|
|
15
|
Магазин
|
37,14
|
36,71
|
6,31305
|
12,6703
|
37,14
|
49,38
|
65,777
|
|
16
|
Блок
подсобных цехов
|
448,96
|
183,26
|
7,4257
|
18,6655
|
448,96
|
201,93
|
499,066
|
|
17
|
Склад
декоративных тканей
|
102,73
|
74,06
|
6,37678
|
13,0137
|
102,73
|
87,08
|
139,596
|
|
18
|
Столовая
|
146,13
|
44,42
|
6,41167
|
13,2017
|
146,13
|
57,62
|
163,062
|
.4 Выбор способа канализации электроэнергии,
схемы распределения и сечения кабельных линий
После определения количества и мощности
трансформаторов цеховых КТП, наносим на генеральный план схему канализации
электроэнергии по территории фабрики, нанося при этом трассы КЛ электропередач.
Схема канализации фабрики представлена на рисунке 5.2.
Канализация электрической энергии - это
распределение электрической энергии с помощью ВЛ, КЛ и токопроводов от места
производства до места потребления.
Выбор того или иного конструктивного решения
зависит от размещения нагрузок, плотности застройки территории, её насыщенности
технологическими, сантехническими, транспортными коммуникациями, уровня и
агрессивности грунтовых вод, степени загрязнённости воздуха, района
гололёдности. С учётом вышеизложенного принимаем прокладку КЛ по кабельным
эстакадам. К преимуществам такого способа относятся: длительная сохранность
оболочек КЛ из-за отсутствия разрушающих факторов, которые часто имеют место в
грунте (химические реагенты, почвенная коррозия, блуждающие токи), удобство
монтажа и эксплуатации, лёгкость при отыскании мест повреждения и установке
соединительных муфт, возможность ведения электромонтажных работ по сооружению
КЛ до выполнения планировки территории фабрики меньшие капитальные затраты по
сравнению с прокладкой КЛ в каналах и особенно в туннелях при соответствующих
количествах кабелей в потоке, малая вероятность механических повреждений.
Выбор сечения КЛ производим по допустимой
токовой нагрузке в послеаварийном режиме, с последующей проверкой по
экономической плотности тока, по потерям напряжения в нормальном и
послеаварийном режимах и на термическую стойкость к токам КЗ.
где: jэ
= 1,2 А/мм2 - экономическая плотность тока для алюминиевых кабелей с
бумажной изоляцией.
Кабельные линии выбирают по следующим условиям:
по току нормального режима
;
по номинальному напряжению
;
по экономичному сечению
;
Допустимая токовая нагрузка на жилу кабеля в
нормальном режиме определяется по формуле:
где:
- поправочный коэффициент для
кабелей в зависимости от температуры среды;
- поправочный коэффициент снижения
нагрузки при совместной прокладке;
- поправочный коэффициент
допустимой перегрузки на период ликвидации аварии.
- допустимый табличный длительный
ток.
Произведем выбор и проверку КЛ электропередач,
результаты расчетов сведем в таблицу 5.2. Рассмотрим пример расчёта линии от
ПГВ до ТП (прядильный цех).
где: n - число параллельно работающих кабелей в
нормальном режиме;
Sл
- мощность, передаваемая кабелем, с учётом потерь в питаемом трансформаторе.
Расчётный ток в послеаварийном режиме:
Выбор кабеля производим по нагреву
током нормального и послеаварийного режимов с учетом поправочных коэффициентов.
По таблице стандартных сечений
предварительно намечаем кабель сечением 70 мм2, с допустимым
длительным током 165 А.
> Iр.нр
> Iр.пар
где: Iтаб.
- допустимая токовая нагрузка на жилу кабеля по ПУЭ;
К1 - поправочный коэффициент на
возможность кратковременной перегрузки кабеля в нормальном режиме работы (в
воздухе);
К2 - поправочный коэффициент на
перегрузку кабеля на период ликвидации аварии (в воздухе).
Окончательно принимаем кабель марки АСБл - 3×70.
После нахождения тока КЗ проверяем кабель на термическую стойкость.
Рисунок 5.2 - Схема канализации электрической
энергии
Таблица 5.3 - Выбор линий питания цеховых
трансформаторных подстанций
|
№
На плане
|
Линия
|
U, кВ
|
Sл,
кВА
|
Iрнр
А
|
Iрпар,
А
|
Fэ,
мм2
|
F,
мм2
|
Iтаб,
А
|
Iднр,
А
|
Iдпар,
А
|
Кабель
|
|
Трансформаторные
подстанции
|
|
2
|
ПГВ-ТП2
|
10
|
2929,48
|
84,567
|
169,134
|
70,4723
|
95
|
200
|
220
|
250
|
АСБл
- 3×95
|
|
3
|
ПГВ-ТП3
|
10
|
2486,35
|
71,775
|
143,549
|
59,8122
|
70
|
165
|
181,5
|
206,25
|
АСБл
- 3×70
|
|
4
|
ПГВ-ТП4
|
10
|
3683,27
|
106,327
|
212,654
|
88,6057
|
95
|
200
|
220
|
250
|
АСБл
- 3×95
|
|
5
|
ПГВ-ТП5
|
10
|
2447,99
|
70,6673
|
141,335
|
58,8894
|
70
|
165
|
181,5
|
206,25
|
АСБл
- 3×70
|
|
6
|
ПГВ-ТП6
|
10
|
736,044
|
21,248
|
42,4955
|
17,7065
|
25
|
85
|
93,5
|
106,25
|
АСБл
- 3×25
|
|
7
|
ПГВ-ТП7
|
10
|
117,59
|
3,394
|
6,78908
|
2,82879
|
16
|
60
|
66
|
75
|
АСБл
- 3×16
|
|
8
|
ПГВ-ТП8
|
10
|
311,126
|
8,981
|
17,9629
|
7,48453
|
16
|
60
|
66
|
75
|
АСБл
- 3×16
|
|
9
|
ПГВ-ТП9
|
10
|
1308,86
|
37,783
|
75,5672
|
31,4864
|
35
|
105
|
115,5
|
131,25
|
АСБл
- 3×35
|
|
10
|
ПГВ-ТП10
|
10
|
1289,95
|
37,237
|
74,4755
|
31,0314
|
35
|
105
|
115,5
|
131,25
|
АСБл
- 3×35
|
|
11
|
ПГВ-ТП11
|
10
|
1226,78
|
35,414
|
70,8281
|
29,5117
|
35
|
105
|
115,5
|
131,25
|
АСБл
- 3×35
|
|
12
|
ПГВ-ТП12
|
10
|
174,16
|
5,027
|
10,0551
|
4,18964
|
16
|
60
|
66
|
75
|
АСБл
- 3×16
|
|
13
|
ПГВ-ТП13
|
10
|
165,375
|
4,773
|
9,54792
|
3,9783
|
16
|
60
|
66
|
75
|
АСБл
- 3×16
|
|
14
|
ПГВ-ТП14
|
10
|
406,346
|
11,730
|
23,4604
|
9,77516
|
16
|
60
|
66
|
75
|
АСБл
- 3×16
|
|
15
|
ПГВ-ТП15
|
10
|
65,777
|
1,898
|
3,79764
|
1,58235
|
16
|
60
|
66
|
75
|
АСБл
- 3×16
|
|
16
|
ПГВ-ТП16
|
10
|
499,066
|
14,406
|
28,8136
|
12,0057
|
16
|
60
|
75
|
АСБл
- 3×16
|
|
17
|
ПГВ-ТП17
|
10
|
139,596
|
4,029
|
8,05957
|
3,35815
|
16
|
60
|
66
|
75
|
АСБл
- 3×16
|
|
18
|
ПГВ-ТП18
|
10
|
163,062
|
4,707
|
9,41437
|
3,92265
|
16
|
60
|
66
|
75
|
АСБл
- 3×16
|
|
19
|
ПГВ-ТП19
|
10
|
55,993
|
1,616
|
3,23276
|
1,34698
|
16
|
60
|
66
|
75
|
АСБл
- 3×16
|
|
Силовые
пункты
|
|
1
|
ТП15-СП1
|
0,4
|
251,184
|
7,25106
|
14,5021
|
6,04255
|
10
|
60
|
66
|
75
|
АСБл
- 3×10
|
|
20
|
ТП19-СП20
|
0,4
|
4,98626
|
0,14394
|
0,28788
|
0,11995
|
6
|
61
|
67,1
|
76,25
|
АСБл
- 3×6
|
6. Расчет токов короткого замыкания в СЭС
Основной причиной нарушения нормального режима
работы системы электроснабжения является возникновение коротких замыканий в
сети. Для снижения ущерба, обусловленного выходам из строя электрооборудования
при протекании токов короткого замыкания, а также для быстрого восстановления
нормального режима работы системы электроснабжения, необходимо правильно
определить токи короткого замыкания и после чего выбрать электрооборудование,
защитную аппаратуру и средства ограничения токов короткого замыкания. При
возникновении токов короткого замыкания имеет место увеличение токов в фазах
системы по сравнению с их значениями в нормальном режиме работы.
Определение токов КЗ зависит от требований к
точности результатов, от исходных данных и назначения расчета. В общем случае
токи КЗ определяются переходными процессами в электрических цепях, изучаемых
теоретическими основами электротехники. Расчет токов КЗ в электрических сетях
промышленных предприятий несколько отличается от расчетов, осуществляемых в
электрических сетях и системах. Это объясняется возможностью не выделять (не
учитывать) турбо- и гидрогенераторы электростанций, подпитку от нескольких
источников питания, работу разветвленных сложных кольцевых схем, свойства
дальних ЛЭП, действительные коэффициенты трансформации.
Для выбора аппаратов и проводников, для
определения воздействия на несущие конструкции при расчете токов КЗ исходят из
следующих положений. Все источники, участвующие в питании рассматриваемой
точки, работают с номинальной нагрузкой. Синхронные машины имеют автоматические
регуляторы напряжения и устройства быстродействующей форсировки возбуждения.
Короткое замыкание наступает в такой момент времени, при котором ток КЗ имеет
наибольшее значение. Электродвижущие силы всех источников питания совпадают по
фазе. Расчетное напряжение каждой ступени принимают на 5% выше номинального
напряжения сети
Расчётным видом для выбора или проверки
электрооборудования обычно является трёхфазное короткое замыкания. Для решения
большинства технических задач вводят допущения, которые не дают существенных
погрешностей:
·
не
учитывается сдвиг по фазе ЭДС различных источников питания, входящих в
расчётную схему;
·
трёхфазная
сеть принимается симметричной;
·
не
учитываются токи нагрузки;
·
не
учитываются ёмкостные токи в ВЛ и КЛ;
·
не
учитывается насыщение магнитных систем;
·
не
учитываются токи намагничивания трансформатора.
Учитывают влияние на токи КЗ присоединенных к
данной сети синхронных компенсаторов, синхронных и асинхронных
электродвигателей. Влияние асинхронных электродвигателей на токи КЗ не
учитывают:
·
при
единичной мощности электродвигателей до 100 кВт;
·
если
электродвигатели отдалены от места КЗ ступенью трансформации.
В электроустановках напряжением выше 1 кВ
учитывают индуктивные сопротивления электрических машин, силовых
трансформаторов и автотрансформаторов, реакторов, воздушных и кабельных линий,
токопроводов. Активное сопротивление следует учитывать только для воздушных линий
с проводами малых площадей сечений и стальными проводами, а также для
протяжённых кабельных сетей малых сечений с большим активным сопротивлением.
В электроустановках напряжением до 1 кВ
учитывают индуктивные и активные сопротивления всех элементов короткозамкнутой
цепи. При этом следует отметить, что влияние сопротивления энергосистемы на
результаты расчета токов КЗ на стороне до 1 кВ невелико. Поэтому в практических
расчётах сопротивлением на стороне 6 - 10 кВ часто пренебрегают, считая его
равным нулю. В случае питания электрических сетей напряжением до 1 кВ от
понижающих трансформаторов при расчете токов КЗ следует исходить из условия,
что подведенное к трансформатору напряжение неизменно и равно его номинальному
значению.
Требования к расчёту токов КЗ для релейной
защиты и системной автоматики несколько отличаются от требований к расчёту для
выбора аппаратов и проводников. Требования к точности расчётов токов КЗ для
выбора заземляющих устройств невысоки из-за низкой точности методов определения
других параметров, входящих в расчёт заземляющих устройств (например, удельного
сопротивления грунта). Поэтому для выбора заземляющих устройств допускается
определять значения токов КЗ приближенным способом.
Расчётная схема для определения токов КЗ
представляет собой схему в однолинейном исполнении, в которую введены элементы
оказывающие влияние на ток КЗ, связывающие источники электроэнергии с местом
КЗ. Расчётная схема должна учитывать перспективу развития внешних сетей и
генерирующих источников, с которыми электрически связывается рассматриваемая
установка.
По расчётной схеме составляют схему замещения, в
которой трансформаторные связи заменяют электрическими. Элементы системы
электроснабжения, связывающие источники электроэнергии с местом КЗ, вводят в
схему замещения сопротивлениями, а источники энергии - сопротивлениями и ЭДС.
Сопротивления и ЭДС схемы замещения должны быть приведены к одной ступени
напряжения.
Расчёт токов КЗ проводится для выбора и проверки
электрооборудования с целью обеспечения СЭС надёжными в работе
электроаппаратами.
Произведем расчёт токов КЗ (трёхфазное КЗ) в
трёх точках:
· на линейном вводе ВН трансформатора
ППЭ;
· на секции шин 10 кВ ППЭ;
· на шинах 0,4 кВ наиболее мощной
цеховой подстанции.
Рассчитать параметры схемы замещения и токи
короткого замыкания в точках К1 - К5 для схемы электроснабжения пункта приема
электроэнергии (ППЭ) промышленного предприятия.
Рисунок 6.1 - к расчету токов к.з.; а -
принципиальная схема; б,в - схемы замещения.
Расчет токов короткого замыкания в точке К-1
Принимаем базисные условия:
;
;
;
Базисный ток:
Сопротивление воздушной линии:
Полное сопротивление:
Начальное значение периодической
составляющей тока КЗ в точке К-1.
Ударный ток КЗ:
Расчет токов короткого замыкания в точке К-2
Базисные условия:
;
;
Базисный ток:
Сопротивление трансформатора
На фабрике нет синхронных
двигателей. Поэтому ток подпитки системы от СД не рассчитываем.
Ударный ток короткого замыкания в
точке К-2:
Расчет токов короткого замыкания в точке К-3
Расчет начинаем с определения сопротивлений всех
элементов схемы замещения.=920 м, R0=1,15 Ом/км; X0=0,102
Ом/км;
Начальное значение периодической
составляющей тока КЗ в точке К-3:
Ударный ток КЗ:
Расчет токов короткого замыкания в точке К-4
Систему принимаем системой бесконечной мощности,
сопротивление системы равно 0 (Sс
= ∞; Xс
= 0).
Сопротивление силового трансформатора ТП15:тр=1
мОм; Хтр=5,4 мОм,
Сопротивление трансформатора тока:
Rтт=0,05
мОм; Xтт=0,07
мОм,
Сопротивление автоматического выключателя:
Rав=0,41
мОм; Xав=0,13
мОм,
Сопротивление контактов:
Rк=0,01
мОм для контактных соединений шинопровода.
Rка=1
мОм для контактных соединений коммутационных аппаратов.
Сопротивление шин:
Rш=0,033
мОм; Xш=0,015
мОм,
Сопротивление дуги:
Rд=4
мОм,
Полное сопротивление:
Начальное значение периодической
составляющей тока КЗ в точке К-3.
Ударный ток КЗ.
Таблица 6.1 - Токи короткого замыкания
|
Точка
КЗ
|
К1
|
К2
|
К3
|
К4
|
|
Iпо,кА
|
4,341
|
4,115
|
1,667
|
26,88
|
|
Iуд,кА
|
7,574
|
7,181
|
2,91
|
46,909
|
7. Выбор
и проверка элементов в системы электроснабжения предприятия
Целью выбора аппаратуры является обеспечение
электроустановки надёжным в работе, безопасным в обслуживании и безопасным в
монтаже и эксплуатации оборудованием. Электрические аппараты работают в трёх
основных режимах: в длительном, режиме перегрузки и в режиме КЗ.
В длительном режиме надёжная работа аппаратов
обеспечивается правильным выбором их по номинальному напряжению и току.
В режиме перегрузки надёжная работа аппаратов
обеспечивается ограничением значения и длительности повышения напряжения или
тока в таких пределах, при которых ещё гарантируется нормальная работа
электрических установок за счёт запаса прочности.
В режиме КЗ надёжная работа аппаратов
обеспечивается соответствием выбранных параметров устройств по условиям
термической и электрической стойкости.
Ток в питающей линии ВЛЭП в нормальном режиме Iл.нр
= 47,576 А, а послеаварийном режиме Iл.пар
= 95,152 А.
Предварительно выбираем выключатель
МКП-110Б-630-20У1.
Таблица 7.1 - Данные для выбора
высоковольтного выключателя
|
Расчётный
параметр цепи.
|
Каталожные
данные аппарата.
|
Условия
выбора и проверки.
|
|
Uуст = 110 кВ
|
Uном = 110 кВ
|
Uном ≥ Uуст
|
|
Iраб.max = 95,152 А
|
Iном = 630 А
|
Iном ≥ Iраб.max
|
|
IПО = 4,341
кА
|
Iоткл = 20 кА
|
Iоткл ≥ IПО
|
|
iуд =7,574 кА
|
im.дин = 80 кА
|
Im.дин ≥ iуд
|
|
Вк
= 267,64 А2/с
|
Iт / tт = 20 кА /
3 с
|
|
|
tсоб.выкл = 0,05 с
|
|
Выключатель по условиям проверки проходит.
Принимаем его к установке.
Выбор и проверка разъединителей на стороне ВН
Таблица 7.2 - Данные для выбора разъединителя.
|
Расчётный
параметр цепи
|
Каталожные
данные аппарата
|
Условия
выбора и проверки
|
|
Uуст = 10 кВ
|
Uном = 10 кВ
|
Uном ≥ Uуст
|
|
Iраб.max = 128,59
А
|
Iном = 1000 А
|
Iном ≥ Iраб.max
|
|
iуд =24,7 кА
|
im.дин = 80 кА
|
Im.дин ≥ iуд
|
|
Вк
= 267,64 А2/с
|
Iт / tт = 20 кА /
3 с
|
|
Намечаем разъединитель РНД-110/1000У1.
Разъединитель проходит по условиям проверки.
Принимаем его к установке.
Выбор и проверка выключателей на стороне 10 кВ
Ток в послеаварийном режиме:
Намечаем вакуумный выключатель ВВЭ
10-20/1600УЗ.
Таблица 7.3 - Данные для выбора
выключателя на стороне 10 кВ.
|
Расчётный
параметр цепи
|
Каталожные
данные аппарата
|
Условия
выбора и проверки
|
|
Uуст = 10 кВ
|
Uном = 10 кВ Umax
= 12 кВ
|
Uном ≥ Uуст
|
|
Iраб.max = 523,333
А
|
Iном = 1600 А
|
Iном ≥ Iраб.max
|
|
IПО = 4,115
кА
|
Iоткл = 40 кА
|
Iоткл ≥ IПО
|
|
iуд = 7,181
кА
|
im.дин = 128 кА
|
Im.дин ≥ iуд
|
|
Вк
= 23 А2/с
|
Iт / tт = 20 кА /
3 с
|
|
|
tсоб.выкл = 0,05 с
|
tсоб.выкл
|
Выключатель по условиям проверки проходит.
Принимаем его к установке.
Для установки на ПГВ (РУ НН) принимаем КРУ 6-10
кВ, серии К-104 М(С1). Комплектные распределительные устройства внутренней
установки двухстороннего обслуживания, предназначены для приёма и распределения
электроэнергии трёхфазного переменного тока частотой 50 и 60 Гц. Возможно
изготовление по нетиповым схемам. Технические данные КРУ представлены в таблице
7.4.
Таблица 7.4 - Технические данные КРУ
|
Параметры
|
Значения
|
|
Номинальное
напряжение (линейное),кВ
|
6;
10
|
|
Максимальное
рабочее напряжение, кВ
|
7,2;
12
|
|
Номинальный
ток главных цепей, А
|
400;
630; 800;1000; 1250; 1600
|
|
Номинальный
ток сборных шин, А
|
1600;
2000; 3150
|
|
Номинальный
ток отключения выключателей, кА
|
16;
20; 31,5; 40; 50
|
|
Ток
термической стойкости (3 с. для главных цепей; 1 с. для заземляющих ножей),
кА
|
20;
31,5; 40
|
|
Номинальный
ток электродинамической стойкости главных цепей, кА
|
40;
50; 80; 128
|
|
Номинальный
ток плавких вставок, А
|
80
- при Uн = 6 кВ;
20 - при Uн = 10 кВ
|
|
Номинальная
мощность встраиваемых трансформаторов СН, кВА
|
40
|
|
Ток
хх, отключаемый разъёмными контактными соединениями, А
|
0,6
- при Uн = 6 кВ;
0,4 - при Uн = 10 кВ
|
|
Номинальное
напряжение вспомогательных цепей, В
|
220;
110 - для постоянного тока; 220 - для переменного тока
|
|
Степень
защиты по ГОСТ 14254-96
|
IP-20 при закрытых дверях
шкафа; IP-00 при
открытых дверях; IP-40 для шкафов с элегазовыми
выключателями; IP-21; IP-41 - по
спецзаказам
|
|
Уровень
изоляции по ГОСТ 1516.1-76
|
нормальная
|
|
Вид
изоляции
|
воздушная
|
|
Наличие
изоляции токоведущих частей
|
с
неизолированными шинами
|
|
Вид
управления
|
Местное,
дистанционное
|
Выбор трансформаторов тока.
Выбор трансформаторов тока состоит: из выбора
типа, сопоставленной ожидаемой и номинальной нагрузки, проверки на термическую
и электродинамическую устойчивость. Тип ТТ определяется номинальным рабочим
током присоединения, номинальным напряжением установки, требованиями в
отношении точности измерения. Предполагается установить ТТ с номинальным
длительным током 2000 А и классом точности вторичной обмотки 0,5 и 10Р (0,5 -
для подключения измерительных приборов, 10Р - для релейной защиты) внутренней
установки. Марка ТТ ТШЛ-10.
Таблица 7.5 - Данные для выбора трансформаторов тока
|
Расчётный
параметр цепи.
|
Каталожные
данные аппарата
|
Условия
выбора и проверки.
|
|
Uуст = 10 кВ
|
Uном = 10 кВ
|
Uном ≥ Uуст
|
|
Iраб.max = 523,33
А
|
Iном = 2000 А
|
Iном ≥ Iраб.max
|
|
IПО = 4,115
кА
|
Iоткл = 46 кА
|
Iоткл ≥ IПО
|
|
iуд = 7,181
кА
|
im.дин = 70 кА
|
Im.дин ≥ iуд
|
|
Вк
= 23 А2/с
|
Iт / tт = 40 кА /
3 с
|
|
|
Z2 = 0,405
Ом
|
Z2н = 0,8 Ом
|
Z2ном ≥ Z2
|
Проверку на динамическую стойкость не делаем,
т.к. это - шинный ТТ. ТТ включены в сеть по схеме «неполной звезды» на разность
тока двух фаз (рисунок 7.1).
Чтобы ТТ не вышел за заданные пределы класса
точности, необходимо выполнение условия:
Z2ном
≥ Z2
где: Z2ном
- допустимая нагрузка ТТ в выбранном классе точности;
Z2
- расчётная вторичная нагрузка ТТ.
Рисунок 7.1 - Схема включения приборов к ТТ.
где: Rприб
- суммарное сопротивление приборов;
Rпр
- сопротивление соединительных проводов;
Rк
- сопротивление контактов.
Для определения сопротивления приборов,
питающихся от ТТ, необходимо составить таблицу - перечень электроизмерительных
приборов, устанавливаемых в данном присоединении.
Таблица 7.6 - Перечень электроизмерительных
приборов
|
Наименование
прибора
|
Количество
|
Sпр.А, ВА
|
Sпр.С, ВА
|
|
Амперметр
Э-365
|
1
|
0,1
|
-
|
|
Ваттметр
Д-335
|
1
|
0,5
|
0,5
|
|
Варметр
Д-335
|
1
|
0,5
|
0,5
|
|
Счётчик
активной мощности СА4У
|
1
|
2,5
|
2,5
|
|
Счётчик
реактивной мощности СР4У
|
1
|
2,5
|
2,5
|
|
Сумма
|
|
6,1
|
|
Суммарное сопротивление приборов рассчитывается
по суммарной мощности:
Сопротивление соединительных
проводов определяем по площади сечения и длине проводов (при установке приборов
в шкафах КРУ1 = 5 м, т.к. схема соединения - «неполная звезда», то
):
Сопротивление контактов Rк = 0,1 Ом
(т.к. приборов более 3), тогда:
ТТ по условиям проверки проходит.
Выбор и проверка трансформаторов
напряжения.
Трансформатор напряжения на ПГВ (РУ
НН) выбираем по конструкции, схеме соединения и по условиям выбора:
· Uс.ном
= U1ном,
где: Uс.ном
- номинальное напряжение сети, к которой присоединяется ТН;
U1ном
- номинальное напряжение первичной обмотки трансформатора;
· классу точности;
· S2ном
≥ S2расч,
где: S2ном
- номинальная мощность вторичной цепи ТН, обеспечивающая его работу в заданном
классе точности;
S2расч
- расчётная мощность, потребляемая вторичной цепью.
Схема подключения измерительных приборов
показана на рисунке 7.2.
Рисунок 7.2 - Схема подключения измерительных
приборов к ТН
Схема соединения обмоток трансформатора и
катушек приборов различны. Поэтому ТН проверяется на точность измерения
приближённо, сравнивая суммарную трёхфазную нагрузку от всех измерительных
приборов с трёхфазной номинальной мощностью трансформатора в классе точности
0,5.
Суммарная мощность приборов и расчётные величины
приведены в таблице 7.7.
Таблица 7.7 - Суммарная мощность приборов и
расчётные величины
|
Наименование
прибора
|
Количество
|
Sпр, ВА
|
SΣпр, ВА
|
|
Вольтметр
Э-365
|
1
|
2,0
|
2,0
|
|
Ваттметр
Д-335
|
1
|
1,5
|
1,5
|
|
Варметр
Д-335
|
1
|
1,5
|
1,5
|
|
Частотомер
Д-337
|
1
|
3
|
3
|
|
Счётчик
активной мощности СА4У
|
9
|
2,5
|
22,5
|
|
Счётчик
реактивной мощности СР4У
|
9
|
2,5
|
22,5
|
|
Сумма
|
|
|
53,0
|
с.ном
= U1ном
= 6 кВ; класс точности 1; 2ном = 200 ВА > S2расч
= 53 ВА.
Таким образом, ТН подобран правильно.
Проверка кабельных линий на термическую
стойкость к токам КЗ
Минимальное сечение проводника, отвечающее
требованию его термической стойкости при КЗ, т.е. такое сечение, которое при
заданном токе КЗ обуславливает нагрев проводника до кратковременно допустимой
температуры. Минимально допустимое сечение определяется по формуле:
;
где: С - тепловая функция (для кабелей 6 кВ с
алюминиевыми жилами и бумажной изоляцией С = 88 А.с2/мм2).
8. Релейная защита
В электрических сетях промышленных предприятий
возможно возникновение повреждений, нарушающих нормальную работу
электроустановок. Наиболее распространенными и опасными видами повреждений
являются короткие замыкания, к ненормальным режимам относятся перегрузки.
Повреждения и ненормальные режимы могут привести к аварии всей СЭС или ее
части, сопровождающейся недоотпуском электроэнергии или разрушением основного
электрооборудования.
Предотвратить возникновение аварий можно путем
быстрого отключения поврежденного элемента или участка сети. Для этой цели
электрические установки снабжают автоматически действующими устройствами
релейной защиты (РЗ), являющейся одним из видов послеаварийной автоматики. РЗ
может быть предназначена для сигнализации о нарушениях в сетях. При повреждении
в цепи РЗ выявляет поврежденный участок и отключает его, воздействуя на
коммутационные аппараты. При ненормальных режимах (недлительные перегрузки,
замыкание фазы на землю в сетях с изолированной нейтралью, понижение уровня
масла в расширителе трансформатора и т.д.), РЗ действует на сигнал. На
подстанциях без постоянного обслуживающего персонала те же защиты действуют на
отключение, но обязательно с выдержкой времени.
Основными требованиями к РЗ являются:
· быстродействие;
· селективность;
· чувствительность;
· надежность.
Для трансформаторов ППЭ предусматриваются
устройства РЗ от многофазных КЗ в обмотках и на выводах, присоединенных к сетям
с глухо-заземленной нейтралью, витковых замыканий в обмотках, токов в обмотках,
токов в обмотке при внешних КЗ и перегрузках, понижение уровня масла в
трансформаторах.
Газовая защита реагирует на образование газов,
сопровождающих повреждения внутри кожуха трансформатора, в отсеке переключателя
отпаек устройства РПН, при чрезмерном понижении уровня масла.
В качестве реле защиты используется газовое
реле. При наличии двух контактов газового реле защита действует на сигнал или
отключение. Предусмотрена возможность перевода действия отключающего контакта
газового реле на сигнал и выполнение раздельной сигнализации от сигнального или
отключающего контактов реле.
Газовая защита устанавливается на трансформаторы
ППЭ и на внутрицеховые трансформаторы мощностью 630 кВ и более.
Применяется реле типа РГУЗ - 66. Характер повреждения
устанавливают по цвету газа.
Продольная дифференциальная защита действует без
выдержки времени на отключение поврежденного трансформатора от неповрежденной
части энергосистемы с помощью выключателей. Продольная защита осуществляется с
помощью реле тока, обладающим улучшенной отстройкой от бросков тока
намагничивания, переходных и установившихся токов небаланса. Диф. защита
трансформатора с реле ДЗТ - 11 или РНТ-565 выполняется так, чтобы при
внутренних повреждениях трансформатора торможение было минимальным или совсем
отсутствовало. Поэтому тормозная обмотка реле обычно подключается к
трансформаторам тока.
Рассчитать параметры срабатывания продольной
дифференциальной защиты (ДЗТ) на основе реле РНТ-565 и ДЗТ-11, максимальной
токовой защиты (МТЗ) трансформатора Т1, токовой отсечки без выдержки
времени (МТО), комбинированной токовой отсечки (ТО) и максимальной токовой
защиты воздушной линии (ВЛ) W1
для схемы электроснабжения ППЭ предприятия (рисунок 8.1).
Рисунок 8.1 - Схема электроснабжения ППЭ
Рассчитать параметры срабатывания продольной
дифференциальной защиты (реле РНТ - 565 и ДЗТ - 11), максимальной токовой
защиты трансформатора Т1, токовой отсечки без выдержки времени и
максимальной токовой защиты воздушной линии W1
для схемы электроснабжения ГПП промышленного предприятия.
Исходные данные:
Трансформатор Т1: ТДН-16000/110; Uк%min
=
9,8%; Uк%max
=
11,71%;
Система: SGH
=
1100 МВА; Х*Gmax
=
1,0; X*min
=
1,3;
Воздушная линия: W1
=
5 км; r01 =
0,428 Ом/км; х01 = 0,444 Ом/км;
Кабельные линии: W2
=
1×0,92
км; r02 =
1,15 Ом/км; х02 = 0,102 Ом/км;
Время срабатывания защиты W2:
tСЗW2
=
1 с;
Нагрузка: Sнагр.
=
0,103 ST1H;
X*нагр. =
0,35
8.1 Расчет параметров схемы замещения
Схема замещения для расчета токов КЗ представлена
на рисунке 8.2.
Рисунок 8.2 - Схема замещения СЭС
Расчет параметров схемы замещения.
Базисное напряжение:
Сопротивления системы в максимальном
и минимальном режимах:
Сопротивления ВЛ W1:
Сопротивления трансформатора Т1:
Т.к.
> Umax.доп, то
принимаем UmaxBH = Umax.доп = 126 кВ
(для сетей Uн = 110 кВ - Umax.доп = 126 кВ).
Сопротивления КЛ W2:
.2 Расчет токов короткого замыкания
Вычисление максимально возможного
тока
производится
при наименьшем сопротивлении системы в максимальном её режиме (хGmax отнесённому
к среднему напряжению сети ВН) и хТ1min.
Для практических расчётов токов К.З.
за понижающим трансформатором можно воспользоваться методом наложения аварийных
токов на токи нагрузки трансформатора в предаварийном режиме. В основу метода
положено предположение о постоянстве номинального напряжения на стороне НН или
СН трансформатора которое обеспечивается автоматикой РПН.
В целях упрощения практических
расчётов определение
можно
производить по выражению:
Точка К1
Ток при трехфазном металлическом КЗ в
максимальном и минимальном режимах работы СЭС:
Минимальный ток двухфазного КЗ:
Точка К2
Ток при трехфазном металлическом КЗ
в максимальном и минимальном режимах работы СЭС:
Минимальный ток двухфазного КЗ:
Точка К3
Ток при трехфазном металлическом КЗ
в максимальном и минимальном режимах работы СЭС:
Минимальный ток двухфазного КЗ:
Точка К4
Вычисления максимально возможного
тока КЗ (
) производим
при наименьшем сопротивлении СЭС в максимальном режиме работы (ХGmax) и
минимальном сопротивлении трансформатора (ХТ1min). В
расчетах токов КЗ за понижающим трансформатором, пользуемся методом наложения
аварийных токов на токи нагрузки трансформатора в предаварийном режиме. В
основу метода положено предположение о постоянстве номинального напряжения (Uном) на
сторонах СН и НН трансформатора, которое обеспечивается автоматикой РПН.
Максимальный ток трехфазного КЗ
приведенный к ВН:
Максимальный ток трехфазного КЗ
приведенный к НН:
Приведение (
) к
нерегулируемой стороне НН производим не по среднему коэффициенту трансформации,
а по минимальному, соответствующему тому же крайнему положению РПН, при котором
вычисляется этот ток.
Вычисления минимального тока КЗ (
) производим
по наибольшему сопротивлению СЭС в минимальном режиме ее работы (ХGmin) и
наибольшем сопротивлении трансформатора (ХТ1max).
Минимальный ток двухфазного КЗ:
Точка К5
Максимальный и минимальный ток
трехфазного КЗ:
Минимальный ток двухфазного КЗ:
Результаты расчетов токов КЗ
представлены в таблице 8.2.
Таблица 8.2 - Результаты расчетов
токов КЗ
|
Точка
КЗ Ток КЗ
|
К1
|
К2
|
К3
|
К4
|
К5
|
5,5225,0394,610,889
13,0120,188
4,2483,9583,6930,543
20,7550,201
3,6793,4283,1980,47
17,9740,444
8.3 Расчет дифференциальной токовой защиты
трансформатора на основе реле РНТ-565
При выборе схемы ДЗТ рассматриваем возможность
использования реле РНТ-565. Если чувствительность защиты с реле РНТ-565
окажется недостаточной, то используем более сложную ДЗТ на основе применения
реле с торможением ДЗТ-11.
Рисунок 8.3 - Упрощенная схема дифференциальной
защиты 2х обмоточного трансформатора на реле с НТТ серии РНТ-565:
TLAT -
насыщающийся ТТ - плохо трансформирует во вторичную обмотку апериодические
составляющие бросков намагничивающих токов, переходных токов небаланса;
ωр
(ωд) - рабочая
(дифференциальная) обмотка, включенная на разность вторичных токов;
ωур1;
ωур2 - уравнительные
обмотки для уравнивания вторичных токов;
ωк
- короткозамкнутая обмотка (повышает отстройку реле от токов небаланса и
бросков намагничивающих токов).
Рисунок 8.4- Схема включения первичной обмотки
НТТ реле РНТ-565 для защиты двухобмоточного трансформатора
В этом случае достаточно использовать только
уравнительные обмотки: зажимы 2 и 6 реле соединяются, а перемычка 2-4
размыкается т.е. ωр
остается разомкнутой.
Первичные и вторичные токи на сторонах ВН и НН
трансформатора, соответствующие его номинальной мощности представлены в таблице
8.3.
Таблица 8.3 - Первичные и вторичные токи на
сторонах ВН и НН трансформатора
|
Наименование
величины
|
Обозначение
и метод опр.
|
Числовые
значения
|
|
|
ВН
|
НН
|
|
Первичный
ток на сторонах за-щищаемого трансформатора, соответствующий его номинальной
мощности (А).
|
 
|
|
|
|
Схема
соединения ТТ (коэффициент схемы Ксх).
|
-
|
Y(1)
|
|
Коэффициент трансформации ТТ. 
принимаем (30)
|
принимаем
(300)
|
|
|
|
|
Вторичный
ток в плечах защиты (А).
|
 
|
|
|
Максимальный первичный ток, проходящий через
трансформатор при КЗ между тремя фазами на шинах НН (в точке К4):
Первичный ток небаланса без учета
составляющей
, т.к. пока
неизвестно насколько точно будет подобрано число витков уравнительных обмоток:
где:
- составляющая, обуславливающаяся
погрешностью ТТ;
- составляющая, обуславливающаяся
регулированием напряжения защищаемого трансформатора.
где: Ка - коэффициент апериодичности,
учитывающий переходный режим;
Кодн. - коэффициент однотипности;
ε - относительное
значение тока намагничивания, равное полной погрешности ТТ.
Предварительной
ток
срабатывания защиты по двум расчетным условиям:
) по условию отстройки от тока
небаланса:
где: Ко = 1,3 - коэффициент
отстройки, учитывающий погрешности реле и необходимый запас;
) по условию отстройки от броска тока
намагничивания:
где: Ко = 1,3 - коэффициент отстройки
защиты от бросков тока намагничивания, принимаемый при условии, что надежность
отстройки уточняется при первом (5-кратном) включении трансформатора под
напряжение;
IнТ
- номинальный ток трансформатора.
К дальнейшему расчету принимаем
больший ток срабатывания защиты:
Предварительная проверка чувствительности защиты
при повреждениях в зоне ее действия.
Продольная ДЗТ по требованию ПУЭ должна иметь
коэффициент чувствительности около 2,0. Допускается снижение коэффициента
чувствительности до значения около 1,5 в тех случаях, когда обеспечение
коэффициента чувствительности около 2,0 связано со значительным усложнением
защиты или технически недостижимо.
Т.к. Кч получился больше
минимально допустимого требуемого ПУЭ значения, то расчет продолжаем.
Число витков обмоток реле, с учетом
того, что на коммутаторе реле РНТ-565 можно подобрать практически любое целое
число витков как рабочей, так и уравнительной обмоток. Расчет начинаем с выбора
числа витков для стороны 6 кВ защищаемого трансформатора.
где: Fср
= 100А - магнитодвижущая сила срабатывания реле;
Iср.осн
- ток срабатывания реле, отнесенный к основной стороне, определяемый
приведением первичного тока срабатывания защиты ко вторичным цепям ТТ основной
стороны.
В качестве ωосн
предварительно принимаем ближайшее меньшее целое число витков: ωосн = 6 витков
Число витков ω1расч. обмотки НТТ
реле для не основной стороны защищаемого трансформатора:
где: Iосн.В
и I1В
- вторичные токи в плечах защиты для основной и не основной стороны,
соответствующие номинальной мощности трансформатора.
Предварительно принимаем ближайшее целое число
витков:
ω1
= ω2ур = 6 витков,
Ток небаланса с учетом составляющей
:
Ток срабатывания защиты на основной
стороне:
Окончательное значение коэффициента
отстройки защиты:
условие выполняется.
Коэффициент чувствительности для
тока срабатывания защиты, соответствующего окончательно принятому:
< 2
< 2
Т.к. коэффициент чувствительности не
удовлетворяет требованиям ПУЭ (КЧ ≥ 2), то применяем схему
защиты на основе реле ДЗТ-11.
8.4 Расчет параметров срабатывания
дифференциальной токовой защиты трансформатора на основе реле ДЗТ-11
Для повышения чувствительности продольных ДЗТ
широко используется принцип торможения сквозным током.
Рисунок 8.5 -Упрощенная схема дифференциальной
защиты 2х обмоточного трансформатора на реле серии ДЗТ-11
На трехстержневом магнитопроводе НТТ имеется
дополнительная тормозная обмотка ωт,
расположенная на тех же крайних стержнях, что и вторичная обмотка ω2.
Тормозная обмотка ωт
включена в одно из плеч защиты (на понижающих трансформаторах включена со стороны,
противоположной питающей, т.е. на стороне НН и СН) и при внешних КЗ по ней
проходит вторичный ток КЗ. Эта обмотка осуществляет «магнитное» торможение,
т.е. автоматическое увеличение тока срабатывания защиты (загрубление) по мере
увеличения тормозного тока Iт,
равного вторичному току КЗ. Загрубление реле вызывается тем, что ток Iт
дополнительно насыщает магнитопровод НТТ реле ДЗТ, при этом ухудшается
трансформация первичного тока НТТ в его вторичную обмотку ω2
и, следовательно, уменьшается ток в КА.
Первичные токи для всех сторон защищаемого
трансформатора, соответствующие его номинальной мощности. По этим токам
определяем соответствующие вторичные токи в плечах защиты, исходя из
коэффициента трансформации ТТ К1 и коэффициента схемы Ксх.
Максимальный первичный ток,
проходящий через трансформатор при трехфазном КЗ на шинах НН в точке К4:
Тормозная обмотка подключается со стороны
противоположной питающей, т.е. к стороне НН.
Ток срабатывания защиты по условию отстройки от броска
тока намагничивания при включении не нагруженного трансформатора:
где: Ко = 1,5 - коэффициент отстройки
защиты от бросков тока намагничивания (больше, чем для реле РНТ-565, т.к. в
ДЗТ-11 отсутствует короткозамкнутая обмотка НТТ).
Число витков рабочей обмотки НТТ реле для
основной стороны исходя из значения тока срабатывания защиты:
Принимаем ближайшее, меньшее целое
число витков: ωосн = 15
витков.
При пересчете ток срабатывания защит
будет равен:
Число витков ω1расч. обмотки НТТ
реле для не основной стороны защищаемого трансформатора:
Проверка равенства магнитодвижущих
сил в плечах защиты:
,05 ≈ 70,018
Первичный ток небаланса:
Необходимое число витков тормозной
обмотки:
где: IНБ и Iторм - соответственно
первичный ток небаланса и первичный тормозной ток при расчетном внешнем КЗ на
той стороне трансформатора, где включена тормозная обмотка (
);
ωраб
- число витков рабочей обмотки НТТ реле на стороне, к которой присоединена
тормозная обмотка; при этом учитывается принятое число витков, если
рассматриваемая сторона является основной, и расчетное число витков, если эта
сторона является не основной;
Ко = 1,5 - коэффициент отстройки,
учитывает ошибку реле и необходимый запас;
tgα - тангенс
угла наклона к оси абсцисс касательной проведенной из начала координат к
характеристике срабатывания реле, соответствующей минимальному торможению (для
реле ДЗТ-11 - tgα = 0,75).
На тормозной обмотке ДЗТ-11 могут быть
установлены следующие числа витков: 1, 3, 5, 7, 9, 11, 13, 18, 24. В качестве ωТ
принимаем ближайшее большее по отношению к ωТ.расч
число витков: ωТ
= 9 витков.
Чувствительность защиты при металлическом КЗ в
защищаемой зоне, когда торможение отсутствует. Рассматриваем КЗ между двумя
фазами на стороне НН трансформатора при раздельной работе трансформаторов в
минимальном режиме работы СЭС. Ток проходит только через ТТ стороны ВН:
Чувствительность защиты
удовлетворяет требованиям ПУЭ. Т.к. рассмотрен минимальный режим при наличии
РПН, то во всех других режимах коэффициент чувствительности будет больше
вычисленного.
.5 Расчет параметров срабатывания
максимальной токовой защиты трансформатора
МТЗ срабатывает при увеличении тока
защищаемого элемента сверх установленного тока срабатывания (уставки).
Для предотвращения излишних
(неселективных) срабатываний при внешних КЗ логическая часть защиты должна
обязательно иметь орган выдержки времени, замедляющий ее действие на время,
необходимое для срабатывания защиты поврежденного элемента. А для
предотвращения излишних срабатываний при перегрузках измерительная часть защиты
должна иметь ток срабатывания (уставку) больший, чем максимально возможный ток
перегрузки.
Рисунок 8.6 - Функциональная схема МТЗ
Достоинства МТЗ:
· простота выполнения и обслуживания;
· малая стоимость.
Недостатки МТЗ:
· трудность отстройки от токов
перегрузки;
· относительно медленное отключение КЗ
(до нескольких секунд);
· невозможность селективной настройки
в сетях с двухсторонним питанием, а также при параллельно работающих
трансформаторах и ЛЭП.
МТЗ устанавливается в обязательном порядке на
понижающих трансформаторах практически любой мощности либо в качестве основной,
либо вспомогательной (резервной) защиты (ПУЭ).
На трансформаторах мощностью менее 1 МВА МТЗ
является основной защитой от токов, обусловленных КЗ в трансформаторе, т.к. на
этих трансформаторах обычно не установлены дифференциальная и газовая защиты.
МТЗ кроме того является основной защитой шин НН,
а также резервной защитой для элементов сети НН.
На трансформаторах мощностью 1 МВА и более МТЗ
предназначена для действия в качестве основной защиты при КЗ на шинах НН и СН,
и в качестве резервной - при КЗ на отходящих элементах сетей НН и СН.
На понижающих трансформаторах МТЗ всегда
устанавливают со стороны основного питания, а на многообмоточных
трансформаторах, кроме того, на сторонах НН и СН.
Рисунок 8.7 - Схемы включения токовых реле МТЗ
Согласно ПУЭ, коэффициент чувствительности МТЗ
трансформатора в основной зоне должен быть не менее 1,5, в резервной зоне -
1,2.
Расчет параметров срабатывания (уставок) МТЗ.
Заключается в выборе:
· тока срабатывания защиты
(первичного);
· тока срабатывания реле для принятой
схемы их включения;
· времени срабатывания защиты с
независимой характеристикой или характеристики срабатывания токовых реле для
защиты с зависимой характеристикой.
Уставки по току МТЗ должны обеспечивать:
· несрабатывание защиты на отключение
при послеаварийных перегрузках;
· согласование действия (по току и по
времени) с защитами питающих (последующих) и отходящих (предыдущих) элементов;
· необходимую чувствительность при
всех видах КЗ в основной и резервной зонах.
Ток срабатывания селективной МТЗ с независимой
характеристикой, установленной на секционном выключателе QB1.
Максимальный рабочий ток через QB1
может быть в худшем случае равен максимальному рабочему току любого из двух
трансформаторов (Т1, Т2). В свою очередь, для каждого из
трансформаторов Imax.раб,
при введенном АВР, не должно быть более 0,65-0,7 его номинального значения с
тем, чтобы не вызвать недопустимую перегрузку оставшегося в работе
трансформатора.
,
где Ко = 1,1…1,2 -
коэффициент отстройки, учитывающий погрешность реле и необходимый запас - для
реле РТ-40, РТ-80;
Кв = 0,8…0,85 -
коэффициент возврата реле - для реле РТ-40, РТ-80;
Iсзп -
коэффициент самозапуска, значение которого зависит от схемы и параметров
питающей сети, от вида нагрузки и ее параметров, от выбранных параметров
срабатывания защиты и автоматики;
Iраб.max.QB1 -
максимальный рабочий ток через секционный выключатель подстанции.
Приближенный расчет самозапуска
электродвигателей
Сопротивление обобщенной нагрузки в
режиме самозапуска в именованных единицах. Считаем, что мощность нагрузки равна
0,7SнТ.
Ток самозапуска определяем как ток
трехфазного КЗ за эквивалентным сопротивлением, приведенным к ступени НН:
Ток самозапуска:
;
Коэффициент самозапуска:
Минимальное остаточное (начальное)
напряжение на шинах подстанции в начале самозапуска:
Проверка возможности самозапуска
электродвигателей нагрузки:
;
т.е. самозапуск возможен.
Ток срабатывания МТЗ, установленной
на секционном выключателе QB1:
Коэффициент чувствительности защиты
на секционном выключателе QB1 в основной
зоне:
- соответствует требованиям ПУЭ
Время срабатывания МТЗ на QB1:
где: ∆t
= (0,3…0,5) с - ступень селективности.
Ток срабатывания МТЗ трансформатора,
установленной на стороне ВН. В качестве тока срабатывания принимаем наибольшее
значение, найденное по следующим условиям:
) по условию отстройки от самозапуска
электродвигателей нагрузки:
где: Ксзп - коэффициент самозапуска
для максимального рабочего тока защищаемого трансформатора с учетом допустимой
длительной перегрузки в аварийных режимах;
Iраб.max.T1
= 1,4IНТ1
= 1,4·80,32 = 112,45 А
Приближенный расчет самозапуска
электродвигателей.
Сопротивление нагрузки в именованных единицах:
Ток самозапуска определяем как ток
трехфазного КЗ за эквивалентным сопротивлением:
Ток самозапуска:
Коэффициент самозапуска:
Минимальное остаточное (начальное)
напряжение на шинах подстанции в начале самозапуска:
т.е. самозапуск возможен.
) по условию отстройки от тока
перегрузки от действия устройства АВР трансформаторов (установленного на QB1), в
результате чего к работающему с нагрузкой трансформатору Т1
подключается заторможенная нагрузка отключившегося трансформатора Т2.
Т.к. нагрузка предприятия задана как общепромышленная, т.е. имеющую в своем
составе незначительную долю высоковольтных двигателей, то ток срабатывания
определяется по упрощенному выражению:
где: Iраб.maxT1
= Iраб.maxT2
= 0,7IНТ1
Ксзп - коэффициент самозапуска
нагрузки, подключенной к трансформатору Т2 (принимаем равным
значению, полученному для соответствующего рабочего тока).
) по условию согласования с защитой
на секционном выключателе QB1:
где: Кнс = 1,2…1,25 - коэффициент
надежности согласования;
Iраб.maxT1
= 0,7IНТ1
К дальнейшему расчету принимаем наибольший Iсз
= 308,803 А.
Ток срабатывания реле и минимальные токи в реле
при КЗ в основной и резервной зонах:
где: Ксх - коэффициент схемы;
К1 - коэффициент трансформации ТТ.
где:
- минимальный ток двухфазного КЗ на
шинах НН тр-ра;
- минимальный ток двухфазного КЗ в
конце отходящей от шин НН трансформатора кабельной линии.
Чувствительность защиты в основной и
резервной зонах МТЗ при заданной раздельной работе трансформаторов:
Таким образом, коэффициент
чувствительности в основной и резервной зоне защиты удовлетворяет требованиям
ПУЭ.
.6 Расчет параметров срабатывания
МТЗ трансформатора с пуском по напряжению
На трансформаторах с большими
пределами регулирования напряжения под нагрузкой и, в связи с этим,
существенным различием между токами КЗ за трансформатором, а также при Ксзп
> 2, МТЗ выполняется с пусковым органом напряжения, что позволяет
повысить чувствительность защиты.
Рисунок 8.8- Функциональная схема МТЗ
трансформатора с пуском по напряжению
При КЗ на шинах НН напряжение на пусковом органе
KV резко снижается,
что приводит к его срабатыванию. В то же время через трансформатор проходит ток
КЗ, вызывающий срабатывание токового измерительного органа КА. Одновременное
срабатывание органов КА и KV,
включенных по логической схеме И, приводит к запуску реле времени КТ и к
отключению трансформатора. В других случаях увеличение тока через трансформатор
(самозапуск электродвигателей нагрузки или подключение дополнительной нагрузки)
напряжение на шинах НН снижается не столь значительно как при КЗ, KV
при правильной его настройке не срабатывает и защита не может действовать на
отключение.
Комбинированный пусковой орган выполняется с
одним минимальным реле напряжения KV
(типа РН-50), включенным на междуфазное напряжение, и одним фильтром-реле
напряжения обратной последовательности KVZ
(типа РНФ-М), разрывающим своим контактом цепь обмотки KV.
В нормальном режиме размыкающий контакт KVZ
замкнут и через него подается напряжение на обмотку KV.
При несимметричном КЗ появляется напряжение обратной последовательности,
срабатывает KVZ и размыкает
контакт в цепи KV,
в результате KV теряет
питание, возвращается и переключает свои контакты. Осуществляется пуск МТЗ.
При симметричном (трехфазном) КЗ реле KVZ
не срабатывает, но напряжение снижается на всех фазах, в том числе и на тех, к
которым подключено реле KV.
Поэтому оно возвратится, если напряжение снизится ниже его напряжения возврата
(0,5…0,6Uном).
Осуществляется пуск МТЗ.
Ток срабатывания МТЗ как наибольшее значение,
полученное из трех, рассмотренных выше расчетных условий (Ксзп = 1).
К дальнейшему расчету, принимаем
большее значение Iсз = 218,683А.
Ток срабатывания реле:
Чувствительность защиты по току в
основной и резервной зонах МТЗ при заданной раздельной работе трансформаторов.
Таким образом, коэффициенты
чувствительности в основной и резервной зонах защиты удовлетворяют требованиям
ПУЭ.
Первичные напряжения срабатывания
защиты.
Для минимального реле напряжения
типа РН-54, включенного на междуфазное напряжение, напряжение срабатывания
выбираем по условию обеспечения возврата реле после отключения внешнего КЗ.
где: Umin
- междуфазное напряжение в месте установки защиты в условиях самозапуска после
отключения внешнего КЗ (принимаем наименьшее значение Umin
из выполненных ранее расчетов самозапуска);
Ко = 1,2 - коэффициент отстройки;
Кв = 1,2 - коэффициент возврата.
Напряжение срабатывания реле:
где: КU
= 6000/100 = 60 - коэффициент трансформации ТН.
Напряжение срабатывания фильтра-реле напряжения
обратной последовательности типа РНФ-1М выбираем из условия обеспечения
отстройки от напряжения небаланса фильтра в нормальном режиме:
что соответствует минимальной
уставке реле типа РНФ-1М с пределами шкалы 6-12 В;
Uн -
номинальное вторичное напряжение ТН.
Первичное напряжение срабатывания
фильтра-реле:
Чувствительность защиты по
напряжению в резервной зоне МТЗ.
Как показывает анализ,
чувствительность фильтра-реле напряжения обратной последовательности и
минимального реле напряжения с большим запасом, обеспечивается при всех видах
КЗ на шинах СН и НН, т.е. в основной зоне защиты.
Коэффициент чувствительности при КЗ
в зоне резервирования для минимального реле напряжения:
,
где: Кв = 1,2 - коэффициент возврата
реле, учитывается, поскольку в случае трехфазного КЗ кратковременно появляется
напряжение обратной последовательности, срабатывает фильтр-реле, и тогда
минимальное реле напряжение работает на возврате;
Uост.max
- междуфазное напряжение в месте установки ТН, от которого питаются реле, при
металлическом трехфазном КЗ в расчетной точке, когда указанное напряжение имеет
максимальное значение:
Коэффициент чувствительности при КЗ
в зоне резервирования для фильтра-реле напряжения обратной последовательности:
где: U2min
- междуфазное напряжение обратной последовательности в месте установки ТН, от
которого питается фильтр-реле, при металлическом КЗ между двумя фазами в
расчетной точке в режиме, при котором указанное напряжение минимально.
Время срабатывания для первой
ступени МТЗ трансформатора, действующей на отключение вводного выключателя,
выбираем на ступень
селективности больше, чем время
срабатывания МТЗ установленной на секционном выключателе QB1:
где: Δt
= 0,3…0,6 с - ступень селективности.
Для второй ступени, действующей на включение
короткозамыкателя:
Обе выдержки времени могут быть
выполнены одним реле времени с
импульсными и замыкающим контактами,
например, РСВ-13.
.7 Расчет МТО питающей линии
Ток срабатывания МТО выбираем по
двум расчетным условиям:
) по условию отстройки от
максимального тока трехфазного КЗ за трансформатором Т1:
) по условию отстройки от броска
намагничивающего тока трансформатора:
К дальнейшему расчету принимаем
большее значение тока Iсо = 1066,8 А.
Чувствительность МТО в минимальном
режиме при двухфазном КЗ в конце линии:
Время срабатывания МТО принимаем
равным - tсо = 0,1 с.
.8 Расчет комбинированной ТО
питающей линии
В случае недостаточной
чувствительности МТО, ее дополняют пусковым минимальным органом напряжения -
так называемая комбинированная токовая отсечка по току и напряжению.
Ток срабатывания комбинированной ТО
по двум расчетным условиям:
) по условию обеспечения достаточной
чувствительности при двухфазном КЗ в конце защищаемой линии:
) по условию отстройки от токов
самозапуска электродвигателей в режиме АПВ питающей линии в случае
неисправности в цепях напряжения:
К дальнейшему расчету принимаем
больший ток: Iсок = 2132 А.
Напряжение срабатывания выбираем из
следующих условий:
) по условию отстройки от
остаточного напряжения в месте установки защиты при КЗ за трансформатором и при
прохождении по линии тока, равного току срабатывания отсечки:
) напряжение срабатывания отсечки
должно находится в пределах Uсок =
(0,15…0,65)Uн. Нижний
предел определяется минимальной уставкой стандартных реле напряжения (РН).
Верхний предел определяется необходимостью отстройки от возможных снижений
напряжения в сети:
Из двух полученных значений выбираем
меньшее Uсок = 68750 В.
Коэффициент чувствительности
комбинированной ТО по напряжению:
где: Uост.max
- остаточное напряжение в месте установки отсечки.
В данном случае комбинированная ТО
эффективна, т.к. чувствительность защиты по напряжению удовлетворяет требованиям
ПУЭ.
.9 Расчет максимальной токовой
защиты питающей линии
Ток срабатывания МТЗ ВЛ исходя из
трех расчетных условий:
1) по условию обеспечения несрабатывания защиты
при восстановлении питания после безтоковой паузы действием АПВ защищаемой
линии или АВР на подстанции, расположенной ближе к источнику питания:
где: Ко = 1,1…1,2 - коэффициент
отстройки;
Кв = 0,8…0,85 - коэффициент возврата;
Iраб.max
= 1,4IНТ1.
) по условию несрабатывания защиты при включении
дополнительной нагрузки, действием устройства АВР на подстанции, получающей
питание от защищаемой линии:
) по условию согласования с МТЗ
трансформатора Т1:
где: Кнс = 1,2…1,3 - коэффициент
надежности согласования.
К дальнейшему расчету принимаем наибольший ток Iсз
= 329,888А.
Коэффициент чувствительности защиты в основной и
резервной зонах:
Таким образом, МТЗ питающей линии удовлетворяет
требованиям чувствительности в основной и резервной зонах защиты.
9. Безопасность
жизнедеятельности
Анализ опасных и вредных производственных
факторов на рабочем месте электромонтера электроцеха.
Условия труда на рабочих местах производственных
помещений или площадок складываются под воздействием большого числа факторов,
различных по своей природе, формам проявления, характеру действия на человека.
В соответствии с ГОСТ 12.0.003-74 опасные и
вредные производственные факторы подразделяются по своему действию на следующие
группы:
физические;
химические;
биологические;
психофизиологические;
Один и тот же опасный и вредный производственный
фактор по природе своего действия может относиться одновременно к различным
группам. Следует иметь в виду, что одни опасные факторы могут отрицательно
влиять только на человека, осуществляющего технологический процесс (например,
электрический ток, отлетающие частицы обрабатываемого материала, вращающиеся
части производственного оборудования), а другие (например, шум, пыль) и на
среду, окружающую рабочие места. Некоторые факторы могут оказывать
отрицательное влияние на все элементы системы “человек - машина - окружающая
среда - предмет труда”.
Выбор технических средств безопасности должен
осуществляться на основе выявления опасных и вредных факторов, специфических
для данного технологического процесса, а также изучения особенностей каждого
выявленного фактора и зоны его действия (опасной зоны).
Повышенный уровень шума на рабочем месте.
Эксплуатирующееся электротехническое
оборудование является источником электродинамического шума. Стандарт
устанавливает классификацию шума, характеристики и допустимые уровни шума на
рабочих местах, шумовая характеристика машин, механизмов, средств транспорта и
другого оборудования. Шум вызывает повышение утомляемости, снижение функции
защитных систем и общей устойчивости организма электромонтера к внешним
воздействиям, что может привести к развитию различных неврозов, получению
электротравмы и т.д.
По характеру спектра шум следует подразделять
на:
- широкополосный с непрерывным спектром шириной
более одной октавы;
- тональный, в спектре которого имеются
выраженные дискретные тона.
По временным характеристикам шум следует
подразделять на:
- постоянный возникающий от продолжительной
работы электрооборудования, уровень звука которого за восьмичасовой рабочий
день изменяется во времени не более чем на 5 дБ при измерениях на временной
характеристике “медленно” шумомера по ГОСТ 17187-81.
- непостоянный возникающий от ремонтных,
транспортных работ, работы станков и т.д. уровень звука которого за
восьмичасовой рабочий день (рабочую смену) изменяется во времени более чем на 5
дБ при измерениях на временной характеристике “медленно” шумомера по ГОСТ
17187-81.
Непостоянный шум следует подразделять на:
- колеблющийся во времени (возникающий от работы
станков, механизмов и т.д.);
- прерывистый (возникающий при работах: с
пневматическими ручными механизмами, транспортных и т.д.);
импульсный (возникающий при работе сварочного
оборудования и т.д.).
Допустимые уровни звукового давления в октавных
полосах частот и эквивалентные уровни звука в соответствии с ГОСТ 12.1.003-83
для дежурного диспетчера подстанции:
Таблица № 9.1 - Уровни звукового давления.
|
Уровни
звукового давления в дБ, в октавных полосах со среднегеометрическими ч-ми,
Гц.
|
|
Уровни
звука и эквивалентные уровни звука, дБ
|
1,5
|
3
|
125
|
250
|
500
|
1000
|
2000
|
4000
|
8000
|
|
3
|
9
|
70
|
63
|
58
|
55
|
52
|
50
|
49
|
Повышенный уровень вибрации.
Вредное действие на работающих оказывает
вибрация, возникающая при работе электротехнического, механического
оборудования.
Под вибрацией понимается движение точки или
механической системы, при котором происходит поочередное возрастание и убывание
во времени значений, по крайней мере, одной координаты.
Физическими характеристиками вибрации являются:
амплитуда виброперемещения Х, амплитуда колебательной скорости V,
амплитуда колебательного ускорения А, частота колебаний F.
Общая вибрация нормируется с учетом свойств
источника ее возникновения и подразделяется на транспортную,
транспортно-технологическую и технологическую. Наиболее высокие требования
предъявляются при проектировании технологической вибрации в помещениях для
умственного труда.
При действии, на организм электромонтера, общей
вибрации страдает в первую очередь нервная система и анализаторы:
вестибулярный, зрительный.
Вибрация является специфическим раздражителем
для вестибулярного аппарата.
На данном рабочем месте
гигиенические нормы: технологическая вибрация с источниками вибрации находится
в пределах частот от 2 до 63 Гц и
=107-92 дБ. В соответствии с ГОСТ
12.1.012-90 данное рабочее место относится к 3 типу “A” комфорт.
Неблагоприятные параметры микроклимата.
Воздух производственных помещений должен
отвечать определенным требованиям как по чистоте (содержанию вредных веществ),
так и по параметрам микроклимата (температура, влажность и скорость движения
воздуха). При работе оборудования и ведении технологических процессов в воздух
рабочей зоны попадают различные вредные вещества, химические соединения, пыль
производственные яды и прочее, в некоторых случаях увеличивается
влагосодержание воздуха и его температура.
Если концентрация кислорода в воздухе на данном
рабочем месте будет ниже 17%, то у электромонтера появляются симптомные
недомогания, при 12% и меньше возникает опасность для жизни, при концентрациях
кислорода ниже 11% наступает потеря сознания. Наличие неблагоприятного
микроклимата на данном рабочем месте может привести к получению травмы
электромонтером.
Для эффективной трудовой деятельности необходимо
обеспечение нормальных метереологических условий и требуемой чистоты.
Для нормализации параметров воздушной среды,
оказывающих непосредственное отрицательное воздействие на организм человека,
одним из самых распространенных методов является вентиляция производственных
помещений, заключающаяся в удалении из помещения загрязненного и нагретого
воздуха и подаче в него чистого свежего.
По виду побудителя движения воздуха вентиляция
подразделяется естественную (аэрацию) и механическую. Естественная вентиляция,
не требуя затрат энергии, способна перекачивать значительное количество
воздуха, однако обладает рядом существенных недостатков: невозможностью очистки
приточного и удаляемого воздуха, трудностью в управлении и малой эффективностью
работы в летнее время. Механическая вентиляция лишена этих недостатков и по
способу организации воздухообмена делится на общеобменную и местную, по
принципу действия подразделяется на приточную и вытяжную.
Нормируемые параметры микроклимата:
Таблица № 9.2 - Нормируемые параметры
микроклимата
|
Время
года
|
Категория
работ, согласовано с ГОСТ 12.1-005-88
|
Температура
воздуха, град. С
|
Относительная
влажность воздуха, %
|
Скорость
движения воздуха, м/с.
|
|
|
оптимальная
|
относительная
|
оптимальная
|
|
Холодное
Теплое
|
Легкая-1
б Легкая-1 б
|
21-23
22-24
|
40-60
40-60
|
0,1
0,2
|
К категории 1б относятся работы, производимые
сидя, стоя или связанные с ходьбой и сопровождающиеся некоторым физическим напряжением.
Недостаточная освещенность зоны.
Рациональное освещение производственных
помещений и рабочих мест на предприятиях улучшает гигиенические условия труда,
повышает культуру производства, оказывает положительное психологическое
воздействие на работающих. При недостаточной освещенности и плохом качестве
освещения рабочего мета электромонтера состояние зрительных функций человека
находится на низком исходном уровне, повышается утомление зрения в процессе
выполнения работы, возрастает риск производственного травматизма.
Правильно организованное освещение способствует
не только повышению производительности и качества труда, но одновременно
создает благоприятные условия, снижающие утомляемость, уровень
производственного травматизма и профессиональных заболеваний. Среди факторов
внешней среды, влияющих на организм человека, свет занимает одно из первых
мест. Известно, что около 90 % процентов всей информации о внешнем мире человек
получает через зрительные ощущения. Усталость органов зрения зависит от степени
напряженности процессов, сопровождающих зрительное восприятие.
Освещение производственных помещений
характеризуется количественными и качественными показателями.
Количественные показатели: лучистая энергия,
лучистый поток, световой поток, сила света, яркость и освещенность.
Качественные показатели: фон, контраст между
объектом и фоном, видимость, показатель ослепленности, коэффициент пульсации
освещенности и показатель дискомфорта.
На рабочем месте электромонтера электроцеха
примерные нормы освещения в соответствии с СНиП 23.05-95
Таблица 9.3 - Нормы освещения.
|
Искусственное
освещение
|
Естественное
освещение
|
Совмещенное
освещение
|
|
Освещенность,
Лк.
|
КЕО,
Ен %
|
|
При
системе комбинированного освещения
|
При
общем освещении
|
Показатель
освещенности и коэффициент пульсации
|
При
верхнем
|
Боковом
|
При
верхнем
|
Боковом
|
|
всего
|
в
т.ч. общего
|
|
Р
|
Кп,
%
|
|
|
|
|
|
400
|
200
|
200
|
40
|
20
|
4
|
1,5
|
2,4
|
0,9
|
Электрический ток.
Анализ производственного травматизма показывает,
что из общего числа несчастных случаев на производстве число электротравм
составляет 0,5 - 1 %, однако среди несчастных случаев со смертельным исходом на
долю электротравм приходится 20 - 40 %, что больше чем по какой - либо другой
причине.
Опасность электрического тока в отличие от
прочих опасных и вредных производственных факторов усугубляется тем, что
человек не обнаруживает на расстоянии с помощью органов чувств грозящую
опасность. Реакция человека на электрический ток возникает лишь при прохождении
его через организм. Электрический ток оказывает на организм человека термическое,
электролитическое, механическое и биологическое воздействие. В соответствии с
ГОСТ 12.1.002 - 84:
предельно допустимый уровень напряженности
воздействующего электрического поля (ЭП) устанавливается равным 25 кВ/м.
пребывание в (ЭП) напряженностью более 25 кВ/м
без применения средств защиты не допускается.
- пребывание в (ЭП) напряженностью до 5 кВ/
включительно допускается в течение рабочего дня.
при напряженности (ЭП) свыше 20 - 25 кВ/м время
пребывания персонала в нем не должно превышать 10 минут.
Напряженность ЭП на рабочих местах персонала
должна измеряться:
при изменении конструкции электроустановок и
стационарных средств защиты от ЭП;
при применении новых схем коммутации;
при приемке в эксплуатацию новых установок;
при организации новых рабочих мест;
в порядке текущего санитарного надзора - 1 раз в
2 года.
На данном рабочем месте часть помещения в
которой находится рабочее место электромонтера имеет напряженность ЭП до 5
кВ/м.
Тяжесть и напряженность трудового процесса.
Под тяжестью труда понимают степень совокупного
воздействия производственных элементов условий труда на функциональное
состояние организма человека, его здоровье и работоспособность, на процесс
воспроизводства рабочей силы и безопасность труда. Тяжесть труда определяется
степенью нагрузки на мышечную систему.
Уровень тяжести на данном рабочем месте можно
отнести ко второму классу - допустимый (средняя физическая нагрузка) - условия
труда, при которых неблагоприятные факторы не превышают гигиенических
нормативов на рабочих местах и не приводят к накоплению утомления.
Напряженность труда - это характеристика
трудового процесса, отражающая преимущественную нагрузку на ЦНС, т.е.
определяется нервным и психоэмоциональным напряжением, длительностью и
интенсивностью интеллектуальной нагрузки.
На данном рабочем месте: напряженность труда
средней степени.
1. Содержание работы: ремонт и монтаж
электрооборудования.
2. Восприятие информации и её оценка:
восприятие с последующей коррекцией действий и операций.
. Распределение функций по степени
сложности задания: обработка выполнение задания и его проверка.
. Характер выполняемой работы: работа по
установленному графику с возможной его коррекцией по ходу деятельности.
Сенсорные, эмоциональные нагрузки, монотонность
нагрузок, режим работы соответствуют допустимому классу условий труда в
соответствии с Р 2.2.755 - 99.
Меры по снижению и устранению опасных и вредных
факторов.
. Неблагоприятные параметры климата.
Воздухообмен в помещениях должен быть
организован так, чтобы заданные условия воздушной среды достигались при
минимальном расходе воздуха. Для этого необходимо учитывать закономерности
взаимодействия приточных, вытяжных и конвективных струй в помещении, так как
они определяют характер движения воздуха в нем. Формируют поля температур и поля
концентрации вредных веществ.
При проектировании общеобменной вентиляции
необходимый воздухообмен определяют из условия разбавления вредностей чистым
воздухом до предельно - допустимых концентраций. Необходимое количество воздуха
при расчете вентиляции определяют следующими методами:
по количеству воздуха на одного человека;
по кратности воздухообмена.
При вентиляции должен очищаться как приточный
воздух, так и удаляемый из помещения. Способ очистки и вид очистной аппаратуры
выбирают с учетом таких факторов, как влажность воздуха, температура, степень
загрязнения и требуемая степень очистки, свойства пыли (сухая, липкая,
гигроскопичная, волокнистая), размеры частиц пыли (степень эксперсности).
К современным системам отопления предъявляются
следующие основные требования:
- санитарно - гигиенические (они должны
создавать благоприятные микроклиматические условия труда и здоровья человека);
- производственные (должны обеспечивать условия
для нормального хода технологического процесса и выпуска высококачественной
продукции);
- эксплуатационные (не должны разрушать
строительных конструкций, особенно из-за сырости;
экономические (расходы на устройство и
ежедневную эксплуатацию систем должны быть наименьшими).
. Повышенный уровень шума на рабочем месте.
Шум наиболее радикально может быть снижен
звукоизолирующими преградами в виде стен, перегородок, перекрытий, специальных
изолирующих кожухов, экранов.
Принцип звукоизоляции заключается в том, что
большая часть падающей на ограждение звуковой энергии отражается и лишь
незначительная часть ее проникает через ограждение.
Должны применяться на данном рабочем месте
следующие меры по снижению шума:
разработка шумобезопасной техники;
применение средств и методов коллективной защиты
по ГОСТ 12.4.029-80.
применение средств индивидуальной защиты по ГОСТ
12.4.051- 87.
На предприятиях должен быть обеспечен контроль
уровней шума на рабочих местах не реже одного раза в год.
. Мероприятия по снижению вибрации на рабочем
месте.
Снижение уровня вибраций следует, прежде всего,
осуществлять в источнике её образования, для чего рекомендуется: уменьшить
интенсивность вибрации деталей машин (корпусов, кожухов, крышек и т.п.) путём
облицовки их внутренних поверхностей или заполнением специально предусмотренных
воздушных полостей демпфирующим вибрации материалом (резина, пенопласт, и
т.п.), а также устройством гибких связей (эластичных муфт, упругих прокладок,
пружин) между деталями и узлами оборудования; заменять подшипники скольжения на
качения; применять сплошные ограждения движущихся механизмов из пластмасс;
балансировка деталей; большое значение в борьбе с вибрациями имеет правильная
сборка деталей машин, при которой сводятся к минимуму ошибки в сочленениях
деталей (перекосы, зазоры, неверное расстояние между центрами и т. п.).
. Недостаточная освещенность рабочей зоны.
Для освещения помещений следует использовать,
как правило, наиболее экономичные разрядные лампы. Использование ламп
накаливания для общего освещения допускается только в случаях невозможности или
технико-экономической нецелесообразности использования разрядных ламп.
Для местного освещения кроме разрядных
источников света следует использовать лампы накаливания, в т.ч. галогенные.
Выбор источников света по цветовым характеристикам следует производить на
основании приложения СНиП 23-05-95.
Применение ксеноновых ламп внутри помещений не
допускается. В цехах с полностью автоматизированным технологическим процессом
следует предусматривать освещение для наблюдения за работой оборудования, а
также дополнительно включаемые светильники общего и местного освещения. Для
обеспечения необходимой освещенности при ремонтно-наладочных работах показатель
ослепленности от светильников общего пользования (не зависимо от системы
освещения) не должен превышать установленных значений. Повышенное значение
напряжения в электрической цепи, замыкание которой может пройти через тело
человека.
Одной из основных мер электробезопасности на
производстве является устройство защитного заземления. Защитное заземление -
это преднамеренное соединение с землей металлических частей
электрооборудования, не находящихся нормально под напряжением, но в случае
пробоя изоляции на корпус, могущих оказаться под напряжением. Защитное
заземление устанавливают согласно действующим ПУЭ в трехфазных, трехпроводных
сетях с напряжением до 1 кВ с изолированной нейтралью и выше 1 кВ с любым
режимом нейтрали. Заземляющие устройства установок с напряжением до 1 кВ и выше
могут выполняться общими и раздельными.
В установках с напряжением до 1 кВ,
расположенных вблизи друг от друга, следует применять общее заземляющее
устройство.
Если в сети с напряжением выше 1 кВ, связанной
через трансформатор с сетью напряжением до 1 кВ, отсутствует глухое заземление
фазы или нейтрали, то для электроустановок, питающихся от этих сетей, следует
дать общее заземляющее устройство.
Если сеть с напряжением выше 1 кВ имеет
глухозаземленную нейтраль или фазу, то заземляющее устройство электроустановок
с напряжением до 1 кВ и выше выполняется раздельным.
Пожарная безопасность.
Категории взрывопожарной и пожарной опасности
помещений и зданий определяется для наиболее неблагоприятного в отношении
пожара или взрыва периода, исходя из вида находящихся в аппаратах и помещениях
горючих веществ и материалов их количества и пожароопасных свойств. Согласно
НПБ-105-95 определяем категорию помещения.
В соответствии с вышеизложенным выбираем
категорию “Д”- негорючие вещества и материалы в холодном состоянии.
Мероприятия по борьбе с пожаром можно
подразделить на:
Технические мероприятия: соблюдение пожарных
норм, требований и правил в устройстве складов, зданий, сооружений, систем
отопления, вентиляции, электрооборудования; устройство автоматической пожарной
сигнализации, систем автоматического пожаротушения и пожарного водоснабжения,
молниезащиты.
Эксплуатационные мероприятия: соблюдение правил
в технологических процессах, в содержании зданий, сооружений, складов,
территорий.
Мероприятия режимного характера: запрещение
курения, применения открытого огня, сварочных работ в пожаро- и взрывоопасных
цехах, помещениях, на открытых площадках.
Мероприятия по ограничению распространения огня:
применение в строительстве несгораемых материалов; устройства преград в
строительных конструкциях, в системах вентиляции, разрывов между штабелями,
группами и кварталами штабелей, а также между зданиями, между зданиями и
штабелями; правильное размещение зданий, сооружений и складов лесоматериалов на
территории.
Организационные мероприятия: инструктирование и
обучение рабочих и служащих; разработка пожарных инструкций для каждого
объекта; организация пожарно-технических комиссий, смотров состояния пожарной
безопасности, периодических учений по использованию первичных средств
пожаротушения; организация уголков по пожарной профилактике в цехах и складах;
ежедневная проверка противопожарного состояния помещения по окончании работы с
регистрацией результатов проверки в специальном журнале.
электроэнергия напряжение
трансформаторный замыкание
Заключение
В результате дипломного проектирования была
разработана система электрооборудования и электрохозяйства текстильной фабрики.
Предприятие получает питание от энергосистемы по двухцепной воздушной линии
электропередачи длиной 5 км напряжением 110 кВ. В качестве пункта приема
электроэнергии используется двухтрансформаторная подстанция глубокого ввода с
трансформаторами мощностью 16000 кВА. Вся электроэнергия распределяется на
напряжении 10 кВ по кабельным линиям. В системе распределения присутствует
распределительный пункт. Расчетные нагрузки цехов определены по методу
коэффициента спроса. В качестве расчетной нагрузки по фабрике в целом приняли
нагрузку, определенную методом коэффициента спроса. Была построена картограмма
электрических нагрузок, по которой был определен центр электрических нагрузок.
На основании технико-экономического расчета было выбрано рациональное
напряжение питания фабрики. Были выбраны силовые трансформаторы типа
ТДН-16000/110. Питающие линии марки АС-70, которые прокладываются на стальных
опорах. Было выбрано рациональное напряжение распределения электроэнергии 6 кВ.
На территории фабрики расположены 18 цеховых трансформаторных подстанций 10/0,4
кВ и 2 силовых пункта 0,4 кВ. Питание цехов осуществляется по кабельным линиям,
проложенным в земле. Для выбора элементов схемы электроснабжения был проведен
расчет токов короткого замыкания в четырёх точках. На основании этих данных
были выбраны аппараты на сторонах 110 кВ, 10 кВ и 0,4 кВ, а также проведена
проверка КЛЭП на термическую стойкость. Была рассмотрена релейная защита
трансформатора на ПГВ. Произведен расчет заземляющего устройства ПГВ. Рассмотрены
вопросы безопасности и экологичности проекта.
Библиографический список
1. Федоров
А.А., Каменева В.В. Основы электроснабжения промышленных предприятий. - М.:
Энергоатомиздат, 1984. - 472 с.
2.
Волобринский С.Д. Электрические нагрузки и балансы промышленных предприятий. -
М.: Энергия, 1976.-264 с.
3. Руководящий
технический материал. Указания по расчету электрических нагрузок.
РТМ36.18.32.4-92.
4. Федоров
А.А., Старкова Л.Е. Учебное пособие для курсового и дипломного проектирования.
- М.: Энергоатомиздат, 1987. - 368 с.
5. ГОСТ 14209
- 97. Трансформаторы силовые масляные общего назначения. Допустимые нагрузки. -
М.: Госкомитет по стандартам, 1987. - 30 с.
6. Справочник
по проектированию электроснабжения промышленных предприятий / Под ред. Ю.Г. Барыбина
и др. - М.: Энергоатомиздат, 1990. - 576с.
7. Справочник
по электроснабжению и электрооборудованию / Под общ. ред. А.А. Федорова. - М.:
Энергоатомиздат, 1986. - Т. 1. - 568с. Т.2. - 581 с.
8. ГОСТ
27514-87. Короткие замыкания в электроустановках. Методы расчета в
электроустановках переменного тока напряжением свыше 1 кВ.-М.: Госкомитет по
стандартам, 1988. - 40 с.
9. ГОСТ Р
50270-92. Короткие замыкания в электроустановках. Методы расчета в
электроустановках переменного тока напряжением до 1 кВ. - М.: Госстандарт
России, 1993. -60 с.
. Андреев В.А. «Релейная защита и
автоматика СЭС», М.: 91г.
.В.К. Скрипко «Релейная защита и
автоматика систем электроснабжения промышленных предприятий». Методические
указания к курсовой работе. - Омск: Изд-во ОмГТУ, 1994. - 32 с.
. «Правила устройства
электроустановок». - М.: Энергоатомиздат, 2001. - 648 с.
. Шабад М.А. «Расчет релейной защиты
и автоматики распределительных сетей». - Л.: Энергоатомиздат, 1985. - 296 с.
. Шабад М.А. “Защита трансформаторов
распределительных сетей”. - Л.: Энергоатомиздат, 1985. - 136 с.
. Ковалев С.А. «Защита в
чрезвычайных ситуациях». Омск 2003
. Справочник по проектированию
электроэнергетических сетей / Под ред. С.С. Рокотяна - М.: Энергоатомиздат,
1985. - 352 с.
. Электротехнические устройства и
оборудование систем электроснабжения: Справочник в 2т./ Под общ.ред. В.Л.
Вязигина и др. Омск: Изд-во ОмГТУ, 2004. - 160 с.
. Руководящие указания по расчету
токов короткого замыкания и выбору обородования/ Под ред. Б.Н. Неклепаева.- М.:
Изд-во НЦ ЭНАС. -152 с.
19. Шкаруба М.В. Изоляция и
перенапряжения в электрических системах: Методическое указание. Омск, 1995.