Проектирование подстанции '1 водоподъем' ОАО 'Уральская Сталь'

  • Вид работы:
    Дипломная (ВКР)
  • Предмет:
    Физика
  • Язык:
    Русский
    ,
    Формат файла:
    MS Word
    495,32 Кб
  • Опубликовано:
    2014-10-25
Вы можете узнать стоимость помощи в написании студенческой работы.
Помощь в написании работы, которую точно примут!

Проектирование подстанции '1 водоподъем' ОАО 'Уральская Сталь'

Введение

Комплекс взаимосвязанного оборудования и сооружений, предназначенный для производства ил и преобразования, передачи, распределения или потребления электрической энергии, называется электроустановкой.

Электроэнергия, вырабатываемая на электростанции, поступает на электрические подстанции, на которых происходит преобразование электроэнергии по напряжению, частоте или роду тока.

Электрические подстанции - это электроустановки, предназначенные для распределения электроэнергии (распределительные подстанции), преобразования электроэнергии одного напряжения в энергию другого напряжения с помощью трансформаторов (трансформаторные подстанции). По способу присоединения к сети подстанции делят на тупиковые, ответвительные, проходные и узловые.

Главная схема электрических соединений подстанции является тем основным элементом, который определяет все свойства, особенности и техническую характеристику подстанции в целом. При выборе главной схемы неотъемлемой частью ее построения являются обоснование и выбор параметров оборудования и аппаратуры и рациональная их расстановка в схеме, а также принципиальное решение вопросов защиты, степени автоматизации и эксплуатационного обслуживания подстанции. Последние вопросы в свою очередь оказывают непосредственное влияние на наличие или отсутствие эксплуатационного и ремонтного персонала на подстанции.

Основными требованиями, которыми должна удовлетворять главная схема электрических соединений подстанции являются: надежность электроснабжения, экономичность, сохранение устойчивости электропередачи.

В настоящей работе рассматриваются следующие возможности усиления надёжности схемы электроснабжения:

) отказ от масляных выключателей;

1)  установка вакуумных выключателей на стороне 10 кВ;

2)  установка вакуумных выключателей на стороне 35 кВ;

3)      замена разрядников, на более современные, ограничители перенапряжения нелинейные.

Одним из объектов электроэнергетической системы является подстанция «1 водоподъем». Она осуществляет питание потребителей I категорий и поэтому должна соответствовать всем требованиям надежности.

В силу того, что на подстанции «1 водоподъем» используется устаревшее физически и морально оборудование, которое может привести к отказу и потере питания ответственных потребителей, оно требует замены на более совершенное и новое.

Задачей модернизации подстанции является разработка с учётом новейших достижений науки и техники средств эксплуатации и управления, при которых обеспечивается оптимальная надёжность снабжения потребителя электрической энергией в необходимых размерах требуемого качества с наименьшими затратами.

1. Постановка задачи проектирования

.1 Краткая характеристика основных электроприемников подстанции

При проектировании системы электроснабжения необходимо  учитывать характеристику основных электроприемников: режим работы, мощность, напряжение, род тока и требуемую степень надежности питания электроприемников.

По характеру окружающей среды помещения насосной станций  «1 водоподъем» являются помещениями с повышенной влажностью, возможны аварийные затопления насосной станции (в этом случае включаются в работу дренажные насосы).

Помещения насосных станций пожаро- и взрывобезопасны, так как в них отсутствуют пажаро- и взрывоопасные вещества или смеси газов.

Основным технологическим оборудованием насосных станций являются насосные установки. Наибольшее применение в качестве насосных установок получили центробежные насосы.

Центробежные насосы в большинстве случаев выполняются быстроходными, что позволяет непосредственно соединять их с электродвигателями. Они допускают пуск при закрытой задвижке или в холостую при пусковом моменте двигателя, равном 0,2 ÷ 0,3 от номинального момента. Если в период работы трубопровод будет закрыт, то это не создаст опасного напора, так как мощность при этом составит около 40 % от номинальной.

В настоящее время на насосной станции эксплуатируются насосные установки 14-Д-6 с асинхронными электродвигателями напряжением 6 кВ и производительностью 1250 м3/ч, с расчетной высотой подъема H = 125 м, с частотой вращения ротора n = 1480 об/мин. КПД насоса составляет h = 70 % .

Электродвигатели насосной станции работают в продолжительном режиме, а также кратковременном и повторно-кратковременном режимах с неизменной нагрузкой в зависимости от назначения насосов. Питание электродвигателей насосов производится на переменном токе частотой 50 Гц и напряжением 6 кВ.

Электрические светильники представляют собой однофазную нагрузку. Характер нагрузки равномерный, без толчков, но ее значение изменяется в зависимости от времени суток и года.

Приводом электрозадвижек являются трехфазные асинхронные двигатели. Режим работы кратковременный. Напряжение питания 380 В, частота 50 Гц.

Перерыв в электроснабжении насосов недопустим, так как это может повлечь за собой нарушение технологического процесса, а также привести к размораживанию трубопроводов в зимнее время. Поэтому по бесперебойности питания насосные агрегаты должны быть отнесены к потребителям первой категории.

Освещение насосной станции и электрические задвижки также являются электроприемниками первой категории. Все остальные электроприемники относятся ко второй категории.

.2 Характеристика существующей схемы электрических соединений подстанции

Подстанция «1 водоподъем» напряжением 35/6 кВ предназначена для электроснабжения потребителей насосной станции. Существующая схема электроснабжения подстанции «1 водоподъема» запитана с ОРУ 35 кВ ТЭЦ ОАО «Уральская Сталь».

На ОРУ 35 кВ установлены два трансформатора, мощностью 6,3 МВА каждый, типа ТМ-6300/35 без регулирования напряжения под нагрузкой. ОРУ - 35 кВ выполнено по схема - одиночная секционированная система сборных шин. Подключение каждого присоединения (трансформатора, линии) к сборным шинам производится через выключатели и шинные разъединители.

Секционирование сборных шин 35 кВ с помощью секционного выключателя (СВ) выполняется таким образом, чтобы каждая секция имела источники питания (трансформаторы) и соответствующую нагрузку. Присоединения распределены между секциями так, чтобы при выходе из строя одной из секций сборных шин ответственные потребители продолжали получать питание от секции, оставшейся в работе.

В цепи линий 35 кВ установлены аппараты, необходимые для оперативных включений и отключений линий, для их отключений при чрезмерных перегрузках и коротких замыканиях, а также для отсоединения аппаратов линий от сборных шин или от сети при их ремонтах. Силовые выключатели рассчитаны на отключение рабочих токов и токов короткого замыкания. На стороне 35 кВ установлены масляные выключатели типа С - 35 М - 630, на стороне 6 кВ - типа ВМГ-133.

Для производства оперативных переключений на ОРУ 35 кВ установлены шинные и линейные разъединители типа РЛНД - 35. Разъединители применяются для снятия напряжения с цепи при отключенной нагрузке. Для предупреждения аварий между силовыми выключателями и разъединителями данной цепи предусматривается механическая и электромагнитная блокировка, недопускающая отключение разъединителя при включенном выключателе.

Для обеспечения измерения токов и напряжений в электроустановках высокого напряжения применяют трансформаторы тока и трансформаторы напряжения. На стороне 35 кВ установлены трансформаторы напряжения типа ЗНОМ - 35 и трансформаторы тока типа ТШЛ-35, на стороне 6 кВ - трансформаторы напряжения типа НТМИ-10 и трансформаторы тока типа ТОЛ-10.

Питание I секции шин 6 кВ осуществляется от трансформатора 1Т, II секции шин - от трансформатора 2Т. Параллельная работа трансформаторов 1Т и 2Т на напряжениях 6-10 кВ, допускается кратковременно (не более 10 минут) при производстве переключений по переводу нагрузки с одного трансформатора на другой.

К сборным шинам 35 кВ подстанции «1 водоподъем» подключены трансформаторы собственных нужд мощностью 100 кВА, от которых запитан щит 0,4 кВ. Напряжение собственных нужд 220В/127 В с изолированной нейтралью.

КРУ-6 кВ подстанции «1 водоподъем» выполнено по схеме «Одиночная секционированная выключателем система шин». Сборные шины присоединяются к силовому трансформатору через выключатель ввода 10 кВ ВК-10. В целях ограничения токов короткого замыкания применяется раздельная работа секций. В схеме предусмотрен секционный выключатель с устройством автоматического включения резерва (АВР). В КРУ-6 кВ установлены ячейки типа K-272 и КСО-256. Кроме АД насосов 6 кВ от сборных шин 6 В запитана ТП 6/0,4 кВ, для питания потребителей 0,4 кВ.

За время эксплуатации всё электротехническое оборудование практически выработало свой ресурс. Поэтому необходима модернизация действующей подстанции, целью которой является замена устаревшего оборудования и автоматики на более новое и современное, а также изменить схему электрических соединений подстанции.

Существующая схема электроснабжения подстанции «1 водоподъем» представлена на рисунке 1.1.

.3 Основные направления модернизации электрооборудования подстанции

Модернизация - это изменение, усовершенствование, отвечающее современным требованиям. С течением времени оборудование, составные его части, а значит и часть электрической системы подвергается как техническому, так и моральному старению. Поэтому модернизацию оборудования необходимо производить через 5-7 лет.

Рисунок 1.1 - Существующая схема электроснабжения подстанции «1 водоподъем»

Рассматриваемая подстанция «1 водоподъем» была построена более чем двадцать лет назад. По существующим нормам и требованиям на то время оборудование и запасные части к нему были рассчитаны на длительный срок службы (до 10-15 лет, а трансформаторы - до 30 лет). В течение этого времени завод-производитель гарантировал нормальную работу оборудования. Развитие науки в области техники во второй половине ХХ века было медленным. Поэтому даже если изделие вырабатывало себя технически, то морально оно оставалось новым.

Обеспечение надежной работы электростанций, подстанций и систем электроснабжения промышленных предприятий в значительной степени определяется безотказной работой выключателей высокого напряжения.

Выключатели - основные коммутационные аппараты в электрических установках и служат для включения и отключения токовых цепей. Уникальной особенностью выключателей является то, что они должны надежно выполнять свои функции, находясь как во включенном, так и в отключенном состоянии, а также одновременно быть постоянно готовыми к мгновенному выполнению коммутационных операций в любых режимах работы, включая аварийные ситуации.

В настоящее время произошел качественный скачок в технологии выпускаемых высоковольтных коммутационных аппаратов - на смену масляным и воздушным выключателям пришли аппараты с использованием в качестве изоляционной и дугогасительной среды вакуума или элегаза.

Развитие вакуумных выключателей связано с тем, что вакуум является идеальной изоляционной средой, так как ионизация молекул газа путем соударения с ними электронов чрезвычайно мала, а значит, практически исключено лавинообразное нарастание количества заряженных частиц из-за весьма низкой плотности газа. Поэтому электрическая прочность изоляционного межконтактного промежутка в вакууме значительно выше, а длина дуги значительно меньше, чем в масляных, элегазовых и воздушных выключателях. Это позволяет существенно снизить габариты дугогасительной камеры вакуумного выключателя.

Разработанные ВВ на напряжение 10 и 35 кВ используются на подстанциях распределительных сетей, а также в различных отраслях промышленности. В качестве отличительных достоинств вакуумных выключателей, обеспечивающих им преимущества перед другими типами выключателей на средний класс напряжений, можно отметить следующее:

) Высокая надежность.

К показателям надежности элементов схем электрических соединений относят частоту отказов, время восстановления, частоту и длительность капитального и текущего ремонтов.

При прочих равных условиях, то есть, если даже принять в расчет, что частота отказов и время восстановления после аварии равны для вакуумных и традиционных выключателей, то частота и длительность ремонта последних, несомненно, выше.

Например, для маломасляного выключателя ВК-10, масло необходимо заменить после 10 операций отключения тока 20 кВ. После совершения выключателем 2000 циклов операций включения и отключения, необходимо проводить техническое обслуживание привода. После совершения выключателем 3000 циклов операций включения-отключения (ВО) необходимо проводить капитальный ремонт. А средний ремонт выключателя должен производиться не реже одного раза в 4 года.

Вакуумные выключатели являются практически необслуживаемыми. Осмотр и периодические проверки ВВ рекомендуется проводить один раз в 3-5 лет. Во время этих проверок необходимо провести высоковольтные испытания вакуумной дугогасительной камеры и изоляции выключателя, а также проверить переходное сопротивление контактов.

) Низкие эксплуатационные затраты.

Этот пункт напрямую вытекает из предыдущего. Низкие эксплуатационные затраты определяются отсутствием необходимости содержания масляного и компрессорного хозяйств, кроме того вакуумная дугогасительная камера (ВДК) не требует пополнения дугогасящей среды. Высокая коммутационная износостойкость позволяет значительно сократить расходы по обслуживанию ВВ, а также перерывы в электроснабжении, связанные с выполнением регламентных работ.

) Высокий коммутационный и механический ресурс.

Число отключений номинальных токов, допускаемое без ревизий и ремонта ВДК, достигает 50 тысяч, а номинальных токов отключения (токов короткого замыкания) - от 20 до 200 в зависимости от типа ВДК и значения тока. Как уже было ранее отмечено, при эксплуатации маломасляных выключателей необходимо производить ревизию после 1000-2000 отключений номинального тока или 3-12 отключений номинального тока отключения.

Высокий механический ресурс ВВ обусловлен в первую очередь тем, что ход контактов ВДК составляет от 6 до 10 мм на напряжения 6-10 кВ. Для масляных и электромагнитных выключателей на эти же напряжения ход контактов достигает 100-200 мм, а, следовательно, применяется более сложная конструкция привода, требующая больших затрат энергии на включение и отключение выключателя, что приводит к необходимости постоянного ухода и проверок состояния деталей привода, что также повышает эксплуатационные расходы на содержание выключателя. Высокий коммутационный и механический ресурс позволяют применять ВВ в схемах с частыми коммутационными: для трансформаторов сталеплавильных печей; для коммутаций насосов, компрессоров и т.д.

) Безопасность эксплуатации и экологичность.

Для ВВ характерны малая энергия привода, малые динамические нагрузки и отсутствие выброса газов, масла. Масса и габариты ВВ значительно ниже массы и габаритов традиционных выключателей при одинаковых номинальных параметрах тока и напряжения. Все это обеспечивает бесшумность работы и предотвращает загрязнение окружающей среды.

Герметичное исполнение ВДК и отсутствие среды, поддерживающей горение, обеспечивает высокую пожаро- и взрывобезопасность и возможность работы в агрессивных средах.

Благодаря своим преимуществам вакуумные выключатели все шире применяются как при строительстве новых комплектных распределительных устройств, так и для замены морально и физически устаревших традиционных выключателей при реконструкции комплектных распределительных устройств, находящихся в эксплуатации.

Если брать в рассмотрение более высокую стоимость вакуумных выключателей, то в настоящее время психология заказчиков постепенно меняется. Многие начинают понимать, что пусть дорогое, но качественное оборудование, в конце концов, себя окупит.

По стоимости и надежности, сейчас можно выделить три основные позиции в коммутационном оборудовании 6-10 кВ:

дешевые и ненадежные традиционные отечественные выключатели;

дорогие и надежные вакуумные и элегазовые импортные выключатели;

.надежные отечественные вакуумные выключатели, по стоимости, превосходящие традиционные, но уступающие в цене западным образцам;

Проблема определения сработанного ресурса выключателей в зависимости от условий и режимов эксплуатации также весьма актуальна. Собранные статистические данные в системах электроснабжения различных энергообъектов о количестве коммутаций, выполненных выключателями за срок службы, позволяют утверждать, что ресурсные характеристики вакуумных выключателей существенно выше реального количества коммутаций, осуществляемых на электростанциях и подстанциях.

Стратегически правильным вариантом решения проблемы обеспечения надежности коммутационных аппаратов напряжением 6-35 кВ является полномасштабное комплексное техническое перевооружение, основанное на современных технологиях, внедрении высоконадежных вакуумных выключателей нового поколения, эффективного формирования для этого источников финансирования и использования инвестиционных средств. При этом выключатели должны применяться мало обслуживаемые, и по возможности, не требующие проведения любых плановых ремонтов на протяжении всего срока эксплуатации. Современные вакуумные выключатели позволяют обеспечивать надежную и безопасную коммутацию цепей в системах электроснабжения потребителей.

Модернизация подстанции в условиях действующего производства, которое не позволяет вывести объект из системы энергоснабжения предприятия - проблема, которая встает перед главными энергетиками в связи с высокой изношенностью электротехнического оборудования. Кроме того, полная замена электротехнической части требует немалых средств, что приводит к существенным затратам на строительно-монтажные работы по переделке строительной части под габариты новой подстанции и нередко связано с перекладкой кабельных вводов. Все это при том, что срок службы самого здания подстанции, ячеек (собственно корпусов шкафов РУ) (или кирпичных стен) в которых расположена коммутационная аппаратура практически не ограничен.

Понимание, что проблемы подстанций лежат в работе коммутационной аппаратуры и при этом нет необходимости приобретать, монтировать всю подстанцию целиком и привела к возникновению технологии «Замены коммутационного оборудования при условии действующей подстанции»: замена выработавших свой ресурс масляных выключателя любых модификаций 6/10 кВ (ВПМ-10, ВМГ-133) на элегазовые, вакуумные выключатели ведущих мировых производителей с одновременной установкой новых блоков микропроцессорных защит по выбору предприятия (Sepam, Орион, УЗА, Spac).

Такая реконструкция может производиться по текущему графику, с отключением ячеек поочередно, что позволяет производить работы не в ущерб основному производству, а стоимость таких работ на 60 % ниже затрат на приобретение, монтаж всей подстанции.

Преимущества:

не надо выполнять проект реконструкции;

.отсутствие потерь производства при реконструкции, нет прямого влияния на основной технологический цикл;

отсутствие строительно-монтажных работ;

отказ от маслохозяйства;

.снижение аварийности электрооборудования вследствие монтажа нового не выработавшего свой ресурс оборудования;

Работы выполняются значительно быстрее чем строительство, монтаж, ввод в эксплуатацию новой подстанции.

2. Расчет электрических нагрузок

.1 Расчет электрических нагрузок подстанции

Электрические нагрузки промышленных предприятий определяют выбор всех элементов системы электроснабжения: линий электропередачи, районных трансформаторных подстанций, питательных и распределительных сетей. Поэтому правильное определение электрических нагрузок является решающим фактором при проектировании и эксплуатации электрических сетей.

Расчет электрических нагрузок электроприемников подстанции до и выше 1 кВ произведем методом упорядоченных диаграмм с применением коэффициента расчетной нагрузки.

Порядок заполнения таблицы 2.1.

В графу 1 записываются наименования групп электроприемников одинакового режима работы (с одинаковыми значениями kи и ), а также узлы питания.

В графу 2 записывается количество электроприемников n для групп и узлов питания.

В графу 3 - номинальная мощность электроприемника Рном1, кВт. Номинальная (установленная) мощность одного ЭП - мощность, обозначенная на заводской табличке или в его паспорте. Все ЭП группируются построчно по характерным категориям (kи и ), независимо от мощности ЭП, а в графе 3 указываются максимальная и минимальная мощности ЭП данной характерной группы.

Для кранов указывается не номинальная мощность, а паспортная. Тогда номинальная мощность кран-балки Рном.кр, кВт рассчитывается через формулу приведения к ПВ = 100 %

Рном = Рпасп·, (2.1)

где Рпасп - паспортная полная номинальная мощность, кВА;

ПВ - паспортное значение продолжительности включения, о.е.

В графу 4 записывается групповая номинальная (установленная) активная мощность ∑Рном, кВт - сумма номинальных активных мощностей группы ЭП.

В графу 5 записывается модуль сборки m, который для узла питания определяют по формуле

= (pном. maxном.min) > 3 или < 3. (2.2)

В графы 9 и 10 для групп приемников и узла питания записывается средняя мощность. Средняя активная (или реактивная) мощность - наибольшее возможное значение средней активной (реактивной) мощности за смену с наибольшим потреблением энергии группой электроприемников, цехом или предприятием в целом.

Мощность за одну смену Рсм, кВт, Qсм, квар определяется по формулам

Рсм = kи∙∑Рном, (2.3)

где kи - коэффициент использования - это отношение средней активной мощности отдельного ЭП или группы ЭП за наиболее загруженную смену к ее номинальному значению.

см = tg φ∙Pсм. (2.4)

В графы 6 и 8 записываются для узла питания средневзвешенные значения коэффициента использования kи св и коэффициента мощности tg φсв., которые определяют по формулам

kи св = ∑Рсм/ ∑Рном. (2.5)φсв. = ∑Qсм/ ∑Рсм. (2.6)

Эффективное число электроприемников nэф - это такое число однородных по режиму работы электроприемников одинаковой мощности, которое дает то же значение расчетной мощности Рр, что и группа  электроприемников, различных по мощности и режиму работы. В соответствии с практикой проектирования систем электроснабжения установлено, что:

а) при m > 3 и kи ≥ 0,2 эффективное число электроприемников nэф

. (2.7)

Найденное по указанным выражениям значение nэф округляется до ближайшего меньшего целого числа. В том случае, когда nэф > n, следует принимать nэф = n.

б) при m < 3 и kи ≥ 0,2 эффективное число электроприемников nэф = n.

Расчетная активная Рр и реактивная Qр мощность - это мощность, соответствующая такой неизменной токовой нагрузке Ip, которая эквивалентна фактической изменяющейся во времени нагрузке по наибольшему возможному тепловому воздействию на элемент системы электроснабжения.

В графы 12, 13, 14, 15 записывается расчетная нагрузка для узлов питания, определяемая по следующим формулам

активная расчетная мощность Рр, кВт

Рр = kр∙Рсм, (2.8)

где kр - коэффициент расчетной нагрузки. Коэффициент расчетной нагрузки kр определяют по справочным таблицам в зависимости от эффективного числа электроприемников и средневзвешенного коэффициента использования (по [2] на шинах 0,4 кВ цеховых подстанций).

реактивная расчетная мощность Qp, квар определяется в зависимости от nэф

 

- при nэф ≤ 10 Qp = 1,1∙Qсм.  (2.9)

при nэф > 10  Qp = Q.

полная расчетная мощность Sp, кВА

p = . (2.10)

Значение токовой расчетной нагрузки Ip, А, по которой выбирается сечение линии по допустимому нагреву, определяется по выражению

Ip =  (2.11)

Расчет электрических нагрузок высоковольтных приемников ведется в соответствии с порядком заполнения таблицы 2.1, кроме следующих пунктов:

1) не определяется m и nэф;

) результирующая нагрузка 6 кВ определяется по формулам

активная расчетная мощность Рр, кВт

Рр = kо∙Рсм,(2.12)

где kо - коэффициент одновременности - это отношение расчетной мощности на шинах 6 кВ к сумме расчетных мощностей потребителей, подключенных к шинам 6 кВ. Определяется вместо kр по [2] в зависимости от числа присоединений (число присоединений равно числу высоковольтных приемников) и средневзвешенного коэффициента использования kи ср.взв.

реактивная расчетная мощность Qp, квар

Qp = Рр×tgjср.взв.(2.13)

полная расчетная мощность Sp, кА рассчитывается по формуле (2.10);

расчетный ток Ip, А определяется по формуле (2.11).

При определении общей расчетной нагрузки по подстанции «1 водоподъем» суммируются значения граф (всего по 0,4 кВ и всего по 6 кВ) № 2, 4, 8, 9, 12, 13, 14 и 15. Результаты расчетов сведены в таблицу 2.1.

электроприемник подстанция трансформатор автоматика

3. Проектирование системы внешнего электроснабжения

.1 Выбор числа и мощности трансформаторов подстанции

Выбор числа трансформаторов на подстанции производится в соответствии с категориями электроприемников. Выбор мощности трансформаторов ГПП производится на основании расчетной нагрузки предприятия в нормальном режиме работы с учетом режима энергоснабжающей организации по реактивной мощности в послеаварийном режиме (при отключении одного трансформатора), для надежного электроснабжения потребителей предусматривается их питание от оставшегося в работе трансформатора.

Принимается двухтрансформаторная подстанция.

Выбор мощности трансформаторов производится в соответствии с ГОСТ 14209-85. Выбор числа и мощности силовых трансформаторов на подстанции должен быть технически обоснованным, так как он оказывает существенное влияние на рациональное построение схемы электроснабжения.

Критериями при выборе трансформаторов являются:

надёжность электроснабжения;

расход цветного металла;

потери мощности в трансформаторах;

.сохранение гарантийного срока службы трансформатора (предусмотренного заводом изготовителем) при изменениях режимов, превышающих их номинал.

Ниже производится расчёт выбора мощности трансформаторов двухтрансформаторной подстанции.

Расчетная мощность SПС, МВА по подстанции найдется как

, (3.1)

где Рр - активная мощность по подстанции, кВт (из таблицы 2.1);эк1 - реактивная мощность, потребление которой подстанция не имеет права превысить в часы максимальных нагрузок, квар.

(3.2)

Значение экономического коэффициента реактивной мощности

(3.3)

где tgφэ.н - экономическое значение коэффициента реактивной мощности по нормативному методу,

tg jН - натуральный коэффициент реактивной мощности (из таблицы 2.1);

К1 - отношение максимума активной нагрузки потребителя в i-ом квартале к ее значению в квартале максимальной нагрузки потребителя (для учебного проектирования К1 = 1).

(3.4)

где tgφб = 0,4 - базовый коэффициент реактивной мощности при внешнем электроснабжении напряжением 35 кВ,max - отношение потребления активной мощности потребителем в квартале максимальной нагрузки энергосистемы к потреблению в квартале его максимальной нагрузки (при курсовом и дипломном проектировании dmax =1),

к - коэффициент, учитывающий отличие стоимости электроэнергии в различных энергосистемах (для «Оренбургэнерго» к = 0,8).

QЭ1 = 2806,4·0,5 = 1403,2 квар

Суточный график нагрузки для подстанции «1 водоподъем» представлен на рисунке 3.1

Рисунок 3.1 - Суточный график подстанции «1 водоподъем»

Определяем среднеквадратичную мощность суточного графика нагрузки Sср.кв., о.е. по выражению

 (3.5)

где Si - ступень суточного графика нагрузки;i - длительность ступени суточного графика нагрузки.

Полученное значение Sср.кв наносим на график рисунка 3.1.

Среднеквадратическую мощность можно принять за ориентировочную суммарную номинальную мощность трансформаторов подстанции. Определяем ориентировочную мощность каждого трансформатора подстанции Sор., о.е.

 (3.6)

где SПС - расчётная мощность подстанции, МВА;- число трансформаторов на подстанции.

Значение Sop округляется до ближайшего большего значения по шкале стандартных номинальных мощностей силовых трансформаторов. Следовательно, принимаем два трансформатора мощностью по 2,5 МВА каждый.

Суммарная номинальная мощность трансформаторов подстанции SнтΣ, о.е.

 (3.7)

Значение суммарной номинальной мощности трансформаторов наносим на график рисунка 3.1. Пересечением линии суммарной номинальной мощности SнтΣ с графиком находится участок наибольшей перегрузки, (зона перегрузки лежит выше указанной линии). Так как линия SНТå проходит выше ступеней графика электрических нагрузок, то на систематическую перегрузку трансформатор не проверяем.

Определяем коэффициент начальной загрузки k1:

 (3.8)

Определим среднеквадратичное значение графика, находящегося выше линии Sср.кв., о.е. для расчета коэффициента аварийной перегрузки по формуле (3.5)

Проверим работу трансформаторов в аварийном режиме, т.е. когда работает один трансформатор. Определяем коэффициент аварийной перегрузки трансформатора Кав

 (3.9)

Определяется эквивалентная зимняя температура tз = -13,4 0С для Оренбурга по [2]. При температурах t = - 20 0С и t = - 10 0С при h = 24 ч и К1 = 0,572 находятся два значения коэффициента аварийной перегрузки Кав.доп(-20) = 1,6 и Кав.доп(-10) = 1,53.

Допустимый коэффициент аварийной перегрузки К2доп.ав определяется по формуле

.(3.10)

Условие проверки на аварийную перегрузку

Кав.доп > Кав, (3.11)

Кав.доп = 1,534 < Кав = 1,33.

Следовательно, трансформатор не будет перегружаться больше допустимого, и потребители подстанции получат в аварийном режиме номинальную мощность.

Окончательно к установке на подстанции принимаются 2 трансформатора типа ТМН - 2500/35/6, паспортные данные которых занесены в таблицу 3.1.

Трансформаторы ТМН мощностью 2500 кВА служат для распределения и преобразования электрической энергии на различных объектах. Охлаждение данного типа силовых трансформаторов - ONAN - естественное масляное.

В трансформаторах ТМН-2500/35 есть возможность автоматического регулирования напряжения без отключения его от сети с помощью устройства РПН (Регулировки под Нагрузкой) типа РНТА 35/125 или аналога. Имеется 9 (девять) ступеней регулирования напряжения ВН с диапазоном регулирования ±10% (±4х2,5%) от номинального. Переключение трансформатора ТМН-2500 на другой диапазон производится автоматическом, либо в ручном режимах.

Таблица 3.1 - Паспортные данные трансформатора ТМН - 2500/35

Тип трансформатора

Мощность тр-ра, МВ∙А

Напряжение обмоток, кВ

Потери, кВт

I0 %

Uкз %



Uвн

Uнн

DРх

DРк



ТМН

2,5

35,0

6,3

3,9

23,5

1,0

6,5


Потери активной мощности в трансформаторах DРт, кВт

, (3.12)

где bн - коэффициент загрузки трансформатора;- количество трансформаторов, шт.

ΔРхх - активные потери холостого хода, кВт;

ΔРкз - активные потери короткого замыкания, кВт.

Коэффициент загрузки трансформатора в нормальном режиме bн равен

 (3.13)

т = 2×(3,9 + 0,632×23,5) = 26,5 кВт.

Потери реактивной мощности в трансформаторах DQт, квар

 (3.14)

где Iхх - ток холостого хода, %;

Uкз - напряжение короткого замыкания, %.

Активная мощность с учетом потерь мощности в трансформаторах Рпс, кВт

Рпс = Рр + DРт.(3.15)

Рпс = 2806,9 + 26,5 = 2833,4 кВт.

Реактивная мощность с учетом потерь мощности в трансформаторах Qпс, квар

Qпс = QЭ1 + DQт. (3.16)

пс = 1403,2 + 82,2 = 1485,4 квар.

Полная мощность подстанции Sпс, кВА

(3.17)

Определяем потери электроэнергии в трансформаторе DW, МВт·ч

DWт = n×DРх ×T + kз.2×DРк×t/n, (3.18)

где τ - время наибольших потерь, час; Тг = 8760 ч - число часов в году.

 (3.19)


.2 Выбор схемы электрических соединений подстанции

Схему подстанции выбирают с учетом установленной мощности потребителей электроэнергии и категории их надежности, характера электрических нагрузок и размещения их на генеральном плане предприятия, а также производственных, архитектурно-строительных и эксплуатационных требований. В общем случае схема подстанции включает в себя один или несколько понизительных трансформаторов и РУ высшего, среднего и низшего напряжений.

При небольшом количестве присоединений на стороне 35 - 220 кВ применяют упрощенные схемы, в которых обычно отсутствуют сборные шины, число выключателей уменьшенное. В некоторых схемах выключателей высокого напряжения вообще не предусматривают. Упрощенные схемы позволяют уменьшить расход электрооборудования, строительных материалов, снизить стоимость распределительного устройства, ускорить его монтаж. Такие схемы получили наибольшее распространение на подстанциях.

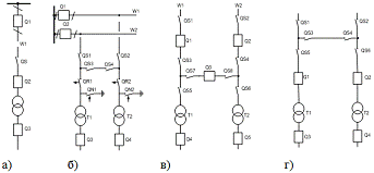
В блочных схемах элементы электроустановки соединяются  последовательно без поперечных связей с другими блоками. Трансформатор может быть соединен с линией как выключателем Q, как показано на рисунке 3.2, а, так и с помощью отделителей QR и короткозамыкателей QN, как показано на рисунке 3.2, б.

Мостиковая схема, представленная на рисунке 3.2, в, применяются на стороне ВН ПС 35, 110 и 220 кВ при 4-х присоединениях (2ВЛ + 2Т) и необходимости осуществления секционирования сети. Схема используется главным образом на понижающих подстанциях. В схеме на рисунке 3.2, в, а выключатель Q3 в перемычке нормально отключен и включают его в случае вывода одной из линий в ремонт, а также при автоматическом отключении линии, если при этом необходимо сохранить в работе оба трансформатора.

Рисунок 3.2 - Упрощенные схемы на стороне ВН: а) блок трансформатор - линия с выключателем ВН; б) два блока с отделителями и неавтоматической перемычкой; в) мостик с выключателями,  г) два блока с выключателями и неавтоматической перемычкой.

Схемы соединений мостиком оснащаются автоматическими устройствами, действие которых в аварийных режимах восстанавливает питание потребителей.

Перемычка играет существенную роль как при переключениях на линиях и трансформаторах в процессе вывода их в ремонт, так и при автоматических отключениях оборудования и создании послеаварийных режимов работы подстанций.

Схемы электрических соединений на стороне 6-10 кВ должны удовлетворять требованиям, предъявляемым к главным схемам по надежности, возможности проведения ремонта, оперативной гибкости, экономической целесообразности, возможности опробования и вывода в ремонт выключателей без нарушения работы присоединения. Различают два основных типа схем электрических соединений с UНН = 6 ÷ 10 кВ: схемы с одной системой сборных шин и схемы с двойной системой сборных шин.

Наиболее простой схемой электроустановок на стороне 10 кВ является схема с одной несекционированной системой сборных шин. Схема проста и наглядна. Источники питания и линии 6-10 кВ присоединяются к сборным шинам с помощью выключателей и разъединителей на каждую цепь необходим один выключатель, который служит для отключения и включения этой цепи в нормальных и аварийных режимах работы. Операции с разъединителями необходимы только при выводе присоединения в целях обеспечения безопасного производства работ.

Схема с одной системой сборных шин позволяет использовать комплектные распределительные устройства (КРУ), что снижает стоимость монтажа, позволяет широко применять механизацию и уменьшить время сооружения электроустановки.

При применении одной системы шин, секционированной выключателем, при аварии на сборных шинах отключается только половина потребителей; вторая секция и все присоединения остаются в работе. Применение секционного выключателя обеспечивает автоматическое включение резерва (АВР), что позволяет использовать такую схему для потребителей любой категории по надежности.

Достоинствами схемы являются простота, наглядность, экономичность, достаточно высокая надежность. Недостатком является то, что при повреждении и последующем ремонте одной секции ответственные потребители, нормально питающиеся с двух секций, остаются без резерва, а потребители, нерезервированные по сети, отключаются на все время ремонта.

Схема электроснабжения с двумя системами сборных шин, в которой каждый элемент присоединяется через развилку двух шинных разъединителей, что позволяет осуществлять работу как на одной, так и на другой системе шин. Возможен такой режим работы этой схемы, когда обе системы шин находятся под напряжением и все присоединения распределяются между ними равномерно (работа с фиксированным присоединением).

Проанализировав все достоинства и недостатки приведенных схем принимаем на стороне 35 кВ схему «два блока с выключателями и неавтоматической перемычкой», показанную на рисунке 3.2, г, на стороне 6 кВ - схему с одной секционированной системой шин с применением АВР, как более надежную и простую в эксплуатации. Выбранная схема электрический соединений подстанции«1 водоподъем» приведена на рисунке 3.3.

Различают нормальный, ремонтный и аварийный режимы работы.

В нормальном режиме питание осуществляется по двум независимым линиям, трансформаторы работают раздельно, секционный выключатель  6 кВ выключен.

При коротком замыкании на линии отключится выключатель Q1 и включаются секционный выключатель Q5 для обеспечения бесперебойной работы потребителей присоединённых к шинам трансформатора Т1.

При коротком замыкании за трансформатором средствами релейной защиты отключится выключатель Q4, срабатывает АВР, включая секционный выключатель Q5 на короткое замыкание, затем релейная защита отключает секционный выключатель Q5 и АВР больше не срабатывает.

Рисунок 3.3 - Схема электрический соединений подстанции «1 водоподъем»

3.3 Расчет токов короткого замыкания

Коротким замыканием (КЗ) является всякое непредусмотренное нормальными условиями работы замыкание между фазами, а в системах с заземленными нейтралями - также замыкание одной или нескольких фаз на землю (или на нулевой провод). Простейшим видом КЗ является трехфазное КЗ, то есть одновременное замыкание всех фаз в одной точке. Оно является симметричным, поскольку при нем все фазы остаются в одинаковых условиях, как и в нормальном режиме, лишь токи возрастают, а напряжения уменьшаются.

В зависимости от места возникновения короткого замыкания общее сопротивление электрической системы уменьшается, что приводит к увеличению токов в ее ветвях по сравнению с токами нормального режима. Одновременно уменьшаются напряжения отдельных точек системы, причем особенно значительно вблизи места КЗ.

Определение токов короткого замыкания необходимо для выбора электрооборудования и токоведущих частей, для расчета релейной защиты, для способа ограничения токов короткого замыкания.

Все расчеты проводятся в относительных единицах, все величины сравниваются с базисными, в качестве которых принимают базисную мощность Sб и базисные напряжения Uб.

Принимаются следующие базисные величины:б = 100 МВА - базисная мощность;б1= 37 кВ - среднее базисное напряжение на стороне ВН;

Uб2 = 6,3 кВ - среднее базисное напряжение на стороне НН.

Определяем базисный ток Iб, кА по формуле

 (3.20)

Рисунок 3.4 - Расчетная схема и схема замещения для расчета токов КЗ

Определяем сопротивления элементов схемы, приведенные к базисным величинам.

Сопротивление системы хс* определяем по формуле

(3.21)

где Sкз - мощность короткого замыкания на шинах источника питания, МВА.

Сопротивление воздушной линии хвл* определяем по формуле

    (3.22)

где х0 = 0,4 Ом/км - реактивное сопротивление воздушной линии;- длина воздушной линии, км.

Сопротивление трансформатора хт* определяем по формуле

 (3.23)

где Uк - напряжение короткого замыкания, %.

Результирующее сопротивление хрез1* для точки К1 равно

хрез1* = хс* + хл*. (3.24)

хрез1* = 1,2 + 0,196 = 1,396.

Результирующее сопротивление хрез2* для точки К2 равно

хрез2* = хс* + хл* + хт*. (3.25)

хрез2* = 1,2 + 0,196 + 2,6 = 3,996.

Значение периодической составляющей тока короткого замыкания в начальный момент I, кА рассчитывается по формуле

(3.26)

в точке К1

в точке К2

Ударный ток короткого замыкания iу, кА рассчитывается по формуле

 (3.27)

где Ку - ударный коэффициент, определяем по [3].

в точке К1

в точке К2

При расчете токов КЗ в точке К2 необходимо учитывать подпитку от высоковольтных электродвигателей, металлически связанных с местом КЗ, так как после момента возникновения КЗ роторы двигателей не затормаживаются мгновенно, а продолжают по инерции вращаться и подпитывают место КЗ благодаря запасенному магнитному полю машины.

Подпитку ударных токов КЗ принято учитывать от синхронных и асинхронных электродвигателей, а подпитку токов КЗ через время t = 0,2 с - только от синхронных.

Ток подпитки от электродвигателей IАД, кА определяют по формуле

(3.28)

где ЕАД = 0,9 - ЭДС асинхронного двигателя;

х∑АД* - эквивалентное сопротивление АД.

Определим сопротивление асинхронных двигателей хад* по формуле

, (3.29)

где х²d* = 0,2 - сверхпереходное продольное реактивное сопротивление АД;

Рн.д - активная мощность асинхронного двигателя, МВт;j ном.д - номинальный коэффициент мощности АД.

Определим эквивалентное сопротивление асинхронных двигателей хΣад*

(3.30)

Определяем ток подпитки от электродвигателей IАД, кА по формуле (3.28)

Ударный ток подпитки от электродвигателей iуАД, кА в точке К2 найдем по формуле (3.27)

Суммарный ток К.З. в точке К-3 I'¥ К-2, кА равен

I'¥К-2 = I¥К-2 + IАД. (3.31)

'¥К-2 = 2,297 + 0,725 = 3,02 кА.

Суммарный ударный ток К.З. в точке К-3 i'у К-2, кА равен

i'уК-2 = iуК-2 + iуАД.(3.32)

'уК-2 = 4,44 + 1,4 = 5,84 кА.

Тепловой импульс короткого замыкания bк, кА2·с определяем по формуле

bк = I2×(tотк + Та),  (3.33)

где I - значение тока короткого замыкания для времени t = 0с, кА;

Та - постоянная времени затухания апериодической постоянной тока КЗ (Та вн = 0,02 с, Та нн = 0,05 с) [1];

tотк = tр.з + tс.в- полное время отключения, с.

tоткл = tр.з. + tсв, (3.34)

где tр.з- длительность действия защиты (tр.з.вн = 0,1 с, tр.з.нн= 1,5 с - с учетом времени действия максимально токовой защиты);

tсв - собственное время отключения выключателя на подстанции (tс.в вн = 0,08 с, tс.в нн = 0,095 с).

в точке К1

tпр1 = 0,1 + 0,08 = 0,18 с.

bк1 = 1,122×(0,2 + 0,18) = 0,48 кА2×с.

в точке К2пр1 = 1,5 + 0,095 = 1,595 с.

bк2 = 3,022×(0,5 + 1,595) = 19,11 кА2×с.

.4 Выбор и проверка токоведущих частей и оборудования 35 кВ

.4.1 Выбор и проверка питающей линии 35 кВ

Выбор производиться по экономической плотности тока, с последующей проверкой сечения по условию нагрева в после аварийном режиме.


 (3.35)

где Uн - номинальное напряжение, кВ;- количество линий, шт.

Выбираем сечение линии по экономической плотности тока Fэ, мм2

, (3.36)

где γ - экономическая плотность тока А/мм2 по [2].

По стандартному ряду сечений принимаем ближайшее значение сечения провода марки СИП-3 - 3(1х35) мм2 (одножильный, токопроводящая жила из алюминиевого сплава, защитная изоляция из светостабилизированного сшитого полиэтилена) с допустимым длительным током Iдл.доп = 220 А, диаметром 14,1 мм.

Преимущества СИП:

провода защищены от схлестывания;

на таких проводах практически не образуется гололед;

исключено воровство проводов, так как они не подлежат вторичной переработки;

существенно уменьшены габариты линии и соответственно требования к просеке для прокладки и в процессе эксплуатации;

простота монтажных работ и соответственно уменьшения их сроков;

высокая механическая прочность проводов и соответственно невозможность их обрыва;

пожаробезопасность, основанная на исключении КЗ при схлестывании;

сравнительно небольшая стоимость линии (примерно на 35 % дороже "голых"). При этом происходит значительное сокращение эксплуатационных расходов (реальное сокращение доходит до 80 %).

Проверим линию в нормальном режиме по условию

Iрл ≤ Iдл.доп, (3.37)

 = 26,4 А < Iдл.доп = 220 А.

Определим ток послеаварийного режима Iав, А

Iав = 2·Iрл.(3.38)

Iав = 2·26,4 = 52,8 А.

Проверяем сечение по условию нагрева в после аварийном режиме по условию

Iав ≤ Iдл доп. (3.39)

ав = 52,8 А < Iдл.доп = 220 А.

Проверка токоведущих частей на термическую стойкость при КЗ производится по условию

Fmin £ F, (3.40)

где Fmin - минимальное сечение провода по термической стойкости, мм2;- выбранное сечение провода, мм2.

 (3.41)

 

где bк - тепловой импульс КЗ, кА2×с (из пункта 3.3);

С = 91 А×с1/2/мм2 - коэффициент, определяется по [1].

min = 7,61 мм2 < F = 35 мм2.

Проверка выбранного сечения на коронирование по условию

1,07×Е £ 0,9×Е0,(3.42)

где Е - напряженность поля около поверхности провода, кВ/см;

Е0 - начальная напряженность поля, при которой появляется коронный разряд, кВ/см.

Начальная критическая напряженность Е0, кВ/см

 (3.43)

где m = 0,82 - коэффициент, учитывающий шероховатость поверхности проводников;= 0,705 см - радиус провода.

Определим напряженность около поверхности проводника Е, кВ/см

 (3.44)

где Dср = 1,26D - среднегеометрическое расстояние между фазами, см;- расстояние между соседними фазами, см (межфазное расстояние для проводов СИП-3 - 0,4 м).ср = 1,26·40 = 50,4 см.

Проверяем по условию (3.42)

1,07×9,5 = 10,14 кВ/см < 0,9×33,7 = 30,33 кВ/см.

Потери электроэнергии в линииWл, МВт·ч

Wл = N·(3·Iр2 ·ro· L·10-3),(3.45)

W = 2·(3·26,42·1,262·6,7·10-3·3411) = 38,7 кВт·ч.

Для подвески токопроводов на ОРУ 35 кВ примем к установке подвесные линейные кремнеорганические изоляторы типа ЛК 70/35.

.4.2 Расчет вторичной нагрузки трансформаторов тока

Трансформаторы тока выбираются по напряжению установки, по длительному току, по вторичной нагрузке, по конструкции и роду установки и проверяются на электродинамическую и термическую стойкость.

Трансформаторы тока, встраиваемые в силовой трансформатор, проверку на электродинамическую стойкость не проходят.

Контроль за режимом работы основного и вспомогательного оборудования на подстанциях осуществляется с помощью контрольно-измерительных приборов. Для измерения электрической энергии применяются счетчики электрической энергии типа СЭТ-4ТМ (трехфазный), которые предназначены для коммерческого учета электроэнергии. Счетчики соответствуют ГОСТ 30207-94 и работают как автономно, так и в составе АСКУЭ.

Вторичная нагрузка трансформатора тока в зависимости от ячеек содержит контрольно-измерительную аппаратуру, представленную в таблице 3.3.

Таблица 3.3 - Вторичная нагрузка трансформаторов тока

Приборы

Тип

Нагрузка фазы, ВА



А

В

С

Амперметр

Э - 365

2,0

-

-

Ваттметр

Ц301/1

1,5

-

1,5

Варметр

Ц301/1

1,5

-

1,5

Счетчик электрической энергии

СЭТ-4ТМ

1,5

1,5

1,5

РЗиА


2,5

2,5

2,5

Итого


9,0

4,0

7,0


Так как наиболее загруженной фазой является фаза А, то дальнейший расчет будем производить с учетом того, что Sприб = 9,0 ВА.

Определим общее сопротивление приборов rприб, Ом

 (3.46)

где I2 = 5 А - вторичный ток трансформатора тока.

Допустимое сопротивление соединительного провода rдоп.пр, Ом

rдоп.пр = r2ном - rприб - rконт,(3.47)

где r2ном = 0,4 Ом - вторичное сопротивление трансформатора тока  (паспортное значение для выбранного ТТ для класса точности 0,5);конт = 0,1 Ом - для 4-х приборов [1].доп.пр = 1,2 - 0,36 - 0,1 = 0,74 Ом.

Для подстанции с высшим напряжением 35 кВ принимается кабель с алюминиевыми жилами (l = 30 м) [1], вторичная обмотка трансформаторов тока соединена в полную звезду, следовательно, lрасч = l .

Определим сечение контрольного кабеля , мм2

, (3.48)

где r = 0,0283 Ом×мм2/м - для алюминия [5].

Согласно требованиям ПУЭ, по условию механической прочности принимаем контрольный кабель марки: АКРВГ с алюминиевыми жилами сечением 2,5 мм2.

Определим действительное сопротивление проводов rпр, Ом

. (3.49)

 Ом.

Тогда, вторичная нагрузка приборов r2, Ом будет равна

r2 = rприб + rпр + rконт. (3.50)

2 = 0,36 + 0,34 + 0,1 = 0,8 Ом.

Для работы трансформатора тока в выбранном классе точности должно выполняться следующее условие [1]

r2 £ r2ном. (3.51)

2 = 1,2 Ом < r2ном = 0,8 Ом. Следовательно, выбранный трансформатор тока ТОЛ - 35 будет работать в выбранном классе точности 0,5.

.4.3 Расчет вторичной нагрузки трансформаторов напряжения

Измерительные трансформаторы напряжения (ТН) предназначены для преобразования напряжения до значения, удобного для измерения. Трансформаторы, предназначенные для присоединения счётчиков, должны отвечать классу точности 0,2; 0,5. Для присоединения щитовых измерительных приборов используют трансформаторы классов 1,0 и 3,0; для релейной защиты - 0,5, 1,0 и 3,0.

Трансформаторы напряжения выбираются по напряжению установки, по конструкции и классу точности и проверяются по мощности вторичной нагрузки.

Таблица 3.4 - Вторичная нагрузка трансформаторов напряжения

Прибор

Тип

S одной обмотки ВА

Число обмоток

cos j

tg j

Число приборов

Р, Вт

Q, вар

Амперметр

Э - 365

2,0

1

1

0

1

2,0

-

Ваттметр

Ц301

1,5

2

1

0

1

3,0

-

Варметр

Ц301

1,5

2

1

0

1

3,0


Счетчик электроэнергии

СЭТ-4ТМ

1,5

3

0,38

2,43

1

4,5

10,94

РЗиА


2,5

3

1

0


7,5

-

Итого







20,0

10,94


Следовательно, полная мощность вторичной нагрузки будет равна S2, ВА

(3.52)

.

Условие проверки трансформаторов напряжения [5]

S2ном > S2, (3.53)

Для трансформаторов напряжения, соединенных по схеме звезды, вторичная номинальная нагрузка S2ном, ВА рассчитывается по формуле

S2ном = 3×SномTV.(3.54)

2ном = 3×150 = 450 ВА.2ном = 450 ВА > S2 = 22,8 ВА.

Так как условие проверки выполняется, следует, что выбранные трансформаторы напряжения ЗНОЛ - 35 будут работать в классе точности 0,5.

.4.4 Выбор выключателей и разъединителей

Выключатель является основным коммутационным аппаратом в электрических установках, он служит для отключения и включения цепи в любых режимах. Наиболее тяжёлой и ответственной операцией является отключение токов короткого замыкания.

Вакуумные выключатели более просты в эксплуатации, чем масляные или электромагнитные и, благодаря своим преимуществам, постепенно вытесняют их.

Все элементы системы электроснабжения выбираются по номинальным параметрам и проверяются по устойчивости при сквозных токах КЗ и перенапряжениях.

Условие выбора по номинальному напряжению установки Uном у, кВ

Uном у £ Uном а. (3.55)

Условие выбора по максимальный расчетному току установки Iр.м, А

р.м £ Iном а. (3.56)

Максимальный расчетный ток на стороне 35 кВ Iр.м, А определяется с учетом перегруза трансформаторов на 40 % по формуле

 (3.57)

где Sном.т - номинальная мощность трансформатора, кА;вн - номинальное напряжение на стороне ВН, кВ.

Проверка по отключающей способности заключается в проверке на симметричный ток отключения

Iоткл ном ³ Iпt,(3.58)

где Iоткл ном - номинальный ток отключения выключателя, кА;пt - периодическая составляющая тока КЗ в момент начала расхождения контактов выключателя, кА.

На электродинамическую устойчивость выключатель проверяется по предельному сквозному току короткого замыкания по двум условиям

пр.с ³ iу, (3.59)

где iпр.с = iдин - наибольший пик предельного сквозного тока, кА;у - ударный ток К.З., кА.

Iпр скв ³ Iп0,(3.60)

где Iпр скв - предельный сквозной ток К.З., кА;п0 - периодическая составляющая тока К.З. в начальный момент времени, кА.

На термическую устойчивость выключатель проверяется по тепловому импульсу βк, кА2·с

(Iтер.норм)2·tтер ³ βк,(3.61)

где (Iтер.норм)2· tтер - ток термической стоийкости, кА2·с;

βк - полный тепловой импульс К.З. (по расчету токов К.З.).

Выбираем на стороне 35 кВ выключатели вакуумные с электромагнитным приводом типа ВБЭС-35III-25/630УХЛ1, с усиленной изоляцией, наружной установки предназначены для работы в электрических сетях на открытых частях станций, подстанций, для тяговых подстанций электрифицированных железных дорог, в распределительных устройствах в сетях трёхфазного переменного тока.

Предназначены для замены маломасляных выключателей ВМУЭ-35 II - 25/1250 УХЛ1, ВМК-35-20/1000 У1 и масляных баковых выключателей МКП-35-20/1000 У1, С-35М-630-10 У1, ВТ-35-12,5/630 У1.

Условия выбора и проверки, расчетные данные и выбранные выключатели сведены в таблицу 3.5.

Разъединители выбираются по напряжению установки (3.55), по длительному току (3.56), по конструкции и роду установки и проверяются на электродинамическую (3.59) и термическую (3.61) стойкость.

Разъединители, устанавливаемые в открытых распределительных устройствах, должны обладать соответствующей изоляцией и надежно выполнять свои функции в неблагоприятных условиях окружающей среды.

Выбираем на стороне 35 кВ разъединители серии РГП.2 - 35/1000 УХЛ1.

Разъединители серии РГП выполнены с повышенной электрической прочностью и улучшенными эксплуатационными свойствами. Разъединитель представляет собой двухколонковый аппарат с поворотом главных ножей в горизонтальной плоскости. Разъединители состоят из главной токоведущей системы опорной изоляции и несущей рамы. Контактные ножи разъединителей выполнены из медных шин. Изоляторы разъединителя РГП - полимерные. Управление разъединителями и заземлителями осуществляется отдельными одноваловыми двигательными приводами типа ПД-14УХЛ1. Детали и узлы разъединителя имеют стойкое антикоррозийное покрытие горячим или термодиффузионным цинком.

Ограничитель перенапряжения ОПН предназначен для защиты электротехнического оборудования, воздушных и кабельных линий от грозовых и коммутационных перенапряжений. Ограничитель перенапряжения ОПН состоит из одного или нескольких герметичных модулей, каждый из которых содержит одну колонку варисторов, выполненных на основе оксида цинка. Варисторы не обладают «кумулятивным» эффектом, т.е. их вольтамперная характеристика не зависит от числа срабатываний ограничителя перенапряжения.

Основным отличием ОПН от разрядников являются более низкие уровни (на 30 - 50 %) ограничения перенапряжений (до (1,8 ÷ 2,0)·Uном, соответственно, при коммутационных и грозовых перенапряжениях). Показатели надежности грозозащиты при установке ОПН в 2 раза выше, чем при установке вентильных разрядников. Немаловажным фактором является снижение в 3 - 5 раз массогабаритных показателей аппаратуры, взрывобезопасность и надежность ОПН.

Условия выбора и проверки, расчетные данные и выбранное оборудование сведены в таблицу 3.5.

Таблица 3.5 - Выбор оборудования на стороне 35 кВ

Наименование оборудования

Условия выбора

Расчётные данные

Паспортные данные

Тип оборудования

Выключатели

Uуст  Uном Iрасч  Iном Iпt Iоткл ном iуд  iпр.с Iп0 Iпр скв βк  It2tt

Uуст = 35 кВ Iр.м = 57,8 А Iпt = 1,12 кА iуд = 2,85 кА Iпо = 1,12 кА βк = 0,48 кА2с

Uном = 35 кВ Iном = 630 А Iоткл ном = 25 кА iпр.с = 64 кА Iпр.скв = 25 кА It2tt= 1875 кА2с

ВБЭС-35III-25/630УХЛ1

Разъединители

Uуст  Uном Imax  Iном iуд  iпр.с βк It2tt

Uуст = 35 кВ Iр.м = 57,8 А iуд = 2,85 кА βк = 0,48 кА2с

Uн = 35 кВ Iн = 1000 А iпр.с = 160 кА It2tt = 7500 кА2с

РГП.1-35 /  1000 УХЛ1

Ограничители перенапряжения

Uном у £ Uном а Uраб.наиб £ 0,5·Uн а

Uном у = 35 кВ Uном а = 17,5кВ

Uном а = 35 кВ Uраб.наиб = 27 кВ

ОПНп-35 УХЛ1

Трансформаторы тока

Uном у £ Uном а Iр.м £ I1ном bк£(kt×I1ном)2×tт iуд  iдин Z2 » r2 £ Z2ном

Uном у = 35 кВ Iр.м = 57,8 А bк = 0,48 кА2×с iуд = 2,85 кА r2 = 0,8 Ом

Uном а = 35 кВ I1ном = 100 А IT2×tт = 2352кА2×с iдин = 30 кА Z2 = 1,2 Ом

ТОЛ - 35/100

Трансформаторы тока

Uном у £ Uном а Iр.м £ I1ном bк£(kt×I1ном)2×tт Z2 » r2 £ Z2ном

Uном у = 35 кВ Iр.м = 57,8 А bк =0,48 кА2×с r2 = 0,6 Ом

Uном а = 35 кВ I1ном = 100 А IT2×tт = 2883кА2×с Z2 = 0,6 Ом

ТВТ - 35/100

Трансформаторы напряжения

Uном у £ Uном а S2 £ S2ном

Uном у = 35 кВ S2 = 22,8 ВА

Uном а = 35 кВ S2ном = 450 ВА

ЗНОЛ - 35 У1

4. Проектирование системы внутреннего электроснабжения

.1 Выбор числа и мощности трансформаторов 6/0,4 кВ

На выбор числа трансформаторов на трансформаторных подстанциях влияет категория надежности электроснабжения потребителей. На насосной станции преобладают нагрузки 1-ой и 2-ой категории, поэтому требуется установка двухтрансформаторных подстанций.

Категорийность потребителей - I, II, III.

Выбор номинальной мощности трансформатора производится по расчетной мощности исходя из рациональной их загрузки в нормальном режиме и с учетом минимально необходимого резервирования в послеаварийном режиме.

Рассчитываем ориентировочную мощность трансформатора Sор.т, кВА

(4.1)

где Sр - расчетная полная мощность потребителей 0,4 кВ насосной станции, кВА;з.ав - коэффициент загрузки трансформатора в послеаварийном режиме (для масляных трансформаторов мощностью до 2500 кА при длительности послеаварийного режима не менее 6 часов kз.ав не должен превышать 1,4).

По справочнику [5] выбираем трансформатор типа ТМ - 100/6 с паспортными данными: Sнт = 100 кВА, Uвн = 6 кВ, Uнн = 0,4 кВ, ΔРх = 0,36 кВт, ΔРк = 1,97 кВт, uк = 4,5 %, iх = 2,6 %.

Выбранное число трансформаторов Nт способно передать в сеть напряжением до 1 кВ при заданном коэффициенте загрузки kз реактивную мощность Q, квар, значение которой определяется по формуле

 (4.2)

За допустимую реактивную нагрузку трансформатора принимается меньшее значение из Qр и Q. Принимаем допустимую реактивную нагрузку трансформатора Q1 = Q = 48,3 квар.

Потери активной мощности в трансформаторах ΔРт, кВт

ΔРт = n· (ΔРх + kз2·ΔРк).(4.3)

ΔРт = 2·(0,36 + 0,72·1,97) = 2,65 кВт.

Потери реактивной мощности в трансформаторах ΔQт, квар

 (4.4)

.

Активная мощность, потребляемая трансформаторами из сети 6 кВ Рт, кВт

Рт = Рр + ΔРт. (4.5)

Рт = 131,4 + 2,65 = 134,05 кВт.

Коэффициенты загрузки трансформаторов определяется по формулам

в нормальном режиме kз.н

.(4.6)

в послеаварийном режиме kз.ав

(4.7)

Реактивная мощность, потребляемая трансформаторами из сети 6 кВ Qт, квар

Qт = Q1 + ΔQт.(4.8)

т = 48,3 + 9,61 = 57,91 квар.

Полная мощность, потребляемая трансформаторами Sт, кВА

(4.9)


.2 Выбор трансформаторов и схемы питания собственных нужд

Состав потребителей собственных нужд подстанции зависит от типа подстанции, мощности трансформаторов, наличия синхронных компенсаторов, типа электрооборудования. В них входят: электродвигатели обдув трансформаторов, обогрев приводов выключателей ВН, а также освещение подстанции. Наиболее ответственными потребителями собственных нужд подстанции являются оперативные цепи, система связи, телемеханики, система охлаждения трансформаторов, аварийное освещение, система пожаротушения. Мощность потребителей с.н. невелика, поэтому они присоединяются к сети 380/220 В, которая получает питание от понижающих трансформаторов.

Таблица 4.1 - Потребители собственных нужд подстанции

Вид потребителя

Установленная мощность, кВт

cos j

tg j

Нагрузка


Р1ном х n

åРном



Руст, кВт

Qуст, квар

Устройства охлаждения ТМН-2500/35

1,5х2

3,0

0,85

0,62

3,0

1,86

Обогрев ВБЭС-35III

2,8х2

5,6

1

0

5,6

-

Обогрев регуляторов напряжения тр-ров

0,25х2

0,5

1

0

0,5

-

Обогрев приводов разъединителей 35кВ

0,6х8

4,8

1

0

4,8

-

Аппаратура телемеханики и учета электроэнергии

-

0,75

0,85

0,62

0,75

0,465

Аппаратура связи

-

8,0

0,73

0,94

8,0

7,5

Подзарядно-зарядный агрегат ВАЗП

23х2

46,0

0,85

0,62

46,0

28,52

Наружное освещение

5

1

0

5

-

Аварийное освещение

-

2,5

1

0

2,5

-

Итого

-

76,15

-

-

76,15

38,35


Расчетная мощность Sрасч, кВА трансформатора собственных нужд подстанции определяется по формуле

 (4.10)

Мощность трансформатора собственных нужд Sтсн, кВА при двух трансформаторах собственных нужд на подстанциях без постоянного дежурного персонала определяется по формуле

(4.11)

Для питания потребителей собственных нужд на напряжение 380/220 В подстанции «1 водоподъем» принимаются два трансформатора типа ТМ- 100/35У1 напряжением 35/0,4 кВ мощностью 100 кА каждый.

Коэффициент загрузки трансформаторов в нормальном режиме kз.н

(4.12)

Коэффициент загрузки трансформаторов в послеаварийном режиме kз.ав

(4.13)

 < 1,4.

То есть трансформаторы собственных нужд не испытывают перегрузок.

Присоединение трансформаторов собственных нужд к питающей сети зависит от системы оперативного тока, применяемой на подстанции. Для подстанций на постоянном оперативном токе с аккумуляторными батареями трансформаторы собственных нужд присоединяются через предохранители или выключатели к шинам распределительного устройства 6 - 35 кВ.

На основании «Норм технологического проектирования подстанций переменного тока с высшим напряжением 35-750 кВ» на подстанции напряжением 35 кВ (кроме отпаечных и тупиковых) и выше должна применяться система оперативного постоянного тока (система ОПТ, СОПТ) напряжением 220 В.

Система ОПТ должна интегрировать в единое целое:

а).источники питания в виде аккумуляторных батарей (АБ) и зарядных устройств (ЗУ), работающих в режиме постоянного подзаряда;

б) приемно-распределительные щиты постоянного тока (ЩПТ) по числу АБ;

в) кабели вторичной коммутации;

г) потребители постоянного тока.

На подстанции применяем постоянный оперативный ток. Источником оперативного тока 220 в принимаем необслуживаемую герметичную аккумуляторную батарею. Согласно «Норм технологического проектирования подстанций переменного тока с высшим напряжением 35-750 кВ» на подстанции «1 водоподъем» устанавливаем один щит постоянного тока для питания цепей оперативного тока силовых трансформаторов и КРУ-6 кВ. В состав ЩПТ входит шкаф с герметичной аккумуляторной батареей, два преобразователя тока и шкаф ввода и распределения постоянного тока.

Трансформаторы собственных нужд присоединяются через предохранители к линии 35 кВ. Распределение собственных нужд подстанции «1 водоподъем» осуществляется со щита переменного тока, выполняемого по схеме одиночной системы сборных шин, с устройством АВР на напряжении 0,4 кВ и устанавливаемого в помещении ОПУ.

.3 Выбор и проверка токоведущих частей и оборудования 0,4 кВ

Выбор марки и сечения токоведущих частей 0,4 кВ

Выбранный тип провода или кабеля должен соответствовать его назначению, характеру среды, способу прокладки.

Выбор сечения проводников напряжением до 1000 В производится по условию нагрева с последующей проверкой по допустимой потере напряжения и на соответствие току защитного аппарата.

Условие выбора сечения по нагреву

Iр. < Iдл.доп.∙kt∙kп, (4.14)

где Iр. - расчетный ток линии, А;дл.доп. - длительно допустимый ток для выбираемого сечения, А;t - поправочный коэффициент, учитывающий отличие температуры в цехе от температуры, при которой заданы Iдоп в ПУЭ;п - поправочный коэффициент, учитывающий снижение допустимой токовой нагрузки для проводов и кабелей при их многослойной прокладке в коробах.

Расчетный ток линии Iр, А определяется по формуле

,(4.15)

где Рном - номинальная мощность электроприемника, кВт;ном = 0,38 кВ - номинальное напряжение сети;

 - номинальный коэффициент мощности данного электроприемника.

Для нормальных условий эксплуатации токоведущих сетей в цехе условие выбора по нагреву запишется в виде

Iр. ≤ Iдл.доп. (4.16)

Проверка выбранного сечения по току защитного аппарата производится после выбора автоматического выключателя по условию

Iдл.доп. ≥ kзащ.∙Iзащ, (4.17)

где kзащ. = 1 - коэффициент защиты или кратность защиты. Значения kзащ. определяют [2] в зависимости от назначения принятого вида защиты, характера сети, изоляции проводов, кабелей и условия их прокладки;защ. - ток срабатывания защитного аппарата, А.

Проверка выбранного сечения провода (кабеля) по допустимой потере напряжения ΔU, кВ проводится по условию

ΔU ≤ ΔUдоп, (4.18)

где ΔUдоп - допустимые потери напряжения, В;

ΔU - расчетные потери напряжения, В.

ΔUдоп = 0,05∙Uном = 0,05∙380 = 19 В.

Расчетные потери напряжения ΔU, В определяются по формуле

ΔU = ∙IP∙l∙(r0∙cos φ + x0∙sin φ),(4.19)

где IP - расчетный ток линии, А;- длина линии, км;0, x0 - удельные сопротивления проводников (определяются по справочнику [2]), Ом/км.

Условия выбора автоматических выключателей

Номинальный ток защищающего от перегрузки теплового расцепителя автоматического выключателя Iт, А выбирают только по длительному расчетному току линии

Iт ≥ Iдл.р.(4.20)

Номинальный ток электромагнитного или комбинированного расцепителя автоматического выключателя Iэл, А выбирают также по длительному расчетному току линии

Iэл ≥ Iдл.р. (4.21)

Ток срабатывания (отсечки) электромагнитного, комбинированного или электронного расцепителя Iсраб.эл, А проверяется по максимальному кратковременному току линии

сраб.эл ≥ (1,25 ÷ 1,35)∙Iкр.,(4.22)

где Iкр. - максимальный кратковременный ток линии, А.

Для ответвлений к одиночному электродвигателю максимальный кратковременный ток линии Iкр. равен пусковому току электродвигателя Iпуск, Акр. = Iпуск = kп∙Iрасч., (4.23)

где kп - кратность пускового тока (принимают по справочнику). При отсутствии данных принимается: kп = 6 или 6,5 (для СД и АД с КЗ-ротором); kп = 2 или 3 (для МПТ и АД с фазным ротором).

При смешанной нагрузке максимальный кратковременный ток линии Iкр., А

кр. = (Iр - kи∙Iрасч.) + Iпуск,(4.24)

где Iр - расчетный ток всей линии, А; расч, Iпуск - расчетный и пусковой ток наибольшего двигателя, А;и - коэффициент использования наибольшего двигателя.

Пример выбора автоматического выключателя и кабеля 0,4 кВ

Проведем расчет и выбор сечения кабеля на примере насоса мощностью Рном = 18 кВт по формулам (4.14) - (4.23).

Определим расчетный ток линии Iр, А по формуле (4.15)

Выбираем по справочнику [4] кабель марки ВВГнг-LS (кабель силовой с медными токопроводящими жилами с изоляцией и оболочкой из ПВХ-пластиката без защитных покровов (брони). К обозначению марки кабеля ВВГ добавляются буквы «нг-LS» если изоляция и оболочка кабеля выполнена из пластиката, не распространяющего горения и низким дымо/газоотделением). Кабель ВВГнг-LS применяется для прокладки в сухих или сырых помещениях (тоннелях), каналах, кабельных полуэтажах, шахтах, коллекторах, производственных помещениях, к которым предъявляются повышенные требования пожарной безопасности.

Выбираем кабель марки ВВГнг-LS - 4х6 мм2 с Iдл.доп = 46 А.

Определим пусковой ток Iпуск, А по формуле (4.23)пуск = 6∙34,2 = 205,4 А.

Ток срабатывания (отсечки) электромагнитного расцепителя I΄сраб.эл, А определяем с учетом условия (4.22)΄сраб.эл = 1,25∙205,4 = 256,7 А.

По справочнику [4] выбираем выключатель типа ВА51Г - 31 с данными

Iном.выкл = 100 А, Iном.р. = 40 А, кратность отсечки kотс = 14.

Наиболее современные автоматические выключатели серии ВА предназначены для замены устаревших А37, АЕ, АВМ и «Электрон». Они имеют уменьшенные габариты, совершенные конструктивные узлы и элементы. Работают в сетях постоянного и переменного тока. Выключатели имеют комбинированные расцепители (эл. магнитные и тепловые).

Выключатели ВА51Г, так же как и ВА52Г, предназначены для управления и защиты двигателей с короткозамкнутым ротором в режиме работы АСЗ и изготавливаются до 660 В 50-60 Гц переменного тока в трехполюсном исполнении. Кратность отсечки выключателей ВА51Г (как и ВА52Г) во всех случаях равна 14·Iном.р, в зоне перегрузки тепловой расцепитель всех величин этих выключателей срабатывает при 1,2·Iном.р. Тепловой расцепитель выключателей ВА51-25 и ВА51-31 срабатывает при 1,35·Iном р у прочих выключателей - 1,25·Iном р.

Определяем номинальный ток теплового расцепителя автоматического выключателя Iт, Аср.т.р. = 1,2·40 = 48 А.

Выбранный автомат проверяем по току срабатывания (отсечки) электромагнитного расцепителя Iсраб.эл, А по условию (4.22)

сраб.эл = 14∙Iном.р. = 14∙40 = 560 А.΄сраб.эл = 256,7 А < Iсраб.эл = 560 А.

Проверяем выбранное сечения кабеля по условию (4.17)

дл.доп. = 46 А < kзащ.∙Iзащ = 1·48 = 48 А.

Так как условие (4.17) не выполняется, то выбираем кабель большего сечения ВВГнг-LS - 4х10 мм2 с Iдл.доп = 61 А (r0 = 1,84 Ом/км, x0 = 0,073 Ом/км) и проверяем по условию (4.17)

дл.доп. = 61 А > kзащ.∙Iзащ = 48 А.

Определяем расчетные потери напряжения ΔU, % по формуле (4.19) с учетом того, что длина линии от ТП до самого удаленного насоса составляет 35 м, и проверим по условию (4.18)

ΔU = ∙34,2∙35·10-3·(1,84∙0,8 + 0,073∙0,6) = 3,14 В.

ΔU = 3,14 В < ΔUдоп = 19 В.

Так как все условия выполнены, следовательно, кабель и автоматический выключатель выбраны верно. Результаты выбора марки и сечения кабелей сведены в таблицу 4.2, автоматических выключателей - таблицу 4.3.

.4 Выбор и проверка токоведущих частей и оборудования 6 кВ

4.4.1 Выбор и проверка токоведущих частей 6 кВ

Шинный мост выполняется из неизолированных алюминиевых шин прямоугольного сечения. Сечение шинного моста выбирается по длительно допустимому току Iдл.доп. А

Imax £ Iдл.доп.(4.25)

где Imax - максимальный ток, протекающий по шинному мосту, А;дл.доп - длительно допустимый ток выбранного сечения, А.

(4.26)

Принимаем алюминиевые однополосные шины прямоугольного сечения 30х4 c Iдл.доп = 365 A, сечением 250 мм2. Расположение шин - на плоскость.

Iдл.доп = k1× Iдоп табл,(4.27)

где k1 = 0,92 - поправочный коэффициент, учитывающий уменьшение  допустимого тока на 8 % для горизонтальной прокладки шин.дл.доп = 0,92×365 = 335,8 А > Imax = 287,9 А.

Шинный мост подвергается проверке по двум условиям.

1)  по условию термической стойкости

Fmin £ F,(4.28)

где Fmin - минимальное сечение шин по условию термической стойкости, мм2; - выбранное сечение шины, мм2.

(4.29)

 

где С = 91 А×с1/2/мм2 - коэффициент определяется по [5].

min = 48,04 мм2 < F = 120 мм2 .

) условие проверки на механическую прочность

sрасч £ sдоп, (4.30)

где sдоп = 90 МПа - допустимое механическое напряжение в материале шин  для алюминия марки АД31Т1 [5];

sрасч - расчетное механическое напряжение в материале шин, МПа.

(4.31)

где l = 1 м - длина пролета между опорными изоляторами;

а = 0,3 м - расстояние между фазами;- момент сопротивления шины относительно оси, перпендикулярной  действию усилия, см3.

,(4.32)

где b и h - размеры шины, см.


sрасч = 32,8 МПа < sдоп = 90 МПа .

По результатам проверок выбранные шины принимаются к установке.

.4.2 Выбор и проверка опорных изоляторов проводится по номинальному напряжению и по допустимой нагрузке

Выбираю опорные полимерные изоляторы внутренней установки на напряжение 6 кВ типа 0СК 4 - 6 УХЛ2 (опорный, стержневой, кремнийорганический, Fразр = 4 кН).

Данные изоляторы имеют срок эксплуатации 30 лет, благодаря применению кремнийорганической изоляционной оболочки; механически намного прочнее фарфоровых изоляторов, имеют высокую электрическую прочность, безопасность при эксплуатации; грязестойкость, экологичность; обладают большим запасом ударопрочности; энергосбережение увеличено за счет снижения токов утечки по поверхности загрязненных изоляторов в десятки раз.

Изоляторы проверяются на механическую прочность по условию

Fрасч £ Fдоп,(4.33)

где Fдоп = 0,6×Fразр - допустимая нагрузка на головку изолятора, кН;разр = 4 кН - минимальная разрушающая способность (паспортная  величина);расч - расчетная сила, действующая на изолятор, кН.

(4.34)

расч = 0,019 кН < Fдоп = 0,6·4 = 2,4 кН.

.4.3 Выбор и проверка проходных изоляторов

Проходные изоляторы типа ИПП предназначены для изоляции и соединения токоведущих частей закрытых распределительных устройств с открытыми распределительными устройствами или линиями электропередачи. Преимуществом полимерных проходных изоляторов является отсутствие хрупкости и стойкость к динамическим ударным воздействиям, например при токах КЗ, устойчивая работа в условиях сильного загрязнения.

Выбираем изоляторы типа ИПП - 10/630-12,5 УХЛ1 по номинальному напряжению (3.55) и по максимальному току (3.56)ном = 6 кВ = Uном у = 10 кВ.р.м = 287,9 А < Iном = 630 А.

Условие проверки на механическую прочность

Fрасч £ Fдоп,(4.35)

где Fдоп - минимальное усилие на изгиб, Н;расч - расчетная сила, действующая на изолятор, Н.

(4.36)

 расч = 0,0093 кН < Fдоп = 12,5 кН.

По результатам проверки выбранные изоляторы принимаются к установке.

.4.4 Расчет вторичной нагрузки трансформаторов тока

Проверка выбранных трансформатора тока 6 кВ проводится по вторичной нагрузке с учетом установленных измерительных приборов.

Таблица 4.4 - Перечень необходимых измерительных приборов ТТ

Приборы

Тип

Нагрузка фазы, ВА



А

В

С

Вводной выключатель 6 кВ

Амперметр

Э - 335

2,0

-

-

Ваттметр

Ц301/1

1,5

-

1,5

Расчетный счетчик электроэнергии

СЭТ-4ТМ

1,5

1,5

1,5

РЗА


2,5

2,5

2,5

Итого


7,5

4,0

5,5

Ячейки отходящих линий 6 кВ

Амперметр

Э-335

2,0

-

-

Расчетный счетчик электроэнергии

СЭТ-4ТМ

1,5

1,5

1,5

РЗиА


2,5

2,5

2,5

Итого


6,0

4,0

4,0


Так как наиболее загруженной фазой является фаза А, то дальнейший расчет будем производить с учетом того, что Sприб = 7,5 ВА.

Расчет вторичной нагрузки трансформатора тока на стороне 6 кВ производится по формулам (3.46) - (3.51).

Определим общее сопротивление приборов по формуле (3.46)

Допустимое сопротивление соединительного провода rдоп.пр, Ом по (3.47)доп.пр = 0,8 - 0,3 - 0,05 = 0,45 Ом.

Вторичная обмотка трансформатора тока соединена в неполную звезду, следовательно, lрасч = 1,5×l .

Определим сечение контрольного кабеля , мм2 по формуле (3.48)

 

Согласно требованиям ПУЭ, по условию механической прочности  принимаем контрольный кабель марки: АКРВГ с алюминиевыми жилами  сечением 2,5 мм2.

Определим действительное сопротивление проводов rпр, Ом по (3.49)

Тогда, вторичная нагрузка приборов r2, Ом будет равна2 = 0,3 + 0,34 + 0,05 = 0,69 Ом.

Для работы трансформатора тока в выбранном классе точности должно выполняться условие (3.51)2 = 0,69 Ом < r2ном = 0,8 Ом.

Следовательно, выбранные трансформаторы тока ТОЛК-6-I будут работать в выбранном классе точности 0,5. Опорные трансформаторы ТОЛК-6-I предназначены для передачи сигнала измерительной информации приборам измерения, применяются в комплектных распределительных устройствах.

.4.5 Расчет вторичной нагрузки трансформаторов напряжения

Для определения вторичной нагрузки трансформатора напряжения также перечень необходимых измерительных приборов и определяется их общая нагрузочная мощность.

Таблица 4.5 - Вторичная нагрузка трансформаторов напряжения

Прибор

Место установки

Тип

Мощность одной обмотки ВА

Число обмоток

cosj

tg j

Число приборов

Р, Вт

Q, вар

Вольтметр

С.Ш.

Э - 365

2,0

1

1

0

1

2,0

-

Ваттметр

Ввод 6 кВ от тр-ра

Ц301/1

1,5

2

1

0

1

3,0

-

Счетчик электроэнергии


СЭТ-4ТМ

1,5

3

0,38

2,43

1

4,0

9,7

Счетчик электроэнергии

Линии 6 кВ

СЭТ-4ТМ

1,5

3

0,38

2,43

4

18,0

43,7

РЗА


2,5

3

1

0

4

30,0

-

Итого

57,0

53,4


Полная мощность вторичной нагрузки S2, ВА определяется по формуле (3.52)

Полная вторичная номинальная нагрузка трансформаторов напряжения определяется по формуле (3.54) и проверяется по условию (3.53)2ном = 3×75 = 225 ВА > S2 = 78,1 ВА.

Так как условие проверки выполняется, следует, что выбранные антирезонансные трансформаторы напряжения типа НАМИ будут работать в классе точности 0,5.

Для защиты трансформаторов напряжения устанавливаем предохранители типа ПКН 001 - 10 У3.

4.4.6 Выбор выключателей на стороне 6 кВ

Максимальный расчетный ток на стороне 6 кВ Iр.м, А определяется по формуле (3.57)

За максимальный расчетный ток Iр.м, А отходящего фидера принимаем расчетный ток АД насоса мощностью 860 кВт, который определяется по формуле (4.15)

Выбираем на стороне 6 кВ по формулам (3.55) - (3.61) вакуумные выключатели серии ВРС.

Серия ВРС - новое поколение вакуумных выключателей - запущена в производство в 2004 году.

Выключатели данной серии применяются для коммутации любых видов нагрузок на напряжении 6-10 кВ при номинальных токах до 3150 А и токах отключения до 40 кА.

В вакуумных выключателях «Высоковольтного союза» применяются современные вакуумные камеры производства Siemens. Электрическая дуга при коммутации горит в парах металла, испаряющегося в вакууме с поверхности контактов-электродов. Дуга мягко гасится при естественном переходе тока через ноль, при этом исключается возможность возникновения перенапряжений при коммутации большинства видов нагрузок. Для удержания контактов выключателя во включенном или выключенном положении используется энергия мощных постоянных магнитов. Фиксация происходит по принципу «магнитной защелки»: замыканием цепей включения или отключения якорем, который механически связан с подвижным контактом вакуумной камеры. Привод управляется универсальным электронным блоком управления, расположенным непосредственно в корпусе выключателя.

Выключатели устанавливаются в новых КРУ с расположением выдвижного элемента в средней части шкафа, но особенно широко применяются для реконструкции устаревших КРУ и КСО по программе Ретрофит.

Помимо систем управления и защиты, в корпусе выключателя может быть смонтирован блок диагностики и он-лайн контроля параметров работы выключателя, а также соответствующий интерфейс (функция «умный выключатель»).

Условия выбора и проверки, расчетные данные и выбранное оборудование сведены в таблицу 4.6.

Таблица 4.6 - Выбор оборудования на стороне 6 кВ

Наименование оборудования

Условия выбора

Расчётные данные

Паспортные данные

Тип оборудования

Вводные и секционный выключатели 6 кВ

Uуст  Uном Iрасч  Iном Iпt Iоткл ном iуд  iпр.с Iп0 Iпр скв βк  It2tt

Uуст = 6 кВ Iр.м = 337,2 А Iпt = 3,02 кА iуд = 5,84 кА Iпо = 3,02 кА βк = 19,11 кА2с

Uном = 6 кВ Iном = 630 А Iоткл ном = 20кА iпр.с = 52 кА Iпр.скв = 20 кА It2tt= 1200кА2с

ВРС - 6 20/630 - У2

Выключатели на отходящих линиях 6 кВ

Uуст  Uном Iрасч  Iном Iпt Iоткл ном iуд  iпр.с Iп0 Iпр скв βк  It2tt

Uуст = 6 кВ Iр.м = 92,8 А Iпt = 3,02 кА iуд = 5,84 кА Iпо = 3,02 кА βк = 19,11 кА2с

Uном = 10 кВ Iном = 630 А Iоткл ном = 20кА iпр.с = 51 кА Iпр.скв = 20 кА It2tt= 1200кА2с

ВРС - 6 20/630 - У2

Трансформаторы тока на вводах 6 кВ

Uном у £ Uном а Iр.м £ I1ном iуд  iдин bк £(kt×I1ном)2×tт Z2 » r2 £ Z2ном

Uном у = 6 кВ Iр.м = 337,2 А iуд = 5,84 кА bк= 19,11кА2×с r2 = 0,69 Ом

Uном а = 6 кВ I1ном = 400 А iдин = 98 кА IT2×tт=1475кА2×с Z2 = 1,2 Ом

ТОЛК-6-I 400/5 У3

Трансформаторы тока на отходящих линиях 6 кВ

Uном у £ Uном а Iр.м £ I1ном iуд  iдин bк£ (kt×I1ном)2×tт Z2 » r2 £ Z2ном

Uном у = 6 кВ Iр.м = 92,8 А iуд = 5,84 кА bк =19,11кА2×с r2 = 0,354 Ом

Uном а = 10 кВ I1ном = 100 А iдин = 32,6 кА IT2×tт= 492кА2×с Z2 = 0,6 Ом

ТОЛК-6-I 100/5 У3

Трансформаторы напряжения

Uном у £ Uном а S2 £ S2ном

Uном у = 6 кВ S2 = 78,1 ВА

Uном а = 6 кВ S2ном = 225 ВА

НАМИ - 6


.5 Выбор комплектного распределительного устройства

Выберем КРУ серии КУ10(6)С.

Ячейка КРУ представляет собой металлоконструкцию, изготовленную из высококачественной оцинкованной стали, детали которой изготовлены на высокоточном оборудовании методом холодной штамповки. Соединения выполнены на усиленных стальных вытяжных заклепках и резьбовых соединениях. Наружные элементы конструкции - двери фасада, боковые панели крайних в ряду ячеек и т.д. окрашены методом порошкового напыления.

Каркас шкафа разделен вертикальными и горизонтальными металлическими перегородками на релейный отсек, отсек выдвижного элемента, отсек сборных шин и кабельный отсек, в котором располагаются также трансформаторы тока, напряжения и линейные шины. Каналы над отсеками, накрытые клапанами, служат для отвода нагретого воздуха и выброса отработанных газов при коммутации предельных токов К.З. и при появлении в отсеках открытой дуги. Для изоляции неподвижных токоведущих контактов, а также для секционирования сборных шин в пределах одного шкафа, используются эпоксидные проходные втулки, благодаря этому, а также наличию дуговой защиты, локализация аварии происходит в пределах одного отсека одного шкафа за необходимое время.

Выдвижной элемент находится в средней части шкафа непосредственно над кабельным отсеком и конструктивно выполнен в виде тележки, которая перемещается из рабочего положения в контрольное и обратно при закрытых дверях шкафа. В ремонтном положении выдвижной элемент при помощи инвентарной тележки из комплекта ЗИП перемещается в коридор обслуживания, при этом шторный механизм автоматически перекрывает доступ к токопроводящим контактам шкафа.

В зависимости от схем в шкафу может находиться заземлитель с пружинным приводом, который располагается на боковой стенке каркаса кабельного отсека и приводится в действие при помощи рукоятки из комплекта ЗИП. Специально для использования в КУ10(6)С была разработана новая серия вакуумных выключателей ВРС.

Оригинальная конструкция обеспечивает легкий, удобный и безопасный доступ к оборудованию. Трансформаторы тока вместе с проходной втулкой нижнего неподвижного токопроводящего контакта пофазно установлены на отдельных металлических перегородках между отсеками выдвижного элемента и трансформаторов тока. Эти перегородки имеют специальные крышки для доступа к вторичным цепям трансформаторов тока. Благодаря такому решению максимально упрощается их обслуживание.

Для доступа к контактам вторичных цепей трансформаторов тока достаточно: открыть дверь выдвижного элемента и выкатить его на инвентарной тележке в коридор обслуживания, после чего демонтировать крышку вторичных цепей проверяемой фазы.

Для замены трансформатора тока необходимо дополнительно демонтировать легкосъемную перегородку между отсеком выдвижного элемента и кабельным отсеком, демонтировать крепеж на несущей конструкции ремонтируемой фазы, после чего блок трансформатора тока вместе с шиной и проходной втулкой нижнего неподвижного контакта поворачивается на 90° в ремонтное положение.

Для доступа к трансформаторам напряжения и кабельным разделкам достаточно открыть дверь кабельного отсека (при этом выдвижной элемент может находиться в шкафу в контрольном положении, а заземлитель быть включенным).

Описанная конструкция шкафов позволила начать производство КРУ с реальным, а не декларируемым односторонним обслуживанием. Шкафы серии КУ10(6)С не имеют дверей и люков для доступа к элементам шкафа с тыльной стороны.

Схемы вторичных реализуются по ряду типовых работ, а так же с использованием современных устройств микропроцессорной релейной защиты.

Микропроцессорные блоки релейной защиты могут подключаться в SCADA-систему для дистанционного управления и сбора данных.

В шкафах КРУ предусмотрены все необходимые по действующим стандартам защиты и блокировки:

перемещение включенного выключателя из контрольного положения в рабочее;

перемещение включенного выключателя из рабочего положения в контрольное;

выключателя в промежуточном положении (между рабочим и контрольным);

выдвижного элемента из контрольного положения в рабочее при включенных ножах заземлителя;

включение заземлителя при рабочем или контрольном положении выдвижного элемента.

Кроме того, дополнительно реализованы следующие блокировки:

невозможность открывание двери кабельного отсека, когда выключатель не перемещён в контрольное положение, выключен и не включён заземлитель;

невозможность вкатить выключатель в рабочее положение при открытых дверях кабельного отсека.

Оперативные электрические блокировки выполняются в соответствии со схемами вспомогательных электрических соединений.

При необходимости в шкафах устанавливаются ограничители перенапряжений.

1).номинальное напряжение - 6, 10 кВ;

).номинальный ток сборных шин - 1600, 2000, 3150, 4000 А;

).номинальный ток главных соединений - 630, 1000, 1600, 2000, 3150;

).номинальный ток отключения выключателя - 20, 31,5, 40 кА;

).ток электродинамической стойкости - 51; 81; 102; 128 кА;

) ток термической стойкости, 3 с, - 20; 31,5; 40 кА;

) номинальное напряжение вспомогательных цепей - 220 В.

5. Релейная защита и автоматика

.1 Выбор схемы и расчет релейной защиты силового трансформатора

Релейной защитой называют автоматическое устройство, состоящее из одного или нескольких приборов - реле, которые реагируют на изменение режима в каком-либо участке электрической цепи на отключение данного участка или сигнализацию.

Основные требования, предъявляемые к релейной защите: быстрота действия, чувствительность, селективность (избирательность), надежность.

Релейная защита трансформаторов подстанции по[2] состоит из

.дифференциальной токовой защитой на реле РСТ 15, действует на отключение трансформатора со всех сторон при междуфазных коротких замыканиях в зоне, ограниченной трансформаторами тока на вводе 35 кВ и трансформаторами тока на вводе 6 кВ. Защита действует без выдержки времени;

.максимальной токовой защитой (МТЗ - 35 кВ со стороны 35 кВ) и выполнена на реле косвенного действия и работает при междуфазных замыканиях на стороне 35 кВ и 10 кВ, отключая с выдержкой времени выключатель на стороне ввода 35 кВ Т1, Т2;

максимальной токовой защитой (МТЗ-6 кВ стороны 6 кВ) и выполнена на реле косвенного действия и работает с пуском по напряжению при междуфазных коротких замыканиях на стороне 10 кВ, отключая с меньшей выдержкой времени выключатель ввода 10 кВ Т1,Т2 и с большей выдержкой выключатель ввода 35 кВ Т1, Т2. МТЗ-6 кВ резервирует защиты отходящих кабельных линий 6 кВ при близких коротких замыканиях;

газовой защитой, которая реагирует на скорость движения масла в газовом реле при внутренних повреждениях трансформатров (витковое и междуфазное короткое замыкание), на газообразование, вызванное пожаром магнитопровода и изоляции, нарушением контактов токоведущих частей, выделением воздуха из масла и т.д., а также при уровне масла в баке трансформатора ниже установки газового реле. Верхним контактом газовое реле действует на сигнал, а нижним - на отключение трансформатора со всех сторон или на сигнал в зависимости от положения накладки;

защитой от перегрузки на стороне 6 кВ, которая действует на сигнал при перегрузке трансформатора по току на 25 % и более;

термозащитой и контролем уровня масла.

.1.1 Продольно-дифференциальная токовая защита на реле типа РСТ 15

Разработанное с применением интегральных операционных усилителей реле типа РСТ 15 предназначено для дифференциальной защиты одной фазы понижающих трансформаторов распределительных сетей и мощных электродвигателей, оно имеет менее совершенную отстройку от бросков тока намагничивания, поэтому ток срабатывания защиты должен быть принят не менее 50 % номинального тока трансформатора. Принцип действия реле основан на выделении постоянной составляющей и составляющей промышленной частоты в выпрямленном дифференциальном токе и их сравнении. Наличие пауз и четных гармонических составляющих в броске тока намагничивания приводит к значительной несимметрии положительных и отрицательных полуволн тока относительно оси времени. При выпрямлении в таком токе ярко выражена составляющая промышленной частоты. При выпрямлении же синусоидального тока составляющая промышленной частоты отсутствует. Таким образом, наличие составляющей промышленной частоты выпрямленного дифференциального тока может быть использовано для блокировки дифференциальной защиты при броске тока намагничивания.

Определяются первичные номинальные токи на сторонах трансформатора Iном1 и Iном2, А по формуле

 (5.1)

Определим коэффициент трансформации на сторонах nI по формуле

 (5.2)

Принимаем коэффициенты трансформации в соответствии с выбранными трансформаторами тока:

на стороне 35 кВ выбран ТОЛ-35 с Iном1 = 100 А, принимаем n1 = 20.

на стороне 6 кВ выбран ТОЛК-6-I с Iном1 = 400 А, принимаем n2 = 80.

Определяются вторичные номинальные токи в плечах дифференциальной защиты iв, А по формуле

 (5.3)

где nI - коэффициент трансформации трансформатора тока;

Ксх - коэффициент схемы (при соединении в звезду kcx = 1, при включении по схеме треугольника kcx =).

По большему значению iв1 = 3,6 А принимаем основную сторону дифференциальной защиты и все расчёты приводятся к стороне высокого напряжения.

Для основной зоны дифференциальной защиты минимальный ток срабатывания определяется, исходя из условий:

1) по условию отстройки от броска тока намагничивания Iс.з., А при включении ненагруженного трансформатора под напряжение

Iс з1 = Кн.дз∙Iном1, (5.4)

где Кн =1,5 - коэффициент отстройки дифференциальной защиты от бросков тока намагничивания [8].

Iсз1 = 1,5×41,3 = 61,95 А.

) по условию отстройки от максимального тока небаланса Iн.б.расч, А

Iн.б.расч = Iнб+ Iнб’’+ Iнб’’’, (5.5)

где Iнб - ток небаланса, обусловленный погрешностью токов намагничивания трансформаторов тока, питающих дифференциальную защиту, А;нб’’ - ток небаланса, обусловленный регулированием напряжения  защищаемого трансформатора, А;нб’’’ - ток небаланса, обусловленный неточностью установки на коммутаторе НТТ реле расчетного целого числа витков уравнительных обмоток, А.

Ток небаланса Iнб, А определяют по формуле

Iнб= Кол∙Кодн∙fi∙Iпр.к(3), (5.6)

где Кол = 1 - коэффициент, учитывающий переходной режим, А [8];i = 0,1 - коэффициент, учитывающий 10-ти процентную погрешность  трансформатора тока;

Кодн = 1 - коэффициент, учитывающий однотипность трансформаторов  тока [8];пр.к(3) - максимальное значение тока короткого замыкания за трансформатором, приведённое к основной стороне трансформатора, кА.

 (5.7)

нб= 1×1×0,1×517,7 = 51,8 А.

Ток небаланса, обусловленный регулированием напряжения  защищаемого трансформатора, Iнб’’, А определяют по формуле

(5.8)

где ΔU - полный диапазон регулирования напряжения.

Ток небаланса, обусловленный неточностью установки на коммутаторе НТТ реле расчетного целого числа витков уравнительных обмоток, Iнб’’’, А

(5.9)

где WНН pасч, WНН - расчётное и установленное число витков рабочей обмотки реле, включаемых в плечо защиты со стороны низкого напряжения.

На первом этапе расчёта уставки дифференциальной защиты по (5.4) Iнб’’’ не учитывается, то есть

Iс.з2 = Кнб ×(Iнб+ Iнб’’), (5.10)

с.з2 = 1,3×(51,8 + 93,2) = 188,5 А.

За расчетную величину тока срабатывания защиты принимается большее значение тока срабатывания, определенное по (5.4) и (5.10).

Принимаем Iс.з = 188,5 А.

Определяем расчетный ток срабатывания реле Iс.р, А, приведенный к стороне ВН по формуле

(5.11)

Определяем число витков рабочей обмотки реле WВНрасч, включаемых в плечо защиты со стороны ВН

  (5.12)

где Fср - намагничивающая сила (Fср = 100 А∙витков [6]).

 витков.

Принимаем WВН = 6 витков. Определяем число витков рабочей обмотки WННрасч, включаемых в плечо защиты со стороны НН

 (5.13)

 витка.

Принимаем ближайшее целое число: WНН = 1 витка.

Определяем ток небаланса Iнб’’’ по (5.9)

По формуле (5.5) определяем максимальный ток небаланса Iнб.расч, Анб.расч = 51,8 + 93,2 + 15,1 = 160,1 А.

Определяем ток срабатывания защиты Iс.з2, А по условию отстройки от максимального тока небалансас.з2 = 1,3×160,1 = 208,1 А.

Так как полученное значение больше принятого тока срабатывания защиты, то расчёт уточняем для Iс.з2 = 208,1 А.

Определяем расчетный ток срабатывания реле Iс.р, А, по формуле (5.11)

Определяем число витков рабочей обмотки реле WВНрасч по формуле (5.12)

 витков. Принимаем WВН = 6 витков.

По выбранному числу витков основной стороны определяем уставку I*ср, А по следующему выражению

(5.14)

где К = 1 - принято предварительно.

Принимаем I*ср = 1 А.

Уточняем первичный ток срабатывания защиты Iсраб.перв, А .по выражению

(5.15)


.1.2 Максимально - токовая защита (МТЗ)

Ненормальные режимы работы трансформаторов обусловлены внешними короткими замыканиями и перегрузками. В этих случаях в обмотках трансформатора появляются большие токи. В качестве защит от внешних коротких замыканий применяются токовые защиты с выдержкой времени и включением реле на полные токи фаз и на их симметричные составляющие.

Ток срабатывания МТЗ выбирается исходя из условий отстройки (несрабатывания) от перегрузки. Ток перегрузки определяется из условия отстройки от максимального рабочего тока Imax.раб, А

, (5.16)

где Sн - номинальная мощность трансформатора, кВА.

Ток срабатывания защиты Iс.з, А определяется по формуле

 (5.17)

где kотс.мтз - коэффициент отстройки (kотс.мтз = 1,1 - 1,2) [8];с.зп - коэффициент самозапуска обобщённой нагрузки (kс.зп = 2,5) [8];в - коэффициент возврата реле (kв = 0,85 для реле РСТ).

 

Коэффициент чувствительности МТЗ должен быть kч ≥ 1,5 при коротких замыканиях на низшей стороне трансформатора и kч ≥ 1,2 при коротких  замыканиях в конце линий, отходящих от шин низшего напряжения.

Коэффициент чувствительности kч определяют по формуле

 (5.18)

ч > 1,5, что удовлетворяет требованиям чувствительности защиты.

Ток срабатывания реле Iс.р, А определяется по формуле

 (5.19)

Выдержка времени МТЗ выбирается на ступень Δt больше максимальной выдержки времени tэл.макс защит предыдущих элементов [8].

Выбираем на стороне 35 кВ реле тока РСТ 40-50 с пределами срабатывания 12,5 ÷ 50 А и реле времени РВ-01, tСЗ = 2,5 с.

Выбираем реле тока РСТ 40-20 с пределами срабатывания 5 ÷ 20 А и реле времени РВ-01, tСЗ = 2,0 с.

.1.3 Токовая защита от перегрузок на стороне 6 кВ

Ток срабатывания защиты Iс.з, А определяется по выражению

 (5.20)

где Котс = 1,05 - коэффициент отстройки [8];

Кв = 0,8 ÷ 0,85 - коэффициент возврата реле.

Определим ток срабатывания реле Iс.р, А по формуле (5.19)

Коэффициент чувствительности Кч определяется по формуле (5.18)

Выдержка времени принимается на ступень селективности больше, чем время срабатывания защиты трансформатора от внешних коротких замыканий. Выбираем реле РСТ 40-6 с пределами срабатывания 1,5 ÷ 6 А, tсз = 15 с.

.1.4 Защита от замыканий на землю

Замыкание на землю одной фазы в сетях с изолированной нейтралью или заземленной через дугогасящий реактор не является аварией. Потребители, включенные на междуфазные напряжения, продолжают нормально работать. Поэтому защиту от замыканий на землю возможно выполнять действующей на сигнал. В сетях простой конфигурации допускается применение только устройства неселективной сигнализации, контролирующего состояния изоляции в системе данного напряжения. Схема устройства состоит из трех минимальных реле напряжения включенных на напряжение фаз относительно земли или из одного максимального реле напряжения, включенного на напряжение нулевой последовательности. Устройство сигнализации подключается к трансформаторам напряжения, установленным на шинах, как показано на рисунок 5.2.

Ток срабатывания зашиты Iсз, А

Iс.з. = Котс · I(1)ол ,(5.21)

где I(1)ол - ток нулевой последовательности, обусловленный емкостью сети, А.

 (5.22)

где  = 314 рад/с - угловая частота,

С - емкость конденсатора, Ф.

(5.23)

Ф/фазу.(1)ол = 314·0,034·10-6·35·103/ = 0,215 А.с.з. = 5·3·0,215 = 3,23 А.

Ток срабатывания реле , А по формуле (5.19)

Выбираем реле тока типа РСТ 40-0,6 с пределами срабатывания 0,15 ÷ 0,6 А.

.1.5 Газовая защита

Газовая защита получила широкое распространение в качестве весьма чувствительной защиты от внутренних повреждений трансформаторов. Обмотки трансформаторов помещены в бак, залитый маслом, которое используется как для изоляции обмоток, так и для их охлаждения. При возникновении внутри бака электрической дуги короткого замыкания, а также при перегреве обмоток масло разлагается, что сопровождается выделением газа. Это явление и используется для создания газовой защиты.

Защита выполняется с помощью газового реле типа РГЧ3-66 с чашкообразными элементами, установленного в трубе, соединяющей бак трансформатора с расширителем. Газовое реле состоит из кожуха и двух расположенных внутри него поплавков. Оба поплавка шарнирно укреплены на вертикальной стойке. Один из них расположен в верхней части, а второй - в центральной. При слабом газообразовании (газ скапливается в верхней части кожуха реле), а также при понижении уровня масла верхний поплавок опускается, что приводит к замыканию его контактов. При бурном газообразовании потоки масла устремляются в расширитель, что приводит к замыканию контактов обоих поплавков. Контакты верхнего поплавка носят название сигнальных, а нижнего - основных контактов газового реле.

Цепи защиты выполняем с учётом наличия:

·   одного газового реле (РГЧЗ-66), реагирующего на повреждения в кожухе трансформатора, с двумя контактами действующими соответственно на отключение и на сигнал;

·   одного газового реле, реагирующего на повреждения в контакторном объёме трансформатора, которых используется контакт, действующий на отключение.

·   одного газового реле, реагирующего на повреждения в контактном объёме РПН трансформатора.

В схемах предусматриваем возможность перевода действия отключающих контактов газовых реле трансформатора на сигнал.

Время срабатывания реле 0,05 ÷ 0,5 секунд. В реле предусмотрены 3 уставки срабатывания отключающего элемента по скорости потока масла: 0,6; 0,9; 1,2 м/с.

Достоинствами газовой защиты являются простота выполнения, срабатывание при всех видах повреждения внутри бака трансформатора, высокая чувствительность. Однако газовая защита, естественно, не срабатывает при повреждениях вне бака трансформатора. Поэтому она не может быть единственной основной защитой трансформатора.

.1.6 Температурная сигнализация

Температуру масла в трансформаторах большой мощности контролируют манометрическими термометрами ТСМ-100 или ТКП-180Cr (конденсационный) показывающий, сигнализирующий, принцип действия которых основан на строгой зависимости давления насыщенных паров заполнителя термосистемы (капилляра баллонов) от температуры измеряемой среды (масла).

При повышении температуры давление паров в термобаллоне, соединенном с корпусом капиллярной трубкой, увеличивается, при этом специальное устройство в корпусе термосигнализатора действует на стрелку, которая показывает на шкале температуру масла. При достижении предельно допустимой температуры контактная система прибора замыкает цепь тока на сигнал. Дальнейший рост температуры приводит к замыканию контактов цепи отключения трансформатора.

Температурное реле предназначено для защиты от недопустимого нагрева изоляции обмоток трансформатора. Измерительной частью реле является термодатчик, а исполнительным органом служит электромеханическое промежуточное реле.

.2 Выбор устройств автоматики на подстанции

Системы электроснабжения - это сложный производственный комплекс, все элементы которого участвуют в едином производственном процессе, основными специфическими особенностями которого являются быстротечность явлений и неизбежность повреждений аварийного характера - коротких замыканий в электрических установках. Поэтому надежное и экономичное функционирование систем электроснабжения возможно только при широкой их автоматизации. Для этой цели используется комплекс автоматических устройств, состоящий из устройств автоматического управления (АЧР, АВР, АПВ) и устройств автоматического регулирования (АРН и АРВ).

.2.1 Автоматическое повторное включение (АПВ)

Большинство повреждений воздушных линий электропередачи возникает в результате схлестывания проводов при сильном ветре и гололеде, нарушения изоляции во время грозы, падения деревьев, набросав, замыкания проводов движущимися механизмами и т.д. Эти повреждения неустойчивы и при быстром отключении поврежденной линии самоустраняются. В этом случае при повторном включении линии она остается в работе и электроснабжение потребителей не прекращается. Повторное включение осуществляется автоматически устройством автоматического повторного включения (УАПВ). При устойчивых повреждения защита вновь отключает линию после действия УАПВ, т.е. происходит неуспешное АПВ. По статистическим данным, УАПВ в системах электроснабжения нашей страны имеют в среднем 60-75% успешных действий. Такая эффективность УАПВ делает их одним из основных средств повышения надежности электроснабжения. Устройствами АПВ должны оборудоваться воздушные и смешанные кабельно-воздушные линии всех типов напряжением выше 1 кВ при наличии на них соответствующих коммутационных аппаратов. В системах электроснабжения должно предусматриваться также УАПВ шин, трансформаторов и ответственных электродвигателей. Несмотря на указанные различия, все устройства АПВ должны удовлетворять следующим основным требованиям:

).Они должны находиться в состоянии постоянной готовности к действию и срабатывать при всех случаях аварийного отключения выключателя, кроме случаев отключения выключателя релейной защитой после включения его дежурным персоналом; не должны приходить в действие при оперативных отключениях выключателя дежурным персоналом, что обеспечивается пуском устройств АПВ от несоответствия положений выключателя и его ключа управления, которое возникает всегда при любом автоматическом отключении выключателя.

).Устройство АПВ должны иметь минимально возможное время срабатывания, для того, чтобы сократить продолжительность перерыва питания потребителей. Запуск устройств АПВ может производиться от несоответствия положения ключа управления и выключателя или от релейной защиты.

Время срабатывания УАПВ принимается равным большему из двух значений

tc,АПВ ≥ tг.п. + tзап, (5.24)

где tзап = 0,4 - 0,5 с - время запаса;

 tг.п.= 0,1 - 0,3 с - время готовности привода выключателя к его повторному включению.c,АПВ = 0,2 + 0,5 = 0,7 с.

При запуске от релейной защиты tc,АПВ увеличивается на время отключения выключателя tо.в.

tc,АПВ ≥ tг.п. + tо.в + tзап, (5.25)

где tг.п..= 0,1 - 0,3 с - время готовности привода выключателя к его повторному включению. c,АПВ = 0,2 + 0,055 + 0,5 = 0,755 с.

емя возврата устройства АПВ в исходное состояние определяется необходимостью обеспечения заданной кратности его действия. В случае однократного АПВ устройство АПВ, очевидно, не должно быть готовым выдать команду на включение выключателя к моменту его повторного отключения релейной защиты в случае устойчивого к. з. на линии, поэтому

tв.АПВ. ≥ tc,АПВ + tв.в.+ tР.З. max + tо.в. + tзап, (5.26)

где tР.З. max - время срабатывания самой медленно действующей релейной защиты линии, с;

Обычно время возврата для АПВ однократного действия принимается равным tв.АПВ = 15 - 25 с.в.АПВ. = 0,755 + 0,07 + 2 + 0,055 + 0,5 = 3,38 с.

Принимаем tв.АПВ. = 15 с.

5.2.2 Автоматическое включение резерва (АВР)

В системах электроснабжения при наличии двух (и более) источников питания часто целесообразно работать по разомкнутой схеме. При этом все источники включены, но не связаны между собой, каждый из них обеспечивает питание выделенных потребителей. Такой режим работы сети объясняется необходимостью уменьшить ток К3, упростить релейную защиту, создать необходимый режим по напряжению, уменьшить потери электроэнергии и т.п. Однако при этом надежность электроснабжения в разомкнутых сетях оказывается более низкой, чем в замкнутых, так как отключение единственного источника приводит к прекращению питания всех его потребителей. Электроснабжения потребителей, потерявших питание, можно восстановить автоматическим подключением к другому источнику питания с помощью устройства автоматического включения резервного источника (УАВР).

Применяют различные схемы УАВР, однако все они должны удовлетворять изложенным ниже основным требованиям:

).Находиться в состоянии постоянной готовности к действию и срабатывать при прекращении питания потребителей по любой причине и наличии нормального напряжения на другом, резервном для данных потребителей источнике питания. Чтобы не допустить включения резервного источника на короткое замыкание, линия рабочего источника к моменту действия УАВР должна быть отключена выключателем со стороны шин потребителей

2).Иметь минимальное возможное время срабатывания. Это необходимо для сокращения продолжительности перерыва питания потребителей и обеспечения самозапуска электродвигателей. Минимальное время определяется необходимостью исключить срабатывания УАВР при коротких замыканиях на элементах сети, связанных с рабочим источником питания, если при этом напряжение на резервируемых шинах станет ниже напряжения срабатывания устройства АВР. Эти повреждения отключаются быстродействующими защитами поврежденных элементов. При выборе выдержки времени необходимо также согласовывать действия УАВР с действием УАПВ и с действием других устройств АВР, расположенных ближе к рабочему источнику питания.

).Обладать однократностью действия, что необходимо для предотвращения многократного включения резервного источника на устойчивое короткое замыкание.

).Обеспечивать вместе с защитой быстрое отключение резервного источника питания и его потребителей от поврежденной резервируемой секции шин и тем самым сохранять их нормальную работу. Для этого предусматривается ускорение защиты после АВР. Желательно вообще исключить действие УАВР при К3 на резервируемой секции шин.

).Не допускать опасных несинхронных включений синхронных электродвигателей и перегрузок оборудования.

).Разрешать, возможно, более полное автоматическое восстановление схемы доаварийного режима после успешного действия.

В зависимости от конструкции коммутационного аппарата, схемы электроснабжения и ее номинального напряжения основные требования к устройствам АВР выполняются по - разному (например, сетевые УАВР, устройства АВР в сетях напряжением до 1 кВ).

Релейно-контактные УАВР на постоянном оперативном токе применяют в установках, имеющих выключатели с электромагнитными приводами, электромагниты включения и отключения которых потребляют сравнительно большие мощности. При этом схемы релейной защиты и схемы автоматики выполняют на постоянном или выпрямленном оперативном токе с использованием блоков питания и мощных выпрямительных устройств.

Напряжение срабатывания Uс.р.1, В рассчитывается по формуле

Uс.р.1=   (5.27)

где kв = 1,25 - коэффициент возврата минимального реле;

 kотс = 1,1  1,2 - коэффициент отстройки;U - номинальный коэффициент трансформации трансформатора ТН;ост.к - остаточное напряжение КЗ на шинах низкой стороны трансформатора.

Остаточное напряжение Uост.к, кВ определяем по формуле

ост = (0,5  0,6)×Uном , (5.28)

ост = 0,5×6 = 3 кВ.

Uс.р.1 =

При этом выдержка времени должна быть [8]

tАВР1 ³ tс.з макс + Dt.(5.29)

В пусковой орган АВР включают максимальное реле напряжения, которое должно находиться в состоянии после срабатывания при минимальном рабочем напряжении Uраб.min, разрешая действие пускового органа

Uс.р.2 =  (5.30)

где Кв = 0,8 - коэффициент возврата максимального реле;

Котс = 1,5 1,7 - коэффициент отстройки.

Uс.р.2 =  

Требование однократности действия УАВР удовлетворяется, если соблюдается условие

tАВР2 = tв.в. + tзап.(5.31)

где tв.в. - время включения выключателя, с;зап. - 0,3 ÷ 0,5 с - время запаса.

.

Включенный от УАВР выключатель должен иметь защиту, действующую с ускорением после АВР. Такое ускорение необходимо для отключения секционного выключателя, если он будет включен устройством АВР на КЗ, например, на резервируемой секции шин. В том случае, если при успешном действии УАВР резервный источник питания перегружается и не обеспечивает самозапуск электродвигателей, следует отключить часть нагрузки, например, минимальной защитой напряжения.

5.3 Применение микропроцессорных средств релейной защиты и автоматики

Роль системы релейной защиты и автоматики (РЗА) - минимизировать отрицательный эффект от возникающих в энергосистеме разного рода повреждений и анормальных режимов. Кроме того, внедрение в практику более совершенных (например, быстродействующих) защит в ряде случаев улучшает характеристики использования имеющегося силового оборудования (скажем, повышает пропускную способность линий электропередачи), что дает дополнительный положительный эффект.

«Эффективность» применительно к РЗА и может быть определена как свойство системы РЗА снижать отрицательный эффект от повреждений в энергосистеме. Эффективность РЗА зависит от свойств защищаемого объекта, т.е. от его аварийности и аварийности окружающей его части электрической системы, от функций, которые объект выполняет в энергосистеме. Основной составляющей эффективности РЗА является достигнутый технический уровень устройств и систем РЗА, включающий в себя ряд показателей:

техническое совершенство (быстродействие, селективность, чувствительность);

надежность функционирования;

уровень технологии аппаратных средств;

уровень программного обеспечения;

функциональность;

возможность интеграции в систему АСУ ТП (АСУ Э и др.).

В России накоплен уникальный опыт в области решений по противоаварийной автоматике (ПА) и защите, которые вот уже сто лет обеспечивают функционирование электрических станций, сетей и систем. Но можно отметить ряд недостатков устройств ПА, выполненных на базе дискретных электромеханических реле или полупроводниковых аналоговых реле:

малое число циклов автоматического повторного включения (АПВ) (максимум два), что снижает эффективность АПВ при неустойчивых повреждениях в воздушных линиях (ВЛ) и препятствует использованию устройств АПВ для автоматизации переключений с целью выделения поврежденного участка в секционированной распределительной сети, отсутствие «ускорения защиты после АПВ»;

невозможность выполнения сетевого автоматического включения резервного источника питания АВР в виде комплекса необходимых устройств РЗА из-за невозможностиизменения уставок срабатывания РЗА при внезапном изменении режима питания электрической сети;

отсутствие быстродействующей защиты шин из-за больших ступеней селективности;

автоматическая разгрузка линий (АРЛ) может действовать только после АВР, т.е. после возникновения режима перегрузки резервного источника питания, т.к. существующая РЗА не способна запоминать и анализировать предшествующие режимы работы объекта;

автоматические устройства, реагирующие на быстрое изменение частоты в аварийных условиях, требуют большого числа аналоговых реле, что ограничивает область их практического применения.

В 90-х годах в распределительных электрических сетях России началось активное внедрение новых технических средств для обеспечения надежности электроснабжения: воздушных линий с изолированными проводами, однофазных кабелей, вакуумных и элегазовых выключателей, волоконно-оптических каналов связи, микропроцессорных терминалов управления и защиты (МП РЗА) электроустановок.

В настоящее время на российском рынке МП РЗА присоединений 6-35 кВ представлена продукция более двадцати отечественных и иностранных производителей.

Преимущество микропроцессорной защиты в том, что она непрерывно предоставляет всестороннюю информацию о своем состоянии и о режиме работы защищаемого объекта. Микропроцессорное устройство работает постоянно, а электромеханическое - только при срабатывании, т.е. в момент возникновения повреждения на защищаемом объекте. Кроме того, микропроцессорные защиты обладают улучшенными техническими характеристиками по сравнению с электромеханическими защитами (диапазоны установок, стабильность параметров при отклонении основных и вспомогательных воздействующих величин, весогабаритные показатели и т.д.), имеют широкий набор дополнительных функций, удобны и информативны в работе и обслуживании. В то же время, электромеханические реле в меньшей степени подвержены влиянию электромагнитных возмущений, имеют значительно меньшую стоимость по сравнению с микропроцессорными, более просто заменяются и вводятся в работу. В некоторых случаях, экономически оправдано использование электромеханические реле вместо микропроцессорных - с точки зрения показателя необходимая функциональность/стоимость.

Среди преимуществ МП РЗА, отмеченных эксплуатационным персоналом, перед электромеханическими и микроэлектронными устройствами, можно выделить следующие:

сокращение времени на проведение технического обслуживания;

повышение надежности за счет уменьшения количества контактных соединений и наличия непрерывной самодиагностики;

постоянство характеристик, увеличение быстродействия защит;

повышение точности измерений тока и напряжений;

улучшение условий согласования основных и резервных защит разных классов напряжений;

возможность программного изменения уставок и логики работы защиты;

возможность считывания информации из внутреннего архива событий;

возможность использования дополнительных защит в существующих отсеках, где нет места для установки дополнительных реле.

Ввод в эксплуатацию МП РЗА позволяет повысить точность и чувствительность защит, улучшить условия согласования защит, ввести новые ступени защит, что в конечном итоге повышает надежность электроснабжения потребителей и исключает возможный ущерб, нанесенный потребителям при прекращении электроснабжения, и убытки, связанные с заменой или ремонтом поврежденного электрооборудования.

В современных цифровых терминалах могут быть совмещены многие различные функции: релейная защита от всех возможных видов повреждений и ненормальных режимов работы электроустановок; функции АПВ ЛЭП, АВР, АРЛ, автоматической частотной разгрузки (АЧР); автоматического отделения поврежденного участка («делительная защита»); других автоматических устройств управления в аварийном и послеаварийном режимах; функции измерения и записи электрических величин, оперативного и запрограммированного управления коммутационными аппаратами; функции отделения места повреждения на аварийно отключившейся ЛЭП и т.д.

Кроме больших функциональных возможностей МП РЗА обладают многими замечательными свойствами:

непрерывной автоматической самопроверкой,

запоминанием событий, осциллографированием,

регистрацией процессов,

возможностью дистанционного контроля,

возможностью оперативного изменения настройки РЗА с помощью ЭВМ и канала связи или по заранее предусмотренному в этом же реле фактору,

интеграция в АСУ.

Перечисленные выше преимущества МП РЗА делают их наиболее перспективными для автоматизации распределительных сетей. Использование МП РЗА дает и дополнительный экономический эффект за счет существенного снижения расходов на обслуживание РЗА, уменьшения размеров повреждений электроустановок при быстром отключении КЗ и осуществления «профилактической» защиты электрооборудования от опасных ненормальных режимов.

6. Внедрение автоматизированной системы учета электропотребления

6.1 Актуальность внедрения АСКУЭ

В связи с переходом к рыночной экономике, возникла необходимость повысить эффективность управления энергопотреблением, поскольку это отвечает экономическим интересам поставщиков и потребителей электроэнергии. Одним из направлений решения данной задачи является точный контроль и учет электроэнергии. Именно это направление должно обеспечить значительную часть общего энергосбережения, потенциал которого составляет более 1/3 всего нынешнего объема энергопотребления. Новые экономические отношения в сфере управления энергопотреблением проявляются в формировании единого рынка электроэнергии. Исходя из выше сказанного, рынок электроэнергии должен представлять собой многокомпонентный механизм согласования экономических интересов поставщиков и потребителей электроэнергии. Одним из самых важных компонентов рынка электроэнергии является его инструментальное обеспечение, которое представляет собой совокупность систем, приборов, устройств, каналов связи, алгоритмов и т. п. для контроля и управления параметрами энергопотребления. Базой формирования и развития инструментального обеспечения являются автоматизированные системы контроля и учета потребления электроэнергии.

На сегодняшний день доля энергоресурсов в себестоимости продукции для многих промышленных предприятий составляет от 10-25 до 40 %, это связано с существованием заниженных тарифов и цен на электроэнергию в советское время и более быстрым (в 2-3 раза) темпом роста цен на энергоресурсы в 90-е годы. При прогнозируемом росте цен на электроэнергию, который за 3 ÷ 5 лет наверняка достигнет уровня близкого к уровню Западной Европы, энергозависимые предприятия должны иметь возможность управления энергопотреблением, с тем, чтобы планомерно снижать удельный вес платы за электроэнергию в себестоимости своей продукции. Это возможно только при налаженном коммерческом и техническом учете электроэнергии. Современная торговля электроэнергией основана на использовании автоматизированного приборного энергоучета, сводящего к минимуму участие человека в процессе сбора, обработки и передачи информации и обеспечивающего достоверный, точный, оперативный и гибкий, адаптируемый к различным тарифным системам учета. Cоздание автоматизированных систем коммерческого учета электроэнергии (АСКУЭ) является необходимым условием режима экономии энергии на промышленном предприятии. При наличии современной АСКУЭ промышленное предприятие полностью контролирует весь процесс энергопотребления и имеет возможность по согласованию с поставщиками энергоресурсов гибко переходить к разным тарифным системам, минимизируя свои энергозатраты. АСКУЭ с техническим учетом электроэнергии позволяет получить картину энергопотребления каждого объекта в режиме максимально приближенном к реальному времени и, соответственно, планировать подключение своих объектов с максимальной эффективностью. Имея АСКУЭ, предприятие имеет возможность воспользоваться дифференцированными тарифами на оплату электроэнергии, а это, в свою очередь, позволяет спланировать производство таким образом, чтобы максимально перевести деятельность энергоемких операций на время действия льготных тарифов. В этих условиях объективно возрастает необходимость в повышении научного подхода к построению АСКУЭ.

.2 Структура АСКУЭ

Решение проблем энергоучета на предприятии требует создания автоматизированных систем контроля и учета энергоресурсов (АСКУЭ), в структуре которых в общем случае можно выделить четыре уровня, как показано на рисунке 6.1.

Рисунок 7.1 - Структура АСКУЭ

Первый уровень - первичные измерительные приборы (ПИП) с телеметрическими или цифровыми выходами, осуществляющие непрерывно или с минимальным интервалом усреднения измерение параметров энергоучета потребителей (потребление электроэнергии, мощность, давление, температуру, количество энергоносителя, количество теплоты с энергоносителем) по точкам учета (фидер, труба и т.п.).

Второй уровень - устройства сбора и подготовки данных (УСПД), специализированные измерительные системы или многофункциональные программируемые преобразователи со встроенным программным обеспечением энергоучета, осуществляющие в заданном цикле интервала усреднения круглосуточный сбор измерительных данных с территориально распределенных ПИП, накопление, обработку и передачу этих данных на верхние уровни.

Третий уровень - персональный компьютер (ПК) или сервер центра сбора и обработки данных со специализированным программным обеспечением АСКУЭ, осуществляющий сбор информации с УСПД (или группы УСПД), итоговую обработку этой информации как по точкам учета, так и по их группам - по подразделениям и объектам предприятия, документирование и отображение данных учета в виде, удобном для анализа и принятия решений (управления) оперативным персоналом службы главного энергетика и руководством предприятия.

Четвертый уровень - сервер центра сбора и обработки данных со специализированным программным обеспечением АСКУЭ, осуществляющий сбор информации с ПК и/или группы серверов центров сбора и обработки данных третьего уровня, дополнительное агрегирование и структурирование информации по группам объектов учета, документирование и отображение данных учета в виде, удобном для анализа и принятия решений персоналом службы главного энергетика и руководством территориально распределенных средних и крупных предприятий или энергосистем, ведение договоров на поставку энергоресурсов и формирование платежных документов для расчетов за энергоресурсы.

В состав систем АСКУЭ входят:

микропроцессорные счетчики электроэнергии;

устройства сбора и передачи данных (УСПД) серии RTU-325, RTU-327, шкафы НКУ АСКУЭ.Программное обеспечение для всех уровней систем;

оборудование связи (телефонные, ВЧ и радио-модемы, модемные пулы, ВОЛС преобразователи, кабели и т.п.);

автоматизированные рабочие места (АРМ), компьютерное оборудование (коммуникационные серверы, серверы баз данных, рабочие станции, источники бесперебойного питания, концентраторы для организации локальной сети и т.д.).

Основные правила, при разработке и внедрении систем АСКУЭ:

измерения на базе цифровых методов обработки процессов;

цифровые интерфейсы передачи измеренных параметров;

глубокое архивирование основных измерений в счетчике;

контроль достоверности и полноты данных на всех уровнях системы;

диагностика работоспособности системы;

резервирование каналов связи;

параллельная синхронно-асинхронная обработка данных;

иерархическое построение системы;

возможность распределенной обработки данных;

защита информации на всех системных уровнях;

использование проверенных и стандартных компонентов системы и инструментальных средств;

параллельный сбор данных; масштабируемость и наращиваемость;

управление коэффициентом готовности системы на этапе проектирования.

Подход к созданию АСКУЭ основан на синтезе типовых решений и совместной работе с заказчиком по выбору оптимального (по ценовым и функциональным показателям) варианта, в каждом конкретном случае.

В концепцию создания систем АСКУЭ заложено два основных принципа: общепризнанная надежность цифровых технологий сбора и передачи данных и открытая архитектура системы, позволяющая вести ее дальнейшее развитие.

Гибкая настройка под любой объект, масштабируемость, использование цифровых и импульсных счетчиков в рамках одной системы, оперативный контроль и мониторинг в режиме реального времени

.3 Требования, критерий оптимальности и преимущества АСКУЭ

Использование различных технологических решений при создании АСКУЭ, следует рассматривать в контексте соблюдения обобщенного критерия оптимальности, под которым понимается минимум затрат на внедрение и эксплуатацию АСКУЭ

ЗАСКУЭ -> min,  (6.1)

где ЗАСКУЭ - затраты предприятия энергосбыта на внедрение и эксплуатацию АСКУЭ, руб.

Сравнение существующих решений на этой основе позволит выявить области их рационального (нерационального) применения и предложить функциональное решение, удовлетворяющее критерию оптимальности (6.1) и реализующее функцию цели АСКУЭ в виде условия комплексной минимизации коммерческих потерь электроэнергии

Пк = ПНЕД + ПОПЛ + ПХИЩ + ПОГР + ПКАЧ + ПДОЛГ,  (6.2)

где ПНЕД - потери из-за недостатков в энергосбытовой деятельности, руб.;

ПОПЛ - потери при востребовании оплаты, руб.;

ПХИЩ - потери от хищения электроэнергии, руб.;

ПОГР - потери из-за ограничения потребляемой мощности «сверху», руб.;

ПКАЧ - потери из-за нарушения качества электроэнергии, руб.;

ПДОЛГ - потери при востребовании долгов, руб.

Следует заметить, что слагаемое ПДОЛГ является зависимым от слагаемых ПНЕД, ПОПЛ и ПХИЩ. Поэтому минимизация последних приводит и к минимизации ПДОЛГ.

Достижение глобального минимума целевой функции возможно при комплексном выполнении условия: ПНЕД -> min; ПОПЛ -> min; ПХИЩ -> min; ПОГР -> min; ПКАЧ -> min.

Что же касается выполнения условия (6.1), то дополнительное снижение величины ЗАСКУЭ можно получить за счет грамотного поэтапного внедрения АСКУЭ.

В частности, тотальная автоматизация энергоучета «образцовых плательщиков» не будет способствовать уменьшению значения ПОПЛ и ПХИЩ. Однако первоочередное внедрение АСКУЭ, удовлетворяющей условиям (6.1) и (6.2), для «забывчивых» абонентов и «злостных неплательщиков» способно повысить у них платежную дисциплину и снизить величину несанкционированного (безучетного) потребления электроэнергии.

Оценка экономического эффекта от внедрения АСКУЭ производится в соответствии с отраслевой методикой «Расчет оценки экономического эффекта от внедрения АСКУЭ». Методика соответствует государственному документу «Методические рекомендации по оценке эффективности инвестиционных проектов» (утверждены Министерством экономики и Министерством финансов, № ВК 477 от 21.06.99). Эффект от внедрения АСКУЭ рассчитывается за весь с рок реализации этого инвестиционного проекта, в качестве которого принята величина амортизационного периода по оборудованию, входящему в комплект АСКУЭ. На основании «Единых норм амортизационных отчислений» срок реализации данного проекта рекомендуется считать равным 8 годам (норма амортизации составляет 12,5 %). При этом налог на имущество рассчитывается как 2 % от остаточной стоимости основных фондов АСКУЭ. По каждому году реализации проекта составляются денежные потоки, включающие в себя стоимостную оценку результатов внедрения АСКУЭ и затрат, связанных с ее внедрением. К затратам относятся капитальные вложения на закупку и монтаж соответствующего оборудования. Текущие затраты на эксплуатацию АСКУЭ включают оплату налога на имущество. Результатом внедрения АСКУЭ является снижение затрат на оплату электроэнергии вследствие: появления возможности перехода по согласованию с поставщиком электроэнергии на более выгодный одноставочный зонный тариф, стимулирующий оптимизацию суточного графика потребления электрической энергии; полного контроля за процессом электропотребления, что позволяет сокращать непроизводительные затраты электроэнергии; возможности получения электроэнергии с более выгодного рынка ФОРЭМ.

На основе расчета денежных потоков по каждому году рассчитываются следующие показатели: сальдо (разница притока и оттока денежных средств по годам), чистый доход (по годам и нарастающим итогом), чистый дисконтированный доход, срок окупаемости инвестиций. При необходимости рассчитывается внутренняя норма доходности, представляющая такую норму дисконта, при которой чистый дисконтированный доход обращается в нуль. Дисконтирование денежного потока в i-м году производится путем умножения сальдо Сi указанного года на коэффициент дисконтирования , рассчитываемый по формуле

,(6.3)

где Е - норма дисконта (рекомендуемое значение 0,1); i и t0 - расчетный (i-й) и начальный годы реализации проекта.

Суммированием величин сальдо и дисконтированных величин сальдо за весь срок реализации проекта находятся показатели чистого дохода и чистого дисконтированного дохода соответственно. Только положительные величины чистого дохода и чистого дисконтированного дохода за весь период реализации проекта свидетельствуют об эффективности инвестиций в АСКУЭ.

Для того, чтобы определить величину снижения затрат на оплату электроэнергии при переходе на зонные тарифы необходимо сопоставить суммы оплаты за один и тот же объем электроэнергии при двухставочном тарифе и при зонных тарифах. Исходные данные по электропотреблению должны удовлетворять условию

Vн + Vп + Vпп = V'н + V'п + V'пп,(6.4)

где Vн - потребление электроэнергии в ночное время суток; п - потребление электроэнергии в пиковом режиме суток; пп - потребление электроэнергии в полупиковом режиме суток; 'н - рациональное выгодное потребление электроэнергии в ночное время суток;'п - рациональное выгодное потребление электроэнергии в пиковом режиме суток;'пп - рациональное выгодное потребление электроэнергии в полупиковом режиме суток;

Суточная плата за электроэнергию по зонному тарифу Фс определяется по формуле

Фс = V'н·Тн + V'п·Тп + V'пп·Тпп,(6.5)

где Тн - ночной тариф за электроэнергию;

Тп - пиковый тариф за электроэнергию;

Тпп - полупиковый тариф за электроэнергию.

На основе суточной величины платы за электроэнергию находится величина месячной платы для зимнего, летнего и переходного периодов (Фз, Фл, Фп). Годовой объем платы за электроэнергию Фг при использовании зонных тарифов определяется на основании месячной оплаты для зимнего, летнего и переходного периодов и числа месяцев в указанных периодах. Полученная величина сравнивается с годовой платой за электроэнергию Ф'г при двухставочном тарифе. Величина эффекта в оплате за электроэнергию за счет перехода на зонные тарифы Ээг определяется по формуле

Ээг = Фг - Ф'г.(6.6)

В некоторых случаях зонные тарифы могут быть более выгодными по сравнению с двухставочными даже без изменения потребления электроэнергии в период, оплачиваемый по льготным тарифам. Поскольку зонные тарифы внедрены не во всех энергосистемах, то эффект по данной позиции на перспективу можно оценить укрупнению, на основании имеющегося опыта использования таких тарифов. Экспертно он оценивается в 5 ÷ 6 % от базового объема затрат на электроэнергию.

Эффект от сокращения непроизводительных расходов электроэнергии Эснр рекомендуется рассчитывать по формуле

Эснр = V6· Ксн· Тэ,(6.7)

где V6 - базовое потребление электроэнергии;

Ксн - коэффициент снижения потребления электроэнергии вследствие сокращения непроизводительного его расхода после внедрения АСКУЭ (экспертное значение 0,02 - 0,03);

Тэ - действующий тариф на электроэнергию.

Федеральный оптовый рынок электрической энергии (ФОРЭМ) находится на стадии формирования. При этом предусматривается создание конкурентных рынков («рынок на сутки вперед», «балансирующий рынок», «рынок резервов по прямым платежам») и регулируемого рынка. При этом в лучшем положении окажутся потребители, оснащенные современными средствами АСКУЭ, отвечающие требованиям энергоснабжающих организаций.

В настоящий момент рынок автоматизированных систем коммерческого учета электроэнергии бурно развивается. Разрабатываются новые принципы построения автоматизированных систем, внедряются новые технологии. Все большее внимание уделяется научному подходу к разработке данных систем, разработке методов оценки эффективности от их внедрения.

Внедрение автоматизированных систем контроля и учета в энергосистемах позволяет:

повысить точность, оперативность и достоверность учета расхода электроэнергии и мощности;

выполнять оперативный контроль за режимами электропотребления, в том числе контроль договорных величин электроэнергии и мощности;

оперативно предъявлять санкции предприятиям за превышение договорных и разрешенных величин мощности.

Внедрение АСКУЭ на промышленных предприятиях дает возможность энергосистеме:

вести в автоматизированном режиме жесткий контроль за потреблением энергии и мощности предприятиями-абонентами;

организовать отключения нарушителей режимов;

осуществлять расчеты за потребленную энергию и мощность;

выставлять штрафные санкции предприятиям в случае превышения ими договорных величин.

Это дает не только экономический эффект, но и повышает ответственность потребителей за использование энергии, побуждает их проводить энергосберегающие мероприятия с целью сокращения энергопотребления.

7. Экономическая часть

.1 Расчет технико-экономических показателей подстанции

В соответствии с методикой технико-экономических расчетов в энергетике суммарные приведенные затраты Зг, тыс.руб., рассчитываются по формуле

Зг = Ен×К + Иг,(7.1)

где Ен - нормативный коэффициент эффективности капитальных вложений, принимаемый в энергетике равным 0,12;

К - капитальные вложения, тыс. руб.;

Иг - ежегодные издержки производства, тыс. руб.

Капитальные вложения в подстанцию К, тыс. руб., определяются по выражению

К = Кл + åКору + åКкру + Кт,(7.2)

где Кл - капитальные вложения при сооружении электрических линий, тыс. руб.;

åКору - суммарные капитальные вложения на сооружение ОРУ 35 кВ,  тыс. руб.;

åКкру - суммарные капитальные вложения на сооружение КРУ 6 кВ, тыс. руб.;

Кт - капитальные затраты на трансформаторы ГПП, тыс. руб.

Капитальные затраты на трансформаторы Кт, тыс. руб.

Кт = kот ×nт,(7.3)

где kот - стоимость трансформаторов и монтажных работ, тыс. руб.; т - количество трансформаторов.

Капитальные затраты на воздушные линии 35 кВ Кл, тыс. руб.

Кл = kол×l,(7.4)

где l - длина линии, км;ол - стоимость 1 км линии с учетом стоимости прокладки кабеля, тыс. руб.

Капитальные затраты на сооружение ячеек ОРУ 35 кВ åКору, тыс. руб.

åКору = kв×nв + kр×nр, (7.5)

где kв - стоимость и монтаж одного выключателя ОРУ 35 кВ, тыс. руб.;в - количество выключателей;р - стоимость и монтаж одного разъединителя ОРУ 35 кВ, тыс. руб.;в - количество разъединителей.

Суммарные капитальные затраты на сооружение КРУ 6 кВ åКкру , тыс.руб.

åКкру = kкру× nв,(7.6)

где kкру - стоимость и монтаж одной ячейки КРУ 10 кВ, тыс. руб.;в - количество ячеек.

Ежегодные издержки производства, представляющие собой сумму всех отчислений и расходов, связанных с эксплуатацией данной электроустановки, для каждого звена системы определяются по формуле

Иг = Иа + ИDW + Иэ,(7.7)

ИDW - стоимость потерянной электроэнергии, тыс. руб.;

Иэ - расходы на эксплуатацию, включающие заработную плату,  общественные расходы и расходы на текущий ремонт, тыс. руб.

Амортизация - это денежное возмещение износа основных производственных фондов путем включения части их стоимости в затраты на выпуск продукции, то есть амортизации есть денежное выражение физического и морального износа основных производственных фондов.

Амортизационные отчисления Иа, тыс. руб., определяются по формуле

(7.8)

где ра - норма амортизационных отчислений, определяется по [5].

Ежегодные издержки в рублях на покрытие потерь электроэнергии в звеньях электрической сети ИDW, тыс. руб. определяются по следующим формулам

в трансформаторах Ит, тыс. руб.

 (7.9)

где t = 3411 - время наибольших потерь, ч;- количество трансформаторов;- часов работы трансформатора за год, ч;

х. - потери мощности при холостом ходе трансформатора (потери  мощности в стали трансформатора), кВт;

к - потери мощности короткого замыкания трансформатора (потери мощности в меди трансформатора), кВт;

Цт.м, Цт.с - удельные затраты на возмещение потерь электроэнергии  соответственно меди и стали трансформатора, коп./(кВт×ч).

в электрической линии Ил, тыс. руб.

  (7.10)

где r - активное удельное сопротивление 1 км кабельной линии, Ом/км.

Расходы на эксплуатацию рассчитываются с учетом затрат на капитальные, текущие ремонты, зап.части для ремонта и текущее обслуживание электрооборудования.

Расходы на эксплуатацию Иэ, тыс. руб.

Иэ = g×nу.е., (7.11)

где g = 35 тыс. руб./у.е. - годовые расходы на обслуживание одной условной единицы;у.е. - число условных единиц, в которые оценивается данный элемент электроустановки.

nу.е. = nвл + nтр + nору + nкру. (7.12)

Произведем расчет технико-экономических показателей подстанции «1 водоподъем» для двух вариантов: вариант - для существующей схемы электрических соединений подстанции с масляными выключателями 35 кВ и 6 кВ и силовыми трансформаторами ТМН - 6300/35 мощностью 6300 кВА;вариант - для выбранной схемы электрических соединений подстанции с установкой вакуумных выключателей 35 и 6 кВ и силовыми трансформаторами ТМН - 2500/35 мощностью 2500 кВА.

Стоимость и монтаж трансформаторов Кт

Кт1 = 2800×2 = 5600 тыс. руб.

Кт2 = 2100×2 = 4200 тыс. руб.

Капитальные вложения в воздушные линии Кл

АС-95/16 (I вариант)

Кл1 = 45,71×6,7 = 306,26 тыс. руб.

СИП-3 - 35 (II вариант)

КЛ2 = 51,383×6,7 = 344,27 тыс. руб.

Капитальные затраты на сооружение ячеек ОРУ 35 кВвариант (с масляными выключателей типа С - 35М)

åКору1 = 270·5 = 1350 тыс. руб.вариант (с вакуумными выключателями типа ВБЭС-35III)

åКору2 = 640×2 = 1280 тыс. руб.

Капитальные затраты на сооружение КРУ 6 кВ:

выключатели типа ВМГ-133 (I вариант)

åКкру1 = 41,0×9 = 369 тыс. руб.

выключатели типа ВРС - 6 (II вариант):

åКкру2 = 430×9 = 3870 тыс. руб.

Капитальные вложения в подстанцию К по формуле (7.2)

К1 = 5600 + 306,26 + 1350 + 369 = 7625,26 тыс. руб.

К2 = 4200 + 344,27 + 1280 + 3870 = 9694,27 тыс. руб.

Расчет ежегодных издержек производства.

Амортизационные отчисления

 тыс. руб.

 тыс. руб.

Стоимость потерь электроэнергии в трансформаторах

тыс. руб.

тыс.руб.

Стоимость потерь электроэнергии в воздушных линиях

 тыс. руб.

 тыс. руб.

Стоимость потерь электроэнергии ИDW, тыс. руб.

ИDW1 = 2,71 + 1,86 = 4,57 тыс. руб.

ИDW2 =2,26 + 4,37 = 6,63 тыс. руб.

Расход на эксплуатацию произведем с учетом того, что вакуумные выключатели не требуют ремонта, по крайней мере, в течение 20 лет, в то время как дугогасящие устройства масляных выключателей примерно в эти же сроки требуют очистки от копоти, пыли и влаги. Дугогасящие устройства вакуумных выключателей заключены в герметичные оболочки, и их внутренняя изоляция не подвергается воздействию внешней среды.

Число условных единиц для подстанцииу.е.1 = 6,7×0,8 + 2×10 + 5·9,6 + 9×2,2 = 93,16 у.е.у.е.2 = 6,7×0,8 + 2×10 + 2×0 + 9×0 = 25,36 у.е.

Расходы на эксплуатацию

Иэ1 = 35×93,16 = 3260,6 тыс. руб.

Иэ2 = 35×25,36 = 887,6 тыс. руб.

Ежегодные издержки производства по формуле (7.7)

Иг1 = 475,77 + 4,57 + 3260,6 = 3740,94 тыс. руб.

Иг2 = 606,66 + 6,63 + 887,6 = 1500,89 тыс. руб.

Приведенные годовые затраты на подстанцию по формуле (7.1)

Зг1 = 0,12×7625,26 + 3740,94 = 4655,97 тыс. руб.

Зг2 = 0,12×9694,27 + 1500,89 = 2664,2 тыс. руб.

Расчет технико-экономических показателей подстанции сведен в таблицу 7.1.

Таблица 7.1 - Технико-экономические показатели подстанции

Наименование показателя

Ед. изм.

1 вариант

2 вариант

Капитальные затраты,  в том числе на:  трансформаторы воздушные линии ОРУ 35 кВ КРУ 6 кВ

тыс. руб.

7625,26  5600,0 306,26 1350,0 369,0

9694,27  4200,0 344,27 1280,0 3870,0

Амортизационные отчисления

тыс. руб.

475,77

606,66

Потери электроэнергии в трансформаторах

тыс. руб.

2,71

2,26

Потери электроэнергии в воздушных линиях

тыс. руб.

1,86

4,37

Стоимость потерь электроэнергии

тыс. руб.

4,57

6,63

Расходы на эксплуатацию

тыс. руб.

3260,6

887,6

Годовые издержки производства

тыс. руб.

3740,94

1500,89

Годовые приведенные затраты

тыс. руб.

4655,97

2664,2


Рассчитаем превышение годовых затрат ΔЗг1, тыс. руб. по варианту 1 по формуле

 (7.13)

где Зг1, Зг2 - приведённые годовые затраты по первому и второму вариантам, тыс. руб.

4655,97 - 2664,2 = 1991,77 тыс. руб.

Определим разницу годовых затрат в процентах , % по формуле

(7.14)

 

Разница между вариантами составляет 74,8 %, поэтому принимается вариант II с установкой вакуумных выключателей 35 и 10 кВ как более надежных и безопасных, с отсутствием затрат на их эксплуатацию.

.2 Экономия электроэнергии при эксплуатации оборудования подстанций

Снижение потерь электроэнергии в сетях является частью общей задачи повышения экономичности работы энергосистемы. Основной способ экономии, ее экономия за счет уменьшения потерь электроэнергии в трансформаторах подстанции и воздушных линиях электропередачи.

При проектировании и реконструкции подстанции необходимо применять:

).рациональные напряжения;

).рациональное число трансформаций;

).рациональные мощности и количество трансформаторов на подстанции;

).более современное и технически надежное оборудование.

Около 70 % электроэнергии, вырабатываемой электростанциями Российской Федерации, расходуется на промышленных предприятиях. Из этого можно заключить, какое огромное значение имеют вопросы экономии электроэнергии в промышленных установках.

Рассматривая процесс передачи электроэнергии от источников питания к электроприемникам с дальнейшим использованием ее в технологическом процессе производства, весь расход можно подразделить на полезно используемый и потери.

Составляющие потерь электроэнергии классифицируются следующим образом:

).номинальные потери, зависящие только от паспортных данных и параметров самих элементов;

).эксплуатационные потери, обусловленные режимами работы источника питания и электроприемников, качеством0 электроэнергии, схемой. Электроснабжения, а также отклонениями технологического процесса от оптимального режима (нарушение оптимального режима плавки, сушки, перекачки и т.п.).

Эффективность использования электроэнергии зависит от характера технологического процесса, поэтому мероприятия по экономии электроэнергии на каждом предприятии имеют свою специфику. Контроль за рациональным использованием электроэнергии осуществляется отделом главного энергетика, руководителями участков, цехов, предприятия.

Экономия только 1 % электроэнергии на каждом предприятии может в совокупности освободить огромные мощности в энергосистемах. Ниже приведены методы и способы экономии электроэнергии в элементах системы электроснабжения.

.2.1 Экономия электроэнергии в трансформаторах

На промышленном предприятии силовые трансформаторы устанавливают на главных понизительных, на цеховых и на специальных подстанциях: преобразовательных, электропечных, сварочных и др. Потери электроэнергии в трансформаторах являются неизбежными, однако размер их должен быть доведён до возможного минимума путём правильного выбора мощности и числа силовых трансформаторов, а также рационального режима их работы. Кроме того, следует стремиться к уменьшению потерь электроэнергии путём исключения холостого хода трансформаторов при малых загрузках. Это мероприятие имеет особое значение при эксплуатации цеховых трансформаторов предприятий, работающих в одну или две смены, а также в выходные дни.

Обычно на предприятиях в свободное от работы время или в выходные дни ведутся ремонтные работы, испытания оборудования и т.д. Для производства таких работ также требуется электроэнергия, но в значительно меньшем количестве, чем в рабочие дни. Включение всех цеховых трансформаторов вызывает большие нерациональные потери за счёт потерь холостого хода трансформаторов. Для устранения таких потерь рекомендуется проектировать новые схемы электроснабжения предусматривая резервные связи (перемычки) на стороне низкого напряжения цеховых трансформаторов. При этом целесообразно питать установки для ремонтных работ, ночного, охранного и дежурного освещения по всей территории предприятия и т.п., включая работу только 1, 2-ух трансформаторов в разных точках сети.

В условиях действующих промышленных предприятий при отсутствии запроектированной схемы такого питания можно путём незначительной реконструкции сети обеспечить целесообразный режим работы силовых трансформаторов. Ограничение холостого хода имеет большое значение также для таких установок, сварочные и электропечные аппараты.

Следует отметить, что работа трансформаторов в режиме холостого хода или близком к нему вызывает изменение потерь не только в самом трансформаторе, но и во всей системе питания из-за низкого коэффициента мощности при холостом ходе трансформатора.

.2.2 Экономия электроэнергии в линиях

Потери электроэнергии в линиях зависят от значения сопротивлений и тока, пропускаемого через линии. Сопротивление действующих линий может считаться практически постоянным. Отсюда следует, что для уменьшения потерь электроэнергии возможен один путь - уменьшение протекающего через них тока. Уменьшить значение тока можно, например, использованием в работе значительного количества резервных линий. При наличии параллельных линий желательно из соображений экономии электроэнергии держать их включенными параллельно. При проектировании системы электроснабжения предприятия необходимо выбирать вариант, при котором отсутствуют реакторы, или вариант с минимальными потерями в реакторах. С этой точки зрения, рассматриваемые варианты должны обязательно сопоставляться по технико-экономическим.

.2.3 Экономия электроэнергии в трёхфазных сетях напряжением до 1000 В с несимметричной нагрузкой

При неравномерном распределении нагрузок по фазам трёхфазной системы, потери электроэнергии больше, чем при симметричной нагрузке. Равномерность загрузки фаз должна быть обеспечена в первую очередь за счёт правильного распределения однофазных и двухфазных нагрузок по фазам. Вторым мероприятием для уменьшения асимметрии в сетях напряжением до 1000 В является установка нейтраллеров на вводах заземление свинцовой оболочки кабеля. Экономическая целесообразность второго мероприятия определяется соотношением между затратами на установку нейтраллеров и стоимостью сэкономленной электроэнергии в результате устранения асимметрии нагрузки.

Мероприятия по выравниванию нагрузки фаз целесообразно проводить в трансформаторах, загруженных более чем на 30 % номинальной мощности, неравномерностью нагрузки можно пренебречь, так как нагрузочные потери незначительно превышают потери холостого хода.

.2.4 Экономия электроэнергии за счет применения повышенных напряжений и регулировки напряжений

Установка понижающих трансформаторов с высшим напряжением 35 и 10 кВ вблизи преемников электроэнергии и сокращение длины цеховых сетей напряжением 0,4 кВ дают значительную экономию электроэнергии. Это достигается применением глубокого ввода в системах промышленного электроснабжения.

Регулировка напряжений, то есть поддержание величины напряжения в верхних пределах, допускаемых ГОСТом, позволяет уменьшить потери в распределительной сети, которые пропорциональны квадрату напряжения. Это достигается применением устройств регулирования под нагрузкой трансформаторов ГПП и устройств переключения без возбуждения трансформаторов цеховых подстанций.

.2.5 Уменьшение потерь электроэнергии в электроприемниках

Достигается применением следующих мероприятий:

- регулирование режимов работы электрооборудования;

переключение обмоток асинхронных двигателей с треугольника на звезду при снижении нагрузки в 3 раза;

- своевременный и качественный ремонт оборудования;

рациональный выбор мощностей двигателей.

.2.6 Сокращение или исключение дополнительных устройств в СЭС, которые расходуют значительное количество электроэнергии

В настоящее время при симметрировании трёхфазной системы применяют симметрирующие устройства (СУ). В этом между цеховым трансформатором и приёмниками в СУ теряется дополнительно не менее 10 % электроэнергии и требуется установка (будем говорить упрощённо) ещё одного устройства по мощности, равного мощности питающего трансформатора. Исключить СУ можно с заменой питающего трансформатора со схемой соединения обмоток звезда-звезда трансформатором со схемой соединения обмоток звезда-зигзаг. При этом потери и стоимость трансформатора возрастут на 2-3 %. Но за счёт исключения СУ сокращаются потери электроэнергии на 5-8 % и отпадает необходимость в производстве симметрирующего оборудования.

Аналогичное положение имеет место при установке дополнительных ФКУ при несинусоидальности формы кривой тока и напряжения. Устанавливая выпрямительные устройства по 12-24 фазной схеме, можно значительно сократить несинусоидальность и обойтись без ФКУ.

8. Безопасность жизнедеятельности и экология

.1 Опасные производственные факторы на подстанции

Для персонала, выполняющего работы под напряжением на ПС, основными опасными факторами является поражение электрическим током в случае пробоя изоляции и воздействия электромагнитного поля, превышающего допустимые нормативные значения в месте производства работ.

Опасность поражения электрическим током существует при выполнении работ в зоне действующих электроустановок. Опасность поражения усугубляется еще и по причине того, что электричество не обладает цветом, запахом, объемом и массой. Часто причиной электротравматизма служат грубые нарушения техники безопасности самим пострадавшим или его коллегами по работе.

Электрический ток оказывает на организм человека следующее воздействие:

термическое - действие проявляется в ожогах частей тела и нагрева до высоких температур органов, попавших под действие электрического тока;

электролитическое - действие выражается в разложении органических жидкостей, вызывая нарушения физико-химического состава;

биологическое - действие в раздражении и возбуждении живых тканей организма, а также в нарушении внутренних биоэлектрических процессов.

Электротравмы делятся на следующие виды:

а) Местные электротравмы - это четко выраженные местные нарушения целостности организма. Обычно они излечиваются, но бывают и летальные исходы. Из местных электротравм наиболее распространены электрические ожоги (около 60-65%). Ожоги бывают:

1) токовый - возникает в результате контакта человека с токоведущей частью и является следствием преобразования электрической энергии в тепловую);

2) дуговой (вызывается действием электрической дуги, которая обладает высокой энергией. Вызывает обширные ожоги тела, выгорание тканей на большую глубину и бесследное сгорание больших участков тела.)

б) Электрические удары - происходит возбуждение тканей организма, проходящим через него электрическим током, сопровождающиеся сокращением мышц. Электрические удары делятся на:

1) судорожное сокращение мышц без потери сознания;

) судорожное сокращение мышц с потерей сознания, но с сохранением дыхания и работой сердца;

) судорожное сокращение мышц с потерей сознания и с нарушением сердечной деятельности и дыхания;

) клиническая смерть, то есть отсутствие дыхания и кровоснабжения.

Предельно допустимые токи, протекающие чрез тело человека:

6 мА - переменного тока с частотой 50 Гц;

8 мА - при частоте 400 Гц;

15 мА - постоянного тока.

Безопасным напряжением считается до 42 В.

Поражение людей электрическим током или электрической дугой происходит вследствие следующих причин:

а)   случайного прикосновения или опасного приближения к частям электроустановки, находящейся под напряжением;

б)      прикосновения к конструкциям, аппаратам, металлическим частям, находящимся без напряжения, но могут оказаться под напряжением вследствие нарушения изоляции токоведущих частей;

в)      из-за ошибок при производстве переключений в электроустановках и при производстве ремонтных работ.

Для предотвращения прикосновения людей к токоведущим частям, последние изготавливаются в закрытом исполнении или изолируются. В случае если токоведущие части невозможно или нецелесообразно изготавливать в закрытом исполнении, то их ограждают в соответствии с ГОСТ 12.4.125 - 84.

Для защиты людей при повреждении изоляции должна быть предусмотрена, по крайней мере, одна из следующих защитных мер: организовано заземление машин и механизмов или зануление (ГОСТ 12.1.030 88; ПУЭ, глава 1.7); применение разделительных трансформаторов и устройств дифференциальной защиты; малое напряжение (12 - 36 В); применение двойной изоляции; организация системы уравнивания потенциалов (ПУЭ, глава 1.7).

Защитные средства используемые в электроустановках до и выше 1000 В:

–   основные;

–   дополнительные.

Основные защитные средства для работы в электроустановках выше 1000В: изолирующие штанги, изолирующие и электроизмерительные клещи, указатели напряжения, устройства для проведения испытаний в электроустановках, прочие средства защиты, изолирующие устройства и приспособления для ремонтных работ под напряжением в электроустановкх 110 кВ и выше.

Дополнительные защитные средства для работы в электроустановках выше 1000 В: диэлектрические перчатки, диэлектрические боты, диэлектрические ковры, изолирующие подставки и накладки, диэлектрические колпаки, штанги для выравнивания потенциала.

Основные защитные средства для работы в электроустановках ниже 1000В: указатели напряжения, диэлектрические перчатки, изолирующие и измерительные клещи, изолирующие штанги, слесарно-монтажный инструмент с изолирующими рукоятками.

Дополнительные защитные средства для работы в электроустановках ниже 1000 В: диэлектрические галоши, диэлектрические ковры, изолирующие подставки и накладки, изолирующие колпаки.

Защитные средства должны сохраняться в порядке и находиться на специально отведенных для этого местах. Основные и дополнительные средства должны испытываться и иметь штамп, указывающий напряжение установки, для которой допустимо применять данные средства, а также срок следующего испытания.

Повышенному воздействию электрической составляющей электромагнитного поля подвергаются работающие непосредственно у проводов ВЛ, а также электромонтеры, выполняющие операцию на опорах ВЛ 35 кВт и выше и находящиеся под проводами линий. Человек не чувствителен к электромагнитному полю и обнаруживает на себе лишь его последствия, иногда слишком поздно.

При обследовании больших контингентов людей в производственных условиях показано, что количество и частота жалоб на ухудшение самочувствия возрастает с увеличением профессионального стажа, причем, при хроническом облучении более ранние и более выраженные реакции обнаруживаются со стороны нервной системы.

При длительном воздействии сверхвысокочастотных излучений могут иметь место изменения не только в центральной нервной системе, сердечно-сосудистой, дыхательной и пищеварительной системах, но и изменения показателей крови, помутнение хрусталика, трофические нарушения.

Негативное влияние электромагнитных полей (ЭМП), значительно возрастает при совокупном воздействии ЭМП с другими вредными факторами окружающей среды.

Наиболее важный биофизический аспект защиты от ЭМП - установление их предельно допустимых интенсивностей, потенциально опасных для человека, и формы представления полей, т.е. нормирование.

При выборе защиты персонала или населения от электромагнитного излучения необходимо учитывать особенности производства, условия эксплуатации оборудования, рабочий диапазон частот, характер выполняемых работ, интенсивность поля, продолжительность облучения и другие.

Для снижения интенсивности поля в рабочей или жилой зоне рекомендуется применять различные инженерно-технические способы и средства, а также организационные и лечебно-профилактические мероприятия.

В качестве инженерно-технических методов и средств применяются: экранирование излучателей, помещений или рабочих мест; уменьшение напряженности и плотности потока энергии в рабочей или жилой зоне за счет уменьшения мощности источника (если позволяют технические условия) и использования ослабителей (аттенюаторов) мощности и согласованных нагрузок (например, эквивалентов антенн); применение средств индивидуальной защиты.

Защита - заключительный этап всего цикла работ по безопасности персонала и населения в зоне действий мощных источников ЭМП. В широком плане под защитой понимаются любые мероприятия по снижению интенсивности ЭМП.

Для эксплуатационного персонала подстанции установлена допустимая продолжительность периодического и длительного пребывания в электрическом поле при напряжённостях на уровне головы человека (1,8 м над уровнем земли): 5 кВ/м - время пребывания неограниченно; 10 кВ/м - 180 мин; 15 кВ/м - 90 мин; 20 кВ/м - 10 мин; 25 кВ/м - 5 мин. Выполнение этих условий обеспечивает самовосстановление организма в течении суток без остаточных реакций и функциональных или патологических изменений.

.2 Расчет заземляющего устройства подстанции

В установках с незаземленными или резонансно-заземленными нейтралями (сети 6, 10, 35 кВ) ограничивается потенциал на заземлителе (Uз), то есть нормируется сопротивление зазеляющего устройства Rз. Это объясняется тем, что замыкание фазы на землю вызывает протекание сравнительно небольшого емкостного тока, и этот режим может быть длительным. Вероятность попадания под напряжение в момент прикосновения к заземленным частям увеличивается.

В установках 6 - 35 кВ с незаземленной или резонансно-заземленной нейтралью сопротивление заземляющего устройства в любое время года должно быть

(8.1)

где Iз - ток замыкания на землю, А.

Сопротивление заземляющего устройства для установок 6 - 35 кВ не должно превышать 10 Ом.

Собственные нужды подстанции «1 водоподъем» получают питание от трансформатора 35/0,4 кВ с заземленной нейтралью на стороне 0,4 кВ. Сопротивление заземляющего устройства трансформатора на стороне 0,4 кВ согласно [2] должно быть не более 4 Ом. Таким образом, последнее требование является определяющим для расчета Rз £ 4 Ом.

Заземляющее устройство выполнено в виде контура из полосовой стали 40х4 мм, проложенной на глубине 0,8 м от поверхности земли вокруг  оборудования подстанции. Общая длина полосы lг = 136 м.

Сопротивление заземляющей полосы rг, Ом

 (8.2)

где lг - длина полосы, м;- ширина полосы, м;- глубина заложения, м;

rрасч - расчетной сопротивление земли для горизонтальных заземлителей, Ом×м.

rрасч = kс×r, (8.3)

где r - удельной сопротивление грунта, измеренное при нормальной влажности, Ом×м (для суглинка r = 40 ÷ 150 Ом·м);с - коэффициент сезонности, учитывающий промерзание и просыхание грунта. В средних климатических зонах для вертикальных электродов длиной 3 - 5 м принимается kс = 1,45 ¸ 1,15, для горизонтальных электродов длиной 10-15 м - kс = 3,5 ¸ 2,0.

rрасч.г = 3×100 = 300 Ом×м.

rрасч.в = 1,25×100 = 125 Ом×м.

Определяем сопротивление полосы Rг, Ом

 (8.4)

где hг - коэффициент использования, зависящий от отношения расстояния между зазамлителями к их длине (а/l) и числа вертикальных заземлителей.

Предварительно принимая в контуре 30 вертикальных заземлителей (электрод длиной l = 5 м, диаметром 12 мм) для а/l = 1, находим коэффициент использования полосы hг = 0,24 [5], тогда сопротивление полосы в контуре из 30 вертикальных заземлителей будет равно

Необходимое сопротивление вертикальных заземлителей Rв, Ом

 (8.5)

 

Сопротивление одного вертикального заземлителя (стержня) rв, Ом

 (8.6)

где rрасч.в - расчетной сопротивление земли для вертикальных заземлителей, Ом×м;- длина стержня, м;- диаметр стержня, м;- глубина заложения, равная расстоянию от поверхности земли до середины заземлителя, м.

Определяем количество вертикальных заземлителей nв

 (8.7)

где hв - коэффициент использования вертикальных заземлителей, зависящий от расстояния между ними а, их длины и количества (hв = 0,36).

.

Принимаем в контуре 16 вертикальных заземлителей. План заземляющего устройства подстанции показан на рисунке 8.1.

Рисунок 8.1 - План заземляющего устройства

Таким образом, заземляющее устройство подстанции «1 водоподъем» состоит из горизонтальных и вертикальных заземлителей. Горизонтальный заземлитель (стальные полосы) прокладывается на глубине 0,8 м. Заземляющие стержни ввинчиваются в грунт по внешнему контуру заземляющего устройства с расстоянием между стержнями 8,5 м.

Защитное заземление подстанции удовлетворяет требованиям рабочих заземлений и заземлений средств грозозащиты.

Защитные и рабочие заземлители отводят в землю ток промышленной частоты и их сопротивление является стационарным, тогда как через средства грозозащиты проходит ток молнии, который имеет импульсную форму. При стекании с заземлителей больших токов молнии в землю вблизи поверхности электродов создаются очень высокие напряженности электрического поля, под воздействием которых пробивается слой земли, прилегающий к поверхности электрода. Вокруг электрода образуется проводящая зона искрения, которая как бы увеличивает поперечные размеры электрода и тем самым снижает его сопротивление. Однако, наибольший эффект снижения сопротивления за счет искрения имеет место только в том случае, когда электроды имеют небольшие размеры и их индуктивное сопротивление практически не влияет на процесс отвода тока в землю. Такие заземлители называются сосредоточенными.

Следовательно, на подстанции возле каждого молниеотвода устанавливается по три стержня, а у каждого ОПН (ограничителя перенапряжения) - по одному стержню.

К заземляющим устройствам ОРУ присоединены заземляющие тросы ЛЭП и все естественные заземлители подстанции.

Вокруг заземляющего устройства, вынесенного за территорию подстанции, для выравнивания потенциала укладывается один выравнивающий проводник на расстоянии 1 м в направлении от его границ на глубине 1 м.

Эти неучтенные заземлители уменьшают общее сопротивление заземления, проводимость их идет в запас надежности.

.3 Расчет грозозащиты подстанции

При нормальных режимах напряжение в электрических установках близко к номинальному. Однако возможны кратковременные повышения напряжения, которые называются перенапряжение. Они называются на коммутационные и атмосферные.

Атмосферные перенапряжения - одна из основных причин повреждений и аварийных отключений в сельских электрических установках.

Перенапряжения, возникающие в элементах электроустановок в результате прямого удара молнии и при набегании волн перенапряжений, не только приводят к повреждениям оборудования и перерывам электроснабжения, но и представляют значительную опасность для людей и животных, особенно в электроустановках низкого напряжения. Поэтому правильный выбор защитных устройств от атмосферных перенапряжений - весьма важная задача.

Для защиты от прямых ударов молнии служат стержневой и тросовые молниеотводы. Стержневые молниеотводы применяют для защиты сосредоточенных объектов (ОРУ подстанции, отдельные сооружения и т.п.). Стержневые молниеприемники изготавливают из прокатной стали различного профиля.

Наиболее распространенным сортаментом стали являются прутки и водогазопроводные трубы.

Тросовые молниеотводы применяют для защиты протяженных объектов (ЛЭП, подходы к подстанции). В качестве тросового молниеприемника часто используют стальной оцинкованный спиральный канат марки ТК сечением 48,26 мм2.

Заземляющее устройство молниезащиты выполняют аналогично заземляющим устройствам электроустановок. В ряде случаев эти устройства можно объединить. Необходимо различать заземлители, входящие в комплекс защиты от прямого удара молнии и заноса высоких потенциалов, от заземлителей, входящих в комплекс защиты от вторичных воздействий молнии.

Защиту элементов электроустановок от набегающих волн перенапряжений осуществляют при помощи защитных (искровых) промежутков и ограничителей перенапряжения.

Защитные промежутки - это наиболее простое и дешевое средство грозазащиты. Значительно более эффективна работа искровых промежутков в сочетании с автоматическим повторным включением (АПВ). В этом случае дуга в искровом промежутке гасится в бестоковую паузу после отключения выключателя релейной защиты, а затем электроустановка вводится в нормальную работу под действием АПВ.

Тип, количество и взаимное расположение молниеотводов определяют геометрическую форму зоны защиты.

Для защиты подстанции от прямых ударов молнии принимаем четыре стержневых молниеотвода. Высота защищаемого объекта hх = 7,5 м. Тип зоны защиты - зона Б (наружные технологические установки и открытые склады, относимые по ПУЭ к классу П - III).

Рисунок 8.2 - Молниезащита подстанции

Условие защищаемости оборудования выражено формулой

D = 8×ha, (8.8)

где D - диагональ прямоугольника, образованного молниеотводами,а - активная высота молниеотвода.

D = (8.9)

где а, b - расстояния между парами молниеотводов.

D =

Расчет производится для четырех молниеотводов.

hа = D/8.(8.10)

а = 30,5/8 = 3,82 м.

Полная высота молниеотвода h, м равна

h = hx + ha.(8.11)

= 11 + 3,82 = 14,82 м.

Радиус зоны защиты на высоте защищаемого оборудования rx, м

 (8.12)

Ширина зоны защиты bx1, м на стороне а

(8.13)

Ширина зоны защиты bx2, м на стороне b

(8.14)

Радиус зоны защиты на уровне земли r0, м

r0 = 1,5×h.(8.15)

0 = 1,5×14,82 = 22,23 м.

.4 Мероприятия по технике безопасности при ремонте и обслуживании электрооборудования подстанции

На подстанции технические и организационные мероприятия,  обеспечивающие безопасность обслуживания электроустановок, регулируются правилами технической эксплуатации и безопасности обслуживания  электротехнических установок промышленных предприятий (ПТЭЭП) и правилами техники безопасности при эксплуатации электроустановок станций и подстанций (МПОТ).

При ремонтных работах место производства работ необходимо относить к категории особо опасных и выполнять все технические и организационные мероприятия, требуемые для этих случаев правилами эксплуатации.

Работы, проводимые в действующих электроустановках, в отношении безопасности разделяются на работы со снятием напряжения и без снятия напряжения на токоведущих частях и вблизи них.

Для защиты людей от поражения электрическим током в электроустановках производятся следующие мероприятия: организационные и технические.

К техническим мерам безопасности, проводимым при подготовке рабочего места для работ со снятием напряжения, относятся следующие мероприятия:

произведение необходимых отключений электрооборудования и принятие мер от случайных включений;

на приводах управления коммутационной аппаратуры установить запрещающие плакаты;

токоведущие части, на которые накладываются заземления, проверяют на отсутствие напряжения;

включают заземляющие ножи или накладывают переносные заземления;

вывешивают плакаты и устанавливают ограждения у рабочего места и у не обесточенных токоведущих частей

К организационным мероприятиям относится комплекс мер, связанных со следующими действиями:

оформление наряда-допуска;

распоряжение или перечень работ, выполняемых самостоятельно в процессе текущей эксплуатации;

допуск ремонтного персонала к работе;

надзор во время работы;

оформление перерыва в работе и перевода людей на другое место работы;

окончание выполнение работ.

Проведение всех этих мер безопасности осуществляется оперативным или оперативно-дежурным персоналом.

Ответственными за безопасное ведение работ являются:

-    ответственный руководитель работ;

-        допускающий;

         производитель работ;

         наблюдающий;

         члены бригады.

Письменным указанием руководителя организации должно быть оформлено предоставление его работникам прав: выдающего наряд, распоряжение; ответственного руководителя работ; допускающего; производителя работ (наблюдающего), а также права единоличного осмотра.

Работы в действующих электроустановках должны проводится по наряду-допуску, по распоряжению, по перечню работ, выполняемых в порядке текущей эксплуатации.

Выполнение работ в зоне действия другого наряда должно согласовываться с работником, ведущим работы по ранее выданному наряду (ответственным руководителем работ) или выдавшим наряд на работы в зоне действия другого наряда. Согласование оформляется до начала выполнения работ записью «Согласовано» на лицевой стороне наряда и подписью работника, согласующего документ.

В целях исключения вероятности ошибок при производстве переключений в злектроустановках, переключения производятся точно по бланку переключений, соответствующей формы. Все работы, производимые в электроустановках до и выше 1000В производятся по распоряжению и наряду - допуску (ПОТ Р М - 016 - 2001, глава 2) с применением средств защиты и защитных средств.

Кроме того весь электротехнический персонал ежегодно проходит проверку знаний правил безопасности при работе в действующих электроустановках, правил устройства электроустановок, схем электроснабжения, правил оказания первой помощи при несчастном случае, знание должносных и заводских инструкций.

В электроустановках напряжением до 1000 В при работе под напряжением необходимо:

-    оградить расположенные вблизи рабочего места другие токоведущие части, находящиеся под напряжением, к которым возможно случайное прикосновение;

-        работать в диэлектрических галошах или стоя на изолирующем ковре;

         применять изолированный инструмент (у отверток, кроме того, должен быть изолирован стержень), пользоваться диэлектрическими перчатками.

Не допускается работать в одежде с короткими или засученными рукавами, а также использовать ножовки, напильники, металлические метры и т.д.

Не допускается в электроустановках работать в согнутом положении, если при выпрямлении расстояние до токоведущих частей будет менее допустимого расстояния.

Не допускается прикасаться без применения электрозащитных средств к изоляторам, изолирующим части оборудования, находящегося под напряжением.

Персоналу следует помнить, что после исчезновения напряжения на электроустановках оно может быть подано вновь без предупреждения.

Не допускается работа в неосвещенных местах. Освещенность участков рабочих мест, проездов и подходов к ним должна быть равномерной, без слепящего действия осветительных установок на работающих.

Весь персонал, работающий в помещениях с энергооборудованием (за исключением щитов управления, релейных и им подобных), в ЗРУ и ОРУ, в колодцах, туннелях и траншеях, а также участвующий в обслуживании и ремонте ВЛ, должен пользоваться защитными касками.

Ремонтный и оперативный персонал по окончании работ должны сообщить своему руководителю об окончании работ, сдаче смены и имеющихся при этом замечаниях.

Средства защиты, используемые при эксплуатации оборудования подстанции должны соответствовать Правилам применения и испытания средств защиты, использования в электроустановках. Каждый работник, если он не может принять меры к устранению нарушений ПТБ, обязан немедленно сообщить вышестоящему руководству о всех замеченных им нарушениях, а так же о представляющих опасность для людей неисправностях оборудования.

На подстанции работники с дежурного или оперативно-ремонтного персонала, единолично обслуживающее подстанции, должны иметь IV группу по электробезопасности. Осмотр подстанции может выполнять один работник с группой III из числа дежурного персонала, либо работник с группой VI из админстративно-технического персонала или руководства предприятия уполномоченного на права единоличного осмотра. Экскурсии по подстанции могут проводиться под надзором работника с группой IV, имеющего право единоличного осмотра.

При осмотрах ОРУ, КРУ запрещается входить в камеры, не оборудованными ограждениями или барьерами, препятствующими приближению к токоведущим частям, находящимся под напряжением на расстоянии меньше допустимых. Запрещается открывать двери ограждений и проникать за ограждения в барьеры.

Вывод: требования ГОСТов и охраны труда нв подстанции выполняются в полном обеме.

Заключение

В дипломном проекте, темой которого является проектирование подстанции «1 водоподъем» ОАО «Уральская Сталь», рассмотрены следующие вопросы:

-.исходя из характеристики основных потребителей подстанции и недостатков существующей схемы электрических соединений, а также суточного графика нагрузки, произведен расчет электрических нагрузок подстанции и выбрана более надежная схема электрических соединений - схема два блока выключателями в цепи трансформаторов и неавтоматической перемычкой;

.мощность трансформаторов подстанции выбрана в соответствии с ГОСТ 14209-85;

по расчету токов короткого замыкания выбрано оборудование подстанции, имеющее лучшие эксплуатационные характеристики по сравнению с существующими типами оборудования, больший срок службы и более надежное в работе;

.выбраны виды релейной защиты трансформатора, выбрана схема и произведен расчет уставок срабатывания дифференциальной защиты, максимальной токовой защиты и защиты от перегрузки, приняты типы реле для выполнения защит;

выбраны необходимые устройства автоматики, рассчитаны уставки АПВ и АВР;

- в экономической части дипломного проекта произведено сравнение двух вариантов: I вариант - с масляными выключателями 35 и 10 кВ, II вариант - с установкой вакуумных выключателей 35 и 10 кВ. По технико-экономическим показателям на подстанции приняты к установке вакуумные выключатели 35, 10 кВ. Также были рассмотрены мероприятия по экономии электроэнергии;

-.рассчитано заземляющее устройство подстанции. При выборе расположения и высоты молниеотводов для обеспечения необходимой зоны защиты принято решение для защиты ОРУ-35 кВ использовать группы из четырех отдельно стоящих молниеотводов. Также были рассмотрены опасные производственные факторы на подстанции и мероприятия по технике безопасности при ремонте и обслуживании электрооборудования подстанции.

Таким образом, в результате разработанного дипломного проекта принята более надежная схема электрических соединений подстанции «1 водоподъем» ОАО «Уральская Сталь» с выключателями в цепи трансформаторов и неавтоматической перемычкой, что важно для обеспечения бесперебойного электроснабжения потребителей, выбрано более современное и совершенное оборудование, имеющее лучшие технические характеристики и больший срок службы, за счет чего сократились эксплуатационные расходы.

В специальной части проекта рассмотрен вопрос «Внедрение автоматизированной системы учета электропотребления».

Список использованных источников

1 Кудрин Б.И. Электроснабжение промышленных предприятий : учебник для вузов / Б.И. Кудрин. - М.: Интермет Инжиниринг, 2007. - 672 с. - ISBN 5 - 89594 - 135 - 4.

Правила устройства электроустановок. 7-е издание: утв. Минэнерго России 08.07.2002. - М.: ЗАО «Энергосервис», 2003. - 1530 с. - ISBN 5 - 900835 - 68 - 5.

Нормы технологического проектирования подстанций переменного тока с высшим напряжением 35-750 кВ : СО 153-34.20.122-2006 : утв. ОАО ФСК ЕЭС 16.06.06 : ввод в действие с 03.07.06. - М. : ОАО Институт Энергосетьпроект, 2006. - 58 с. - ISBN - 5 - 92784 - 051 - 1.

Кабышев А.В. Расчет и проектирование систем электроснабжения: Справочные материалы по электрооборудованию: учеб. пособие / А.В. Кабышев, С.Г. Обухов. - Томск: Изд-во ТПУ, 2005. - 168 с. - ISBN 5 - 283 - 02451 - 0.

Ананичева С.С. Справочные материалы для курсового и дипломного проектирования / С.С. Ананичева, А.Л. Мызин, С.Н. Шелюг. - Екатеринбург : ГОУ ВПО УГТУ−УПИ, 2005. - 52 с. - ISBN 5 - 283 - 01086 - 4.

ГОСТ 30323-95. Короткие замыкания в электроустановках. Методы расчета электродинамического и термического действия тока короткого замыкания. - Взамен ГОСТ Р 50254-92 ; Введ. 1997-06-01. - М. : Изд-во стандартов, 2004. - 45 с. - (Межгосударственные стандарты).

Киреева Э.А. Электроснабжение цехов промышленных предприятий : Библиотечка электротехника / Э. А. Киреева, В. В. Орлов, Л. Е. Старкова. - М.: НТФ "Энергопрогресс", 2003. - 120 с. - ISSN 0013 - 7278.

Андреев В.А. Релейная защита и автоматика систем электроснабжения : учебник для вузов / В.А. Андреев. - М. : Высшая школа, 2007. - 639 с. - ISBN 978 - 5 - 06 - 004826 - 1.

Межотраслевые правила по охране труда (правила безопасности) при эксплуатации электроустановок: ПОТ РМ-016-2001, РД 153-34.0-03.150-00: утв. Минэнерго РФ 27.12.2000, Минтруда РФ 05.01.2001. - М.: Издательство НЦ ЭНАС, 2003. - 178 с. - ISBN 5 - 222 - 03845 - 1.

Герасимов В.Г. Электротехнический справочник: в 4 ч. / В.Г. Герасимов. - М.: Издательство МЭИ, 2004. - Ч.3: Производство, передача и распределение электрической энергии. - 964 с. - ISBN 5 - 283 - 01026 - 4.

11 Инструкция по устройству молниезащиты зданий, сооружений и промышленных коммуникаций : СО - 153 - 34.21.122 - 2003 : утв. приказом Минэнерго России №280 от 30.06.2003 г. - М.: Издательство ДЕАН, 2005. - 61 с. -ISBN 5 - 93630 - 450 - 7.

Гуртовцев А.Л. Измерение и учет энергии и энергоносителей в энергосистемах и у потребителей / А.Л. Гуртовцев. - Минск: РУП «БелТЭИ», 2009. - 432 с. - ISBN 5 - 456 - 08354 - 1.

Сапронов, А. А. Анализ структуры коммерческих потерь электроэнергии в распределительных электрических сетях / А.А. Сапронов // Энергосбережение и водоподготовка. - 2006. - № 4. - С. 33 - 36.

Похожие работы на - Проектирование подстанции '1 водоподъем' ОАО 'Уральская Сталь'

 

Не нашли материал для своей работы?
Поможем написать уникальную работу
Без плагиата!
Без нейросетей!