Проектирование районной подстанции

  • Вид работы:
    Курсовая работа (т)
  • Предмет:
    Физика
  • Язык:
    Русский
    ,
    Формат файла:
    MS Word
    274,66 Кб
  • Опубликовано:
    2015-02-17
Вы можете узнать стоимость помощи в написании студенческой работы.
Помощь в написании работы, которую точно примут!

Проектирование районной подстанции

ЮЖНО-САХАЛИНСКИЙ ИНСТИТУТ

ЭКОНОМИКИ, ПРАВА И ИНФОРМАТИКИ

кафедра Электротехники, автоматизации и энергетики










Курсовой проект

по дисциплине Электрическая часть электростанций  и подстанций

«ПРОЕКТИРОВАНИЕ РАЙОННОЙ ПОДСТАНЦИИ»

для студентов всех форм обучения  по специальности 140211 «Электроснабжение»

вариант 2








г. Южно-Сахалинск 2014 год

Содержание

Введение

Исходные данные

. Расчет графиков нагрузки потребителей и мощности подстанции

.1 Расчет графиков нагрузки потребителей

.2 Расчет мощности подстанции

. Выбор силовых трансформаторов

. Выбор проводов ЛЭП

. Выбор схем соединений подстанции

.1 Выбор распределительного устройства высшего напряжения

.2 Выбор распределительного устройства среднего напряжения

.3 Выбор распределительного устройства низшего напряжения

. Расчет токов короткого замыкания

. Выбор оборудования

.1 Выбор силовых выключателей

.2 Выбор разъединителей

.3 Выбор трансформаторов тока

.4 Выбор трансформаторов напряжения

Заключение

Список использованных источников

Введение

Электроснабжение потребителей относящихся к различным категориям в отношении надежности обеспечения электрической энергией должно осуществляться в соответствии с требованиями общих правил ПУЭ. От характеристики потребителей электрической энергии зависит количество питающих фидеров и схема системы электроснабжения.

Правильный расчет электрических нагрузок может быть произведен только после тщательного сбора и обработки информации о потребителях электрической энергии, местах размещения производственного оборудования, анализе информации об условиях технологического процесса и различных непроизводственных факторов.

Выбор рациональной схемы электроснабжения с возможностью изменения режима работы в зависимости от производственной и аварийной необходимости является главной задачей на стадии выбора схемы и конструкции РУ и ТП предприятия.

Условия электроснабжения (уровень напряжения, способ прокладки линий, конструкция РУ и ТП) определяются климатическими особенностями и функционалом схемы электроснабжения предприятия.

При выборе оборудования системы электроснабжения, помимо технических аспектов, должны учитываться экономические факторы и целесообразность применения того или иного вида оборудования в зависимости от его функциональных особенностей.

Особенно важна позиция унификации оборудования распределительных сетей системы электроснабжения на одном предприятии или даже отрасли, для облегчения условий работы оперативного и ремонтного персонала.

Исходные данные

Первый потребитель

Второй потребитель

Напряжение

Черная металлургия Smax = 80 МВА, L=12 км

Сельхозпредприятие Smax = 20 МВА, L=6 км

110/35/10

 

Расстояние от источника - 50 км.

подстанция трансформатор ток напряжение

1. Расчёт графиков нагрузки потребителей и мощности подстанции

.1 Расчёт графиков нагрузки потребителей

Рассмотрим потребитель первой категории -предприятие чёрной металлургии.

Полная потребляемая мощность (согласно заданию): Smax1= 80 МВА.

Для расчёта будем использовать графики нагрузки и коэффициента мощности предприятия чёрной металлургии [2].

Коэффициент мощности [2]: cosφ1=0,94.

Максимальная активная мощность:

Pmax1= Smax1∙ cosφ1,                                                                  (1.1)

Pmax1=80∙0,94=75,2 МВт.

Максимальная реактивная мощность:

Qmax1=,                                                                (1.2)

Qmax1= МВАр.

Так как трансформаторы и другое оборудование выбирается по средней нагрузке в наиболее загруженную смену, то для начала построим график нагрузки данной отрасли в графической (рис. 1.1.) и табличной формах (табл. 1.1).

Pi и Qi (%) берутся из графиков нагрузки предприятия чёрной металлургии [2].

Pi (Мвт)=,                                                                     (1.3)

Qi (МВАр)=,                                                              (1.4)

Si (МВА)=.                                                                 (1.5)

Таблица 1.1. Нагрузка предприятия черной металлургии

Интервал времени, ∆ti ч

Pi, %

Pi, MBт

Qi, %

Qi, MBАp

Si, MBA

0...1

83

62,42

88

24,02

66,88

1…2

83

62,42

88

24,02

66,88

2…3

83

62,42

88

24,02

66,88

3…4

85

63,92

92

25,11

68,67

4…5

87

65,42

92

25,11

70,08

5…6

87

65,42

95

25,93

70,37

6…7

86

64,67

95

25,93

69,67

7…8

93

69,94

95

25,93

74,59

8…9

100

75,20

100

27,29

80,00

9…10

100

75,20

100

27,29

80,00

10…11

100

75,20

100

27,29

80,00

11…12

95

71,44

95

25,93

76,00

12…13

95

71,44

95

25,93

76,00

13…14

80

60,16

90

24,56

64,98

14…15

80

60,16

90

24,56

64,98

15…16

97

72,94

98

26,74

77,69

16…17

97

72,94

98

26,74

77,69

17…18

95

71,44

98

26,74

76,28

18…19

95

71,44

98

26,74

76,28

19…20

95

71,44

92

25,11

75,72

20…21

90

67,68

88

24,02

71,81

21…22

90

67,68

88

24,02

71,81

22…23

85

63,92

88

24,02

68,28

23…24

85

63,92

88

24,02

68,28


Рассмотрим потребитель третьей категории - сельхозпредприятие.

Полная потребляемая мощность (согласно заданию): Smax2 = 20 МВА.

Для расчёта будем использовать графики нагрузки и коэффициента мощности предприятий пищевой промышленности [2].

Коэффициент мощности (с учетом компенсации реактивной мощности потребителей): cosφ2=0,95.

Рис. 1.1. Суточный график активной и реактивной нагрузки для предприятия черной металлургии.

Максимальная активная мощность находится по формуле (1.1):

Pmax2=19 МВт.

Максимальная реактивная мощность находится по формуле (1.2):

Qmax2= МВАр.

Построим график нагрузки данной отрасли в графической (рис. 1.2.) и табличной формах (табл. 1.2.). Расчёт производится аналогично расчёту нагрузки предприятия черной металлургии.

Таблица 1.2. Нагрузка сельхозпредприятия

Интервал времени, ∆ti ч

Pi, %

Pi, MBт

Qi, %

Qi, MBАp

Si, MBA

0...1

67

12,73

56

3,49

13,20

1…2

68

12,92

56

3,49

13,38

2…3

67

12,73

56

3,49

13,20

3…4

66

12,54

52

3,24

12,95

4…5

67

12,73

54

3,37

13,17

5…6

67

12,73

56

3,49

13,20

6…7

66

12,54

50

3,12

12,92

7…8

80

15,20

74

4,62

15,89

8…9

95

18,05

96

5,99

19,02

9…10

100

19,00

100

6,24

20,00

10…11

98

18,62

98

6,12

19,60

11…12

97

18,43

89

5,55

19,25

12…13

95

18,05

97

6,05

19,04

13…14

97

18,43

98

6,12

19,42

14…15

92

17,48

93

5,80

18,42

15…16

88

16,72

90

5,62

17,64

16…17

89

16,91

87

5,43

17,76

17…18

90

17,10

86

5,37

17,92

18…19

88

16,72

85

5,30

17,54

19…20

87

16,53

81

5,05

17,29

86

16,34

85

5,30

17,18

21…22

81

15,39

81

5,05

16,20

22…23

75

14,25

63

3,93

14,78

23…24

67

12,73

52

3,24

13,14


Рис. 1.2. Суточный график активной и реактивной нагрузки для сельхозпереработки.

В табл. 1.3. представлены данные по общему суточному графику нагрузки подстанции. Сам график представлен на рис. 1.3.

Таблица 1.3. Суммарные мощности подстанции

ti, ч

P∑, МВт

Q∑, МВАр

S ∑, МВА

0…1

75,15

27,51

80,02

1…2

75,34

27,51

80,20

2…3

75,15

27,51

80,02

3…4

76,46

28,35

81,55

4…5

78,15

28,48

83,18

5…6

78,15

29,42

83,51

6…7

77,21

29,05

82,49

7…8

85,14

30,54

90,45

8…9

93,25

33,28

99,01

9…10

94,20

33,53

99,99

10…11

93,82

33,41

99,59

11…12

89,87

31,48

95,22

12…13

89,49

31,98

95,03

13…14

78,59

30,68

84,36

14…15

77,64

30,36

83,37

15…16

89,66

32,36

95,32

16…17

89,85

32,17

95,44

17…18

88,54

32,11

94,18

18…19

88,16

32,05

93,80

19…20

87,97

30,16

93,00

20…21

84,02

29,32

88,99

21…22

83,07

29,07

88,01

22…23

78,17

27,95

83,02

23…23

76,65

27,26

81,35


Рис. 1.3. Суточный график активной и реактивной нагрузки подстанции.

Полная средняя мощность:

Sсрi=,                                                                           (1.6)

предприятие черной металлургии: Sср1=72,49 МВА,

сельхозпредприятия: Sср2=16,34 МВА,

подстанция в целом: Sср=88,80 МВА.

Активная средняя мощность:

Pсрi= ,                                                                         (1.7)

предприятие черной металлургии: Pср1=67,87 МВт,

сельхозпредприятия: Pср2=15,62 МВт,

подстанция в целом: Pср=83,49 МВт. 

Число часов использования максимума:

Tmaxi=,                                                                  (1.8)

предприятие черной металлургии: Tmax1 = 7905,

сельхозпредприятие: Tmax2 = 7201,45,

подстанция: Tmax= 7763,81.

1.2 Расчёт мощности подстанции

Мощность подстанции рассчитывается по формуле (1.9).

Sп/ст = Sср + Sс.н.,                                                                                                                     (1.9)

 

где Sср - полная средняя мощность подстанции;

Sс.н. - полная мощность потребляемая для собственных нужд.

Мощность собственных нужд потребляется с низкого напряжения подстанции (10 кВ), где питается сельхозпредприятие.

Нагрузка собственных нужд составляет 4 % от мощности потребителей:

Sс.н. = 0,04 ∙ Sср ,                                                                      (1.10)

Sс.н. = 0,04 ∙ 88,8 = 3,6 МВА.

Мощность подстанции составляет:

Sп/ст = 88,8 + 3,6 = 92,4 МВА.

2. Выбор силовых трансформаторов

Выбор числа трансформаторов на подстанции определяется категорийностью потребителя. От рассчитываемой в данном курсовом проекте подстанции питаются потребители: первой и третьей категории. Согласно [1] для потребителя первой категории необходимо два независимых источника, а для третьей категории - достаточно одного.

Рассмотрим два варианта выбора трансформатора для заданной подстанции.

1.      Два трехобмоточных трансформатора (рис. 2.1.).

 

Рис. 2.1. Первый вариант выбора трансформаторов.

ВН - обмотка высшего напряжения (110 кВ), мощность подключенная на данную обмотку равна 88,8 МВА.

СН - обмотка среднего напряжения (35 кВ), мощность подключенная на данную обмотку равна 72,79 МВА.

НН - обмотка низкого напряжения (10 кВ), мощность подключенная на данную обмотку равна 16,34 МВА.

С.Н. - мощность затрачиваемая на собственные нужды подстанции  (3,6 МВА).

Номинальная мощность одного трансформатора находится по формуле (2.1):

Sрасч = ,                                                                         (2.1)

Sрасч =66 МВА.

Исходя из найденных значений, выберем два трехобмоточных трансформатора одного типа и занесем их в табл. 2.1.

Таблица 2.1. Трехфазные трехобмоточные трансформаторы 110 кВ

Параметры

Величина

Марка трансформатора

ТДТН - 80000/110

Номинальная мощность Sном , МВА

80

Напряжение ВН Uном вн , кВ

115

Напряжение СН Uном сн , кВ

38,5

Напряжение НН Uном нн , кВ

11

Потери мощности холостого хода ∆P0 , кВт

40

Потери при коротком замыкании ∆Pк , кВт

310

Ток холостого хода I0 , %

0,23

Напряжение короткого замыкания Uк в-с , Uк в-н , Uк с-н , %

10,5; 17; 6

Цена Cтр1 , тыс. руб.

154

Количество n , шт.

2


2.      Три двухобмоточных трансформатора (рис. 2.2).

Рис. 2.2. Второй вариант выбора трансформаторов.

Номинальная мощность трансформатора Т1 и Т2 находится по формуле (2.1):

Sрасч =66 МВА.

Номинальная мощность трансформатора Т3 находится по формуле (2.2).

Sрасч = Sср2 + Sс.н. ,                                                                                                                   (2.2)

Sрасч = 19,94 МВА.

Исходя из найденных значений, выберем три двухобмоточных трансформаторов (первый и второй одного типа) и занесем их в табл. 2.2.

Таблица 2.2. Трехфазные двухобмоточные трансформаторы 110 кВ и 35 кВ.

Параметры

Величина

Марка трансформатора

ТДН - 80000/110

ТДН - 25000/35

Номинальная мощность Sном , МВА

80

25

Напряжение ВН Uном вн , кВ

115

38,5

Напряжение НН Uном нн , кВ

38,5

6,6

Потери мощности холостого хода ∆P0 , кВт

40

25

Потери при коротком замыкании ∆Pк , кВт

310

120

Ток холостого хода I0 , %

0,23

0,65

Напряжение короткого замыкания Uк , %

10,5

10,5

Цена Cтр2 , тыс. руб.

155

112

Количество n , шт.

2

1


Произведем экономический расчет обоих вариантов выбора трансформаторов и выберем вариант при котором капитальные затраты будут меньше.

Капитальные затраты для первого варианта находятся по формуле (2.3).

К1=∑Стр1 ,                                                                               (2.3)

К1=308 тыс.руб.

Капитальные затраты для второго варианта находятся по формуле (2.3).

К2=422 тыс.руб.

Разница в затратах составляет около 37 %, т.е. к установке принимаем первый вариант выбора трансформаторов.

Произведем расчет коэффициентов загрузки для выбранных трансформаторов.

Коэффициент загрузки в нормальном режиме:

Кз = Sп/ст/2∙ Sном тр ,                                                                    (2.4)

Кз=0,56.

Коэффициент загрузки в аварийном режиме (при отключении одного из трансформатора):

Кз.ав = (Sп/ст - Sср2)/ Sном тр ,                                                         (2.5)

Кз.ав=0,91.

Аварийная перегрузка допускается в исключительных случаях и регламентируется ГОСТом по току в зависимости от длительности перегрузки на величину коэффициента допустимой перегрузки. Длительная перегрузка допускается током превышающим 5 % значения номинального тока, если при этом напряжение ни на одной из обмоток не превышает номинального.

3.     
Выбор проводов ЛЭП

Выберем провод марки АС (сталеалюминиевый).

1.      Выбор сечения провода по допустимой нагрузке.

Максимальный расчетный ток:

Iрmax = Sп/ст / ,                                                                 (3.1)

где Uн - номинальное напряжение (110 кВ).

Iрmax = 466 А.

Расчетный ток:

Iр = Iрmax / 2 ,                                                                            (3.2)

Iр = 233 А.

Выберем сечение провода по максимальному расчетному току (вне помещения) [1]: S = 185 мм2- доп. ток - 520 А.

2.      Выбор сечения провода по экономической плотности тока.

Экономически целесообразное сечение:

Sэк = Iр / jэк ,                                                                             (3.3)

где jэк - нормированное значение экономической плотности тока [1].

jэк = 1 А/мм2.

Sэк = 233 мм2.

Выберем сечение провода [1]: S = 240 мм2.

3.      Для того чтобы не учитывать потери на корону для ЛЭП 110 кВ и выше существуют рекомендованные минимальные сечения проводов (для ЛЭП 110 кВ - 70 мм2).

Из найденных значений сечения выбираем наибольшее - 240 мм2.

4.      Проверка по падению напряжения.

Падение напряжения не должно превышать 5 %.

Падение напряжения рассчитывается по формуле (3.4).

∆Uрасч. = ∙100 % ∙ (Rл ∙ cosφ + Xл ∙ sinφ) ,                     (3.4)

где    Rл - активное сопротивление ЛЭП,

Xл - индуктивное сопротивление ЛЭП.

cosφ = Pср / Sср ,                                                                       (3.5)

cosφ = 0,9, sinφ = 0,4.

Rл = r0 ∙ l ,                                                                               (3.6)

где r0 - удельное активное сопротивление линии (для АС - 240 - 0,118 Ом),

x0 - удельное реактивное сопротивление линии (для АС - 240 - 0,407 Ом),

l - длина линии (по заданию на проектирование).

Xл1 = x0 ∙ l ,                                                                             (3.7)

Rл1 = 0,118 ∙ 12 =1,4 Ом, Xл1 = 0,4 ∙ 12 = 4,8 Ом.

Rл2 = 0,118 ∙ 6 =0,7 Ом, Xл1 = 0,4 ∙ 6 = 2,4 Ом.

∆Uрасч.1 =  = 1,16 % .

∆Uрасч.2 =  = 0,58 % .

Условие падения напряжения выполняется.

4. Выбор схем соединений подстанции

Схемы РУ подстанций при конкретном проектировании разрабатываются на основании схем развития энергосистемы, схем электроснабжения района или объекта и других работ электрических сетей

.1 Выбор распределительного устройства высшего напряжения

Данное РУ выберем открытого типа (рис. 4.1). Согласно заданию напряжение РУВН составляет 110 кВ. К данному РУ подходит две линии.

Рис. 4.1. Схема распределительного устройства ВН.

.2 Выбор распределительного устройства среднего напряжения

В качестве РУ среднего напряжения (35 кВ) принимается одиночная секционированная система сборных шин, открытого типа (рис.4.2). На данном РУ имеется 7 отходящих линий.

Рис. 4.2. Схема распределительного устройства СН.

4.3 Выбор распределительного устройства низшего напряжения

В качестве РУ низшего напряжения (10 кВ) принимается одиночная секционированная система сборных шин, закрытого типа (рис.4.3). На данном РУ имеется 9 отходящих линий.

Рис. 4.3. Схема распределительного устройства НН.

5. Расчет токов короткого замыкания

Коротким замыканием (КЗ) называется нарушение нормальной работы электрической установки, вызванное замыканием фаз между собой, а также замыканием фаз на землю в сетях с глухозаземленными нейтралями.

Выберем в качестве расчетных точки при включенном положении секционных выключателей на ВН, СН, НН. Составим схему замещения (рис. 5.1). Активное сопротивление трансформатора для одной фазы определяется на основании паспортных данных:

,

где ΔРкз - потери активной мощности в режиме короткого замыкания, кВт; Uном - номинальное напряжение на основном выводе, кВ; Sном - номинальная мощность трансформатора, кВА.

Реактивное (индуктивное) сопротивление трансформатора представляет сумму индуктивного сопротивления рассеяния первичной обмотки и приведенного к ней индуктивного сопротивления вторичной обмотки. Рассчитывается оно по формуле:


где  - падение напряжения на индуктивном сопротивлении трансформатора в %; uкз - напряжение короткого замыкания, %;  - падение напряжения на активном сопротивлении трансформатора, %.

Активные и индуктивные сопротивления обмоток трансформатора сведены  в табл. 5.1.

Таблица 5.1.

Активное сопротивление обмотки ВН RТВ, Ом

0,6

Активное сопротивление обмотки СН RТС, Ом

0,6

Активное сопротивление обмотки НН RТН, Ом

0,6

Индуктивное сопротивление обмотки ВН xТВ, Ом

25

Индуктивное сопротивление обмотки СН xТС, Ом

0

Индуктивное сопротивление обмотки НН xТН, Ом

15,3


Сопротивление системы находится по формуле (5.1).

xсi = xCi∙U2б.ном / Sп/ст ,                                                                (5.1)

где xCi - сопротивление системы в относительных единицах (по заданию);

Uб.ном - номинальное базисное напряжение (115 кВ).

xс1 = 1,1∙1152∙106 / 88,8∙106 = 163,7 Ом.

xс2 = 0,7∙1152∙106 / 88,8∙106 = 104,3Ом.

Напряжение системы: Uс1 = Uс2 = 115 кВ.

Активное суммарное сопротивление ЛЭП:

Rлi = Rлi∙ Rлi / Rлi+ Rлi = Rлi/2 ,                                                (5.2)

Rл1∑ = 1,4 / 2 = 0,7 Ом.

Rл2∑ = 0,7 / 2 = 0,35 Ом.

Индуктивное суммарное сопротивление ЛЭП:

xлi = xлi / 2 ,                                                                             (5.3)

xл1∑ = 4,8 / 2 = 2,4 Ом.

xл2∑ = 2,4 / 2 = 1,2 Ом.

Схема замещения примет вид (рис.5.2).

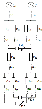
Рис. 5.1. Схема замещения

Рис. 5.2. Схема замещения

Рассмотрим расчет тока КЗ в точке К-1.

Схема замещения представлена на рис.5.3.

С помощью вычислений преобразуем схему к простейшему виду (рис.5.3).

x1 = xс1 + xл1∑ = 163,7 + 2,4 = 166,1 Ом.

Uс = Uс1 = Uс2 = 115 кВ.

x = x1∙ x2/ x1+x2 =166,1∙105,5/166,1+105,5 = 64,5 Ом.

R = Rл1∑∙ Rл2∑/ Rл1∑+Rл2∑ = 0,7∙0,35/0,7+0,35 = 0,23 Ом.

Z =  = = 64,5 Ом.

Рис. 5.3. Преобразование схемы замещения

Ток КЗ в точке К-1 находится по формуле (5.4).

Iк1(3) = Uс/Z,                                                                           (5.4)

где Uс и Z - найденные ранее значения, напряжение сети и суммарное сопротивление до точки КЗ.

Iк1(3) = 115∙103/64,5 = 1,78 кА.

Постоянная времени затухания апериодической составляющей:

Та1 = x / ω ∙ R,                                                                    (5.5)

где xи R - индуктивная и активная составляющие результирующего сопротивления расчетной схемы относительно точки КЗ;

ω - угловая частота напряжения сети.

Та1 = 64,5 / 314 ∙ 0,23= 0,89.

Ударный коэффициент:

kуд1 = 1 + ,                                                                       (5.6)

уд1 = 1,89.

Ударный ток:

iуд1 =  ∙ kуд1 ∙ Iк1(3) ,                                                             (5.7)

iуд1 = 1,4 ∙ 1,89 ∙ 1,78 = 4,7 кА.

Дальнейший расчет токов КЗ для точек К-2 и К-3 производится аналогичным образом, полученные результаты сведены в табл.5.2.

Таблица 5.2. Расчет токов короткого замыкания

Точка КЗ

Uс, кВ

R, Ом

x, Ом

Z, Ом

Iкi(3), кА

Таi

kудi

iудi, кА

К-1

115

0,23

64,5

64,5

1,78

0,89

1,89

4,7

К-2

115

0,27

73,7

73,8

1,6

0,87

1,89

4,2

К-3

115

0,27

79,4

79,5

1,44

0,93

1,99

4,0


6. Выбор оборудования

Рассчитаем максимальные токи, протекающие в цепях ВН, СН и НН.

1.      ВН:

Расчетный максимальный ток:

Iрmax = Sп/ст / 2 ∙ Uн ,                                                          (6.1)

Iрmax = 88,8 ∙ 106 / 2 ∙ 110 ∙ 103 = 233 А.

Расчетный максимальный ток, протекающий по двухцепным линиям, в два раза меньше: Iрmax.в.л = 116,5 А.

2.      СН:

Расчетный максимальный ток СН находим по формуле (6.1):

Iрmax = 1278 А.

3.      НН:

Расчетный максимальный ток НН находим по формуле (6.1):

Iрmax = 1229 А.

Расчетный максимальный ток НН на отходящих линиях рассчитывается без учета мощность собственных нужд:

Iрmax.н.с = 988 А.

.1 Выбор силовых выключателей

Выключатель - это коммутационный аппарат, предназначенный для включения и отключения тока [4].

Выключатель является основным аппаратом в электрических установках, он служит для отключения и включения в цепи в любых режимах: длительная нагрузка, перегрузка, короткое замыкание, холостой ход, несинхронная работа. Наиболее тяжелой и ответственной операцией является отключение токов КЗ и включение на существующее короткое замыкание.

Согласно рассчитанным значениям максимальных токов, протекающих по двухцепным линиям и линиям, подходящим к трансформаторам, к установке принимаем выключатели наружного исполнения ВМТ - 110Б - 20/1000 [5]. Условия выбора, данные аппарата и сети сведем в табл. 6.1.

Найдем интеграл Джоуля (по формуле (6.2)).

Bк = (Iк1(3))2 ∙ (tРЗ + tоткл.в. + Tа1) ,                                              (6.2)

где tРЗ - время включения релейной защиты (0,1с),

tоткл.в. - время отключения выключателя (с), [5],

Iк1(3) и Tа1 - значения взяты из пункта 5.

Bк = 1,782 ∙ (0,1 + 0,05 + 0,89) = 3,3 кА2 ∙ с .

Таблица 6.1. Выбор выключателей на ВН

Место установки

Тип оборудования

Условия выбора

Данные аппарата

Данные сети

Q1 - Q3

ВМТ - 110Б - 20/1000

Uном≥Uсети  Iном≥Iрmax   Iоткл. н.≥ Iкi(3)  I2тер. ∙ tтер ≥ Bк  iдин≥iуд

Uном = 110 кВ Iном = 1000 А Iоткл. н. = 20 кА  I2тер. tтер=1200кА2 ∙ с iдин = 52 кА

Uсети = 110 кВ  Iрmax = 233 А Iкi(3) = 1,78 кА  Bк = 3,3 кА2 ∙ с iуд = 4,7 кА


Выберем выключатели на СН.

На данном напряжении к установке принимаем выключатели наружного исполнения ВВУ - 35 - 40/2000 [5].

Интеграл Джоуля рассчитаем по формуле (6.2). Условия выбора, данные аппарата и сети сведем в табл. 6.2.

Таблица 6.2. Выбор выключателей на СН

Место установки

Тип оборудования

Условия выбора

Данные аппарата

Данные сети

Q4 - Q6

ВВУ - 35 - 40/2000

Uном≥Uсети Iном≥Iрmax Iоткл. н.≥ Iкi(3) I2тер. ∙ tтер ≥ Bк iдин≥iуд

Uном = 35 кВ Iном = 2000 А Iоткл. н. = 40 кА  I2тер. ∙ tтер=6400кА2 с iдин = 100 кА

Uсети = 35 кВ Iрmax = 1278 А Iкi(3) = 1,6 кА Bк =2,6кА2 ∙ с iуд = 4,2 кА


Выберем выключатели СН на отходящих линиях.

Максимальный расчетный ток на отходящих линиях находится по формуле (6.3).

Iрmax.с.л = Iрmax/ 7 ,                                                                     (6.3)

Iрmax.с.л = 182,6 А.

На данном напряжении к установке принимаем выключатели наружного исполнения С - 35М - 630 - 10 [5].

Условия выбора, данные аппарата и сети сведем в табл. 6.3.

Таблица 6.3. Выбор выключателей на отходящих линиях СН

Место установки

Тип оборудования

Условия выбора

Данные аппарата

Данные сети

Q7 - Q13

С - 35М - 630 - 10

Uном≥Uсети Iном≥Iрmax Iоткл. н.≥ Iкi(3) I2тер. ∙ tтер ≥ Bк iдин≥iуд

Uном = 35 кВ Iном = 630 А Iоткл. н. = 10 кА I2тер. ∙ tтер=300кА2с iдин = 26 кА

Uсети = 35 кВ Iрmax =182,6 А Iкi(3) = 4,3 кА Bк = 0,46 кА2 с iуд = 4,2 кА


Выберем выключатели на НН.

На данном напряжении к установке принимаем выключатели внутреннего исполнения ВЭ - 10 - 1600/40 [4].

Условия выбора, данные аппарата и сети сведем в табл. 6.4.

Таблица 6.4. Выбор выключателей на НН

Место установки

Тип оборудования

Условия выбора

Данные аппарата

Данные сети

Q14 , Q19 ,Q25

ВЭ - 10 - 1600 - 40

Uном≥Uсети Iном≥Iрmax Iоткл. н.≥ Iкi(3) I2тер. ∙ tтер ≥ Bк iдин≥iуд

Uном = 10 кВ Iном = 1600 А Iоткл. н. = 40 кА I2тер. ∙ tтер=6400кА2 с iдин = 128 кА

Uсети = 10 кВ Iрmax =1229 А Iкi(3) = 1,44 кА Bк = 0,46 кА2с iуд = 4,0 кА


Выберем выключатели НН на отходящих линиях.

Максимальный расчетный ток на отходящих линиях находится по формуле (6.4).

Iрmaxс л = Iрmax.н.с / 9 ,                                                                 (6.4)

Iрmax.с.л = 109,7 А.

На данном напряжении к установке принимаем выключатели внутреннего исполнения ВЭВ - 10 - 630/16 [5].

Условия выбора, данные аппарата и сети сведем в табл. 6.5.

Таблица 6.5. Выбор выключателей на отходящих линиях НН

Место установки

Тип оборудования

Условия выбора

Данные аппарата

Данные сети

Q15 - Q18 , Q20 - Q24

ВЭВ - 10 - 630/16

Uном≥Uсети Iном≥Iрmax Iоткл. н.≥ Iкi(3) I2тер. ∙ tтер ≥ Bк iдин≥iуд

Uном = 10 кВ Iном = 630 А Iоткл. н. = 16 кА I2тер. ∙ tтер=1024кА2 ∙ с iдин = 41 кА

Uсети = 10 кВ Iрmax =109,7 А Iкi(3) = 1,44 кА Bк = 0,46 кА2 с iуд = 4,0 кА


Выбранные выключатели удовлетворяют всем заданным условиям.

6.2 Выбор разъединителей

Разъединитель - это контактный коммутационный аппарат, предназначенный для отключения и включения электрической цепи без тока или с незначительным током, который для обеспечения безопасности имеет между контактами в отключенном положении изоляционный промежуток.

1.      Выберем разъединители на ВН.

Согласно рассчитанным значениям максимальных токов, протекающих по двухцепным линиям и линиям, подходящим к трансформаторам, к установке принимаем разъединители наружного исполнения РНД - 110 - 1000 [5].

Выбор осуществляется аналогичным образом, как для выключателей.

Условия выбора, данные аппарата и сети сведем в табл. 6.6.

Таблица 6.6. Выбор разъединителей на ВН

Тип оборудования

Условия выбора

Данные аппарата

Данные сети

РНД - 110/1000

Uном≥Uсети Iном≥Iрmax I2тер. ∙ tтер ≥ Bк iдин≥iуд

Uном = 110 кВ Iном = 1000 А I2тер. ∙ tтер=2976,8кА2 ∙ с iдин = 80 кА

Uсети = 110 кВ Iрmax = 233 А  Bк = 3,3кА2 ∙ с iуд = 4,7 кА


2.      Выберем разъединители на СН.

На данном напряжении к установке принимаем разъединители наружного исполнения РНД - 35/2000 [5].

Условия выбора, данные аппарата и сети сведем в табл. 6.7.

Таблица 6.7. Выбор разъединителей на СН

Тип оборудования

Условия выбора

Данные аппарата

Данные сети

РНД - 35/2000

Uном≥Uсети Iном≥Iрmax  I2тер. ∙ tтер ≥ Bк iдин≥iуд

Uном = 35 кВ Iном = 2000 А I2тер. ∙ tтер=2976,8кА2 ∙ с iдин = 80 кА

Uсети = 35 кВ Iрmax = 1278 А Bк = 2,6 кА2 ∙ с iуд = 4,2 кА

Выберем разъединители СН на отходящих линиях.

На данном напряжении к установке принимаем выключатели наружного исполнения РНД - 35/1000 [5].

Условия выбора, данные аппарата и сети сведем в табл. 6.8.

Таблица 6.8. Выбор разъединителей на отходящих линиях СН

Тип оборудования

Условия выбора

Данные аппарата

Данные сети

РНД - 35/1000

Uном≥Uсети Iном≥Iрmax  I2тер. ∙ tтер ≥ Bк iдин≥iуд

Uном = 35 кВ Iном = 1000 А  I2тер. ∙ tтер=1875кА2 ∙ с iдин = 63 кА

Uсети = 35 кВ Iрmax = 182,6 А Bк = 0,46 кА2 ∙ с iуд = 4,2 кА


Выбранные разъединители удовлетворяют всем заданным условиям.

.3 Выбор трансформаторов тока

Трансформатор тока предназначен для уменьшения первичного тока до значений, наиболее удобных для измерительных приборов и реле, а также для отделения цепей измерения и защиты от первичных цепей высокого напряжения [4].

Выбор трансформаторов тока на ВН.

К установке принимаем трансформаторов тока наружного исполнения ТФЗМ110Б - II [5]. Условия выбора, данные аппарата и сети сведем в табл. 6.9.

Таблица 6.9. Выбор трансформаторов тока на ВН

Место установки

Тип оборудования

Условия выбора

Данные аппарата

Данные сети

TA1, TA2

ТФЗМ110Б - II

Класс точности - 0,5 Uном≥Uсети Iном≥Iрmax  I2тер. ∙ tтер ≥ Bк iдин≥iуд

Uном = 110 кВ Iном = 750 А I2тер. ∙ tтер=3468кА2 с iдин = 100 кА

Uсети = 110 кВ Iрmax = 233 А Bк = 01,78 кА2 с iуд = 4,7 кА

Выбор трансформаторов тока на CН.

К установке принимаем трансформаторов тока наружного исполнения ТФЗМ35Б - I [5]. Условия выбора, данные аппарата и сети сведем в табл. 6.10.

Таблица 6.10. Выбор трансформаторов тока на CН

Место установки

Тип оборудования

Условия выбора

Данные аппарата

Данные сети

TA3 - TA7

ТФЗМ35Б - I

Класс точности - 0,5 Uном≥Uсети Iном≥Iрmax I2тер. ∙ tтер ≥ Bк iдин≥iуд

Uном = 35 кВ Iном = 1500А I2тер. ∙ tтер=3675кА2 ∙ с iдин = 70 кА

Uсети = 35 кВ Iрmax = 1278 А Bк = 2,6 кА2 ∙ с iуд = 4,2 кА


Выбор трансформаторов тока на НН.

К установке принимаем трансформаторов тока внутреннего исполнения ТЛМ - 6 [5]. Условия выбора, данные аппарата и сети сведем в табл. 6.11.

Таблица 6.11. Выбор трансформаторов тока на НН

Место установки

Тип оборудования

Условия выбора

Данные аппарата

Данные сети

TA8

ТЛМ - 10

Класс точности - 0,5 Uном≥Uсети Iном≥Iрmax  I2тер. ∙ tтер ≥ Bк iдин≥iуд

Uном = 10 кВ Iном = 1500 А I2тер. ∙ tтер=3267кА2 ∙с iдин = 100 кА

Uсети = 10 кВ Iрmax = 1229 А Bк = 0,46 кА2 с iуд = 4,0 кА


Выбранные трансформаторы тока удовлетворяют всем заданным условиям.

.4 Выбор трансформаторов напряжения

Трансформаторы напряжения предназначены для понижения высокого напряжения до стандартного значения 100 или 100 В и для отделения цепей измерения и релейной защиты от первичных цепей высокого напряжения.

Выбор трансформаторов напряжения на ВН.

К установке принимаем трансформаторов напряжения наружного исполнения НКФ - 110 - 58 [5]. Условия выбора, данные аппарата и сети сведем в табл. 6.12.

Таблица 6.12. Выбор трансформаторов напряжения на ВН

Место установки

Тип оборудования

Условия выбора

Данные аппарата

Данные сети

TV1 , TV2

НКФ - 110 - 58

Uном≥Uсети

Uном = 110/кВ

Uсети = 110 кВ


Выбор трансформаторов напряжения на СН.

К установке принимаем трансформаторов напряжения наружного исполнения ЗНОМ - 35 - 65 [5]. Условия выбора, данные аппарата и сети сведем в табл. 6.13.

Таблица 6.13. Выбор трансформаторов напряжения на СН

Место установки

Тип оборудования

Условия выбора

Данные аппарата

Данные сети

TV3 , TV4

ЗНОМ - 35 - 65

Uном≥Uсети

Uном = 35/ кВ

Uсети = 35 кВ


Выбор трансформаторов напряжения на НН.

К установке принимаем трансформаторов напряжения внутреннего исполнения ЗНОЛ.09 - 6 [5]. Условия выбора, данные аппарата и сети сведем в табл. 6.14.

Таблица 6.14. Выбор трансформаторов напряжения на НН

Место установки

Тип оборудования

Условия выбора

Данные аппарата

Данные сети

TV5 , TV6

ЗНОЛ - 10

Uном≥Uсети

Uном = 10/ кВ

Uсети = 10 кВ


Выбранные трансформаторы напряжения удовлетворяют всем заданным условиям.

Заключение

Произведен расчет трансформаторной подстанции 110/35/10 кВ. В ходе работы была рассчитана мощность каждого из потребителей, а также суммарная мощность всей подстанции с учетом мощности собственных нужд; были выбраны силовые трансформаторы и схема их соединений, которая является дешевой и наиболее надежной.

Из расчетов токов КЗ, в наиболее тяжелом режиме, был произведен выбор основного оборудования подстанции: силовых выключателей, разъединителей, трансформаторов тока и напряжения. Выбранное оборудование соответствует всем параметрам подстанции и удовлетворяет условиям выбора.

Список использованных источников


1.  Правила устройства электроустановок. [Текст]. Все действующие разделы ПУЭ - 6 и ПУЭ - 7, с изм. и доп., по состоянию на 15 августа 2005 г. - Новосибирск: Сиб. унив. изд-во, 2005. - 854 с., ил.

2.      Справочник по электроснабжению промышленных предприятий. [Текст]. В 2-х кн. /Под общ. ред. А.А. Федорова и Г.В. Сербиновского. Кн.2. Технические сведения об оборудовании. М.: «Энергия», 1973. - 528 с. с ил.

.        Справочник по электротехнике электрооборудованию [Текст]: Учеб. пособие для вузов. - 2-е изд., доп. - М.: Высш. Шк., 2000. - 255 с., ил.

.        Электрооборудование электрических станций и подстанций [Текст]: Учебник. / А.Д. Рожкова, Л.К. Карнеева, Т.В. Чиркова. - М.: Издательский центр « Академия», 2004. - 448 с.

.        Электротехнический справочник [Текст]. В 4 т. Т 2.Электротехнические изделия и устройства. / Под общей ред. профессоров МЭИ. В.Г. Герасимова и др. (гл. ред. И.Н. Орлов). - 9-е изд., стер. - М.: Издательство МЭИ., 2003. - 518 с.

. РД 34.20.185-94. Инструкция по проектированию городских электрических сетей. - М.: Эиергоатомиздат, 1995 (с изменениями и дополнениями 1999 года).

. Цигельман И.Е. Электроснабжение гражданских зданий и коммунальных предприятий. М. Высшая школа, 1988г.

. РД 34.20.185-94. Инструкция по проектированию городских электрических сетей. - М.: Эиергоатомиздат, 1995 (с изменениями и дополнениями 1999 года).

. Б.Ю. Липкин. Электроснабжение промышленных предприятий и установок. М.: Высшая школа. 1990.

. Постников Н.П., Рубашов Г.М. Электроснабжение промышленных предприятий. Л. Стройиздат ,1989 г.

11. В.П. Шеховцов. Расчет и проектирование схем электроснабжения. Методическое пособие для курсового проектирования. М. «Форум», 1993.- 216 стр.

12. Карпов Ф.Ф. Козлов В.Н. Справочник по расчету проводов и кабелей. М. Энергия.1985г.

. Дьяков В.И. Типовые расчеты по электрооборудованию. М. Высшая школа. 1985г.

. Справочник по проектированию электрических сетей и электрооборудования. Под редакцией Барыбина Ю.Г., Федорова Л.Е., Зименкова М.Г. М. Энергоатомиздат. 1991г.

. Указания по расчету электрических нагрузок. РТМ 36.18.32.4-92*. М.. 1992.

. Коновалова Л.Л., Рожкова Л.Д. Электроснабжение промышленных предприятий и установок. М.Энергоатомиздат,1989 г.

. Постников Н.П., Петрушенко Г.В., Максимова Г.Г., Монтаж электрооборудования промышленных предприятий. Курсовое и дипломное проектирование .Л. Стройиздат.1991г.

. Киреева Э.А., Орлов В.В., Старкова Л.Е. Электроснабжение цехов промышленных предприятий. Библиотечка электротехника. Приложение к журналу «Энергетик». Выпуск 12(60).М.-2003.

Похожие работы на - Проектирование районной подстанции

 

Не нашли материал для своей работы?
Поможем написать уникальную работу
Без плагиата!
Без нейросетей!