Цифровые системы передачи

  • Вид работы:
    Контрольная работа
  • Предмет:
    Информатика, ВТ, телекоммуникации
  • Язык:
    Русский
    ,
    Формат файла:
    MS Word
    299,43 Кб
  • Опубликовано:
    2015-03-15
Вы можете узнать стоимость помощи в написании студенческой работы.
Помощь в написании работы, которую точно примут!

Цифровые системы передачи













Контрольная работа

Цифровые системы передачи

Задание

Объединяются 200 каналов тональной частоты и 3 канала звукового вещания высшего класса в системе передачи с временным разделением каналов и 8-ми разрядной кодово-импульсной модуляцией. Рассчитать временные и частотные характеристики, нарисовать структурную схему объединения и разделения каналов с учетом плезиохронной цифровой иерархии. Изобразить временные и спектральные характеристики сигналов в различных точках тракта с указанием рассчитанных значений длительности, периода следования импульсов и частот.

Полученным цифровым потоком загрузить синхронный транспортный модуль. Изобразить многоступенчатую схему загрузки с указанием блоков, скоростей объединяемых потоков, формирование указателей и заголовков трактов. Привести необходимые пояснения.

Задание 1

частота синхронный модуль дискретизация

Рассчитать частоты дискретизации для каналов ТЧ и звукового вещания. Частота дискретизации для сигнала звукового вещания выбирается из условия его передачи в аппаратуре ИКМ-30. Определить общее число каналов. Рассчитать периоды дискретизации для каналов ТЧ и ЗВ, время, отводимое на канальный интервал и изобразить распределение каналов в ИКМ-30.

Решение

Передача канала тональной частоты предусматривает передачу речи в диапазоне частот 0.3 - 3.4 кГц. Согласно теореме Котельникова, выбор частоты дискретизации сигнала должен соответствовать следующему критерию:

любой сигнал, имеющий непрерывный спектр, ограниченный частотой Fв, может быть представлен в виде отсчетов на передаче и затем восстановлен на приеме со сколь угодно малой погрешностью, если частота отсчетов (частота дискретизации Fд) больше либо равна 2 Fв.

Fд ≥ 2Fв

В данном случае, для канала тональной частоты, частота дискретизации должна быть более или равна 6.8 кГц. В реальных системах передачи она равна 8 кГц.

Период дискретизации рассчитывается из соотношения:


С учетом того, что КТЧ будут передаваться в системе передачи ИКМ-30, то для формирования цикла передачи данной системы понадобится 30 КТЧ. Для передачи заданного 200 КТЧ понадобится использование 7 систем передачи (10 каналов останутся не загруженными).

Кроме информационных каналов, в системе ИКМ-30 используется 2 служебных канала. Тактовая частота передачи такой системы рассчитывается:


где m - число разрядов кода, для одного канала ТЧ.

Определим tки - время отводимо на канальный интервал:


Передача канала Звукового вещания высшего класса предусматривает передачу речи, музыки и т.д. в диапазоне частот 0.03 - 15 кГц. Согласно теореме Котельникова, выбор частоты дискретизации сигнала должен соответствовать критериюFд ≥ 2Fв.

В таком случае, для канала звуковоговещания, частота дискретизации должна быть более или равна 30 кГц. В нашем случае примем ее равной 32 кГц (кратной 8).

Период дискретизации рассчитывается из соотношения:


Таким образом, для передачи 1 канала звукового вещания понадобится 4 канала тональной частоты. Для передачи заданных 3 каналов ЗВ - 1 поток 2048 кБит/с.

Рассчитаем время, отводимое на один канальный интервал

Тки = Тд.тч/ NΣ = 125 / 32 = 3,90625 мкс

где NΣ = 32 общее число канальных интервалов в аппаратуре ИКМ-30

При этом отсчёты сигнала ЗВ должны быть расположены через определённое число канальных интервалов

М ки/зв = Тд.зв / Тки = 31,25/ 3,906 ≈ 8

Отсчеты должны располагаться через восемь телефонных каналов аппаратуры ИКМ-30.

Рисунок 1 - Распределение каналов в ИКМ-30

Цикл делится на 32 канальных интервала длительностью 3,906 мкс, 30 из которых отводятся под передачу сигналов ТЧ (канальные интервалы КИ1-КИ15, КИ17-КИ31), канальные интервалы КИ0 и КИ16 отводятся для передачи служебной информации.

Задание 2

Рассчитать и изобразить иерархическую структуру ПЦИ для своего варианта. Определить количество систем передачи первого, второй и т.д. уровней иерархии. Рассчитать скорости для каждого иерархического уровня и пояснить назначение служебных каналов.

Решение

Для передачи 200 КТЧ и 3 каналов ЗВ необходимо использовать 8 потоков Е1. Согласно плезиохронной иерархии (таблица 1), 8 Е1 можно объединить в 2 Е2 (2 ИКМ-120), скоростью передачи 8448 кбит/с.

Таблица 1 - Сигналы плезиохронной иерархии

Ступени иерархии ЦСП

Условное обозначение

Скорость передачи, кбит/с

Количество каналов ТЧ

Аппаратура ЦСП

первичная

ПЦП

2048

30

ИКМ-30

вторичная

ВЦП

8448

30´4 =120

ИКМ-120

третичная

ТЦП

34 368

120´4 =480

ИКМ-480

четверичная

ЧЦП

139 262

480´4 =1920

ИКМ-1920



Задание 3

Изобразить подробную структурную схему объединения и разделения каналов (ИКМ-30) для совместной передачи сигналов в ТЧ и ЗВ. Привести пояснения принципа работы всех блоков и расчетов временных характеристик сигналов на выходе каждого блока. Изобразить временные - характеристики сигналов во всех точках тракта с указанием рассчитанных значений длительностей, периодов следования импульсов и частот.

Решение

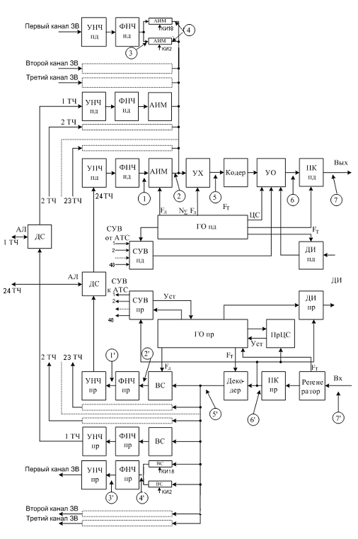
Подробная структурная схема объединения и разделения каналов (ИКМ-30) для совместной передачи сигналов ТЧ и ЗВ приведена на рисунке 3. В одном комплекте ИКМ-30 можно передать не более трёх программ ЗВ.

Передающая сторона

ДС - дифференциальная система для перехода от двухпроводной абонентской линии к четырехпроводному каналу.

ФНЧпд - фильтр нижних частот ограничивает по спектру (F = 3,4 кГц для ТЧ или F = 6,4 кГц для ЗВ) сигнал для устранения помех на приеме от нижней боковой частоты.

АИМ - модулятор, в котором аналоговый сигнал дискретизируется по времени. На ее выходе формируются АИМ отсчеты с частотой дискретизации. С выходов модуляторов сигналы объединяются в групповой АИМ сигнал. Частота следования импульсов

FгрАИМ = NΣ x FД = 32 х 8 = 256 кГц

УХ - устройство хранения, в котором АИМ сигналы затягиваются на канальный интервал: ТКИ = ТД / NΣ = 125 / 32 = 3,906 мкс

Кодер - кодирующие устройство, в котором осуществляется преобразование АИМ сигналов в восьмиразрядные кодовые комбинации. Каждый разряд занимает во времени один тактовый интервал равный

Т =m Тд / N = 8 ∙ 125/32 = 488 нс

Тактовая частота одного канала

= 8 ∙ 8 = 64 кГц

УО - устройство объединения. В нем в цикл передачи вводятся дополнительные сигналы - сигналы цикловой и сверхцикловой синхронизации, сигналы управления и взаимодействия (СУВ), предаваемые по телефонным каналам для управления приборами АТС и сигналы передачи дискретной информации. Сигналы СУВ от АТС поступают на передающее устройство СУВпд, где преобразуются в цифровую форму. Поскольку для каждого канала ТЧ используется два сигнальных канала СУВ, то в данном случае их потребуется 48.

ПКпд - преобразователь кода передающий стороны служит для преобразования однополярного двоичного сигнала, параметры которого не согласуются с параметрами соединительной линии, в балансный двуполярный код (код с чередующейся полярностью импульсов).


Структурная схема ИКМ-30

 

Приемная сторона

Регенератор - восстановление амплитуды, длительности и периода следования искаженного цифрового сигнала.

ПКпр - преобразователь кода, восстанавливающий униполярный цифровой сигнал.

ПрЦС - приемник синхросигнала, в котором выделяются сигналы цикловой и сверхцикловой синхронизации, управляющие работой генераторного оборудования на приемной стороне (ГОпр), а также сигналы СУВ и сигналы дискретной информации, которые поступают соответственно на СУВпр и ДИпр.

Декодер - декодирует восьмиразрядные кодовые группы отдельных каналов. На выходе декодера формируется групповой АИМ сигнал

ВС - временные селекторы, выделяющие из группового АИМ сигнала АИМ отсчеты соответствующих каналов.

ФНЧпр - фильтр нижних частот, восстанавливающий из АИМ сигнала исходный аналоговый сигнал., который усиливается в УНЧпр и через дифференциальную систему поступает к абоненту.

ГОпд и ГОпр - генераторное оборудование на передающей и приемной стороне, управляющее работой всех узлов оконченного оборудования. В нем формируются необходимые импульсные последовательности с частотами тактовой, кодовых групп, циклов (дискретизации), сверхциклов и др.

Временные и спектральные характеристики сигналов в отмеченных на рисунке 3 точках тракта с указанием рассчитанных значений длительностей, периодов следования импульсов и их частот приведены на рисунке 4.

Временные диаграммы работы оборудования

Задание 4

Полученными для ПЦИ цифровыми потоками произвести загрузку синхронного транспортного модуля. Изобразить многоступенчатую схему загрузки с указанием блоков, скоростей потоков. Привести описание структуры и назначения байт всех блоков, рассчитать скорости на выходе каждого блока. Пояснить назначение заголовков, указателей.

Решение

Полученные нами 2 потока Е2 можно загрузить в синхронный транспортный модуль СТМ-1. Так как загрузка потока Е2 не предусмотрена в синхронной цифровой иерархии, то для загрузки потоков в SТМ-1 мы можем воспользоваться двумя вариантами: поставить систему передачи формирующую из 2 Е2 поток Е3 или поставить стойку СВВГ и расформировать поток Е2 на Е1. Воспользуемся первым способом.

Для формирования SТМ-1 из потока Е3 используется следующая структура мультиплексирования:

Структура мультиплексирования SТМ-1

Приведем описание структуры мультиплексирования:

С3 - КОНТЕЙНЕР. В блок производится загрузка плезиохронного потока Е3. Структура контейнера представляется матрицей полезной нагрузки, состоящей из 9 строк и 84 столбцов и имеющей протяженность 125 мкс. Структура матрицы представлена тремя подкадрами с тремя строками в подкадре. Каждый подкадр содержит:

1431 информационный бит i;

5 групп по 2 бита для сообщения о выравнивании скоростей (С1, С2);

2 бита для выравнивания скоростей: (SI, S2);

573 бита балластной загрузки (R).

Структура контейнера C-3

VC 3 ВИРТУАЛЬНЫЙ КОНТЕЙНЕР (VIRTUAL CONTAINER);

Виртуальный контейнер VC3 - это структура, получаемая посредством присоединения к контейнеру СЗ столбца (9 байт), называемого трактовым заголовком (Path Overhead, POH).

Структура виртуального контейнера VC3

J1 - индикатор тракта, используемый для циклической передачи сверхцикла из 16 байтов, из которых первый содержит код контроля CRC7*, а оставшиеся 15 используются для кодирования идентификатора тракта;

В3 - байт, используемый для оценки вероятности ошибки по коду BIP-8 (вычисляется из предшествующего цикла передачи VC);

С2 - байт, называемый сигнальной меткой и используемый как индикатор заполнения VC3:

= VC3 не заполнен;

= VC3 заполнен;

G1 - (Path Status) - байт контроля состояния тракта, используемый для передачи информации об ошибке или аварии на дальнем конце; его структура:

FEBE

ATL

Не используются

1

2

3

4

5

6

7

8


F2 - байт пользователя;

H4 - байт-указатель мультикадра;

Z3 - байт пользователя;

Z4 - байт, которому можно найти применение;

Z5 - байт, используемый для целей эксплуатации.

- TU 3 ТРАНСПОРТНЫЙ БЛОК (TRIBUTARY UNIT);

Транспортный блок TU3 состоит из 9 строк и 86 столбцов. Он формируется добавлением к структуре виртуального контейнера VC3 байтов Н1, Н2, Н3 и 5 балластных байт. Чтобы определить начало контейнера VC3 внутри матрицы TU3, используются байты, обозначенные аббревиатурами HI и Н2, которые несут в себе величину указателя транспортного блока (TUOH). Байты транспортный блок TU3 нумеруются от 0 до 764 и 0 байт следует за байтом Н3, используемого при отрицательном согласовании скоростей.

Структура блока TU3

- TUG 3 ГРУППА ТРАНСПОРТНЫХ БЛОКОВ (TRIBUTARY UNIT GROUP);

- VC 4 ВИРТУАЛЬНЫЙ КОНТЕЙНЕР (VIRTUAL CONTAINER);

VC 4 получается побайтным мультиплексированием 3 TUG 3 и добавлением трактового заголовка из 9 байт с балластными символами. Значение трактового заголовка аналогичны VC 3. Емкость структуры получается 261 байт.

Побайтное мультиплексирование структуры VC-4

- AU 4 АДМИНИСТРАТИВНЫЙБЛОК (ADMINISTRATIVE UNIT);

Административный блок AU4 - это структура, в которую помещается, сформированный предварительно, виртуальный контейнер VC4. Данная структура состоит из:

матрицы полезной нагрузки (PAYLOAD), состоящей из 261 столбца и 9 строк, т.е. из 2349 байтов, которыми являются байты VC4;

служебная емкость, называемая заголовком административного блока (Administrative Unit Overhead, AUOH) и состоящая из 9 байт, последовательно присоединяемых к четвертой строке матрицы полезной нагрузки.

Структура административного блока AU4

Структура заголовка административного блока AU4 состоит из:

H1 и H2 - указатель блока AU4;   - отрицательное выравнивание скоростей;

Y       - загружено числа 1 О О 1 n n 1 1;

U - загрузка числа 11111111.

Указатель блока AU4

Функции указателя определяются байтами HI и Н2.

Указатель состоит из 10 бит; десятеричное значение записанного в указателе числа указывает на начало виртуального контейнера VC4 внутри административного блока AU4. Эти 10 бит могут выражать числа от 0 до 1023. Поскольку вся матрица полезной нагрузки блока AU4 состоит из 2349 байтов, то указатель не в состоянии отразить все номера байтов, поэтому всю матрицу нагрузкиделят на группы по 3 байта, т.е. на триады.

Номер любой триады может быть легко отображен указателем.

Значения, допустимые для указателя, заключены в пределах от 0 до 782. Триаду байтов, следующую сразу же за байтом НЗ, обозначают байтом под номером 0. Так как триада под номером 0 расположена в начале 4 строки матрицы полезной нагрузки, то 783 триады располагаются в 2-х кадрах.

Флаг новых данных AU4

О возможных отклонениях начала контейнера VC4 внутри структуры AU4 сигнализирует флаг новых данных (New Data Flag, NDF). Он имеет структуру 0110.

Положительное и отрицательное выравнивание

3 байта указателя AUOH, образованные аббревиатурой НЗ и 3 байта, следующие сразу же за ними в строке матрицы полезной нагрузки, дают возможность осуществлять положительное и отрицательное выравнивание скоростей.

В случае, если необходимо произвести отрицательное выравнивание, то инвертируются биты, отмеченные буквой D. Одновременно 3 байта НЗ заполняются информационными битами. В следующем кадре величина указателя уменьшается на единицу.

В случае, если необходимо произвести положительное выравнивание, то инвертируются биты, отмеченные буквой I. Одновременно 0 триада заполняются балластными битами. В следующем кадре величина указателя увеличивается на 1.

Выравнивающие байты блока AU4

Биты D указателя в AU4

Биты I указателя AU4

- STM 1 СИНХРОННЫЙ ТРАНСПОРТНЫЙ МОДУЛЬ (SYNCHRONOUS TRANSPORT MODULE).

Синхронный транспортный модуль STM-1 состоит из полезной нагрузки (AU4) и служебных байтов, называемых секционным заголовком (SOH).

Секционный заголовок (SOH) содержит следующую информацию:

линейный синхросигнал;

информацию для оценки вероятности ошибки;

каналы передачи данных для автоматического обмена;

идентификатор секции;

каналы передачи данных для управляющей информации.

Структура STM-1 состоит из 9 строк и 270 столбцов и имеет протяженность 125 мкс.

Структура транспортного модуля STM-1

Секционный заголовок делится на две части:

RSOH - заголовок регенерационной секции, состоящий из 27 байтов;

MSOH - заголовок секции мультиплексирования, состоящий из 45 байтов.

В RSOH расположены следующие байты заголовка:

А1 - байты линейного синхросигнала: 11110110;

А2 - байты линейного синхросигнала: 00101000;

В1 - байт контрольной суммы, подсчитанной по всему предыдущему кадру STM-1;

JO - идентификатор структуры STM-1 в кадре STM-N;

Dl, D2, D3 - байты, используемые как каналы передачи данных со скоростью 192

Кбит/с (3 х 64 Кбит/с) для передачи управляющей информации;

El - байт для организации речевого служебного канала;

F1 - байт для организации канала управления;

М - байт для специального использования (например в Ponti Radio как служебный канал для управления изменениями конфигурации п+1);

* - резервный байт для будущих стандартов;

Х - байты для национального использования.

В MSOH расположены следующие байты заголовка:

B2 - байты контрольной суммы, подсчитанной по предыдущему кадру STM-1 за исключением байтов SOH в строках 1, 2 и 3;

D4 - D12 - байты для организации каналов передачи данных со скоростью 576 Кбит/с

(9 х 64 Кбит/с) для передачи управляющей информации;

E2 - байты для организации служебного речевого канала;

K1, K2 - каналы передачи данных для автоматического обмена;

Z1, Z2 - каналы передачи данных для будущих применений;

M1 - байт, используемый для указания ошибок на удаленном терминале (секция FEBE); подсчитывается по алгоритму BIP-24;

S1 - байт, используемый для указания типа синхронного сигнала STM-1;

* - резервный байт для будущих стандартов;

Х - байты для национального использования.

Рассчитаем скорости передачи всех блоков:

Е3 скорость 34 368 кбит/с

VC3: 9 строк х 85 столбца х 64 кбит/с = 48960 кбит/с

TU 3: 9 строк х 86 столбцов х 64 кбит/с = 49536 кбит/с

TUG 3: 9 строк х 86 столбцов х 64 кбит/с = 49536 кбит/с

VC4: 9 строк х 261 столбец х 64 кбит/с = 150336 кбит/с

AU4: (9 строк х 261 столбец + 9 байт) х 64 кбит/с = 150912 кбит/с

STM-1: 9 строк х 270 столбцов х 64 кбит/с = 155520 кбит/с


Заключение

В контрольной работе мы рассмотрели принципы формирования групповых сигналов, соответствующих синхронной и плезиохронной уровням иерархии. Для передачи 200 КТЧ и 3 каналов ЗВ нам потребовалось формировать 8 потоков Е1 со скоростью 2048 кбит/с и объединить их в 2 потока Е2. При передаче этих сигналов по синхронной цифровой сети было необходимо сформировать из 2 Е2 один поток Е3 и загрузить его в синхронный транспортный модуль.

Литература

1.  Баева Н.Н. Многоканальная электросвязь и РРЛ: Учебник для вузов. - М: Радио и связь, 1998. - 312 с.

2.  Зингеренко, Беава Н.Н. Системы многоканальной связи., 1980.

3. Попов Г.Н. Телекоммуникационные системы передачи. Учебное пособие 1 и 2 части. Новосибирск. - 2002 г.

Похожие работы на - Цифровые системы передачи

 

Не нашли материал для своей работы?
Поможем написать уникальную работу
Без плагиата!
Без нейросетей!