|
Телефонная аппаратура
|
, кОм ,
град
|
|
|
ППТ
|
40
|
20
|
Рассчитаем отношение
модулей сопротивления m при условии
:
m
=490/40000=0,01225
Разность углов волнового
сопротивления равна:
=
-
=
-41о-20о=-61о
Найдём затухание,
вносимое в телефонную цепь одним устройством, так как соблюдается условие
≥
10
:
ΔαПП=4,34m cos
=
4,34 ∙ 0,01225 ∙ cos-61о=0,026
Дб
I
круг
Найдём затухание,
вносимое в телефонную цепь всеми устройствами ППТ I круга: 0,026∙15=0,39
Дб
Найдём расстояние L0
между ПП, приращение километрического коэффициента Δα
и рассчитаем затухания α’телефонных
цепей на 1 км для I круга:
L0
=260/15=17,33
км
=0,39/17,33=0,0225 Дб/км
α’=
α +Δα=0,37+0,0225=0,3925 Дб
Умножим полученный
результат на длину линии и получим общее затухание А на круге:
=
α’∙ L
=0,3925∙260=83,2 Дб
II
круг
Найдём затухание,
вносимое в телефонную цепь всеми устройствами ППТ II круга: 0,026∙14=0,36
Дб
Найдём расстояние L0
между ПП, приращение километрического коэффициента Δα
и рассчитаем затухания α’телефонных
цепей на 1 км для II круга:
L0
=290/14=20,7
км
=0,39/20,7=0,019 Дб/км
α’=
α +Δα=0,37+0,019=0,39 Дб
Умножим полученный
результат на длину линии и получим общее затухание А на круге:
=
α’∙ L
=0,39∙290=113,1 Дб
III и IV круг
Т.к. пункт Е находится посередине
участка ВС, то протяженность III и IV кругов равна 350/2=175 км, и на каждом из
них соответственно по 10 ПП. Поэтому затухание на этих участках будет
одинаковым.
Найдём расстояние L0 между ПП,
приращение километрического коэффициента Δα
и рассчитаем затухания α’телефонных цепей на 1 км для III и IV круга:
L0
=175/10=17,5
км
=0,39/17,5=0,022 Дб/км
α’=
α +Δα=0,37+0,022=0,392 Дб
Умножим полученный
результат на длину линии и получим общее затухание А на круге:
=
α’∙ L
=0,392∙175=68,6 Дб
Предельное значение затухания
телефонной цепи диспетчерской связи 19дБ. Затухание цепи в пределах каждого из
кругов превышает это значение, поэтому необходимо использовать двусторонние
промежуточные усилители, расположив их равномерно по длинной цепи.
.3 Расчёт числа усилителей
Используем стандартные
усилители с усилением 9 дБ на частоте 800 Гц. Допускается не более 4
усилителей, т.к. усилители имеют положительную обратную связь и велика
вероятность возникновения самогенерации, поэтому необходимо установить
дополнительное переходное устройство, которое гальванически развязывает цепь.
Следовательно, до и после ПУ можно установить до 4 дуплексных усилителей.
Примем во внимание, что ПУ само по себе является усилителем на 11 дБ.
I
круг
Усиление S, которое
должны вносить усилители I круга:
=
-α0=83,2-19=64,2
дБ
где α0-остаточное
затухание телефонной цепи, равное 19 дБ.
Количество усилителей n
будет равно:
n=S/9=64,2/9≈8 усилителей
Чтобы избежать
самогенерации поставим вместо 5 усилителя дополнительное переходное устройство.
Найдём длину Lуч усилительного участка I круга:
=260/8+1=28,89 км
Найдём затухание αуч
усилительных участков:
αуч=
α’ Lуч=0,3925∙28,89=11,3 дБ
II
круг
Усиление S, которое
должны вносить усилители II круга:
=
-α0=113,1-19=94,1 дБ
Количество усилителей n будет равно:
n=S/9=94,1/9≈11 усилителей
Чтобы избежать самогенерации
поставим вместо 5 и 10 усилителей дополнительные переходные устройства. Найдём
длину Lуч усилительного участка II круга:
=290/11+1=24,17 км
Найдём затухание αуч
усилительных участков:
αуч=
α’ Lуч=0,39∙24,17=9,4 дБ
III
и IV круг
Усиление S, которое
должны вносить усилители III
и IV круга:
=
-α0=68,6-19=49,6
дБ
Количество усилителей n будет равно:
n=S/9=49,6 /9≈6 усилителей
Чтобы избежать
самогенерации поставим вместо 4 усилителя дополнительное переходное устройство.
Найдём длину Lуч усилительного участка III
и IV круга:
=175/6+1=25 км
Найдём затухание αуч усилительных участков:
αуч= α’ Lуч=0,392∙25=9,8 дБ
1.4 Диаграмма уровней
передачи
Наибольшее число промежуточных
усилителей находится во II круге. Диаграммы уровней передачи II круга в направлении В-С
и С-В представлены на рис. 3 и4.
Рисунок 3. Диаграмма уровней
передачи направления В-С
Рисунок 4. Диаграмма уровней
передачи направления С-В
Уровень в конце цепи составляет -4,8
дБ, что удовлетворяет предельно допустимому (-14 дБ).
2. Определение
устойчивости сети с двухсторонними усилителями
Исходные данные: Задана групповая телефонная цепь магистрали железной дороги
(рис. 5) и пункты (точки) параллельного включения в нее телефонных устройств
(табл. 4); расстояние между пунктами 4,8 км; пункты включения
двусторонних усилителей 4 и 8 и их усиление (табл. 5), входные
сопротивления на частоте 800 Гц телефонной аппаратуры (табл. 6), балансное
затухание ДС
при
отсутствии отражений цепи примем равным 25дБ. В расчетах берём параметры
кабеля МКС, приведённые в табл. 2. Входное сопротивление ПДТУ-М2 равно 600
Ом.
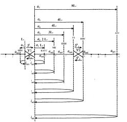
Рисунок.5 Схема расположения на
магистрали пунктов для включения телефонной аппаратуры
Таблица 4
|
Последняя цифра шифра
|
9
|
|
Аппаратура в промежуточных пунктах
|
|
|
ППТ ППС ППИ КАСС АТС МК
|
3 8 7 5 12 6
|
Таблица 5
|
Предпоследняя цифра шифра
|
2
|
|
Усиления усилителей, дБ
|
У1
|
΄΄6,2
|
|
|
|
΄΄7,0
|
|
|
У2
|
΄΄8,7
|
|
|
|
΄΄9,0
|
|
|
Телефонная аппаратура
|
, кОм
|
|
ППТ
|
40
|
|
ППИ
|
25
|
60
|
|
КТС
|
15
|
|
КАСС
|
8
|
|
АТС
|
0,8
|
|
МК
|
0,6
|
|
|
|
|
|
Для удобства расчётов составим схемы
распространения токов ОС относительно У1 и У2, на которых показаны точки
несогласованности и указаны расстояния от них до усилителей (рис. 6, 7).
Рисунок.6 Схема групповой телефонной
цепи и путей токов ОС для расчёта устойчивости У1
Рисунок.7 Схема групповой телефонной
цепи и путей токов ОС для расчёта устойчивости У2
.1 Расчёт устойчивости
усилителя У1
) Определим балансное затухание
левой ДС У1. Для этого, зная километрический коэффициент
кабеля МКС, рассчитаем затухание цепи между усилителем и точкой
несогласованности (пункт 3 с аппаратурой ППТ):
= 2∙
∙
= 2∙4,8∙0,37
= 3,552 дБ
Удвоение затухания тракта
обусловлено тем, что токи обратной связи проходят двойное расстояние.
) Далее определим затухание
отражения при параллельном подключении телефонного устройства (рис. 8):
=
=
44,31 дБ
Рисунок.8 Схема к пояснению причин
возникновения несогласованностей и отражений в групповых телефонных цепях при
параллельном подключении телефонного устройства
Рисунок.9 Схема к пояснению причин
возникновения несогласованностей и отражений в групповых телефонных цепях при
подключении двухстороннего усилителя
) Рассчитаем значение
:
А1=αот1+2α1=44,31+2∙3,552=51,41 дБ
4) Балансное затухание
левой ДС усилителя У1:
=
=
24,95 дБ
Аналогично определяем балансное
затухание правой ДС усилителя У1:
= 2∙
∙
= 2∙4,8∙0,37
= 3,552 дБ (пункт 5 с аппаратурой КАСС)
= 2∙
∙
= 2∙2∙4,8∙0,37
= 7,104 дБ (пункт 6 с оборудованием МК)
= 2∙
∙
= 2∙3∙4,8∙0,37
= 10,656 дБ (пункт 7 с аппаратурой ППИ)
= 2∙
∙
= 2∙4∙4,8∙0,37
= 14,208 дБ (пункт 8 с аппаратурой ППС)
= 2∙
∙
= 2∙4∙4,8∙0,37
=14,208 дБ (пункт 8 с У2)
= 2∙
∙
= 2∙8∙4,8∙0,37
= 28,416 дБ (пункт 12 с АТС)
=
=
30,54 дБ
=
=
10, 75 дБ
=
=
40,26 дБ
Затухание отражения при
подключении двухстороннего усилителя (рис. 9):

= 19,92 дБ
=
=
47,82 дБ
=
=
12,6 дБ
А1=αот1+2α1=30,54+2∙3,552=37,64
дБ
А2=αот2+2α2=10,75+2∙7,104=14,2
дБ
А3=αот3+2α3=40,26+2∙10,656=61,57
дБ
А4=αот4+2α4=19,92+2∙14,208=48,34
дБ
А5=αот5+2α5=47,82+2∙14,208=76,24
дБ
А6=αот6+2α6=12,6+2∙28,416=69,43
дБ
Балансное затухание
правой ДС усилителя У1:
=
=
13,85 дБ
Определим устойчивость
усилителя У1:
=
=
19,8 дБ
.2 Расчёт устойчивости
усилителя У2
Определим балансное
затухание левой ДС У2:
= 2∙
∙
=
2∙4,8∙0,37 = 3,552 дБ (пункт 7 с аппаратурой ППИ)
= 2∙
∙
=
2∙2∙4,8∙0,37 = 7,104 дБ (пункт 6 с оборудованием МК)
= 2∙
∙
=
2∙3∙4,8∙0,37 = 10,656 дБ (пункт 5 с аппаратурой КАСС)
= 2∙
∙
=
2∙4∙4,8∙0,37 = 14,208 дБ (пункт 4 с У1)
= 2∙
∙
=
2∙5∙4,8∙0,37 =17,76 дБ (пункт 3 с аппаратурой ППТ)
=
=
40,26 дБ
=
=
10, 75 дБ
=
=
30,54 дБ

= 19,92 дБ
=
=
44,31 дБ
А1=αот1+2α1==40,26+2∙3,552=47,36
дБ
А2=αот2+2α2=10,75+2∙7,104=14,2
дБ
А3=αот3+2α3=30,54+2∙10,656=51,85
дБ
А4=αот4+2α4=19,92+2∙14,208=48,34
дБ
А5=αот5+2α5=44,31+2∙17,76=79,83
дБ
Балансное затухание
левой ДС усилителя У2:
Определим балансное
затухание правой ДС У2:
= 2∙
∙
=
2∙4∙4,8∙0,37 = 14,208 дБ (пункт 12 с АТС)
=
=
12,6 дБ
А1=αот2+2α2=12,6+2∙14,208=41,02
дБ
Балансное затухание
правой ДС усилителя У2:
=
=
24,84 дБ
Определим устойчивость
усилителя У2:
=
=
19,4 дБ
2.3 Устойчивость
групповой телефонной цепи
Из полученных двух значений
за
устойчивость групповой телефонной цепи принимается наименьшая, равная 19,4 дБ.
Чем лучше уравновешена
ДС, т.е. значения сопротивлений ZЛ
и Zб ближе друг к другу, тем больше будут значения балансного и
переходного затухания. В результате увеличения переходного затухания уменьшится
ток обратной связи через ДС и, следовательно, повысится устойчивость усилителя.
С другой стороны, при
недостаточной уравновешенности ДС значения величин балансного и переходного
затухания, а также устойчивость усилителя будут уменьшаться, а при некотором
значении тока Iвх, превышающем критическое, в усилителе возникнут незатухающие
колебания.
3. Расчёт времени
передачи информации в сетях ОТС
Исходные данные
Задан участок АВ, протяжённостью L=260 км, n=15, ВОЛС; участок ВС
протяжённостью L=290 км, n=14, ВОЛС; участок ВД, протяжённостью L=350 км, n=20. Параметры надёжности
ВОЛС и аппаратуры представлены в таблице 7. На всех станциях расположена
однотипная аппаратура.
Таблица 7
|
, 1/ч
|
, 1/ч
|
, ч
|
, ч
|
, ч
|
, ч
|
, 1/с
|
λ1а, 1/с
|
, с
|
, 1/ч
|
, мин
|
|
|
|
2
|
0,4
|
1
|
0,5
|
0,001
|
0,002
|
0,08
|
11
|
1,8
|
-
интенсивность потока отказов для 1 км линии;
-
интенсивность потока отказов для 1 комплекта аппаратуры;
-
средняя длительность восстановления линии для всего участка;
-
средняя длительность восстановления аппаратуры для всего участка;
-
средняя длительность технического обслуживания для всего участка;
-
средняя длительность технического обслуживания аппаратуры;
-
интенсивность потока ошибок для всего участка;
-
интенсивность потока ошибок аппаратуры;
-
средняя длительность восстановления информации при ошибках и кратковременных
прерываниях;
-
количество сообщений в час наибольшей нагрузки (ЧНН);
-
средняя длительность сообщения в минутах;
n - количество ПП на участке.
3.1 Параметры надёжности
на участке АВ:
Найдём интенсивность потока отказов
для всей протяженности участка:
λЛИН=
=0,5∙10-6 ∙260=1,3∙10-4
1/ч;
Найдём интенсивность потока отказов
для всей аппаратуры на участке:
λАП=
=
∙15=16,5∙10-5
1/ч;
Найдём коэффициент готовности линии:
=
=
= 0,99974
Найдём коэффициент
готовности аппаратуры:
=
=0,999934
Найдём общий коэффициент
готовности:
=
∙
=0,99974∙0,999934=0,999674
P1=(
+
)∙
=(0,001+0,002)∙0,08=0,00024<0,01
Так как P 1<0,01, то можно использовать формулу:
P0= λ0∙Т0=11∙1,8/60=0,33
Найдём время передачи информации:

= 0,049 ч = 2 мин 57 сек
При передаче несрочной
информации:
Н=
+
+
=2,4+1+0,5=3,9 ч;
=
=0,99961
КТ=
∙
=0,99961∙0,99999325=0,999462

= 0,0479 ч = 2 мин 52
сек
Вывод: на участке АВ
из-за ненадёжности каналов и аппаратуры среднее время передачи информации
увеличивается в 3 раза.
3.2 Параметры надёжности
на участке ВС
Найдём интенсивность
потока отказов для всей протяженности участка:
λЛИН=
=0,5∙10-6
∙290=1,45∙10-4 1/ч;
Найдём интенсивность потока отказов
для всей аппаратуры на участке:
λАП=
=
∙14=15,4∙10-5
1/ч;
Найдём коэффициент готовности линии:
=
=
= 0,99971
Найдём коэффициент
готовности аппаратуры:
=
=0,9999384
Найдём общий коэффициент
готовности:
=
∙
=0,99971∙0,9999384=0,999648
:P0= λ0∙Т0=11∙1,8/60=0,33
Найдём время передачи
информации:

= 0,046 ч = 2 мин 46 сек
При передаче несрочной
информации:
Н=
+
+
=2,4+1+0,5=3,9 ч;
=
=0,999565
=
0,999861
КТ=
∙
=0,999565∙0,999861=0,999426

= 0,048 ч = 2 мин 53 сек
Вывод: на участке ВС
из-за ненадёжности каналов и аппаратуры среднее время передачи информации
увеличивается в 3 раза.
.3 Параметры надёжности
на участке ВD:
Найдём интенсивность
потока отказов для всей протяженности участка:
λЛИН=
=0,5∙10-6
∙350=1,75∙10-4 1/ч;
Найдём интенсивность
потока отказов для всей аппаратуры на участке:
λАП=
=
∙20=22∙10-5
1/ч;
Найдём коэффициент
готовности линии:
=
=
= 0,99965
Найдём коэффициент
готовности аппаратуры:
=
=0,999912
Найдём общий коэффициент готовности:
=
∙
=0,99965∙0,999912=0,999562
P0=
λ0∙Т0=11∙1,8/60=0,33
Найдём время передачи
информации:

= 0,046 ч = 2 мин 46 сек
При передаче несрочной
информации:
Н=
+
+
=2,4+1+0,5=3,9 ч;
=
=0,999475
=
0,999802
КТ=
∙
=0,999475∙0,999802=0,999277

= 0,049 ч = 2 мин 57 сек
Вывод: на участке ВD из-за ненадёжности каналов и аппаратуры среднее время передачи
информации увеличивается в 3 раза.
Список использованной
литературы
1. Юркин Ю.В.
Оперативно-технологическая связь на железнодорожном транспорте - учебник - М.:
ГОУ «Учебно-методический центр по образованию на железнодорожном транспорте,
2007.
. Методические
рекомендации к курсовому проекту по дисциплине «Цифровые системы опеативно-технологической
связи» 210700.62 «Инфокоммуникационные технологии и системы связи», 2013.
. Горелик А.В. Основы
теории надёжности в примерах и задачах - учебное пособие - М.: МИИТ, 2009.