Цифровые компараторы

  • Вид работы:
    Курсовая работа (т)
  • Предмет:
    Информатика, ВТ, телекоммуникации
  • Язык:
    Русский
    ,
    Формат файла:
    MS Word
    913,59 Кб
  • Опубликовано:
    2014-11-27
Вы можете узнать стоимость помощи в написании студенческой работы.
Помощь в написании работы, которую точно примут!

Цифровые компараторы

 

 

 

 





 

 


 

 

 

Курсовая работа

по дисциплине: «Вычислительная техника»

на тему: «Цифровые компараторы»

Оглавление

Введение

. Общая характеристика компаратора

. Аналоговый интегральный компаратор

. Двух пороговый компаратор

. Параметры компараторов

. Исследование основных схем компаратора

Заключение

Список использованной литературы

Введение


Полупроводниковые электронные устройства делятся на два больших класса: аналоговые и цифровые (дискретные). В основе классификации лежит возможность изменения в устройстве электрического сигнала, несущего информацию. Если информационный сигнал изменяется непрерывно и может принимать произвольные значения в широком диапазоне, устройство является аналоговым, если же сигнал изменяется дискретно и может принимать только два фиксированных значения, соответствующих двум цифрам двоичной системы счисления - нулю и единице, то устройство относится к цифровым или дискретным. В аналоговых устройствах сам электрический сигнал и его параметры - уровень, частота и фаза электрического колебания несут информацию о физической величине. В цифровых устройствах информация о величине закодирована цифровым кодом, состоящим из множества двоичных разрядов, каждый из которых может принимать только одно из двух фиксированных значений, которым соответствуют два уровня напряжения (обычно они обеспечиваются открытым либо закрытым состоянием транзистора, работающего в ключевом режиме) [3].

Информацию о различных физических величинах и контролируемых процессах получают с помощью датчиков, называемых также измерительными преобразователями. Эти устройства осуществляют преобразование измеряемой величины в пропорциональный ей электрический сигнал.

В современных системах управления различными процессами, в том числе и технологическими, присутствуют устройства обоих типов. Аналоговые устройства обычно обеспечивают съем первичной информации с датчиков системы управления приводами исполнительных устройств и механизмов, управление же самим процессом в соответствии с заданной алгоритмом программой выполняют цифровые устройства. Взаимодействие между аналоговой частью системы и цифровой (преобразование информации из аналоговой формы в цифровую и обратно) обеспечивают цифроаналоговые (ЦАП) и аналого-цифровые преобразователи (АЦП).

Очень важную роль при аналого-цифровом преобразовании играют компараторы. Компаратором называют устройство, предназначенное для сравнения изменяющегося аналогового входного сигнала с опорным напряжением. При этом в зависимости от того, больше входной сигнал опорного или меньше (на доли милливольт), на выходе компаратора должно установиться напряжение «логический нуль» (лог. 0) или «логическая единица» (лог. 1). Так как выходной сигнал компаратора подается обычно на логические схемы, его выходное напряжение согласуется с цифровыми логическими схемами [6].

Функцию сравнения двух напряжений может выполнить и операционный усилитель, если на один из его входов подать опорное напряжение, а на другой - входной сигнал. Однако специализированные устройства - компараторы - имеют преимущество в быстродействии, которое получают, предотвращая режим насыщения его транзисторов, а, следовательно, и длительное рассасывание неосновных носителей.

Цель работы - дать общую характеристику компараторам, рассмотреть их виды и исследовать основные схем компаратора.

 

1. Общая характеристика компаратора

компаратор аналоговый интегральный

Компаратор - это сравнивающее устройство. Аналоговый компаратор предназначен для сравнения непрерывно изменяющихся сигналов. Входные аналоговые сигналы компаратора суть Uвх - анализируемый сигнал и Uоп - опорный сигнал сравнения, а выходной Uвых - дискретный или логический сигнал, содержащий 1 бит информации:


Выходной сигнал компаратора почти всегда действует на входы логических цепей и потому согласуется по уровню и мощности с их входами. Таким образом, компаратор - это элемент перехода от аналоговых к цифровым сигналам, поэтому его иногда называют однобитным аналого-цифровым преобразователем. [7]

Рис. 1. Характеристики компараторов

Неопределенность состояния выхода компаратора при нулевой разности входных сигналов нет необходимости уточнять, так как реальный компаратор всегда имеет либо конечный коэффициент усиления, либо петлю гистерезиса (рис. 1).

Рис. 2. Процессы переключения компараторов

Чтобы выходной сигнал компаратора изменился на конечную величину |U1вых - U0вых| при бесконечно малом изменении входного сигнала, компаратор должен иметь бесконечно большой коэффициент усиления (эпюра 1 на рис. 2) при полном отсутствии шумов во входном сигнале. Такую характеристику можно имитировать двумя способами - или просто использовать усилитель с очень большим коэффициентом усиления, или ввести положительную обратную связь. [7]

Рассмотрим первый путь. Как бы велико усиление не было, при Uвх близком к нулю характеристика будет иметь вид рис. 1а. Это приведет к двум неприятным последствиям. Прежде всего, при очень медленном изменении Uвх выходной сигнал также будет изменяться замедленно, что плохо отразится на работе последующих логических схем (эпюра 2 на рис. 2). Еще хуже то, что при таком медленном изменении Uвх около нуля выход компаратора может многократно с большой частотой менять свое состояние под действием помех (так называемый "дребезг", эпюра 3). Это приведет к ложным срабатываниям в логических элементах и к огромным динамическим потерям в силовых ключах. Для устранения этого явления обычно вводят положительную обратную связь, которая обеспечивает переходной характеристике компаратора гистерезис (рис. 1б). Наличие гистерезиса хотя и вызывает некоторую задержку в переключении компаратора (эпюра 4 на рис. 2), но существенно уменьшает или даже устраняет дребезг Uвых.

В качестве компаратора может быть использован операционный усилитель (ОУ) так, как это показано на рис. 3. Усилитель включен по схеме инвертирующего сумматора, однако, вместо резистора в цепи обратной связи включены параллельно стабилитрон VD1 и диод VD2.

Рис. 3. Схема компаратора на ОУ

Пусть R1 = R2. Если Uвх - Uоп > 0, то диод VD2 открыт и выходное напряжение схемы небольшое отрицательное, равное падению напряжения на открытом диоде. При Uвх - Uоп < 0 на стабилитроне установится напряжение, равное его напряжению стабилизации Uст. Это напряжение должно соответствовать единичному логическому уровню цифровых интегральных микросхем (ИМС), входы которых подключены к выходу компаратора. Таким образом, выход ОУ принимает два состояния, причем в обоих усилитель работает в линейном режиме. Многие типы ОУ не допускают сколько-нибудь существенное входное дифференциальное напряжение. Включение по схеме на рис. 3 обеспечивает работу ОУ в режиме компаратора практически с нулевыми дифференциальными и синфазными входными напряжениями. Недостатком данной схемы является относительно низкое быстродействие, обусловленное необходимостью частотной коррекции, так как ОУ работает в линейном режиме со 100%-ной обратной связью. Используя для построения компаратора обычные ОУ, трудно получить время переключения менее 1 мкс. [4]

 

. Аналоговый интегральный компаратор


Итак, компаратор - это быстродействующий дифференциальный усилитель постоянного тока с большим усилением, малым дрейфом и смещением нуля и логическим выходом. Его входной каскад должен обладать большим коэффициентом ослабления синфазной составляющей (КОСС) и способностью выдерживать большие синфазные и дифференциальные сигналы на входах, не насыщаясь, т.е. не попадая в режимы, из которых компаратор будет долго выходить. Для повышения помехозащищенности желательно снабдить компаратор стробирующим логическим входом, разрешающим переключение компаратора только в тактовые моменты.

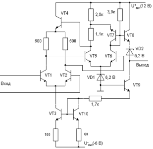
Схема первого промышленного интегрального компаратора А710 (отечественный аналог - 521СА2), разработанного Р. Видларом (R.J. Widlar) в США в 1965 г., приведена на рис. 4.

Она представляет собой дифференциальный усилитель на транзисторах VT1, VT2, нагруженный на каскады ОЭ на VT5 и VT6. Каскад на VT5 через транзистор VТ4 управляет коллекторным режимом входного каскада и через транзистор в диодном включении VТ7 фиксирует потенциал базы транзистора VT8, делая его независимым от изменений положительного напряжения питания. Каскад на VT6 представляет собой второй каскад усиления напряжения. Эмиттерные выводы транзисторов VT5 и VT6 присоединены к стабилитрону VD1 с напряжением стабилизации 6,2 В, поэтому потенциалы баз указанных транзисторов соответствуют приблизительно 6,9 В. Следовательно, допустимое напряжение на входах компаратора относительно общей точки может достигать 7 В. [4]

Рис. 4. Схема компаратора А710

На транзисторе VT8 выполнен эмиттерный повторитель, передающий сигнал с коллектора VT6 на выход. Постоянная составляющая сигнала уменьшается до нулевого уровня стабилитроном VD2.

Если дифференциальное входное напряжение превышает +5...+10 мВ, то транзистор VT6 закрыт, а VT5 близок к насыщению. Выходной сигнал компаратора при этом не может превысить +4 В, так как для более положительных сигналов открывается диод на VT7, не допуская излишнего роста выходного напряжения и насыщения VТ5. При обратном знаке входного напряжения VT6 насыщается, потенциал его коллектора оказывается близок к напряжению стабилизации стабилитронов VD1 и VD2, а поэтому потенциал выхода близок к нулю. Транзистор VT9 - источник тока 3 мА для смещения VT8 и VD2. Часть этого тока (до 1,6 мА) может отдаваться в нагрузку, требующую вытекающий ток на входе (один вход логики ТТЛ серии 155 или 133). [10]

В дальнейшем эта схема развивалась и совершенствовалась. Схемы многих компараторов имеют стробирующий вход для синхронизации, а некоторые модификации снабжены на выходе триггерами-защелками, т.е. схемами, фиксирующими состояние выхода компаратора по приходу синхроимпульса. Кроме того, для повышения функциональной гибкости часть ИМС компараторов (например, МАХ917-920) содержит источник опорного напряжения, а у некоторых (например, МАХ910) порог срабатывания устанавливается цифровым кодом от 0 до 2,56 В с дискретностью 10 мВ , для чего на кристалле микросхемы имеются источник опорного напряжения и 8-разрядный цифро-аналоговый преобразователь.

Выходные каскады компараторов обычно обладают большей гибкостью, чем выходные каскады операционных усилителей. В обычном ОУ используют двухтактный выходной каскад, который обеспечивает размах напряжения в пределах между значениями напряжения питания (например, +/-13 В для ОУ типа 140УД7, работающего от источников +/-15 В). В выходном каскаде компаратора эмиттер, как правило, заземлен, и выходной сигнал снимается с "открытого коллектора". Выходные транзисторы некоторых типов компараторов, например, 521СА3 или LM311 имеют открытые, т.е. неподключенные, и коллектор и эмиттер. Две основные схемы включения компараторов такого типа приведены на рис. 5.

На рис. 5а выходной транзистор компаратора включен по схеме с общим эмиттером. При потенциале на верхнем выводе резистора равном +5 В к выходу можно подключать входы ТТL, nМОП- и КМОП-логику с питанием от источника 5 В. Для управления КМОП-логикой с более высоким напряжением питания следует верхний вывод резистора подключить к источнику питания данной цифровой микросхемы.

Рис. 5. Схемы включения выходного каскада компаратора 521СА3

Если требуется изменение выходного напряжения компаратора в пределах от U+пит до U-пит, выходной каскад включается по схеме эмиттерного повторителя (рис. 5б). При этом заметно снижается быстродействие компаратора и происходит инверсия его входов. Некоторые модели интегральных компараторов (например, AD790, МАХ907) имеют внутреннюю неглубокую положительную обратную связь, обеспечивающую их переходной характеристике гистерезис с шириной петли, соизмеримой с напряжением смещения нуля. На рис. 6а приведена схема включения компаратора с открытым коллектором на выходе, переходная характеристика которой имеет гистерезис (рис. б). Пороговые напряжения этой схемы определяются по формулам


Из-за несимметрии выхода компаратора петля гистерезиса оказывается несимметричной относительно опорного напряжения. [10]

Рис. 6. Компаратор с положительной обратной связью

В заключение, перечислим некоторые особенности компараторов по сравнению с ОУ.

. Несмотря на то, что компараторы очень похожи на операционные усилители, в них почти никогда не используют отрицательную обратную связь, так как в этом случае весьма вероятно (а при наличии внутреннего гистерезиса - гарантировано) самовозбуждение компараторов.

. В связи с тем, что в схеме нет отрицательной обратной связи, напряжения на входах компаратора неодинаковы.

. Из-за отсутствия отрицательной обратной связи входное сопротивление компаратора относительно низко и может меняться при изменении входных сигналов.

. Выходное сопротивление компараторов значительно и различно для разной полярности выходного напряжения. [4]

 

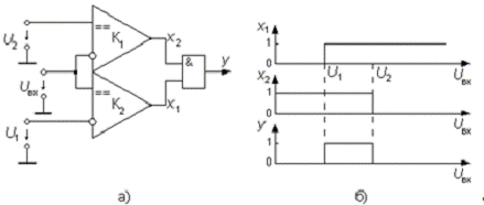
. Двух пороговый компаратор


Двух пороговый компаратор (или компаратор "с окном") фиксирует, находится ли входное напряжение между двумя заданными пороговыми напряжениями или вне этого диапазона. Для реализации такой функции выходные сигналы двух компараторов необходимо подвергнуть операции логического умножения (рис. 7а). Как показано на рис. 7б, на выходе логического элемента единичный уровень сигнала будет иметь место тогда, когда выполняется условие U1 < Uвх < U2, так как в этом случае на выходах обоих компараторов будут единичные логические уровни. Такой компаратор выпускается в виде ИМС А711 (отечественный аналог - 521СА1).

Рис. 7. Схема двух порогового компаратора (а) и диаграмма его работы (б)

. Параметры компараторов

Параметры, характеризующие качество компараторов, можно разделить на три группы: точностные, динамические и эксплуатационные.

Компаратор характеризуется теми же точностными параметрами, что и ОУ. Основным динамическим параметром компаратора является время переключения tп. Это промежуток времени от начала сравнения до момента, когда выходное напряжение компаратора достигает противоположного логического уровня. Время переключения замеряется при постоянном опорном напряжении, подаваемом на один из входов компаратора и скачке входного напряжения Uвх, подаваемого на другой вход. Это время зависит от величины превышения Uвх над опорным напряжением. На рис. 8 приведены переходные характеристики компаратора mА710 для различных значений дифференциального входного напряжения Uд при общем скачке входного напряжения в 100 мВ. Время переключения компаратора tп можно разбить на две составляющие: время задержки tз и время нарастания до порога срабатывания логической схемы tн. В справочниках обычно приводится время переключения для значения дифференциального напряжения, равного 5 мВ после скачка. [8]

Рис. 8. Переходная характеристика компаратора А710 при различных превышениях скачка входного напряжения Uд над опорным: 1 - на 2 мВ; 2 - на 5 мВ; 3 - на 10 мВ; 4 - на 20 мВ.

. Исследование основных схем компаратора

Проведем исследования основных схем компараторов, построенных на базе операционных усилителей. На рис. 9 и 10 приведены схемы и виды характеристик детекторов нулевого уровня, имеющих близкое к нулю пороговое напряжение. Схемы различаются способом подачи входного сигнала на вход ОУ. Использование разных входов ОУ для подачи входного сигнала позволяет реализовать фиксацию уровня входного напряжения положительным или отрицательным перепадом напряжения на выходе компаратора.

Рис. 9.

Рис 10

На рисунках приводится вид характеристики "выход-вход". По вертикальной оси откладывается выходное напряжение, по горизонтальной оси - входное. Наклон характеристик вызван конечной скоростью нарастания выходного напряжения. На рис. 11 и 12 приведены схемы и виды характеристик детекторов положительного и отрицательного уровней входного напряжения. Пороговый уровень входного напряжения в этих схемах задается величиной напряжения смещения, подаваемого на инвертирующий вход ОУ. Напряжение смещения может задаваться стабилитроном, как показано на рис. 13.

Рис. 11

Рис. 12

Рис. 13

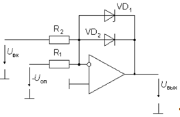
Максимальное и минимальное значение выходного напряжения может задаваться при помощи внешних элементов. На рис. 14 приведена схема детектора нулевого напряжения с фиксацией уровней выходного напряжения при помощи стабилитрона. Компаратор, показанный на рис. 15, позволяет фиксировать наличие входного напряжения в определенном диапазоне значений. Если входное напряжение изменяется в пределах пороговых значений, устанавливаемых внешними элементами, то выходное напряжение имеет низкий уровень. При выходе за установленные пределы пороговых значений выходное напряжение изменяется на высокий уровень. При работе с компараторами могут возникнуть неприятности, проявляющиеся в том, что вместо однократного изменения уровня выходного напряжения при достижении входным напряжением порогового значения, могут иметь место быстрые колебания между уровнями выходного напряжения, особенно в том случае, когда во входном сигнале присутствует значительный шум. При таком явлении может нарушиться нормальное функционирование некоторых типов схем. Можно избежать этого, если характеристика компаратора имеет гистерезис. Одной из схем такого рода является триггер Шмитта. Схема и её характеристика представлена на рис. 16. Для идеального ОУ, имеющего одинаковые напряжения ограничения, положительное значение входного порогового напряжения может быть вычислено по формуле [8] :


Рис. 14.

Рис. 15.

Отрицательное значение входного порогового напряжения определяется выражением:


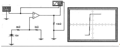
где Е - напряжение ограничения ОУ. Для всех рассмотренных схем анализ их работы можно осуществить по двум характеристикам. Первая из них представляет собой характеристику вход-выход и устанавливает соотношения между входным и выходным напряжением схемы в статическом режиме. Для наблюдения такой характеристики на экране осциллографа необходимо сигнал с канала, подключенного к выходу схемы, откладывать по вертикальной оси, а сигнал с канала, подключенного ко входу схемы, - по горизонтальной оси, на вход схемы подается синусоидальное напряжение. Динамику переключения выходного напряжения схемы можно проследить по осциллограммам входного и выходного напряжения. При снятии этой характеристики на вход схемы подается синусоидальное напряжение и двухлучевым осциллографом фиксируется входное и выходное напряжение. [9]

Рис. 16

Заключение


Компаратор является измерительным прибором для сравнения измеряемой величины с эталоном (электроизмерительные потенциометры и др. приборы сравнения). Различают компараторы оптические, электрические, пневматические и др. Компараторы применяются, например, для проверки линейных мер, измерения напряженности электромагнитного поля излучателей. В картографических работах используются стереокомпараторы, в астрономии (для сравнения спектров и астрофотографий) - спектр компараторы и блинк-компараторы.

В ходе выполнения курсовой работы мы дали общую характеристику компараторам, рассмотрели их виды и исследовали основные схемы компаратора.

Список использованной литературы


1.   Агаханян Т.М. Интегральные микросхемы. М.: Энергоатомиздат, 2013.

2.      Жеребцов И.П. Основы электроники. Л.: Энергия, 2008.

.        Зюко А.Г. , Кловский Д.Д., Назаров М.В., Финк Л.М. Теория передачи сигналов. М: Радио и связь, 2011 г. -368 с.

.        Лидовский В.И. Теория информации. - М., «Высшая школа», 2012 г. - 120с.

5.   Метрология и радиоизмерения в телекоммуникационных системах. Учебник для ВУЗов. / В.И. Нефедов, В.И. Халкин, Е.В. Федоров и др. - М.: Высшая школа, 2011 г. - 383с.

.     Основы промышленной электроники. /Под ред. В.Г.Герасимова. М.: Высшая школа, 2009.

7.      Проектирование РЭА на интегральных микросхемах /Под ред. С.В. Якубовского. М.: Радио и связь, 2012.

.        Скляр Б. Цифровая связь. Теоретические основы и практическое применение. Изд. 2-е, испр.: Пер. с англ. - М.: Издательский дом «Вильямс», 2013 г. - 1104 с.

.        Справочник по интегральным микросхемам. /Под ред. Тарабрина Б.В. М.: Энергия, 2009.

.        Степаненко И.П. Основы теории транзисторов и транзисторных схем. М.: Энергия, 2009.

11. Цапенко М.П. Измерительные информационные системы. - . - М.: Энергоатом издат, 2009. - 440с.

.     Миловзоров О.В., И.Г. Панков. Электроника. М.: Высшая школа, 2008.

Похожие работы на - Цифровые компараторы

 

Не нашли материал для своей работы?
Поможем написать уникальную работу
Без плагиата!
Без нейросетей!