Характеристика интегральных триггеров

  • Вид работы:
    Контрольная работа
  • Предмет:
    Информатика, ВТ, телекоммуникации
  • Язык:
    Русский
    ,
    Формат файла:
    MS Word
    104,18 Кб
  • Опубликовано:
    2014-07-22
Вы можете узнать стоимость помощи в написании студенческой работы.
Помощь в написании работы, которую точно примут!

Характеристика интегральных триггеров

Оглавление

Введение

Глава 1. Цифровые устройства последовательного типа

1.1 Общее представление о триггерах

1.2 RS-триггеры

Глава 2. Регистр, как устройство выполнения функции приема, хранения и передачи информации

Заключение

Литература

Введение

Регистры - самые распространённые узлы цифровых устройств. Они оперируют с множеством связанных переменных, составляющих слово. Над словами выполняется ряд операций: приём, выдача, хранение, сдвиг в разрядной сетке, поразрядные логические операции.

Сдвигающие (последовательные) регистры используются для сдвига n-разрядных чисел в одном направлении. Кроме того, их можно применять для сдвига нечисловой информации. [11]

Регистры сдвига применяют в качестве запоминающих устройств, в качестве преобразователей последовательного кода в параллельный, в качестве устройств задержки и счётчиков импульсов, но применение сдвигающих регистров в качестве счётчиков достаточно неэкономично.

Регистры состоят из разрядных схем, в которых имеются триггеры и, чаще всего, также и логические элементы. Действуют они как единое целое.

По количеству линий передачи переменных, регистры делятся на однофазные и парофазные, по системе синхронизации на однотактные, двухтактные и многотактные. Однако главным классификационным признаком является способ приёма и выдачи данных. [2; 103]

В параллельных регистрах приём и выдача слов производится по всем разрядам одновременно. В них хранятся слова, которые могут быть подвергнуты поразрядным логическим преобразованиям.

В последовательных регистрах слова принимаются и выдаются разряд за разрядом. Их называют сдвигающими, так как тактирующие сигналы при вводе и выводе слов перемещают их в разрядной сетке. Сдвигающий регистр может быть нереверсивным (с однонаправленным сдвигом) или реверсивным (с возможностью сдвига в обоих направлениях).

Последовательно-параллельные регистры имеют входы-выходы одновременно последовательного и параллельного типа.

В параллельных (статических) регистрах схемы разрядов не обмениваются данными между собой.

Из статических регистров составляются блоки регистровой памяти - регистровые файлы.

Главные функции регистров:

Хранение информации;

Прием информации;

Выдача информации;

Сдвиг информации;

Преобразование кодов.

Поразрядные логические операции: дизъюнкция, конъюнкция, сложение по модулю 2.

Основная выполняемая регистром функция заключается в хранении одного многоразрядного числа. Регистр строится в виде набора триггеров каждый из которых предназначается для хранения цифр определенного разряда двоичного числа. Таким образом, регистр для хранения разрядного двоичного числа должен содержать n триггеров. Регистры могут использоваться для выполнения и некоторых других функций: сдвиг хранимого в регистре числа на определенное число разрядов влево или вправо преобразование числа из последовательной формы. [12]

Триггеры - большой класс электрических устройств, позволяющих длительно находится в одном из двух (или более) устойчивых состояний и чередовать их под воздействием внешних сигналов (в следствии регенеративного процесса).

Триггер - импульсное логическое устройство с памятью (элемент памяти - фиксатор).

Существует более десятка различных интегральных триггеров. В основу их классификации положены:

- функциональный признак,

способ записи информации в триггер.

По функциональному признаку различают Т-триггеры, JK-триггеры, RS-триггеры, D-триггеры, комбинированные триггеры (TV, DV, E, R) и т.д.

По способу записи (приёма) информации различают:

Асинхронные триггеры:

а) с внутренней задержкой;

б) управляемые уровнем входного импульса;

Синхронные триггеры (тактируемые):

а) с внутренней задержкой;

б) управляемые уровнем тактирующего импульса:

однотактного действия (одноступенчатые);

многократного действия.

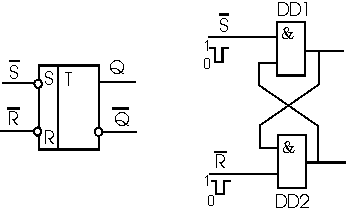
Запись информации в тактируемые триггеры осуществляется только при подаче разрешающего тактирующего импульса.триггер имеет два информационных входа: S (Set) и R (Reset). Одновременная подача сигналов S и R не допускается. На рисунке 1 изображен синхронный RS-триггер, срабатывающий по фронту тактирующего сигнала. [10; 102]

Рисунок 1.Синхронный RS-триггер

Кроме входов, простейший RS-триггер имеет и два выхода. Выходы обозначают Q и. Выход Q называют прямым, a - инверсным. Уровни напряжения на обоих выходах взаимно инверсны: если сигнал Q = 1, то = 0, либо если Q = 0, то= 1. Необходимо еще отметить, что состояние триггера, при котором Q = 1, a= 0, называют единичным. При нулевом состоянии триггера Q = 0 и= 1. С поступлением сигналов на входы триггера в зависимости от его состояния либо происходит переключение, либо исходное состояние сохраняется.

Рисунок 2. -триггер: его условное графическое обозначение и схема с двумя логическими элементами И-НЕ

На рисунке 2 показан простейший триггер - типа . Здесь использованы только два логических элемента И-НЕ. Назначение входов: - для установки триггера в единичное состояние и- для возвращения в нулевое состояние. Черточки над обозначениями входов показывают, что переключение триггера происходит, когда входное напряжение высокого уровня сменяется напряжением низкого уровня (рисунок 2). Нетрудно видеть, что когда на входы не поступают сигналы, триггер сохраняет свое состояние. Если, например, Q = 1 и = 0, то есть триггер в единичном состоянии, то, поскольку выход DD1 связан с одним из входов DD2, а выход DD2 - с одним из входов DD1, на двух входах DD2 действует напряжение высокого, а на выходе низкого (= 0) уровня. [7; 76]

В то же время на одном из входов DD1 напряжение низкого, а на выходе - высокого уровня. Если теперь на входпоступает сигнал с обозначенной полярностью (момент t1,рисунок 3), состояние триггера не изменится, потому что поступление сигнала на второй вход DD1 временно изменит только сочетание сигналов на входах (до подачи сигнала оно было 1 и 0, а стало 0 и 0), но выходное состояние DD1 остается при этом неизменным. Если, однако, сигнал поступит на вход(момент t2), на обоих входах DD2 уже окажутся напряжения разного уровня, состояние логических элементов изменится и на выходе его будет напряжение высокого уровня. На обоих входах DD1 окажутся напряжения высокого уровня, а на выходе - низкого, то есть триггер "опрокинется" и перейдет в другое состояние: Q = 0 и = 1.

Рисунок 3. Временная диаграмма работы-триггера.

Из сказанного следует, что смена состояния триггера происходит только при чередовании сигналов низкого уровня на входах  и . При этом, если такие сигналы поступят на оба входа одновременно, то после их прекращения состояние триггера станет неопределенным (состояние Q = 0 или Q = 1 равновероятно). Поэтому одновременная подача сигналов низкого уровня на оба входа не разрешается.

Работа -триггера характеризуется таблицей состояний (индексы n и n+1 означают принадлежность сигнала моменту времени tn и следующему за ним tn+1):

Таблица 1

1

1

1

0

1

0

0

1

0

0

0

Неопределённое состояние


Не разрешается одновременная подача напряжения низкого уровня на оба входа -триггера. Триггер типа RS, как и -триггер, "запоминает", на какой из двух входов (R или S) поступил последний сигнал: если на вход R, триггер находится в нулевом состоянии (Q = 0 и= 1), а если на вход S, то в единичном состоянии (Q = 1 и= 0).

Рисунок 4. RS-триггер: его условное графическое обозначение и схема с четырьмя логическими элементами И-НЕ.

На рисунке 4 показана схема RS-триггера, выполненного на логических элементах И-НЕ. Она отличается от схемы -триггера тем, что к каждому входу добавлено по инвертору (DD3 и DD4), которые только обеспечивают необходимый уровень входных сигналов. [11]

Изменение входных сигналов от низкого уровня до высокого приводит к смене состояния триггера (моменты t1, t2, t2 и t5; в момент t4 опрокидывания не происходит, так как триггер уже установлен в единичное состояние в предшествующий момент - t3, рисунок 5).

Рисунок 5. Временная диаграмма работы RS-триггера

Все сказанное относительно RS-триггера сохраняет силу и для -триггера. Единственное различие касается инверсии уровней входных сигналов (R вместо и S вместо). [15; 104]

Глава 1. Цифровые устройства последовательного типа

Цифровые устройства последовательного типа или цифровые автоматы с памятью - это электронные цифровые устройства, логические значения на выходах которых определяются не только совокупностью логических сигналов на входах в данный момент времени, но и состоянием внутренних элементов памяти по результатам его предшествующей работы. Запоминание предшествующих состояний выполняется при помощи триггеров и регистров памяти.

Типичными примерами логических автоматов с памятью являются счётчики импульсов и сдвиговые регистры [4; 113]

1.1 Общее представление о триггерах

Триггеры - это электронные устройства, обладающие двумя устойчивыми состояниями равновесия и способные скачком переходить из одного устойчивого состояния в другое под воздействием внешних управляющих сигналов.

Состояние называется устойчивым, если слабое внешнее воздействие не нарушает этого состояния. Для перехода триггера из одного состояния в другое необходимо, чтобы входной сигнал превысил пороговое значение.

Триггер снабжается двумя выходами: прямым Q и инверсным Q. Состояние триггера определяет логический уровень на выходе Q. Триггеры могут иметь входы различного типа:

R (от англ. RESET) - раздельный вход установки в состояние 0;

S (от англ. SET) - раздельный вход установки в состояние 1;

К - вход установки универсального триггера в состояние 0;

J - вход установки универсального триггера в состояние 1;

V - вход разрешения;

С - синхронизирующий вход;

D- информационный вход;

Т - счетный вход

Обычно название триггера дают по имеющимся у него входам:RS-триггер, JK-триггер, D-триггер и др. По способу записи информации триггеры подразделяются на асинхронные и синхронные. Васинхронных триггерахсостояние на выходе изменяется сразу же после изменения сигнала на информационных входах. Всинхронных триггерахдля передачи сигнала с информационных входов на выходы требуется специальный синхронизирующий импульс. Синхронные триггеры подразделяются на триггеры со статическим управлением и триггеры с динамическим управлением. В триггерах с динамическим управлением передача сигнала с информационных входов на выходы осуществляется по фронту или по спаду синхронизирующего импульса.

Триггеры относятся к цифровым автоматам. В отличие от комбинационных схем состояние на выходе триггера в данный момент времени определяется не только состояниями на входах триггера в этот же момент времени, но и предыдущим состоянием триггера. Цифровые автоматы к которым относятся триггеры, иногда называют последовательными схемами.

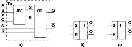
Триггеры можно представить как устройство, состоящее из ячейки памяти ЯП и логического устройства (ЛУ) управления, преобразующего входную информацию в комбинацию сигналов, под воздействием которых ЯП принимает одно из двух устойчивых состояний.

Информационные сигналы поступают на входы A и В ЛУ и преобразуются в сигналы, поступающие на внутренние входы S и R ЯП. Процесс преобразования информационных сигналов осуществляется под воздействием сигналов, подаваемых на вход V разрешения приёма информации и вход C синхронизации, обеспечивающей тактируемый приём информации.

Рисунок 5

Рисунок 6

а) Обобщённое устройство триггера;

б) RS-триггер с прямыми входами;

в) Инверсными статическими входами

При наличии входа C триггер называют синхронным, а при его отсутствии-асинхронным. Управляющие сигналы на асинхронный триггер воздействуют непосредственно с началом своего появления на их входах, а в синхронных - только с приходом сигнала на входе C.

Триггеры могут иметь статические или динамические входы. Как статические, так и динамические входы могут быть прямыми или инверсными.

Входы называются статическими, если они имеют непосредственную связь с источником входных сигналов. Сигналом для управления статическим триггером с прямыми статическими входами является уровень лог «1», а для управления триггером с инверсными входами - уровень лог «0».

Входы называются динамическими, если они соединены с источником входных сигналов через развязывающие цепи: магнитные, электронные или RC-цепи. Они реагируют только на перепады входных сигналов. Если срабатывание триггера происходит при изменении входного сигнала от «0» к «1», то входы называются прямыми, а если при изменении сигнала от «1» к «0», то - инверсными.

Входы Ś и Ŕ называются входами асинхронной установки триггера. Они предназначены для подачи приоритетных сигналов установки триггера в исходное состояние (0 или 1) в начале цикла работы независимо от воздействия информационных сигналов, то есть в обход схемы управления. [9; 315]

1.2 RS-триггеры

Наибольшее применение находят триггеры с раздельным запуском, которые называются RS-триггерами. Их условное графическое обозначение приведено на рисунке 1. В простейшем RS-триггере информационные сигналы подаются непосредственно на входы S и R ячейки памяти.

Входы, на которые подаются запускающие импульсы, называются установочными. Буквой S обозначают вход, на который подаётся сигнал, устанавливающий триггер в единичное состояние (Q=1, ). Буквой R (Reset - сброс) обозначают вход, на который подаётся сигнал сброса, переводящий триггер в состояние «0» . Буквой Q обозначается прямой выход, а  - инверсный.триггеры применяются как самостоятельно, так и в составе других более сложных триггеров, а также входят в состав регистров и счётчиков.

1. RS-триггеры в аналогических элементах.

Функционирование логических устройств последовательного типа описывается таблицами переходов, которые отличаются от таблиц истинности тем, что в них учитываются только результативные переходы, когда изменение комбинации сигналов на входе приводит к изменению выходного состояния. Однако таблица переходов может быть сведена к таблице истинности, если состояние внутренних элементов памяти считать входными сигналами.

Полная таблица функционирования (таблица истинности) приведена на рисунке 2а, в которой предыдущее состояние триггера Qn до подачи входных сигналов является одним из входных сигналов. Выходное состояние триггера после подачи входных сигналов обозначено символом Qn+1. Таблица переходов триггера приведена на рисунке 7

Таблица истинности позволяет применить рассмотренную выше методику синтеза логических устройств комбинационного типа для синтеза устройств последовательного типа, в том числе и RS-триггеров.

Для минимизации структурной формулы RS-триггера заполним карту Карно, приведённую на рисунке 8.

Рисунок 7. Таблица истинности; б) Таблица переключений RS-триггера.

Рисунок 8 Карты Карно для минимизации структурной формулы RS-триггера

В соответствии с теорией минимизации неопределённых логических функций, для определения прямого значения функции Qn+1 неопределённые значения карты Карно «ф» (Рисунок 3,а) заменим «1» (Рисунок 9,б), а для определения инверсного значения  - заменим «0» (Рисунок 9,в). Для получения функции  минимизация производится по нулям.

Минимизированные значения функций Qn+1и на элементах основного базиса имеют вид:


Рисунок 9. RS-триггеры:

а), б) - аналогических элементах ИЛИ-НЕ,

в), г) - аналогических элементах И-НЕ.

Для реализации триггера на элементах ИЛИ-НЕ проинвертируем функцию

:.

Структурная схема триггера, полученная в соответствии с этим выражением, приведена на рисунке44,а. В структурной формуле установочные сигналы S и R представлены в прямом коде, следовательно, исполнительными значениями сигналов являются уровни лог «1», то есть триггер на элементах ИЛИ-НЕ имеет прямые статические входы.

Для реализации триггера на элементах И-НЕ дважды проинвертируем функциюQn+1:


Как следует из полученного выражения, исполнительными значениями сигналов здесь являются лог.«0», поэтому RS-триггер на элементах И-НЕ имеет инверсные статические входы. Структурная схема триггера и его УГО приведены на рисунках 4, в, г.[1; 211]

При разработке цифровых схем, в которые входят RS-триггеры, необходимо учитывать наличие запрещённого состояния входных сигналов для RS-триггеров на элементах ИЛИ-НЕ S=R=1, а для RS-триггеров на элементах И-НЕ Условие нормального функционирования для обеих схем RS-триггеров можно записать в следующем виде: SR ≠ 1

Если в разрабатываемой схеме такое сочетание входных сигналов в принципе возможно, то эту ситуацию необходимо исключить путём включения во входную цепь <#"806398.files/image029.jpg">

Рисунок 10. Синхронные RS-триггеры:

Синхронные RS-триггеры имеют три входа: S, R и C. Применение синхронизации не устраняет неопределённое состояние триггера, возникающее при одновременной подаче единичных сигналов на все три входа. Поэтому условием нормального функционирования является следующее неравенство: SRC ≠ 1

Кроме трёх основных входов, синхронные RS-триггеры снабжаются ещё входами асинхронной установки состояния триггера- ŚиŔ. Они предназначены для подачи приоритетных сигналов установки триггера в исходное состояние (0 или 1) в начале цикла работы независимо от воздействия сигналов на входах S и R, то есть в обход схемы управления.

По своему воздействию на состояние триггера входы Ś и Ŕ являются самыми главными и поэтому на УГО отделяются от остальных сигналов горизонтальной линией. [7; 260]

3. RS-триггеры S, R и E-типов

В отличие от обычных RS-триггеров у триггеров S, R и E-типов комбинация <#"806398.files/image030.gif">

Рисунок 11. RS-триггер Е-типа

Схема работает как обычный RS-триггер, но при подаче сигналов S=R=1 вентили D5 и D6 обеспечивают закрытое состояние элементов D1 и D2, поэтому выходное состояние триггера Q остаётся без изменения.

Если исключить из схемы Рисунка6 элемент D6, то при подаче на вход сигналов S=R=1 блокируется только элемент D2, на выходе которого устанавливается «1», а на выходе D1 формируется «0». Эти сигналы устанавливают триггер в состояние Q=1, или подтверждают его, если до подачи сигналов S=R=1 триггер находился в состоянии Q=1. Такой триггер называется RS-триггером S-типа.

Если исключить из схемы Рисунка 6 элемент D5, оставив элемент D6, то при подаче на вход сигналов S=R=1 блокируется только элемент D1, поэтому триггер устанавливается в состояние Q=0 или подтверждают его, если до подачи сигналов S=R=1 триггер находился в состоянии Q=0. Такой триггер называется RS-триггером R-типа. [12]

Глава 2. Регистр, как устройство выполнения функции приема, хранения и передачи информации

Основным классификационным признаком регистров являются способ записи двоичного кода в регистр и его выдача, т.е. различают параллельные, последовательные (сдвигающие) и параллельно-последовательные регистры. Параллельный регистр выполняет операцию записи параллельным кодом. Последовательный регистр осуществляет запись последовательным кодом, начиная с младшего или старшего разряда, путем последовательного сдвига кода тактирующими импульсами.

Параллельно-последовательные регистры имеют входы как для параллельной, так и для последовательной записи кода числа. Кроме того, сдвигающие регистры делятся на одно- и двунаправленные(реверсивные). Однонаправленные регистры осуществляют сдвиг кода влево или вправо, а двунаправленные - и влево, и вправо.

Основой построения регистров являются синхронные RS-триггеры или, предпочтительнее, В-триггеры. Принцип построения простейшего параллельного т-разрядного регистра показан на рисунке 12.

Рисунок 12. Параллельный регистр

В параллельном регистре цифры кода подаются на D-вход соответствующих триггеров. Запись осуществляется при подаче логической единицы на вход С. Код снимается с выходов Q. Параллельные регистры служат только для хранения информации в виде параллельного двоичного кода и для преобразования прямого кода в обратный и наоборот.

Последовательные регистры, помимо хранения информации, способны преобразовывать последовательный код в параллельный и наоборот. При построении последовательных регистров триггеры соединяются последовательно путем подключения выхода Q i-го триггера ко входу D i-го триггера, как это показано на рисунке 13. [15; 96]

Рисунок 13. Последовательный регистр

В последовательных регистрах принципиально необходимо, чтобы новый сигнал на выходе Q i-го триггера возникал только после окончания синхросигнала. Для выполнения этого условия в последовательных регистрах необходимо применять двухступенчатые триггеры.

При действии каждого очередного тактового импульса код, содержащийся в регистре, сдвигается на один разряд. Для схемы, приведенной на рисунке 2, сдвиг кода происходит вправо (в сторону младших разрядов). Действительно, сигнал выхода Q i+1-го триггера действует на вход D i-го триггера, а сигнал выхода Q i-го триггера действует на вход D i-1-го триггера. При действии синхросигнала i-й триггер примет состояние i+1-го, а i-1-й - состояние i-го триггера, т.е., произойдет сдвиг кода вправо на один разряд.

Параллельный двоичный код одновременно снимается с выходов Q триггеров. Для сдвига кода влево необходимо, чтобы сигнал с выхода Q i-1-го триггера подавался на вход Q i-го (старшего) триггера.

Реверсивные регистры должны содержать логические схемы управления, обеспечивающие прохождение сигнала с выхода Q i-го триггера на вход D i-1-го триггера при сдвиге кода вправо и прохождение этого же сигнала на вход D i+1-го при реализации сдвига кода влево. Схема построения реверсивного регистра приведена на рисунке 14.

Рисунок 14. Реверсивный регистр

Направление сдвига кода определяется подачей требуемых сигналов управления на соответствующие входы. Так, в схеме, показанной на рис. 210, при подаче на вход S0 напряжения логической единицы сдвиг кода будет происходить влево (в сторону старших разрядов), поскольку логическая схема управления 2И - 2И - 2ИЛИ будет разрешать прохождение сигналов с выходов Q i-го триггера на вход D i-го триггера, и наоборот, при подаче на вход S1 напряжения логической единицы будет разрешено прохождение сигнала с выхода Q i-го триггера на вход D i1-го триггера - будет реализовываться сдвиг кода вправо (в сторону младших разрядов).

Условно-графическое обозначение параллельного, сдвигового и реверсивного регистров приведено на рисунке 15. [2; 115]

Рисунок 15. УГО параллельного, сдвигового и реверсивного регистров.

Выводы микросхем, показанных на рисунке 4, следующие: D1-DN - входы D-триггеров соответствующих разрядов при записи информации в параллельном коде; Q1-QN - прямые выходы Q-триггеров; С - вход тактовых импульсов; R - вход обнуления; S0,S1 - входы управления направлением сдвига; VR - вход последовательного кода при сдвиге вправо (R - от англ. Right), при сдвиге кода влево применяется обозначение VL - (Left).

Основную массу регистров, применяемых на практике, представляют регистры сдвига, т.к. помимо операции хранения они могут осуществлять преобразование параллельного кода в последовательный и наоборот, прямого кода - в обратный и наоборот, выполнять арифметические и логические операции, временную задержку и деление частоты. [4; 100]

Заключение

триггер регистр микросхема цифровой

Одним из ведущих направлений развития современной микроэлектронной элементной базы являются БИС (большие интегральные микросхемы) памяти, которые служат основой для построения запоминающих устройств в аппаратуре различного назначения. Номенклатуру микросхем памяти отечественного производства характеризует большое разнообразие конструктивно-технологических и схемотехнических исполнений, функциональных возможностей, электрических характеристик, областей применения.

Для хранения небольших объёмов информации широко применяют регистры. Номенклатура микросхем регистров хорошо развита и разнообразна. По принципу построения различают регистры хранения и сдвига. Важнейшими характеристиками регистров являются разрядность и быстродействие. Разрядность определяет число разрядов двоичной кодовой комбинации, которая может быть записана в регистр. Быстродействие характеризует максимальную частоту, с которой может производиться запись и чтение информации. Регистры хранения служат для записи, хранения и считывания информации. Для хранения информации могут использоваться RS- или D-триггеры, причем число триггеров должно быть равно числу разрядов кодовой комбинации. Такие регистры представляют собой совокупность последовательно соединенных триггеров, как правило, двухступенчатых. Число триггеров, определяется разрядностью записываемой кодовой комбинации. [4; 112]

По направлению сдвига информации различают регистры со сдвигом вправо (т.е. в сторону младшего разряда), со сдвигом влево (в сторону старшего разряда) и реверсивные, допускающие сдвиг в обе стороны. [7; 279]

Литература

1. Бабич Н.Л., Жуков И.А. Основы цифровой схемотехники: Учебное пособие. - С-П., 2007. - 402с.

2. Балашов Е.П., Григорян В.М. Микро- и мини ЭВМ., Л., -1984. - 376с.

3. Бухгалтерский учет: Учеб. пособие. 3-е изд., перераб. и доп. /О.А. Левкович, И.Н. Бурцева. - Мн.: Амалфея, 2005. - 800 с.

4. Калабеков Б.А. Цифровые устройства и микропроцессорные системы. - М: Телеком, 2000. - 100-122с.

5. Куракин В.Л. Свободные регистры сдвига. I. - В сб.: Труды по дискретной математике. Т. 9. - М.: Гелиос-АРВ, 2006. - 232с.

6. Ланских В.Г. Основы схемотехники. - К., 2002. - 78с.

7. Морисита И. Аппаратные средства ЭВМ. Пер. с япон., - М.: Мир, 1988. - 279с.

8. Новиков Ю.В. Основы цифровой схемотехники. Базовые элементы и схемы. - М., 2001. - 379с.

. Новиков Ю.В. Схемотехника. - М., 2002. - 384с.

10. Потемкин И.С. Функциональные узлы цифровой автоматики. - М.: Энергоатомиздат. - 1988. - с.87-96, 102-107.

Похожие работы на - Характеристика интегральных триггеров

 

Не нашли материал для своей работы?
Поможем написать уникальную работу
Без плагиата!
Без нейросетей!